Design and Testing of a Crawler Chassis for Brush-Roller Cotton Harvesters
Abstract
1. Introduction
2. Materials and Methods
2.1. Overall Design Scheme
- Given the shortcomings in the mechanized harvesting of cotton in the Yangtze and Yellow River basins in China, combined with the agronomic requirements for cotton cultivation, the current standardized planting model typically has a plant spacing of 15 cm and a row spacing of 76 cm. The design for picking spans three rows, and the operational mode employs a pattern of skipping three rows and harvesting three rows, as shown in Figure 1.
- Based on the agronomic requirements for cotton cultivation and the harvesting operation mode, the track gauge of the crawler chassis was set at 2000 mm, with a ground contact length of 1650 mm. An inverted trapezoidal crawler was used as the locomotion device, and the maximum ground clearance of the chassis was 270 mm to accommodate the operational needs under varying terrain conditions.
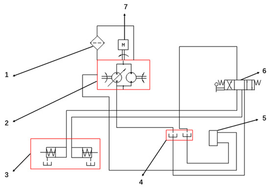
- Hydraulic technology was utilized to bypass the traditional mechanical power output, employing a continuously variable transmission as the power drive for the crawler chassis, which enhances adaptability. Concurrently, a rear-wheel drive system was employed as the propulsion source, offering higher traction and greater adaptability.
2.2. Overall Structure and Working Principle
2.3. Working Principle of the Crawler Chassis
2.4. Calculation of Key Components of the Crawler Chassis
2.4.1. Calculation of Crawler Parameters
2.4.2. Ground Contact Pressure
2.5. Calculation of Chassis Power System
2.5.1. Engine Selection
2.5.2. Hydraulic System Calculation
2.5.3. Transmission Selection
2.5.4. Hydraulic Steering Device
2.6. Chassis Structural Design
- Load-Bearing Capacity: The reliability of the frame is a critical basis for assessing the safe operation and driving performance of the vehicle. The frame primarily provides fixed support for the cabin, cotton box, power system, and cotton box. The mass of each component is as shown in Table 3, and they ensure it can withstand the expected weight of the components and dynamic loads. The spatial mass layout is 4273 × 2400 × 360 mm3.
- Material Selection: The chosen materials for the walking chassis frame should exhibit sufficient strength, rigidity, and corrosion resistance. The brush-roller-type crawler chassis frame was welded using Q235 carbon structural steel. To explore the frame’s safety for the entire machine, a static structural analysis was conducted using ANSYS Workbench 2022 R1 to ensure the chassis frame meets the required strength and rigidity, as shown in Figure 8a.
- Spatial Layout: The layout facilitates the installation and maintenance of various parts of the vehicle, such as the transmission walking system, transmission working system, and other components, ensuring a rational and compact vehicle structure, as shown in Figure 8b.
| Name | Parameter |
|---|---|
| Total machine weight (N) | 50,960 |
| Chassis weight (N) | 21,560 |
| Cabin (N) | 1960 |
| Header (N) | 10,810 |
| Cotton box (N) | 5101.2 |
| Engine (N) | 4120.2 |
| Transmission (N) | 1765.8 |
3. Finite Element Analysis of the Chassis
3.1. Preprocessing of Chassis Model
3.2. Results Analysis
4. Results and Discussion
4.1. Field Trials
4.2. Purpose of the Experiment
4.3. Chassis Performance Evaluation Test
4.3.1. Working Travel Speed
4.3.2. Maneuverability Test
4.3.3. Impact Experiment
4.4. Discussion
5. Conclusions
- (1)
- Considering the small planting area, relative dispersion, and difficulty in field transfer in the cotton planting regions of the Yangtze and Yellow River basins, this paper proposes a brush-roller-type cotton harvester with a crawler chassis designed to suit the 76 cm planting model and the harvesting requirement of spanning three rows. The chassis crawler gauge is set at 2000 mm, with a track width of 350 mm and a maximum ground clearance of the chassis set at 270 mm.
- (2)
- The harvester employs a continuously variable transmission drive mode and rear-drive technology to adapt to complex terrain with an all-terrain dynamic drive. The maximum operating speed is 6.1 km/h, ensuring efficient power transfer and flexible adjustment. The chassis maintains efficient power transfer under various load and operational speed conditions. Considering the adaptability to various complex terrains during travel, an inverted trapezoidal crawler chassis is selected.
- (3)
- Structural design and transmission selection for the brush-roller-type crawler cotton harvester’s chassis were conducted, followed by a static structural simulation of the entire chassis frame using ANSYS Workbench. The results show that the stress distribution of the chassis’s main load-bearing components generally conforms to the material’s physical properties. The deformation cloud results indicate some stress concentration, but the amount of chassis deformation remains within an acceptable range, maintaining structural stability and safety.
- (4)
- Field tests were conducted on the brush-roller-type crawler cotton harvester. The results show strong passability and stability in soft soil and sloped areas. The harvester is agile in field steering, with a timely transmission response. After multiple data tests, under various operational speeds, the harvester achieved a picking efficiency of 93%. Its speed control is excellent, allowing for flexible adjustment based on different cotton growth conditions and field environments.
Author Contributions
Funding
Institutional Review Board Statement
Data Availability Statement
Acknowledgments
Conflicts of Interest
References
- Wang, Z.W.; Gao, M.W.; Li, H.T.; Kong, F.J.; Lu, H.Q.; Wang, J.H.; Deng, Y.S.; Han, Z.; Shen, G.F.; Duan, B.; et al. Comparison of Appropriate Machine- Harvesting Traits of Different Cotton Varieties. Shandong Agric. Sci. 2017, 49, 24–28. [Google Scholar]
- Chen, C.L.; Shi, L.; Zhang, Y.T.; Kong, F.T.; Xie, Q.; Sun, Y.F.; Huang, M.S. Design and Test of Cotton-boll Separation and Collection System from Stripper Cotton Harvester. J. Agric. Sci. Technol. 2017, 19, 68–73. [Google Scholar]
- Chen, C.Q.; Jiang, F.; Zhang, X.J.; Zhang, G.Z.; Li, H. The Present Situation, Problems and Countermeasures of Mechanized Production of Cotton in China. China Cott. 2017, 44, 1–4. [Google Scholar]
- Han, M.X.; Xu, K.; Liao, Y.T.; Li, M.; Yu, K. Co-simulation and Test of Electro–Hydraulic System of Novel Hybrid Track. Trans. CSAM 2024, 55, 396–408. [Google Scholar]
- Wu, T.F. Steering Performance Test System for Small Remote-Controlled Tracked Tractor Design and Test. Master’s Thesis, Sichuan Agricultural University, Ya’an, China, 2021. [Google Scholar]
- Xu, G.W.; Song, Y.M.; Qiu, X.Y.; Liang, J.M.; Gao, Q.; Li, H. Matching Design and Test of Power System for Electric Self-propelled Crawler Chassis of Orchard. Agric. Mech. Res. 2022, 44, 251–255. [Google Scholar]
- Grigore, L.Ș.; Oncioiu, I.; Priescu, I.; Joița, D. Development and Evaluation of the Traction Characteristics of a Crawler EOD Robot. Appl. Sci. 2021, 11, 3757. [Google Scholar] [CrossRef]
- Liu, W.; Luo, X.; Zeng, S.; Zeng, L.; Wen, Z. The Design and Test of the Chassis of a Triangular Crawler-Type Ratooning Rice Harvester. Agriculture 2022, 12, 890. [Google Scholar] [CrossRef]
- Zhao, J.Z.; Wang, F.C.; Yu, B.; Wang, D.C. Research on All-terrain Profiling Crawler Power Chassis. Trans. CSAM 2014, 45, 20–24. [Google Scholar]
- Chen, Y.; Wang, Z.; Zhang, H.; Liu, X.; Li, H.; Sun, W.; Li, H. Investigation of the Traveling Performance of the Tracked Chassis of a Potato Combine Harvester in Hilly and Mountainous Areas. Agriculture 2024, 12, 1625. [Google Scholar] [CrossRef]
- Xiong, Z.Q. Design and Optimization of Chassis Control System of Crawler Tractor. Agric. Mech. Res. 2023, 45, 259–264. [Google Scholar]
- Zhao, J.Z.; Wang, F.C.; Zhu, Y.Q.; Zhang, X.Q.; Wang, D.C. Subsection Following Steering Control Strategy and Test of Hydrostatic-mechanical Driving Crawler Chassis. Trans. CSAM 2016, 47, 36–41. [Google Scholar]
- Zhang, Z.G.; Wang, Y.C.; Li, H.Q.; Dao, F.; Zhang, Z.D.; Xue, H.T. Design and Test of Hydraulic Control Tracked Self-propelled Greenhouse Panax notoginseng Harvester. Trans. CSAM 2021, 52, 127–135. [Google Scholar]
- Xie, B.; Wu, Z.B.; Mao, E.R. Development and Prospect of Key Technologies on Agricultural Tractor. Trans. CSAM 2018, 49, 1–17. [Google Scholar]
- Sun, Y.X.; Xu, L.Z.; Jing, B.; Chai, X.Y.; Li, Y.M. Development of a four-point adjustable lifting crawler chassis and experiments in a combine harvester. J. Comput. Electron. Agric. 2020, 173, 105416. [Google Scholar] [CrossRef]
- Wu, T.; Wu, H.B.; Liu, Q.T.; Liang, X.L.; Fan, Q.J.; Xie, C. Design and development of tracked sugarcane transporter. J. Sugar Tech. 2021, 23, 1137–1146. [Google Scholar] [CrossRef]
- Sun, S.Y.; Wu, J.F.; Ren, C.L.; Tang, H.L.; Chen, J.W.; Ma, W.L.; Chu, J.W. Chassis trafficability simulation and experiment of a LY1352JP forest tracked vehicle. J. For. Res. 2021, 32, 1315–1325. [Google Scholar] [CrossRef]
- Keller, T.; Arvidsson, J. A model for prediction of vertical stress distribution near the soil surface below rubber-tracked undercarriage systems fitted on agricultural vehicles. J. Soil Till Res. 2016, 155, 116–123. [Google Scholar] [CrossRef]
- Wang, F.A.; Cao, Q.Z.; Li, Y.B.; Pang, Y.L.; Xie, K.T.; Zhang, Z.G. Design and Trafficability Experiment of Self-propelled Potato Harvester in Hilly and Mountainous Areas. Trans. CSAM 2023, 54, 10–19. [Google Scholar]
- Wang, D.C.; Zhao, Y.R.; You, Y.; Zhang, X.N.; Wang, T.Y.; Li, S.B. Design and Experiment of Self–propelled Tracked Chassis of King Grass Harvester for Gentle Sloping Fields. Trans. CSAM 2023, 54, 178–187. [Google Scholar]
- Li, S.J.; Chen, H.L.; Peng, J.B.; Meng, L.; Zhang, X.; Li, M.Z. Design and Test of Hydraulic Remote Control Crawler Power Chassis for Hilly and Mountainous Orchards. Trans. CSAM 2024, 55, 119–127. [Google Scholar]
- Sun, J.B.; Chu, G.P.; Pan, G.T.; Meng, C.; Liu, Z.J.; Yang, F.Z. Design and Performance Test of Remote Control Omnidirectional Leveling Hillside Crawler Tractor. Trans. CSAM 2021, 52, 358–369. [Google Scholar]
- Wang, T.; Liu, G.G.; Lou, T.T.; Yao, A.P.; Tong, Y.N.; Lei, C.L. Development and test of fruit tree branches grinder in hilly area. J. Chin. Agric. 2019, 40, 88–94. [Google Scholar]
- Shi, R.; Dai, F.; Zhao, W.; Liu, X.; Wang, T.; Zhao, Y. Optimal Design and Testing of a Crawler-Type Flax Combine Harvester. Agriculture 2023, 13, 229. [Google Scholar] [CrossRef]
- Gao, Q.M.; Pan, D.; Zhang, X.; Deng, F.Y.; Huang, D.H.; Wang, L.Q. Design and Simulation of Entire Track Modular Unmanned Agricultural Power Chassis. Trans. CSAM 2020, 51, 561–570. [Google Scholar]
- Wang, M.; Zhao, B.; Wang, C.W.; Li, H.W.; Liu, Y.C.; Fang, X.F. Method for Controlling Turning Radius of Crawler-type Tractors Based on GMM. Trans. CSAM 2020, 51, 557–563. [Google Scholar]
- Zhu, R.J.; Li, Y.M.; Xu, L.Z.; Liu, Y. Multi–objective Optimization Design of the Tracked Combine Harvester Chassis Frame. Agric. Mech. Res. 2023, 45, 36–43. [Google Scholar]
- Hao, Z.H.; Yang, X.J.; Liu, L.J.; Yin, S.Z.; Liu, S.P.; Zhao, J.H. Design and Experiment of Multifunctional Dynamic Chassis for Orchard. Trans. CSAM 2018, 49, 66–73. [Google Scholar]
- Qiu, B.J.; He, Y.J.; Sheng, Y.H.; Yin, Z.H.; Deng, W.Q. Finite Element Modal Analysis and Structure Optimization of Spray Boom. Trans. CSAM 2014, 45, 112–116. [Google Scholar]
- Wang, J.W.; Tang, H.; Shen, H.G.; Bai, H.C.; Na, M.J. Design and experiment of high clearance roll-waist multifunctional power chassis for paddy field. Trans. CSAE 2017, 33, 32–40. [Google Scholar]
- GB/T 5262; Measuring Methods for Agricultural Machinery Testing Conditions-General Rules. China National Standardization Administration Committee Press: Beijing, China, 2008.
- Wang, Y.; Jin, C.; Yang, T.; Wang, T.; Ni, Y. Analysis and Experimental Investigation of Steering Kinematics of Driven Steering Crawler Harvester Chassis. Agriculture 2024, 14, 65. [Google Scholar] [CrossRef]
- GB/T 3871.5; Agricultural Tractors—Test Procedures—Part 5: Turning and Clearance Diameters. China National Standardization Administration Committee Press: Beijing, China, 2006.

















| Parameter | Numerical Values |
|---|---|
| Overall dimensions (L × W × H) (m) | 6.5 × 2.6 × 3.4 |
| Total mass (t) | 5.2 |
| Matching power (kW) | 88.3 |
| Working width (rows) | 3 |
| Cotton box volume (m3) | 10 |
| Operating speed (m/s) | 0.9 |
| Parameter | Numerical Values |
|---|---|
| Track width (mm) | 350 |
| Track ground contact length (mm) | 1650 |
| Track pitch (mm) | 90 |
| Wheelbase (mm) | 2000 |
| Transmission method | HST hydraulic continuously variable transmission |
| Steering method | Hydraulic power-assisted steering |
| Gear | Travel Distance/m | Travel Time/s | Average Time/s | Actual Speed (km·h−1) |
|---|---|---|---|---|
| First gear | 100 | 129 | 114 | 3.168 |
| 93 | ||||
| 120 | ||||
| Second gear | 75.6 | 72.6 | 4.968 | |
| 70.8 | ||||
| 72 | ||||
| Three gears | 61.2 | 63.6 | 6.876 | |
| 34.8 | ||||
| 60.6 |
Disclaimer/Publisher’s Note: The statements, opinions and data contained in all publications are solely those of the individual author(s) and contributor(s) and not of MDPI and/or the editor(s). MDPI and/or the editor(s) disclaim responsibility for any injury to people or property resulting from any ideas, methods, instructions or products referred to in the content. |
© 2024 by the authors. Licensee MDPI, Basel, Switzerland. This article is an open access article distributed under the terms and conditions of the Creative Commons Attribution (CC BY) license (https://creativecommons.org/licenses/by/4.0/).
Share and Cite
Wang, Z.; Kong, F.; Xie, Q.; Zhang, Y.; Sun, Y.; Wu, T.; Chen, C. Design and Testing of a Crawler Chassis for Brush-Roller Cotton Harvesters. Agriculture 2024, 14, 1832. https://doi.org/10.3390/agriculture14101832
Wang Z, Kong F, Xie Q, Zhang Y, Sun Y, Wu T, Chen C. Design and Testing of a Crawler Chassis for Brush-Roller Cotton Harvesters. Agriculture. 2024; 14(10):1832. https://doi.org/10.3390/agriculture14101832
Chicago/Turabian StyleWang, Zhenlong, Fanting Kong, Qing Xie, Yuanyuan Zhang, Yongfei Sun, Teng Wu, and Changlin Chen. 2024. "Design and Testing of a Crawler Chassis for Brush-Roller Cotton Harvesters" Agriculture 14, no. 10: 1832. https://doi.org/10.3390/agriculture14101832
APA StyleWang, Z., Kong, F., Xie, Q., Zhang, Y., Sun, Y., Wu, T., & Chen, C. (2024). Design and Testing of a Crawler Chassis for Brush-Roller Cotton Harvesters. Agriculture, 14(10), 1832. https://doi.org/10.3390/agriculture14101832
