A Neural Network Based Superstructure Optimization Approach to Reverse Osmosis Desalination Plants
Abstract
:1. Introduction
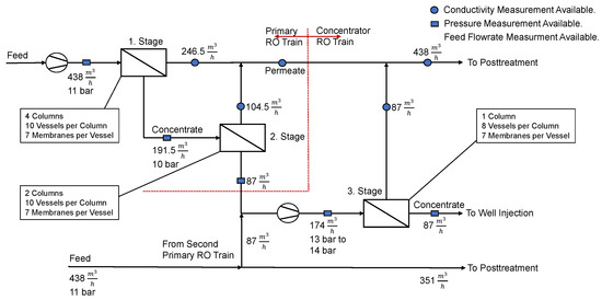
2. RO Plant Description and Problem Definition
3. Surrogate Modeling
3.1. Retentate Pressures
3.2. Water Recoveries
3.3. Permeate Concentration
3.4. Objective Function
4. Optimization Model
5. Results and Discussion
5.1. Energy Minimization
5.2. Multi-Objective Optimization
6. Conclusions
Author Contributions
Funding
Data Availability Statement
Acknowledgments
Conflicts of Interest
Abbreviations
| ANN | Artificial neural network | 
| BWRO | Brackish water reverse osmosis | 
| ERD | Energy recovery device | 
| FEWN | Food-energy-water nexus | 
| GPM | Gallons per minute | 
| MILP | Mixed-integer linear programming | 
| ML | Machine learning | 
| PSI | Pounds per square inch | 
| RO | Reverse osmosis | 
| SAWS | San Antonio Water System | 
| SEC | Specific energy consumption | 
| TDS | Total dissolved solids | 
Symbols
| Q | Volume flow | () | 
| Water recovery | % | |
| P | Pressure | bar (psi) | 
| Pressure difference | bar (psi) | |
| C | Concentration | () | 
| R | Root mean square error | - | 
| W | Weight of an ANN node | - | 
| b | Bias of an ANN node | - | 
| x | Positive ReLU output | - | 
| s | Negative ReLU output | - | 
| z | Binary variable to distinct between positive and negative ReLU outputs | - | 
| L | Lower boundary | - | 
| U | Upper boundary | - | 
| Pump efficiency | - | |
| ERD efficiency | - | 
Indices
| f | Feed | 
| p | Permeate | 
| r | Retentate | 
| System (water recovery specific) | |
| Overall system value (permeate concentration specific) | |
| Primary RO train | |
| Maximum possible value | |
| restriction (bound on a variable) | |
| h | input factors of hidden layer | 
| i | number of stages | 
| j | number of parallel flows | 
| k | number of ANN layers | 
| l | number of nodes in hidden layer | 
| Energy recovery device | 
Appendix A
| Analyte | Results January 2017 () | Results July 2017 () | 
|---|---|---|
| Total Alkalinity as CaCO | 222 | 227 | 
| Total Dissolved Solids | 1300 | 1350 | 
| Chloride | 237 | 243 | 
| Fluoride | 0.215 | Not measured | 
| Nitrate | <0.5 | Not measured | 
| Phosphate | <0.1 | Not measured | 
| Sulfate | 462 | 481 | 
| Calcium | 26.8 | 24.4 | 
| Iron | 0.216 | 0.171 | 
| Magnesium | 12.5 | 11.0 | 
| Silicon | 7.60 | 8.15 | 
| Sodium | 418 | 416 | 
| Strontium | 2.17 | 1.96 | 
| Iron Dissolved | <0.125 | 0.159 | 
| Aluminum | ||
| Barium | ||
| Hardness (Ca/Mg calculation) | 118 | 106 | 
| Silica as SIO, Total | 16.3 | 17.4 | 
| Stage 1 | ||||
|---|---|---|---|---|
| Parallel Flow | 1 | 2 | 3 | 4 | 
| Slope | 0.9738 | 0.9961 | 0.9639 | 0.9394 | 
| Intercept | −0.0178 | −0.0109 | −0.0159 | −0.0429 | 
| Stage 2 | ||||
|---|---|---|---|---|
| Parallel Flow | 1 | 2 | 3 | 4 | 
| Slope | 0.9428 | 0.9717 | 0.9387 | 0.8924 | 
| Intercept | −0.0438 | 0.0002 | −0.0344 | −0.0821 | 
| Stage 3 | ||
|---|---|---|
| Parallel Flow | 1 | 2 | 
| Slope | 0.5704 | 0.5551 | 
| Intercept | −0.2841 | −0.3053 | 
| Parallel Flow | Stage 1 | Stage 2 | Stage 3 | 
|---|---|---|---|
| 1 | 0.9996 | 0.9997 | 0.9744 | 
| 2 | 0.9965 | 0.9997 | 0.9746 | 
| 3 | 0.9997 | 0.9999 | X | 
| 4 | 0.9996 | 0.9998 | X | 


| Layer | Weight | Bias | 
|---|---|---|
| Hidden layer | 0.7617 | −0.2093 | 
| −0.9346 | 0.6925 | |
| 0.7775 | 0.3956 | |
| Output layer | −0.5216 | |
| −0.4094 | −0.3413 | |
| 1.2498 | 


| Layer | Weight | Bias | 
|---|---|---|
| Hidden layer | −1.7695 | −1.3021 | 
| 1.7932 | −1.3353 | |
| Output layer | −2.0706 | −0.017 | 
| 2.1311 | 


| Layer | Weight | Bias | 
|---|---|---|
| Hidden layer | −0.9282 0.1619 1.1833 −0.7842 1.2263 | 0.2516 | 
| −0.0198 −0.0470 0.0774 0.0187 −1.4914 | −0.4574 | |
| −0.6438 1.0768 −2.2842 0.9856 0.7062 | −0.5085 | |
| Output layer | −0.2997 | |
| −0.5658 | −0.3704 | |
| 1.8043 | 






References
- van Vliet, M.T.H.; Jones, E.R.; Flörke, M.; Franssen, W.H.P.; Hanasaki, N.; Wada, Y.; Yearsley, J.R. Global water scarcity including surface water quality and expansions of clean water technologies. Environ. Res. Lett. 2021, 16, 024020. [Google Scholar] [CrossRef]
- UNEP. A Snapshot of the World’s Water Quality: Towards a global assessment. In Nairobi, United Nations Environment Programme; 2016; Available online: https://uneplive.unep.org/media/docs/assessments/unep_wwqa_report_web.pdf (accessed on 3 February 2022).
- Prudhomme, C.; Giuntoli, I.; Robinson, E.L.; Clark, D.B.; Arnell, N.W.; Dankers, R.; Fekete, B.M.; Franssen, W.; Gerten, D.; Gosling, S.N.; et al. Hydrological droughts in the 21st century, hotspots and uncertainties from a global multimodel ensemble experiment. Proc. Natl. Acad. Sci. USA 2014, 111, 3262–3267. [Google Scholar] [CrossRef] [PubMed] [Green Version]
- MacDonald, A.; Bonsor, H.; Ahmed, K.; Burgess, W.; Basharat, M.; Calow, R.; Dixit, A.; Foster, S.; Gopal, K.; Lapworth, D.; et al. Groundwater quality and depletion in the Indo-Gangetic Basin mapped from in situ observations. Nat. Geosci. 2016, 9, 762–766. [Google Scholar] [CrossRef]
- Kulat, M.I.; Mohtar, R.H.; Olivera, F. Holistic Water-Energy-Food Nexus for Guiding Water Resources Planning: Matagorda County, Texas Case. Front. Environ. Sci. 2019, 7, 3. [Google Scholar] [CrossRef] [Green Version]
- UN. General Assembly. General Assembly Resolution 70/1: Transforming Our World: The 2030 Agenda for Sustainable Development. 2015. Available online: https://www.un.org/en/development/desa/population/migration/generalassembly/docs/globalcompact/A_RES_70_1_E.pdf (accessed on 3 February 2022).
- Jones, E.; Qadir, M.; van Vliet, M.T.; Smakhtin, V.; mu Kang, S. The state of desalination and brine production: A global outlook. Sci. Total Environ. 2019, 657, 1343–1356. [Google Scholar] [CrossRef] [PubMed]
- Bundschuh, J.; Kaczmarczyk, M.; Ghaffour, N.; Tomaszewska, B. State-of-the-art of renewable energy sources used in water desalination: Present and future prospects. Desalination 2021, 508, 115035. [Google Scholar] [CrossRef]
- Di Martino, M.; Avraamidou, S.; Pistikopoulos, E. Superstructure Optimization for the Design of a Desalination Plant to Tackle the Water Scarcity in Texas (USA). In Proceedings of the 30th European Symposium on Computer Aided Process Engineering, Milan, Italy, 31 August–2 September 2020; Pierucci, S., Manenti, F., Bozzano, G.L., Manca, D., Eds.; Elsevier: Amsterdam, The Netherlands, 2020; Volume 48, pp. 763–768. [Google Scholar] [CrossRef]
- Okampo, E.J.; Nwulu, N. Optimisation of renewable energy powered reverse osmosis desalination systems: A state-of-the-art review. Renew. Sustain. Energy Rev. 2021, 140, 110712. [Google Scholar] [CrossRef]
- Qasim, M.; Badrelzaman, M.; Darwish, N.N.; Darwish, N.A.; Hilal, N. Reverse osmosis desalination: A state-of-the-art review. Desalination 2019, 459, 59–104. [Google Scholar] [CrossRef] [Green Version]
- Feria-Díaz, J.J.; Correa-Mahecha, F.; López-Méndez, M.C.; Rodríguez-Miranda, J.P.; Barrera-Rojas, J. Recent Desalination Technologies by Hybridization and Integration with Reverse Osmosis: A Review. Water 2021, 13, 1369. [Google Scholar] [CrossRef]
- Di Martino, M.; Avraamidou, S.; Cook, J.; Pistikopoulos, E.N. An optimization framework for the design of reverse osmosis desalination plants under food-energy-water nexus considerations. Desalination 2021, 503, 114937. [Google Scholar] [CrossRef]
- Shammi, M.; Mostafizur, M.R. 13 - Desalination technologies and potential mathematical modeling for sustainable water–energy nexus. In Water Engineering Modeling and Mathematic Tools; Samui, P., Bonakdari, H., Deo, R., Eds.; Elsevier: Amsterdam, The Netherlands, 2021; pp. 251–269. [Google Scholar] [CrossRef]
- Ruiz-García, A.; Nuez, I.; Carrascosa-Chisvert, M.; Santana, J. Simulations of BWRO systems under different feedwater characteristics. Analysis of operation windows and optimal operating points. Desalination 2020, 491, 114582. [Google Scholar] [CrossRef]
- Li, M. Chapter 5: Optimization and Plant Validation of BWRO Operation. In Analysis and Design of Membrane Processes; AIP Publishing LLC: Melville, NY, USA, 2020; pp. 5-1–5-42. [Google Scholar] [CrossRef]
- Fellaou, S.; Ruiz-Garcia, A.; Gourich, B. Enhanced exergy analysis of a full-scale brackish water reverse osmosis desalination plant. Desalination 2021, 506, 114999. [Google Scholar] [CrossRef]
- Patel, S.K.; Biesheuvel, P.M.; Elimelech, M. Energy Consumption of Brackish Water Desalination: Identifying the Sweet Spots for Electrodialysis and Reverse Osmosis. ACS ES&T Eng. 2021, 1, 851–864. [Google Scholar] [CrossRef]
- Kotb, H.; Amer, E.; Ibrahim, K. On the optimization of RO (Reverse Osmosis) system arrangements and their operating conditions. Energy 2016, 103, 127–150. [Google Scholar] [CrossRef]
- Sassi, K.M.; Mujtaba, I.M. Simulation and Optimization of Full Scale Reverse Osmosis Desalination Plant. In 20th European Symposium on Computer Aided Process Engineering; Pierucci, S., Ferraris, G.B., Eds.; Elsevier: Amsterdam, The Netherlands, 2010; Volume 28, pp. 895–900. [Google Scholar] [CrossRef]
- Seo, J.; Kim, Y.M.; Chae, S.H.; Lim, S.J.; Park, H.; Kim, J.H. An optimization strategy for a forward osmosis-reverse osmosis hybrid process for wastewater reuse and seawater desalination: A modeling study. Desalination 2019, 463, 40–49. [Google Scholar] [CrossRef]
- Ling, B.; Xie, P.; Ladner, D.; Battiato, I. Dynamic Modeling of Fouling in Reverse Osmosis Membranes. Membranes 2021, 11, 349. [Google Scholar] [CrossRef]
- Wei, W.; Zou, X.; Ji, X.; Zhou, R.; Zhao, K.; Wang, Y. Analysis of Concentration Polarisation in Full-Size Spiral Wound Reverse Osmosis Membranes Using Computational Fluid Dynamics. Membranes 2021, 11, 353. [Google Scholar] [CrossRef]
- Putić, L.; Alnouri, S.; Stijepović, V.; Stajić-Trošić, J.; Grujić, A.; Stijepović, M. A universal transportation model for reverse osmosis systems. Comput. Chem. Eng. 2021, 148, 107264. [Google Scholar] [CrossRef]
- Rall, D.; Schweidtmann, A.M.; Kruse, M.; Evdochenko, E.; Mitsos, A.; Wessling, M. Multi-scale membrane process optimization with high-fidelity ion transport models through machine learning. J. Membr. Sci. 2020, 608, 118208. [Google Scholar] [CrossRef]
- White, D.A.; Arrighi, W.J.; Kudo, J.; Watts, S.E. Multiscale topology optimization using neural network surrogate models. Comput. Methods Appl. Mech. Eng. 2019, 346, 1118–1135. [Google Scholar] [CrossRef]
- Schweidtmann, A.M.; Esche, E.; Fischer, A.; Kloft, M.; Repke, J.U.; Sager, S.; Mitsos, A. Machine Learning in Chemical Engineering: A Perspective. Chem. Ing. Tech. 2021, 93, 2029–2039. [Google Scholar] [CrossRef]
- Bishop, C.M.; Nasrabadi, N.M. Pattern Recognition and Machine Learning; Springer: New York, NY, USA, 2006; Volume 4, ISBN 978-0-387-31073-2. [Google Scholar]
- Lee, J.H.; Shin, J.; Realff, M.J. Machine learning: Overview of the recent progresses and implications for the process systems engineering field. Comput. Chem. Eng. 2018, 114, 111–121. [Google Scholar] [CrossRef]
- Schweidtmann, A.M.; Mitsos, A. Deterministic Global Optimization with Artificial Neural Networks Embedded. J. Optim. Theory Appl. 2019, 180, 925–948. [Google Scholar] [CrossRef] [Green Version]
- Hornik, K.; Stinchcombe, M.; White, H. Multilayer feedforward networks are universal approximators. Neural Netw. 1989, 2, 359–366. [Google Scholar] [CrossRef]
- Cabrera, P.; Carta, J.A.; González, J.; Melián, G. Artificial neural networks applied to manage the variable operation of a simple seawater reverse osmosis plant. Desalination 2017, 416, 140–156. [Google Scholar] [CrossRef]
- Li, Q.; Loy-Benitez, J.; Nam, K.; Hwangbo, S.; Rashidi, J.; Yoo, C. Sustainable and reliable design of reverse osmosis desalination with hybrid renewable energy systems through supply chain forecasting using recurrent neural networks. Energy 2019, 178, 277–292. [Google Scholar] [CrossRef]
- Farahbakhsh, J.; Delnavaz, M.; Vatanpour, V. Simulation and characterization of novel reverse osmosis membrane prepared by blending polypyrrole coated multiwalled carbon nanotubes for brackish water desalination and antifouling properties using artificial neural networks. J. Membr. Sci. 2019, 581, 123–138. [Google Scholar] [CrossRef]
- Khayet, M.; Cojocaru, C.; Essalhi, M. Artificial neural network modeling and response surface methodology of desalination by reverse osmosis. J. Membr. Sci. 2011, 368, 202–214. [Google Scholar] [CrossRef]
- Libotean, D.; Giralt, J.; Giralt, F.; Rallo, R.; Wolfe, T.; Cohen, Y. Neural network approach for modeling the performance of reverse osmosis membrane desalting. J. Membr. Sci. 2009, 326, 408–419. [Google Scholar] [CrossRef]
- Choi, Y.; Lee, Y.; Shin, K.; Park, Y.; Lee, S. Analysis of long-term performance of full-scale reverse osmosis desalination plant using artificial neural network and tree model. Environ. Eng. Res. 2020, 25, 763–770. [Google Scholar] [CrossRef]
- Sivanantham, V.; Narayana, P.; Hyeong, K.J.; Pareddy, P.; Sangeetha, V.; Kyoung-Seok, M.; In, K.H.; Sung, H.K.; Reddy, N. Modeling and optimization of chlorophenol rejection for spiral wound reverse osmosis membrane modules. Chemosphere 2021, 268, 129345. [Google Scholar] [CrossRef] [PubMed]
- Gu, J.; Luo, J.; Li, M.; Huang, C.; Heng, Y. Modeling of pressure drop in reverse osmosis feed channels using multilayer artificial neural networks. Chem. Eng. Res. Des. 2020, 159, 146–156. [Google Scholar] [CrossRef]
- Jbari, Y.; Abderafi, S. Parametric study to enhance performance of wastewater treatment process, by reverse osmosis-photovoltaic system. Appl. Water Sci. 2020, 10, 217. [Google Scholar] [CrossRef]
- Srivastava, A.; K, A.; Nair, A.; Ram, S.; Agarwal, S.; Ali, J.; Singh, R.; Garg, M.C. Response surface methodology and artificial neural network modelling for the performance evaluation of pilot-scale hybrid nanofiltration (NF) & reverse osmosis (RO) membrane system for the treatment of brackish ground water. J. Environ. Manag. 2021, 278, 111497. [Google Scholar] [CrossRef]
- Aish, A.M.; Zaqoot, H.A.; Abdeljawad, S.M. Artificial neural network approach for predicting reverse osmosis desalination plants performance in the Gaza Strip. Desalination 2015, 367, 240–247. [Google Scholar] [CrossRef]
- Mahadeva, R.; Manik, G.; Goel, A.; Dhakal, N. A review of the artificial neural network based modelling and simulation approaches applied to optimize reverse osmosis desalination techniques. Desalin. Water Treat. 2019, 156, 245–256. [Google Scholar] [CrossRef]
- Jawad, J.; Hawari, A.H.; Javaid Zaidi, S. Artificial neural network modeling of wastewater treatment and desalination using membrane processes: A review. Chem. Eng. J. 2021, 419, 129540. [Google Scholar] [CrossRef]
- Madaeni, S.S.; Shiri, M.; Kurdian, A. Modeling, optimization, and control of reverse osmosis water treatment in kazeroon power plant using neural network. Chem. Eng. Commun. 2015, 202, 6–14. [Google Scholar] [CrossRef]
- Farsi, A.; Rosen, M.A. Multi-Objective Optimization of a Geothermal Steam Turbine Combined With Reverse Osmosis and Multi-Effect Desalination for Sustainable Freshwater Production. J. Energy Resour. Technol. 2022, 144, 052102. [Google Scholar] [CrossRef]
- Nazif, S.; Mirashrafi, E.; Roghani, B.; Bidhendi, G.N. Artificial Intelligence–Based Optimization of Reverse Osmosis Systems Operation Performance. J. Environ. Eng. 2020, 146, 04019106. [Google Scholar] [CrossRef]
- Soleimani, R.; Shoushtari, N.A.; Mirza, B.; Salahi, A. Experimental investigation, modeling and optimization of membrane separation using artificial neural network and multi-objective optimization using genetic algorithm. Chem. Eng. Res. Des. 2013, 91, 883–903. [Google Scholar] [CrossRef]
- Allen, R.C.; Nie, Y.; Avraamidou, S.; Pistikopoulos, E.N. Infrastructure Planning and Operational Scheduling for Power Generating Systems: An Energy-Water Nexus Approach. In Proceedings of the 9th International Conference on Foundations of Computer-Aided Process Design; Muñoz, S.G., Laird, C.D., Realff, M.J., Eds.; Elsevier: Amsterdam, The Netherlands, 2019; Volume 47, pp. 233–238. [Google Scholar] [CrossRef]
- Nie, Y.; Avraamidou, S.; Xiao, X.; Pistikopoulos, E.N.; Li, J.; Zeng, Y.; Song, F.; Yu, J.; Zhu, M. A Food-Energy-Water Nexus approach for land use optimization. Sci. Total Environ. 2019, 659, 7–19. [Google Scholar] [CrossRef] [PubMed] [Green Version]
- Avraamidou, S.; Beykal, B.; Pistikopoulos, I.P.; Pistikopoulos, E.N. A hierarchical food-energy-water nexus (FEW-N) decision-making approach for land use optimization. In Computer Aided Chemical Engineering; Elsevier: Amsterdam, The Netherlands, 2018; Volume 44, pp. 1885–1890. [Google Scholar]
- Avraamidou, S.; Milhorn, A.; Sarwar, O.; Pistikopoulos, E.N. Towards a quantitative food-energy-water nexus metric to facilitate decision making in process systems: A case study on a dairy production plant. In Computer Aided Chemical Engineering; Elsevier: Amsterdam, The Netherlands, 2018; Volume 43, pp. 391–396. [Google Scholar]
- Namany, S.; Al-Ansari, T.; Govindan, R. Optimisation of the energy, water, and food nexus for food security scenarios. Comput. Chem. Eng. 2019, 129, 106513. [Google Scholar] [CrossRef]
- Tsolas, S.D.; Karim, M.N.; Hasan, M.F. Optimization of water-energy nexus: A network representation-based graphical approach. Appl. Energy 2018, 224, 230–250. [Google Scholar] [CrossRef]
- Elmaadawy, K.; Kotb, K.M.; Elkadeem, M.; Sharshir, S.W.; Dán, A.; Moawad, A.; Liu, B. Optimal sizing and techno-enviro-economic feasibility assessment of large-scale reverse osmosis desalination powered with hybrid renewable energy sources. Energy Convers. Manag. 2020, 224, 113377. [Google Scholar] [CrossRef]
- Texas Water Development Board. Carrizo-Wilcox Aquifer: Summary. 2019. Available online: https://www.twdb.texas.gov/groundwater/aquifer/majors/carrizo-wilcox.asp (accessed on 12 January 2022).
- Atekwana, E.A.; Atekwana, E.A.; Rowe, R.S.; Werkema, D.D.; Legall, F.D. The relationship of total dissolved solids measurements to bulk electrical conductivity in an aquifer contaminated with hydrocarbon. J. Appl. Geophys. 2004, 56, 281–294. [Google Scholar] [CrossRef]
- Grimstad, B.; Andersson, H. ReLU networks as surrogate models in mixed-integer linear programs. Comput. Chem. Eng. 2019, 131, 106580. [Google Scholar] [CrossRef] [Green Version]
- Katz, J.; Pappas, I.; Avraamidou, S.; Pistikopoulos, E.N. Integrating deep learning models and multiparametric programming. Comput. Chem. Eng. 2020, 136, 106801. [Google Scholar] [CrossRef]
- Jabbar, H.; Khan, R.Z. Methods to avoid over-fitting and under-fitting in supervised machine learning (comparative study). Comput. Sci. Commun. Instrum. Devices 2015, 70, 163–172. [Google Scholar] [CrossRef]
- Ripley, B.D. Pattern Recognition and Neural Networks; Cambridge University Press: Cambridge, UK, 1996. [Google Scholar] [CrossRef]
- Lera, G.; Pinzolas, M. Neighborhood based Levenberg-Marquardt algorithm for neural network training. IEEE Trans. Neural Netw. 2002, 13, 1200–1203. [Google Scholar] [CrossRef]
- Brownlee, J. What Is the Difference Between Test and Validation Datasets? 2017. Available online: https://machinelearningmastery.com/difference-test-validation-datasets/ (accessed on 3 February 2022).
- Alsarayreh, A.A.; Al-Obaidi, M.; Al-Hroub, A.; Patel, R.; Mujtaba, I. Evaluation and minimisation of energy consumption in a medium-scale reverse osmosis brackish water desalination plant. J. Clean. Prod. 2020, 248, 119220. [Google Scholar] [CrossRef]
- Merten, U. Flow relationships in reverse osmosis. Ind. Eng. Chem. Fundam. 1963, 2, 229–232. [Google Scholar] [CrossRef]
- Villafafila, A.; Mujtaba, I. Fresh water by reverse osmosis based desalination: Simulation and optimisation. Desalination 2003, 155, 1–13. [Google Scholar] [CrossRef]
- Pick, T. Assessing Water Quality for Human Consumption, Agriculture, and Aquatic Life Uses; Environment Technical Note No. MT-1 (Rev. 2); United States Department of Agriculture, Natural Resources Conservation Service: Washington, DC, USA, 2011; Volume 1, p. 31.
- Zhu, A.; Rahardianto, A.; Christofides, P.D.; Cohen, Y. Reverse osmosis desalination with high permeability membranes—Cost optimization and research needs. Desalin. Water Treat. 2010, 15, 256–266. [Google Scholar] [CrossRef]
- Marcovecchio, M.G.; Aguirre, P.A.; Scenna, N.J. Global optimal design of reverse osmosis networks for seawater desalination: Modeling and algorithm. Desalination 2005, 184, 259–271. [Google Scholar] [CrossRef]
- Katz, J.; Pappas, I.; Avraamidou, S.; Pistikopoulos, E.N. The Integration of Explicit MPC and ReLU based Neural Networks. IFAC-PapersOnLine 2020, 53, 11350–11355. [Google Scholar] [CrossRef]
- Pappas, I.; Avraamidou, S.; Katz, J.; Burnak, B.; Beykal, B.; Türkay, M.; Pistikopoulos, E.N. Multiobjective Optimization of Mixed-Integer Linear Programming Problems: A Multiparametric Optimization Approach. Ind. Eng. Chem. Res. 2021, 60, 23. [Google Scholar] [CrossRef]
- Karabelas, A.; Koutsou, C.; Kostoglou, M.; Sioutopoulos, D. Analysis of specific energy consumption in reverse osmosis desalination processes. Desalination 2018, 431, 15–21. [Google Scholar] [CrossRef]
- Stillwell, A.S.; Webber, M.E. Predicting the Specific Energy Consumption of Reverse Osmosis Desalination. Water 2016, 8, 601. [Google Scholar] [CrossRef]









| Parameter | Stage 1 | Stage 2 | Stage 3 | 
|---|---|---|---|
| Feed pressure (bar) | , , , | , , , | , | 
| Retentate pressure (bar) | , , , | , | |
| Permeate Conductivity () | , , , | , , , | , | 
| Feed flow () | 
| Parameter | Mean | Max | Min | 
|---|---|---|---|
| Approach | Input | Output | #Nodes | R | 
|---|---|---|---|---|
| , | , , | 7 | 0.961 | |
| , | ||||
| , , | , , | 10 | 0.973 | |
| Stage 1 | , , , | , | ||
| , , | , , , | 9 | 0.972 | |
| , , , , | ||||
| , , , | ||||
| , | , , | 8 | 0.958 | |
| , | ||||
| , , | , , | 12 | 0.965 | |
| Stage 2 | , , , | , | ||
| , , | , , , | 11 | 0.964 | |
| , , , , | ||||
| , , , | ||||
| , , | , , | 8 | 0.952 | |
| , | ||||
| , , , | , , , | 5 | 0.951 | |
| , , , , | ||||
| Primary RO train | , , , | |||
| , , , | , , , | 6 | 0.954 | |
| , , , , | ||||
| , , , | ||||
| , , , | ||||
| , | , | 3 | 0.954 | |
| , | , | 5 | 0.968 | |
| Stage 3 | , , | |||
| , | , | 4 | 0.968 | |
| , , | ||||
| , | ||||
| , , , , | 3 | 0.895 | ||
| , , , , | 4 | 0.894 | ||
| , , , | ||||
| , | ||||
| Overall plant | , , , , | 3 | 0.898 | |
| , , , | ||||
| , , , | ||||
| , , , | ||||
| , , , | 
| Parameter | Jan | Feb | Mar | Apr | May | Jun | Jul | Aug | Sept | Oct | Nov | Dec | 
|---|---|---|---|---|---|---|---|---|---|---|---|---|
| ) | ||||||||||||
| 44 | 0.1923 | 
| 50 | 0.2455 | 
| 55 | 0.2868 | 
| 60 | 0.3245 | 
| 65 | 0.3597 | 
| 70 | 0.3941 | 
| 75 | 0.4294 | 
| 80 | 0.4665 | 
| 85 | 0.5072 | 
| Publisher’s Note: MDPI stays neutral with regard to jurisdictional claims in published maps and institutional affiliations. | 
© 2022 by the authors. Licensee MDPI, Basel, Switzerland. This article is an open access article distributed under the terms and conditions of the Creative Commons Attribution (CC BY) license (https://creativecommons.org/licenses/by/4.0/).
Share and Cite
Di Martino, M.; Avraamidou, S.; Pistikopoulos, E.N. A Neural Network Based Superstructure Optimization Approach to Reverse Osmosis Desalination Plants. Membranes 2022, 12, 199. https://doi.org/10.3390/membranes12020199
Di Martino M, Avraamidou S, Pistikopoulos EN. A Neural Network Based Superstructure Optimization Approach to Reverse Osmosis Desalination Plants. Membranes. 2022; 12(2):199. https://doi.org/10.3390/membranes12020199
Chicago/Turabian StyleDi Martino, Marcello, Styliani Avraamidou, and Efstratios N. Pistikopoulos. 2022. "A Neural Network Based Superstructure Optimization Approach to Reverse Osmosis Desalination Plants" Membranes 12, no. 2: 199. https://doi.org/10.3390/membranes12020199
APA StyleDi Martino, M., Avraamidou, S., & Pistikopoulos, E. N. (2022). A Neural Network Based Superstructure Optimization Approach to Reverse Osmosis Desalination Plants. Membranes, 12(2), 199. https://doi.org/10.3390/membranes12020199
 
         
                                                

 
                         
       