A Case Study of Calcium Carbonate Crystallization during Reverse Osmosis Water Desalination in Presence of Novel Fluorescent-Tagged Antiscalants
Abstract
:1. Introduction
2. Materials and Methods
2.1. Reagents
2.2. Calcium Carbonate Feed Solutions Preparation
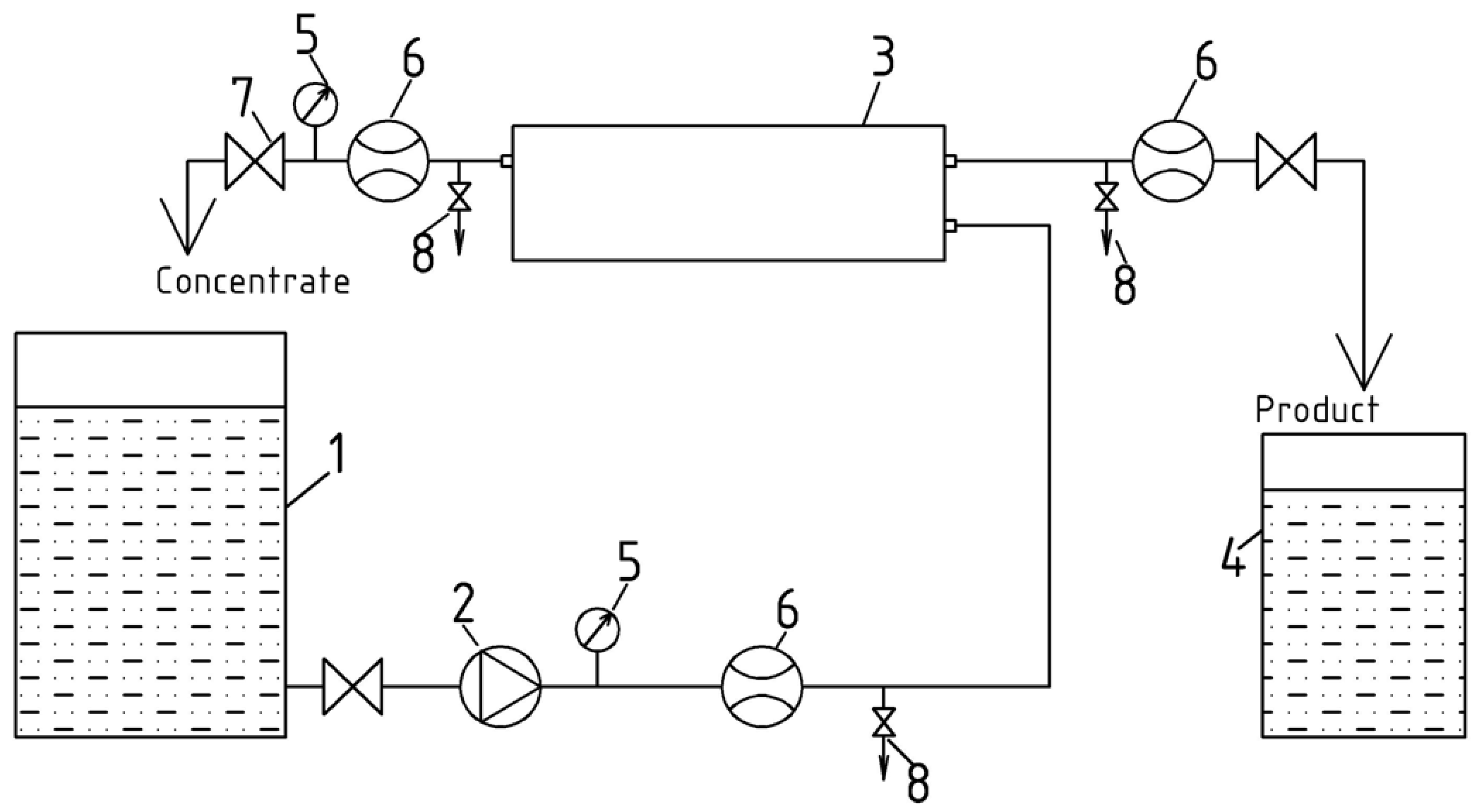
2.3. Reverse Osmosis Membrane System
2.4. Calcium Carbonate Scaling Experiments
2.5. Fluorescent Microscopy Measurements
2.6. SEM Crystal Characterization
3. Results and Discussion
3.1. Variation of Calcium Concentration in Retentate
3.2. SEM and FM Analysis of Membrane Surface
4. Conclusions
Author Contributions
Funding
Institutional Review Board
Acknowledgments
Conflicts of Interest
References
- Anis, S.F.; Hashaikeh, R.; Hilal, N. Reverse osmosis pretreatment technologies and future trends: A comprehensive review. Desalination 2019, 452, 159–195. [Google Scholar] [CrossRef] [Green Version]
- Matin, A.; Rahman, F.; Shafi, H.Z.; Zubair, S.M. Scaling of reverse osmosis membranes used in water desalination: Phenomena, impact, and control; future directions. Desalination 2019, 455, 135–157. [Google Scholar] [CrossRef]
- Jiang, S.; Li, Y.; Ladewig, B.P. A review of reverse osmosis membrane fouling and control strategies. Sci. Total Environ. 2017, 595, 567–583. [Google Scholar] [CrossRef]
- Antony, A.; Low, J.H.; Gray, S.; Childress, A.E.; Le-Clech, P.; Leslie, G. Scale formation and control in high pressure membrane water treatment systems: A review. J. Membr. Sci. 2011, 383, 1–16. [Google Scholar] [CrossRef]
- Goh, P.S.; Lau, W.J.; Othman, M.H.D.; Ismail, A.F. Membrane fouling in desalination and its mitigation strategies. Desalination 2018, 425, 130–155. [Google Scholar] [CrossRef]
- Demadis, K.D.; Neofotistou, E.; Mavredaki, E.; Tsiknakis, M.; Sarigiannidou, E.-M.; Katarachia, S.D. Inorganic foulants in membrane systems: Chemical control strategies and the contribution of green chemistry. Desalination 2005, 179, 281–295. [Google Scholar] [CrossRef]
- Liu, Q.; Xu, G.-R.; Das, R. Inorganic scaling in reverse osmosis (RO) desalination: Mechanisms, monitoring, and inhibition strategies. Desalination 2019, 468, 114065. [Google Scholar] [CrossRef]
- Yu, W.; Song, D.; Chen, W.; Yang, H. Antiscalants in RO membrane scaling control. Water Res. 2020, 183, 115985. [Google Scholar] [CrossRef]
- Mazumder, J.M.A. A review of green scale inhibitors: Process, types, mechanism and properties. Coatings 2020, 10, 928. [Google Scholar] [CrossRef]
- Zhou, Y.; Wang, J.; Fang, Y. Green and High Effective Scale Inhibitor Based on Ring-Opening Graft Modification of Polyaspartic Acid. Catalysts 2021, 11, 802. [Google Scholar] [CrossRef]
- Cheng, Z.; Qin, Q.; Jia, H.; Li, J.; Yan, F.; Meng, X.; Wang, J. Scale evaluation and antiscalant testing based on fluorescent probe technology in RO process. J. Membr. Sci. 2021, 636, 119598. [Google Scholar] [CrossRef]
- Hoang, T.A. Mechanisms of Scale Formation and Inhibition. In Mineral Scales and Deposits, Scientific and Technological Approaches, 1st ed.; Amjad, Z., Demadis, K., Eds.; Elsevier: Amsterdam, The Netherlands, 2015; pp. 47–83. [Google Scholar] [CrossRef]
- Oshchepkov, M.; Golovesov, V.; Ryabova, A.; Tkachenko, S.; Redchuk, A.; Rönkkömäki, H.; Rudakova, G.; Pervov, A.; Popov, K. Visualization of a novel fluorescent-tagged bisphosphonate behavior during reverse osmosis desalination of water with high sulfate content. Sep. Purif. Technol. 2021, 255, 117382. [Google Scholar] [CrossRef]
- Oshchepkov, M.; Golovesov, V.; Ryabova, A.; Redchuk, A.; Tkachenko, S.; Pervov, A.; Popov, K. Gypsum crystallization during reverse osmosis desalination of water with high sulfate content in presence of a novel fluorescent-tagged polyacrylate. Crystals 2020, 10, 309. [Google Scholar] [CrossRef] [Green Version]
- Popov, K.; Oshchepkov, M.; Kamagurov, S.; Tkachenko, S.; Dikareva, Y.; Rudakova, G. Synthesis and properties of novel fluorescent-tagged polyacrylate-based scale inhibitors. J. Appl. Polym. Sci. 2017, 134, 45017. [Google Scholar] [CrossRef]
- Oshchepkov, M.; Kamagurov, S.; Tkachenko, S.; Ryabova, A.; Popov, K. An Insight into the Mechanisms of the Scale Inhibition. A Case Study of a Novel Task-specific Fluorescent-tagged Scale Inhibitor Location on Gypsum Crystals. ChemNanoMat 2019, 5, 586–592. [Google Scholar] [CrossRef]
- Gal, J.-Y.; Bollinger, J.-C.; Tolosa, H.; Gache, N. Calcium carbonate solubility: A reappraisal of scale formation and inhibition. Talanta 1996, 43, 1497–1509. [Google Scholar] [CrossRef]
- De Visscher, A.; Vanderdeelen, J. IUPAC-NIST Solubility Data Series. 95. Alkaline Earth Carbonates in Aqueous Systems. Part 2. Ca. J. Phys. Chem. Ref. Data 2012, 41, 023105. [Google Scholar] [CrossRef] [Green Version]
- Powell, K.J.; Brown, P.L.; Byrne, R.H.; Gajda, T.; Hefter, G.; Leuz, A.-K.; Sjöberg, S.; Wanner, H. Chemical speciation of environmentally significant metals with inorganic ligands. Part 3: The Pb2+ + OH−, Cl−, CO32−, SO42−, and PO43− systems (IUPAC Technical Report). Pure Appl. Chem. 2009, 81, 2425–2476. [Google Scholar] [CrossRef] [Green Version]
- Le Guyader, M.; Dorange, G.; Marchand, A.; Hanoun, H. Solubility of calcite and stability constants of complex ions. I. Case of waters that are pure with respect to carbon. Bull. Soc. Chim. Fr. 1983, 9–10, 203–209. [Google Scholar]
- SPECIES. Academic Software. In Solution Equilibria: Principles and applications (for Windows 95, 98 and NT); Release 1; Powell, K.J. (Ed.) Academic Software: London, UK, 2004. [Google Scholar]
- Popov, K.; Rudakova, G.; Larchenko, V.; Tusheva, M.; Afanas’eva, E.; Kombarova, S.; Kamagurov, S.; Kovaleva, N. A comparative performance ranking of some phosphonates and environmentally friendly polymers on CaCO3 scaling inhibition by NACE protocol. Des. Water Treatm. 2017, 69, 163–172. [Google Scholar] [CrossRef]
- Liu, Y.; Zhou, Y.; Yao, Q.; Huang, J.; Liu, G.; Wang, H.; Cao, K.; Chen, Y.; Bu, Y.; Wu, W.; et al. Double-hydrophilic polyether antiscalant used as a crystal growth modifier of calcium scales in cooling-water systems. J. Appl. Polym. Sci. 2014, 131, 39792. [Google Scholar] [CrossRef]
- Demadis, K.D.; Yang, B.; Young, P.R.; Kouznetsov, D.L.; Kelley, D.G. Rational Development of New Cooling Water Chemical Treatment Programs for Scale and Microbial Control. In Advances in Crystal Growth Inhibition Technologies; Amjad, Z., Ed.; Kluwver Academic Publishers: Dordrecht, The Netherlands, 2002; pp. 215–234. [Google Scholar] [CrossRef]
- Popov, K.; Oshchepkov, M.; Kovalenko, A.; Redchuk, A.; Dikareva, J.; Pochitalkina, I. Scale nucleation natural precursors: A case study of “micro/nanodust” impurities nature in laboratory aqueous samples obtained from Moscow tap water. Int. J. Corros. Scale Inhib. 2020, 9, 1097–1112. [Google Scholar] [CrossRef]
- Oshchepkov, M.; Popov, K.; Kovalenko, A.; Redchuk, A.; Dikareva, J.; Pochitalkina, I. Initial stages of gypsum nucleation: The role of “nano/microdust”. Minerals 2020, 10, 1083. [Google Scholar] [CrossRef]
- Zhang, Z.; Lu, M.; Liu, J.; Chen, H.; Chen, Q.; Wang, B. Fluorescent-tagged hyper-branched polyester for inhibition of CaSO4 scale and the scale inhibition mechanism. Materials Today Comm. 2020, 25, 101359. [Google Scholar] [CrossRef]
- Popov, K.; Rudakova, G.; Larchenko, V.; Tusheva, M.; Afanas’eva, E.; Kombarova, S.; Kamagurov, S.; Kovaleva, N. Comparative performance evaluation of some novel «green» and traditional antiscalants in calcium sulfate scaling. Adv. Mat. Sci. Eng. 2016, 10, 17–19. [Google Scholar] [CrossRef] [Green Version]
- Ang, H.M.; Muryanto, S.; Hoang, T. Gypsum scale formation control in pipe flow systems: A systematic study on the effects of process parameters and additives. In Gypsum: Properties, Production and Applications; Sampson, D.H., Ed.; Nova Science Publishers: New York, NY, USA, 2011; pp. 1–33. [Google Scholar]
- Sheng, K.; Ge, H.; Huang, X.; Zhang, Y.; Song, Y.; Ge, F.; Zhao, Y.; Meng, X. Formation and inhibition of calcium carbonate crystals under cathodic polarization conditions. Crystals 2020, 10, 275. [Google Scholar] [CrossRef] [Green Version]
- Tkachenko, S.; Ryabova, A.; Oshchepkov, M.; Popov, K. Fluorescent-tagged Antiscalants: A New Look at the Scale Inhibition Mechanism and Antiscalant Selection. ChemNanoMat 2022, 8, 2, in press. [Google Scholar] [CrossRef]











| Equilibrium | logK (-logKsol) | Reference |
|---|---|---|
| Ca2++ CO32- ⇆ CaCO3 calcite | 8.485 | [18] |
| Ca2++ CO32- ⇆ [CaCO3 ]solution | 3.22 | [17] |
| H++ CO32− ⇆ HCO3− | 10.34 | [19] |
| H++ HCO3− ⇆ H2CO3*where [H2CO3*] = [CO2(aq)] + [H2CO3] | 6.36 | [19] |
| Ca2++ HCO3− ⇆ CaHCO3+ | 1.14 | [20] |
| pH | Calcium Species, % (mol) | |||
|---|---|---|---|---|
| Ca2+ | CaCO3 solution | [CaHCO3]+ | CaCO3 calcite | |
| Initial solution [Ca2+] = 2.5 mmol·dm−3; [HCO3−] = 2.5 mmol·dm−3 | ||||
| 7.00 | 97.2 | 0.15 | 2.65 | 0.0 |
| 7.12 | 97.0 | 0.20 | 2.77 | 0.0 |
| 7.16 | 95.9 | 0.22 | 2.73 | 1.19 |
| 7.20 | 91.0 | 0.22 | 2.49 | 6.29 |
| 7.40 | 70.6 | 0.22 | 1.57 | 27.62 |
| 7.80 | 43.4 | 0.22 | 0.63 | 55.71 |
| 8.00 | 34.3 | 0.22 | 0.40 | 65.08 |
| 9.00 | 11.0 | 0.22 | 0.04 | 88.78 |
| The same solution, concentrated (6-fold) | ||||
| 6.00 | 94.4 | 0.03 | 5.60 | 0 |
| 6.08 | 87.7 | 0.04 | 5.48 | 6.78 |
| 6.20 | 70.1 | 0.04 | 4.16 | 25.73 |
| 6.80 | 26.2 | 0.04 | 1.04 | 72.69 |
| 7.00 | 19.8 | 0.04 | 0.66 | 79.52 |
| 8.00 | 5.7 | 0.04 | 0.07 | 94.18 |
| K | Blank Experiment | In Presence of PAA-F1, 5 mg·dm−3 | In Presence of HEDP-F, 5 mg·dm−3 | |||
|---|---|---|---|---|---|---|
| pH | Ca2+, mmol·dm−3 | pH | Ca2+, mmol·dm−3 | pH | Ca2+, mmol·dm−3 | |
| 1 | 7.9 | 2.4 ± 0.1 | 8.2 | 2.5 ± 0.1 | 8.4 | 2.5 ± 0.1 |
| 2 | 8.5 | 4.6 ± 0.1 | 8.6 | 5.6 ± 0.1 | 8.3 | 5.5 ± 0.1 |
| 3 | 8.4 | 6.6 ± 0.1 | 8.5 | 7.2 ± 0.2 | 8.3 | 7.4 ± 0.1 |
| 4 | 8.3 | 8.4 ± 0.1 | 8.5 | 8.5 ± 0.1 | 8.3 | 9.0 ± 0.1 |
| 5 | 8.1 | 9.6 ± 0.1 | 8.5 | 9.5 ± 0.1 | 8.1 | 9.9 ± 0.1 |
| 6 | 8.0 | 10.3 ± 0.1 | 8.4 | 10.9 ± 0.1 | 8.0 | 10.6 ± 0.1 |
Publisher’s Note: MDPI stays neutral with regard to jurisdictional claims in published maps and institutional affiliations. |
© 2022 by the authors. Licensee MDPI, Basel, Switzerland. This article is an open access article distributed under the terms and conditions of the Creative Commons Attribution (CC BY) license (https://creativecommons.org/licenses/by/4.0/).
Share and Cite
Popov, K.; Oshchepkov, M.; Pervov, A.; Golovesov, V.; Ryabova, A.; Trukhina, M.; Tkachenko, S. A Case Study of Calcium Carbonate Crystallization during Reverse Osmosis Water Desalination in Presence of Novel Fluorescent-Tagged Antiscalants. Membranes 2022, 12, 194. https://doi.org/10.3390/membranes12020194
Popov K, Oshchepkov M, Pervov A, Golovesov V, Ryabova A, Trukhina M, Tkachenko S. A Case Study of Calcium Carbonate Crystallization during Reverse Osmosis Water Desalination in Presence of Novel Fluorescent-Tagged Antiscalants. Membranes. 2022; 12(2):194. https://doi.org/10.3390/membranes12020194
Chicago/Turabian StylePopov, Konstantin, Maxim Oshchepkov, Alexei Pervov, Vladimir Golovesov, Anastasia Ryabova, Maria Trukhina, and Sergey Tkachenko. 2022. "A Case Study of Calcium Carbonate Crystallization during Reverse Osmosis Water Desalination in Presence of Novel Fluorescent-Tagged Antiscalants" Membranes 12, no. 2: 194. https://doi.org/10.3390/membranes12020194
APA StylePopov, K., Oshchepkov, M., Pervov, A., Golovesov, V., Ryabova, A., Trukhina, M., & Tkachenko, S. (2022). A Case Study of Calcium Carbonate Crystallization during Reverse Osmosis Water Desalination in Presence of Novel Fluorescent-Tagged Antiscalants. Membranes, 12(2), 194. https://doi.org/10.3390/membranes12020194

