Next Article in Journal
Analysis of DC Characteristics in GaN-Based Metal-Insulator-Semiconductor High Electron Mobility Transistor with Variation of Gate Dielectric Layer Composition by Considering Self-Heating Effect
Previous Article in Journal
The Life-Cycle Environmental Impact of Recycling of Restaurant Food Waste in Lanzhou, China
 
 
Font Type:
Arial Georgia Verdana
Font Size:
Aa Aa Aa
Line Spacing:
Column Width:
Background:
Article

A Fracture Mechanics-Based Optimal Fatigue Design Method of Under-Matched HSLA Steel Butt-Welded Joints with Imperfections

1
State Key Laboratory of Advanced Welding and Joining, Harbin Institute of Technology, Harbin 150001, China
2
School of Naval Architecture and Ocean Engineering, Harbin Institute of Technology, Weihai 264200, China
*
Authors to whom correspondence should be addressed.
Appl. Sci. 2019, 9(17), 3609; https://doi.org/10.3390/app9173609
Submission received: 8 August 2019 / Revised: 25 August 2019 / Accepted: 29 August 2019 / Published: 2 September 2019
(This article belongs to the Section Mechanical Engineering)

Abstract

The trend of light-weight structures leads to the wide application of high strength steels in engineering structures. When welding high strength steels, under-matched consumables could reduce the cold-cracking tendency, simplifying the preheating process. However, under-matched welds would sometimes make the high strength base metal pointless due to its weak load-carrying capacity. For the purpose of enhancing the fatigue strength of under-matched welded joints, a fracture mechanics-based optimal fatigue design method of under-matched butt-welded joints is proposed in this work. Heterogeneous mechanical features of welded joints, which are not considered in current standards and codes, are incorporated into the optimal design method. The fatigue limit of the high strength parent metal is taken as the design target, which has seldom been reported. HSLA steel Q550, with its under-matched consumable ER70S-6 composed X-shaped butt-welds, is selected for experimental verification. The experimental results indicate that the fracture mechanic based equal-fatigue-bearing-capacity (EFBC) design method established in this work is feasible and could be a valuable reference for the design of practical engineering structures.

1. Introduction

The requirement of light weight continuously increases the proportion of high strength steels in engineering structures, especially in automobiles, ships, bridges and so on. At present, welding is still the most efficient and reliable method for joining high strength steels. However, welded joints are often the preferred places of failure in engineering structures, due to geometrical stress concentration, residual stresses and weld defects [1].
Overmatched weld. is a usual practice in fabrication to avoid localized plastic deformation of the weld [2]. However, overmatched welds of high strength steels are generally weak against hydrogen induced cracking. Therefore, under-matched welding consumables are usually selected when welding high strength steels, for the purpose of reducing the tendency of cold cracking, simplifying the preheating process [3].
However, under-matched welds would make the high strength base metal pointless due to its poor load-carrying capacity [1]. Therefore, it is a vital problem to improve the load-carrying capacity of under-matched welds. As a matter of fact, the grade of mismatch, loading mode and the weld geometry have a great influence on the load-bearing ability of the welding structure [4].
Fatigue load is one of the main loads experienced by engineering structures in service, and more than half of the structural failure cases are caused by fatigue loads. The fatigue strength improving methods of welds could be summarized as pre-weld fatigue design and post-weld treatment (PWT). The PWT includes shot peening, tungsten inert gas welding (TIG) dressing, ultrasonic impact, high-frequency mechanical impact (HFMI) and so on [5]. The welding imperfections and the residual stress can be effectively reduced after reasonable PWT [6], which helps to optimize the fatigue performance of welds. The pre-weld fatigue assessment and design methods, recommended by many standards and codes, can be summarized as structural stress method, nominal stress method, fracture mechanics method, and effective notch stress method [7].
In practice, cracks or crack-like defects are occasionally contained in most mechanical structures, either created in service or introduced during fabrication. When subjected to cyclic stresses, the crack propagation occurs from these cracks to a critical size. Fracture mechanics is developed to study on subcritical expansion law of fatigue cracks, so that the fatigue crack propagation life could be accurately predicted. The structural fatigue design method based on fracture mechanics is called “Damage Tolerance Design (DTD)” [7]. The basic principle of the DTD method is that: cracks are allowed to occur in the service life of components, but the subcritical crack propagation life must be long enough before the crack can be detected. DTD method is reliable and economic, and the study on the subcritical fatigue crack growth also provides a theoretical basis for optimizing the anti-fatigue crack growth performance of components.
The DTD strategy in the current IIW standard considers the welded structure to be a homogeneous material and then introduces a partial safety factor [7]. Admittedly, when using the fatigue properties of the relatively weak material, the strategy for homogenous structures might be suitable for welding structures. However, such a simplification might lead to conservative results. Fatigue assessment and design method specific to strength mismatched welds was therefore in need. Fortunately, a flaw assessment route for strength mismatched welds are introduced in SINTAP Procedure [8] and fitness-for-service (FFS) procedure of European Fitness for Service Network (FITNET) [9,10]. However, the route primarily aims at assessing defective welds under static load, while the fatigue assessment and design approaches specific for mismatched welds are very few [11]. Hence, it is a worthy subject to enhance the fatigue strength of mismatched defective welds through advanced fatigue design.
Mismatched welds exhibit highly heterogeneous mechanical properties locally, which should be adequately incorporated into a fatigue design and assessment method. As a matter of fact, the mismatched welds could be treated as a heterogeneous material, in which different fatigue crack initiation positions imply different routes of fatigue crack growth [12,13]. At the same time, the critical crack propagation size and the fatigue crack growth rate are material-related physical parameters [14,15]. Therefore, variations of the geometrical composition of materials would have an influence on the fatigue limit of a heterogeneous structure.
When welding high strength steels, under-matched consumables could reduce the cold-cracking tendency, simplifying the preheating process. However, under-matched welds would sometimes make the high strength base metal pointless due to its weak load-carrying capacity. At the same time, the current fatigue assessment and design methods specific for mismatched defective welds are very few, while current international standards and codes has not taken into account the highly heterogeneous mechanical properties of welded joints. For the purpose of enhancing the fatigue strength of under-matched defective butt welds, this work tries to establish a fracture mechanics-based fatigue design method for mismatched welded joints, incorporating the heterogeneous mechanical characteristics.

2. Fracture Mechanics-Based Fatigue Assessment of Homogeneous Materials

The fatigue life estimation of homogeneous materials can usually be separated into the fatigue crack initiation phase and the fatigue crack growth phase. However, in practice, due to an initial crack or crack-life defects introduced during the material processing, there is no explicit difference between the crack growth phase and the crack initiation phase. Microscopic watching shows that minor fatigue cracks begin expanding from nearly the first stress cycle [16]. In this case, it might be conceivable to calculate homogenous materials’ fatigue life employing just the crack growth theory without breaking the process into the propagation and initiation, as shown in Figure 1.
Fatigue crack propagation rate d a d N is usually employed to characterize the average increment of fatigue crack in each stress cycle, where a and N denote the crack length and the stress cycles, respectively. The fatigue crack propagation (FCG) law can thus be expressed as a mathematic relationship between the fatigue crack propagation rate d a d N and crack length a , stress Δ σ or strain amplitude Δ ε and material properties δ , namely [17],
d a d N = f ( a , Δ σ   o r   Δ ε , δ )
The fatigue crack propagation law can be not only a reliable reference for structure designers to choose suitable materials, but also a primary method to estimate the remaining fatigue life of cracked material or structures, N p , when an initial crack length a 0 and a critical crack length a c are known, namely [17],
N p = a 0 a c d a d a d N

2.1. Determination of the FCG Law

Equation (2) illustrates that a FCG law is a precondition to carry out a fatigue assessment. At present, there are mainly two ways to obtain the FCG law of fatigue cracks. One is to establish a functional relationship between fatigue crack growth rate and some mechanical parameters, e.g., the stress intensity factor, through experimental data fitting, such as the famous Paris formula and its amendments [18],
d a d N = C · ( Δ K ) m
where Δ K represents the stress intensity factor, C and m are material-related parameters. The key to this method is to determine the mechanical parameters in the formula, for example, the stress intensity factor in the Paris law. The value of the stress intensity factor is extremely sensitive to the geometry of components and the initial crack location. For a component with a certain geometry, the stress intensity factor can be calculated analytically or numerically. However, at the structural design stage, it is always difficult to accurately establish an analytical expression of the stress intensity factor, since the geometry of the test piece or structure is unknown, and the crack position is random.
Another method is to propose a physical model of crack propagation based on microscopic observations, and then derive the theoretical formula of a FCG law. Such as the plastic passivation model [19], limit value model [20], re-nucleation model [21] and so on. In addition, the FCG law in high-cycle fatigue is usually different from that in low cycle fatigue. In this work, only FCG laws in high-cycle fatigue are selected to carry out the fatigue assessment.
Among numerous theoretical models of crack propagation [22], Johnston and McEvily [23] built a “universal” growth curve (illustrated in Figure 2) based on their propagation rate equation, containing the monotonic tensile properties. A good agreement was acquired between prediction and experimentation. Such a theoretical model is undoubtedly accurate and efficient for structural designers. Since it completely reflects the effects of fatigue loading, crack length and material properties on the rate of crack growth, while requires only the static properties of the material which is basically constant at room temperature and relatively easy to obtain. Therefore, this work uses this model for the following fatigue design and assessment.
The FCG law proposed by McEvily and Johnston can be expressed as,
d a d N = 2 σ m a x 4 a 2 ( σ y + σ u ) ϵ u σ u 2 E
where a represents the half of a center crack, σ m a x represents the upper limit of a fatigue stress (as illustrated in Figure 1), ϵ u is the elongation after fracture, σ y is the yield strength, σ u is the ultimate tensile strength and E is the Yong’s Modulus.

2.2. Determination of the Initial Crack Size

According to Equation (2), an important element of performing fatigue assessment is the choice of an initial crack size a 0 . For an actual component, a 0 can be observed through inspection. However, at the design stage, it is necessary to set an initial crack size a 0 by a certain theoretical method or technical means.
At present, the setting of a 0 can be summarized as academic method and engineering method. Academic methods such as non-propagation cracking method, in which the stress intensity factor threshold value Δ K t h was used as a basis for the division of the crack initiation and propagation stage. It is considered that when the stress intensity factor at the crack tip is lower than the threshold value, the crack does not expand. Thus, a 0 can be obtained as the intersection point of the fatigue limit of a smooth specimen and the long crack propagation threshold in the well-known Kitagawa–Takahashi diagram [24].
Engineering methods usually use the minimum detectable crack size or an initial crack size recommended in standards and codes, which ranges from 0.1 to 0.5 mm [25]. At present, the smallest crack size detectable by X-ray inspection is 0.1 mm [26], which is consistent with the initial crack size recommended by IIW [7]. Thus, this paper selects 0.1 mm as the initial crack size a 0 .

2.3. Determination of the Instant Rupture Section

It can be seen from Equation (2) that, another key element needs to be known when performing fatigue assessment is the final crack size a c , which depends on the size of an instant rupture section. There are mainly two ways to determine the size of an instant rupture section. One can be concluded as the fracture toughness method, which believes that the instant rupture occurs when the stress intensity factor of a crack tip reaches the fracture toughness of the material (plane strain or plane stress fracture toughness) [27], namely,
K m a x K I C ( o r   K C )
where K m a x represents the maximum stress intensity factor of a crack tip calculated using the upper limit of a fatigue stress, K I C ( o r   K C ) is the plane strain fracture toughness (or plane stress fracture toughness) which can be obtained experimentally. However, the results in the literature indicate that the fracture toughness of a material obtained through experiments is affected by many factors, for example the size effect [28]. It is therefore a controversial matter whether the fracture toughness of a material can be used as a material constant.
In addition, according to characteristics of the fatigue failure behavior, some scholars have proposed the concept of the fatigue fracture toughness [29,30]. They believed that it is the fatigue fracture toughness rather than K I C ( o r   K C ) that is the critical value of the K m a x , namely,
K m a x K f l
where K f l represents the fatigue fracture toughness of a material which can either be determined experimentally or predicted according to a semi-empirical formula.
In fact, the essential reason for the occurrence of an instant rupture is that the stress on the remaining load-bearing section of a test piece reaches a certain critical value. The method established based on this understanding is called the critical stress method [31]. Moreover, it is generally believed that during the last stress cycle, the stress on a remaining load-bearing section reaches the ultimate tensile strength of the material [24,32], namely,
σ r e σ u
where σ r e represents the mean stress on the remaining load-bearing section, σ u is the ultimate tensile strength of a material. Since the tensile strength of a material is a recognized material constant and relatively easy to obtain, the critical stress method is selected to determine the instant rupture section in this work.

3. Fracture Mechanics-Based Fatigue Assessment of Heterogeneous Materials

The heterogeneous material that is illustrated in Figure 3c is comprised of homogeneous materials H and L. The static mechanical properties and the fatigue crack growth resistance of H and L are shown in Figure 3a,b, respectively. Besides, the geometric portion of H and L changes along the loading direction. For a crack initialed at the edge, such a heterogeneous material’s fatigue failure process can be depicted as follows. The crack expands a p H ( x ) in H and a p L ( x ) in L. The stress on the material’s remaining segment rises continuously, as the fatigue crack continues to expand. While the stress on the specimen’s remaining segment reaches at a definite value, the instantaneous rupture happens in the heterogeneous material.
Like homogenous materials, a fatigue failure process of heterogeneous material is likewise composed of instantaneous rupture phase and fatigue crack propagation stage. The difference is that more than one material would be penetrated by the fatigue crack while spreading in heterogeneous materials. Besides, the heterogeneous material’s instantaneous rupture segment is related not only to materials properties and the fatigue load, but also to constituent materials’ geometric ratios on the load-bearing cross-section.
The instant rupture segment, tre(x), of a heterogeneous material, as illustrated in Figure 3c, is a uninterrupted piecewise function that is relevant to the initial crack location x and can be depicted as follows:
t r e ( x ) = { P m a x / ( σ u H · l ) + S L ( a , x ) ,   x x 0 P m a x / ( σ u L · l ) , x x 0 }
where S L ( a , x ) denotes the dimension of L on the remaining bearing segment, P m a x represents the upper limit of a fatigue load, σ u H and σ u L are the ultimate tensile strength of H and L, respectively.
The load-bearing cross-section at x = x 0 is called the “typical load-bearing section”. While the fatigue crack initiates at the “typical load-bearing section”, the failure criterion would be reached by H exactly after failure of L.
The heterogeneous material’s (shown in Figure 3c) fatigue life can be calculated by adding up the stress cycles experienced by H and L on the fatigue crack growth route. According to (4), the heterogeneous material’s fatigue life is summarized as follows:
N ( x ) = 1 2 σ m a x 4 [ a p H ( x ) ( σ y H + σ u H ) ϵ u H ( σ u H ) 2   E H a i [ a i + a p H ( x ) ] + [ a c ( x ) a i a p L ( x ) ] ( σ y L + σ u L ) ϵ u L ( σ u L ) 2   E L [ a i + a p L ( x ) ] a c ( x ) ]
where a c ( x ) represents the critical fatigue crack length under σ m a x , a i is the initial crack size, σ y H and σ y L represent the yield strength of H and L, ϵ u H and ϵ u L represent the elongation of H and L, E H and E L represent the Yong’s Modulus of H and L. a p H ( x ) and a p L ( x ) , respectively, denotes the fatigue crack propagating dimension through H and L before expanding to the instantaneous rupture segment. Equation (9) reveals that a heterogeneous material’s fatigue life is related to the geometrical parameters, mechanical performance of each component material and the fatigue load.

4. Fracture Mechanics-Based EFBC Design of Under-Matched Butt-Welded Joints

Mismatched welds is a special type of heterogeneous material. The fatigue life estimation approach for heterogeneous materials consequently is likewise applicable for welded joints. In this work the under-matched welded joints is simplified into a bi-material structure, so that the fatigue life estimation approach for heterogeneous materials can be used to the under-matched welds directly. As for X-shaped butt welds with initial crack or crack-like defects shown in Figure 4, where the coordinate origin is set at the geometric center of the joint, Equation (9) is transformed as,
N ( x ) = { ( σ y W + σ u W ) ϵ u W ( σ u W ) 2   E W 2 ( σ m a x ( x ) ) 4 ( 1 a i 1 a c W ) , x ( , x s ] 1 2 ( σ m a x ( x ) ) 4 [ ( σ y W + σ u W ) ϵ u W ( σ u W ) 2   E W [ R ( x ) G ( x ) a i ] a i ( R ( x ) G ( x ) ) + ( σ y B + σ u B ) ϵ u B ( σ u B ) 2   E B [ G ( x ) t r e ( x ) ] [ R ( x ) G ( x ) ] [ R ( x ) t r e ( x ) ] ] , x [ x s , x i ] 1 2 ( σ m a x ( x ) ) 4 [ ( σ y W + σ u W ) ϵ u W ( σ u W ) 2   E W ( R ( x ) G ( x ) a i a i [ R ( x ) G ( x ) ] t r e ( x ) + G ( x ) [ R ( x ) + G ( x ) ] [ R ( x ) t r e ( x ) ] ) + 2 ( σ y B + σ u B ) ϵ u B ( σ u B ) 2   E B G ( x ) [ R ( x ) G ( x ) ] [ R ( x ) + G ( x ) ] ] , x [ x i , x g ] ( σ y B + σ u B ) ϵ u B ( σ u B ) 2   E B 2 ( σ m a x ( x ) ) 4 ( 1 a i 1 a c B ) , x [ x g , 0 ]
The physical meanings of the symbols in Equation (10) are similar with that of Equation (9) while the superscripts B and W are short for the base metal and the weld metal, respectively. R ( x ) and G ( x ) in Equation (10) are geometrical variables shown in Figure 4. The instant rupture segment of the welded joint, tre(x), in Equation (10) is a piecewise function depending on the initial crack location,
t r e ( x ) = { P m a x σ u B · l , x ( , x s ] P m a x σ u B · l + R ( x ) G ( x ) , x [ x s , x 0 ] P m a x σ u W · l , x [ x 0 , 0 ] }
The load-carrying section at x = x 0 is the “typical load-bearing section” of the under-matched welds. While the welds fail at the typical bearing section, the failure criterion would be reached by the base metal exactly after deposit metal’s failure.
With the aim of obtaining equal fatigue limit of the base metal, the fatigue strength of each cross section of the welds is required to be equivalent to that of the parent metal N B , which can be called the EFBC realizing condition and expressed as:
N ( x ) = N B
While G(x), P m a x , and the mechanical properties of the deposited metal and the parent metal are given, the geometrical dimension R(x) of the butt-welded joint could be solved on the basis of Equation (12). The critical design curve of the EFBC butt welds is the curve encircled by R(x). The critical design curve is unique, for the reason that the designed butt welds according to this curve would just make it equivalent fatigue load-carrying capacity of the parent metal.
While heterogeneous materials’ fatigue life estimating approach is generalized to the butt welds, the influence of local stress concentration is ignored. Inevitable stress concentration, however, exists in welded joints because of geometrical changes, particularly at the weld toe. With the aim of reducing the local stress concentration, geometric optimizations are necessarily applied to the acquired critical design curve. The geometric optimization method is diverse [33]. Note that, to guarantee the designed welds satisfy the EFBC requirements, the curve after optimizing should adequately contain the critical curve.
Three-tangent-circle approach [11] is adopted here to carry out the geometric optimization. As shown in Figure 5, just two radii need to be determined owing to the symmetrical characteristic of the butt welds. r1 is first determined utilizing finite element method (FEM) by analyzing the influence of fillet radius on the local stress concentration at the weld toe. r2 is then obtained on the basis of the geometrical relation of three tangent circles. The eventual design parameters are the radii of the two transition arcs r1, r2, the width (2w) and the height of the reinforcement (h), as illustrated in Figure 6.

5. Experimental Verification

5.1. Test Specimen and Procedure

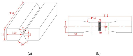
A HSLA steel Q550 plate/sheet and a welding wire ER70S-6 were chosen as materials for the experimental verification. The mechanical properties and chemical composition of the deposited metal and base metal are displayed in Table 1. The geometrical parameters of the fatigue specimen and the parent metal are illustrated in Figure 7.
The given parameters were substituted into the realizing condition of EFBC, Equation (12). The critical design curve of the butt welds with a target life of 2 million stress cycles was hence obtained.
The geometric discontinuity in a component would give rise to high local stress, which can be characterized by the stress concentration factor, K t , which is expressed as [34]:
K t = σ l o c a l / σ n o m
where σ n o m and σ l o c a l denotes the nominal stress and the maximum local Von Mises stress, respectively. Besides, Kt is valid just for stress grades within the elastic scope.
To decrease the stress concentration degree at the weld toe, a three-tangent-circle approach is applied to the critical design curve for geometric optimization. Finite element technique is used to acquire the maximal local Von–Mises stress. Abaqus 6.13 is chosen to carry out linear-elastic finite element analysis. Figure 8 shows the finite element model of the designed welded joint under a uniaxial traction in x direction. According to the symmetrical characteristic of the joint, only a quarter of the designed welded joint is calculated in a 2-D finite element analysis procedure. The Poisson ratio 0.3 and Young’s modulus 210 GPa of ordinary steels are utilized for analysis. The geometrical characteristics are the same as those that are acquired through theoretic analysis. The coordinate origin is set at the weld toe of the critical curve. Eight-node biquadratic plane stress quadrilateral elements (CPS8) are employed for calculation. The global mesh scale is 0.5 mm. The overall number of nodes and elements used in the computations are 12,498 and 3972, respectively. 100 MPa is chosen as an initial tensile stress loaded at the end surface of the base metal, i.e., the left end of the FE models shown in Figure 8.
The simulation results of Mises stress filed in designed joints with different fillet radii are displayed in Figure 9. The Mises stress values along the elements marked red on Figure 8 and the calculated nominal stress are put into Equation (13) to compute the stress concentration factor.
Figure 10 shows the influence of fillet radii on the variation of stress concentration factors of the welds. The outcomes show that, as the fillet radius r1 increases, the stress concentration factor K t at the weld toe gradually goes down. K t is 1.24373 while r1 decreases to 13 mm. Note that the extent of reduction in K t turns low while r1 > 11 mm, so that r1 is determined to be 13 mm. r2 is set to be 9.8 mm, on the basis of the geometric relation in three tangent circles illustrated in Figure 5.
Figure 11 displays the final design result of the EFBC butt welds. It can be seen that the critical curve adequately contained by the optimized design curve.
To guarantee quality, the welding process employed here combines TIG (Manual) with MAG. The welding parameters and procedures are illustrated in Figure 12 and Table 2.
The test pieces are taken as perpendicular to the welding seam, as illustrated in Figure 12. As displayed in Figure 13, grinding and wire-cutting were executed to acquire the designed butt welds. The fatigue specimen’s surface does not exist any manifest processing traces vertical to the loading direction. The initial cracks on the surface of the test pieces were machined by wire-cutting. Fatigue tests of designed welded joints were implemented employing electro-hydraulic servo fatigue testing machine (MTS 809 fatigue test system displayed in Figure 14). Details of the fatigue tests including the loading frequency, stress amplitude, stress ratio and the ambient temperature are illustrated in Table 3.

5.2. Results and Discussion

There is an overall number of three test pieces are examined. The 1# and the 2# test piece have the same initial crack positions, including edge cracks on the center of the weld and 20 mm from the center of the weld on the base metal. The initial crack on the base metal of the 3# test piece has the same position with that of the 1# and 2# test piece, while the initial crack on the weld is offset from the center line of the weld by 1.5 mm, as displayed in Figure 15a.
The specimens after fatigue tests are shown in Figure 15b–d, all fatigue specimens are broken at the base metal, which testifies that the combination of fatigue design and post-weld treatment techniques recommended in this work is practicable. The 1# test piece failed at the base metal but did not break at the prefabricated crack. This indicates that there are initial micro cracks or crack-like defects in the base metal, and these small defects preferentially spread during the fatigue loading process. This confirms the premise of the FCG method, that is, there are initial micro-cracks or crack-like defects that are not easily found in most materials or structures. Both the 2# and the 3# test piece failed in the pre-cracking position of the base metal, which proves that the designed joint has a fatigue load bearing capacity not lower than that of the parent metal. Besides, the results of the 3# test piece show that the design method is independent of the crack position on the weld.
The experimental outcomes are displayed in Table 3. f and Δ σ denote the loading frequency and the stress amplitude calculated according to the gauge section of the specimen (30 mm × 14 mm), respectively. The stress ratio is represented by R. T denotes the ambient temperature.
Table 4 displays the fatigue data’s statistical analyzing results, executed following ISO 12107: 2012 [35]; p stands for the reliability of the estimation (say 99% probability); (1 − α) denotes the reliability statement’s confidence. As provided in ISO 12107: 2012 [35], the one-sided tolerance limit is represented by k(P, 1−α). The statistical analyzing results show that, at a confidence degree of 95%, the lower limit of the fatigue life for a 0.1% possibility of failure is 400,976.
Though the fatigue design approach that is provided in this work is effectual, there are certain limitations and prerequisites on its application. Firstly, the premise of applying the FCG method is that the object being analyzed must be a cracked body. So that this paper assumes that there are initial cracks of 0.1 mm deep both in the parent metal and the deposited metal. Secondly, during the sampling process and PWT, the residual stress of welds is sufficiently released. Therefore, though the residual stress is not taken into account during the design procedure, the experimental outcomes are in good agreement with predictions. As a matter of fact, the impact of residual stress on welds’ fatigue performance is still a topic worth exploring. Currently, there are simplified methods to take the residual stress into consideration, e.g., the fatigue enhancement factor method presented in IIW [7].

6. Conclusions

Under-matched consumables are sometimes selected when welding high-strength steels to reduce the cold-cracking tendency and simplify the preheating process. Low load-bearing capacity of under-matched welds, nevertheless, makes the high strength steel meaningless. For the purpose of enhancing of the under-matched weld fatigue strength, this work attempts to establish an optimal fatigue design method based on fracture mechanics, incorporating the heterogeneous mechanical attributes. Following conclusions are listed below.
(1) The under-matched welded joints is simplified into a bi-material heterogeneous material. Through analyzing the distinction and relation between the fatigue failure process of homogeneous materials and heterogeneous materials, a fracture mechanics-based fatigue assessment method for homogeneous materials is extended to heterogeneous materials. An FCG law proposed by McEvily and Johnston was employed. An initial crack size of 0.1 mm recommended by IIW was assumed. The instant rupture section was determined using critical stress method. A fracture mechanics-based fatigue life estimation approach of heterogeneous materials is therefore acquired.
(2) The fracture mechanics-based fatigue life estimation approach for heterogeneous materials was utilized in the fatigue design of defective under-matched butt welds. The fatigue strength of the parent metal is specified as the design target, which has scarce been tried before. A fracture mechanics-based EFBC design approach of defective under-matched butt welds is hence concluded. Compared with the recommended fracture mechanics-based fatigue design methods in codes and standards, the design approach proposed in this work takes the mechanical heterogeneity of welded joints into consideration rather than simplifying the welded joints into a kind of homogeneous material. Three-tangent-circle approach is integrated into the design method to optimize the local stress concentration. The final design parameters are the radii of two transition arcs, the cover width and the height of the reinforcement. The known conditions include the fatigue limit of the parent metal, the geometric parameters of the groove and the static properties of the parent metal and the deposit metal.
(3) HSLA steel Q550 with its under-matched consumable ER70S-6 composed X-shaped butt-welds is selected for experimental verification. There is an overall number of three designed welded joints are examined. All of the three fatigue specimens are broken at the base metal, which indicates that the fatigue load-bearing capacity of the designed welded joints is not lower than that of the base metal. Therefore, the fracture mechanics-based EFBC design approach established in this work is feasible. In view of the robust experimental results, it is believed that the proposed method can effectively guide the anti-fatigue design of practical engineering structures and has the potential to fill the gap in the design of strength-mismatched welding structures in international codes and standards.

Author Contributions

X.W. proposed the method and performed the experiments; Z.D. and P.W. analyzed the data; X.W. wrote the draft, H.F. revised the draft.

Funding

This work was funded by National Natural Science Foundation of China, grant number 51605116.

Acknowledgments

The authors are thankful to their friends and family for their priceless support in completing the work.

Conflicts of Interest

No conflict of interest is declared by the authors.

References

  1. Koçak, M. Structural integrity of welded structures: Process–property–performance (3P) relationship. In Proceedings of the 63rd Annual Assembly and International Conference of the International Institute of Welding, Istanbul, Turkey, 11–16 July 2010. [Google Scholar]
  2. Hao, S.; Cornec, A.; Schwalbe, K.H. Plastic stress-strain fields of a plane strain cracked tensile panel with a mismatched welded joint. Int. J. Solids Struct. 1997, 34, 297–326. [Google Scholar] [CrossRef]
  3. Umekuni, A.; Masubuchi, K. Usefulness of under-matched welds for high-strength steels. Weld. J. 1997, 76, 256s. [Google Scholar]
  4. Ravi, S.; Balasubramanian, V.; Babu, S.; Nasser, S.N. Assessment of some factors influencing the fatigue life of strength mismatched HSLA steel weldments. Mater. Des. 2004, 25, 125–135. [Google Scholar] [CrossRef]
  5. Marquis, G.B.; Barsoum, Z. IIW Recommendations on High Frequency Mechanical Impact (HFMI) Treatment for Improving the Fatigue Strength of Welded Joints; IIW Recommendations for the HFMI Treatment; Springer: Singapore, 2016; pp. 1–34. [Google Scholar]
  6. Walbridge, S.; Nussbaumer, A. A probabilistic assessment of the effect of post-weld treatment on the fatigue performance of tubular truss bridges. Eng. Struct. 2008, 30, 247–257. [Google Scholar] [CrossRef]
  7. Hobbacher, A. Recommendations for Fatigue design of Welded Joints and Components; Springer: Berlin, Germany, 2016. [Google Scholar]
  8. Kim, Y.J.; Koçak, M.; Ainsworth, R.A.; Zerbst, U. SINTAP defect assessment procedure for strength mismatched structures. Eng. Fract. Mech. 2000, 67, 529–546. [Google Scholar] [CrossRef]
  9. Koçak, M. FITNET fitness-for-service procedure: An overview. Weld. World 2007, 51, 94–105. [Google Scholar] [CrossRef]
  10. Hadley, I. Validation of the European FITNET Fitness-for-Service Procedure: Incorporation of Weld Strength Mismatch into Fracture Assessment (Options 2 and 3); TWI Industrial Members’ Report; TWI Industrial: Cambridge, UK, 2007; p. 890. [Google Scholar]
  11. Wen, X.; Wang, P.; Dong, Z.; Liu, Y.; Fang, H. Nominal Stress-Based Equal-Fatigue-Bearing-Capacity Design of under-matched HSLA Steel Butt-welded Joints. Metals 2018, 8, 880. [Google Scholar] [CrossRef]
  12. Ravi, S.; Balasubramanian, V.; Nasser, S.N. Effect of notch location on fatigue crack growth behavior of strength-mismatched high-strength low-alloy steel weldments. J. Mater. Eng. Perform. 2004, 13, 758–765. [Google Scholar] [CrossRef]
  13. Zhang, C.; Lu, P.; Hu, X.; Song, X. Effect of buffer layer and notch location on fatigue behavior in welded high-strength low-alloy. J. Mater. Process. Technol. 2012, 212, 2091–2101. [Google Scholar] [CrossRef]
  14. Shanmugam, K.; Lakshminarayanan, A.K.; Balasubramanian, V. Effect of weld metal properties on fatigue crack growth behavior of gas tungsten arc welded AISI 409M grade ferritic stainless steel joints. Int. J. Press. Vessel. Pip. 2009, 86, 517–524. [Google Scholar] [CrossRef]
  15. Donato, G.H.; Magnabosco, R.; Ruggieri, C. Effects of weld strength mismatch on J and CTOD estimation procedure for SE (B) specimens. Int. J. Fract. 2009, 159, 1–20. [Google Scholar] [CrossRef]
  16. Goyal, R.; Glinka, G. Fracture mechanics-based estimation of fatigue lives of welded joints. Weld. World 2013, 57, 625–634. [Google Scholar] [CrossRef]
  17. Rice, J.R. Fracture Mechanics. Appl. Mech. Rev. 1985, 38, 1271. [Google Scholar] [CrossRef]
  18. Paris, P.; Erdogan, F. A Critical Analysis of Crack Propagation Laws. Transact. ASME 1963, 85, 528–533. [Google Scholar] [CrossRef]
  19. Tomkins, B. Fatigue crack propagation—An analysis. Philos. Mag. 1968, 18, 1041–1066. [Google Scholar] [CrossRef]
  20. Rice, J. Mechanics of Crack tip Deformation and Extension by Fatigue; Fatigue Crack Propagation; ASTM International: West Conshohocken, PA, USA, 1967. [Google Scholar]
  21. McClintock, F.A. On the Plasticity of the Growth of Fatigue Cracks; Springer: Berlin, Germany, 1963. [Google Scholar]
  22. Hoeppner, D.W.; Krupp, W.E. Prediction of component life by application of fatigue crack growth knowledge. Eng. Fract. Mech. 1974, 6, 47–70. [Google Scholar] [CrossRef]
  23. Mcevily, A.J.; Johnston, T.L. The role of cross-slip in brittle fracture and fatigue. Int. J. Fract. 1967, 3, 45–74. [Google Scholar] [CrossRef]
  24. Kitagawa, H.; Takahashi., S. Applicability of fracture mechanics to very small cracks. In Proceedings of the 2nd international conference on mechanical behavior of material, Cleveland, OH, USA, 16–20 August 1976; pp. 627–631. [Google Scholar]
  25. Dong, Y.; Garbatov, Y.; Soares, C.G. A two-phase approach to estimate fatigue crack initiation and propagation lives of notched structural components. Int. J. Fatigue 2018, 116, 523–534. [Google Scholar] [CrossRef]
  26. Lautrou, N.; Thevenet, D.; Cognard, J.Y. Fatigue crack initiation life estimation in a steel welded joint by the use of a two-scale damage model. Fatigue Fract. Eng. Mater. Struct. 2009, 32, 403–417. [Google Scholar] [CrossRef]
  27. Sih, G.C.; Paris, P.C. Symposium of Fracture Toughness Testing and its Applications. In Proceedings of the Sixty-seventh Annual Meeting, American Society for Testing and Materials, Chicago, IL, USA, 21–26 June 1964. [Google Scholar]
  28. Hu, X.Z. An asymptotic approach to size effect on fracture toughness and fracture energy of composites. Eng. Fract. Mech. 2002, 69, 555–564. [Google Scholar] [CrossRef]
  29. Troshchenko, V.T.; Pokrovsky, V.V.; Yasniy, P.V. Unstable fatigue crack propagation and fatigue fracture toughness of steels. Fatigue Fract. Eng. Mater. Struct. 1994, 17, 991–1001. [Google Scholar] [CrossRef]
  30. Sawaki, Y.; Aoyama, N.; Kawasaki, T. Determination of fatigue fracture toughness by conventional rotary bending specimen. Int. J. Fract. 1984, 26, 43–54. [Google Scholar] [CrossRef]
  31. Chandran, K.R. A physically based universal functional to characterize the mechanism of fatigue crack growth in materials. Scr. Mater. 2015, 107, 115–118. [Google Scholar] [CrossRef]
  32. Chandran, K.R. A universal functional for the physical description of fatigue crack growth in high-cycle and low-cycle fatigue conditions and in various specimen geometries. Int. J. Fatigue 2017, 102, 261–269. [Google Scholar] [CrossRef]
  33. Mattheck, C. Teacher tree: The evolution of notch shape optimization from complex to simple. Eng. Fract. Mech. 2006, 73, 1732–1742. [Google Scholar] [CrossRef]
  34. Pilkey, W.D.; Pilkey, D.F. Peterson’s Stress Concentration Factors; John Wiley & Sons: Hoboken, NJ, USA, 2008. [Google Scholar]
  35. 2012 Metallic Materials-Fatigue Testing-Statistical Planning and Analysis of Data; ISO 12107; ISO Copyright Office: Geneva, Switzerland, 2012.
Figure 1. (a) Fatigue loads with constant stress amplitudes; (b) Simplified model of the fatigue failure process of defective homogeneous materials.
Figure 1. (a) Fatigue loads with constant stress amplitudes; (b) Simplified model of the fatigue failure process of defective homogeneous materials.
Applsci 09 03609 g001
Figure 2. “Universal” curve of fatigue crack propagation rate for several materials [23].
Figure 2. “Universal” curve of fatigue crack propagation rate for several materials [23].
Applsci 09 03609 g002
Figure 3. (a) Static performance of H and L; (b) Fatigue crack growth properties of L and H; (c) Fatigue failure process of heterogeneous and homogeneous materials.
Figure 3. (a) Static performance of H and L; (b) Fatigue crack growth properties of L and H; (c) Fatigue failure process of heterogeneous and homogeneous materials.
Applsci 09 03609 g003
Figure 4. Simplified model of double Y-groove butt-welded joints.
Figure 4. Simplified model of double Y-groove butt-welded joints.
Applsci 09 03609 g004
Figure 5. Schematic diagram of the three-tangent-circle methods.
Figure 5. Schematic diagram of the three-tangent-circle methods.
Applsci 09 03609 g005
Figure 6. Design parameters of the fracture mechanics-based EFBC method.
Figure 6. Design parameters of the fracture mechanics-based EFBC method.
Applsci 09 03609 g006
Figure 7. (a) Geometric parameters of the Q550 steel plate; (b) Geometric parameters of the fatigue specimen of welded joints. (Unit: mm).
Figure 7. (a) Geometric parameters of the Q550 steel plate; (b) Geometric parameters of the fatigue specimen of welded joints. (Unit: mm).
Applsci 09 03609 g007
Figure 8. FE models for the geometric optimization of the designed joints.
Figure 8. FE models for the geometric optimization of the designed joints.
Applsci 09 03609 g008
Figure 9. Numerical results of Mises stress distribution with different fillet radii.
Figure 9. Numerical results of Mises stress distribution with different fillet radii.
Applsci 09 03609 g009
Figure 10. Simulation results of the variation of the stress concentration factor distribution with the transition arc radius r 1 .
Figure 10. Simulation results of the variation of the stress concentration factor distribution with the transition arc radius r 1 .
Applsci 09 03609 g010
Figure 11. Geometric parameters of the designed Q550d (ER50-6) butt-welded joints.
Figure 11. Geometric parameters of the designed Q550d (ER50-6) butt-welded joints.
Applsci 09 03609 g011
Figure 12. The sampling method and the weld procedure.
Figure 12. The sampling method and the weld procedure.
Applsci 09 03609 g012
Figure 13. Macro shots of the designed welded joints.
Figure 13. Macro shots of the designed welded joints.
Applsci 09 03609 g013
Figure 14. MTS 809 fatigue test system.
Figure 14. MTS 809 fatigue test system.
Applsci 09 03609 g014
Figure 15. (a) Positions of initial cracks in test pieces; (b) 1# test piece after the fatigue test; (c) 2# test piece after the fatigue test; (d) 3# test piece after the fatigue test.
Figure 15. (a) Positions of initial cracks in test pieces; (b) 1# test piece after the fatigue test; (c) 2# test piece after the fatigue test; (d) 3# test piece after the fatigue test.
Applsci 09 03609 g015
Table 1. Chemical composition and mechanical properties of the parent and deposit metal.
Table 1. Chemical composition and mechanical properties of the parent and deposit metal.
Material Mn Wt.%Si Wt.%C Wt.% σ B   ( MPa ) σ y   ( MPa ) δ ( % )
Q550D1.740.0220.0577767820
ER70S-61.490.840.0754343829
Table 2. The parameters of the welding process.
Table 2. The parameters of the welding process.
SequenceWelding ProcessCurrent Type/PolarityArc Voltage (V)Shielding Gas/Flow Rate (L/min)Welding Speed (mm/s)Welding Current (A)Welding Speed (mm/s)
1TIG (manual)DC(+)23.5Ar/1312201
2–7MAGDC(−)34CO2/5Ar/188.53508.5
8–9MAGDC(−)29.6CO2/5Ar/188.52808.5
Table 3. Results of the fatigue experiments.
Table 3. Results of the fatigue experiments.
Sample No. Δ σ   ( MPa ) f (Hz)RT (°C)N (Stress Cycles)
1#97.76100.1251,574,843
2#97.76100.1251,922,554
3#97.76100.1251,865,781
Table 4. Analysis results of the mathematical statistics.
Table 4. Analysis results of the mathematical statistics.
p/%(1 − α)k(p, 1−α)N(p, 1−α)
1095−6.158918,241
90−4.2581,126,483
595−7.655781,658
90−5.311,005,948
195−10.55572,483
90−7.34808,600
0.195−13.86400,976
90−9.651630,614

Share and Cite

MDPI and ACS Style

Wen, X.; Wang, P.; Dong, Z.; Fang, H. A Fracture Mechanics-Based Optimal Fatigue Design Method of Under-Matched HSLA Steel Butt-Welded Joints with Imperfections. Appl. Sci. 2019, 9, 3609. https://doi.org/10.3390/app9173609

AMA Style

Wen X, Wang P, Dong Z, Fang H. A Fracture Mechanics-Based Optimal Fatigue Design Method of Under-Matched HSLA Steel Butt-Welded Joints with Imperfections. Applied Sciences. 2019; 9(17):3609. https://doi.org/10.3390/app9173609

Chicago/Turabian Style

Wen, Xue, Ping Wang, Zhibo Dong, and Hongyuan Fang. 2019. "A Fracture Mechanics-Based Optimal Fatigue Design Method of Under-Matched HSLA Steel Butt-Welded Joints with Imperfections" Applied Sciences 9, no. 17: 3609. https://doi.org/10.3390/app9173609

APA Style

Wen, X., Wang, P., Dong, Z., & Fang, H. (2019). A Fracture Mechanics-Based Optimal Fatigue Design Method of Under-Matched HSLA Steel Butt-Welded Joints with Imperfections. Applied Sciences, 9(17), 3609. https://doi.org/10.3390/app9173609

Note that from the first issue of 2016, this journal uses article numbers instead of page numbers. See further details here.

Article Metrics

Back to TopTop