An Islanding Signal-Based Smooth Transition Control in AC/DC Hybrid Micro-Grids
Abstract
Featured Application
Abstract
1. Introduction
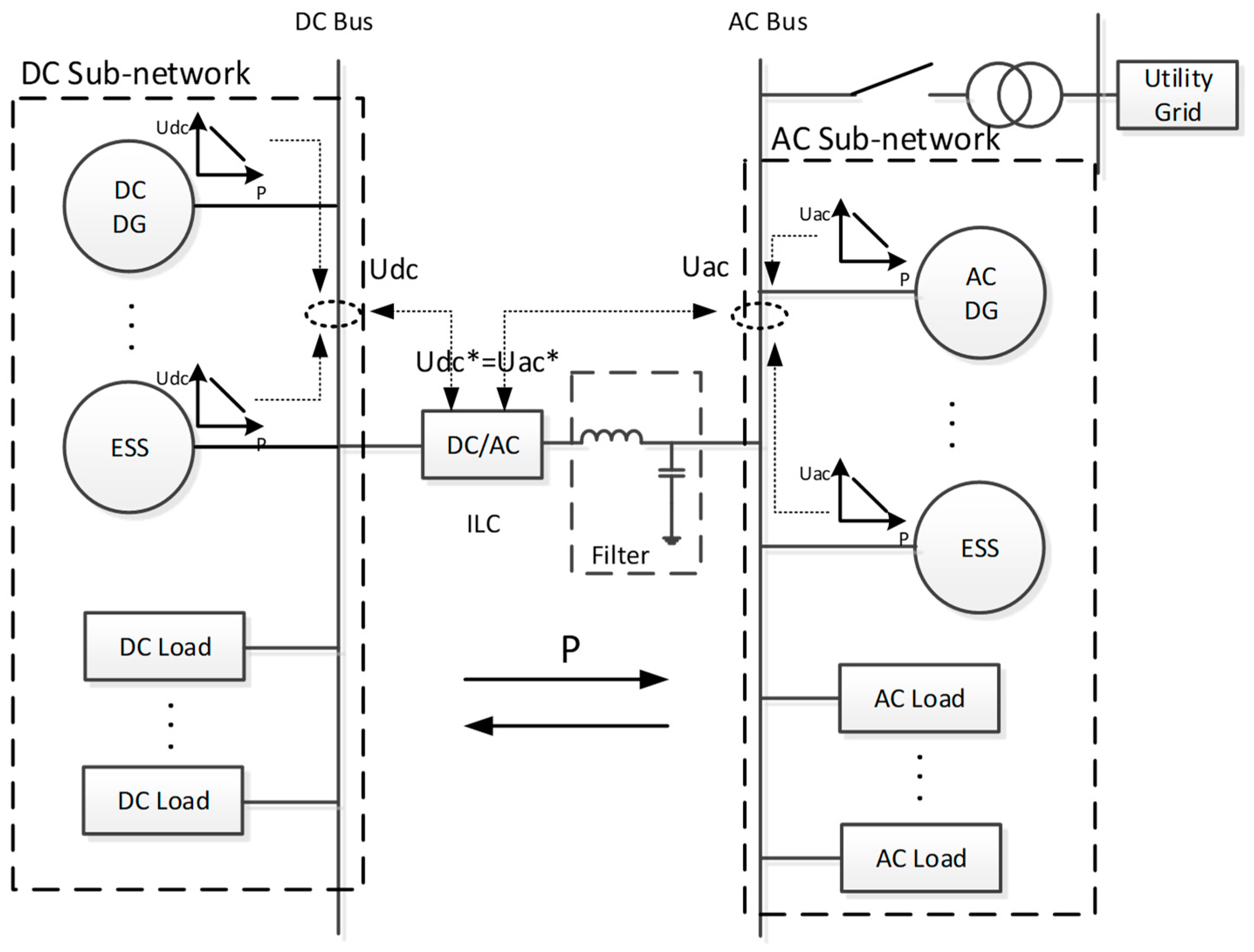
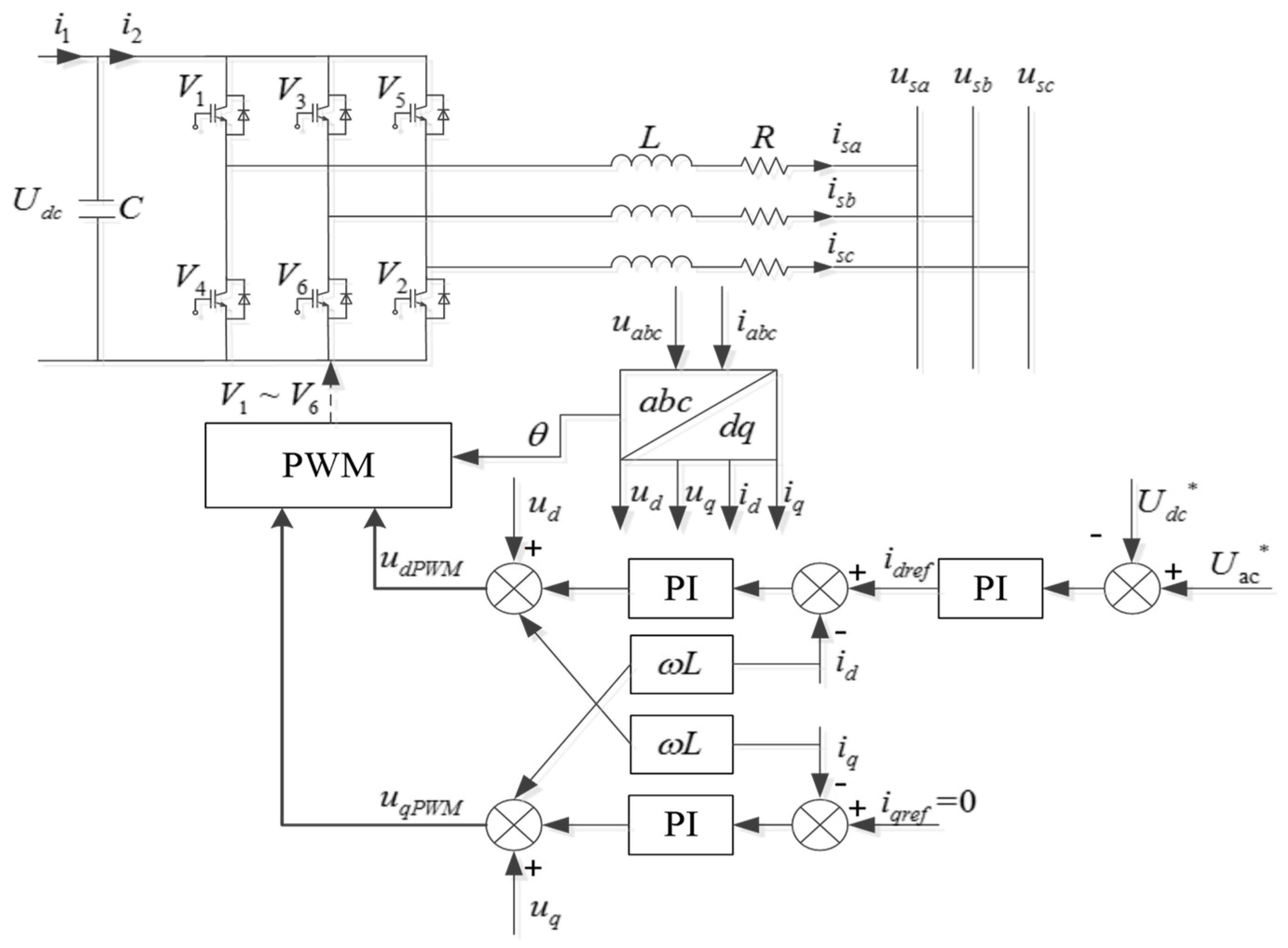
2. Hybrid Micro-Grid Modeling
3. A Smooth Transition Control Based on Islanding Signal
3.1. The Origin of Transient Impact
3.2. Transient Impulse Suppression Based on Regulation State Follower
3.3. Transient Impulse Suppression Based on Islanding Signal
4. Simulation and Discussion
4.1. Comparision of Differernt Transition Controls
4.2. Influence of Load Change on Smooth Transition
5. Conclusions
Author Contributions
Funding
Conflicts of Interest
References
- Lasseter, R.H.; Eto, J.H.; Schenkman, B.; Stevens, J.; Vollkommer, H.; Klapp, D.; Linton, E.; Hurtado, H.; Roy, J. CERTS Microgrid Laboratory Test Bed. IEEE Trans. Power Deliv. 2011, 26, 325–332. [Google Scholar] [CrossRef]
- Lasseter, R.H.; Paigi, P. Microgrid: A conceptual solution. In Proceedings of the 2004 IEEE 35th Annual Power Electronics Specialists Conference, Aachen, Germany, 20–25 June 2004. [Google Scholar] [CrossRef]
- Lu, Z.; Wang, C.; Min, Y. A Review on the Research of Micro-grid. Autom. Electr. Power Syst. 2007, 19, 100–107. [Google Scholar]
- Bevrani, H.; Habibi, F.; Babahajyani, P.; Watanabe, M.; Mitani, Y. Intelligent Frequency Control in an AC Microgrid: Online PSO-Based Fuzzy Tuning Approach. IEEE Trans. Smart Grid 2012, 3, 1935–1944. [Google Scholar] [CrossRef]
- Li, F.; Li, R.; Zhou, F. Micro-Grid Technology and Engineering Applications; China Electric Power Press: Beijing, China, 2017. [Google Scholar]
- Wang, C. Micro-Grid Analysis and Simulation Theory; Science Press: Beijing, China, 2013. [Google Scholar]
- Liu, X.; Wang, P.; Loh, P.C. A Hybrid AC/DC Microgrid and Its Coordination Control. IEEE Trans. Smart Grid 2011, 2, 278–286. [Google Scholar] [CrossRef]
- Xu, Y.; Li, H.; Tolbert, L.M. Inverter-based microgrid control and stable islanding transition. In Proceedings of the Energy Conversion Congress and Exposition (ECCE), Baltimore, MD, USA, 29 September–3 October 2019. [Google Scholar] [CrossRef]
- Liu, G.; Xiao, B.; Starke, M.; Ceylan, O.; Tomsovic, K. A robust load shedding strategy for microgrid islanding transition. In Proceedings of the IEEE/PES Transmission & Distribution Conference & Exposition, Dallas, TX, USA, 3–5 May 2016. [Google Scholar] [CrossRef]
- Wang, X.; Wu, H.; Ma, X.; Han, W.; Zheng, T. Impact of islanding detection time on the mode transition of inverter-based micro-grid. In Proceedings of the International Conference on Electric Utility Deregulation & Restructuring & Power Technologies, Weihai, China, 6–9 July 2011. [Google Scholar] [CrossRef]
- Zhi, N.; Xiao, X.; Tian, P. Research and prospect of multi-microgrid control strategies. Electr. Power Auto. Equip. 2016, 36, 107–115. [Google Scholar]
- Kwok, J.J.M.; Nan, Y.; Karimi, I.A.; Lee, D.Y. Microgrid Scheduling for Reliable, Cost-Effective, and Environmentally Friendly Energy Management. Ind. Eng. Chem. Res. 2013, 52, 142–151. [Google Scholar] [CrossRef]
- Harirchi, F.; Simões, M.G.; Babakmehr, M.; Durra, A.A.; Muyeen, S.M. Designing Smart Inverter with Unified Controller and Smooth Transition between Grid-Connected and Islanding Modes for Microgrid Application. In Proceedings of the IEEE Industry Applications Society Annual Meeting(IAS), Addison, TX, USA, 18–22 October 2015. [Google Scholar]
- Han, Y.; Xia, M.; Hong, X.; Ye, M. A Smooth Transition Control Strategy for Microgrid Operation Modes. Energy Procedia 2014, 61, 760–766. [Google Scholar] [CrossRef]
- Cagnano, A.; De Tuglie, E.; Cicognani, L. Prince—Electrical Energy Systems Lab: A pilot project for smart microgrids. Electr. Power Syst. Res. 2017, 148, 10–17. [Google Scholar] [CrossRef]
- Cagnano, A.; De Tuglie, E.; Trovato, M.; Cicognani, L.; Vona, V. A simple circuit model for the islanding transition of microgrids. In Proceedings of the 2016 IEEE 2nd International Forum on Research and Technologies for Society and Industry Leveraging a Better Tomorrow (RTSI), Bologna, Italy, 7–9 September 2016; pp. 1–6. [Google Scholar] [CrossRef]
- Moore, A.T.; Jiang, J. Design and implementation of a microgrid controller for bumpless transitions between grid-connected and island operation. In Proceedings of the IECON 2014—40th Annual Conference of the IEEE Industrial Electronics Society, Dallas, TX, USA, 29 October–1 November 2014; pp. 4933–4939. [Google Scholar] [CrossRef]
- Imran, R.M.; Wang, S.; Flaih Firas, M.F.; Salih, H.W. Smooth Mode Transition Control for Micro-Grid with Hybrid Battery/Diesel Combination. In Proceedings of the 2017 4th International Conference on Information Science and Control Engineering (ICISCE), Changsha, China, 21–23 July 2017. [Google Scholar] [CrossRef]
- Li, Y.; Cheng, Z. Research on Smooth Switching Control Strategy of Micro-grid Based on Master-Slave Control. Electr. Meas. Instrum. 2016, 53, 44–49. [Google Scholar]
- Fu, Y.; Huang, L.; Zhao, J. Micro-grid Smooth Switching Control Method Based on Controller State Following. J. Shanghai Univ. Electr. Power 2014, 30, 495–499. [Google Scholar]
- Li, Y.; Yuan, L.; Meng, K.; Dong, Z. Smooth states transition control strategy for micro-grid. In Proceedings of the 2017 IEEE International Conference on Information and Automation (ICIA), Macau, China, 18–20 July 2017. [Google Scholar]
- Guerrero, J.M.; Vasquez, J.C.; Teodorescu, R. Hierarchical Control of Droop-Controlled AC and DC Micro-grids—A General Approach Toward Standardization. IEEE Trans. Ind. Electron. 2011, 58, 158–172. [Google Scholar] [CrossRef]
- Zheng, T.; Chen, L.; Mei, S. Master-slave Micro-grid Smooth Switching Control Considering Timing Coordination. Electr. Power Energy Manag. Technol. 2014, 10, 44–49. [Google Scholar]
- Li, X.; Guo, L.; Wang, C. An Overview of Key Technologies for DC Micro-grid. China J. Electr. Eng. 2016, 1, 2–17. [Google Scholar] [CrossRef]
- Lou, B.; Zhou, Z. An Overview of Micro-power Supply Control in AC Micro-grid. China Power 2016, 49, 138–143. [Google Scholar]
- Pecas Lopes, J.A.; Moreira, C.L.; Madureira, A.G. Defining control strategies for analysing micro-grids islanded operation. In Proceedings of the 2005 IEEE Russia Power Tech, St. Petersburg, Russia, 27–30 June 2005. [Google Scholar]




















| Transition Control | ΔUdcmax | ΔUacmax | Transition time | Succeed? (Y/N) |
|---|---|---|---|---|
| Direct transition | 11.31% | 6.7% | 0.46 s | Y |
| Traditional smooth transition | 7.2% | 10% | 0.31 s | Y |
| Proposed smooth transition | 2.98% | 3.77% | 0.25 s | Y |
| Transition Control | ΔUdcmax | ΔUacmax | Transition time | Succeed? (Y/N) |
|---|---|---|---|---|
| Direct transition | 26.15% | 2.31% | - | N |
| Traditional smooth transition | 9.53% | 2.34% | 0.23 s | Y |
| Proposed smooth transition | 9.54% | 2.33% | 0.23 s | Y |
| DC Load/kW | AC Load/kW | Ppv/kW | ΔILC/kW | ΔUdc1 | ΔUdc2 | ΔUac |
|---|---|---|---|---|---|---|
| 112.5 | 30 | 50 | 38.33 | 0.24% | 2.96% | 1.4% |
| 112.5 | 75 | 50 | 59.04 | 0.35% | 4.53% | 2.04% |
| 112.5 | 120 | 50 | 79.85 | 0.42% | 6.61% | 2.37% |
| 112.5 | 150 | 50 | 93.48 | 0.47% | 7.69% | 2.48% |
© 2019 by the authors. Licensee MDPI, Basel, Switzerland. This article is an open access article distributed under the terms and conditions of the Creative Commons Attribution (CC BY) license (http://creativecommons.org/licenses/by/4.0/).
Share and Cite
Chen, Z.; Zheng, T.; Liu, C. An Islanding Signal-Based Smooth Transition Control in AC/DC Hybrid Micro-Grids. Appl. Sci. 2019, 9, 2804. https://doi.org/10.3390/app9142804
Chen Z, Zheng T, Liu C. An Islanding Signal-Based Smooth Transition Control in AC/DC Hybrid Micro-Grids. Applied Sciences. 2019; 9(14):2804. https://doi.org/10.3390/app9142804
Chicago/Turabian StyleChen, Zhenghong, Tao Zheng, and Chang Liu. 2019. "An Islanding Signal-Based Smooth Transition Control in AC/DC Hybrid Micro-Grids" Applied Sciences 9, no. 14: 2804. https://doi.org/10.3390/app9142804
APA StyleChen, Z., Zheng, T., & Liu, C. (2019). An Islanding Signal-Based Smooth Transition Control in AC/DC Hybrid Micro-Grids. Applied Sciences, 9(14), 2804. https://doi.org/10.3390/app9142804

