Study on Valve Strategy of Variable Cylinder Deactivation Based on Electromagnetic Intake Valve Train
Abstract
:1. Introduction
2. Test of the EMVT and Valve Strategy
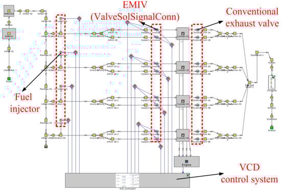
2.1. Test of the EMVT
2.2. Valve Strategy
3. Model Details
3.1. 1D Model Validation
3.2. VCD Model Validation Using 3D Code
3.2.1. Results of 3D Code
3.2.2. Results of 1D Model
4. Results and Discussion
4.1. Energy Losses during the Transition Process
4.2. Minimum In-Cylinder Pressure of the Inactive Cycle
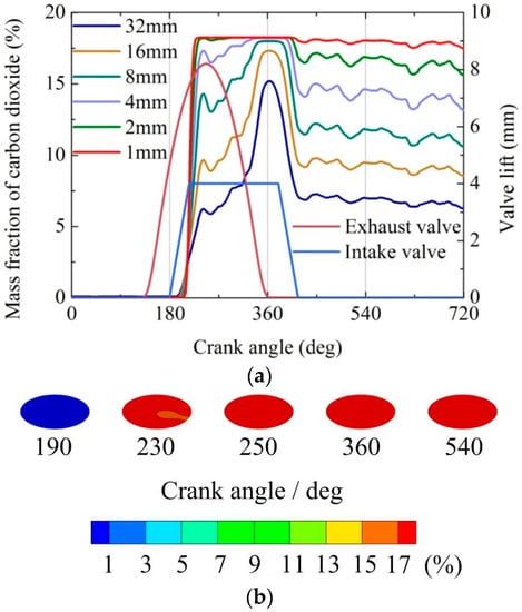
4.3. Mass Fraction of Oxygen in Exhaust Gas
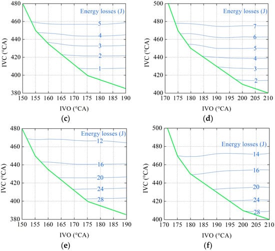
4.4. Area of Optimal IVO and IVC
4.5. Results at Higher Engine Speeds
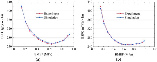
4.6. Fuel Economy Benefits
5. Conclusions
- (1)
- When the exhaust gas is pressed into the intake manifold, there is a significant boundary layer between the exhaust gas and the fresh air. Through a reasonable control of the IVO and IVC, most of the gas sucked into the inactive cycle is the exhaust gas, which avoids not only high exhaust oxygen but also oil suction.
- (2)
- Advancing the IVO and delaying the IVC helps to reduce the total energy losses and increase the minimum in-cylinder pressure of the inactive cycle, so as to avoid the risk of oil suction.
- (3)
- On the premise of avoiding high exhaust oxygen and oil suction, the optimal areas for IVO and IVC can be determined by the variation features of energy losses during the transition process. The energy losses in the optimal area decrease with the increase in firing density.
- (4)
- Under low load conditions, the fuel economy achieved by VCD is better than that of the EIVC strategy. At 1200 and 1600 rpm, fuel economy is improved 12.5–16.6% and 9.7–14.6%, respectively, compared to the prototype engine when the BMEP ranges from 0.3 MPa to 0.2 MPa.
Author Contributions
Funding
Acknowledgments
Conflicts of Interest
References
- Wilcutts, M.; Switkes, J.; Shost, M.; Tripathi, A. Design and benefits of dynamic skip fire strategies for cylinder deactivated engines. SAE Int. J. Engines 2013, 6, 278–288. [Google Scholar] [CrossRef]
- Abas, M.; Martinez-Botas, R. Engine Operational Benefits with Cylinder Deactivation in Malaysian Urban Driving Conditions. In Proceedings of the SAE 2015 World Congress, Detroit, MI, USA, 21–23 April 2015. [Google Scholar]
- Leone, T.G.; Pozar, M. Fuel economy benefit of cylinder deactivation—Sensitivity to vehicle application and operating constraints. SAE Tech. Pap. 2001. [Google Scholar] [CrossRef]
- Stabinsky, M.; Albertson, W.; Tuttle, J.; Kehr, D.; Westbrook, J.; Karbstein, H.; Kuhl, M. Active fuel management™ technology: Hardware development on a 2007 GM 3.9 L V-6 OHV SI engine. SAE Tech. Pap. 2007. [Google Scholar] [CrossRef]
- Zhao, J.; Xi, Q.; Wang, S.; Wang, S. Improving the partial-load fuel economy of 4-cylinder SI engines by combining variable valve timing and cylinder-deactivation through double intake manifolds. Appl. Therm. Eng. 2018, 141, 245–256. [Google Scholar] [CrossRef]
- Millo, F.; Mirzaeian, M.; Luisi, S.; Doria, V.; Stroppiana, A. Engine displacement modularity for enhancing automotive si engines efficiency at part load. Fuel 2016, 180, 645–652. [Google Scholar] [CrossRef]
- GreenCarCongress. Volkswagen to Implement Cylinder Deactivation in 4-Cylinder 1.4 TSI Engines in 2012. 2011. Available online: https://www.greencarcongress.com/2011/09/zas-20110902.html (accessed on 29 October 2018).
- Fujiwara, M.; Kumagai, K.; Segawa, M.; Sato, R.; Tamura, Y. Development of a 6-cylinder gasoline engine with new variable cylinder management technology. SAE Tech. Pap. 2008. [Google Scholar] [CrossRef]
- Maehara, H.; Kitawaki, S.; Abe, T.; Saito, S.; Tsukui, T. Development of variable cylinder management system for large motorcycles-an effective way of reducing output change at switching of the number of working cylinders. SAE Tech. Pap. 2010. [Google Scholar] [CrossRef]
- Shiao, Y.J.; Dat, L.V. The Optimal Strategies for Improving Efficiency in Camless Engines. In Applied Mechanics and Materials. Trans. Tech. Pub. 2012, 145, 83–87. [Google Scholar] [CrossRef]
- Li, T.; Gao, Y.; Wang, J.; Chen, Z. The Miller cycle effects on improvement of fuel economy in a highly boosted, high compression ratio, direct-injection gasoline engine: EIVC vs. LIVC. Energy Convers. Manag. 2014, 79, 59–65. [Google Scholar] [CrossRef]
- Tomoda, T.; Ogawa, T.; Ohki, H.; Kogo, T.; Nakatani, K.; Hashimoto, E. Improvement of diesel engine performance by variable valve train system. Int. J. Engine Res. 2010, 11, 331–344. [Google Scholar] [CrossRef]
- Millo, F.; Luisi, S.; Borean, F.; Stroppiana, A. Numerical and experimental investigation on combustion characteristics of a spark ignition engine with an early intake valve closing load control. Fuel 2014, 121, 298–310. [Google Scholar] [CrossRef]
- Zhao, Y.; Zhou, B. Dynamic Cylinder Deactivation with Residual Heat Recovery. U.S. Patent Application No. 12/550,056, 3 April 2010. [Google Scholar]
- Yüksek, L.; Özener, O.; Sandalcı, T. Cycle-skipping strategies for pumping loss reduction in spark ignition engines: An experimental approach. Energy Convers. Manag. 2012, 64, 320–327. [Google Scholar] [CrossRef]
- Gosala, D.B.; Allen, C.M.; Shaver, G.M.; Farrell, L.; Koeberlein, E.; Franke, B.; Stretch, D.; McCarthy, J.J. Dynamic cylinder activation in diesel engines. Int. J. Engine Res. 2018. [Google Scholar] [CrossRef]
- Serrano, J.; Routledge, G.; Lo, N.; Shost, M.; Srinivasan, V.; Ghosh, B. Methods of evaluating and mitigating NVH when operating an engine in dynamic skip fire. SAE Int. J. Engines 2014, 7, 1489–1501. [Google Scholar] [CrossRef]
- Liu, L.; Chang, S. Motion control of an electromagnetic valve actuator based on the inverse system method. Proc. Inst. Mech. Eng. Part D J. Autom. Eng. 2012, 226, 85–93. [Google Scholar] [CrossRef]
- Gottschalk, W.; Fink, R.; Schultalbers, M. Investigations on Ventilation Strategies for SI Cylinder Deactivation Based on a Variable Valve Train. SAE Tech. Pap. 2016. [Google Scholar] [CrossRef]























| Engine type | L4 |
| Displacement | 1.8 L |
| Valve train | DVVT |
| Number of valves | 4 per cylinder |
| Stroke/Bore | 89.3 mm/80 mm |
| Connecting rod length | 133.1 mm |
| Compression ratio | 10.5 |
| Rated power | 95.7 kW @ 6000 r/min |
| Rated torque | 171.3 N·m @ 4500 r/min |
© 2018 by the authors. Licensee MDPI, Basel, Switzerland. This article is an open access article distributed under the terms and conditions of the Creative Commons Attribution (CC BY) license (http://creativecommons.org/licenses/by/4.0/).
Share and Cite
Hu, M.; Chang, S.; Xu, Y.; Liu, L. Study on Valve Strategy of Variable Cylinder Deactivation Based on Electromagnetic Intake Valve Train. Appl. Sci. 2018, 8, 2096. https://doi.org/10.3390/app8112096
Hu M, Chang S, Xu Y, Liu L. Study on Valve Strategy of Variable Cylinder Deactivation Based on Electromagnetic Intake Valve Train. Applied Sciences. 2018; 8(11):2096. https://doi.org/10.3390/app8112096
Chicago/Turabian StyleHu, Maoyang, Siqin Chang, Yaxuan Xu, and Liang Liu. 2018. "Study on Valve Strategy of Variable Cylinder Deactivation Based on Electromagnetic Intake Valve Train" Applied Sciences 8, no. 11: 2096. https://doi.org/10.3390/app8112096
APA StyleHu, M., Chang, S., Xu, Y., & Liu, L. (2018). Study on Valve Strategy of Variable Cylinder Deactivation Based on Electromagnetic Intake Valve Train. Applied Sciences, 8(11), 2096. https://doi.org/10.3390/app8112096
