Investigation into Response Characteristics and Fault Diagnosis Methods for Intermittent Faults in High-Density Integrated Circuits Induced by Bonding Wires
Abstract
1. Introduction
2. Materials and Methods
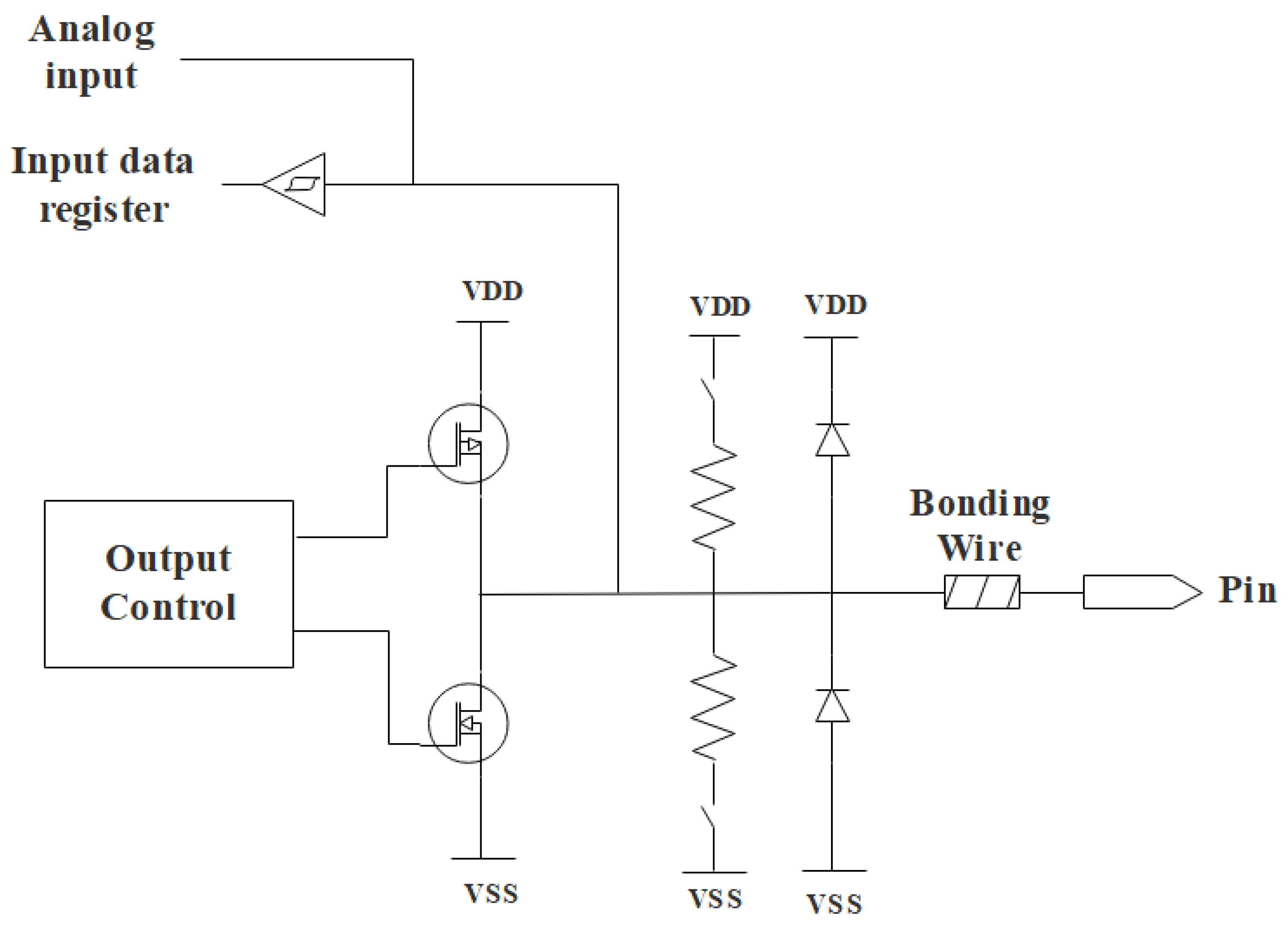
2.1. Acquisition of IFs Response Characteristics in HDICs
2.2. Methods
2.2.1. Fault Diagnosis Features
2.2.2. SSA-VMD Parameter Optimization
2.2.3. Attention Mechanism and Support Vector Machine
- IMF-level attention evaluates the importance of modal components.
- Feature-level attention performs refined weighting on each feature dimension.
- Global-level attention assesses the overall feature quality at the sample level.
- Feature weighting enhances quality, enabling SVM to construct a more accurate classification hyperplane in the optimized feature space.
- Attention weights are traceable to key fault features, enhancing model interpretability.
- It balances data efficiency and stability, making it suitable for small-sample, multi-fault-mode diagnosis scenarios.
- The multi-domain feature matrix extracted by SSA-VMD is fed into a standardization processor.
- Three types of attention weights are computed in parallel: IMF-level attention weights, feature-level attention weights, and global attention weights, to assess the overall importance of the samples.
- The three-level attention weights are fused in a certain proportion to generate a comprehensive attention weight vector, which is used to weight the standardized feature matrix.
- The weighted feature matrix is used to train the SVM, employing the RBF kernel function and optimizing hyperparameters —the penalty factor C and the kernel coefficient γ—through grid search.
- Features of the sample to be diagnosed are input into the trained Attention–SVM model, which outputs the fault type classification result.
2.3. Overall Fault Diagnosis Model Construction Process
3. Results and Discussion
3.1. Analysis of HDICs IFs Response Characteristics
3.1.1. Response Characteristics of Typical Ifs in HDICs Under Different Physical Parameters
3.1.2. Comparative Analysis of Response Characteristics of Different IFs
3.1.3. Summary
3.2. Integrated IFs Diagnosis for HDICs Based on SSA-VMD and Attention–SVM
3.2.1. SSA-VMD Signal Decomposition
3.2.2. Diagnostic Model Construction and Analysis
- Intermittent open-circuit faults: Samples of intermittent open-circuit faults on output lines under different load conditions (200 Ω to 30 kΩ), and samples with different durations (300 ns to 8 μs).
- Intermittent short-circuit faults: Samples of intermittent short-circuit faults (amplitude 0 to 2000 Ω), and samples with different short-circuit durations (300 ns to 8 μs).
- Normal operation: Original data under fault-free conditions with different loads (200 Ω to 30 kΩ).
- Fault Feature Separation and Enhancement
- 2.
- Multi-Scale Fault Information Capture
- 3.
- Improved Fault Diagnosis Accuracy
- 4.
- Optimal Balance between Feature Dimension and Information Content
- 5.
- Adaptation to Non-Stationary Characteristics of IFs
- 6.
- Enhanced Interpretability
- Variance Threshold Screening:
- 2.
- Random Forest Importance Ranking:
3.2.3. Summary
4. Conclusions
Author Contributions
Funding
Institutional Review Board Statement
Informed Consent Statement
Data Availability Statement
Conflicts of Interest
References
- Ahmad, S.S.; Smith, S.C. Au/Al Wire Bond Interface Resistance Degradation Rate Simulations. IEEE Trans. Device Mater. Reliab. 2019, 19, 774–781. [Google Scholar] [CrossRef]
- Azahar, A.Z.; Bakar, M.A.; Jalar, A.; Ani, F.C. Effect of Die Deflection during Au Wire Bonding Process on Bonding Quality in Overhang Semiconductor Package. J. Mater. Eng. Perform. 2024, 33, 5836–5845. [Google Scholar] [CrossRef]
- Xu, K.; Zhang, W.; Luo, J.; Yu, H.; Yuan, H.; Wang, B.; Wu, D. Evolution mechanism of interfacial multi-layer intermetallic compounds and failure behavior in the Al–Au wire bonding. J. Mater. Res. Technol. 2024, 32, 2843–2856. [Google Scholar] [CrossRef]
- Zhong, T.; Qu, J.; Fang, X.; Li, H.; Wang, Z. The intermittent fault diagnosis of analog circuits based on EEMD-DBN. Neurocomputing 2021, 436, 74–91. [Google Scholar] [CrossRef]
- Zhou, D.; Zhao, Y.; Wang, Z.; He, X.; Gao, M. Review on Diagnosis Techniques for Intermittent Faults in Dynamic Systems. IEEE Trans. Ind. Electron. 2020, 67, 2337–2347. [Google Scholar] [CrossRef]
- Pan, S.; Hu, Y.; Li, X. IVF: Characterizing the Vulnerability of Microprocessor Structures to Intermittent Faults. IEEE Trans. Very Large Scale Integr. VLSI Syst. 2012, 20, 777–790. [Google Scholar] [CrossRef]
- Fang, X.; Qu, J.; Chai, Y.; Liu, B. Adaptive multiscale and dual subnet convolutional auto-encoder for intermittent fault detection of analog circuits in noise environment. ISA Trans. 2023, 136, 428–441. [Google Scholar] [CrossRef]
- Li, X.; Huang, J.; Du, Y.; Fan, Y.; Chen, X. The g-Good-Neighbor Conditional Diagnosabilities of Hypermesh Optical Interconnection Networks Under the PMC and Comparison Models. Int. J. Found. Comput. S. 2023, 35, 313–325. [Google Scholar] [CrossRef]
- Yuan, C.; Zou, C.; Wu, J.; Feng, H.; Li, J. IFDA: Intermittent Fault Diagnosis Algorithm for Augmented Cubes Under the PMC Model. Appl. Sci. 2025, 15, 8197. [Google Scholar] [CrossRef]
- Sun, S.; Zhang, H.; Wang, Y.; Zhang, J. Dissipativity-Based Intermittent Fault Detection and Fault-Tolerant Control for Uncertain Switched Random Nonlinear Systems with Multiple Delays. IEEE Trans. Syst. Man Cybern. Syst. 2022, 52, 7457–7468. [Google Scholar] [CrossRef]
- Gao, S.; Zhao, K. Intermittent Fault Diagnosis of Dynamic Systems with Model Uncertainty and Disturbance: An Adaptive Nondeterministic Observer Approach. IEEE Trans. Reliab. 2025, 74, 4131–4142. [Google Scholar] [CrossRef]
- Gao, S.; Zhao, K.; Si, W.; Wen, C. Time-Varying Threshold and Signed-Rectified Regressor Design of Diagnosis Observer for Analog Circuits with Intermittent Fault. IEEE Trans. Instrum. Meas. 2025, 74, 3510513. [Google Scholar] [CrossRef]
- Laidani, I.; Bourouba, N. Analog Circuit Fault Classification and Data Reduction Using PCA-ANFIS Technique Aided by K-means Clustering Approach. Adv. Electr. Comput. Eng. 2022, 22, 73–82. [Google Scholar] [CrossRef]
- Qu, J.; Fang, X.; Chai, Y.; Tang, Q.; Liu, J. An intermittent fault diagnosis method of analog circuits based on variational modal decomposition and adaptive dynamic density peak clustering. Soft Comput. 2022, 26, 8603–8615. [Google Scholar] [CrossRef]
- Arabi, A.; Ayad, M.; Bourouba, N.; Benziane, M.; Griche, I.; Ghoneim, S.S.M.; Ali, E.; Elsisi, M.; Ghaly, R.N.R. An efficient method for faults diagnosis in analog circuits based on machine learning classifiers. Alex. Eng. J. 2023, 77, 109–125. [Google Scholar] [CrossRef]
- Liu, C.; Yang, Z.; Xiang, G.; Yu, Y.; Tian, J. An Intermittent Fault Detection Method for Three- phase PFC Converters Using EMD-CNN. In Proceedings of the 2022 Global Reliability and Prognostics and Health Management (PHM-Yantai), Yantai, China, 13–16 October 2022; pp. 1–5. [Google Scholar]
- Cheng, X.; Lv, K.; Zhang, Y.; Yang, W.; Wang, L.; Zhao, W.; Liu, G.; Qiu, J. Intermittent fault diagnosis in connector components based on arc wave characteristics. Proc. Inst. Mech. Eng. Part G J. Aerosp. Eng. 2024, 238, 1068–1081. [Google Scholar] [CrossRef]
- Shi, J.; Hou, Y.; Wang, Z.; Yang, Z.; Lv, Z. A diagnostic method for noise and intermittent faults in analog circuits based on the EEMD-SR filtering algorithm and LSTM-CM. Measurement 2025, 254, 117871. [Google Scholar] [CrossRef]
- Shi, J.; Zhou, H.; Yang, Z. Intermittent Fault Diagnosis Method Based on Graph Convolutional Neural Network. In Proceedings of the 2023 Global Reliability and Prognostics and Health Management Conference (PHM-Hangzhou), Hangzhou, China, 12–15 October 2023; pp. 1–5. [Google Scholar]
- Fang, X.; Qu, J.; Liu, B.; Chai, Y. Overcoming Limited Fault Data: Intermittent Fault Detection in Analog Circuits via Improved GAN. IEEE Trans. Instrum. Meas. 2024, 73, 3500111. [Google Scholar] [CrossRef]
- Lin, L.; Zhou, S.; Hsieh, S.Y. Neural Network Enabled Intermittent Fault Diagnosis Under Comparison Model. IEEE Trans. Reliab. 2023, 72, 1206–1219. [Google Scholar] [CrossRef]
- Niu, Y.; Sheng, L.; Gao, M.; Zhou, D. Distributed Intermittent Fault Detection for Linear Stochastic Systems Over Sensor Network. IEEE Trans. Cybern. 2022, 52, 9208–9218. [Google Scholar] [CrossRef]
- Fan, T. Intermittent Fault Detection and Fault-Tolerant Control Algorithm Based on Neural Network in Nonlinear Systems. In Proceedings of the 2025 4th International Conference on Sentiment Analysis and Deep Learning (ICSADL), Hong Kong, China, 18–20 February 2025; pp. 1268–1273. [Google Scholar]
- Gao, M.; Huai, W.; Sheng, L.; Zhou, D. Dynamic Event-Triggered Intermittent Fault Detection for Time-Varying Stochastic Systems. IEEE Trans. Ind. Electron. 2024, 71, 3074–3082. [Google Scholar] [CrossRef]
- Meo, G.D.; Caro, D.D.; Saggese, G.; Napoli, E.; Petra, N.; Strollo, A.G.M. A Novel Module-Sign Low-Power Implementation for the DLMS Adaptive Filter with Low Steady-State Error. IEEE Trans. Circuits Syst. Regul. Pap. 2022, 69, 297–308. [Google Scholar] [CrossRef]
- Wang, P.Y.; Zhan, J.H.C.; Chang, H.H.; Chang, H.M.S. A Digital Intensive Fractional-N PLL and All-Digital Self-Calibration Schemes. IEEE J. Solid-State Circuits 2009, 44, 2182–2192. [Google Scholar] [CrossRef]
- Yang, W.X.; Zhang, Y.; Qiu, J.; Lv, K.H. Research on intermittent fault of bond wire under thermal and vibration shock based on simulation and experiments. Microelectron. Reliab. 2023, 150, 115214. [Google Scholar] [CrossRef]
- Yang, W.; Liu, G.; Lyu, K.; Luo, X.; Shen, K.; Qiu, J. Research on intermittent fault mechanism of bond wire under vibration and environmental shock based on simulation. In Proceedings of the 2024 IEEE International Symposium on the Physical and Failure Analysis of Integrated Circuits (IPFA), Singapore, 15–18 July 2024; pp. 1–5. [Google Scholar]
- Dragomiretskiy, K.; Zosso, D. Variational Mode Decomposition. IEEE Trans. Signal Process. 2014, 62, 531–544. [Google Scholar] [CrossRef]
- Xue, J.; Shen, B. A novel swarm intelligence optimization approach: Sparrow search algorithm. Syst. Sci. Control Eng. 2020, 8, 22–34. [Google Scholar] [CrossRef]
- Du, H.; Wang, J.; Qian, W.; Zhang, X. An Improved Sparrow Search Algorithm for the Optimization of Variational Modal Decomposition Parameters. Appl. Sci. 2024, 14, 2174. [Google Scholar] [CrossRef]
- Luan, X.C.; Zhong, C.H.; Zhao, F.T.; Sha, Y.D.; Liu, G.M. Bearing fault damage degree identification method based on SSA-VMD and Shannon entropy-exponential entropy decision. Struct. Health Monit. Int. J. 2024, 23, 3105–3133. [Google Scholar] [CrossRef]
- Hnini, G.; Riffi, J.; Mahraz, M.A.; Yahyaouy, A.; Tairi, H. Attention Mechanism and Support Vector Machine for Image-Based E-Mail Spam Filtering. Big Data Cogn. Comput. 2023, 7, 87. [Google Scholar]
- Wang, G.; Tu, Y.; Nie, J. An analog circuit fault diagnosis method using improved sparrow search algorithm and support vector machine. Rev. Sci. Instrum. 2024, 95, 055110. [Google Scholar] [CrossRef]
- Suthaharan, S. Support Vector Machine. In Machine Learning Models and Algorithms for Big Data Classification: Thinking with Examples for Effective Learning; Suthaharan, S., Ed.; Springer: Boston, MA, USA, 2016; pp. 207–235. [Google Scholar]



















| No. | Feature Category | Feature Names (Code) | Core Physical Significance/Diagnostic Orientation |
|---|---|---|---|
| 1 | Time-Domain Statistical Features | Peak (peak), Root Mean Square (rms), Impulse Factor (impulse_factor), Impact Factor (impact_factor), Crest Factor (crest_factor), Kurtosis (kurtosis), Skewness (skewness), Overlimit Points (overlimit). | Directly characterize the amplitude, energy, shape, and abnormal impulses of the signal waveform. For example, kurtosis is extremely sensitive to transient impulses; the impact factor and impulse factor quantify the salience of impacts; the overlimit points count the number of sampling points exceeding ±3 standard deviations, directly quantifying the frequency of abnormal large-amplitude pulses. These are key indicators for identifying the transient characteristics of IFs. |
| 2 | Frequency-Domain Distribution Features | Spectral Centroid (spectral_centroid), Spectral Spread (spectral_spread), Spectral Kurtosis (spectral_kurtosis), Spectral Skewness (spectral_skewness), Dominant Frequency (dominant_freq), Spectral Roll-off Point (spectral_rolloff). | Describe the overall distribution and structural changes in signal energy in the frequency domain. Current transients caused by faults (e.g., short-circuit impulses) inject energy into higher frequencies, causing the spectral centroid to shift upward and the spectral spread to increase; whereas slowly varying faults may manifest as local concentration or asymmetric distribution (spectral skewness) of spectral energy. |
| 3 | Frequency Band Energy Features | Low-Frequency Energy Ratio (energy_low), Mid-Frequency Energy Ratio (energy_mid), High-Frequency Energy Ratio (energy_high). | Quantify the redistribution of energy across different frequency bands. For instance, the gradual process of an open-circuit fault may dominate low-frequency energy, while the nanosecond-level rising edge of a short-circuit fault excites high-frequency components. This feature helps distinguish fault types and suppress frequency-band noise unrelated to the fault. |
| 4 | Nonlinear Complexity Features | Sample Entropy (sampen), Multiscale Entropy (Scale 2 (mscale2), Scale 3 (mscale3)). | Measure the complexity and regularity of system dynamic behavior. The random introduction of an IF temporarily alters the circuit’s operating state. This subtle dynamic perturbation reduces the regularity of the signal sequence, leading to an increase in sample entropy. Multiscale entropy can assess complexity changes at different time scales, capturing richer fault information. |
| 5 | Time-Frequency Joint & Envelope Features | Wavelet Packet Energy (wp_energy), Envelope Spectrum Peak Frequency (envelope_peak_freq). | Provide localized analysis for non-stationary transient signals. Wavelet packet energy can capture the precise time and frequency band of fault impulses with specific time-frequency resolution. The envelope spectrum peak frequency, obtained by demodulating the signal, can reveal periodic modulation components induced by the fault, which may be masked by the carrier. This is particularly important for identifying IFs caused by mechanical stress or periodic interference. |
| No. | Feature | Normal | Intermittent Open-Circuit | Intermittent Short-Circuit |
|---|---|---|---|---|
| 1 | IMF1_impact_factor | 11.61377221 | 6.356806042 | 26.78073922 |
| 2 | IMF1_spectral_rolloff | 0 | 26562500 | 13476562.5 |
| 3 | IMF2_kurtosis | 0.200880739 | 0.014118772 | 0.160340563 |
| 4 | IMF2_impulse_factor | 5.754856009 | 4.845323961 | 5.22744312 |
| 5 | IMF2_mscale2 | 0.71980784 | 1.358027198 | 1.403427562 |
| 6 | IMF2_mscale3 | 1.480175118 | 1.895504235 | 1.954339049 |
| 7 | IMF3_kurtosis | −0.034993095 | −0.016637374 | −0.010114468 |
| 8 | IMF3_mscale2 | 1.540962232 | 1.62782429 | 2.00002048 |
| 9 | IMF3_spectral_spread | 48592781.83 | 72155195.78 | 73993300.34 |
| 10 | IMF4_kurtosis | −0.070882395 | 0.594430917 | 0.152611414 |
| 11 | IMF4_impact_factor | 2.1865813 | 4.78956451 | 2.829775565 |
| 12 | IMF5_impulse_factor | 5.055513247 | 5.399594821 | 4.706324451 |
| 13 | IMF5_energy_mid | 1.02 × 10−6 | 1.17 × 10−6 | 2.40 × 10−9 |
| 14 | IMF5_overlimit | 41 | 62 | 26 |
| 15 | IMF6_rms | 0.001404998 | 0.000831908 | 0.001650377 |
| 16 | IMF6_crest_factor | 4.179943886 | 3.843216913 | 4.093859718 |
| 17 | IMF6_overlimit | 49 | 49 | 46 |
| 18 | IMF7_sampen | 0.754559333 | 0.467153718 | 0.088716849 |
| 19 | IMF7_rms | 0.000830234 | 0.001135769 | 0.002511096 |
| 20 | IMF7_impact_factor | 7.526719918 | 37.00406997 | 141.164371 |
| No. | Feature | Remarks |
|---|---|---|
| 1 | IMF2_impulse_factor | Impulse Factor of IMF2 |
| 2 | IMF5_impulse_factor | Impulse Factor of IMF5 |
| 3 | IMF6_crest_factor | Crest Factor of IMF6 |
| 4 | IMF4_kurtosis | Kurtosis of IMF4 |
| 5 | IMF3_mscale2 | Multiscale Entropy (Scale 2) of IMF3 |
| 6 | IMF6_overlimit | Overlimit Points of IMF6 |
| 7 | IMF5_overlimit | Overlimit Points of IMF5 |
| 8 | IMF3_spectral_spread | Spectral Spread of IMF3 |
| 9 | IMF4_impact_factor | Impact Factor of IMF4 |
| 10 | IMF3_kurtosis | Kurtosis of IMF3 |
| 11 | IMF2_mscale2 | Multiscale Entropy (Scale 2) of IMF2 |
| 12 | IMF1_spectral_rolloff | Spectral Roll-off Point of IMF1 |
| 13 | IMF2_kurtosis | Kurtosis of IMF2 |
| 14 | IMF2_mscale3 | Multiscale Entropy (Scale 3) of IMF2 |
| 15 | IMF7_overlimit | Overlimit Points of IMF7 |
| 16 | IMF6_impulse_factor | Impulse Factor of IMF6 |
| 17 | IMF3_impulse_factor | Impulse Factor of IMF3 |
| 18 | IMF5_crest_factor | Crest Factor of IMF5 |
| 19 | IMF7_impulse_factor | Impulse Factor of IMF7 |
| 20 | IMF7_kurtosis | Kurtosis of IMF7 |
| 21 | IMF3_spectral_rolloff | Spectral Roll-off Point of IMF3 |
| 22 | IMF3_impact_factor | Impact Factor of IMF3 |
| No. | Method Name | Accuracy | Remarks |
|---|---|---|---|
| 1 | VMD-SVM | 40~90% | Highly dependent on parameters |
| 2 | SVM | 92.8% | Directly extracted the same 22 features as this work |
| 3 | CNN | 91.56% | 1D CNN |
| 4 | SSA + VMD-LightGBM | 86.43% | |
| 5 | SSA–VMD–Attention–SVM | 97.78% | This study |
| 6 | SSA + VMD-SVM | 93.83% | Without attention mechanism |
Disclaimer/Publisher’s Note: The statements, opinions and data contained in all publications are solely those of the individual author(s) and contributor(s) and not of MDPI and/or the editor(s). MDPI and/or the editor(s) disclaim responsibility for any injury to people or property resulting from any ideas, methods, instructions or products referred to in the content. |
© 2026 by the authors. Licensee MDPI, Basel, Switzerland. This article is an open access article distributed under the terms and conditions of the Creative Commons Attribution (CC BY) license.
Share and Cite
Yang, W.; Zhang, Y.; Cheng, X.; Luo, X.; Liu, G.; Qiu, J.; Lyu, K. Investigation into Response Characteristics and Fault Diagnosis Methods for Intermittent Faults in High-Density Integrated Circuits Induced by Bonding Wires. Appl. Sci. 2026, 16, 949. https://doi.org/10.3390/app16020949
Yang W, Zhang Y, Cheng X, Luo X, Liu G, Qiu J, Lyu K. Investigation into Response Characteristics and Fault Diagnosis Methods for Intermittent Faults in High-Density Integrated Circuits Induced by Bonding Wires. Applied Sciences. 2026; 16(2):949. https://doi.org/10.3390/app16020949
Chicago/Turabian StyleYang, Wenxiang, Yong Zhang, Xianzhe Cheng, Xinyu Luo, Guanjun Liu, Jing Qiu, and Kehong Lyu. 2026. "Investigation into Response Characteristics and Fault Diagnosis Methods for Intermittent Faults in High-Density Integrated Circuits Induced by Bonding Wires" Applied Sciences 16, no. 2: 949. https://doi.org/10.3390/app16020949
APA StyleYang, W., Zhang, Y., Cheng, X., Luo, X., Liu, G., Qiu, J., & Lyu, K. (2026). Investigation into Response Characteristics and Fault Diagnosis Methods for Intermittent Faults in High-Density Integrated Circuits Induced by Bonding Wires. Applied Sciences, 16(2), 949. https://doi.org/10.3390/app16020949

