Next Article in Journal
A Solution for Predicting the Timespan Needed for Grinding Roller Bearing Rings
Previous Article in Journal
Feature Integration Strategies for Neural Speaker Diarization in Conversational Telephone Speech
 
 
Font Type:
Arial Georgia Verdana
Font Size:
Aa Aa Aa
Line Spacing:
Column Width:
Background:
Article

A New Approach to Field-Oriented Control That Substantially Improves the Efficiency of an Induction Motor with Speed Control

Department of Mechanical Engineering, National Central University, Taoyuan 32001, Taiwan
*
Authors to whom correspondence should be addressed.
Appl. Sci. 2025, 15(9), 4845; https://doi.org/10.3390/app15094845
Submission received: 24 March 2025 / Revised: 18 April 2025 / Accepted: 23 April 2025 / Published: 27 April 2025

Abstract

Accurate estimation of the rotor flux angle remains a significant challenge when conventional direct or indirect field-oriented control (FOC) strategies are applied to induction motor drives. This paper proposes a novel method for determining the rotor flux angle under steady-state conditions using only stator voltage and current measurements. An adjustable steady-state detection mechanism is introduced and integrated into a phase-locked loop (PLL)-based indirect field-oriented framework to enable a smooth injection of the actual rotor flux angle into the control system. Both simulation and experimental results validate the effectiveness of the proposed method, demonstrating a significant reduction in stator current compared to conventional FOC approaches under identical load torque conditions.

1. Introduction

Induction motors are widely employed in industrial applications due to their inherent ruggedness, high reliability, and cost-effectiveness. When precise and efficient rotor speed control is required, field-oriented control (FOC), also known as vector control, is commonly adopted. With advancements in power electronics and the widespread availability of high-speed digital signal processors (DSPs), model-based control strategies have become the mainstream approach in motor drive systems. In addition, comprehensive training platforms for implementing FOC have also been developed [1,2].
The core concept of FOC lies in transforming the motor dynamic equations into a rotating reference frame in which the d-axis is aligned with the rotor flux vector [3]. Under this condition, rotor dynamics can be described by Equation L r d d t λ d r r f + r r λ d r r f = r r L m i d s r f ,   T e = 3 P L m 4 L r λ d r r f i q s r f . Accurate control of the current components i d s r f and i q s r f in this frame enables the generation of the desired electromagnetic torque T e .
Most FOC-based speed control schemes for induction motors share a similar structural configuration, as illustrated in Figure 1. It is important to emphasize that an induction machine’s rotor magnetic pole λ _ q d r s arises from the relative motion between the stator’s rotating magnetic field λ _ q d s s and the physical rotor. Perfect alignment is not always guaranteed even under steady-state conditions, where λ _ q d r s and λ _ q d s s rotate synchronously. Since the magnitude ( λ r f ) and direction ( θ r f s ) of the rotor flux cannot be directly measured, it is necessary to estimate the rotor flux angle ( θ r f s ) prior to applying the control strategy shown in Figure 1. Consequently, various rotor flux angle estimation techniques have been developed, which are generally categorized into two main approaches: direct field-oriented control (DFOC) and indirect field-oriented control (IFOC).
In direct field-oriented control (DFOC), the rotor flux angle ( θ r f s ) is directly estimated. As shown in Figure 2a,b, two representative DFOC structures are commonly adopted, depending on whether a gap-flux sensor is employed [3]. The gap-fluxsensor-based method, depicted in Figure 2a, presents several limitations. First, the sensing region is highly localized and cannot accurately represent the total rotor flux. Second, the sensor structure lacks mechanical stability and is highly susceptible to noise interference. Moreover, the inclusion of a gap-flux sensor increases the overall system cost, making this method less desirable for practical applications.
The method illustrated in Figure 2b, along with the approach proposed by Denger [4], employs a sensorless structure that does not require a gap-flux sensor. This design leverages the fact that, under medium- to high-speed conditions, the back electromotive force (EMF) dominates the stator voltage, as described by
v _ q d s s v _ q s e j L m L r ω r λ _ d r r f .
Denger [4] estimated the rotor flux angle ( θ r f s ) based on the stator voltage ( v _ q d s s ). Under steady-state conditions, the resulting rotor flux angle ( λ _ r f ) typically lags by a fixed phase angle. However, both the structure shown in Figure 2b and the algorithm proposed in [5] exhibit significantly degraded performance at low speeds. Specifically, the integration-based estimation in Figure 2b may lead to numerical drift or overflow, while the underlying assumption of (1)—that the back electromotive force (EMF) dominates the stator voltage—becomes invalid due to the reduced influence of EMF at low speeds.
A convergence analysis of the extended Kalman filter (EKF) applied to sensorless control of induction motors was presented in [6]. Although EKF-based methods are capable of estimating rotor flux and speed over a wide speed range, the time-varying nature of the linearized system model introduces additional complexity and may compromise estimation stability. In another study, Chen et al. [5] employed an adaptive full-order observer for rotor flux and speed estimation in sensorless induction motor drives. However, this approach exhibits significant sensitivity to parameter variations, particularly under low-speed regenerative operating conditions.
In [7], Rivera developed two discrete-time models for induction motors using variational integrators, and validated the models through both simulation and experimental results. Subsequently, a complete system framework incorporating both a controller and an observer was constructed based on a sliding mode control strategy, as described in [8]. Although the effectiveness of the proposed system was demonstrated, thisstudy did not address the method’s computational efficiency or associated implementation costs.
In the context of direct field-oriented control (FOC), Comanescu et al. [9] proposed incorporating a phase-locked loop (PLL) into the voltage model to estimate the rotor speed. Based on the estimated speed, the cutoff frequency of the low-pass filter (LPF) is adaptively adjusted to enable accurate tracking of the rotor flux angle at medium and high speeds.
In [10], Zhen argued that compared to the previously proposed low-pass filter (LPF), the second-order generalized integrator-based frequency-locked loop (SOGI-FLL), derived from the phase-locked loop (PLL), can improve estimation accuracy, reduce system complexity, and attenuate high-order harmonics in the back electromotive force (EMF). However, its performance degrades significantly during back-EMF transients, resulting in inaccurate frequency estimation and the occurrence of second harmonic oscillations. To address this issue, a dual-axis SOGI-FLL (DSOGI-FLL), constructed using the α and β components, was proposed. This approach not only suppresses the second harmonic oscillations but also enhances estimation accuracy. Nevertheless, similar to the conventional SOGI-FLL, the DSOGI-FLL exhibits poor performance under low-speed conditions.
In indirect field-oriented control (IFOC), the slip frequency ( S ω e ) is first estimated, and the rotor flux angle is then derived using
θ r f s = 0 t S ω e τ + ω r τ d t
where ω r = ω m P 2 represents the product of the actual rotor speed and the number of pole pairs. Strictly speaking, (2) is valid only when the slip frequency is defined as the difference between the rotor flux angular velocity and the rotor mechanical angular velocity ( S ω e ω r f ω r ) [11]. Under steady-state conditions, this value approximates the difference between the synchronous speed and the rotor electrical speed ( ω e ω r ).
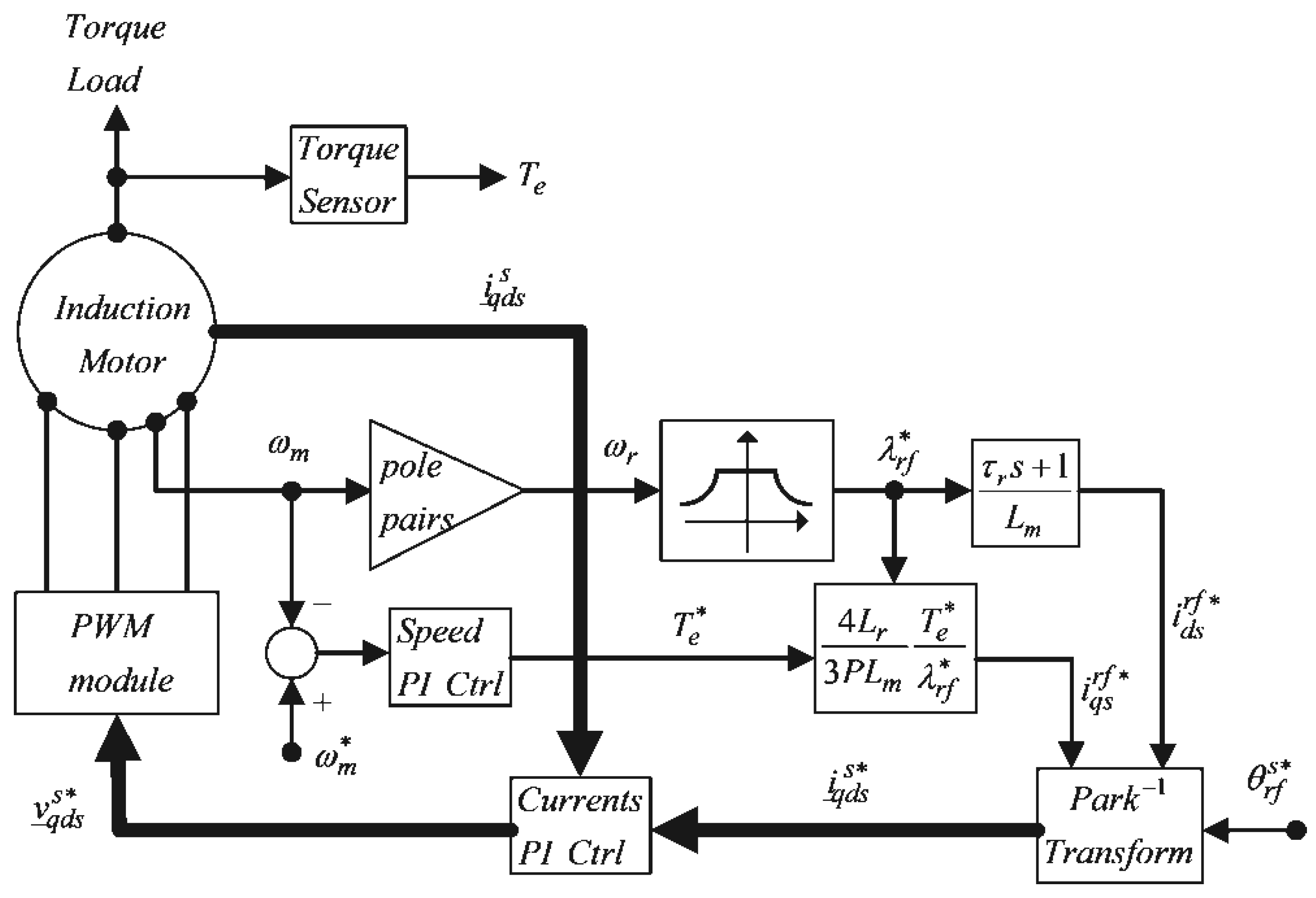
Figure 3a illustrates the representative structure of a typical indirect field-oriented control (IFOC) scheme [3]. In [12], the concept of multiple three-phase systems was further extended to enable the control of multiphase induction motors.
Moreover, the concept of slip frequency has been applied to widely used and cost-effective induction machines to improve the inefficiencies associated with conventional control strategies [13]. In traditional approaches, the slip frequency is estimated by determining the d-axis and q-axis current references ( i d s r f and i q s r f ) based on the torque and flux commands, respectively. An estimate of the slip frequency can then be obtained, as illustrated in Figure 3b.
However, this method does not account for transient behavior, which has led to the development of several improved approaches aimed at enhancing performance under dynamic operating conditions [14,15].
For example, Rubin [14] analyzed an equivalent steady-state circuit of the induction motor, as illustrated in Figure 4, and derived the following expression:
ρ i d s p i q s p = β 2 S ω e 2 + β 1 S ω e + β 0 α 2 S ω e 2 + α 0 .
In this expression, α 2 = ω e L l r L m 2 L l s L l r , α 0 = ω e r r 2 L l s , β 2 = r s L l r 2 , β 1 = ω e r r L m 2 , β 0 = r s r r 2 , and the superscript p indicate that the d-axis of the reference frame is aligned with the stator voltage vector. Based on this formulation, the slip frequency is expressed as follows:
S ω e = β 1 ± β 1 2 4 ρ α 0 β 0 ρ α 2 β 2 2 ρ α 2 β 2 .
Furthermore, using the definition of ρ , along with measured values of the stator current and voltage, the following relationship can be derived:
ρ = 3 i _ q d s s T v _ q d s s i 0 s v 0 s 3 1 _ T i _ q d s s T × v _ q d s s T .
Here, i 0 s and v 0 s represent the current and voltage at the neutral point, respectively. Equation (3) indicates that ρ is a function of S ω e , and the power factor reaches its optimal value when the condition
d ρ d S ω e S = S c = 0 ρ max = f S ω e S = S c
is satisfied, where S c represents the critical slip. Accordingly, this criterion can be used to determine the valid solution of (4).
Another approach, presented in [15] and illustrated by the structure in Figure 5, addresses this issue by feeding the stator current ( i _ q d s k ) into a fuzzy logic controller. The fuzzy control rules are designed based on the principles depicted in Figure 6. Once the motor reaches steady-state operation, the variation in rotor speed ( Δ ω r k ) remains below a predefined threshold ( ε ). The most recent output of the fuzzy controller is then added to the slip frequency estimated by the conventional indirect FOC scheme.
The physical interpretation of Figure 6 is as follows: under the condition that the electrical rotor speed ( ω r ) remains constant at its steady-state value ( ω d ), the output parameter Δ S ω e is adjusted to modify δ S ω e such that the resulting stator current ( i _ q d s k ) is minimized. This condition yields the optimal estimation of the slip frequency ( S ω e ).
However, during this process, the deviation between ω r and ω d may increase as δ S ω e grows. In such cases, the system departs from steady-state operation. To restore stability, the variable δ S ω e must be decreased, regardless of the variation in i _ q d s k , which implies that Δ S ω e becomes negative.
In summary, the optimal field-oriented control (FOC) under steady-state conditions corresponds to the configuration that minimizes the stator current ( i _ q d s ).
Although the procedures described above yield an accurate or optimal slip frequency ( S ω e ) under steady-state conditions, the estimation of θ r f s remains affected by accumulated error during transients due to the integration process in (2). As a result, the slip frequency derived purely under steady-state assumptions cannot ensure accurate estimation of the rotor flux angle ( θ r f s ).
Therefore, unless the slip frequency ( S ω e ) can be precisely estimated during transients, the resulting field-oriented control will be inaccurate, limiting the effectiveness of these conventional approaches.
Recently, Milic et al. [16] proposed a rotor speed sensing technique based on the observation that discontinuities in the magnetic path, caused by rotating rotor slots, induce high-frequency harmonics in the stator phase currents. These harmonics are utilized to infer the rotor speed. However, the stator current is also affected by magnetic and electrical interferences, necessitating the use of filters to extract the true speed signal. Since the machine operates over a wide speed range, the filter’s cutoff frequency must adapt to the varying electrical frequency. To achieve this, the authors incorporated complex algorithms such as phase-locked loops (PLLs). Nevertheless, skewed slot designs—commonly adopted in motor manufacturing to reduce cogging torque—conflict with the assumptions required by this approach. As a result, the practical viability of this technique remains under investigation.
A combined FOC and Direct Torque Control (DTC) approach was proposed to enhance the performance of three-phase induction motors across varying torque loads. This method utilizes a dynamic reconfiguration between control algorithms to optimize performance during different operating conditions [17]. A sensorless speed control method employing a Model Reference Adaptive System (MRAS) and a deadbeat regulator was introduced to improve affordability and efficiency by eliminating the need for physical speed sensors [18]. A compensated direct field-oriented sensorless control using a Luenberger observer was developed for induction motors connected via long cables and filters, addressing challenges in submarine applications where sensor deployment is impractical [19]. A hybrid sensorless speed estimator based on flux error was presented for electric vehicle applications, aiming to improve speed tracking accuracy in indirect FOC systems [20]. A nonlinear field-oriented control technique utilizing tensor product representations and linear matrix inequalities was proposed to enhance control performance in induction machines [21].
The technique proposed in this paper does not fall under conventional indirect field-oriented control (IFOC) or direct field-oriented control (DFOC). Instead, it integrates the advantages of both approaches while avoiding their respective limitations. As shown in Figure 3b, conventional IFOC estimates the rotor flux angle ( S ω e ) based on command values ( i q s r f and λ d r r f ), which are then integrated and treated as the actual rotor flux angle to be fed back into the control system. Clearly, such an approach may deviate from real-world behavior. For example, although Ozdemir [22] incorporated a phase-locked loop (PLL) algorithm along with an adaptive model to mitigate issues associated with pure integration, the model still relies on the structural framework depicted in Figure 3b.
Similarly, the sensorless DFOC scheme shown in Figure 2b continues to depend on integration to derive λ _ q d s s , which is then fed back to compute λ _ q d r s and eventually obtain θ r f s . However, continuous integration inevitably accumulates error without opportunities for correction.Therefore, the objectives of this paper are as follows:
  • Pure Integration-Free and PLL-Based Estimation: Eliminates numerical drift and error accumulation typical in conventional indirect FOC.
  • Hybrid Control Strategy: Effectively addresses transient performance without sacrificing steady-state accuracy.
  • Experimentally Validated Efficiency: Demonstrates significant real-world energy savings and efficiency improvements.
  • Moderate Complexity and Cost: Offers practical implementation advantages suitable for industry-standard DSP platforms.

2. New Field-Oriented Control (FOC) Technique

Therefore, the objective of this paper is to accurately estimate the rotor flux angle ( θ r f s ) under steady-state conditions using only directly measurable stator current and voltage signals, while avoiding integration operations and adopting a continuously correctable approach. This method addresses the limitations of conventional FOC schemes, particularly the estimation inaccuracies that become more pronounced at low speeds. The estimated rotor flux angle is directly incorporated into the FOC algorithm to enhance real-time performance.
According to the extended formulation presented by Novotny [3], the control equation of the stator circuit for a squirrel cage induction motor, expressed in the rotating d–q reference frame with angular velocity ω , is given by
v d s ω = r s i d s ω + D λ d s ω ω λ q s ω   ,   λ d s ω = L s i d s ω + L m i d r ω v q s ω = r s i q s ω + D λ q s ω + ω λ d s ω   ,   λ q s ω = L s i q s ω + L m i q r ω ,
where r s and L s denote the stator resistance and inductance, respectively. The corresponding rotor circuit equation is expressed in
v d r ω = r r i d r ω + D λ d r ω ω ω r λ q r ω = 0   ,   λ d r ω = L r i d r ω + L m i d s ω v q r ω = r r i q r ω + D λ q r ω + ω ω r λ d r ω = 0   ,   λ q r ω = L r i q r ω + L m i q s ω ,
where D d d t represents the time derivative operator.
Substituting the magnetic flux expressions from (6) and (7) into the voltage equations yields
v q s ω = ω L s i d s ω + r s + L s D i q s ω + ω L m i d r ω + L m D i q r ω v d s ω = r s + L s D i d s ω ω L s i q s ω + L m D i d r ω ω L m i q r ω v d r ω = L m D i d s ω ω ω r L m i q s ω + r r + L r D i d r ω ω ω r L r i q r ω = 0 v q r ω = ω ω r L m i d s ω + L m D i q s ω + ω ω r L r i d r ω + r r + L r D i q r ω = 0 .
λ q r r f 0 D λ q r r f = 0 is obtained under the assumption that the d-axis of the rotating reference frame is continuously aligned with the rotor flux vector. Under this alignment condition, the original stator voltage Equation (6) simplifies to the following set of reduced equations:
0 = r r i d r r f + D λ d r r f ,
0 = r r i q r r f + ω r f ω r λ d r r f ,
λ d r r f = L r i d r r f + L m i d s r f ,
0 = L r i q r r f + L m i q s r f .
From Equation (11), an intermediate variable i d r r f = λ d r r f L m i d s r f L r is derived and subsequently substituted into Equation (9), yielding the following:
1 + τ r D λ d r r f = L m i d s r f λ d r r f = L m 1 + τ r s i d s r f .
In (13), τ r L r r r denotes the rotor time constant, and s represents the Laplace operator. It is important to note that (13) holds only under relaxed motor conditions (i.e., steady-state operation). Additionally, Equation (12) implies the following relationship:
i q r r f = L m L r i q s r f .
By combining (10), (13), and (14), the following expression is derived: S ω e s ω r f s ω r s = 1 + τ r s τ r i q s r f s i d s r f s i q s r f s i d s r f s = τ r 1 + τ r s S ω e s . Substituting the final value theorem into the above yields the following:
lim t i q s r f t i d s r f t = lim t i q s r f t lim t i d s r f t = lim s 0 s i q s r f s lim s 0 s i d s r f s = lim s 0 i q s r f s i d s r f s = lim s 0 τ r 1 + τ r s S ω e s = τ r lim s 0 S ω e s τ r · y .
Based on the geometric relationship illustrated in Figure 7, the following equation is obtained:
lim t i q s r f t i d s r f t = lim t i q d s t sin γ t i q d s t cos γ t = lim t tan γ t = tan lim t γ t lim t γ t = tan 1 τ r · y .
Here, γ θ e θ r f represents the angle by which the stator current vector i _ q d s leads the rotor flux vector λ _ q d r . If the d-axis of the reference frame is aligned with the stator voltage vector ( v _ q d s t ), the variable v q s p 0 can be obtained, and Equation (8) simplifies into the following two expressions:
v d s p = r s + L s D i d s p ω e L s i q s p + L m D i d r p ω e L m i q r p 0 = ω e L s i d s p + r s + L s D i q s p + ω e L m i d r p + L m D i q r p
0 = L m D i d s p ω e ω r L m i q s p + r r + L r D i d r p ω e ω r L r i q r p 0 = ω e ω r L m i d s p + L m D i q s p + ω e ω r L r i d r p + r r + L r D i q r p
Applying the Laplace transform to both equations, the solution to (17) yields the intermediate terms
i d r p s = s v d s p ω e 2 L s + r s s + L s s 2 i d s p ω e r s i q s p L m ω e 2 + s 2 and i q r p s = ω e r s i d s p ω e 2 L s + r s s + L s s 2 i q s p ω e v d s p L m ω e 2 + s 2 .
These results are then substituted into (18) to derive the following:
a 2 i d s p a 3 i q s p = a 1 v d s p , b 2 i d s p b 3 i q s p = b 1 v d s p ,
where a 1 = 1 L m ω e 2 + s 2 ω e ω r L r ω e + r r + L r s s , a 2 = 1 L m ω e 2 + s 2 r r + L r s ω e 2 L s + r s s + L s s 2 + ω e ω e ω r r s L r L m 2 s ω e 2 + s 2 , a 3 = 1 L m ω e 2 + s 2 ω e ω r L r ω e 2 L s + r s s + L s s 2 ω e r s r r + L r s ω e ω r L m 2 ω e 2 + s 2 , and b 1 = 1 L m ω e 2 + s 2 ω e ω r L r s r r + L r s ω e , b 2 = a 3   , b 3 = a 2 are system-dependent coefficients.
By substituting the previously obtained coefficients into Equation (19), the closed-form solution is derived as follows:
i d s p s i q s p s = a 3 s 3 + a 2 s 2 + a 1 s + a 0 b 2 s 2 + b 1 s + b 0
In this expression, a 3 = L r L m 2 L r L s , a 2 = L r r s L r + r r L s r r L m 2 L r L s , a 1 = r r 2 r s L r + r r L s ω e ω r 2 L r L m 2 L r L s , a 0 = r r 2 r s + r s L r 2 ω e ω r 2 + ω e r r L m 2 ω e ω r , b 2 = ω e L r L m 2 L r L s , b 1 = r r ω e L m 2 2 L r L s + ω e ω r L m 2 , and b 0 = ω e ω r 2 ω e L r L m 2 L r L s r r 2 L s ω e represent system-specific constants and intermediate variables derived from the stator and rotor parameters.
Under steady-state conditions, the following relation holds: ω r f ω e S ω e ω e ω r . Furthermore, based on the definition of ρ and its geometric interpretation illustrated in Figure 7, the following expression can be derived [14]:
ρ i d s p t i q s p t = i _ q d s v _ q d s i _ q d s × v _ q d s = i d s s v d s s + i q s s v q s s i q s s v d s s i d s s v q s s
Similarly, applying the final value theorem to (20) yields the following expression: lim t ρ = lim t i d s p t i q s p t = lim t i d s p t lim t i q s p t = lim s 0 s i d s p s lim s 0 s i q s p s = lim s 0 i d s p s i q s p s = lim s 0 r s L r 2 S ω e 2 + ω e r r L m 2 S ω e + r r 2 r s ω e L r L m 2 L r L s S ω e 2 ω e r r 2 L s = r s L r 2 y 2 + ω e r r L m 2 y + r r 2 r s ω e L r L m 2 L r L s y 2 ω e r r 2 L s .
Let us define α 2 = ω e L r L m 2 L r L s , α 0 = ω e r r 2 L s , β 2 = r s L r 2 , β 1 = ω e r r L m 2 , β 0 = r r 2 r s as auxiliary variables representing [brief description, if needed], then Equation (22) can be obtained: lim t ρ α 2 + β 2 y 2 + β 1 y + lim t ρ α 0 + β 0 = 0
y = β 1 ± β 1 2 4 lim t ρ α 2 + β 2 lim t ρ α 0 + β 0 2 lim t ρ α 2 + β 2
As shown in the following expression, the steady-state value of ρ can be derived from the components of the voltage vector v _ q d s (output of the controller) and the feedback current i _ q d s (measurable) in the stationary reference frame, denoted by the superscript s. This value is then applied to (21) to determine y , and subsequently used in (16) to obtain the steady-state angle γ t = θ e θ r f , which represents the phase shift between the stator current and the rotor flux vector. In addition, the absolute angle θ i s s t of the stator current vector i _ q d s s t can be directly measured from the phase difference between the actual current waveform and the voltage waveform v _ q d s . Therefore, under steady-state conditions, the rotor flux angle is given by
θ r f s t = θ i s t γ t
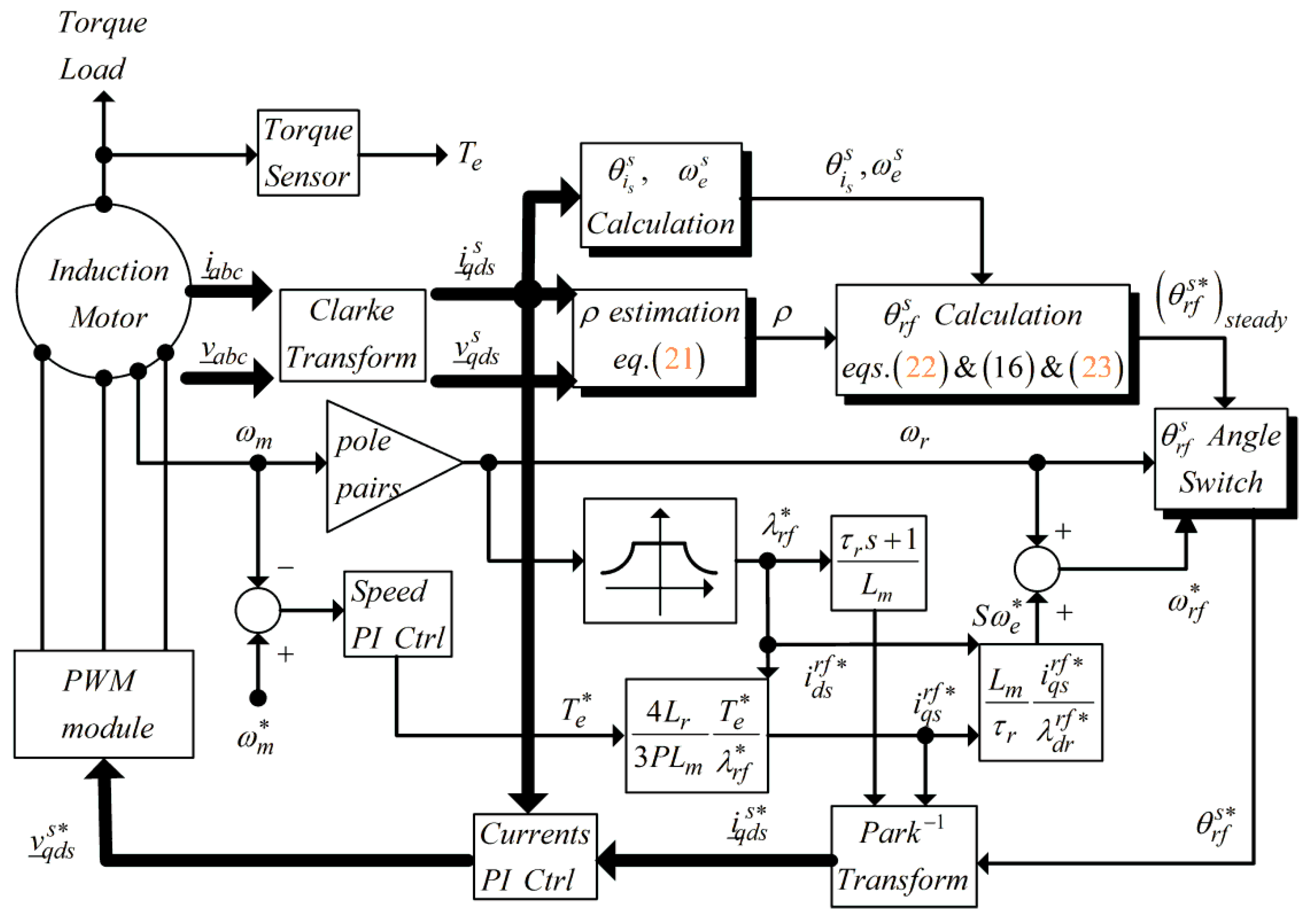
Based on this analysis, the overall system architecture proposed in this study is illustrated in Figure 8.
Conceptually, the outputs of the θ i s s = tan 1 i q s s i d s s and ω e s = d d t θ i s s computation blocks produce intermediate values, which are then fed into the θ r f s calculator to compute α 2 , α 0 , β 2 , β 1 , and β 0 . These results are subsequently applied to (21), (16), and (23), respectively, to solve for y , γ t , and θ r f s .
However, due to the fact that the domain of variable tan 1 is defined over π 2 ~ π 2 with non-differentiable endpoints, the above computational process poses challenges for numerical implementation. This discontinuity hinders the accurate calculation of intermediate variables θ i s s , ω e s , and γ t through direct analytical methods.
To address this issue, the θ i s s and ω e s computation blocks in Figure 8 are replaced by a phase-locked loop (PLL) module, as shown in Figure 9. This modification eliminates the dependence on the function involving tan 1 , thereby enabling a more robust and continuous estimation process.
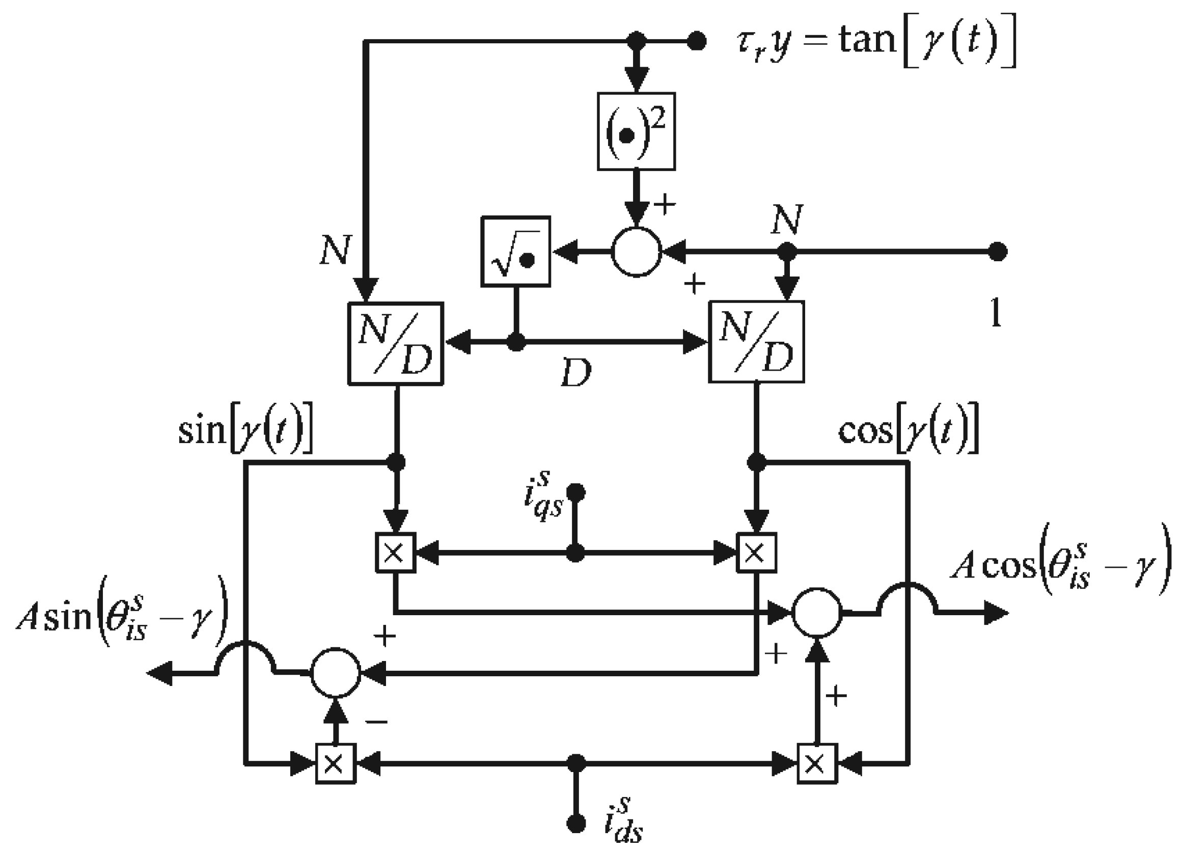
The outputs of the ω e s and ρ estimators are subsequently fed into (21) and (16) to compute τ r y = tan γ t . This result is then input into the computational structure shown in Figure 10. The calculation framework in Figure 10 is based on the expression given in
A sin θ i s s γ = i q s s cos γ i d s s sin γ = A sin θ r f s A cos θ i s s γ = i d s s cos γ + i q s s sin γ = A cos θ r f s
which involves variables i q s s = A sin θ i s s and i d s s = A cos θ i s s .
Although (24) reveals information related to the rotor flux angle, it still depends on the estimation of θ r f s * = tan 1 sin θ i s s γ cos θ i s s γ . This necessitates the use of phase-locked loop (PLL) techniques once again. To address this, we propose an enhanced method that integrates the PLL concept with conventional indirect FOC, and introduces an angle switching module, as illustrated in Figure 11.
Since our derivation is based on the final value theorem, which implies steady-state operation, the structure shown in Figure 11 includes a mechanism to determine whether the system has reached steady state and to coordinate the corresponding transient mode of operation. The actual rotor speed, denoted as ω r , is obtained from a dedicated speed sensor. This signal is passed through a low-pass filter to extract the low-frequency component. Based on this filtered signal, an adaptive tolerance band is defined by the upper and lower bounds g u p = 1 + Δ and g d o w n = 1 Δ , where Δ represents a tunable parameter that determines the allowable bandwidth. When the dynamic behavior of ω r exceeds this predefined range, the system identifies it as a transient state deviation. Consequently, a control signal is generated to reset both the output δ ω r f s and the integrator state of the PI regulator to zero, thereby reverting the control scheme back to the conventional Indirect Field-Oriented Control (IFOC) mode.
The proposed module is built upon the conventional indirect FOC structure and incorporates the developed PLL-based framework. Under non-steady-state conditions—such as motor startup, acceleration, deceleration, or during significant torque disturbances—the rotor speed often falls outside the predefined steady-state range. When this occurs, the detection mechanism activates a low-level “Level_Rst” signal, which suppresses the output of the proportional-integral (PI) regulator, effectively holding it at zero. At this stage, the PLL is disabled and unable to operate, and the system reverts to a traditional indirect FOC scheme to estimate the rotor flux angle ( θ r f s * ), as depicted in Figure 3a,b.
Once the system re-enters the predefined steady-state range, the “Level_Rst” signal returns to a high level, thereby activating the proposed control strategy. The phase-locked loop (PLL) utilizes its output ( δ ω r f s ) to adjust the estimated angle ( θ r f s = θ r f s * ), ensuring close tracking of the desired angle ( θ r f s ). Through this repeated switching mechanism, the system leverages the robustness of the traditional indirect FOC during transients and transitions to a more accurate estimation mode during steady-state. Consequently, the initial architecture shown in Figure 8 is further refined into the second-stage structure illustrated in Figure 12.

3. Simulation and Result

The proposed method was verified through simulations conducted using MATLAB/Simulink. An induction motor was modeled using the built-in asynchronous machine module, with its rated values and parameters summarized in Table 1. The overall simulation architecture is illustrated in Figure 12.
The simulation study compares two control strategies: the proposed field-oriented control (FOC) method and the conventional indirect FOC approach. Two separate simulation scenarios were designed. In the first scenario, only the speed command experiences a step change in 10 π 100 π rad s at t = 1 s. In the second scenario, only the torque load is subjected to a step change in 2.04 18.36 Nm at t = 1 s. It is important to note that prior to the step disturbances, the system had already reached a steady-state condition under a constant speed command 100 π rad s and a constant load torque 18.36 Nm .
Figure 13 presents the simulation results. In all figures, the green and brown curves represent the performance of the proposed FOC method and the conventional FOC method, respectively. The left-hand side of the figure—Figure 13a–d—corresponds to the scenario in which a step change in the speed command is applied at t = 1 s under a fixed load torque.
Specifically, Figure 13a shows the rotor speed response. Figure 13b illustrates the variation in electromagnetic torque. Figure 13c compares the rotor flux angle estimations from both methods. It can be observed that while both methods produce similar results during transient conditions, their differences become increasingly evident once the system reaches steady state. Figure 13d shows the magnitude of the stator current vector. After the step disturbance, the current amplitude under the proposed method gradually decreases, indicating improved efficiency.
The right-hand side of Figure 13e–h—illustrates the scenario in which a step change in load torque is applied at t = 1 s while the speed command remains constant.
Figure 13e shows the rotor speed response to the sudden load variation. Figure 13f presents the corresponding electromagnetic torque. Figure 13g compares the estimated rotor flux angles obtained from the two methods. Figure 13h displays the magnitude of the stator current vector. Similar trends to those observed in the speed-command variation case can be seen here: during the transient period, both methods perform comparably; however, once the system stabilizes, the proposed method exhibits superior estimation accuracy and improved current efficiency.
The simulation results indicate that the proposed method and the conventional indirect FOC exhibit comparable performance in terms of dynamic response. Following step changes in either the speed command or the load torque, both control strategies successfully converge to the new steady-state operating point.
However, under steady-state conditions, the proposed method yields significantly lower stator current magnitudes compared to the conventional FOC approach, indicating improved efficiency. This improvement is particularly evident in Figure 13d,h.

4. Experiment

To validate the proposed approach, both the proposed and conventional indirect FOC methods were implemented on a hardware testbench, as shown in Figure 14. The testbench utilized Texas Instruments’ motor control platform (TMDSHVMTRINSPIN), which is based on the TMS320F28335 digital signal processor (DSP). The development environment consisted of Code Composer Studio v5, along with the InstaSPIN library provided by TI (Texas Instruments founded in 1930; Headquartered in Dallas, TX, USA; https://www.ti.com).
Table 2 summarizes the specifications of the induction motor used in the experiments. The control program was developed by extending the standard induction motor drive project available in the InstaSPIN library. This baseline project, verified and promoted by TI, served as the foundation for integration. The proposed control algorithm was implemented by embedding the estimation and switching logic modules into the existing control framework.
The experiment was conducted under four combinations of speed commands and load torques: 720 rpm and 1620 rpm for speed, and 0 Nm and 1 Nm for torque. Representative results are shown in Figure 15, which records the phase-A stator current under each condition. The root mean square (RMS) values were calculated under steady-state operation. In the figure, the dashed lines represent the performance of the conventional indirect FOC method, while the solid lines correspond to the proposed method.
Figure 16 summarizes several RMS values of the phase-A stator current measured under different load torque conditions at two speed commands: 720 rpm and 1620 rpm. The experiment utilized the MAGTROL HB-3500 dynamometer, which generates output torque in response to an input current command. Therefore, the horizontal axis of the figure represents the current input to the dynamometer, which serves as a proxy for load torque.
Additionally, since the rated current of the tested motor is 1.2 A, this value is defined as 1 per unit (pu) in the experimental environment. Accordingly, the vertical axis displays the RMS stator current in pu, as observed from the DSP development environment. As in previous figures, dashed lines indicate the performance of the conventional indirect FOC method, while solid lines represent the proposed method.
In summary, compared to the conventional indirect FOC method, the proposed technique consistently results in significantly lower steady-state stator current while maintaining comparable torque and speed responses. The reduction in stator current contributes to decreased power transmission losses, enables the use of lower-rated components, and potentially reduces overall system cost.
To enhance the comprehensiveness of the manuscript, a comparative summary is presented in Table 3. This table clearly highlights the distinctive features and advantages of the proposed method over other commonly adopted sensorless control strategies for induction motors. Specifically, the comparison encompasses key performance aspects, including robustness to parameter variations, transient response, steady-state accuracy, computational complexity, implementation cost, sensitivity to noise, and practical applicability.

5. Conclusions

It is worth emphasizing that the proposed framework is neither a conventional direct field-oriented control (DFOC) nor an indirect field-oriented control (IFOC) scheme. Instead, it combines the advantages of both approaches while avoiding their respective drawbacks. For example, as shown in Figure 3b, the conventional IFOC method calculates the slip frequency ( S ω e ) from command values and integrates it to obtain the rotor flux angle, which is then fed back into the control loop. This approach can easily diverge from actual system behavior. Similarly, the sensorless DFOC structure in Figure 2b continues to rely on the integration of measured signals to compute θ r f s . However, continuously integrating inevitably accumulates errors and lacks a correction mechanism.
In contrast, the proposed method introduces a dynamic switching mechanism between transient and steady-state modes, with a phase-locked loop (PLL) gradually aligning the estimated rotor flux angle with its true value during steady-state operation. This hybrid approach improves estimation accuracy while maintaining system stability.
Moreover, since the proposed control strategy achieves convergence within a few seconds, it is particularly well suited for applications that operate primarily at constant speeds. These include air conditioning systems, household appliances, electric vehicles, and other energy-efficient industrial drives.In the context of increasing emphasis on energy efficiency and environmental sustainability, control strategies that reduce power consumption without requiring hardware modifications are of significant value. Compared to the conventional indirect FOC method, the proposed approach demonstrates this potential by achieving higher steady-state efficiency.
One potential limitation of the proposed method lies in its sensitivity to variations in motor parameters. However, this challenge can be addressed through well-established system identification techniques [23,24,25]. For example, in [26], an adaptive control framework was developed by combining observers for unmeasured states, such as rotor flux and electromagnetic torque, with estimators for time-varying parameters, including rotor resistance and load torque. Rather than sacrificing system performance to mitigate parameter sensitivity, online identification methods can be employed to ensure accurate estimation.
At the very least, the proposed method provides a clear framework and tunable structure for rotor flux angle estimation. Simulation results confirm that, when accurate system parameters, such as those obtained via online identification, are available, the proposed approach remains both feasible and effective.

Author Contributions

Conceptualization, C.-W.D. and P.-C.T.; Methodology, C.-W.D. and P.-C.T.; Software, C.-W.D.; Validation, P.-C.T.; Formal analysis, C.-W.D.; Investigation, C.-W.D.; Resources, P.-C.T.; Data curation, C.-W.D.; Writing—original draft preparation, C.-W.D.; Writing—review and editing, P.-C.T.; Visualization, C.-W.D.; Supervision, P.-C.T.; Project administration, P.-C.T.; Funding acquisition, P.-C.T. All authors have read and agreed to the published version of the manuscript.

Funding

National Science Council NSC 99-2221-E-008-029- in Taiwan.

Institutional Review Board Statement

Not applicable.

Informed Consent Statement

Not applicable.

Data Availability Statement

No new data were created or analyzed in this study. Data sharing is not applicable to this article.

Acknowledgments

This work is supported in part by the National Science Council NSC 99-2221-E-008-029- in Taiwan.

Conflicts of Interest

The authors declare no conflict of interest.

Nomenclature

All the symbols used in this paper are listed below.
L r ,   L s Rotor and stator inductance
r r ,   r s Rotor and stator resistance
L m Mutual inductance between rotor and stator
P The number of poles
λ The magnetic flux
i The current
v The voltage
x s The d axis of the coordinate system aligned with the a-phase windings of the stator
x r f The d axis of the coordinate system aligned with the rotor flux
x x s The quantity belonging to the stator
x x r The quantity belonging to the rotor
x r f The quantity belonging to the rotor flux
x q x The component on the q axis
x d x The component on the d axis
x _ The quantity that is a vector or phasor

References

  1. Murphy, J.M.D.; Turnbull, F.G. Power Electronic Control of AC Motors, 1st ed.; Pergamon Press: New York, NY, USA, 1988. [Google Scholar]
  2. Bose, B.K. Power Electronics and AC Drives, 1st ed.; Prentice-Hall Inc.: Hoboken, NJ, USA, 1986. [Google Scholar]
  3. Novotny, D.W.; Lipo, T.A. Vector Control and Dynamics of AC Drives, 1st ed.; Oxford University Press: New York, NY, USA, 1996; Chapter 6; pp. 257–316. [Google Scholar]
  4. Degner, W.; Guerrero, J.M.; Briz, F. Slip-gain estimation in field-orientation-controlled induction machines using the system transient response. IEEE Trans. Ind. Appl. 2006, 42, 702–711. [Google Scholar] [CrossRef]
  5. Chen, B.; Yao, W.; Chen, F.; Lu, Z. Parameter sensitivity in sensorless induction motor drives with the adaptive full-order observer. IEEE Trans. Ind. Electron. 2015, 62, 4307–4318. [Google Scholar] [CrossRef]
  6. Alonge, F.; Cangemi, T.; D’Ippolito, F.; Fagiolini, A.; Sferlazza, A. Convergence analysis of extended kalman filter for sensorless control of induction motor. IEEE Trans. Ind. Electron. 2015, 62, 2341–2352. [Google Scholar] [CrossRef]
  7. Dom A, J.R. Discrete-time modeling and control of induction motors by means of variational integrators and sliding modes; parti: Mathematical modeling. IEEE Trans. Ind. Electron. 2015, 62, 5393–5401. [Google Scholar] [CrossRef]
  8. Dom A, J.R. Discrete-time modeling and control of induction motors by means of variational integrators and sliding modes; partii: Control design. IEEE Trans. Ind. Electron. 2015, 62, 6183–6193. [Google Scholar] [CrossRef]
  9. Comanescu, M.; Xu, L. An Improved Flux Observer Based on PLL Frequency Estimator for Sensorless Vector Control of Induction Motors. IEEE Trans. Ind. Electron. 2006, 53, 50–56. [Google Scholar] [CrossRef]
  10. Xin, Z.; Zhao, R.; Blaabjerg, F. An Improved Flux Observer for Field-Oriented Control f Induction Motors Based on Dual Second-Order Generalized Integrator Frequency-Locked Loop. IEEE J. Emerg. Sel. Top. Power Electron. 2017, 5, 513–525. [Google Scholar] [CrossRef]
  11. Diana, G. Transient behavior of induction motor flux and torque during run-up. IEEE Trans. Energy Convers. 1987, EC-2, 465–469. [Google Scholar] [CrossRef]
  12. Jones, M. Asynchronous current control scheme for multiphase induction motor drives. IEEE Trans. Energy Convers. 2009, 24, 860–868. [Google Scholar] [CrossRef]
  13. Abdel-Rahim, N.M.B.; Shaltout, A. An unsymmetrical two-phase induction motor drive with slip-frequency control. IEEE Trans. Energy Convers. 2009, 24, 608–616. [Google Scholar] [CrossRef]
  14. Rubin, N.P.; Harley, R.G.; Diana, G. Evaluation of various slip estimation techniques for an induction machine operating under field oriented control conditions. IEEE Trans. Ind. Appl. 1992, 28, 1367–1374. [Google Scholar] [CrossRef]
  15. Liaw, C.M.; Wang, J.B.; Chang, Y.C. Afuzzy adapted field oriented mechanism for induction motor drive. IEEE Trans. Energy Convers. 1996, 11, 76–83. [Google Scholar] [CrossRef]
  16. Milić, A.R.; Vukosavić, S.N. Sensorless Control of Induction Motor Based on Rotors Slot Harmonics and Digital Adaptive Filters. IEEE Trans. Ind. Appl. 2024, 60, 3950–3963. [Google Scholar] [CrossRef]
  17. Elgbaily, M.; Anayi, F.; Alshbib, M.M. A combined control scheme of direct torque control and field-oriented control algorithms for three-phase induction motor: Experimental validation. Mathematics 2022, 10, 3842. [Google Scholar] [CrossRef]
  18. Hamdi, W.; Hammoudi, M.Y.; Betka, A. Sensorless Speed control of induction motor using model reference adaptive system and deadbeat regulator. Eng. Proc. 2023, 56, 16. [Google Scholar] [CrossRef]
  19. Carbone, L.; Cosso, S.; Kumar, K.; Marchesoni, M.; Passalacqua, M.; Vaccaro, L. Induction motor field-oriented sensorless control with filterand long cable. Energies 2022, 15, 1484. [Google Scholar] [CrossRef]
  20. Sepeeh, M.S.; Zulkifli, S.A.; Sim, S.Y.; Chiu, H.J.; Wanik, M.Z.C. Speed tracking for IFOC induction motor speed control using hybrid sensorless speed estimator based on flux error for electric vehicles application. Machines 2022, 10, 1089. [Google Scholar] [CrossRef]
  21. Kuczmann, M.; Horváth, K. Tensor Product Alternatives for Nonlinear Field-Oriented Control of Induction Machines. Electronics 2024, 13, 1405. [Google Scholar] [CrossRef]
  22. Sadik, O.; Yilmaz, S.; Nurettin, U. Voltage Error Phase Locked Loop (PLL) Based Model Adaptive Sensorless Vector Control Algorithm for Induction Motors. In Proceedings of the 2017 IEEE Applied Power Electronics Conference and Exposition(APEC), Tampa, FL, USA, 26–30 March 2017; pp. 1914–1920. [Google Scholar]
  23. Carraro, M.; Zigliotto, M. Automatic parameter identification of inverter-fed induction motors at standstill. IEEE Trans. Ind. Electron. 2014, 61, 4605–4613. [Google Scholar] [CrossRef]
  24. Abdel-Khalik, A.S.; Daoud, M.I.; Ahmed, S.; Elserougi, A.A.; Massoud, A.M. Parameter identification of five-phase induction machines with single layer windings. IEEE Trans. Ind. Electron. 2014, 61, 5139–5154. [Google Scholar] [CrossRef]
  25. Zhao, L.; Huang, J.; Liu, H.; Li, B.; Kong, W. Second-order sliding-mode observer with online parameter identification for sensorless induction motor drives. IEEE Trans. Ind. Electron. 2014, 61, 5280–5289. [Google Scholar] [CrossRef]
  26. Kenn’e, G.; Ahmed-Ali, T.; Lamnabhi-Lagarrigue, F.; Arzand’, A. Real-time speed and flux adaptive control of induction motors using unknown time-varying rotor resistance and loadtorque. IEEE Trans. Energy Convers. 2009, 24, 375–387. [Google Scholar] [CrossRef]
Figure 1. The common structure of most FOC mechanisms.
Figure 1. The common structure of most FOC mechanisms.
Applsci 15 04845 g001
Figure 2. (a) The direct FOC structure using gap-flux sensors. (b) The sensorless direct FOC structure.
Figure 2. (a) The direct FOC structure using gap-flux sensors. (b) The sensorless direct FOC structure.
Applsci 15 04845 g002
Figure 3. (a) The common parts of all indirect FOC structures. (b) The most conventional indirect FOC method of estimating the slip frequency.
Figure 3. (a) The common parts of all indirect FOC structures. (b) The most conventional indirect FOC method of estimating the slip frequency.
Applsci 15 04845 g003
Figure 4. The equivalent circuit of induction motors under steady state.
Figure 4. The equivalent circuit of induction motors under steady state.
Applsci 15 04845 g004
Figure 5. The estimation method used in [15].
Figure 5. The estimation method used in [15].
Applsci 15 04845 g005
Figure 6. The fuzzy rules used in [4].
Figure 6. The fuzzy rules used in [4].
Applsci 15 04845 g006
Figure 7. The geometric meaning of ρ .
Figure 7. The geometric meaning of ρ .
Applsci 15 04845 g007
Figure 8. System structure of the proposed method in Stage I.
Figure 8. System structure of the proposed method in Stage I.
Applsci 15 04845 g008
Figure 9. The functional blocks of ω e s generator.
Figure 9. The functional blocks of ω e s generator.
Applsci 15 04845 g009
Figure 10. The functional blocks of θ r f s calculator.
Figure 10. The functional blocks of θ r f s calculator.
Applsci 15 04845 g010
Figure 11. The functional blocks of θ r f s angle Switch.
Figure 11. The functional blocks of θ r f s angle Switch.
Applsci 15 04845 g011
Figure 12. System structure of the proposed method in Stage II.
Figure 12. System structure of the proposed method in Stage II.
Applsci 15 04845 g012
Figure 13. The results of the simulation. Subfigures (ad) depict the system response under a constant load torque, where a step change in the speed command is applied at t = 1 s. Subfigures (eh) present the system behavior under a constant speed command, with a sudden change in the load torque introduced at t = 1 s. Specifically: (a,e) show the rotor speed response; (b,f) illustrate the variation in electromagnetic torque; (c,g) compare the rotor flux angle estimated by two different algorithms; (d,h) represent the magnitude of the stator current phaso.
Figure 13. The results of the simulation. Subfigures (ad) depict the system response under a constant load torque, where a step change in the speed command is applied at t = 1 s. Subfigures (eh) present the system behavior under a constant speed command, with a sudden change in the load torque introduced at t = 1 s. Specifically: (a,e) show the rotor speed response; (b,f) illustrate the variation in electromagnetic torque; (c,g) compare the rotor flux angle estimated by two different algorithms; (d,h) represent the magnitude of the stator current phaso.
Applsci 15 04845 g013
Figure 14. The picture of the testbench.
Figure 14. The picture of the testbench.
Applsci 15 04845 g014
Figure 15. The waveforms of phase A current in the steady state and theirrms values under different conditions.
Figure 15. The waveforms of phase A current in the steady state and theirrms values under different conditions.
Applsci 15 04845 g015
Figure 16. The rms value of phase A current vs. the torque load under different speed commands.
Figure 16. The rms value of phase A current vs. the torque load under different speed commands.
Applsci 15 04845 g016
Table 1. The ratings and parameters of this modular motor.
Table 1. The ratings and parameters of this modular motor.
QuantityRated Value
Power5 (hp)
Speed1750 (rpm)
Voltage460 (V)
Frequency60 (Hz)
Rotor’s inertia J = 0.02 k g · m 2
Damping friction B = 0.005752 N s m 202
Number of poles4
Rotor’s resistance r r = 1.083 Ω
Stator’s resistance r s = 1.115 Ω
Inductance of flux leakage L l s = L l r = 0.005974 H
Mutual inductance L m = 0.2037 H
Table 2. The ratings and parameters of this real motor.
Table 2. The ratings and parameters of this real motor.
QuantityRated Value
Power1/4 (hp)
Speed1800 (rpm)
Voltage238 (V)
Frequency60 (Hz)
Number of poles4
Rotor’s resistance r r = 6.11 Ω
Stator’s resistance r s = 11.05 Ω
Inductance of flux leakage L l s = L l r = 0.022484 H
Mutual inductance L m = 0.293939 H
Table 3. Comparison of the proposed method with other common sensorless control strategies for induction motors.
Table 3. Comparison of the proposed method with other common sensorless control strategies for induction motors.
FeatureProposed Method (Hybrid PLL-Based FOC)Extended Kalman Filter (EKF)Sliding Mode Observer (SMO)Conventional Indirect FOC
Rotor Flux Angle EstimationPLL-based, pure integration-freeKalman filter estimationObserver-based estimationIntegration-based slip estimation
Accuracy (Steady-state)High (precise PLL alignment)Moderate-High (depends on model accuracy)Moderate (affected by chattering)Moderate (integration drift)
Transient PerformanceGood (hybrid switching mechanism)Good (adaptive estimation)Good (fast observer response)Good (established method)
Robustness to Parameter VariationsModerate (parameter sensitivity exists, can be mitigated by online identification)Moderate (model-sensitive)High (robust against uncertainties)Moderate-Low (sensitive to rotor parameters)
Computational ComplexityModerate (PLL and simple switching logic)High (complex computations)Moderate-High (nonlinear observer)Low (simple slip calculation)
Implementation CostModerate (standard DSP, no sensors required)High (advanced DSP required)Moderate-High (requires robust hardware)Low (standard DSP sufficient)
Sensitivity to NoiseModerate (PLL filtering capability)Moderate-High (Kalman filter requires tuning)Moderate (observer robust but chattering issue)Moderate-Low (integration issues)
Practical Implementation and ValidationValidated experimentally and in simulationValidated mostly in simulationExperimental validation commonEstablished practical use
Efficiency Improvement (Stator Current Reduction)Significant improvementModerate (dependent on accurate estimation)Moderate (efficiency not primary focus)Moderate (standard approach)
Error AccumulationMinimal (PLL continuously corrects angle)Moderate (cumulative estimation errors)Moderate (observer inaccuracies)High (integration error accumulates)
Disclaimer/Publisher’s Note: The statements, opinions and data contained in all publications are solely those of the individual author(s) and contributor(s) and not of MDPI and/or the editor(s). MDPI and/or the editor(s) disclaim responsibility for any injury to people or property resulting from any ideas, methods, instructions or products referred to in the content.

Share and Cite

MDPI and ACS Style

Ding, C.-W.; Tung, P.-C. A New Approach to Field-Oriented Control That Substantially Improves the Efficiency of an Induction Motor with Speed Control. Appl. Sci. 2025, 15, 4845. https://doi.org/10.3390/app15094845

AMA Style

Ding C-W, Tung P-C. A New Approach to Field-Oriented Control That Substantially Improves the Efficiency of an Induction Motor with Speed Control. Applied Sciences. 2025; 15(9):4845. https://doi.org/10.3390/app15094845

Chicago/Turabian Style

Ding, Chung-Wuu, and Pi-Cheng Tung. 2025. "A New Approach to Field-Oriented Control That Substantially Improves the Efficiency of an Induction Motor with Speed Control" Applied Sciences 15, no. 9: 4845. https://doi.org/10.3390/app15094845

APA Style

Ding, C.-W., & Tung, P.-C. (2025). A New Approach to Field-Oriented Control That Substantially Improves the Efficiency of an Induction Motor with Speed Control. Applied Sciences, 15(9), 4845. https://doi.org/10.3390/app15094845

Note that from the first issue of 2016, this journal uses article numbers instead of page numbers. See further details here.

Article Metrics

Back to TopTop