Symbolic Regression Method for Estimating Distance Between Two Coils of an Inductive Wireless Power Transfer System
Abstract
1. Introduction
2. Materials and Methods
2.1. Symbolic Regression (SR)
2.2. WPT System: Experimental and Simulated Data
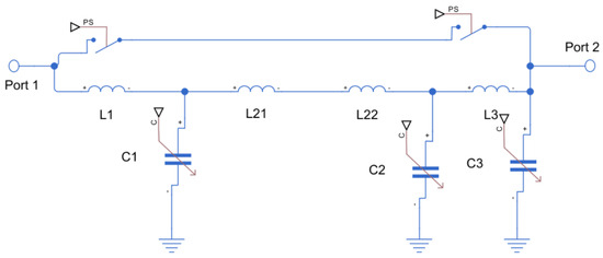
2.2.1. WPT NFC Impedance Matching
- Experimental data: 3 configurations are reported, in which , mm, mm. For each configuration, 57 points are measured at different distance values d, with d going from 14 mm to 70 mm at 1 mm step. To reduce the noise, 5 measurements are taken at each position. The measured values are , , complex number and . Also, the capacitance values used for the perfect impedance matching are reported; the same measurements as mentioned above are taken after impedance matching performed by the AIMN.
- Simulation data for comparison with experimental ones. The same configurations are considered but now the data are taken from the simulation.
- Simulation data of 229 different configurations, with different , and . For each of this configurations, there are 57 different points at different distance values. For each of them, the total complex matrix of the scattering parameters is reported, for 1001 points at different frequencies.
2.2.2. WPT Phase Control
2.3. Validation
3. Results
3.1. Results on the Impedance Dataset
3.2. Results on the Phase Dataset
4. Discussion
5. Conclusions
Author Contributions
Funding
Institutional Review Board Statement
Informed Consent Statement
Data Availability Statement
Conflicts of Interest
References
- Allotta, B.; Pugi, L.; Reatti, A.; Corti, F. Wireless power recharge for underwater robotics. In Proceedings of the 2017 IEEE International Conference on Environment and Electrical Engineering and 2017 IEEE Industrial and Commercial Power Systems Europe (EEEIC/I&CPS Europe), Milan, Italy, 6–9 June 2017; pp. 1–6. [Google Scholar]
- Romano, D.; Angelo, L.D.; Kovacevic-Badstubner, I.; Grossner, U.; Parise, M.; Antonini, G. Efficient Partial Elements Computation for the Non-Orthogonal PEEC Method Including Conductive, Dielectrics, and Magnetic Materials. IEEE Trans. Magn. 2022, 58, 7000611. [Google Scholar]
- Lozito, G.M.; Bertolini, V.; Fulginei, F.R.; Belloni, E.; Quercio, M. Neural Estimator for Inductor Losses in Buck DC-DC Converters Operating in CCM. In Proceedings of the IEEE EUROCON 2023—20th International Conference on Smart Technologies, Torino, Italy, 6–8 July 2023; pp. 412–417. [Google Scholar]
- Corti, F.; Bertolini, V.; Faba, A.; Cardelli, E.; Reatti, A. Design procedures for series-series wpt systems: A comparative analysis. Comput. Electr. Eng. 2024, 119, 109511. [Google Scholar]
- Canova, A.; Corti, F.; Laudani, A.; Lozito, G.M.; Quercio, M. Innovative shielding technique for wireless power transfer systems. IET Power Electron. 2023, 17, 962–969. [Google Scholar]
- Parise, M. On the Voltage Response of Homogeneous Earth Models in Central Loop Electromagnetic Sounding. Int. J. Antennas Propag. 2022, 2022, 8294000. [Google Scholar]
- Bertolini, V.; Corti, F.; Cardelli, E. Effects of Misalignment on Output Voltage Stability in SS Controlled Wireless Power Transfer Systems with Different Control Strategies. In 2024 International Wireless Communications and Mobile Computing (IWCMC), Ayia Napa, Cyprus, 27–31 May 2024; pp. 1074–1079. [Google Scholar]
- Intravaia, M.; Becchi, L.; Bindi, M.; Corti, F.; Lozito, G.M.; Alfonso, C.G.; Luchetta, A.; Reatti, A. LCC-S Compensated Wireless Power Transfer: System Optimization Using Genetic Algorithms. In Proceedings of the 2024 International Conference on Electrical Machines (ICEM), Torino, Italy, 1–4 September 2024; pp. 1–7. [Google Scholar]
- Parise, M. Evaluation of the Inductive Coupling between Coplanar Concentric Coils in the Presence of the Ground. Int. J. Antennas Propag. 2024, 2024, 6640727. [Google Scholar]
- Quercio, M.; Lozito, G.M.; Corti, F.; Fulginei, F.R.; Laudani, A. Recent Results in Shielding Technologies for Wireless Electric Vehicle Charging Systems. IEEE Access 2024, 12, 16728–16740. [Google Scholar] [CrossRef]
- Intravaia, M.; Lozito, G.M.; Becchi, L.; Corti, F.; Luchetta, A.; Reatti, A. Failure Prevention Based on Principal Component Analysis and Machine Learning for Wireless Power Transfer Systems. In Proceedings of the 2024 IEEE 22nd Mediterranean Electrotechnical Conference (MELECON), Porto, Portugal, 25–27 June 2024; pp. 213–218. [Google Scholar]
- Quercio, M.; Galbusera, F.; Canova, A.; Demir, A.G.; Gruosso, G.; Previtali, B. Electromagnetic shielding properties of LPBF produced Fe2.9wt.%Si alloy. J. Phys. Energy 2023, 5, 045003. [Google Scholar]
- Lombardi, L.; Loreto, F.; Ferranti, F.; Ruehli, A.; Nakhla, M.S.; Tao, Y.; Parise, M.; Antonini, G. Time-Domain Analysis of Retarded Partial Element Equivalent Circuit Models Using Numerical Inversion of Laplace Transform. IEEE Trans. Electromagn. Compat. 2021, 63, 870–879. [Google Scholar]
- Parise, M. On the electromagnetic field of an overhead line current source. Electronics 2020, 9, 2009. [Google Scholar] [CrossRef]
- Romano, D.; Kovacevic-Badstubner, I.; Parise, M.; Grossner, U.; Ekman, J.; Antonini, G. Rigorous dc Solution of Partial Element Equivalent Circuit Models including Conductive, Dielectric, and Magnetic Materials. IEEE Trans. Electromagn. Compat. 2020, 62, 870–879. [Google Scholar] [CrossRef]
- Parise, M.; Lombardi, L.; Ferranti, F.; Antonini, G. Magnetic Coupling between Coplanar Filamentary Coil Antennas with Uniform Current. IEEE Trans. Electromagn. Compat. 2020, 62, 622–626. [Google Scholar]
- Parise, M.; Romano, D.; Antonini, G. Loop Impedance of Single-Turn Circular Coils Lying on Conducting Media. IEEE Trans. Electromagn. Compat. 2022, 64, 580–584. [Google Scholar]
- Parise, M. Evaluation of the flux linkage between equally sized circular loops placed on a layered soil. Prog. Electromagn. Res. Lett. 2020, 89, 127–132. [Google Scholar]
- Pugi, L.; Reatti, A.; Corti, F. Application of modal analysis methods to the design of wireless power transfer systems. Meccanica 2019, 54, 321–331. [Google Scholar]
- Parise, M.; Quercio, M.; Laudani, A. Efficient Analytical Evaluation of Inductive Coupling Strength in Wireless Power Transfer Systems. IEEE Access 2024, 12, 143263–143271. [Google Scholar]
- Lazzeroni, P.; Mariuzzo, I.; Quercio, M.; Repetto, M. Economic, Energy, and Environmental Analysis of PV with Battery Storage for Italian Households. Electronics 2021, 10, 146. [Google Scholar] [CrossRef]
- Canova, A.; Gruosso, G.; Quercio, M. Characterization of Electromagnetic Device by Means of Spice Models. Int. J. Emerg. Technol. Adv. Eng. 2021, 11, 12–22. [Google Scholar]
- Parise, M.; Loreto, F. Quasi-Static Explicit Expression for the Flux Linkage Between Noncoplanar Coils in Wireless Power Transfer Systems Above a Lossy Ground. IEEE Trans. Electromagn. Compat. 2023, 65, 1857–1867. [Google Scholar]
- Parise, M.; Loreto, F.; Romano, D.; Antonini, G.; Ekman, J. Accurate computation of mutual inductance of non coaxial pancake coils. Energies 2021, 14, 4907. [Google Scholar] [CrossRef]
- Parise, M.; Antonini, G.; Romano, D. On the Flux Linkage between Pancake Coils in Resonance-Type Wireless Power Transfer Systems. Int. J. Antennas Propag. 2020, 2020, 8630978. [Google Scholar]
- Franco, F.L.; Ricco, M.; Cirimele, V.; Apicella, V.; Carambia, B.; Grandi, G. Electric Vehicle Charging Hub Power Forecasting: A Statistical and Machine Learning Based Approach. Energies 2023, 16, 2076. [Google Scholar] [CrossRef]
- Quercio, M.; Galbusera, F.; Poković, E.; Franchini, F.; Ferraris, L.; Canova, A.; Gruosso, G.; Demir, A.G.; Previtali, B. Characterization of LPBF Produced Fe2.9wt.%Si for Electromagnetic Actuator. IEEE Access 2023, 11, 134822–134833. [Google Scholar]
- Palermo, M.; Forconi, F.; Belloni, E.; Quercio, M.; Lozito, G.M.; Fulginei, F.R. Optimization of a feedforward neural network’s architecture for an HVAC system problem. In Proceedings of the 2023 3rd International Conference on Electrical, Computer, Communications and Mechatronics Engineering (ICECCME), Online, 20–21 July 2023; pp. 1–6. [Google Scholar]
- Parise, M.; Tamburrelli, V.; Antonini, G. Mutual impedance of thin-wire circular loops in near-surface applications. IEEE Trans. Electromagn. Compat. 2019, 61, 558–563. [Google Scholar]
- Parise, M.; Antonini, G.; Di Paola, L. A Rigorous Explicit Expression for the Mutual Inductance of Two Co-Axial Thin-Wire Coil Antennas Placed above a Layered Ground. Energies 2023, 16, 7586. [Google Scholar] [CrossRef]
- Laudani, A.; Fulginei, F.R.; Palermo, M.; Quercio, M.; Corti, F.; Lozito, G.M. On the Identification of One diode PV model by reduced forms and different metrics. In Proceedings of the 2023 3rd International Conference on Electrical, Computer, Communications and Mechatronics Engineering (ICECCME), Online, 20–21 July 2023; pp. 1–7. [Google Scholar]
- Asghar, R.; Fulginei, F.R.; Quercio, M.; Mahrouch, A. Artificial Neural Networks for Photovoltaic Power Forecasting: A Review of Five Promising Models. IEEE Access 2024, 12, 90461–90485. [Google Scholar]
- Risi, B.G.; Riganti-Fulginei, F.; Laudani, A.; Quercio, M. Compensation Admittance Load Flow: A Computational Tool for the Sustainability of the Electrical Grid. Sustainability 2023, 15, 14427. [Google Scholar] [CrossRef]
- Canova, A.; Giaccone, L.; Quercio, M. A proposal for performance evaluation of low frequency shielding efficiency. In Proceedings of the CIRED 2021—The 26th International Conference and Exhibition on Electricity Distribution, Virtual, 20–23 September 2021; Volume 2021, pp. 935–939. [Google Scholar]
- Quercio, M.; Campanelli, F.; Canova, A. Passive loop optimisation for HV Joint zone. In Proceedings of the IEEE EUROCON 2023—20th International Conference on Smart Technologies, Torino, Italy, 6–8 July 2023; pp. 343–348. [Google Scholar]
- Stella, M.; Faba, A.; Fulginei, F.R.; Quercio, M.; Scorretti, R.; Bertolini, V.; Sabino, L.; Tiismus, H.; Kallaste, A.; Cardelli, E. Experimental measurements and numerical modelling of additively manufactured Fe-Si cores. J. Magn. Magn. Mater. 2024, 591, 171752. [Google Scholar]
- Santoro, L.; Sesana, R.; Diller, J.; Radlbeck, C.; Mensinger, M. Dissipative and thermal aspects in cyclic loading of additive manufactured AISI 316L. Eng. Fail. Anal. 2024, 2024, 108446. [Google Scholar]
- Santoro, L.; Razza, V.; Maddis, M.D. Nugget and corona bond size measurement through active thermography and transfer learning model. Int. J. Adv. Manuf. Technol. 2024, 133, 5883–5896. [Google Scholar]
- Cardelli, E.; Crescimbini, F.; Fulginei, F.R.; Quercio, M.; Sabino, L. State-of-Charge assessment of Li-ion battery using Genetic Algorithm-Neural Network (GANN). In Proceedings of the 2024 International Conference on Artificial Intelligence, Computer, Data Sciences and Applications (ACDSA), Mahe, Seychelles, 1–2 February 2024; pp. 1–5. [Google Scholar]
- Udrescu, S.M.; Tegmark, M. AI Feynman: A Physics-Inspired Method for Symbolic Regression. arXiv 2020, arXiv:1905.11481. [Google Scholar] [CrossRef]
- Lopera, J.R.; Fischbacher, R.; Pestros, R.; Pommerenke, D.; Auinger, B.; Grosinger, J. Adaptive NFC WPT System Implementing Neural Network-Based Impedance Matching with Bypass Functionality. In Proceedings of the 2023 IEEE/MTT-S International Microwave Symposium—IMS 2023, San Diego, CA, USA, 11–16 June 2023; IEEE: Piscataway, NJ, USA; pp. 879–882. [Google Scholar] [CrossRef]
- ISO/IEC 14443; Identification Cards—Contactless Integrated Circuit Cards—Proximity Cards. ISO/IEC: Geneva, Switzerland, 2018.
- Romero Lopera, J.; Grosinger, J. S-Parameter Measurements of an AI-Enhanced Adaptive Wireless Power Transfer System. 2023. Available online: https://ieee-dataport.org/documents/s-parameter-measurements-ai-enhanced-adaptive-wireless-power-transfer-system (accessed on 10 January 2025).
- Martínez, A.; González, C.; Jaramillo, A.; Cárdenas, D.; Chong, A.V. Low-cost, microcontroller-based phase shift measurement system for a wireless power transfer prototype. HardwareX 2022, 11, e00311. [Google Scholar] [CrossRef] [PubMed]
- Martínez, A.; González, C.; Jaramillo, A.; Cárdenas, D.; Chong, A.V. Experimental data validating the optimization of a wireless power transfer prototype employing a novel phase shift measurement system and frequency control. Data Brief 2022, 45, 108675. [Google Scholar] [CrossRef]
- Cranmer, M. Interpretable Machine Learning for Science with PySR and SymbolicRegression.jl. arXiv 2023, arXiv:2305.01582. [Google Scholar] [CrossRef]
- Pahlavan, S.; Shooshtari, M.; Jafarabadi Ashtiani, S. Star-Shaped Coils in the Transmitter Array for Receiver Rotation Tolerance in Free-Moving Wireless Power Transfer Applications. Energies 2022, 15, 8643. [Google Scholar] [CrossRef]
- Pahlavan, S.; Jafarabadi-Ashtiani, S.; Mirbozorgi, S.A. Maze-Based Scalable Wireless Power Transmission Experimental Arena for Freely Moving Small Animals Applications. IEEE Trans. Biomed. Circuits Syst. 2025, 19, 120–129. [Google Scholar] [CrossRef]
- Nie, S.; Han, W.; Luo, Z.; Perera, C.; Lehn, P.W. Sequential Mutual-Inductance Identification Method for Wireless Power Transfer Systems of Electric Vehicles. IEEE Trans. Transp. Electrif. 2024, 10, 5178–5189. [Google Scholar] [CrossRef]
- Lan, Y.; Jiang, J.; Yang, F.; Song, K.; Fan, F.; Sun, C.; Yang, G.; Zhang, B.; Lan, H. Research on Impedance Boundary and Tolerance Zone for Improving Wireless Charging Interoperability Evaluation of Electric Vehicles. IEEE Trans. Power Electron. 2024, 39, 12035–12040. [Google Scholar] [CrossRef]




















| Parameters | Experimental NFC | Simulated NFC | Simple Model Phase | Complex Model Phase |
|---|---|---|---|---|
| INPUT data | Z-parameter | S-parameters | phase, R, | phase, R, |
| OUTPUT data | Distance | Distance | Phase | Phase |
| dataset size | 57 × 3 | 57 × 229 | 3055 | 3055 |
| n. population | 10 | 10 | 5 | 100 |
| n. iteration | 10 | 10 | 5 | 500 |
| binary operators | +, *, /, power | +, *, /, power | +, * | +, *, / |
| unary operators | exp, log | exp, log | no op. | exp, log |
| Case | S | Z |
|---|---|---|
| Case 1 | 8.31% | 1.89% |
| Case 2 | 4.45% | 0.92% |
| Case 3 | 1.02% | 2.74% |
Disclaimer/Publisher’s Note: The statements, opinions and data contained in all publications are solely those of the individual author(s) and contributor(s) and not of MDPI and/or the editor(s). MDPI and/or the editor(s) disclaim responsibility for any injury to people or property resulting from any ideas, methods, instructions or products referred to in the content. |
© 2025 by the authors. Licensee MDPI, Basel, Switzerland. This article is an open access article distributed under the terms and conditions of the Creative Commons Attribution (CC BY) license (https://creativecommons.org/licenses/by/4.0/).
Share and Cite
Milillo, D.; Sabino, L.; Asghar, R.; Riganti Fulginei, F. Symbolic Regression Method for Estimating Distance Between Two Coils of an Inductive Wireless Power Transfer System. Appl. Sci. 2025, 15, 3668. https://doi.org/10.3390/app15073668
Milillo D, Sabino L, Asghar R, Riganti Fulginei F. Symbolic Regression Method for Estimating Distance Between Two Coils of an Inductive Wireless Power Transfer System. Applied Sciences. 2025; 15(7):3668. https://doi.org/10.3390/app15073668
Chicago/Turabian StyleMilillo, Davide, Lorenzo Sabino, Rafiq Asghar, and Francesco Riganti Fulginei. 2025. "Symbolic Regression Method for Estimating Distance Between Two Coils of an Inductive Wireless Power Transfer System" Applied Sciences 15, no. 7: 3668. https://doi.org/10.3390/app15073668
APA StyleMilillo, D., Sabino, L., Asghar, R., & Riganti Fulginei, F. (2025). Symbolic Regression Method for Estimating Distance Between Two Coils of an Inductive Wireless Power Transfer System. Applied Sciences, 15(7), 3668. https://doi.org/10.3390/app15073668

