Next Article in Journal
Design and Control of an Active–Passive Integrated Six-Dimensional Orthogonal Vibration Isolation Platform
Previous Article in Journal
Microwave-Assisted Synthesis, Lipophilicity and In Vitro Antimicrobial Activity of Hydrazide-Hydrazones of Phenylacetic Acid
 
 
Font Type:
Arial Georgia Verdana
Font Size:
Aa Aa Aa
Line Spacing:
Column Width:
Background:
Article

Electric Machine Design and Integration for an Electric Propulsion System in Medium-Altitude Long-Endurance Unmanned Aerial Vehicles

by
Emre Kurt
,
Ahmet Yigit Arabul
*,†,
Fatma Keskin Arabul
and
Ibrahim Senol
Department of Electrical and Electronics Engineering, Yıldız Technical University, Istanbul 34220, Turkey
*
Author to whom correspondence should be addressed.
These authors contributed equally to this work.
Appl. Sci. 2025, 15(7), 3438; https://doi.org/10.3390/app15073438
Submission received: 1 March 2025 / Revised: 13 March 2025 / Accepted: 14 March 2025 / Published: 21 March 2025
(This article belongs to the Section Aerospace Science and Engineering)

Abstract

Unmanned Aerial Vehicles (UAVs) are increasingly used in both civilian and military applications around the world. There are several types of UAVs with classifications according to several quantities. Medium-Altitude Long-Endurance (MALE) UAVs comprise one of these classifications. Hybrid or electric propulsion systems are another topic that is becoming popular. Implementing electric propulsion systems in vehicles could result in more efficient, environmentally friendly, and improved systems in comparison with conventional systems. This concept can be seen in the automotive sector, and today, it is popular in the aviation sector. Based on a literature review, full-electric concepts are often applied to some classes of UAVs. MALE-class UAVs are often used with conventional propulsion systems, as they need a long endurance during flight. It is known that current battery technologies and weight limitations on board do not allow as long of a flight time as conventional systems. Even knowing this, there could be some advantages to choosing an electric propulsion system in MALE-class UAVs. The effects and performance of electric propulsion in MALE-class UAVs were studied with a newly designed electric machine and a newly created UAV model.

1. Introduction

UAVs are becoming more popular day by day, and they are widely used in different areas, such as civilian, commercial, and military applications [1,2,3,4,5,6]. There are several advantages to using UAVs in these areas, such as high efficiency, safety, cost-effective operation, low pollution and noise, and high mobility [1,4]. There are also several classifications for UAVs based on their weights, take-off and landing styles, engine types, etc. There is no single type of classification to define them. However, the US and NATO classifications are the most widely accepted, and they are based on altitude and operation time [4,7,8,9,10,11]. According to this concept, the NATO classifications are shown in Table 1 [12].
UAVs that need endurance and carry weight on board commonly use Internal Combustion Engines (ICEs). ICEs use fossil-based fuels, and as a result, ICEs pollute the environment by emitting hazardous materials such as nitrogen oxide and carbon monoxide and by making loud sounds. The International Air Transport Association (IATA) and other authorities aim to reduce environmental pollution and invest in alternative systems to achieve that. On the other hand, ICEs are not efficient, with efficiency rates of nearly 40% [11,13,14,15,16]. To eliminate these disadvantages and improve the performance of current systems, several topologies have been proposed, and there are continuing investigations in this field. Electric propulsion systems offer environmentally friendly, efficient, and reliable power units as an alternative. In addition, other benefits of using them are their low noise and cost-effective operation [17,18]. An electric propulsion system includes a battery, which provides the electric power needed to work an electrical machine; power converters that regulate and transform the demanded electric power; an electrical machine; and its controller. The electrical machine is connected to a propeller that produces thrust force to fly the aircraft. A schematic of an electric propulsion system is shown in Figure 1 [19,20,21,22,23].
The crucial aspect of such a system is the battery. Current battery technologies offer a limited storage capacity, and there is a significant difference in endurance in comparison with conventional systems of a similar physical size. Therefore, electrical propulsion systems are not considered feasible for long-endurance operations [24,25]. To supply electric power to the electric machine, there are other components in addition to batteries, such as fuel cells and super-capacitors, which have both advantages and disadvantages because of their inherent structures [26,27,28]. Although they have disadvantages, electric propulsion systems still have numerous advantages and could be preferable according to the mission profile.
MALE-class UAVs have high endurance, which means they can fly for long durations during an operation. This can be achieved with conventional propulsion systems, but electric propulsion systems cannot provide as much endurance as conventional ones because of current battery technologies and weight limitations on board. However, electric propulsion has more benefits with regard to efficiency and environmental and operational costs. These may make it preferable over conventional propulsion systems depending on the mission profile. In addition, two concepts have been introduced, named More Electric Aircraft (MEA) and All Electric Aircraft (AEA), that are aimed toward the implementation of electrically driven systems instead of conventional ones. All of these aspects lead to an interest in the performance and effects of electric propulsion systems in MALE-class UAVs that have not been seen before [29,30].
To create an electric propulsion system, the type of the electric machine utilized should be determined. There are several types of electric machines, such as induction machines, switched reluctance motors, permanent magnet machines, and superconducting machines. There are advantages and disadvantages for each type of machine. To explain briefly, induction machines have a low efficiency when compared with others, as well as a low break torque limit and power factor. Switched reluctance motors have a low cost, are easy to maintain, and have independent torque–speed control, but they also have a high torque pulse and complex control circuits and are noisy during operation. Superconducting machines have a high efficiency, a high power density, and a small size, but they have not yet been practically realized, and heat issues are very critical because of their inherent structure. Permanent magnet machines have a high power density and efficiency and simple control circuits and are easy to maintain. Permanent magnet synchronous machines and brushless DC machines are often preferred to electric propulsion systems. However, permanent magnet synchronous machines often work at high speeds and need additional components such as gearboxes to implement them on board, in addition to their high power density and low technical risk [31,32]. A Brushless DC (BLDC) motor was chosen for this work because of its easy and precise control of speed, reliability, low cost, easy maintenance, high torque–weight ratio, high efficiency, and low-noise operation. In the literature, there are several studies on the design and implementation of BLDC motors for fully electric Class I and Class II UAVs [23,33,34,35]. However, electric propulsion systems are hard to implement in Class III UAVs because of endurance concerns. Fully electric Class III UAVs can lose their advantages, which come from their long range and flight hours [10,36,37,38,39]. However, an electric propulsion system could be selected depending on the mission profile due to its inherent advantages. In this respect, the performance of an electric propulsion system was studied, and possible flight durations with the implementation of a newly designed machine on a selected reference UAV model are demonstrated, which constitutes the originality of this study. In the Methodology section, the BLDC motor design processes, the creation of a UAV model with computer-aided programs, the creation of a battery model, and a mission profile are presented with supporting tables and figures. After the creation of all models, information about the processes of combining separately created models is presented, and after that, the simulation is described. The data obtained for both separate and combined models are presented in the Results section. All gathered results are evaluated in the Conclusion section, in addition to the results of the evaluation.

2. Methodology

This section provides an overview of the methodology employed in this study, which encompasses the BLDC motor, the creation of a UAV model, and the mission profile. The explanation will be supplemented with equations, figures, and tables to enhance clarity and understanding.

2.1. BLDC Motor Design

The initial phase involves the determination of the machine power, speed, pole/slot combination, number of phases, and DC voltage values. Subsequently, machine dimensions are calculated based on Equations (1) and (2), following the determination of the parameters [40,41,42]. Initial parameters such as the power, shaft speed, voltage, and pole/slot combination were selected based on referenced UAV configurations and the optimal operating points of components; for example, the power was selected based on the required propulsive power on aircraft, the shaft speed was selected to meet propeller specifications for the maximum rotational speed to connect directly without an additional gearbox, the voltage was selected based on existing batteries on the market and was considered to take current from the battery, and the pole/slot combination was selected to provide a higher winding factor and low harmonics.
D 2 l = P C ( n 60 )
X = p 3 π 2 p
Following the computation of the machine’s diameter, length, and their respective ratios, the air-gap length was determined. The resulting values obtained through calculation and determination are presented in Table 2.
Using these parameters, the number of turns can be calculated according to Equation (3), where E, kw, τ p , α , and B are the back emf, winding factor, pole pitch, coefficient, and air-gap magnetic flux density value, respectively. The number of turns affects the air-gap flux density, and according to that, the projected and calculated values could be compared [40].
N = 2 E ω k w l τ p α B
E = 0.95 V d c
The width of the stator tooth and the calculation of slot dimensions are the next step in the design process. These are calculated using the magnetic flux and current density values, which are determined by the windings. The calculated values are shown in Table 3.
The thickness of the magnet is another parameter that was calculated, as it affects the creation of the magnetic field on the rotor side. To calculate the thickness of the magnet, Equation (5) was used. The parameters in Equation (5) are presented in Table 4.
d m = B ( ( μ m ) / ( μ 0 ) ) g m K l K r g g m K l B r B
After these calculations, the calculated parameters were imported into ANSYS Maxwell EM Suite 2023 R2 to simulate the designed machine with the FEA method. In Figure 2, the designed machine’s 2D model is shown. To run a dynamic simulation, an external circuit was created, and the designed machine was driven with that to observe the speed, current, induced voltage, and torque values. The results are shown in Section 4.
To analyze the thermal performance of the designed machine, ANSYS Motor-CAD Version 14.1.5.1 software was used. The designed machine model was created using the parameters calculated in this software, and a thermal model was created. Liquid cooling was used as a cooling system. The thermal model and simulated temperature values are shown in Section 4. The machine, modeled in ANSYS Motor-CAD, is shown in Figure 2.

2.2. UAV Model Development and Movement Control System Design

To create a UAV model, USAF Digital DATCOM software (version date: 1979) was used. A currently existing UAV model of the MQ-1 Predator was chosen for the creation of a MALE UAV model. The main parameters of the MQ-1 Predator are presented in Table 5 [43]. In the DATCOM software, the UAV dimensions, wing types, and some flight profile information, such as the angle of attack, altitude, and Mach values, were entered, and the aerodynamic coefficients were calculated based on these parameters [44,45]. The calculated parameters were imported into MATLAB R2023a as a table and data package. After making sure all data were imported successfully, the UAV model and its control schematic, which included throttle and altitude control, were created in MATLAB R2023a Simulink.
The UAV model prepared using DATCOM was physically modeled, as shown in Figure 3, which also presents the wing shape. The aerodynamic parameters, motion control system, and environmental parameters were implemented with related blocks, which are presented in Figure 4 [46].
The created UAV model included subsections that were named the environment, aerodynamics, three to six Degrees of Freedom (DoFs), flight sensors, avionics, airframe actuators, and pilot. The environment block had wind and other environmental force blocks, such as gravity. These forces were added to the aerodynamic forces, which were calculated using DATCOM and the movement force blocks. Related schematics of the explained blocks are presented in Figure 4 and Figure 5.
Based on the altitude, elevator position, Mach speed, and pitch angle, the aerodynamic forces were calculated and added to the other forces and momentum, which impacted the body of the aircraft. The total force and momentum values were sent to the 3-DoF to 6-DoF block, and the aircraft movement was calculated. The flight sensors and avionic blocks were responsible for gathering data from related blocks and sending commands to actuators according to commands that came from the pilot block. In this study, the pilot block was only responsible for commanding the altitude and throttle.

2.3. Mission Profile

A mission profile was created with the purpose of observing the performance of the electrical propulsion system in the created UAV model. To achieve this, two mission profiles were simulated. The first one (named Mission Profile 1) was only for cruise performance at 3000 m (9842 ft), and the second one had ascending and descending phases of flight. For the second one (named Mission Profile 2), the altitude was 3000 m (9842 ft) to 3500 m (11,482 ft) and was then shifted to 1500 m (4921 ft). Altitude selection was triggered by time. Yaw and roll movements were not simulated in this study. The cruise speed was set to 50 m/s based on the UAV’s specifications. Both mission profiles ended when the SoC reached 20%. It should be noted that only one battery was used to simulate related mission profiles.

2.4. Combination Process for Separately Designed Models

The full model included the designed machine’s system-level model, a battery model, and a UAV model with its sub-blocks. To combine these separate models, the system-level model of the designed machine was transferred to MATLAB Simulink via ANSYS Motor-CAD. With the system-level model, the designed electric machine’s main parameters were implemented as detailed tables, and the machine’s performance could be observed to be accurate and fast in the created system. The battery model was also created based on the specifications of certified batteries in aviation. The modeled battery parameters are presented in Table 6 [47]. After the creation of the main blocks, a thrust model was implemented in the electric machine block, and this allowed for the measurement of the thrust force created by the designed electric motor.
The produced thrust force was transferred to the UAV model as a component of the forces impacting the UAV. The created combined model is presented in Figure 6. The whole model was simulated, and the results obtained are presented in Section 3.

3. Results

In this section, the parameters calculated and gathered after the simulation mentioned in the Methodology section are presented with graphical and tabulated materials. The electrical motor parameters that are shared in this section were selected based on their importance in the design process and effects on the flight phases of UAVs, such as the speed, torque, flux densities, and current of the designed machine. The section on the UAV model contains the system response, which was selected according to the place in the flight simulation. An evaluation and discussion of the information described in this section are presented in the conclusion.

3.1. Results for the Designed BLDC Motor

The calculated parameters are compared with the simulation results and evaluated according to the demanded performance of electric machines. There are two parts regarding the comparison of parameters and the simulation results and thermal analysis.

3.1.1. Calculated Parameters and Performance

At the beginning of the work, machine parameters were determined; according to that, the machine flux, current, and air-gap flux density were calculated. In addition, the machine torque and speed are critical for the flight dynamics of UAVs. Because of this, these values were observed and collected during the simulation. After the simulation of the designed machine, the results showed that the simulation results were close enough to the calculated parameters. In Table 7, the calculated and simulated parameter results are shown. In addition, dynamic simulation results containing the speed, current, and torque with respect to time are presented in Figure 7, Figure 8 and Figure 9.
The designed machine’s torque and current with respect to time are presented in Figure 7 and Figure 8; similarly, they were obtained in the dynamic simulation. The dynamic simulation was conducted with a simple drive circuit that was based on the rotor position while creating a switching signal and aiming to observe the machine characteristics under the determined torque load and inertia. These results are compared with calculated parameters that were determined at the beginning of the work, as shown in Table 7.
The magnetic flux density is another critical parameter that affects machine performance in terms of thermal effects, loss, and saturation issues. The values of magnetic flux densities were also matched with the calculated parameters, as shown in Table 7.
Another parameter that affects machine performance is the cogging torque. To reduce the cogging torque values in the designed machine, a skewed design was implemented in the rotor. The rotor skew angle was set to 1.714. The skewed and initial condition effects are shown in Figure 9. With a skewed-angle rotor, the cogging torque was significantly reduced.
To measure machine performance, the correlations between the torque, power, and speed were observed. A graphic of the power and speed is shown in Figure 10. In the related graphic, the power values with respect to speed are shown with the advance angle of electric phases. In a related study, a phase advance angle of 0 to 60 with an incremental rate of 10 degrees was considered and referenced as 0. According to the related graphic, the power and speed values matched with the initial design values.
The torque–speed characteristic is another important parameter because it is a crucial parameter for propulsion systems. Torque values and machine speed affect thrust force, and they are important for UAV performance. As shown in Figure 11, the torque and speed values matched with the calculated values at the beginning of the study. The same situation occurred for the advance angle of the electrical phase with power–speed characteristics shared before.
An efficiency map that shows the machine’s performance at several working points is presented in Figure 12. Calculations that are related to the results of the simulation show that the designed machine has an efficiency value of nearly 95%, which matches and is slightly better than the initial target (93%) of this study. The total losses are also presented in Table 8.

3.1.2. Thermal Analysis

Thermal analysis is another critical topic, as heat can directly affect a machine’s performance. The operating temperature should be kept at a pre-determined value, and temperature-sensitive materials should be adequately cooled. After the electromagnetic simulation, the designed machine was simulated to determine the thermal characteristics. The thermal diagram of the designed machine shows the heat transfer channels between connected parts. With no cooling technique, machine components will reach the critical heat value, which especially affects the performance of permanent magnets. To overcome this issue, the water jacket technique was used to reduce the temperature on the critical surfaces of the machine. The thermal diagram and the last values of the thermal analysis of the machine are presented in Figure 13 and Figure 14.
With these values, there were no negative effects on permanent magnets or other components due to the thermal basis, as determined by comparing the operating points shared in the datasheets of the selected materials. In addition, the temperature of the machine’s slot, which contained the armature winding of the electric machine, is shown in Figure 15.
According to the temperature values in Figure 14, the hottest part of the machine was the magnets, which were found to be 91.9 degrees Celsius. This result was expected because the related region was highly affected by the flux intersection, which came from the windings and the magnets themselves. With the same effect, windings and other impacted areas also affect the temperature. The water cooling system reduced the temperature at the stator, and, as a result, the stator windings’ temperature decreased to a point that was nearly around a feasible operating point that was the same as that of the magnets. On the other hand, the coolest part of the machine was the outer case, at 28.1 degrees Celsius, which was why this section was chosen as the source of water cooling. The cooling system’s specifications and total losses after thermal effects are presented in Table 9 and Table 10.

3.2. Simulation of Combined Models

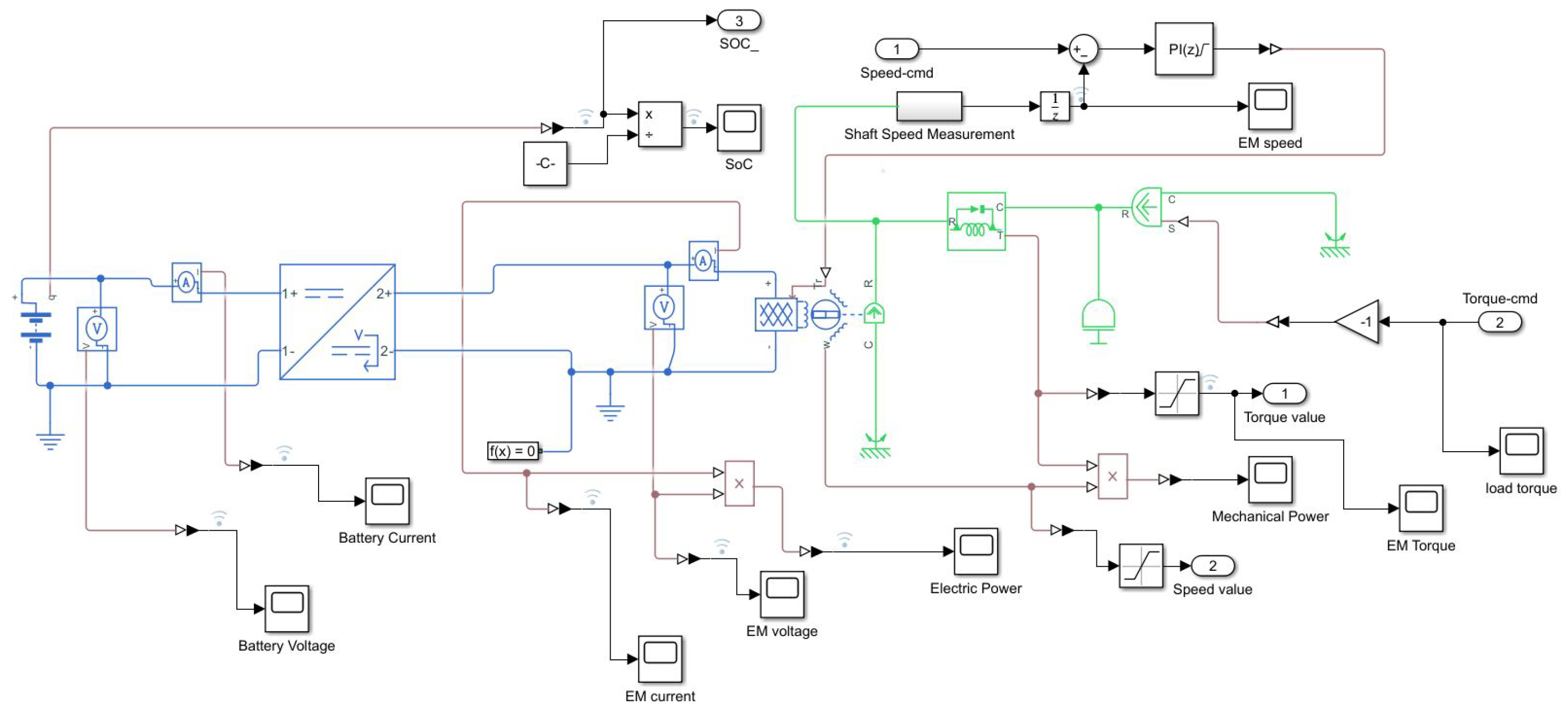
The main goal of importing the UAV model into the created system was to observe the thrust force that was created with the designed electric motor that produces the forces needed to fly aircraft. The created UAV model was imported into MATLAB Simulink with auxiliary blocks, as explained in the previous sections, and the electric machine model was imported into the same software as a system-level model. The system-level model offers reliable and fast solutions for determining the designed machine’s performance with different simulation parameters. The schematic of the system-level model that was created for the designed electric machine is shown in Figure 16. Related simulations were considered only for one battery model that was presented in a related section, and the weight of the aircraft was considered as MTOW.
The purpose of the simulations that were accomplished according to the mission profiles was to show that the designed electric machine is capable of flying an aircraft, leading to the determination of the approximate duration of flight with a full electric propulsion system. For Mission Profile 1, there was a stable altitude command, and the cruise speed was also stable. With this mission profile, the designed electric machine showed its ability to allow an aircraft to conduct cruise flight. Because there was no change in altitude, this is not depicted in the figure. On the other hand, Mission Profile 2 had changes for related parameters, the actual altitude, and command changes, as shown in Figure 17.
The body speed should be kept below the limit to avoid an overspeed situation. Because of this, the body speed of the UAV needs to be observed. In Figure 18, the body speed with respect to time is presented for both mission profiles.
The shaft torque and speed value of the electrical machine are presented in Figure 19. These values were transferred to the thrust block, which calculated the related force on the UAV. The related figure only shows a change for shaft torque and speed for Mission Profile 2 for the same reason as that of the altitude parameter.
Another parameter that comes from the related mission profiles is the SoC. When the SoC value reached the determined value, the simulation stopped. In Figure 20, the change in the SoC is presented, and the simulation stopped at nearly 20% of the SoC when the simulation time was 6284 s (1.74 h) for Mission Profile 1 and 7125 s (1.98 h) for Mission Profile 2. It can be seen that the changes in the rate of decrease in the SoC were correlated with altitude changes that came from the power demand from the electric machine.

4. Discussion

A newly designed electric machine model was implemented in a reference model of a selected UAV that is currently in use and powered by a battery to create a fully electric propulsion model. The designed electric machine’s ability to create the thrust force needed to fly an aircraft with different mission profiles and the performance with only one battery, selected because it has been certified for aviation, were observed. A power management system could be specifically created for a fully electric propulsion system according to the requirements of the mission profiles. This could be a topic for another study. However, only one battery was used in this study, with the aim of creating a fully electric propulsion system that is environmentally friendly and more efficient than conventional propulsion systems. In addition, it was observed that the flight duration is very short in comparison with that of conventional propulsion systems. As mentioned before, a specifically designed power management system with the proposed components could be arranged as a requirement of mission profiles in future studies.

5. Conclusions

The electrification of propulsion systems is becoming popular, not only in the automotive industry but also in the aviation industry. There are several concepts related to the electrification of aircraft. As members of the aircraft family, UAVs are important today, and there are no available electric-powered UAVs in Class III and above. In this study, an electric machine was designed to create electrical propulsion and implemented in a modeled UAV that was selected because it is currently in use. There are concerns about the integration of electrical propulsion systems into high-endurance UAVs because of the capabilities of current battery technology. In this study, the flight duration was measured at 1.74 and 1.98 h for different mission profiles. It should be noted that these values obtained from the simulation only included one battery. This is less than the current specifications for the referenced UAV, which offers 24 h of operation; however, an electric propulsion system could be selected in some specific missions even though it has a lower endurance than conventional systems. According to UAV specifications, there could be some arrangements regarding payloads, and the battery size and quantity could be increased. In addition, it can be considered that the fuel tank will be removed with the implementation of an electric propulsion system, and this weight saving can be used to increase the battery size and quantity. Power management and configuration changes could also be the topics of future studies. Besides these assumptions, an electric propulsion system could be used with this configuration depending on the mission profile. With these concerns about fully electric propulsion systems, hybrid systems could be more feasible for high-endurance operations. In future work, a hybrid system will be integrated into a UAV with the designed electric machine, and the change in endurance will be evaluated.

Author Contributions

All authors worked on conceptualization, methodology, software, validation, formal analysis, writing—original draft preparation, writing—review and editing. All authors have read and agreed to the published version of the manuscript.

Funding

This research received no external funding.

Institutional Review Board Statement

Not applicable.

Informed Consent Statement

Not applicable.

Data Availability Statement

The data used and/or analyzed during the current study are available from the corresponding author upon reasonable request.

Conflicts of Interest

The authors declare no conflicts of interest.

Abbreviations

The following abbreviations are used in this manuscript:
MALEMedium-Altitude Long-Endurance
UAVUnmanned Aerial Vehicle
ICEInternal Combustion Engine
DCDirect Current
BLDCBrushless DC
DoFDegree of Freedom
ftfeet
rpmrevolutions per minute
AAmpere
NmNewton Meter
TTesla
VVolt
AhAmpere-hour
WWatt
kWkilo-Watt
kgkilogram
m/smeters per second
mmmillimeter
SoCState of Charge
MTOWMaximum Take-Off Weight

References

  1. McCaskey, K. Unmanned Aerial Systems. In Military Strategy, Joint Operations, and Airpower: An Introduction; Georgetown University Press: Washington, DC, USA, 2018; pp. 236–244. [Google Scholar]
  2. Ni, D.; Yu, G.; Rathinam, S. Unmanned aircraft system and its applications in transportation. J. Adv. Transp. 2017, 2017. [Google Scholar] [CrossRef]
  3. Saeed, A.S.; Younes, A.B.; Cai, C.; Cai, G. A survey of hybrid unmanned aerial vehicles. Prog. Aerosp. Sci. 2018, 98, 91–105. [Google Scholar]
  4. Shakhatreh, H.; Sawalmeh, A.H.; Al-Fuqaha, A.; Dou, Z.; Almaita, E.; Khalil, I.; Othman, N.S.; Khreishah, A.; Guizani, M. Unmanned aerial vehicles (UAVs): A survey on civil applications and key research challenges. IEEE Access 2019, 7, 48572–48634. [Google Scholar]
  5. Laghari, A.A.; Jumani, A.K.; Laghari, R.A.; Nawaz, H. Unmanned aerial vehicles: A review. Cogn. Robot. 2023, 3, 8–22. [Google Scholar] [CrossRef]
  6. Kaynak, B.; Arabul, A.Y. Aerodynamic Efficiency and Performance Development in an Electric Powered Fixed Wing Unmanned Aerial Vehicle. Electr. Power Components Syst. 2023, 51, 724–732. [Google Scholar]
  7. Singhal, G.; Bansod, B.; Mathew, L. Unmanned Aerial Vehicle Classification, Applications and Challenges: A Review. Preprints 2018. [Google Scholar] [CrossRef]
  8. Çoban, S.; Oktay, T. Unmanned Aerial Vehicles (UAVs) According to Engine Type. J. Aviat. 2018, 2, 177–184. [Google Scholar]
  9. Army, U.S. Unmanned Aircraft Systems Roadmap 2010–2035; UAS Center of Excellence: New York, NY, USA, 2010. [Google Scholar]
  10. Gleason, T.J. Introduction to UAV Systems; Wiley: Hoboken, NJ, USA, 2012. [Google Scholar]
  11. Valavanis, K.P.; Vachtsevanos, G.J. Handbook of Unmanned Aerial Vehicles; Springer: Berlin/Heidelberg, Germany, 2015; Volume 1. [Google Scholar]
  12. Olhoff, W.R.J. Threat-Counter Unmanned Aircraft Systems. NATO Science and Technology Organization. 2021. Available online: https://www.sto.nato.int/publications/STO%20Meeting%20Proceedings/STO-MP-MSG-SET-183/$MP-MSG-SET-183-KN-1P.pdf (accessed on 28 April 2024).
  13. Koster, J.; Humbargar, C.; Serani, E.; Velazco, A.; Hillery, D.; Makepeace, L. Hybrid electric integrated optimized system (HELIOS)-design of a hybrid propulsion system for aircraft. In Proceedings of the 49th AIAA Aerospace Sciences Meeting Including the New Horizons Forum and Aerospace Exposition, Orlando, FL, USA, 4–7 January 2011; p. 1011. [Google Scholar]
  14. Hung, J.Y.; Gonzalez, L.F. On parallel hybrid-electric propulsion system for unmanned aerial vehicles. Prog. Aerosp. Sci. 2012, 51, 1–17. [Google Scholar]
  15. Adamski, M. Analysis of propulsion systems of unmanned aerial vehicles. J. Mar. Eng. Technol. 2017, 16, 291–297. [Google Scholar]
  16. Sliwinski, J.; Gardi, A.; Marino, M.; Sabatini, R. Hybrid-electric propulsion integration in unmanned aircraft. Energy 2017, 140, 1407–1416. [Google Scholar]
  17. Fahimi, B.; Lewis, L.H.; Miller, J.M.; Pekarek, S.D.; Boldea, I.; Ozpineci, B.; Hameyer, K.; Schulz, S.; Ghaderi, A.; Popescu, M.; et al. Automotive Electric Propulsion Systems: A Technology Outlook. IEEE Trans. Transp. Electrif. 2023, 10, 5190–5214. [Google Scholar]
  18. Milev, G. Power Quality Problems on Ships with Electrical Propulsion. In Proceedings of the 2023 15th Electrical Engineering Faculty Conference (BulEF), Varna, Bulgaria, 16–19 September 2023; IEEE: Piscataway, NJ, USA, 2023; pp. 1–4. [Google Scholar]
  19. Sahoo, S.; Zhao, X.; Kyprianidis, K. A review of concepts, benefits, and challenges for future electrical propulsion-based aircraft. Aerospace 2020, 7, 44. [Google Scholar] [CrossRef]
  20. Coates, E.M.; Wenz, A.; Gryte, K.; Johansen, T.A. Propulsion system modeling for small fixed-wing UAVs. In Proceedings of the 2019 International Conference on Unmanned Aircraft Systems (ICUAS), Atlanta, GA, USA, 11–14 June 2019; IEEE: Piscataway, NJ, USA, 2019; pp. 748–757. [Google Scholar]
  21. Cao, Y.; Thurlbeck, A.P. Heavy-duty UAV Electrical Propulsion Architectures and Multi-timescale Multi-physics Modeling. In Proceedings of the 2019 AIAA/IEEE Electric Aircraft Technologies Symposium (EATS), Indianapolis, IN, USA, 22–24 August 2019; IEEE: Piscataway, NJ, USA, 2019; pp. 1–13. [Google Scholar]
  22. Valencia, E.A.; Oña, M.; Rodríguez, D.; Oña, A. Experimental performance assessment of an electric uav with an alternative distributed propulsion configuration implemented for wetland monitoring. In Proceedings of the AIAA Propulsion and Energy 2019 Forum, Indianapolis, IN, USA, 19–22 August 2019; p. 4461. [Google Scholar]
  23. Dantsker, O.D.; Theile, M.; Caccamo, M. A high-fidelity, low-order propulsion power model for fixed-wing electric unmanned aircraft. In Proceedings of the 2018 AIAA/IEEE Electric Aircraft Technologies Symposium (EATS), Cincinnati, OH, USA, 12–14 July 2018; IEEE: Piscataway, NJ, USA, 2018; pp. 1–16. [Google Scholar]
  24. Dantsker, O.D.; Caccamo, M.; Imtiaz, S. Electric propulsion system optimization for long-endurance and solar-powered unmanned aircraft. In Proceedings of the 2019 AIAA/IEEE Electric Aircraft Technologies Symposium (EATS), Indianapolis, IN, USA, 22–24 August 2019; IEEE: Piscataway, NJ, USA, 2019; pp. 1–24. [Google Scholar]
  25. Oprea, C.; Szabo, L.; Martis, C. Multi-Phase Linear Generator for Electric Vehicle Applications. In Proceedings of the Advanced Engineering Forum, Florence, Italy, 10–13 September 2013; Trans Tech Publ.: Baech, Switzerland, 2013; Volume 8, pp. 461–468. [Google Scholar]
  26. Xiao, C.; Wang, B.; Zhao, D.; Wang, C. Comprehensive investigation on Lithium batteries for electric and hybrid-electric unmanned aerial vehicle applications. Therm. Sci. Eng. Prog. 2023, 38, 101677. [Google Scholar]
  27. Corcau, J.I.; Dinca, L. Fuel Cell/Battery Hybrid Electric System for UAV. In Proceedings of the 2023 IEEE International Conference on Electrical Systems for Aircraft, Railway, Ship Propulsion and Road Vehicles & International Transportation Electrification Conference (ESARS-ITEC), Venice, Italy, 29–31 March 2023; IEEE: Piscataway, NJ, USA, 2023; pp. 1–6. [Google Scholar]
  28. Maraschi, L.; Bernabei, L.; Marzioli, P.; Galassi, R.M.; Ciottoli, P.P.; Valorani, M.; Piergentili, F. Hybrid-electric propulsive systems sizing and performance evaluation tool for aircraft and UAV. In Proceedings of the 2022 IEEE 9th International Workshop on Metrology for AeroSpace (MetroAeroSpace), Pisa, Italy, 27–29 June 2022; IEEE: Piscataway, NJ, USA, 2022; pp. 43–48. [Google Scholar]
  29. Kurt, E.; Arabul, A.Y.; Keskin Arabul, F.; Senol, I. A Multi-Phase Brushless Direct Current Motor Design and Its Implementation in Medium-Altitude Long-Endurance Unmanned Aerial Vehicles. Appl. Sci. 2024, 14, 11550. [Google Scholar] [CrossRef]
  30. Kurt, E.; Arabul, A.Y.; Arabul, F.K.; Senol, I. Parallel hybrid propulsion system with integration of designed electric machine for medium altitude long endurance UAV. Heliyon 2025, 11, e42871. [Google Scholar] [PubMed]
  31. Zhang, B.; Song, Z.; Zhao, F.; Liu, C. Overview of propulsion systems for unmanned aerial vehicles. Energies 2022, 15, 455. [Google Scholar] [CrossRef]
  32. Chiboub, M.; El Alami, H.; Bossoufi, B.; El Bekkali, C.; El Mahfoud, M.; Karim, M. An Overview of New Trends in Electric Machine for HEV. In Proceedings of the 2024 16th International Conference on Electronics, Computers and Artificial Intelligence (ECAI), Iasi, Romania, 27–28 June 2024; IEEE: Piscataway, NJ, USA, 2024; pp. 1–6. [Google Scholar]
  33. González-Espasandín, Ó.; Leo, T.J.; Navarro-Arévalo, E. Corrigendum to “Fuel Cells: A Real Option for Unmanned Aerial Vehicles Propulsion”. Sci. World J. 2015, 2015, 419786. [Google Scholar] [CrossRef] [PubMed]
  34. Solomon, O.; Famouri, P. Dynamic performance of a permanent magnet brushless dc motor for uav electric propulsion system-part i. In Proceedings of the IECON 2006-32nd Annual Conference on IEEE Industrial Electronics, Paris, France, 6–10 November 2006; IEEE: Piscataway, NJ, USA, 2006; pp. 1400–1405. [Google Scholar]
  35. Donateo, T.; De Pascalis, C.L.; Ficarella, A. Synergy effects in electric and hybrid electric aircraft. Aerospace 2019, 6, 32. [Google Scholar] [CrossRef]
  36. Gabriel, D.L.; Meyer, J.; Du Plessis, F. Brushless DC motor characterisation and selection for a fixed wing UAV. In Proceedings of the IEEE Africon’11, Livingstone, Zambia, 13–15 September 2011; IEEE: Piscataway, NJ, USA, 2011; pp. 1–6. [Google Scholar]
  37. Sziroczak, D.; Jankovics, I.; Gal, I.; Rohacs, D. Conceptual design of small aircraft with hybrid-electric propulsion systems. Energy 2020, 204, 117937. [Google Scholar]
  38. Solomon, O. Model reference adaptive control of a permanent magnet brushless DC motor for UAV electric propulsion system. In Proceedings of the IECON 2007-33rd Annual Conference of the IEEE Industrial Electronics Society, Taipei, Taiwan, 5–8 November 2007; IEEE: Piscataway, NJ, USA, 2007; pp. 1186–1191. [Google Scholar]
  39. Fugaro, F.; Palmieri, M.; Cascella, G.L.; Cupertino, F. Aeronautical hybrid propulsion for More Electric Aircraft: A case of study. In Proceedings of the 2018 AEIT International Annual Conference, Bari, Italy, 3–5 October 2018; IEEE: Piscataway, NJ, USA, 2018; pp. 1–6. [Google Scholar]
  40. Pyrhonen, J.; Jokinen, T.; Hrabovcova, V. Design of Rotating Electrical Machines; John Wiley & Sons: Hoboken, NJ, USA, 2013. [Google Scholar]
  41. Hanselman, D.C. Brushless Permanent Magnet Motor Design; The Writers’ Collective: Harrogate, UK, 2003. [Google Scholar]
  42. Hendershot, J.R.; Miller, T.J.E. Design of Brushless Permanent-Magnet Motors; Oxford University Press: Oxford, UK, 1995. [Google Scholar]
  43. Forces, U.S.A. MQ-1B Predator. 2015. Available online: https://www.af.mil/About-Us/Fact-Sheets/Display/Article/104469/mq-1b-predator/ (accessed on 28 April 2024).
  44. Vukelich, S.R.; Williams, J.E. Users Manual McDonnell Douglas Astronautics Company St. Louis Division Public Domain Aeronautical Software. In The USAF Stability and Control Datcom; 1999; Volume I. Available online: https://www.pdas.com/datcomrefs.html (accessed on 15 January 2024).
  45. Frye, A.J.; Mehiel, E.A. Modeling and simulation of vehicle performance in a UAV swarm using horizon simulation framework. In Proceedings of the AIAA SciTech 2019 Forum, San Diego, CA, USA, 7–11 January 2019; p. 1980. [Google Scholar]
  46. Turevskiy, A.; Gage, S.; Buhr, C. Model-based design of a new light-weight aircraft. In Proceedings of the AIAA Modeling and Simulation Technologies Conference and Exhibit, Hilton Head, SC, USA, 20–23 August 2007; p. 6371. [Google Scholar]
  47. Pipistrel. Pipistrel Velis Electro Pilot’s Operating Handbook; POH-128-00-40-001, Rev:0; Pipistrel: Ajdovščina, Slovenia, 2020. [Google Scholar]
Figure 1. Schematic representation of an electric propulsion system.
Figure 1. Schematic representation of an electric propulsion system.
Applsci 15 03438 g001
Figure 2. Cross-sectional 2D model of the designed electric machine.
Figure 2. Cross-sectional 2D model of the designed electric machine.
Applsci 15 03438 g002
Figure 3. UAV model imported from USAF Digital DATCOM software.
Figure 3. UAV model imported from USAF Digital DATCOM software.
Applsci 15 03438 g003
Figure 4. MATLAB representation of the aircraft model.
Figure 4. MATLAB representation of the aircraft model.
Applsci 15 03438 g004
Figure 5. Environment model for flight simulation.
Figure 5. Environment model for flight simulation.
Applsci 15 03438 g005
Figure 6. Combined model for flight simulation.
Figure 6. Combined model for flight simulation.
Applsci 15 03438 g006
Figure 7. Current−time characteristics of the designed BLDC motor.
Figure 7. Current−time characteristics of the designed BLDC motor.
Applsci 15 03438 g007
Figure 8. Torque−time response of the designed BLDC motor.
Figure 8. Torque−time response of the designed BLDC motor.
Applsci 15 03438 g008
Figure 9. Cogging torque with skewed and normal rotors.
Figure 9. Cogging torque with skewed and normal rotors.
Applsci 15 03438 g009
Figure 10. Power−speed values with respect to advance angles.
Figure 10. Power−speed values with respect to advance angles.
Applsci 15 03438 g010
Figure 11. Torque−speed characteristics of the designed machine.
Figure 11. Torque−speed characteristics of the designed machine.
Applsci 15 03438 g011
Figure 12. Efficiency map of the designed electric machine.
Figure 12. Efficiency map of the designed electric machine.
Applsci 15 03438 g012
Figure 13. Thermal model of the designed machine with a cooling system.
Figure 13. Thermal model of the designed machine with a cooling system.
Applsci 15 03438 g013
Figure 14. Thermal mapping of the designed electric machine.
Figure 14. Thermal mapping of the designed electric machine.
Applsci 15 03438 g014
Figure 15. Temperature distribution analysis of the designed electric machine’s slots.
Figure 15. Temperature distribution analysis of the designed electric machine’s slots.
Applsci 15 03438 g015
Figure 16. Electric machine block for the system−level model.
Figure 16. Electric machine block for the system−level model.
Applsci 15 03438 g016
Figure 17. Altitude command and response of the modeled UAV.
Figure 17. Altitude command and response of the modeled UAV.
Applsci 15 03438 g017
Figure 18. Body speed for both mission profiles during the simulation.
Figure 18. Body speed for both mission profiles during the simulation.
Applsci 15 03438 g018
Figure 19. Shaft torque and speed of the designed electric machine.
Figure 19. Shaft torque and speed of the designed electric machine.
Applsci 15 03438 g019
Figure 20. SoC percentage of the battery during simulations.
Figure 20. SoC percentage of the battery during simulations.
Applsci 15 03438 g020
Table 1. UAV classification.
Table 1. UAV classification.
ClassCategoryMass [kg]Range [km]Altitude [m]
Class IMicro<5<5<100
Mini<15<25<1000
Small≥15<50<1500
Class IITactical150–600<200<5500
Class IIIMALE>600Unlimited<13,000
HALE>600Unlimited<20,000
Table 2. Determined and calculated values of the electric machine.
Table 2. Determined and calculated values of the electric machine.
VariableValue
Machine Power (P)40 [kW]
Rated Speed (n)2500 [rpm]
Machine Constant (C)150 [kWs/m3]
Pole/Slot Combination 14 / 15
Number of Phases3
DC Voltage400 [V]
Stator Inner Diameter (D)278.3 [mm]
Stack Length (l)82.6 [mm]
Air Gap1 [mm]
Winding Factor (kw)0.95
Integer α 2 π
Air-Gap Flux Density0.8 [T]
Number of Turns in Phase Winding14
Table 3. Stator tooth and slot dimensions.
Table 3. Stator tooth and slot dimensions.
VariableValue [mm]
Slot Opening Width5
Length Between Stator Teeth32.38
Stator Tooth Height22.74
Stator Yoke18.5
Table 4. Parameters for the calculation of magnet thickness.
Table 4. Parameters for the calculation of magnet thickness.
VariableValue
Air-Gap Flux Density (B)0.8 [T]
Magnetic Permeability of Magnet ( μ m ) 1.3219 [ μ H/m]
Magnetic Permeability of Air ( μ 0 ) 1.2566 [ μ H/m]
Stator Tooth Arc Ratio ( g m ) 0.94
Leakage Factor ( K l ) 0.85
Reluctance factor ( K r ) 1.3
Air Gap1 [mm]
Table 5. Main parameters of the MQ-1 Predator.
Table 5. Main parameters of the MQ-1 Predator.
VariableValue
Wingspan16.8 m (55 ft)
Length8.22 m (27 ft)
Height2.1 m (7 ft)
Maximum Take-Off Weight (MTOW)1020 [kg]
Empty Weight512 [kg]
Payload204 [kg]
Fuel Capacity300 [kg]
Cruise Speed36 [m/s] (up to 60 [m/s])
Table 6. Specifications of the newly created battery model.
Table 6. Specifications of the newly created battery model.
VariableValue
Nominal Voltage345 [V]
Cell Capacity78 [Ah]
Cell Configuration96S12P
Maximum Continuous Discharge Power40 [kW]
Battery Weight70 [kg]
Table 7. Comparison of the calculated and simulated values.
Table 7. Comparison of the calculated and simulated values.
VariableCalculated ValueSimulation Results
Flux [mWb]14.4913
Current [A]107.52100.6
Torque [Nm]152162
Air-Gap Flux Density [T]0.80.76
Flux Density in Stator Yoke [T]1.41.329
Flux Density in Stator Tooth [T]1.61.623
Current Density [A/mm2]5.65.6
Table 8. Total losses of the designed electric machine.
Table 8. Total losses of the designed electric machine.
VariableSimulation Results
Copper Loss347.4 [W]
Magnet Loss385.8 [W]
Stator Iron Loss948.2 [W]
Rotor Iron Loss69.21 [W]
Total Loss1751 [W]
Table 9. Cooling system specifications.
Table 9. Cooling system specifications.
VariableValue
Inlet Temperature25 [°C]
Outlet Temperature110 [°C]
Fluid TypeEGW 50/50
Flow Rate15 [L/min]
Table 10. Total losses after thermal effects.
Table 10. Total losses after thermal effects.
VariableSimulation Results
Magnet Loss385.8 [W]
Stator Iron Loss948.2 [W]
Rotor Iron Loss69.21 [W]
Total Loss1865 [W]
Disclaimer/Publisher’s Note: The statements, opinions and data contained in all publications are solely those of the individual author(s) and contributor(s) and not of MDPI and/or the editor(s). MDPI and/or the editor(s) disclaim responsibility for any injury to people or property resulting from any ideas, methods, instructions or products referred to in the content.

Share and Cite

MDPI and ACS Style

Kurt, E.; Arabul, A.Y.; Keskin Arabul, F.; Senol, I. Electric Machine Design and Integration for an Electric Propulsion System in Medium-Altitude Long-Endurance Unmanned Aerial Vehicles. Appl. Sci. 2025, 15, 3438. https://doi.org/10.3390/app15073438

AMA Style

Kurt E, Arabul AY, Keskin Arabul F, Senol I. Electric Machine Design and Integration for an Electric Propulsion System in Medium-Altitude Long-Endurance Unmanned Aerial Vehicles. Applied Sciences. 2025; 15(7):3438. https://doi.org/10.3390/app15073438

Chicago/Turabian Style

Kurt, Emre, Ahmet Yigit Arabul, Fatma Keskin Arabul, and Ibrahim Senol. 2025. "Electric Machine Design and Integration for an Electric Propulsion System in Medium-Altitude Long-Endurance Unmanned Aerial Vehicles" Applied Sciences 15, no. 7: 3438. https://doi.org/10.3390/app15073438

APA Style

Kurt, E., Arabul, A. Y., Keskin Arabul, F., & Senol, I. (2025). Electric Machine Design and Integration for an Electric Propulsion System in Medium-Altitude Long-Endurance Unmanned Aerial Vehicles. Applied Sciences, 15(7), 3438. https://doi.org/10.3390/app15073438

Note that from the first issue of 2016, this journal uses article numbers instead of page numbers. See further details here.

Article Metrics

Back to TopTop