Extending Power Electronic Converter Lifetime in Marine Hydrokinetic Turbines with Reinforcement Learning
Abstract
1. Introduction
2. System Modeling
2.1. Modeling of Turbine System
Region-Based Control
2.2. Modeling of Permanent Magnet Synchronous Generator
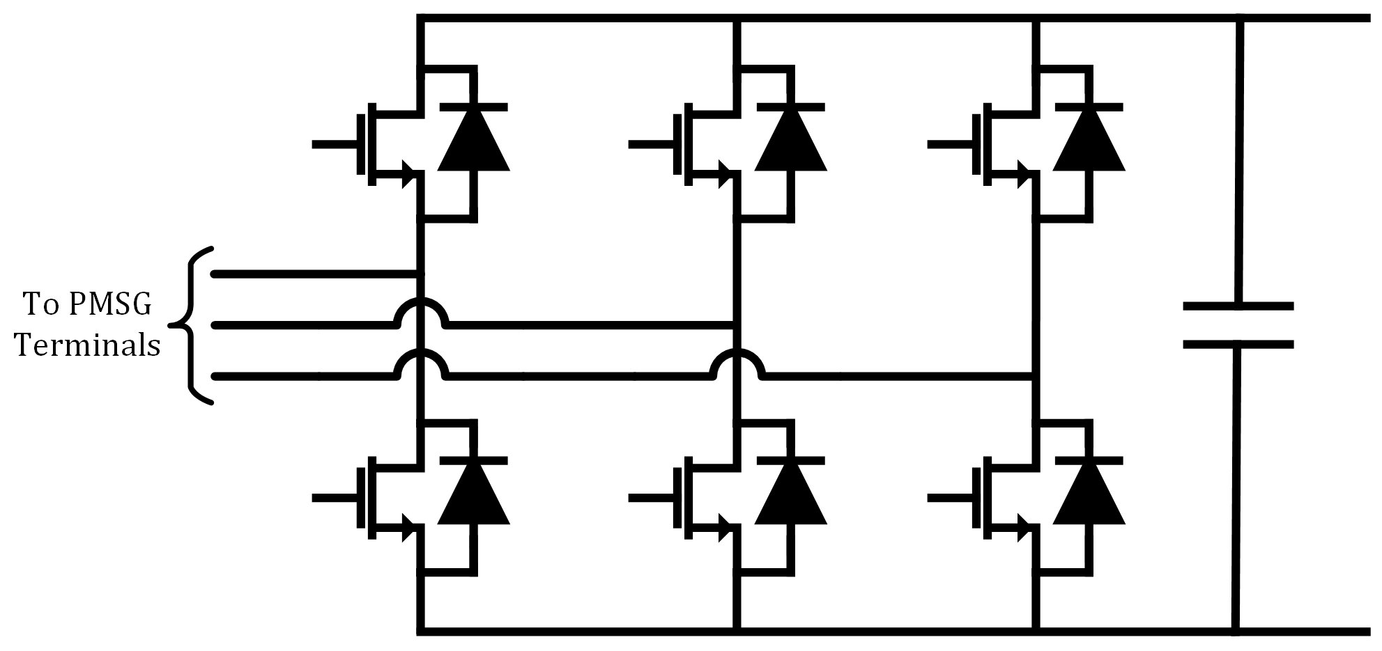
2.3. Modeling of Power Electronic Converter
2.4. Thermal Modeling of the Power Electronic Converter and Device Lifetime Estimation
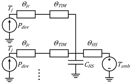
2.4.1. Thermal Modeling
2.4.2. Life Consumption Estimation
3. Reinforcement Learning Method
3.1. Reinforcement Learning Framework Overview
3.2. SGD SARSA with Linear Function Approximation
4. Case Study
4.1. SGD SARSA in the HKT System
4.2. System Parameters
4.3. Training Method
4.4. Case Study Comparison
5. Discussion
5.1. Performance
5.2. Implications and Future Work
6. Conclusions
Author Contributions
Funding
Institutional Review Board Statement
Informed Consent Statement
Data Availability Statement
Conflicts of Interest
Abbreviations
| ATC | Active Thermal Control |
| BTB | Back-to-Back |
| HKT | Hydrokinetic Turbine |
| kWh | Kilowatt hour |
| LC | Life Consumption |
| LCOE | Levelized Cost of Energy |
| LMP | Locational Marginal Price |
| MOSFET | Metal–Oxide–Semiconductor Field-Effect Transistor |
| MPPT | Maximum Power Point Tracking |
| PMSG | Permanent Magnet Synchronous Generator |
| PoF | Physics of Failure |
| RBF | Radial Basis Function |
| RL | Reinforcement Learning |
| RMS | Root Mean Square |
| SARSA | State–Action–Reward–State–Action |
| SGD | Stochastic Gradient Descent |
| SiC | Silicon Carbide |
| TD | Temporal Difference |
| TIM | Thermal Interface Material |
| USGS | United States Geological Survey |
References
- Kilcher, L.; Fogarty, M.; Lawson, M. Marine Energy in the United States: An Overview of Opportunities; Technical Report; National Renewable Energy Laboratory: Golden, CO, USA, 2021. [Google Scholar] [CrossRef]
- Johnson, J.B.; Pride, D.J. River, Tidal, and Ocean Current Hydrokinetic Energy Technologies: Status and Future Opportunities in Alaska; Technical Report; Alaska Center for Energy and Power: Fairbanks, AK, USA, 2010. [Google Scholar]
- Tehrani, K.; Beikbabaei, M.; Mehrizi-Sani, A.; Jamshidi, M. A smart multiphysics approach for wind turbines design in industry 5.0. J. Ind. Inf. Integr. 2024, 42, 100704. [Google Scholar] [CrossRef]
- Kirke, B. Towards more cost-effective river hydrokinetic turbines. Energy Sustain. Dev. 2024, 78, 101370. [Google Scholar] [CrossRef]
- Carroll, J.; McDonald, A.; McMillan, D. Reliability Comparison of Wind Turbines With DFIG and PMG Drive Trains. IEEE Trans. Energy Convers. 2015, 30, 663–670. [Google Scholar] [CrossRef]
- El-Naggar, M.F.; Abdelhamid, A.S.; Elshahed, M.A.; El-Shimy Mahmoud Bekhet, M. Ranking Subassemblies of Wind Energy Conversion Systems Concerning Their Impact on the Overall Reliability. IEEE Access 2021, 9, 53754–53768. [Google Scholar] [CrossRef]
- Pu, S.; Yang, F.; Vankayalapati, B.T.; Akin, B. Aging Mechanisms and Accelerated Lifetime Tests for SiC MOSFETs: An Overview. IEEE J. Emerg. Sel. Top. Power Electron. 2022, 10, 1232–1254. [Google Scholar] [CrossRef]
- Kuprat, J.; Van Der Broeck, C.H.; Andresen, M.; Kalker, S.; Liserre, M.; De Doncker, R.W. Research on Active Thermal Control: Actual Status and Future Trends. IEEE J. Emerg. Sel. Top. Power Electron. 2021, 9, 6494–6506. [Google Scholar] [CrossRef]
- Ibrahim, A.; Salem, M.; Kamarol, M.; Delgado, M.T.; Desa, M.K.M. Review of Active Thermal Control for Power Electronics: Potentials, Limitations, and Future Trends. IEEE Open J. Power Electron. 2024, 5, 414–435. [Google Scholar] [CrossRef]
- Zhang, J.; Du, X.; Qian, C.; Du, R.; Hu, X.; Tai, H.M. Thermal Management of IGBT Module in the Wind Power Converter Based on the ROI. IEEE Trans. Ind. Electron. 2022, 69, 8513–8523. [Google Scholar] [CrossRef]
- Chihaia, R.A.; Vasile, I.; Cîrciumaru, G.; Nicolaie, S.; Tudor, E.; Dumitru, C. Improving the Energy Conversion Efficiency for Hydrokinetic Turbines Using MPPT Controller. Appl. Sci. 2020, 10, 7560. [Google Scholar] [CrossRef]
- Zhang, X.; Jia, J.; Zheng, L.; Yi, W.; Zhang, Z. Maximum power point tracking algorithms for wind power generation system: Review, comparison and analysis. Energy Sci. Eng. 2023, 11, 430–444. [Google Scholar] [CrossRef]
- Alhmoud, L. Reliability Improvement for a High-Power IGBT in Wind Energy Applications. IEEE Trans. Ind. Electron. 2018, 65, 7129–7137. [Google Scholar] [CrossRef]
- Andresen, M.; Ma, K.; Buticchi, G.; Falck, J.; Blaabjerg, F.; Liserre, M. Junction Temperature Control for More Reliable Power Electronics. IEEE Trans. Power Electron. 2018, 33, 765–776. [Google Scholar] [CrossRef]
- Chen, Y.; Wang, L.; Liu, S.; Wang, G. A Health-Oriented Power Control Strategy of Direct Drive Wind Turbine. IEEE Trans. Power Deliv. 2022, 37, 1324–1335. [Google Scholar] [CrossRef]
- Cui, H.; Guo, T.; Yang, C.; Dai, Y.; Wang, C.; Du, H.; Qin, L.; Yu, H. A New Thermal Management Strategy of IGBT in DFIG for Economic Benefit Maximization. IEEE Trans. Ind. Inform. 2024, 20, 1335–1347. [Google Scholar] [CrossRef]
- Stringer, C.C.; Polagye, B.L. Implications of biofouling on cross-flow turbine performance. SN Appl. Sci. 2020, 2, 1–13. [Google Scholar] [CrossRef]
- Walker, J.M.; Flack, K.A.; Lust, E.E.; Schultz, M.P.; Luznik, L. Experimental and numerical studies of blade roughness and fouling on marine current turbine performance. Renew. Energy 2014, 66, 257–267. [Google Scholar] [CrossRef]
- Zhao, S.; Blaabjerg, F.; Wang, H. An Overview of Artificial Intelligence Applications for Power Electronics. IEEE Trans. Power Electron. 2021, 36, 4633–4658. [Google Scholar] [CrossRef]
- Nambiar, A.; Anderlini, E.; Payne, G.; Forehand, D.; Kiprakis, A.; Wallace, A. Reinforcement Learning Based Maximum Power Point Tracking Control of Tidal Turbines. In Proceedings of the European Wave and Tidal Energy Conference, Cork, Ireland, 27 August–1 September 2017. [Google Scholar]
- Hasankhani, A.; Tang, Y.; VanZwieten, J.; Sultan, C. Comparison of Deep Reinforcement Learning and Model Predictive Control for Real-Time Depth Optimization of a Lifting Surface Controlled Ocean Current Turbine. In Proceedings of the 2021 IEEE Conference on Control Technology and Applications (CCTA), San Diego, CA, USA, 9–11 August 2021; pp. 301–308. [Google Scholar] [CrossRef]
- Hasankhani, A.; Ondes, E.B.; Tang, Y.; Sultan, C.; Van Zwieten, J. Integrated Path Planning and Tracking Control of Marine Current Turbine in Uncertain Ocean Environments. In Proceedings of the 2022 American Control Conference (ACC), Atlanta, GA, USA, 8–10 June 2022; pp. 3106–3113. [Google Scholar] [CrossRef]
- Hasankhani, A.; Tang, Y.; VanZwieten, J. Reinforcement Learning for Underwater Spatiotemporal Path Planning, with Application to an Autonomous Marine Current Turbine. In Proceedings of the 2023 American Control Conference (ACC), San Diego, CA, USA, 31 May–2 June 2023; pp. 3715–3721. [Google Scholar] [CrossRef]
- Ouyang, Y.; Zhao, W.; Wang, H. Simulation and study of maximum power point tracking for rim-driven tidal current energy power generation systems. Energy Rep. 2023, 9, 792–801. [Google Scholar] [CrossRef]
- Barton, S.; Brekken, T.K.; Cao, Y. Reinforcement Learning Control for Enhancing Marine Hydrokinetic Turbine Energy Generation. In Proceedings of the 2024 American Control Conference (ACC), Toronto, ON, Canada, 10–12 July 2024; pp. 1044–1050, ISSN 2378-5861. [Google Scholar] [CrossRef]
- Chu, A.; Xie, X.; Hermann, C.M.; Stork, W.; Roth-Stielow, J. Towards Predictive Lifetime-Oriented Temperature Control of Power Electronics in E-vehicles via Reinforcement Learning. In Proceedings of the 2023 IEEE International Conference on Big Data (BigData), Sorrento, Italy, 15–18 December 2023; pp. 1667–1676. [Google Scholar] [CrossRef]
- Chu, A.; Hermann, C.M.; Silz, J.; Pfau, J.; Barón, K.M.; Anantharajaiah, N.; Schmidt, P.; Hotfilter, T.; Xie, X.; Becker, J.; et al. LETSCOPE: Lifecycle Extensions Through Software-Defined Predictive Control of Power Electronics. In Proceedings of the IEEE EUROCON 2023—20th International Conference on Smart Technologies, Torino, Italy, 6–8 July 2023; pp. 665–670. [Google Scholar] [CrossRef]
- Sale, D.; Jonkman, J.; Musial, W. Development of a Hydrodynamic Optimization Tool for Stall-Regulated Hydrokinetic Turbine Rotors. In Proceedings of the Volume 4: Ocean Engineering; Ocean Renewable Energy; Ocean Space Utilization, Parts A and B, Honolulu, HI, USA, 31 May–5 June 2009; pp. 901–906. [Google Scholar] [CrossRef]
- Mohan, N.; Raju, S. Analysis and Control of Electric Drives: Simulations and Laboratory Implementation; Wiley: Hoboken, NJ, USA, 2020. [Google Scholar]
- Lei, T.; Barnes, M.; Smith, S.; Hur, S.h.; Stock, A.; Leithead, W.E. Using Improved Power Electronics Modeling and Turbine Control to Improve Wind Turbine Reliability. IEEE Trans. Energy Convers. 2015, 30, 1043–1051. [Google Scholar] [CrossRef]
- Graovac, D.D.; Pürschel, M.; Kiep, A. MOSFET Power Losses Calculation Using the Data- Sheet Parameters; Infineon Application Note: Neubiberg, Germany, 2006; pp. 1–23. [Google Scholar]
- Ma, K.; Liserre, M.; Blaabjerg, F.; Kerekes, T. Thermal Loading and Lifetime Estimation for Power Device Considering Mission Profiles in Wind Power Converter. IEEE Trans. Power Electron. 2015, 30, 590–602. [Google Scholar] [CrossRef]
- Ni, Z.; Lyu, X.; Yadav, O.P.; Singh, B.N.; Zheng, S.; Cao, D. Overview of Real-Time Lifetime Prediction and Extension for SiC Power Converters. IEEE Trans. Power Electron. 2020, 35, 7765–7794. [Google Scholar] [CrossRef]
- Tariquzzaman, M.; Li, P.; Barton, S.J.; Thurlbeck, A.P.; Kilgore, T.; Brekken, T.K.A.; Cao, Y. Multi-physics and Multi-timescale Modeling of Hydrokinetic Turbine Energy Conversion System. IEEE J. Emerg. Sel. Top. Power Electron. 2024, 12, 6028–6041. [Google Scholar] [CrossRef]
- Miner, M.A. Cumulative Damage in Fatigue. J. Appl. Mech. 1945, 12, A159–A164. [Google Scholar] [CrossRef]
- The MathWorks Inc. Rainflow. Available online: https://www.mathworks.com/help/signal/ref/rainflow.html (accessed on 15 September 2024).
- Sutton, R.S.; Barto, A. Reinforcement Learning: An Introduction, 2nd ed.; Adaptive Computation and Machine Learning; The MIT Press: Cambridge, MA, USA, 2020. [Google Scholar]
- Reza Amini, M.; Jiang, B.; Liao, Y.; Naik, K.; Martins, J.R.; Sun, J. Control Co-design of a Hydrokinetic Turbine: A Comparative Study of Open-loop Optimal Control and Feedback Control. In Proceedings of the 2023 American Control Conference (ACC), San Diego, CA, USA, 31 May–2 June 2023; pp. 3728–3734. [Google Scholar] [CrossRef]
- Evron, I.; Moroshko, E.; Ward, R.; Srebro, N.; Soudry, D. How catastrophic can catastrophic forgetting be in linear regression? In Proceedings of the Thirty Fifth Conference on Learning Theory, London, UK, 2–5 July 2022; Loh, P.L., Raginsky, M., Eds.; PMLR: New York, NY, USA, 2022; Volume 178, pp. 4028–4079. [Google Scholar]
- Hayes, C.F.; Rădulescu, R.; Bargiacchi, E.; Källström, J.; Macfarlane, M.; Reymond, M.; Verstraeten, T.; Zintgraf, L.M.; Dazeley, R.; Heintz, F.; et al. A Practical Guide to Multi-Objective Reinforcement Learning and Planning. Auton. Agents Multi-Agent Syst. 2022, 36, 26. [Google Scholar] [CrossRef]
- Ellerman, P. Calculating Reliability Using FIT & MTTF: Arrhenius HTOL Model. MicroNote 2012, 1002, 1–6. [Google Scholar]
- Bahaj, A.; Molland, A.; Chaplin, J.; Batten, W. Power and thrust measurements of marine current turbines under various hydrodynamic flow conditions in a cavitation tunnel and a towing tank. Renew. Energy 2007, 32, 407–426. [Google Scholar] [CrossRef]
- Automotive Electronics Council. Failure Mechanism Based Stress Test Qualification for Discrete Semiconductors in Automotive Applications. 2021. Available online: http://www.aecouncil.com/AECDocuments.html (accessed on 3 September 2024).
- U.S. Geological Survey. Sacramento River at Rio Vista CA—11455420. Available online: https://waterdata.usgs.gov/monitoring-location/11455420/#parameterCode=72255&period=P7D&showMedian=false (accessed on 31 October 2024).
- GridStatus.io. Available online: https://www.gridstatus.io/live (accessed on 31 October 2024).














| Parameter | Value |
|---|---|
| Rated flow velocity | 2.25 m/s |
| Rotor Length R | 0.8538 m |
| Maximum | 0.46 |
| Optimal Tip Speed Ratio | 6.1 |
| Coefficient of Friction | 1.667 Nm·s/rad |
| Moment of Inertia | 2.1816 kg·m2 |
| Parameter | Value |
|---|---|
| Rated Power | 6 kW |
| Rated Speed | 15.7 rad/s |
| Number of Poles p | 24 |
| Moment of Inertia | 0.26 kg·m2 |
| Stator Resistance | 3.7110 |
| d-/q-Axis Inductance | 45.25 mH/64.88 mH |
| Rotor Flux Linkage | 1.9059 Wb |
| Parameter | Value |
|---|---|
| DC Bus Voltage | 800 V |
| Modulation Scheme | Sinusoidal Pulse Width Modulation |
| Switching Frequency | 20 kHz |
| MOSFET ON-Resistance | 159 m |
| Diode Reverse Recovery Charge | 111 nC |
| Switching Loss Voltage Scaling | 1.33 |
| Package Dimensions | 10 mm × 9.2 mm |
| MOSFET Thermal Resistance | 1.3 K/W |
| TIM Thermal Resistance | 1.2422 K/W |
| Heat Sink Thermal Capacitance | 5.43·103 J/K |
| Heat Sink Thermal Resistance | K/W |
| Parameter | Value | |
|---|---|---|
| SARSA Parameters | Initial Step-Size | 0.05 |
| Discount Factor | 0.995 | |
| Initial Exploration Rate | 0.7 | |
| Exploration Rate Decay | 0.6 | |
| RBF Parameters | RBF Centers per Dimension | 5 |
| RBF Width | 0.125 | |
| Base Feedback Coefficient | 1.445 Nm/s | |
| Base Flow Velocity | 3.5 m/s | |
| Base Flow Temperature | 26 °C | |
| Base Energy Cost | USD 0.55/kWh | |
| Reward Parameters | Sample time | 350 s |
| Estimated Converter Cost | USD 5000 | |
| Reference Temperature | 353.15 K | |
| Reference Converter Lifetime | 12,000 h | |
| Activation Energy | 0.9 eV | |
| Boltzmann’s Constant | eV/K |
| Year | LC Impact | Energy Impact | Revenue Impact |
|---|---|---|---|
| 2019 | −76.7% | −5.8% | −1.3% |
| 2024 | −84.5% | −25.2% | +45.4% |
Disclaimer/Publisher’s Note: The statements, opinions and data contained in all publications are solely those of the individual author(s) and contributor(s) and not of MDPI and/or the editor(s). MDPI and/or the editor(s) disclaim responsibility for any injury to people or property resulting from any ideas, methods, instructions or products referred to in the content. |
© 2025 by the authors. Licensee MDPI, Basel, Switzerland. This article is an open access article distributed under the terms and conditions of the Creative Commons Attribution (CC BY) license (https://creativecommons.org/licenses/by/4.0/).
Share and Cite
Barton, S.; Brekken, T.K.A.; Cao, Y. Extending Power Electronic Converter Lifetime in Marine Hydrokinetic Turbines with Reinforcement Learning. Appl. Sci. 2025, 15, 2512. https://doi.org/10.3390/app15052512
Barton S, Brekken TKA, Cao Y. Extending Power Electronic Converter Lifetime in Marine Hydrokinetic Turbines with Reinforcement Learning. Applied Sciences. 2025; 15(5):2512. https://doi.org/10.3390/app15052512
Chicago/Turabian StyleBarton, Samuel, Ted K. A. Brekken, and Yue Cao. 2025. "Extending Power Electronic Converter Lifetime in Marine Hydrokinetic Turbines with Reinforcement Learning" Applied Sciences 15, no. 5: 2512. https://doi.org/10.3390/app15052512
APA StyleBarton, S., Brekken, T. K. A., & Cao, Y. (2025). Extending Power Electronic Converter Lifetime in Marine Hydrokinetic Turbines with Reinforcement Learning. Applied Sciences, 15(5), 2512. https://doi.org/10.3390/app15052512

