Abstract
The aim of this research was to prepare pH sensor films based on litmus using the sol–gel method with tetraethoxysilane (TEOS) and phenyltrimethoxysilane (PTMS) as precursors. The pH sensor film was then applied to millireactors to evaluate its performance on the intricate geometries of static mixers commonly found in millireactor designs. Millireactors were made from Formlabs High Temp resin using stereolithography (SLA) and from Anycubic Basic resin using digital light processing (DLP) technology. The performance of the pH sensor films was evaluated by tracking color changes in the pH sensor films and analyzing RGB (red, green, blue) and hue values through a smartphone application. The experiment involved mixing solutions with different pH values at varying flow rates within the millireactor channels. Furthermore, along with analyzing the hue values, characterization techniques involved measuring contact angles with water and diiodomethane. A film combining a litmus indicator with titanium dioxide (TiO2) displayed a color change within one minute and maintained this color throughout the study, confirming its reusability. Sensor films exhibited excellent reversibility (RSD = 2.4–3.3%) and stability. The findings demonstrate that the pH-sensitive films perform robustly across varying geometries, paving the way for their integration into advanced millireactor systems with static mixers and continuous chemical monitoring within Industry 4.0.
1. Introduction
Microfluidic devices are small-scale reaction systems fabricated using micro-technology, crucial for Industry 4.0 through integration with the internet of things (IoT) and cloud systems for real-time monitoring and optimization. These systems, ranging from nanometers to millimeters in size, are classified as nanoreactors, microreactors, and millireactors [1]. They offer several advantages over traditional laboratory equipment, including compactness, reduced material usage, and greater integration potential. Their smaller size allows for less material consumption, energy efficiency, and faster response times [2]. Moreover, the reduced scale enables the integration of multiple functional components, improving system efficiency and enhancing mass and heat transfer rates. Millireactors, capable of both batch and continuous operations, offer safer processes and improved selectivity due to shorter residence times [3]. Fabrication methods for millireactors include wet and dry etching, precision machining, laser treatment, and lithographic techniques, often in combination. Factors such as cost, precision, material selection, and reliability must guide the choice of fabrication technique [4]. Additive manufacturing is increasingly used, significantly reducing production time [5].
Additive manufacturing (3D printing) involves fabricating three-dimensional objects from CAD (computer-aided design) models by sequentially layering materials. The process begins with CAD model creation, followed by conversion to an STL file and importation into slicing software, which defines printing parameters. After slicing, the model is saved in a compatible format and uploaded to the printer. Once printed, the object is removed and cleaned, and, if necessary, support structures are eliminated [6,7].
This technology has streamlined chemical sensor production by replacing labor-intensive fabrication steps and costly instrumentation [8]. Chemical sensors detect and quantify analytes through chemical reactions, consisting of an active surface, a transducer, and electronic components. The active surface, which may include a polymer layer or biomolecule (biosensor), interacts with the analyte, inducing a chemical change. This generates a signal that the transducer converts into an electronic output, which is then processed for analysis [9,10]. Electromagnetic radiation interacts with matter across a broad frequency range, enabling the development of sensors based on changes in optical parameters related to substance concentration. Optical sensors can measure chemical and physical parameters by detecting variations in optical properties [11]. These sensors operate in two modes: one relies on the intrinsic optical properties of the analyte, while the other uses an indicator when the analyte lacks measurable optical properties. For example, pH can be determined by immobilizing an indicator in a support material, allowing for the detection of absorption or fluorescence changes in response to pH variations [12,13]. Optical sensors offer advantages such as high selectivity, sensitivity, resistance to electromagnetic interference, low cost, non-destructive operation, and miniaturization, enabling multiple sensors on a single substrate for simultaneous analysis [14]. However, they are susceptible to ambient light interference and long-term instability due to the indicator leaching from the support material [15].
The sol–gel method has advanced optical sensor fabrication by enabling the entrapment of indicators within a stable three-dimensional network, enhancing sensor performance and sensitivity. This process improves stability and longevity by immobilizing indicators within the gel matrix, making sensors more effective for various applications [16]. The sol–gel process involves low-temperature reactions of inorganic precursors, typically metal alkoxides, with water, leading to hydrolysis and condensation. As siloxane bonds form, molecules aggregate into a sol, which transitions into a gel as particles interconnect, trapping solvent molecules within the network [17,18]. Despite its apparent simplicity, the sol–gel process is influenced by factors such as water-to-precursor ratio, solvent type, catalyst concentration, pH, temperature, aging, and drying conditions. Controlling these parameters allows for precise structural tuning of the final network [19,20]. Sol–gel materials offer advantages, including compatibility with organic and inorganic reagents, chemical and thermal stability, controlled particle size distribution, and application as thin films, enhancing the stability of immobilized molecules while preventing leaching [18,21].
Materials produced via the sol–gel method are crucial for encapsulating various molecules, including organic, inorganic, and biomolecules [22]. Optical pH sensors typically work by immobilizing an indicator within a solid matrix, which is applied as a thin film. Methods for immobilizing the indicator in the sol–gel matrix include impregnation, covalent bonding, and doping [23,24]. Covalent bonding is particularly advantageous, as it prevents leaching, ensuring the long-term stability of sensor films. However, it may reduce indicator responsiveness, leading to weaker signal changes [25]. Doping, where the indicator is incorporated during the sol–gel reaction, offers rapid response times and enhanced stability, while impregnation, though simpler, can lead to leaching, making it less suitable for continuous-use sensors [26,27].
Static mixers are critical components in millireactors, designed to enhance mixing efficiency by facilitating fluid interaction without requiring mechanical agitation. These passive mixing elements improve mass and heat transfer within the reactor, leading to better process control and reaction outcomes [28]. Various static mixer designs exist, each optimized for specific flow conditions. Common types include helical mixers, which generate rotational flow to improve radial mixing; grid mixers, which create multiple flow divisions to enhance dispersion; and Kenics-type mixers, which employ alternating left- and right-handed helical elements to promote efficient blending. The selection of a suitable mixer depends on factors such as fluid viscosity, flow regime, and desired mixing intensity [29]. The performance of static mixers is typically assessed using key parameters such as pressure drop, residence time distribution (RTD), mixing index, and coefficient of variation (CoV). Pressure drop indicates the energy required for mixing, and RTD characterizes fluid residence time and distribution, while the mixing index and CoV quantify the degree of homogeneity achieved within the reactor. These parameters provide valuable insights into mixer efficiency and process optimization [30]. Traditional glass-electrode pH sensors are fragile and unsuitable for dynamic microreactor environments, where mechanical stress and small sample volumes pose significant challenges. Additionally, they provide only single-point measurements, limiting their ability to capture spatial pH variations within microfluidic channels. While miniaturized probes exist, their diameters exceed the sub-millimeter scale required for true microreactor integration. Fluorescence-based pH sensors offer high sensitivity but require expensive, complex instrumentation and suffer from issues such as dye leaching and photostability, making them impractical for continuous, long-term monitoring in microreactors [31].
Microfluidic devices, particularly millireactors, are essential for advanced chemical processing due to their enhanced mass and heat transfer capabilities. Static mixers improve mixing efficiency in these systems, but their performance evaluation often relies on computational simulations or indirect measurements. This study presents an innovative approach by integrating pH-sensitive films into 3D printed millireactors to directly assess mixing efficiency. The key objectives are to develop and characterize sol–gel-based pH sensor films, to integrate these films into complex geometries of static mixers within millireactors, and to evaluate mixing performance through real-time colorimetric analysis. This non-invasive method provides a practical and efficient alternative for monitoring fluid behavior in continuous flow systems.
This study marks a significant advancement in sensor technology, as the reusability of these films enhances their practical applicability, allowing for multiple assessments without the need for replacement. Their ability to be uniformly deposited on complex geometries makes them particularly valuable in applications like millireactors, where complex channel designs enhance mixing and reaction efficiency. Furthermore, their suitability for integration into continuous processes positions these sensors as essential tools for real-time monitoring in dynamic systems. Unlike traditional fabrication techniques, additive manufacturing offers unmatched flexibility in customizing millireactor designs, including static mixers, while ensuring compatibility with sensor integration for real-time monitoring. Moreover, in this study, the performance of static mixers is assessed using an integrated pH-sensitive film, allowing for the direct visualization of mixing efficiency based on colorimetric changes. This novel approach provides a non-invasive method to monitor mixing quality for improved chemical processing in millireactors.
2. Materials and Methods
2.1. Materials and Preparation of Films
Formlabs High Temp, an acrylate-based resin, and Anycubic Basic, a resin based on acrylate and epoxy, were utilized for the fabrication of test plates and millireactors. For film preparation, tetraethoxysilane (TEOS) (98%, Alpha Aesar, Ward Hill, MA, USA), phenyltrimethoxysilane (PTMS) (97%, Sigma Aldrich, St. Louis, MO, USA), ethanol (97%, GRAM-MOL, Zagreb, Croatia), hydrochloric acid (HCl) (0.1 M, BDH Prolabo, Bengaluru, India), litmus (98%, Acros Organics, Geel, Belgium), and titanium dioxide (trade name: AEROXIDE TiO2 P 25, Evonik Industries, Essen, Germany) were used. Furthermore, the chemicals used for the preparation of solutions with varying pH values included hydrochloric acid (0.1 M, BDH Prolabo) and sodium hydroxide (0.1 M, Kemika, Zagreb, Croatia).
Test plates and millireactors were designed in Autodesk Fusion with a focus on design for additive manufacturing, ensuring compatibility with SLA and DLP technologies for optimized performance and precision. To test the behavior of the films in solutions with different pH values, test plates with dimensions of 20 mm × 10 mm × 1.5 mm were designed. For contact angle measurement and FTIR analysis, test plates with dimensions of 50 mm × 10 mm × 1.5 mm were designed. Two types of millireactors were designed in the same program: one tubular (Figure 1) millireactor as a reference and one with static mixers (Figure 2). The channel diameters were 2.00 mm, and the inlet and outlet diameters were 1.75 mm. The diameters of the inlet and outlet was set in such a way as to correspond to the diameter of the Teflon tubes used for the supply of liquids to the millireactor. After designing, all models were saved in STL file format.
Figure 1.
(a) Design of a tubular millireactor, (b) sketch of the tubular millireactor with dimensions in millimeters.
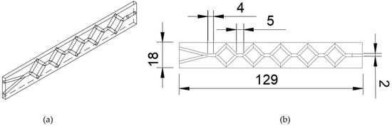
Figure 2.
(a) Design of a millireactor with static mixers, (b) sketch of the millireactor with static mixers with dimensions in millimeters.
The prepared STL files for the designed millireactors were imported into the Preform slicer from Formlabs and the Chitubox slicer. Preform is primarily designed for the Formlabs Form 2 3D printer, which uses stereolithography (SLA). In contrast, Chitubox is compatible with the Anycubic Photon M3 printer, which uses digital light processing (DLP) technology. When configuring the print settings for millireactors in the Preform slicer, a layer thickness of 0.050 mm was set. Such process enhancements improve resolution and reduce residual resin, ensuring high-quality additive manufacturing. The millireactors were oriented at a 45° inclination along the X and Y axes and at a 0° angle along the Z axis to reduce the residual resin within the channels, which could lead to printing issues or clogging. Notably, the millireactor with static mixers was oriented at a 90° angle along the Z axis due to previous blockages in the channels in other orientations. Support structures were utilized during the printing of the models, excluding internal supports, with a density of 1.45 and a contact point size of 0.60 mm. The same orientation and support configurations were applied for the millireactor models in the Chitubox slicer, where the support density was set to 80.00% with a 90° angle, cross width of 2.00 mm, and a starting height of 3.00 mm, also excluding internal support structures. In the preliminary experiments, the sensor films composed of litmus and litmus with TiO2 were investigated to develop an effective pH-sensing mechanism.
For the printing of millireactors on the Form 2 3D printer, High Temp V2 resin was used, while Anycubic Basic resin was utilized on the Anycubic Photon M3 printer. High Temp resin, composed of acrylate monomers, oligomers, and a photoinitiator, is initially in a liquid state and cures under the influence of light with a wavelength of 405 nm in 3D printers. Anycubic Basic resin cures under the same conditions and is made up of epoxy and acrylate monomers, along with a photoinitiator. After printing, millireactors were removed from the build platform, and the support structures were detached. Both the test plates and millireactors were then rinsed in isopropanol to eliminate excess resin. The channels of the millireactors were also rinsed with isopropanol and subsequently dried with an air compressor.
The pH sensor films were prepared using the sol–gel method, resulting in organic–inorganic hybrid materials combining litmus and TiO2 for enhanced optical and chemical stability. Tetraethoxysilane and phenyltrimethoxysilane were utilized as precursors, with ethanol serving as the solvent and hydrochloric acid as the reaction catalyst. Two distinct pH-sensing films were created based on different indicators. Prior to the preparation of the pH-sensing films, a litmus solution was prepared. The concentration of the prepared litmus solution was 5 mg/mL. The solution was prepared on a magnetic stirrer in a water bath by dissolving 250 mg of powdered litmus in 50 mL of distilled water. This process was conducted for one hour under continuous stirring at 200 rpm and a temperature of 80 °C. The preparation conditions were adapted from the literature [32]. After preparation, the solution was filtered and subsequently concentrated to half its initial volume by water evaporation under the same conditions as those used for the initial preparation.
The pH sensor film was based on litmus and TiO2. Quantities of precursors, solvent, indicator, and TiO2 to increase the color intensity, as predetermined in preliminary experiments, were added to the glass vial, and the vial was placed in a water bath on a magnetic stirrer with stirring at 300 rpm and a temperature of 60 °C. At 60 °C, the catalyst was added (Table 1). The mixing/reaction lasted for 1 h and 30 min.
Table 1.
Quantities of components of the pH sensor film based on litmus.
TiO₂ enhances brightness, opacity, and UV resistance through strong light scattering. Optimized particle size (~200–300 nm) maximizes reflectance in the visible spectrum, increasing opacity and pigment contrast, resulting in more intense and vivid colors [33].
The pH sensor films were applied to the test plates using the drop-coating method. The plates were immersed in glass bottles containing the film mixture for 10 s. Afterward, they were removed, and any excess film was removed mechanically. The coated plates were then left to dry for 7 days at room temperature.
For the millireactor channels, the film was applied using a syringe. The film solution was injected into the channels until the entire volume was filled, left in the channels for 10 s, and then blown out with an air compressor to ensure that the film layer was as thin and uniform as possible. The film was also allowed to dry for 7 days at room temperature.
2.2. Characterization and Experiments
To assess the functionality and pH operating range of the film based on litmus and TiO2, ten solutions with pH values ranging from 2 to 11 were prepared. These solutions were formulated by diluting 0.1 M hydrochloric acid and 0.1 M sodium hydroxide with distilled water. The pH values of the solutions were measured using a pH/mV/Ion/Temp Meter BT-675 from Boeco (Hamburg, Germany).
After the films were dried, the test plates were immersed in the solutions of varying pH values, and color changes were monitored at intervals of 10 s, 1 min, 5 min, and 10 min. All test plates were photographed using an iPhone 14 at specific time points, and the images were processed using the Color Picker AR application to determine the RGB and the hue (H value) of the film’s color. The photographs of the test plates and the millireactors were imported in the Color Picker AR application, where areas designated for color analysis were defined manually. The application displayed RGB (red, green, blue) and H values (hue). Additionally, the H values can be calculated from the recorded RGB following the formula below (Formula (1)) [34].
where R′G′B′ values were calculated from [34]:
(A) H = 60° × [(G′ − B′)/(R′ − B′)] for R ≥ G ≥ B
(B) H = 60° × [(2 − (R′ − B′)/(G′ − B′)] for G > R ≥ B
(C) H = 60° × [2 + (B′ − R′)/(G′ − R′)] for G > B ≥ R
(D) H = 60° × [4 − (G′ − R′)/(B’ − R′)] for B > G > R
(E) H = 60° × [4+ (R′ − G′)/(B’ − G′)] for B ≥ R ≥ G
(F) H = 60° × [6 − (B′ − G′)/(R′ − G′)] for R ≥ B ≥ G
(B) H = 60° × [(2 − (R′ − B′)/(G′ − B′)] for G > R ≥ B
(C) H = 60° × [2 + (B′ − R′)/(G′ − R′)] for G > B ≥ R
(D) H = 60° × [4 − (G′ − R′)/(B’ − R′)] for B > G > R
(E) H = 60° × [4+ (R′ − G′)/(B’ − G′)] for B ≥ R ≥ G
(F) H = 60° × [6 − (B′ − G′)/(R′ − G′)] for R ≥ B ≥ G
- R′ = (R value)/255
- G′ = (G value)/255
- B′ = (B value)/255
The tested films were applied to test plates measuring 50 mm × 10 mm × 1.5 mm using the previously described method. Material characterization techniques, such as contact angle measurements with the OCA 20 goniometer from DataPhysics, were employed to evaluate the impact of the films on the surface properties. Contact angles were measured for the films based on the test plates coated with litmus film (with added TiO2) and on the High Temp and Anycubic Basic resin plates without films, which served as references. Water and diiodomethane were used as test liquids. The contact angle was measured after 60–80 ms using a fitting based on the Young–Laplace equation. Each fluid was tested on every test plate at least three times.
The films within the channels of the millireactor and their performance in the millireactor channels were evaluated by passing solutions of different pH values using Aladdin AL-1000 syringe pumps (World Precision Instruments, Sarasota, FL, USA) (Figure 3).
Figure 3.
Experimental setup with two syringe pumps connected to a millireactor.
In the first part of the experiment, solutions of the following pH combinations—2 and 7; 7 and 11; and 2 and 11—were simultaneously passed through the millireactor channels at a flow rate of 500 µL/min. When changing the pH of the solutions, it was necessary to rinse the millireactor channels with distilled water to remove any residual acid or base. The millireactors were photographed after 10 s, 30 s, 1 min, and 5 min. The color change in the films was monitored through image processing using the Color Picker AR application.
In the second part of the experiment, the films and their reusability were assessed using a cyclic flow of pH solutions. A combination of pH 2 and pH 11 solutions was employed due to the most pronounced color difference. The solutions simultaneously flowed through the millireactor channels, with one solution consistently dominating the flow. Flow rates of 50 µL/min and 500 µL/min were utilized. In one cycle, the flow of the acid was set to 50 µL/min, while the base flow was set to 500 µL/min, and in the subsequent cycle, the flows were reversed. A total of 20 cycles, each lasting 2 min, were conducted. The millireactors were recorded throughout the experiment, and the color change in the films was analyzed using the Color Picker AR application every 30 s. Each point was measured three times, and the results are displayed as standard deviation in form of error bars in the charts.
3. Results
3.1. pH Test on Test Plates
For the first part of experiment, test plates coated with litmus pH sensor film with TiO2 were used. After the pH sensor films were dried, each test plate was immersed in a solution with different pH value for 5 min. The color change was monitored by photographing the plates with a smartphone and processing the images using the Color Picker AR application. The processing results were presented as RGB and hue values numerically (Table 2) and graphically (Figure 4).
Table 2.
RGB and hue values with the corresponding colors for the test plates coated with a pH sensor film based on litmus and TiO2.
Figure 4.
Graphical representation of the dependance of RGB and hue values on the pH of the solution that the test plates were immersed in for 5 min.
The results presented in Table 2 and Figure 4 indicate that there was a color change in the film in solutions with different pH values after 1 min. Due to the photography conditions, all images exhibit a brownish tint, but a visible change from reddish to blue–purple occurs when the medium shifts from acidic to alkaline.
The R and G values decrease overall from pH 2 to pH 10, with a more notable decrease in the R value from pH 7 to pH 10. Additionally, the B value seems to follow the same trend as the G value, from pH 7 to pH 10. Thus, a general trend of decreasing R values and increasing B values can be observed when transitioning from acidic to alkaline media. The hue values corroborate the trends observed in the RGB values and the most pronounced color change occurring after pH 7, characterized by a significant increase in hue values up to pH 10.
The color change in the litmus indicator typically occurs within a pH range of 4.5 to 8.3. The results indicate the most significant range from pH 7 to pH 8, which fits within the theoretical range. This appears as a typical A curve characteristic of the indicator color during neutralization. The results may be affected by the immobilization of the indicator on the film, resulting in a reduced responsiveness of the indicator. Consequently, a longer diffusion time may be required for ions from acidic and alkaline solutions to interact with the indicator molecules.
3.2. Contact Angle
Table 3 presents the results obtained from contact angle measurements on the surface of the test plates with and without films. The test liquids used were water and diiodomethane. Measuring the contact angle with water allows for the determination of surface hydrophilicity or hydrophobicity. For the test plates made of High Temp resin, the largest contact angle is observed on the test plate without a film. The surface of the test plate without a film and with a film based on litmus and TiO2 is hydrophilic, with a larger contact angle observed on the test plate without a film. For the test plates made of Anycubic Basic resin, all surfaces are hydrophilic, with contact angle being greater for the test plate with a film based on litmus and TiO2 than for the test plate without a film. The hydrophilicity of the films is important, as it facilitates the diffusion of ions from aqueous acid and base solutions, enabling contact with indicator molecules within the film. Measurements of the contact angle with diiodomethane generally yield lower values, but these values follow the same trend as the contact angles obtained with water.
Table 3.
Results of contact angle measurements and surface free energy calculations.
Table 3 also presents the calculated values of free surface energy according to the Owens–Wendt model. For the test plates made of High Temp resin, the free surface energy is greater for the test plates with a film based on litmus and TiO2 than for the test plates without a film. The total free surface energy for the test plates made of Anycubic Basic resin is also greater for the test plates with a film based on litmus and TiO2 than for the test plates without a film, with dispersive and polar component values following the same pattern.
3.3. pH Test in Millireactor Channels
In the investigation into the performance of the pH sensor films in the millireactor channels (Figure 5), the millireactors were tested by mixing solutions of different pH values at a constant flow rate of 500 µL/min. Solutions with pH values of 2 and 7, 7 and 11, and 2 and 11 were used to evaluate the response of the sensor films under varying flow conditions and assess their functionality across intricate channel designs.
Figure 5.
Millireactors made from (a) Anycubic Basic resin and (b) High Temp resin 300 s after the introduction of acid and base with marked points of analysis.
After the preliminary research revealed that color change is most pronounced when using solutions with pH values 2 and 11, this combination of solutions was utilized during the cyclic assessments.
During the cyclic experiments, solutions with pH 2 and 11 were brought into contact using varying flow rates, ensuring that one solution was in surplus during each cycle. The applied flow rates ranged from 50 µL/min to 500 µL/min, and a total of 20 cycles, each lasting 2 min, were conducted. The cycle duration was determined based on observations from the initial phase of the study, where color changes in the film were clearly visible after 60 s. The acid was introduced at inlet 1, while the base was introduced at inlet 2. All cycles were recorded, and color was monitored at the center of the millireactor, designated by points in Figure 5, through screen capture analysis using the Color Picker AR application. Screen captures were taken every 30 s. The first ones that were tested were the millireactors made from Anycubic Basic resin without the static mixers.
The color change over time was tracked through screen capture analysis, and the corresponding H values were calculated based on the RGB values from the application. The H values were then plotted graphically to illustrate the dynamic processes occurring within the millireactors.
The results shown in Figure 6 reveal that a sinusoidal curve is obtained by analyzing the color change in the film at the center of the millireactor. There is no mixing of the solutions, as the film’s color is determined by the solution in excess; the film appears red when the acid is in excess, at which point the H values increase, and it appears purple when the base is in excess, at which point the H values decrease.
Figure 6.
Graphical representation of the dependence of the H values on time, with error bars, in the middle of the millireactor made of Anycubic Basic resin without static mixers in acid and base flow exchange cycles ((A)—acid flow is dominant, (B)—base flow is dominant).
The results in Figure 7 show that the curve takes on a sinusoidal shape during the examination of the color change. The film color alternates between red and purple depending on which solution is in excess, indicating that the solutions are mixed. However, improved mixing in the millireactor with the static mixers is reflected in the narrower range of H values observed at later times, which also suggests that the color of the pH film within the millireactor channels does not change as much during the change in the medium.
Figure 7.
Graphical representation of the dependence of H values on time, with error bars, in the middle of the millireactor with static mixers made of Anycubic Basic resin in acid (A) and base (B) flow exchange cycles.
An analysis of the pH-sensitive film in Anycubic Basic resin millireactors over 20 cycles suggests improved mixing with the implementation of static mixers, as indicated by a smaller range of H values at later times. The pH sensor film remained stable throughout the experiment, consistently showing color changes, suggesting the potential for long-term use in continuous pH monitoring processes.
In the next part of the cyclic experiment, the color change was monitored in the millireactors without static mixers made of High Temp resin. As in the previous experiment, one cycle involved introducing the acid at a higher flow rate of 500 µL/min, while in the subsequent cycle, the base was introduced at 500 µL/min.
The results shown in Figure 8 indicate that the mixing of solutions does not occur in the millireactor channels, as evidenced by the increase in the H values during cycles with excess acid and the decrease in the H values during cycles with excess base. Therefore, there is a color shift from red to light blue and vice versa in cycles. However, the color change is subtle due to the lower transparency of the millireactor. This reduced change is reflected in the smaller range of H value variation.
Figure 8.
Graphical representation of the H values’ dependence on time, with error bars, in the middle of the millireactor made of High Temp resin during cycles of alternating acid (A) and base (B) flow.
As shown in Figure 9, the H values distinctly increase during cycles with excess acid and decrease during cycles with excess base. This occurs due to a color shift from red to light purple. However, the color change is less pronounced compared to that in the millireactor without static mixers, as indicated by the smaller range of H value variations, from 17° to 21°. This suggests that mixing between the two solutions improves as they pass through the static mixers.
Figure 9.
Graphical representation of the H values’ dependence on time, with error bars, in the middle of the millireactor with static mixers made of High Temp resin during cycles of alternating acid (A) and base (B) flow.
The examination of the pH sensor film in High Temp resin millireactors over 20 cycles shows that the use of millireactors with static mixers improves mixing. The film remained stable throughout the entire experiment and exhibited a color change over the course of the study. The change in the millireactors made of High Temp resin was visible to the naked eye, but not as clearly as that in the Anycubic Basic resin millireactors due to the reduced transparency of the High Temp resin and the yellowing of the resin.
A comparative assessment of millireactors fabricated from Formlabs High Temp and Anycubic Basic resins was performed to examine their impact on sensor film performance. While both materials allowed for effective sensor integration, the higher transparency of Anycubic Basic resin facilitated more distinct colorimetric detection, whereas the Formlabs High Temp resin exhibited reduced visibility due to its yellowish tint. Despite these differences, the pH-sensitive films remained functional in both systems, demonstrating their versatility across different 3D printing materials.
Reversibility, expressed as the relative standard deviation of the maximum hue value in the dominantly basic flow, was found to be 2.4–3.3% for all measurements. These calculations indicate excellent reversibility.
Given the color change in the film throughout the experiment and its excellent stability, it can be concluded that the film may be used for longer-term testing, such as monitoring pH in continuous processes.
The mixing index calculations based on RGB color model analysis demonstrate the effectiveness of the static mixer in enhancing mixing efficiency within millireactors. The methodology for the calculation was adopted from Liu et al. [35]. The results indicate 91% effectiveness for the mixing index in the tubular reactor made of Anycubic Basic resin, while its equivalent with static mixers shows 95% effectiveness after two minutes. For the Formlabs High Temp resin, the results indicate 92% effectiveness based on the mixing index in the tubular reactor and 96% effectiveness in the reactor with static mixers after two minutes. These calculations follow the same trend and confirm the above-mentioned results.
4. Conclusions
Test plates and millireactors with 2 mm channel diameters, both with and without static mixers, were successfully fabricated using Anycubic Basic and High Temp resins via DLP and SLA technologies. A pH-sensitive film based on litmus and TiO2 was prepared using the sol–gel method and applied to the test plates, demonstrating uniform surface coverage and consistent color changes in response to solutions with varying pH values. Contact angle measurements confirmed that the test plates, with and without the pH sensor film, were hydrophilic, a property that facilitates ion diffusion and enhances film performance. This study showed the integration of pH-sensitive films into 3D printed millireactors, underscoring their potential for application in continuous industrial processes, lab-on-chip systems, and advanced diagnostics. The pH-sensitive film remained stable throughout the tests, maintaining its responsiveness and suggesting its potential for long-term use in continuous pH monitoring applications. Sensor films exhibited excellent stability and reversibility, calculated as RSD = 2.4–3.3%. The findings also highlight the advantages of combining innovative sensor films with advanced manufacturing techniques for the development of efficient and durable chemical sensing platforms. They also demonstrate that the pH-sensitive films maintain consistent performance on complex geometries, such as static mixers.
This study demonstrates that the stable pH-sensitive film enables the continuous monitoring of pH throughout the entire reactor volume, providing valuable insights into the effectiveness of static mixers. By integrating this optical sensing method, one can assess the degree of mixing within the reactor in real time, ensuring more uniform reactant distribution. Improved mixing not only enhances reaction control but also contributes to process stability, reproducibility, and efficiency. The ability to visualize and quantify pH variations across different regions of the reactor confirms that static mixers play a key role in optimizing reaction conditions. This approach presents a significant step forward in refining the design and functionality of millireactors, particularly in applications requiring precise control over chemical reactions and mixing dynamics.
Author Contributions
M.-P.M.: Conceptualization, Data Curation, Formal analysis, Investigation, Methodology, Validation, Visualization, Writing—original draft, Writing—review and editing. E.F.: Formal analysis, Methodology, Validation, Visualization, Writing—original draft, Writing—review and editing. P.K.: Methodology, Validation, Visualization, Writing—review and editing, A.N.: Data curation, Formal analysis, Investigation, Validation. D.V.: Conceptualization, Funding acquisition, Methodology, Supervision, Validation, Visualization, Writing—review and editing. All authors have read and agreed to the published version of the manuscript.
Funding
This work was supported by the Croatian Science Foundation under the projects HRZZ-DOK-NPOO-2023-10-1144, HRZZ-DOK-2021-02-5999, and HRZZ-IP-2022-10-8004.
Institutional Review Board Statement
Not applicable.
Informed Consent Statement
Not applicable.
Data Availability Statement
The raw data supporting the conclusions of this article will be made available by the authors on request.
Conflicts of Interest
The authors declare no conflicts of interest. The funders had no role in the design of the study; in the collection, analyses, or interpretation of data; in the writing of the manuscript; or in the decision to publish the results.
References
- Ehrfeld, W.; Hessel, V.; Löwe, H. Microreactors: New Technology for Modern Chemistry; Wiley-VCH: Weinheim, Germany, 2000; pp. 1–300. [Google Scholar]
- Bojang, A.A.; Wu, H. Design, Fundamental Principles of Fabrication and Applications of Microreactors. Processes 2020, 8, 891. [Google Scholar] [CrossRef]
- Peng, Z.; Wang, G.; Moghtaderi, B.; Doroodchi, E. A review of microreactors based on slurry Taylor (segmented) flow. Chem. Eng. Sci. 2022, 247, 1–23. [Google Scholar] [CrossRef]
- Ran, J.; Wang, X.; Liu, Y.; Yin, S.; Li, S.; Zhang, L. Microreactor-based micro/nanomaterials: Fabrication, advances, and outlook. Mater. Horiz. 2023, 10, 2343–2372. [Google Scholar] [CrossRef]
- Rogolino, A.; Savio, G. Trends in additively manufactured microfluidics, microreactors, and catalytic materials. Mater. Adv. 2021, 2, 845–855. [Google Scholar] [CrossRef]
- Shahrubudin, N.; Lee, T.C.; Ramlan, R. An overview on 3D printing technology: Technological, materials, and applications. Procedia Manuf. 2019, 35, 1286–1296. [Google Scholar] [CrossRef]
- Ali, H.; Batai, S.; Sarbassov, D. 3D printing: A critical review of current development and future prospects. Rapid Prototyp. J. 2019, 25, 1108–1126. [Google Scholar] [CrossRef]
- Cardoso, R.M.; Kalinke, C.; Rocha, R.G.; dos Santos, P.L.; Rocha, D.P.; Oliveira, P.R.; Janegitz, B.C.; Bonacin, J.A.; Richter, M.; Munoz, R. Additive-manufactured (3D-printed) electrochemical sensors: A critical review. Anal. Chim. Acta 2020, 1118, 73–91. [Google Scholar] [CrossRef]
- Taylor, R.F.; Schultz, J.S. Handbook of Chemical and Biological Sensors; Institute of Physics Publishing: Bristol, UK, 1996; pp. 1–400. [Google Scholar]
- Mazzotta, E.; Rella, S.; Turco, A.; Malitesta, C. XPS in development of chemical sensors. RSC Adv. 2015, 101, 1–10. [Google Scholar] [CrossRef]
- Lobnik, A.; Turel, M.; Korent Urek, Š. Optical chemical sensors: Design and applications. In Advances in Chemical Sensors; IntechOpen: Rijeka, Croatia, 2011; Volume 4, pp. 4–8. [Google Scholar]
- Korotcenkov, G. Chemical Sensors: Fundamentals of Sensing Materials; Momentum Press: New York, NY, USA, 2010; Volume 1, pp. 1–250. [Google Scholar]
- Janata, J. Principles of Chemical Sensors, 2nd ed.; Springer: Berlin, Germany, 2009; pp. 1–300. [Google Scholar]
- Kreno, L.E.; Leong, K.; Farha, O.K.; Allendorf, M.; Van Duyne, R.P.; Hupp, J.T. Metal–Organic Framework Materials as Chemical Sensors. Chem. Rev. 2012, 112, 1105–1125. [Google Scholar] [CrossRef]
- Butler, T.M.; MacCraith, B.D.; McDonagh, C. Leaching in sol-gel-derived silica films for optical pH sensing. J. Non-Cryst. Solids 1998, 224, 249–258. [Google Scholar] [CrossRef]
- Bignall, L.; Magnenet, C.; Ramsamy, C.; Lakard, S.; Vassal, S.; Lakard, B. Polyaniline-based flexible sensor for pH monitoring in oxidizing environments. Chemosensors 2024, 12, 97. [Google Scholar] [CrossRef]
- El-Ashgar, N.M. Sol-gel thin films immobilized with Bromcresol Purple pH-sensitive indicator in presence of surfactants. Int. Sch. Res. Not. 2012, 2012, 1–10. [Google Scholar] [CrossRef]
- Chaudhury, N.K.; Gupta, R.; Gulia, S. Sol-gel technology for sensor applications. Def. Sci. J. 2007, 57, 241–253. [Google Scholar] [CrossRef]
- Shange, M.G.; Khumalo, N.L.; Mohomane, S.M.; Motaung, T.E. Factors affecting silica/cellulose nanocomposite prepared via the sol-gel technique: A review. Materials 2024, 17, 1973. [Google Scholar] [CrossRef]
- Bandyopadhyay, A.; Bhowmick, A.K. Factors influencing the structure and properties of nanocomposites derived by sol-gel technique. J. Polym. Eng. 2006, 26, 8–9. [Google Scholar] [CrossRef]
- Ulatowska-Jarza, A.; Andrzejewski, D.; Maruszewski, K.; Podbielska, H.; Strek, W. Advantages of sol-gel technologies for biomedical applications. Opt. Imaging Tech. Biomonit. IV 1999, 3567, 50–58. [Google Scholar]
- Mujahid, A.; Lieberzeit, P.A.; Dickert, F.L. Chemical sensors based on molecularly imprinted sol-gel materials. Materials 2010, 3, 2196–2217. [Google Scholar] [CrossRef]
- Zaggout, F.R. Entrapment of phenol red pH indicator into a sol-gel matrix. Mater. Lett. 2006, 60, 1026–1030. [Google Scholar] [CrossRef]
- Rottman, C.; Ottolenghi, M.; Zusman, R.; Lev, O.; Smith, M.; Gong, G.; Kagan, M.; Avnir, D. Doped sol-gel glasses as pH sensors. Mater. Lett. 1992, 6, 293–298. [Google Scholar] [CrossRef]
- Wencel, D.; Abel, T.; McDonagh, C. Optical chemical pH sensors. Chem. Rev. 2014, 1, 15–29. [Google Scholar] [CrossRef]
- Lobnik, A.; Oehme, I.; Murkovic, I.; Wolfbeis, O.S. pH optical sensors based on sol-gels: Chemical doping versus covalent immobilization. Anal. Chim. Acta 1998, 367, 159–165. [Google Scholar] [CrossRef]
- Grant, S.A.; Glass, R.S. A sol-gel based fiber optic sensor for local blood pH measurements. Sens. Actuators B Chem. 1997, 45, 35–42. [Google Scholar] [CrossRef]
- Ćevid, I.; Cingesar, I.K.; Marković, M.-P.; Vrsaljko, D. Development of Static Mixers for Millireactors and Their Production by Vat Photopolymerization. Micromachines 2024, 15, 682. [Google Scholar] [CrossRef] [PubMed]
- Meijer, H.E.; Singh, M.K.; Anderson, P.D. On the performance of static mixers: A quantitative comparison. Prog. Polym. Sci. 2012, 37, 1333–1349. [Google Scholar] [CrossRef]
- Thakur, R.K.; Vial, C.; Nigam, K.; Nauman, E.; Djelveh, G. Static Mixers in the Process Industries – A Review. Chem. Eng. Res. Des. 2003, 81, 787–826. [Google Scholar] [CrossRef]
- Steinegger, A.; Wolfbeis, O.S.; Borisov, S.M. Optical Sensing and Imaging of pH Values: Spectroscopies, Materials, and Applications. Chem. Rev. 2020, 120, 12357–12489. [Google Scholar] [CrossRef]
- Liang, T.; Wang, L. A pH-sensing film from tamarind seed polysaccharide with litmus lichen extract as an indicator. Polymers 2018, 10, 13. [Google Scholar] [CrossRef]
- Morsy, F.A.; El-Sherbiny, S.; Samir, M.; Fouad, O.A. Application of nanostructured titanium dioxide pigments in paper coating: A comparison between prepared and commercially available ones. J. Coat. Technol. Res. 2015, 13, 307–316. [Google Scholar] [CrossRef]
- Cantrell, K.; Erenas, M.M.; de Orbe-Payá, I.; Capitán-Vallvey, L.F. Use of the hue parameter of the hue, saturation, value color space as a quantitative analytical parameter for bitonal optical sensors. Anal. Chem. 2010, 82, 531–542. [Google Scholar] [CrossRef]
- Liu, X.; Zhang, D.; Liu, J.; Wang, L.; Li, S. RGB Color Model Analysis for a Simple Structured Polydimethylsiloxane Pneumatic Micromixer. SLAS Technol. 2021, 26, 510–518. [Google Scholar] [CrossRef]
Disclaimer/Publisher’s Note: The statements, opinions and data contained in all publications are solely those of the individual author(s) and contributor(s) and not of MDPI and/or the editor(s). MDPI and/or the editor(s) disclaim responsibility for any injury to people or property resulting from any ideas, methods, instructions or products referred to in the content. |
© 2025 by the authors. Licensee MDPI, Basel, Switzerland. This article is an open access article distributed under the terms and conditions of the Creative Commons Attribution (CC BY) license (https://creativecommons.org/licenses/by/4.0/).








