A Hardware-in-the-Loop Simulation Case Study of High-Order Sliding Mode Control for a Flexible-Link Robotic Arm
Abstract
1. Introduction
- Simulating large, complex, and costly electromechanical systems using minimal hardware.
- Safely testing equipment under extreme or hazardous conditions (e.g., space, deep sea, or planetary environments).
- Mitigating risks in systems involving hazardous or high-energy components.
2. Dynamics and Control of the Flexible-Link Robotic Arm
2.1. Dynamic Equations of Motion
- The beam undergoes small elastic deformations, represented by generalized coordinates.
- Second-order elastic deformation terms of the form qi, qj are negligible.
2.2. Derivation of the Control Signal
Sliding Manifold Selection
3. HIL Setup
3.1. HIL Setup Hardware Structure
- Generating setpoints and reference trajectories.
- Computing the control torque for the actuator motor.
- Producing load torques via the secondary motor to simulate flexible-link dynamics.
3.2. HIL Setup Software Structure
- Trajectory Planning and Generation—Defines desired position and velocity profiles for the actuator.
- Torque Computation for the Load Simulator—Calculates the torque demand for the secondary motor to emulate flexible-link dynamics.
- Control Signal Generation for the Actuator—Produces the final control input based on feedback and the selected nonlinear control algorithm.
4. Experiments Using HIL Setup
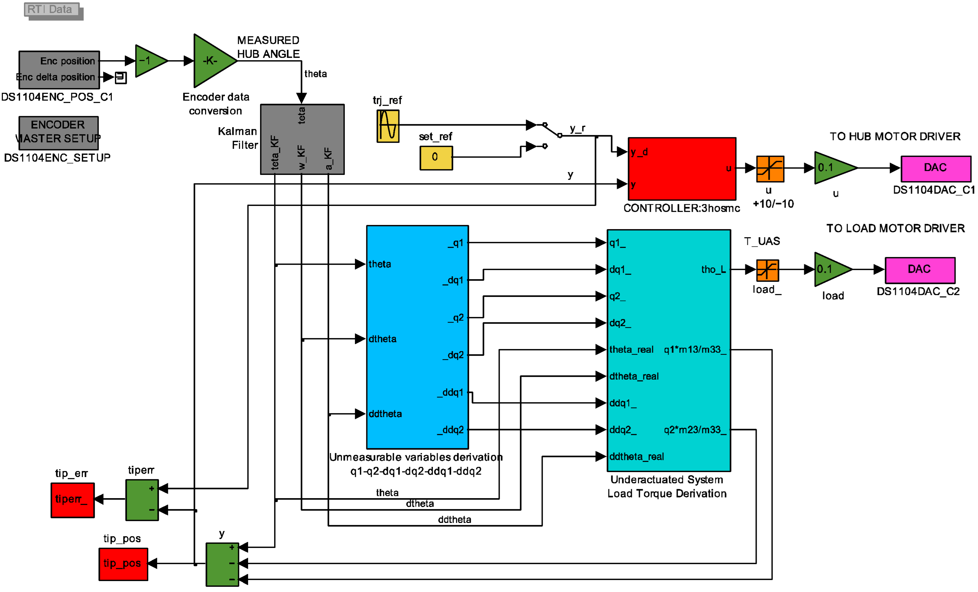
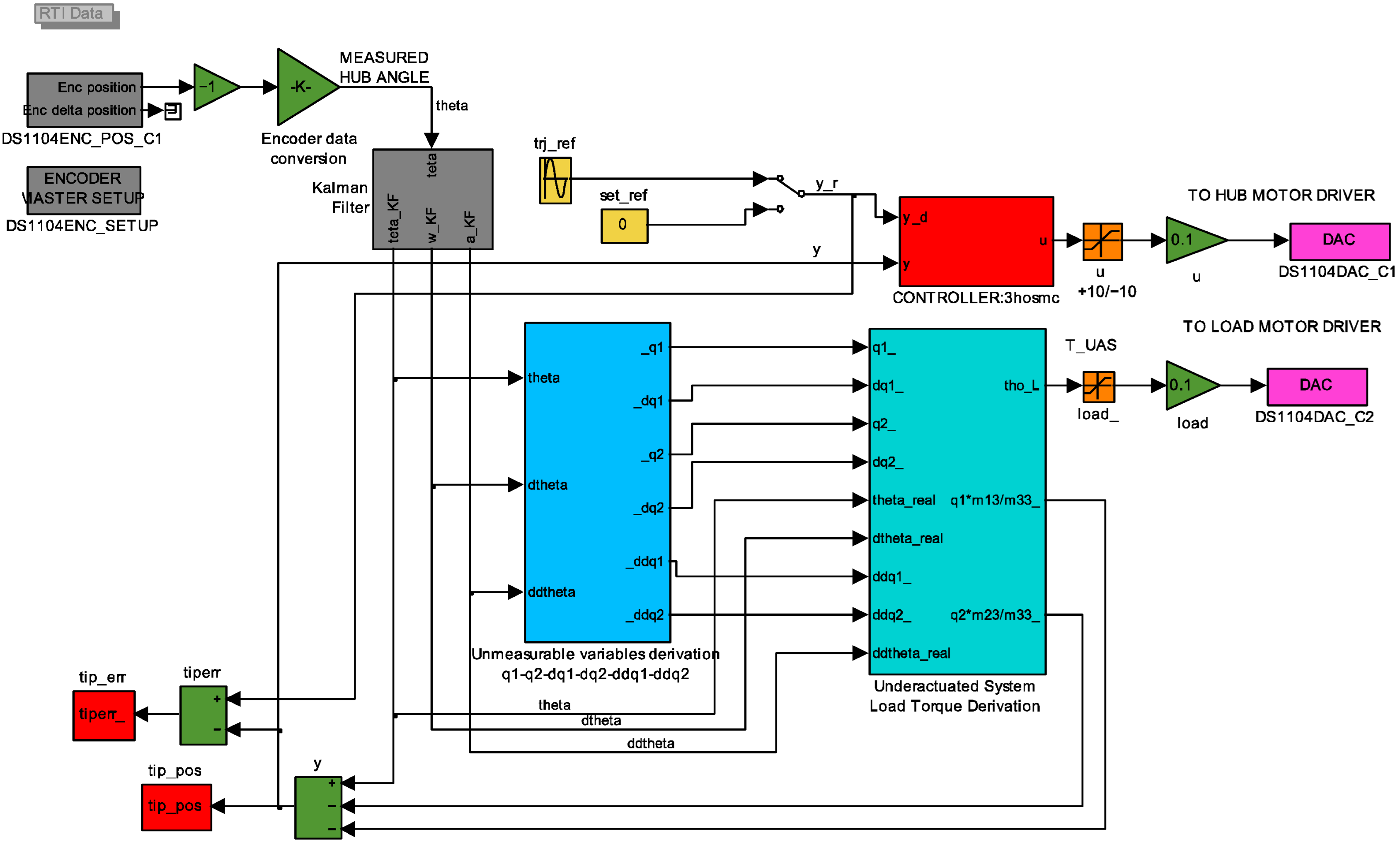
4.1. Control Signal Implementation in HIL Setup
4.2. Derivation of Unmeasurable Variables in HIL Setup
4.3. Load Torque Production in HIL Setup
4.4. Experimental Data Analysis in HIL Setup
- HOSMC Results—Figure 16, Figure 17, Figure 18, Figure 19, Figure 20, Figure 21, Figure 22 and Figure 23 present the results for second and third degree HOSMC. Compared to SMC, HOSMC provided faster convergence (Figure 13a vs. Figure 17a), reduced residual vibration amplitudes (Figure 13b vs. Figure 17b), and smoother control signals.
- Performance Comparison
- Convergence and Tracking—HOSMC achieved shorter settling times and improved tracking accuracy compared to SMC, particularly for smooth or moderate-speed trajectories.
- Vibration Suppression—The amplitude of flexible modes was significantly reduced under HOSMC, demonstrating effective damping of high-frequency oscillations.
- Control Smoothness—HOSMC reduced chattering and produced smoother torque outputs, lowering mechanical stress on actuators.
- Limitations—In high-frequency, high-acceleration trajectories, HOSMC’s damping effect occasionally reduced peak amplitude tracking, introducing a small steady-state error in rapid transitions.
5. Conclusions
Author Contributions
Funding
Institutional Review Board Statement
Informed Consent Statement
Data Availability Statement
Acknowledgments
Conflicts of Interest
Appendix A
| Algorithm A1: Discrete-Time Kalman Filter |
| Initialization: x̂(θ) ← xθ # Initial state estimate P(θ) ← Pθ # Initial error covariance Define Q, R # Process and measurement noise covariance Define A, B, C, D # State-space model matrices For each time step k do: 1: Prediction step: x̂−(k) = A · x̂(k − 1) + B · u(k − 1) # State prediction P−(k) = A · P(k − 1) · Aᵀ + Q # Covariance prediction 2: Measurement update: K(k) = P−(k) · Cᵀ · (C · P−(k) · Cᵀ + R)−1 # Kalman gain ŷ(k) = C · x̂−(k) + D · u(k) # Predicted measurement e(k) = y_meas(k) − ŷ(k) # Innovation (residual) x̂(k) = x̂−(k) + K(k) · e(k) # State correction P(k) = (I − K(k) · C) · P−(k) # Covariance correction Outputs: x̂(k) # Estimated states (e.g., θ, ω, a) ŷ(k) # Predicted measurement K(k) # Kalman gain |
References
- Asada, H.; Youcef-Toumi, K. Direct-Drive Robots: Theory and Practice; MIT Press: Cambridge, MA, USA, 1987. [Google Scholar]
- Simon, D.L.; Bianco, S.J.; Horning, M.A.; Saus, J.R.; Amthor, A.E.; Sachs-Wetstone, J.J. Real-Time Hardware-in-the-Loop Evaluation of a Partially Turboelectric Propulsion Control Design; NASA Technical Memorandum NASA/TM–20230010194. In Proceedings of the AIAA Aviation Electrified Aircraft Technology Symposium, San Diego, CA, USA, 12–16 June 2023. [Google Scholar]
- Düzgün, M.T.; Heusch, C.; Krysmon, S.; Dönitz, C.; Lee, S.-Y.; Andert, J.; Pischinger, S. Dynamic Closed-Loop Validation of a Hardware-in-the-Loop Testbench for Parallel Hybrid Electric Vehicles. World Electr. Veh. J. 2025, 16, 273. [Google Scholar] [CrossRef]
- Wang, Z.; Zha, J.; Wang, J. Autonomous vehicle trajectory following: A flatness model predictive control approach with hardware-in-the-loop verification. IEEE Trans. Intell. Transp. Syst. 2021, 22, 5613–5623. [Google Scholar] [CrossRef]
- Moreira, M.L.; Singh, R.; Gomez-Badillo, A.; Albakri, B.; Venugopal, V.; Park, Y.; Cetin, S. Hardware-in-the-Loop Controller Testing and Visualization of an Industrial Gantry. Front. Mech. Eng. 2025, 10, 1451042. [Google Scholar] [CrossRef]
- Tran, D.T.; Nguyen, T.D.; Tran, M.K.; Ahn, K.K. Development of a Hardware-in-the-Loop Platform for a Teleoperation Flexibility Robotic System. Appl. Sci. 2024, 14, 2207. [Google Scholar] [CrossRef]
- Martin, A. Dynamic load emulation in hardware-in-the-loop simulation of robot manipulators. IEEE Trans. Ind. Electron. 2011, 58, 2980–2988. [Google Scholar] [CrossRef]
- Waszniowski, L.; Hanzálek, Z.; Doubrava, J. Aircraft control system validation via hardware-in-the-loop simulation. J. Aircr. 2011, 48, 1466–1468. [Google Scholar] [CrossRef]
- Viehweider, A.; Lauss, G.; Felix, L. Stabilization of power hardware-in-the-loop simulations of electric energy systems. Simul. Model. Pract. Theory 2011, 19, 1699–1708. [Google Scholar] [CrossRef]
- Gaspar, J.F.; Pinheiro, R.F.; Mendes, M.J.G.C.; Kamarlouei, M.; Soares, C.G. Review on hardware-in-the-loop simulation of wave energy converters and power take-offs. Renew. Sustain. Energy Rev. 2024, 191, 114144. [Google Scholar] [CrossRef]
- Mazzoleni, N.; Bryant, M. Hardware-in-the-loop dynamic load emulation of robotic systems actuated by fluidic artificial muscles. J. Intell. Mater. Syst. Struct. 2024, 35, 945–959. [Google Scholar] [CrossRef]
- Li, T.; Wang, Y.; Yang, Z.; Yang, T.; Deng, S.; Liang, B.; Du, B. Research on Full Hardware-in-loop Ground Simulation Test Method of Space Manipulator. In Proceedings of the 2022 Chinese Intelligent Systems Conference, Beijing, China, 15–16 October 2022; Springer: Singapore, 2022; pp. 703–710. [Google Scholar] [CrossRef]
- Malekzadeh, M.; Rezayati, M.; Saboohi, M. Hardware-in-the-loop attitude control via a high-order sliding mode controller/observer. Proc. Inst. Mech. Eng. Part G J. Aerosp. Eng. 2018, 232, 1944–1960. [Google Scholar] [CrossRef]
- Rezkallah, M.; Hamadi, A.; Chandra, A.; Singh, B. Real-time HIL implementation of sliding mode control for standalone system based on PV array without using dumpload. IEEE Trans. Sustain. Energy 2015, 6, 1389–1398. [Google Scholar] [CrossRef]
- Bayrakceken, M.K.; Arisoy, A. An Educational Setup for Nonlinear Control Systems: Enhancing the motivation and learning in a targeted curriculum by experimental practices. IEEE Control Syst. Mag. 2013, 33, 64–81. [Google Scholar]
- Or, K.; Wu, K.; Nakano, K.; Ikeda, M.; Ando, M.; Kuniyoshi, Y.; Niiyama, R. Curriculum-reinforcement learning on simulation platform of tendon-driven high-degree of freedom underactuated manipulator. Front. Robot. AI 2023, 10, 1066518. [Google Scholar] [CrossRef]
- Lochan, K.; Roy, B.K.; Subudhi, B. A review on two-link flexible manipulators. Annu. Rev. Control 2016, 42, 346–367. [Google Scholar] [CrossRef]
- Sayahkarajy, M.; Mohamed, Z.; Faudzi, A.A.M. Review of modelling and control of flexible-link manipulators. Proc. Inst. Mech. Eng. Part I J. Syst. Control Eng. 2016, 230, 861–873. [Google Scholar] [CrossRef]
- Geniele, H.; Patel, R.V.; Khorasani, K. End-point control of a flexible-link manipulator: An experimental study. IEEE Trans. Control Syst. Technol. 1997, 5, 556–570. [Google Scholar] [CrossRef]
- Karim, M.I.; Hashim, A.A.A.; Abdul Ghani, N.M. Control of Double Link Flexible Robotic Manipulator System. J. Eur. Des Systèmes Autom. 2022, 55, 755–762. [Google Scholar] [CrossRef]
- Jing, F.; Ma, C.; Wang, F.; Xie, M.; Feng, X.; Fan, X.; Wang, X.; Liu, P. Tracking control of a flexible-link manipulator based on an improved barrier function adaptive sliding mode. Asian J. Control 2024, 26, 2916–2932. [Google Scholar] [CrossRef]
- Zhao, Z.; Chang, H.; Wu, C. Adaptive fuzzy command filtered tracking control for flexible robotic arm with input dead-zone. Appl. Sci. 2023, 13, 10812. [Google Scholar] [CrossRef]
- Gambhire, S.J.; Kishore, D.R.; Londhe, P.S.; Pawar, S.N. Review of sliding mode based control techniques for control system applications. Int. J. Dyn. Control 2021, 9, 363–378. [Google Scholar] [CrossRef]
- Zaihidee, F.M.; Mekhilef, S.; Mubin, M. Robust speed control of pmsm using sliding mode control (smc)—A review. Energies 2019, 12, 1669. [Google Scholar] [CrossRef]
- Karami-Mollaee, A.; Barambones, O. Higher Order Sliding Mode Control of MIMO Induction Motors: A New Adaptive Approach. Mathematics 2023, 11, 4558. [Google Scholar] [CrossRef]
- Halimi, H.; Elgarouaz, M.; Lazrak, L.; El Daoudi, S. High-order sliding mode control with hyperbolic evaluation function for improving performances of a squirrel-cage induction motor fed by a two-level inverter. Int. J. Dyn. Control 2024, 12, 2929–2943. [Google Scholar] [CrossRef]
- Zhao, Z.; Cao, D.; Yang, J.; Wang, H. High-order sliding mode observer-based trajectory tracking control for a quadrotor UAV with uncertain dynamics. Nonlinear Dyn. 2020, 102, 2583–2596. [Google Scholar] [CrossRef]
- Kshetrimayum, L.; Seneviratne, L.; Hussain, I. Adaptive Global Super-Twisting Sliding Mode Control for Trajectory Tracking of Two-Link Flexible Manipulators. IEEE Access 2025, 13, 61876–61889. [Google Scholar] [CrossRef]
- Mhmood, A.H.; Mahyuddin, M.N. H∞ Sliding Mode Control: A Recent Review of Applications and Design Methods. IEEE Access 2025, 13, 136687–136715. [Google Scholar] [CrossRef]
- Tarla, L.B.; Bakhti, M.; Idrissi, B.B. Robustifying hierarchical sliding mode control for active vibration suppression of a flexible manipulator using integral sliding mode control. Int. J. Intell. Robot. Appl. 2023, 7, 641–651. [Google Scholar] [CrossRef]
























| Parameters | Value | Unit | |
|---|---|---|---|
| Flexible Link Arm (FLA) medium carbon steel-1040 | Load mass (m) | 0.1 | [kg] |
| Beam length (L) | 1 | [m] | |
| Output diameter of beam | 0.06 | [m] | |
| İnput diameter of beam | 0.05 | [m] | |
| Density of beam (ρ) | 78,500 | [kg/m3] | |
| Gravity acc (g) | 9.81 | [/s2] | |
| Modulus of elasticity (E) | 2.07 × 1011 | [N/m2] | |
| Direct Drive Servo Actuator (Yokogawa DYNASERV, Tokyo, Japan SD1015B52) | Motor Type | Direct Drive | - |
| Motor Model No | 197MM12188L7 | - | |
| Supply Voltage | 200–230 | [V] | |
| Frequency | 50/60 | [Hz] | |
| Max. Torque | 15 | [Nm] | |
| Rotary Encoder | Resolution (per revolution) | 9000 | lines |
| HEIDENHAIN, Traunreut, Germany | Supply voltage | 10–30 | V |
| ROD 426 B-9000 |
Disclaimer/Publisher’s Note: The statements, opinions and data contained in all publications are solely those of the individual author(s) and contributor(s) and not of MDPI and/or the editor(s). MDPI and/or the editor(s) disclaim responsibility for any injury to people or property resulting from any ideas, methods, instructions or products referred to in the content. |
© 2025 by the authors. Licensee MDPI, Basel, Switzerland. This article is an open access article distributed under the terms and conditions of the Creative Commons Attribution (CC BY) license (https://creativecommons.org/licenses/by/4.0/).
Share and Cite
Arisoy, A.; Sen, D.K. A Hardware-in-the-Loop Simulation Case Study of High-Order Sliding Mode Control for a Flexible-Link Robotic Arm. Appl. Sci. 2025, 15, 10484. https://doi.org/10.3390/app151910484
Arisoy A, Sen DK. A Hardware-in-the-Loop Simulation Case Study of High-Order Sliding Mode Control for a Flexible-Link Robotic Arm. Applied Sciences. 2025; 15(19):10484. https://doi.org/10.3390/app151910484
Chicago/Turabian StyleArisoy, Aydemir, and Deniz Kavala Sen. 2025. "A Hardware-in-the-Loop Simulation Case Study of High-Order Sliding Mode Control for a Flexible-Link Robotic Arm" Applied Sciences 15, no. 19: 10484. https://doi.org/10.3390/app151910484
APA StyleArisoy, A., & Sen, D. K. (2025). A Hardware-in-the-Loop Simulation Case Study of High-Order Sliding Mode Control for a Flexible-Link Robotic Arm. Applied Sciences, 15(19), 10484. https://doi.org/10.3390/app151910484

