Development and Application of Comprehensive Simulation Models for Current-Source Inverter Modulators
Abstract
1. Introduction
- (1)
- VSI-derived CSI SVM modulator;
- (2)
- Direct CSI SVM modulator;
- (3)
- DDPWM (direct duty ratio CSI PWM modulator).
1.1. CSI Theory Review
1.2. Key Assumptions and Operational Conditions
1.3. Additional Design Equations for CSI
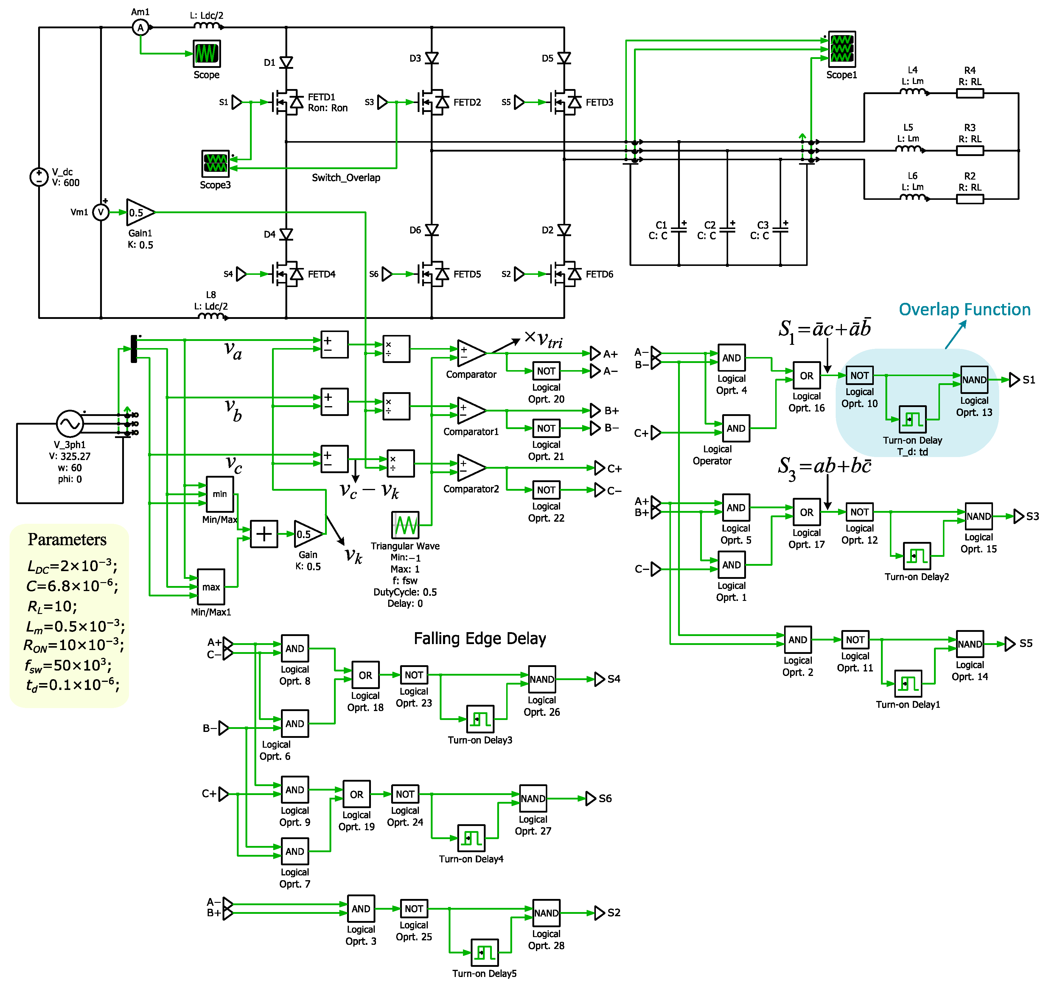
2. VSI-Derived CSI SVM Modulator
2.1. Modulation Index Relationship Between VSI and CSI
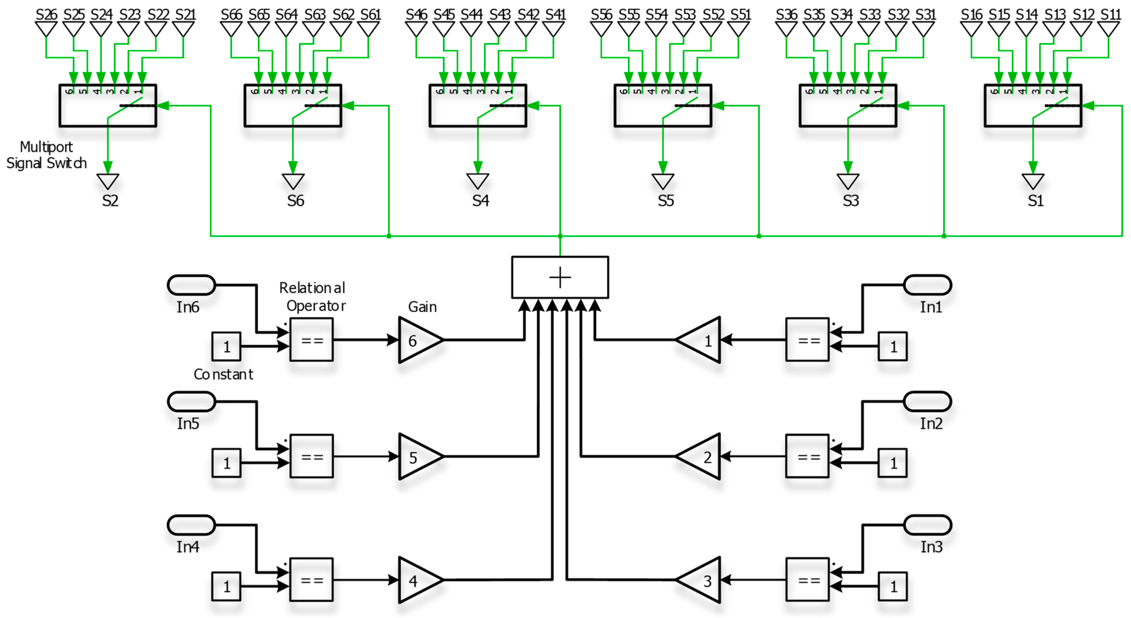
2.2. Switch-State Mapping and Implementation
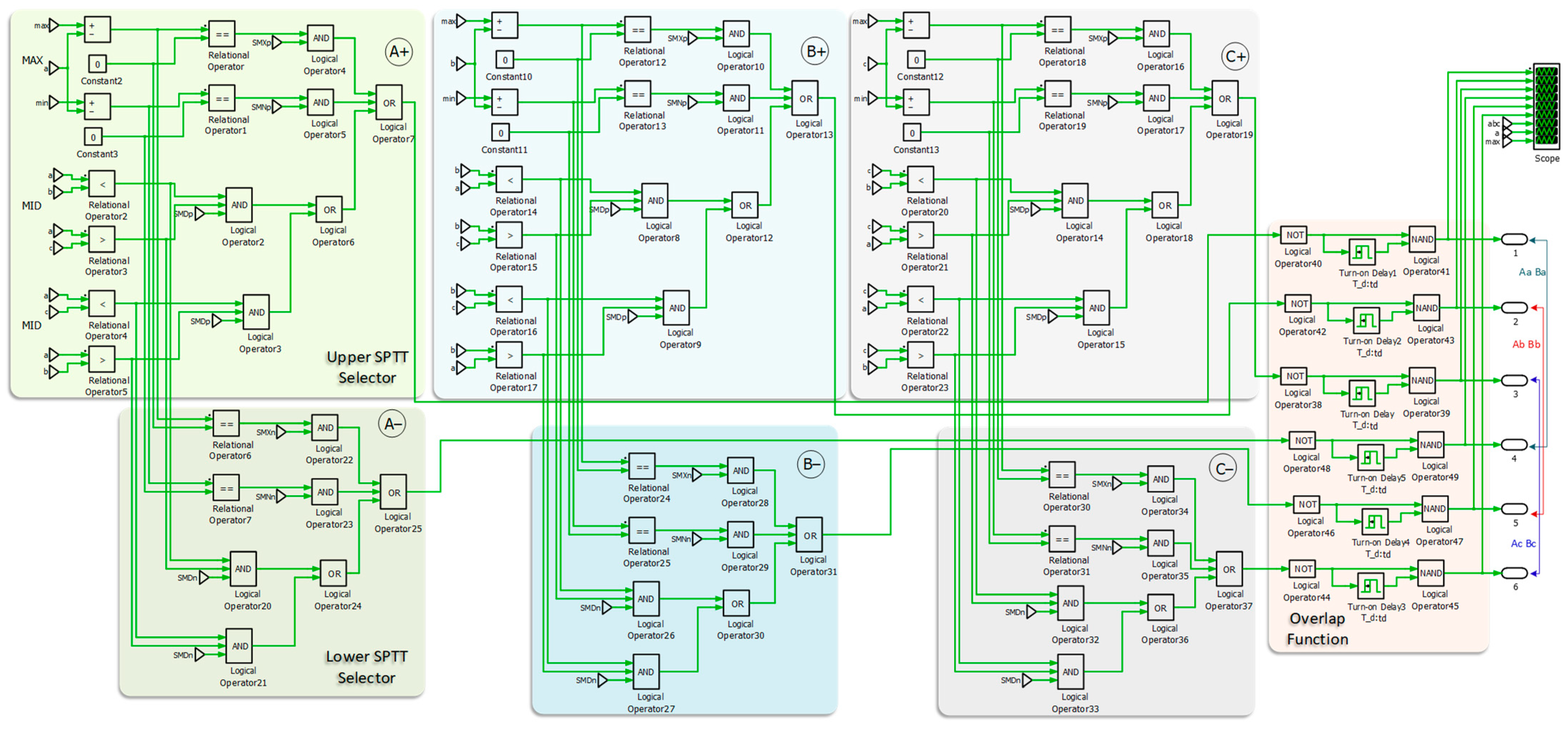
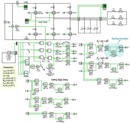
2.3. Overlap Time Consideration
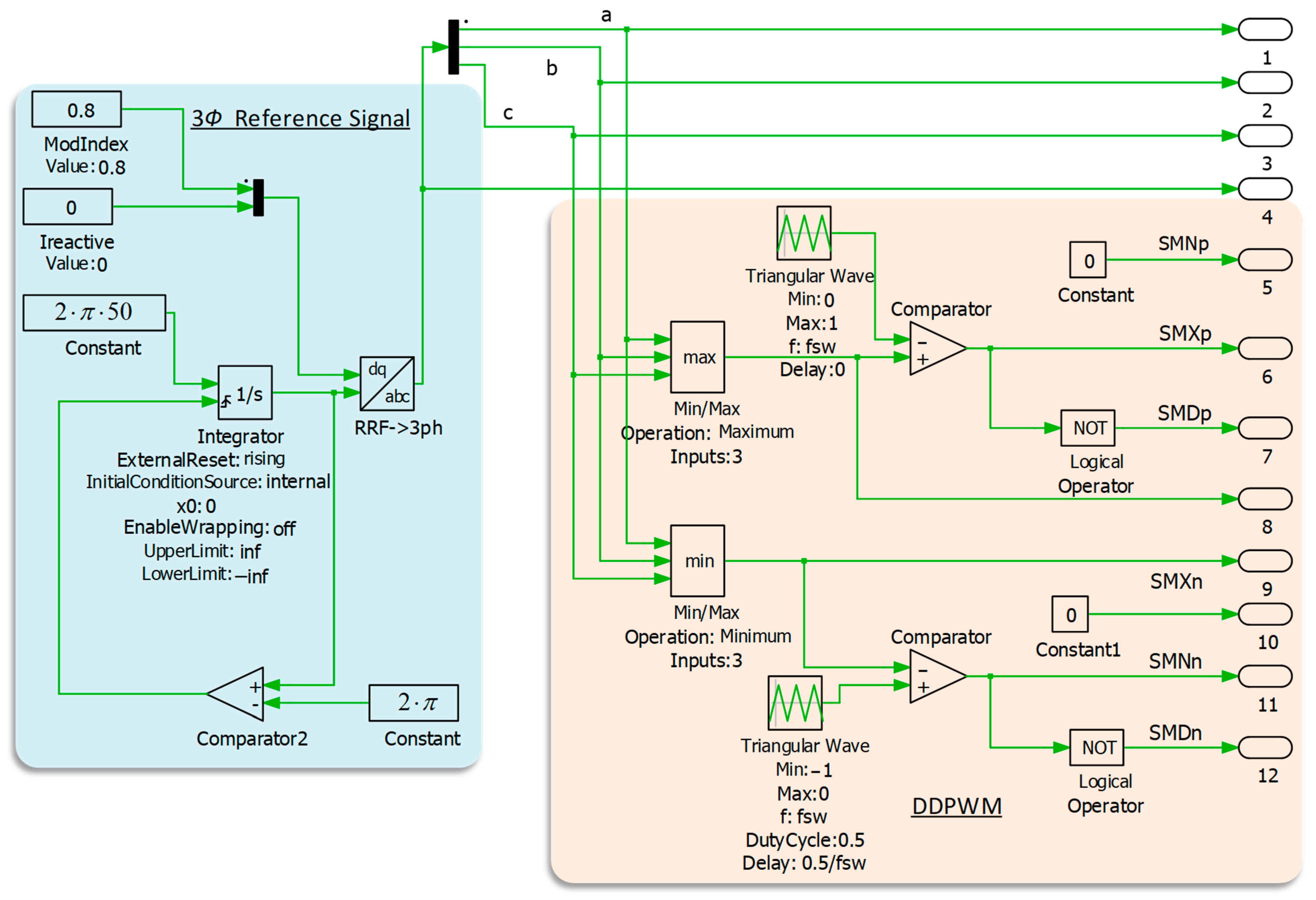
3. Direct CSI SVM Modulator
Major Simulation Blocks Based on Top-Level Drawing
- Phase Generation for Standalone (Off-Grid RL) Operation:
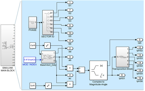
- Trigonometric mapping: The reference phase is processed via terms to determine vector weights.
- Modulation Index Scaling: The output () adjusts the duty cycle to meet the desired current amplitude (Equation (4)).
- 2.
- Modulation index and the required frequency as the inputs.
- 3.
- Basic vector duty calculation in Sector 1:
- 4.
- The Simulink Block Complex-to-Magnitude Angle:
- 5.
- Sector identification block, sector ID:
- 6.
- Basic Vector Sector Transposition:
- 7.
- The modulation signal extracted from the reference space vector in sectors 1–6:
- 8.
- The sequencer is based on Sawtooth PWM (unlike the previous method with triangular PWM) and implements the patterns shown in Figure 5a above:
- 9.
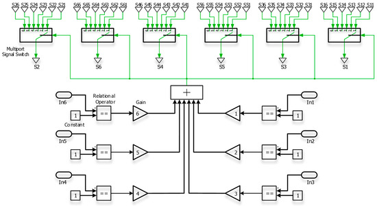
- The sector selector and the state machine:
- 10.
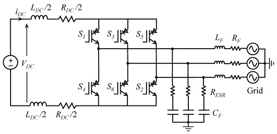
- The CSI circuit uses the same values as the VSI-derived CSI SVM modulator:
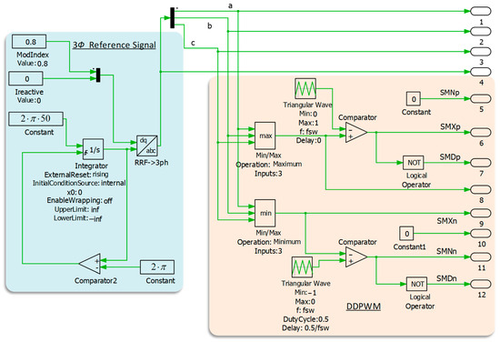
4. Direct Duty Ratio CSI PWM
5. Simulation Examples
6. Conclusions
Author Contributions
Funding
Institutional Review Board Statement
Informed Consent Statement
Data Availability Statement
Acknowledgments
Conflicts of Interest
Abbreviations
| CSI | Current-source inverter |
| DDPWM | Direct duty ratio pulse-width modulation |
| FSM | Full Wave Symmetrical Modulation |
| PLL | Phase-locked loop |
| PWM | Pulse-width modulation |
| SPTT | Single-Pole Triple-Throw Switch |
| SOPWM | Synchronous Optimal Pulse-Width Modulation |
| SS-PWM | Six-step direct PWM |
| SVM | Space vector modulation |
| THD | Total harmonic distortion |
| VSI | Voltage-source Inverter |
| ZVS | Zero-voltage switching |
Appendix A
Appendix A.1. Mapping VSI States to CSI Switches via Boolean Reduction
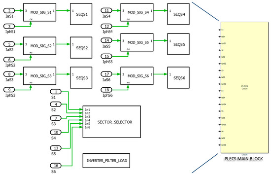
Appendix A.2. Top-Level MATLAB/Simulink and PLECS Blocks

Appendix A.3. Symmetrical SVM Patterns for All Six Sectors

Appendix A.4. Finite State Machine Implementation for Vector Sector Identification

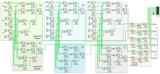
Appendix A.5. SPTT Selector Implementation for Direct Duty Ratio Control

References
- Marignetti, F.; Di Stefano, R.L.; Rubino, G.; Giacomobono, R. Current Source Inverter (CSI) Power Converters in Photovoltaic Systems: A Comprehensive Review of Performance, Control, and Integration. Energies 2023, 16, 7319. [Google Scholar] [CrossRef]
- Holmes, D.G.; Lipo, T.A. Pulse Width Modulation for Power Converters: Principles and Practice, 1st ed.; Wiley-IEEE Press: Hoboken, NJ, USA, 2003. [Google Scholar]
- Sahan, B.; Araújo, S.V.; Nöding, C.; Zacharias, P. Comparative Evaluation of Three-Phase Current Source Inverters for Grid Interfacing of Distributed and Renewable Energy Systems. IEEE Trans. Power Electron. 2011, 26, 2304–2318. [Google Scholar] [CrossRef]
- Sahan, B.; Vergara, A.N.; Henze, N.; Engler, A.; Zacharias, P. A Single-stage PV module integrated converter based on a low-power current-source inverter. IEEE Trans. Ind. Electron. 2008, 55, 2602–2609. [Google Scholar] [CrossRef]
- Zmood, D.N.; Holmes, D.G. A generalised approach to the modulation of current source inverters. In Proceedings of the IEEE 29th Annual Power Electronics Specialists Conference, Fukuoka, Japan, 17–22 May 1998; pp. 739–745. [Google Scholar]
- Wang, W.; Li, X.; Rui, S.; Xia, X. Three-phase boost-stage coupled current source inverter concept and its space vector modulation. Front. Energy Res. 2023, 10, 1–11. [Google Scholar] [CrossRef]
- Espinoza, J.R.; Joos, G. Current-source converter on-line pattern generator switching frequency minimization. IEEE Trans. Ind. Electron. 1997, 44, 198–206. [Google Scholar] [CrossRef]
- Di Stefano, R.; Marignetti, F.; Pellini, F. Design, Simulation and Performance of a CSI Converter for Grid-Connected or Islanded Microgrids with High Step-Up Capability in PV Applications. Energies 2024, 17, 4787. [Google Scholar] [CrossRef]
- Ma, D.; Jiang, J. A Current Source Inverter with Zero-Voltage-Switching for Low-Input Voltage PMSM Drive Application. Electr. Eng. 2023, 105, 3161–3173. [Google Scholar] [CrossRef]
- Pradeepa, S.; Kumar, S.P.; Prakash, G. Adoption of SVPWM Technique to CSI and VSI. In Proceedings of the IEEE 3rd International Conference for Convergence in Technology (I2CT), Pune, India, 6–8 April 2018; pp. 1–6. [Google Scholar]
- Pham, D.C.; Huang, S.; Huang, K. Modeling and Simulation of Current Source Inverters with Space Vector Modulation. In Proceedings of the IEEE International Conference on Electrical Machines and Systems, Incheon, Republic of Korea, 10–13 October 2010; pp. 320–325. [Google Scholar]
- Lorenzani, E.; Immovilli, F.; Migliazza, G.; Frigieri, M.; Bianchini, C.; Davoli, M. CSI7: A Modified Three-Phase Current-Source Inverter for Modular Photovoltaic Applications. IEEE Trans. Ind. Electron. 2017, 64, 5449–5459. [Google Scholar] [CrossRef]
- Fidone, G.L.; Migliazza, G.; Carfagna, E.; Benatti, D.; Immovilli, F.; Buticchi, G.; Lorenzani, E. Common Architectures and Devices for Current Source Inverter in Motor-Drive Applications: A Comprehensive Review. Energies 2023, 16, 5645. [Google Scholar] [CrossRef]
- Riegler, B.; Hartmann, M. Design and Implementation of 3 kW All-SiC Current Source Inverter. Electronics 2025, 14, 522. [Google Scholar] [CrossRef]
- Choi, N.-S.; Lee, K.-W.; Han, B.-M. A Novel Carrier Based PWM for Current Source Converter. In Proceedings of the IEEE 7th International Power Electronics and Motion Control Conference, Harbin, China, 2–5 June 2012; pp. 1945–1950. [Google Scholar]
- Li, Y.; Ding, L.; Li, Y. Isomorphic relationships between voltage-source and current-source converters. IEEE Trans. Power Electron. 2019, 34, 7131–7135. [Google Scholar] [CrossRef]
- Blaabjerg, F. (Ed.) Control of Power Electronic Converters and Systems: Volume 3; Academic Press: Cambridge, MA, USA, 2021; ISBN 0128194324. [Google Scholar]
- Ming, L.; Ding, W.; Yin, C.; Xin, Z.; Loh, P.C. A Direct Carrier-Based PWM Scheme with Reduced Switching Harmonics and Common-Mode Voltage for Current Source Converter. IEEE Trans. Power Electron. 2021, 36, 7783–7796. [Google Scholar] [CrossRef]
- Nonaka, S.; Neba, Y. New GTO Current Source Inverter with Pulsewidth Modulation Control Techniques. In Proceedings of the IEEE Annual Meeting Industry Applications Society, Toronto, ON, Canada, 29 September–4 October 1985; pp. 442–447. [Google Scholar]
- Ding, L.; Li, Y.W. Simultaneous DC Current Balance and CMV Reduction for Parallel CSC System with Interleaved Carrier-Based SPWM. IEEE Trans. Ind. Electron. 2020, 67, 8495–8505. [Google Scholar] [CrossRef]
- Ding, L.; Quan, Z.; Li, Y.W. General Bi-Tri Logic SPWM for Current Source Converter with Optimized Zero-State Replacement. IEEE Trans. Power Electron. 2021, 36, 11372–11382. [Google Scholar] [CrossRef]
- Bai, Z.; Ruan, X.; Zhang, Z. A Generic Six-Step Direct PWM (SS-DPWM) Scheme for Current Source Converter. IEEE Trans. Power Electron. 2010, 25, 659–666. [Google Scholar]
- Lopes, L.A.C.; Naguib, M.F. Space Vector Modulation for Low Switching Frequency Current Source Converters with Reduced Low-Order Noncharacteristic Harmonics. IEEE Trans. Power Electron. 2009, 24, 903–910. [Google Scholar] [CrossRef]
- Gnanasambandam, K.; Rathore, A.K.; Edpuganti, A.; Sirinivasan, D. Hybrid SVM-SOPWM modulation of current-fed three-level inverter for high power application. In Proceedings of the IEEE Industry Applications Society Annual Meeting, Cincinnati, OH, USA, 1–5 October 2017; pp. 1–8. [Google Scholar]
- Gao, H.; Mahmud, T. High-Frequency Common-Mode Voltage Reduced Space Vector Modulation for Grid-Connected Current-Source Inverter. World Electr. Veh. J. 2022, 13, 236. [Google Scholar] [CrossRef]
- Diao, N.; Wei, Y.; Guo, X. An Overlap-Time Effect Elimination SVM Based on Vector Bridge Extension for Current-Source Converter. IEEE Trans. Ind. Electron. 2024, 71, 13524–13533. [Google Scholar] [CrossRef]
- Gaber, M.; Abdel-Rahim, O.; Orabi, M. Novel Overlap Method to Eliminate Vector Deviation Error in SVM of Current Source Inverters. IEEE Trans. Power Electron. 2021, 36, 2320–2333. [Google Scholar] [CrossRef]
- Guo, X.; Yang, Y.; Wang, B.; Lu, Z. Generalized Space Vector Modulation for Current Source Converter in Continuous and Discontinuous Current Modes. IEEE Trans. Ind. Electron. 2020, 67, 9348–9357. [Google Scholar] [CrossRef]
- Mohan, N. Advanced Electric Drives: Analysis, Control, and Modeling Using MATLAB/Simulink®, 1st ed.; John Wiley & Sons: Hoboken, NJ, USA, 2014; ISBN 1118485483. [Google Scholar]
- Duong, T.-D.; Nguyen, M.-K.; Nguyen, T.-T.; Cha, H.; Lim, Y.; Choi, J.-H. Switching-Cell Structure-Based Generic Five-Level Current-Source Inverter. IEEE Trans. Ind. Electron. 2023, 70, 5696–5706. [Google Scholar] [CrossRef]
- Titiz, F.K. A Three-Phase Low-Voltage Grid-Connected Current Source Inverter. Ph.D. Thesis, Rheinisch-Westfälische Technische Hochschule, Aachen, Germany, 2019. [Google Scholar]
- Schröder, D. Leistungselektronische Schaltungen: Funktion, Auslegung und Anwendung, 4th ed.; Springer Vieweg: Berlin, Germany, 2019. [Google Scholar]
- Bierhoff, M.H.; Fuchs, F.W. Pulse Width Modulation for Current Source Converters—A Detailed Concept. In Proceedings of the IEEE International Conference on Industrial Technology (ICIT), Mumbai, India, 15–17 December 2006. [Google Scholar]
- Richter, S.A.; Bader, B.; De Doncker, R.W. Control of a high power PWM current source rectifier. In Proceedings of the IEEE International Power Electronics Conference—ECCE ASIA, Sapporo, Japan, 21–24 June 2010. [Google Scholar]
- IEEE Std 1547; Standard for Interconnecting Distributed Resources with Electric Power Systems. IEEE Standards Association: Piscataway, NJ, USA, 2003.
- AS/NZS 4777.2; Grid Connection of Energy Systems via Inverters, Part 2: Inverter Requirements. Standards Australia: Sydney, Australia, 2020.





















| VSI | CSI Upper (S1, S3, S5) | CSI Lower (S4, S6, S2) | CSI Vectors |
|---|---|---|---|
| abc | a+, b+, c+ | a−, b−, c− | |
| 001 | 1, 0, 0 | 0, 1, 0 | S1S6 |
| 011 | 1, 0, 0 | 0, 0, 1 | S1S2 |
| 010 | 0, 1, 0 | 0, 0, 1 | S3S2 |
| 110 | 0, 1, 0 | 1, 0, 0 | S3S4 |
| 100 | 0, 0, 1 | 1, 0, 0 | S5S4 |
| 101 | 0, 0, 1 | 0, 1, 0 | S5S6 |
| 000 | 1, 0, 0 | 1, 0, 0 | S1S4 |
| 111 | 0, 1, 0 | 0, 1, 0 | S3S6 |
| Parameter | Calculated Value |
|---|---|
| Input voltage (VDC) | 470 V |
| Phase voltage (VP) | 230 VRMS |
| Output power (P0) | 7.5 kW |
| Phase power (PP) | 2.5 kW |
| DC link inductance (LDC) | 1 mH |
| Filter inductance (LF) | 500 µH |
| Filter capacitance (CF) | 6.8 µF |
| Load resistance (RL) | 21.16 Ω |
| Switching frequency (fsw) | 50 kHz |
| Time overlap | 200 ns |
| 0.98 |
| Modulation Technique | Efficiency 1 (%) | Performances | ||
|---|---|---|---|---|
| VSI-Derived CSI SVM | 0.67 | 92 | 2.2 | Simplest implementation; high THD at low m. |
| 0.775 | 93 | 1.94 | Moderate THD reduction with higher m. | |
| 0.8725 | 94 | 1.72 | Best-case THD for this method. | |
| Direct CSI SVM | 0.7 | 94 | 1.8 | 10% lower THD than VSI-derived at the same m. |
| 0.7961 | 95 | 1.3 | Improved harmonic performance. | |
| 0.8941 | 95 | 1.1 | Near-optimal for grid-connected applications. | |
| DDPWM | 0.69 | 96 | 0.5 | Lowest THD, reduced switching losses. |
| 0.7892 | 97 | 0.45 | 33% lower switching losses due to reduced fsw. | |
| 0.8889 | 97 | 0.42 | Exceptional performance in all metrics. |
Disclaimer/Publisher’s Note: The statements, opinions and data contained in all publications are solely those of the individual author(s) and contributor(s) and not of MDPI and/or the editor(s). MDPI and/or the editor(s) disclaim responsibility for any injury to people or property resulting from any ideas, methods, instructions or products referred to in the content. |
© 2025 by the authors. Licensee MDPI, Basel, Switzerland. This article is an open access article distributed under the terms and conditions of the Creative Commons Attribution (CC BY) license (https://creativecommons.org/licenses/by/4.0/).
Share and Cite
Ertasgin, G.; Nikocevic, E. Development and Application of Comprehensive Simulation Models for Current-Source Inverter Modulators. Appl. Sci. 2025, 15, 6148. https://doi.org/10.3390/app15116148
Ertasgin G, Nikocevic E. Development and Application of Comprehensive Simulation Models for Current-Source Inverter Modulators. Applied Sciences. 2025; 15(11):6148. https://doi.org/10.3390/app15116148
Chicago/Turabian StyleErtasgin, Gurhan, and Erol Nikocevic. 2025. "Development and Application of Comprehensive Simulation Models for Current-Source Inverter Modulators" Applied Sciences 15, no. 11: 6148. https://doi.org/10.3390/app15116148
APA StyleErtasgin, G., & Nikocevic, E. (2025). Development and Application of Comprehensive Simulation Models for Current-Source Inverter Modulators. Applied Sciences, 15(11), 6148. https://doi.org/10.3390/app15116148

