Next Article in Journal
Assessment of Pesticide Contamination of Groundwater from Titu-Sarata Plain, Romania
Next Article in Special Issue
Neural Network Method for Distance Prediction and Impedance Matching of a Wireless Power Transfer System
Previous Article in Journal
Crack-Based Estimation of Seismic Damage Level in Confined Masonry Walls in the Lima Metropolitan Area Using Deep Learning Techniques
Previous Article in Special Issue
Reduced-Order Nonlinear Envelope Modeling and Simulation of Resonant Inverter Driving Series Resistor–Inductor–Capacitor Load with Time-Varying Component Values
 
 
Font Type:
Arial Georgia Verdana
Font Size:
Aa Aa Aa
Line Spacing:
Column Width:
Background:
Article

Frequency Domain Model of a Resonant LCC-S Converter for High-Frequency Wireless Power Transfer Applications Considering Switching Losses in MOSFETs Bridge

Engineering Department, University of Perugia, 06125 Perugia, Italy
*
Author to whom correspondence should be addressed.
Appl. Sci. 2025, 15(11), 5878; https://doi.org/10.3390/app15115878
Submission received: 21 April 2025 / Revised: 16 May 2025 / Accepted: 20 May 2025 / Published: 23 May 2025
(This article belongs to the Special Issue New Insights into Wireless Power Transmission Systems)

Abstract

Featured Application

The aim of this work is to propose an easy, but reliable model for a high-frequency resonant converter for wireless power transfer applications considering the impact of MOSFETs switching losses on the converter global performances.

Abstract

A model for a fast and reliable evaluation of the impact of MOSFETs’ switching losses in the global performances of a high-frequency wireless power converter is proposed. The frequency domain model for an LCC-S wireless resonant converter is presented. The contribution of MOSFET behavior is counted considering a trapezoidal input voltage in the converter instead of the classic square wave or Pulse Width Modulation wave to take into account MOSFETs’ rise and fall times. These times are evaluated with a simplified first-order circuit able to model the MOSFET behavior during commutations. Two commercial MOSFETs have been integrated in the converter model. The predictions of the proposed approach are compared (for validation) with results coming from Simulink environment, where the converter behavior can be reproduced in a very realistic way. An evaluation of switching losses is presented, and the consequent impact on converter performances is evaluated by comparing the converter output voltage (and output power) predicted with the proposed model and that one is achievable by the converter considering ideal switches. The analysis has been performed considering different values of input voltage and load resistance. This approach can be easily generalized to every resonant converter topology.

1. Introduction

Wireless power transfer is actually one of the most interesting and studied techniques to transfer electric power, thanks to its possibility to strongly reduce the usage of cables for the connections between power suppliers (also called transmitters) and loads (also called receivers). The physical separation between transmitters and receivers significantly improve the versatility and the safety of the system. In addition, the extremely low necessity of magnetic materials (limited to some inductances possibly requested in the circuit) strongly reduce the problem related to magnetic losses, which typically have an important impact on the final system efficiency. With these premises, it is not a surprise to find them in a plethora of applications, such as renewable energies [1,2,3,4], electric vehicles [5,6,7,8,9], underwater systems [10,11], railways [12,13] and DC microgrids [14,15]. High efficiency and high-power density are the main requirements asked of these devices, so academic research in this field is actually focused in providing solutions in these directions [16,17,18]. The key aspect in the increase in power density is the converter working frequency. Since the reactance associated with inductors and capacitors are a function of the frequency, an increase in the working frequency allows a reduction in the inductances or capacitance values [19,20], optimizing, in this way, their dimensions. However, the increase in working frequency typically has side effects. Firstly, high-frequency magnetic fields (especially over the MHz range) can have an impact on both electronic devices and human bodies; for this reason, specific strategies for the design of wireless converters have been proposed in the literature to limit the amount of these fields [21,22]. Secondly, the increase in the working frequency causes a reduction in the converter efficiency; this work puts the focus on this second aspect. The converter efficiency drop is mainly due to two aspects: the first one is related to the switching losses in electronic devices (switches in particular); the second one concerns the magnetic losses in the magnetic materials of inductive components. Thinking to very high-frequency power applications (several MHz), the main problem is represented by switching losses, since inductances can be realized directly in air.
Switching losses occur during the state commutation (from ON to OFF and vice versa) of electronic devices (the most used devices for high-frequency power electronics applications are the MOSFETs). Since the commutation is not instantaneous (it requires a finite time to be completed), there is a time interval in which the voltage across the device and the current flowing in it are both non-zero. Consequently, there is an amount of dissipated energy associated with each commutation. For each period, there is a total energy loss given by the sum of the energies lost in the switching on and switching off phases. Since power losses are defined as Ploss = f Eloss, the higher is the frequency, the higher are the switching power losses. Switching losses can have a strong impact in the performances of the converter, reducing the power that could be supplied to the load. For this reason, many works are available in the literature to estimate these kinds of losses. A good review is presented in [23]. On one hand, several works try to reproduce in the most accurate way as possible the behavior of MOSFETs, modeling the transients during commutations with a set of variable capacitances, which are functions of the voltage across the MOSFET itself [24,25]. These methods achieved really good results, but the implementation of these approaches could be challenging from the computational point of view. Indeed, time-domain simulations of the converter are required, which often take a long time when variable parameters are considered. On the other hand, other works have been developed with the purpose to provide simplified methods, often analytical, to reproduce the real MOSFET behavior. In this case, the accuracy of the approach is partially sacrificed to obtain a tool able to quickly evaluate the performances of a MOSFET. Some examples are reported in [26,27], where, with some initial hypotheses on some of the MOSFET parameters, it is possible to have a reliable evaluation of switching losses using just the data reported on the device datasheet. In this work, the aim is to take inspiration from the simplified approaches to easily integrate the behavior of a MOSFET inside the model of a DC-DC wireless resonant converter. In this way, it is possible to quickly evaluate the impact of the electronic devices in the converter performances. An LCC-S converter has been adopted, a topology actually studied by researchers for its possibility to work with high boost voltage ratios [28]. Anyway, the proposed methodology is suitable for every kind of resonant converter. The power supply stage of resonant converters is a DC voltage combined with an inverter (made by a MOSFET’s full-bridge or half-bridge), which is typically driven to provide a square wave or a Pulse Width Modulation (PWM) voltage in input to the converter. In this case, to take into account the MOSFET real behavior, its rise and fall times are considered. Due to these times, the voltage provided by the inverter to the converter acquires a trapezoidal waveform instead of a square one. This trapezoidal waveform will be the input in the proposed converter model. The model is developed in frequency domain to make it very fast from a computational point of view. Two different commercial MOSFETs designed for power suppliers and DC-DC converters have been considered. The procedure to easily extrapolate from a MOSFET datasheet the rise and fall times will be presented. The proposed model will be compared with simulations performed in Simulink environment, where the converter behavior can be reproduced in a realistic way. Indeed, it has been proved in the literature how a SPICE environment allows for reproducing in a reliable way the datasheet information of MOSFETs [29,30]. Typically, MOSFET SPICE models are based on the Shichman–Hodges model, and Simulink also adopts the same approach. In the text, the way to reproduce a MOSFET in a Simulink environment will be shown. The paper is organized as follows. In Section 2, the frequency domain model of the wireless resonant converter is presented, explaining how a trapezoidal input voltage can be taken into account. In Section 3, the circuital approach to model the MOSFET behavior during commutations is presented, and the way to evaluate the MOSFET rise and fall times is explained. In Section 4, the Simulink circuital scheme used to test the proposed model is shown, and a comparison between model and Simulink results is performed, calculating the resulting output voltage and output power for different values of input voltage amplitude and load resistance. These values will also be compared with the output power achievable under the hypothesis of ideal switches to understand how much the MOSFET behavior can impact on the converter performances. The way to evaluate switching losses inside the converter is presented, comparing the results with Simulink. Furthermore, the way to take into account MOSFET parasitic inductances is shown. Finally, conclusions are discussed in Section 5.

2. Model of LCC-s Converter

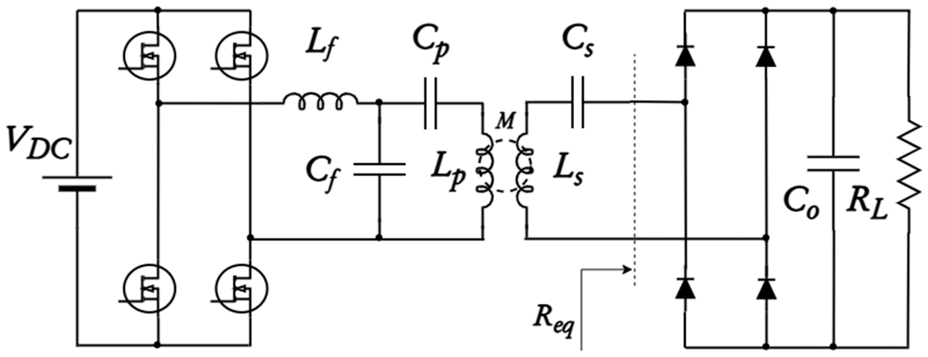
The wireless resonant converter considered in this work is an LCC-S topology. The electric scheme of this converter is shown in Figure 1.
As can be seen in Figure 1, the considered DC-DC converter is made by the combination of a DC-AC converter (VDC as DC voltage source and MOSFETs full-bridge), a LC filter (typically called resonant tank) and an AC-DC converter (diode bridge and output filter capacitance Co). The inductances Lp and Ls are associated with the coils that realize the wireless power transfer. Since the coils are in air, the coupling coefficient between these inductances is typically low; for this reason, some capacitors are generally added in wireless converters to reduce the reactive power generated by the wireless coils. The simplest configuration for wireless converters adopts two capacitances in series with Lp and Ls. The resulting converter topology is called Series-Series (SS) compensation. Although the simplicity of the SS topology makes it a frequently adopted converter for wireless power transfer, there are some limitations to take into account: limited freedom in the design of the converter and a limited range of output voltage achievable (it can behave just like buck converter) [31,32]. For this reason, according to specific applications, the adoption of more complex topologies could be required. The LCC-S compensation can overcome the limitations of the SS one, giving the possibility to work as a boost converter with a proper selection of the filter inductance Lf. Concerning the modeling of resonant converters, the typical approach adopted in the literature is the so-called First Harmonic Approximation (FHA), where the input voltage is approximated with its fundamental harmonic. This approximation is valid when the converter’s working frequency corresponds to its natural resonant frequency. In this condition, independently by the nature of the input voltage waveform (square, PWM, trapezoidal, …), the combination of inductances and capacitances in the circuit behaves like a band-pass filter, which results in a short circuit for the fundamental harmonic and in a big impedance for high-frequency harmonics. In addition, under the FHA hypothesis, the AC-DC part of the converter can be modeled with an equivalent resistance R e = 8 π 2 R L . This expression can be derived as the ratio between voltage and current before the rectifier, both written as functions, respectively, of the voltage and current on the load (detailed steps in [33]).
With these considerations, the converter in Figure 1 can be simplified with the equivalent circuit in Figure 2.
In this way, the converter model in steady-state conditions can be derived in frequency domain using phasors. Applying the Kirchhoff’ equations to the circuit in Figure 2 the model of the LCC-S circuit can be easily derived in matrix form as follows:
ω 2 L + j ω R + C I f ˙ I C f ˙ I C p ˙ I C s ˙ = j ω V i ˙ V i ˙ 0 0
where
L = L f L f 0 0 0 0 0 0 0 L p M 0 0 M L s 0 ;   R = r 0 r 0 r 0 0 0 0 r 0 0 0 0 R e + r 0 ;   C = 0 0 0 1 1 C f 0 0 1 0 1 C p 0 1 0 0 1 C s 0
r is a parasitic resistance associated with the inductive and capacitive components. V i ˙ is the rms value of the input voltage. Since the input voltage has a trapezoidal waveform, its first harmonic can be evaluated using Fourier Transform. Considering the trapezoidal waveform in Figure 3, where tr and tf are, respectively, the rise time and the fall time of MOSFETs, its time-domain function can be written as follows:
v t = V D C · m 1 t 1 q 2 m 2 t q 3 m 3 t 1 m 4 t q 4 0 t < t r t r t < T 2 T 2 t < T 2 + t f T 2 + t f t < T 2 + t f + t r T 2 + t f + t r t < T + t f T + t f t < T + 2 t f
The first harmonic can be written as
v 1 t = V s s i n ω t + V c c o s ω t
Vs and Vc are the Fourier coefficients, which can be evaluated as follows:
V s = 2 T V D C [ 0 t r m 1 t s i n ω t d t + t r T 2 s i n ω t d t + T 2 T 2 + t f q 2 m 2 t s i n ω t d t + T 2 + t f T 2 + t f + t r q 3 m 3 t s i n ω t d t T 2 + t f + t r T + t f s i n ω t d t + T + 2 t f T + t f m 4 t q 4 s i n ω t d t ]
V c = 2 T V D C [ 0 t r m 1 t c o s ω t d t + t r T 2 c o s ω t d t + T 2 T 2 + t f q 2 m 2 t c o s ω t d t + T 2 + t f T 2 + t f + t r q 3 m 3 t c o s ω t d t T 2 + t f + t r T + t f c o s ω t d t + T + 2 t f T + t f m 4 t q 4 c o s ω t d t ]
Developing the integrals, the following is obtained:
V s = V D C π s 1 + s 2 + s 3 + s 4 + s 5 + s 6 + s 7 ;   V c = V D C π c 1 + c 2 + c 3 + c 4 + c 5 + c 6 + c 7  
where
s 1 = 1 t r s i n ω t r ω + t r c o s ω t r s 2 = 1 + c o s ω t r + 1 t f T 2 + t f c o s ω t f 1 s 3 = 1 t f T 2 + t f c o s ω t f T 2 s i n ω t f ω s 4 = p 1 c o s ω t r + t f 1 t r T 2 + t r + t f c o s ω t r + t f + 1 ω t r s i n ω t r + t f s 5 = p 1 c o s ω t f + 1 t r T 2 + t f c o s ω t f 1 ω t r s i n ω t f s 6 = c o s ω t f + c o s ω t r + t f + p 2 c o s 2 ω t f 1 t f T + 2 t f c o s 2 ω t f s 7 = 1 ω t f s i n 2 ω t f p 2 c o s ω t f + 1 t f T + t f c o s ω t f 1 ω t f s i n ω t f
c 1 = 1 t r c o s ω t r 1 ω + t r s i n ω t r c 2 = s i n ω t r 1 t f T 2 + t f s i n ω t f c 3 = 1 t f T 2 + t f s i n ω t f + 1 c o s ω t f ω c 4 = p 1 s i n ω t r + t f + 1 t r T 2 + t r + t f s i n ω t r + t f + 1 ω t r c o s ω t r + t f c 5 = p 1 s i n ω t f 1 t r T 2 + t f s i n ω t f 1 ω t r c o s ω t f c 6 = s i n ω t f s i n ω t r + t f p 2 s i n 2 ω t f + 1 t f T + 2 t f s i n 2 ω t f c 7 = 1 ω t f c o s 2 ω t f + p 2 s i n ω t f 1 t f T + t f s i n ω t f 1 ω t f c o s ω t f
With p 1 = T 2 + t f t r and p 2 = 1 + T + t f t f . Finally, the expression of Vi phasor can be derived as follows:
V i ˙ = V s + j V c
In this work, a full-bridge inverter has been considered to supply voltage in the converter. Furthermore, a half-bridge inverter could also be considered. In this case, (3) has to be changed, putting v(t) = 0 when T 2 + t f t < T . Consequently, terms s4-s7 and c4-c7 will be zero. In the next section, the way to evaluate tr and tf using the MOSFET datasheet will be shown. A last, but important consideration about this model concerns the dead time. The dead time is a parameter required in the DC-AC part of converters. It is a time interval, and all the switches in an inverter are open to avoid internal short circuits. Dead time can be included in a similar way to the model reducing by td/2 (where td is the dead time) the interval time where the v(t) function is equal to VDC and −VDC. Is has to be considered that by increasing the dead-time value, the resulting input voltage waveform becomes quite different from the ideal one; the result is an increase in the harmonics of the voltage and current waveforms, which could make FHA not valid anymore. To take into account several harmonics in the model of a resonant converter, the approaches presented in [34,35] can be applied, where each harmonic is studied considering a specific resistive–reactive equivalent load (instead of Re). Otherwise, methods to directly eliminate the dead-time effects have also been proposed in the literature; they mainly consist of the usage of compensating circuits or devices [36,37].

3. MOSFET Circuital Model

The circuital model in Figure 4 represents the MOSFET gate. It is inspired by [38,39,40]. The main idea of this circuit is to represent the transients of MOSFET during commutations, taking into consideration only two capacitances, which represent the amount of electric charge between the gate and, respectively, the drain and source. The simplicity of this approach is particularly suitable for the aim of this work, which is the proposal of a tool to easily evaluate the impact of MOSFET behavior in the converter performances.
The drain, gate and source of a MOSFET are modeled by, respectively, the left branch, the central branch and the right branch. vDS is the voltage between MOSFET drain and source; it is modeled as a variable voltage source since its value changes during commutations between VDC and 0 (neglecting the contribution of internal parasitic resistances). Cgd and Cgs are capacitances between, respectively, the drain and gate and the gate and source. They model the amount of charge in the MOSFET junctions, and they are functions of vDS voltage. VGS is the voltage imposed between gate and source to activate (or deactivate) the MOSFET. Finally, Rg is the gate resistance. Typically, it can be written as R g = R g i n t + R g ( e x t ) . Rg(int) is the intrinsic resistance in the transistor chip: it is the real part of the electric impedance between the gate and source terminals, measured at 1 MHz, with an open drain terminal [41]. Rg(ext) is an external resistance added in the gate drive circuitry to limit the oscillations of voltage and current in the MOSFET during commutations. T1 and T2 are ideal switches to consider the ON and OFF states of a MOSFET. When T1 is closed and T2 is open, a gate signal is provided and the MOSFET is activated. Conversely, when T1 is open and T2 is closed, the MOSFET is deactivated. As can be seen, no parasitic inductances are considered in the circuit to preserve the simplicity of the model. However, according to [42,43], at very high frequency, the drain series MOSFET inductance could be similar to Lf. For this reason, in the next section we will show how to take into account this component in the converter model. The value of these inductances is typically very low, and their neglection make the analysis of the circuit very easy. Indeed, as it will be shown in the next lines, the evaluation of rise and fall times will require the consideration of just one capacitance.
The origin of rise and fall times can be understood by observing the qualitative trend of drain–source voltage, GO voltage (with reference to Figure 4) and drain–source current during commutations. They are reported in Figure 5.
When a gate signal is provided (T1 closed, T2 open), the drain–source voltage starts to decrease after a delay (t2-t1 in the figure). In this time, the current provided by the gate charges the Cgs capacitance. This is because the nominal value of Cgs is normally higher than the Cgd one, so the current mainly flows in Cgs. As consequence, the value of drain–source voltage remains quite constant, and also the values of Cgs and Cgd are constant. When the Cgs capacitance is charged, it imposes the electric potential in the A node in Figure 4; the GO voltage stays constant (it is called a Miller Plateau), the current flows just on Cgd and the vDS voltage starts to decrease. After the t3 time, the MOSFET is completely closed: vDS is ideally zero (in Figure 5 it is not zero due to the internal resistance of the MOSFET) and the drain–source current reaches its nominal value. The GO voltage increases until VGS (voltage imposed between gate and source); the capacitances are constant (vDS is constant), but with a different value compared with the initial one, so the current flows in both the capacitances. When the gate signal is removed (T1 open, T2 closed), an analogue situation occurs. As can be seen, the major losses in commutations are during t3 and t5, which will be considered in this work as the unique responses of, respectively, rise time and fall time. Note that the trends reported in Figure 5 are referred to a MOSFET alone; they have been shown to explain the phenomena which occur, in general, during commutations. For the LCC-S converter considered in this work, the situation, in terms of waveforms, is different since the current has a periodic trend and it does not reach a constant value. Below, the procedure to analytically evaluate rise time and fall time will be shown.
During t3, according to the considerations made in the previous lines, the currents are i g d = i g and i g s = 0 . Considering Figure 4, the equations referred to circuit are as follows:
v D S = V G S + R g i g + v c g
i g = C g d d v c d d t = C g d d v D S v A O d t = C g d d v D S V g p d t = C g d d v D S d t
Substituting (12) in (11), the following is obtained:
V G S V g p + R g C g d d v D S d t = 0
The derivative term d v D S d t , according to Figure 5, can be written as V D C t 3 (under the hypothesis that, when the MOSFET is in ON state, vDS = 0). Finally, the expression of t3 can be derived as follows:
t 3 = R g C g d V D S V G S V g p
In analogue way, but under the condition T1 open, T2 closed, the expression of t5 can be derived:
t 5 = R g C g d V D S V g p
The last consideration is that, as previously said, Cgd is a function of vDS, which varies both during t3 and t5. For this reason, it is commonly accepted to divide the gate charge QGD stored during the Miller Plateau by the voltage swing seen on the drain connection. According to Figure 5, the voltage swing can be approximated as VDC; in this way, the final relationships for rise and fall times can be derived:
t 3 = R g Q G D V G S V g p ;      t 5 = R g Q G D V g p
The values of the quantities reported in (16) can be found in the MOSFET datasheet. Note that in general, rise and fall times are directly reported in the datasheets, but they are provided for a specific set of working conditions (Rg, VGS, Vgp), and when they vary, the times also need to be updated. The results of this section allow us to run the proposed model of the converter, supposing an input voltage with a trapezoidal waveform instead of square one due to the rise and fall times of MOSFETs. This model will be compared in the next section with the performances of the converter in Simulink environment, where the real behavior of MOSFETs can be reproduced.
In Figure 6, a flowchart which sums up the main steps required to reproduce the proposed model is presented.

4. Discussion

In this section, the performances of the proposed model are compared with simulations performed in the Simulink environment.
The design of a resonant converter is typically performed by selecting the values of the inductances and the desired resonant frequency. Then, capacitors are designed to resonate with the inductances. For LCC-s converter, the capacitors can be designed as follows:
C f = 1 ω o 2 L f ;   C p = 1 ω o 2 L p L f ;   C s = 1 ω o 2 L s
In Table 1, the electric features of the LCC-s converter are reported.
A standard in high-frequency Wireless Power Transfer is 6.78 MHz [44,45]. At this frequency, inductances can be easily realized in air, so switching losses are mainly responsible for the performance drop in the converter. The working frequency has been set near, but not exactly, in resonant conditions. In this way, the output voltage is a function of the load resistance (while in resonance the output voltage value is independent by the load); at the same time, FHA can be still applied since fsw is very similar to fo. A high coupling coefficient k has been chosen (compared with the typical values for wireless power transfer). This can be assumed since, as can be seen in Table 1, the inductances of the wireless coils are very low, so it is easy to stack them, limiting the stray magnetic field. These kinds of values can be achieved with very limited distances between coils (few millimeters), typical of the electronic devices’ charging applications [46,47]. Obviously, lower k values need to be considered if other applications are taken into account. Note that the filter inductance Lf can be easily realized in air (since the target value is very low).
The LCC-s converter has been reproduced in Simulink using Simscape library. The electric scheme is shown in Figure 7.
The rectifier circuit has been reproduced with an equivalent resistance Re. The neglection of the rectifier is allowed since this converter works near the resonance condition. In this way, it is possible to evaluate the impact of MOSFETs’ switching losses in the converter performances, which is the purpose of this work, without influences from other contributions. For the same reason, the parasitic resistances associated with the reactive components in the circuit have also been neglected. The MOSFETs have been reproduced using the N-Channel MOSFET block, which is programmed with the Shichman–Hodges model. This block gives the possibility to insert parameters directly taken from a datasheet. In particular, the transients during MOSFET commutations are reproduced using the values of parasitic capacitances provided in the datasheet. Producers typically provide the functions of parasitic capacitances with vDS. These functions can be inserted in the N-Channel MOSFET block as look-up tables. Concerning instead the proposed models, the MOSFETs’ transients are reproduced evaluating the rise and fall times as shown in Section 3. Two commercial MOSFETs have been taken in consideration, a IPPB009N03L from Infineon and a PSMN1R440YLD from Nexperia (datasheets available in [48,49]), to compare their impact on converter performances. With the values provided in the datasheets and reported in Table 2, rise and fall times for the two MOSFETs can be evaluated with (16).
Considering the parameters in Table 2, the following times are evaluated: tr = 22.5 ns and tf = 12.4 ns for IPPB009N03L, tr = 24.48 ns and tf = 16.32 ns for PSMN1R440YLD. According to these values, it is expected to find worse performances using PSMN1R440YLD. In Figure 8, the input voltage evaluated as a trapezoidal function is compared with the input voltage provided by the MOSFET full-bridge reproduced in the Simulink environment.
The waveforms are slightly different; this is due to the different calculation process, which is very simplified in the case of the trapezoidal waveform, and for this reason much easier to be elaborated from the computational point of view. The proposed converter model takes in account, as discussed in Section 2, the first harmonic of the blue waveforms in Figure 8. The performances of the proposed model are compared with Simulink evaluating in both cases the impact of MOSFETs’ behavior on the converter output voltage. The results are compared with the output voltage, theoretically achievable by the converter considering ideal switches; to obtain these values, the same model presented in Section 2 has been adopted, imposing a pure square wave input voltage. The comparisons among models have been performed considering different input voltage and load resistance values. The following ranges have been considered: 10 V–30 V for the input voltage (recommended MOSFET working range according with producers) and 10 Ω–50 Ω for the load resistance. Results are presented in Figure 9 and Figure 10.
Several considerations can be made observing these results. First of all, the impact of the MOSFETs’ behavior on the converter performances is more important, as can be expected, when the current in the circuit increases. Indeed, the Simulink values are nearer to the ones of the proposed model when the input voltage increases, as shown in Figure 9 (particularly highlighted in Figure 9b, coherently with the expectations) and for low resistance values, as shown in Figure 10 (more evident in Figure 10b, coherently again with the expectations). Secondly, the values predicted with the proposed model are very similar to the ones calculated in Simulink; with reference to Figure 10, the percentage error between model and Simulink is always under 3.5% in Figure 10a and under 5.5% in Figure 10b. Finally, the proposed model realizes a slight underestimation of the results. This means that, considering Simulink as the most reliable value, using the ideal model and the proposed one, the range containing the real output voltage value can be defined, and an estimation of the real value could be performed, as first approximation, as the average of the black and blue trends in Figure 9 and Figure 10. To verify that, the output power calculated with the different discussed models is reported in Figure 11. In addition, the average between ideal and proposed model has been evaluated.
As can be seen, the prediction made by averaging the ideal and the proposed models is almost superimposed with the Simulink trend. So, the combination of these two models allows for exploring lots of working conditions (different input voltages and loads) in a paltry computational time (fractions of seconds) and granting reliable results. As a last consideration, observing the trends in Figure 11, the maximum power achievable, according to Simulink, is 1.2 kW in Figure 11a and 1.14 kW in Figure 10b; in correspondence of these values, the ideal model predicts, respectively, 1.27 kW and 1.26 kW. The MOSFET switching losses cause a 5.8% output power drop using IPPB009N03L and a 10.5% output power drop using PSMN1R440YLD, confirming the expectations. Furthermore, these results underline once again the importance of the proposed model for a preliminary evaluation of the impact of electronic devices in the converter performances since the differences in the final results can be anything but negligible. As anticipated in the previous section, the drain series MOSFET inductance can have a value similar to Lf. In the datasheet of MOSFETs considered in this work, the values of parasitic inductance are not reported. In addition, according to [42,43], a value of about 20 nH can be assumed. This inductance can be included in the proposed converter model by adding an inductance Lmos in series with Lf. Lmos can be evaluated as the double of the drain series MOSFET inductance, since, with a full-bridge inverter, two MOSFETs are in conduction in each half-period. So, considering an Lmos inductance of 40 nH, a comparison in terms of output power with Simulink and our proposed model has been performed. Results are provided in Figure 12 for the two kinds of MOSFET as functions of the load resistance.
As can be seen, this inductance has a non-negligible effect in the converter performances (output power is significantly lower compared with Figure 11) because, for this particular converter topology, the performances are strictly influenced by the value of the filter inductance (that, in this case, is the series between Lmos and Lf). Furthermore, the proposed approach, averaged with the ideal model, can still predict results very similar to Simulink.
Finally, a discussion on how to estimate MOSFET losses with the proposed model can be conducted. In particular, conduction losses can be calculated putting in series with the Lf inductance a resistance equal to the double of the drain–source MOSFET resistance (RDS): this is because two MOSFETs are in conduction, in a full-bridge inverter, for each half-period. Switching losses can be evaluated as the double (for the same reason of conduction losses) of the average power, in one period, between the current in the Lf inductance and the linear strokes of the trapezoidal input voltage. In parallel, in Simulink, the average power in one period between voltage and current across the MOSFET represents the total loss in the device (switching and conduction); the total losses in the inverter can be obtained multiplying by four the losses on the single MOSFET. The two contributions can be split by evaluating conduction losses as the average power on the RDS MOSFET resistance, so the switching losses will be the difference between total losses and conduction losses. In addition, we performed some tests in Simulink, and then we saw that conduction losses are extremely lower than the switching one (as also expected in the literature); indeed, it has to be considered that the RDS resistance is very low: 0.95 mΩ for IPPB009N03L MOSFET and 1.6 mΩ for PSMN1R440YLD MOSFET. So, the attention can be focused just on switching losses. Considering the IPPB009N03L MOSFET, the comparison of switching losses calculated using Simulink and the proposed model as function of input voltage and load resistance is shown in Figure 13.
As can be seen, the two approaches provide similar results. This kind of analysis can be exploited to evaluate not only the performances of MOSFETs, but also the resulting global efficiency of the converter.

5. Conclusions

In this work, a simplified model for the evaluation of the impact of MOSFETs’ switching losses in converters’ performances has been presented. Under several hypotheses, the relationships of MOSFETs’ rise and fall times can be easily derived using a first-order electric circuit. Two different commercial MOSFETs have been considered, and their datasheets have been used to evaluate rise and fall times. These times can be included in the model of the converter, considering a trapezoidal input voltage instead of a square one. A resonant LCC-s converter has been modeled, even if the approach can be replicated for every other resonant converter topology. The converter model has been written in frequency domain to strongly reduce the computational demand of the approach. The proposed model has been compared with a reproduction of the converter in a Simulink environment to validate its performances. A comparison between the converter output voltage and output power evaluated with the proposed model and with Simulink has been performed considering different values of input voltage and load resistance. This comparison has also been performed considering the possible contribution of MOSFETs’ parasitic inductances. Finally, a comparison in terms of converter switching losses between Simulink and the model has been proposed. Results showed that the proposed model, despite its simplicity, is able to provide results in very good accordance with Simulink. In this sense, the model can be adopted as a quick and reliable tool to evaluate how much electronic devices can affect the performances of a converter, allowing us to choose the best compromise for specific power electronics applications in accordance with the assigned design constraints.

Author Contributions

Conceptualization, V.B., A.F., M.D. and E.C.; methodology, V.B., A.F. and E.C.; software, V.B.; validation, V.B., A.F. and E.C.; formal analysis, V.B.; investigation, V.B., A.F., M.D. and E.C.; resources, A.F. and M.D.; data curation, V.B.; writing—original draft preparation, V.B.; writing—review and editing, V.B.; visualization, V.B., A.F., M.D. and E.C.; supervision, V.B., A.F. and E.C.; project administration, V.B., A.F. and E.C. All authors have read and agreed to the published version of the manuscript.

Funding

This work has been funded by the European Union—NextGenerationEU, Mission 4, Component 2, under the Italian Ministry of University and Research (MUR) National Innovation Ecosystem grant ECS00000041–VITALITY–CUP J97G22000170005.

Informed Consent Statement

Not applicable.

Data Availability Statement

Data are available on request.

Conflicts of Interest

The authors declare no conflict of interest.

References

  1. Rajiv, A.; Shree, R.; Bhatt, P.R.; Islam, B. Renewable energy mechanisms: An examination of the progress achieved in wireless power transmission techniques. Meas. Sens. 2024, 34, 101249, ISSN 2665-9174. [Google Scholar] [CrossRef]
  2. Chhawchharia, S.; Sahoo, S.K.; Balamurugan, M.; Sukchai, S.; Yanine, F. Investigation of wireless power transfer applications with a focus on renewable energy. Renew. Sustain. Energy Rev. 2018, 91, 888–902, ISSN 1364-0321. [Google Scholar] [CrossRef]
  3. Yang, C.; Zhang, L.; Xiu, S. An Analysis of Wireless Power Transfer with a Hybrid Energy Storage System and Its Sustainable Optimization. Sustainability 2025, 17, 2358. [Google Scholar] [CrossRef]
  4. El Ancary, M.; Lassioui, A.; El Fadil, H.; Bouanou, T.; El Idrissi, Z.; Rachid, A. Control of a Wireless Power Transfer Charger Powered by Renewable Energies. In Proceedings of the 2024 4th International Conference on Innovative Research in Applied Science, Engineering and Technology (IRASET), Fez, Morocco, 16–17 May 2024; pp. 1–6. [Google Scholar] [CrossRef]
  5. Venkatesan, M.; Narayanamoorthi, R.; Kacor, P.; Vrzala, M. Bidirectional wireless power transfer: Bridging electric vehicles and the grid through converter analysis, coil topologies, and communication protocol review. Results Eng. 2025, 25, 103803, ISSN 2590-1230. [Google Scholar] [CrossRef]
  6. Okasili, I.; Elkhateb, A.; Littler, T. A Review of Wireless Power Transfer Systems for Electric Vehicle Battery Charging with a Focus on Inductive Coupling. Electronics 2022, 11, 1355. [Google Scholar] [CrossRef]
  7. Asa, E.; Pries, J.; Galigekere, V.; Mukherjee, S.; Onar, O.C.; Su, G.J.; Ozpineci, B. A Novel AC to AC Wireless Power Transfer System for EV Charging Applications. In Proceedings of the 2020 IEEE Applied Power Electronics Conference and Exposition (APEC), New Orleans, LA, USA, 15–19 March 2020; pp. 1685–1690. [Google Scholar] [CrossRef]
  8. Triviño, A.; González-González, J.M.; Aguado, J.A. Wireless Power Transfer Technologies Applied to Electric Vehicles: A Review. Energies 2021, 14, 1547. [Google Scholar] [CrossRef]
  9. Mahesh, A.; Chokkalingam, B.; Mihet-Popa, L. Inductive Wireless Power Transfer Charging for Electric Vehicles–A Review. IEEE Access 2021, 9, 137667–137713. [Google Scholar] [CrossRef]
  10. Yang, L.; Chen, X.; Zhang, Y.; Feng, B.; Wen, H.; Yang, T.; Zhao, X.; Huang, J.; Zhu, D.; Zhao, Y.; et al. Underwater Power Conversion and Junction Technology for Underwater Wireless Power Transfer Stations. J. Mar. Sci. Eng. 2024, 12, 561. [Google Scholar] [CrossRef]
  11. Martínez de Alegría, I.; Rozas Holgado, I.; Ibarra, E.; Robles, E.; Martín, J.L. Wireless Power Transfer for Unmanned Underwater Vehicles: Technologies, Challenges and Applications. Energies 2024, 17, 2305. [Google Scholar] [CrossRef]
  12. Pugi, L.; Reatti, A.; Corti, F. Application of Wireless Power Transfer to Railway Parking Functionality: Preliminary Design Considerations with Series-Series and LCC Topologies. J. Adv. Transp. 2018, 2018, 8103140. [Google Scholar] [CrossRef]
  13. Anyapo, C.; Intani, P. Development of Long Rail Dynamic Wireless Power Transfer for High-Speed Train. In Proceedings of the 2019 16th International Conference on Electrical Engineering/Electronics, Computer, Telecommunications and Information Technology (ECTI-CON), Pattaya, Thailand, 10–13 July 2019; pp. 565–568. [Google Scholar] [CrossRef]
  14. Xiong, H.; Xiang, B.; Mao, Y. An Auxiliary Passive Circuit and Control Design for Wireless Power Transfer Systems in DC Microgrids with Zero Voltage Switching and Accurate Output Regulations. Energies 2023, 16, 694. [Google Scholar] [CrossRef]
  15. Baros, D.; Voglitsis, D.; Papanikolaou, N.P.; Kyritsis, A.; Rigogiannis, N. Wireless Power Transfer for Distributed Energy Sources Exploitation in DC Microgrids. IEEE Trans. Sustain. Energy 2019, 10, 2039–2049. [Google Scholar] [CrossRef]
  16. Das, M.; Agarwal, V. Design and analysis of a high-efficiency dc–dc converter with soft switching capability for renewable energy applications requiring high voltage gain. IEEE Trans. Ind. Electron. 2016, 63, 2936–2944. [Google Scholar] [CrossRef]
  17. Shenai, K.; Neudeck, P.; Schwarze, G. Design and technology of compact high-power converters. In Proceedings of the 35th Intersociety Energy Conversion Engineering Conference and Ex hibit (IECEC) (Cat. No.00CH37022), Las Vegas, NV, USA, 24–28 July 2000; Collection of Technical Papers; IEEE: Piscataway, NJ, USA, 2000; Volume 1, pp. 30–36. [Google Scholar]
  18. Huang, D.; Gilham, D.; Feng, W.; Kong, P.; Fu, D.; Lee, F.C. High power density high efficiency dc/dc converter. In Proceedings of the 2011 IEEE Energy Conversion Congress and Exposition, Phoenix, AZ, USA, 17–22 September 2011; pp. 1392–1399. [Google Scholar]
  19. Guan, Y.; Cecati, C.; Alonso, J.M.; Zhang, Z. Review of high frequency high-voltage-conversion-ratio dc–dc converters. IEEE J. Emerg. Sel. Top. Ind. Electron. 2021, 2, 374–389. [Google Scholar] [CrossRef]
  20. Rivas, J.M.; Jackson, D.; Leitermann, O.; Sagneri, A.D.; Han, Y.; Perreault, D.J. Design considerations for very high frequency dc-dc converters. In Proceedings of the 2006 37th IEEE Power Electronics Specialists Conference, Jeju, Republic of Korea, 18–22 June 2006; pp. 1–11. [Google Scholar]
  21. Woo, S.; Shin, Y.; Lee, C.; Moon, J.; Kim, H.; Kim, H.; Huh, S.; Ahn, S. Design and Analysis of LCC-S Wireless Power Transfer Systems Considering Load-Dependent Leakage Magnetic Field. IEEE Trans. Electromagn. Compat. 2024, 66, 1015–1028. [Google Scholar] [CrossRef]
  22. Lu, C.; Huang, X.; Rong, C.; Hu, Z.; Chen, J.; Tao, X.; Wang, S.; Wei, B.; Liu, M. Shielding the magnetic field of wireless power transfer system using zero-permeability metamaterial. J. Eng. 2019, 2019, 1812–1815. [Google Scholar] [CrossRef]
  23. de Paula, W.J.; Tavares, G.H.M.; Soares, G.M.; Almeida, P.S.; Braga, H.A.C. Switching losses prediction methods oriented to power MOSFETs—A review. IET Power Electron. 2020, 13, 2960–2970. [Google Scholar] [CrossRef]
  24. Li, X.; Xiao, F.; Luo, Y.; Wang, R.; Shi, Z. An Improved Equivalent Circuit Model of SiC MOSFET and Its Switching Behavior Predicting Method. IEEE Trans. Ind. Electron. 2021, 69, 9462–9471. [Google Scholar] [CrossRef]
  25. Shi, B.; Zhao, Z.; Zhu, Y.; Wang, X. Time-Domain and Frequency-Domain Analysis of SiC MOSFET Switching Transients Considering Transmission of Control, Drive, and Power Pulses. IEEE J. Emerg. Sel. Top. Power Electron. 2021, 9, 6441–6452. [Google Scholar] [CrossRef]
  26. Prado, E.O.; Bolsi, P.C.; Sartori, H.C.; Pinheiro, J.R. Simple analytical model for accurate switching loss calculation in power MOSFETs using non-linearities of Miller capacitance. IET Power Electron. 2022, 15, 594–604. [Google Scholar] [CrossRef]
  27. Christen, D.; Biela, J. Analytical Switching Loss Modeling Based on Datasheet Parameters for mosfets in a Half-Bridge. IEEE Trans. Power Electron. 2019, 34, 3700–3710. [Google Scholar] [CrossRef]
  28. Qi, J. Analysis, design, and optimisation of an LCC/S compensated WPT system featured with wide operation range. IET Power Electron. 2020, 13, 1819–1827. [Google Scholar] [CrossRef]
  29. Arribas, P.; Shang, F.; Krishnamurthy, M.; Shenai, K. Simple and Accurate Circuit Simulation Model for SiC Power MOSFETs. IEEE Trans. Electron Devices 2015, 62, 449–457. [Google Scholar] [CrossRef]
  30. Bottaro, E.; Rizzo, S.A.; Salerno, N. Circuit Models of Power MOSFETs Leading the Way of GaN HEMT Modelling—A Review. Energies 2022, 15, 3415. [Google Scholar] [CrossRef]
  31. Zhu, Y.; Wu, H.; Li, F.; Zhu, Y.; Pei, Y.; Liu, W. A Comparative Analysis of S-S and LCCL-S Compensation for Wireless Power Transfer with a Wide Range Load Variation. Electronics 2022, 11, 420. [Google Scholar] [CrossRef]
  32. Balaji, C.; Venugopal, R.; Selvaraj, J.; Balasundaram, G.; Savio, A.D.; Lim, W.H. Design and Performance Study of LCC-LCC and LCC-S Compensation Network for Wireless Charging of EV Battery. In Proceedings of the 2023 IEEE International Transportation Electrification Conference (ITEC-India), Chennai, India, 12–15 December 2023; pp. 1–7. [Google Scholar] [CrossRef]
  33. De Simone, S.; Adragna, C.; Spini, C.; Gattavari, G. Design-oriented steady-state analysis of LLC resonant converters based on FHA. In Proceedings of the International Symposium on Power Electronics, Electrical Drives, Automation and Motion, 2006, SPEEDAM 2006, Taormina, Italy, 23–26 May 2006; pp. 200–207. [Google Scholar] [CrossRef]
  34. Fang, Y.; Pong, B.M.H.; Hui, R.S.Y. An enhanced multiple harmonics analysis method for wireless power transfer systems. IEEE Trans. Power Electron. 2020, 35, 1205–1216. [Google Scholar] [CrossRef]
  35. Corti, F.; Bertolini, V.; Reatti, A.; Faba, A.; Cardelli, E. Advanced Modeling Approach for LLC Resonant Converters: From Multiharmonic Analysis to Small Signal Model. IEEE Trans. Power Electron. 2025, 40, 3899–3915. [Google Scholar] [CrossRef]
  36. Alawieh, H.; Riachy, L.; Tehrani, K.A.; Azzouz, Y.; Dakyo, B. A new dead-time effect elimination method for H-bridge inverters. In Proceedings of the IECON 2016—42nd Annual Conference of the IEEE Industrial Electronics Society, Florence, Italy, 23–26 October 2016; pp. 3153–3159. [Google Scholar] [CrossRef]
  37. Alawieh, H.; Tehrani, K.A.; Azzouz, Y.; Dakyo, B. A novel dead time elimination strategy with zero crossing enhancement for voltage inverters. In Proceedings of the 7th IET International Conference on Power Electronics, Machines and Drives (PEMD 2014), Manchester, UK, 8–10 April 2014; pp. 1–5. [Google Scholar] [CrossRef]
  38. Brown, J. Power mosfet basics: Understanding gate charge and using it to assess switching performance. Vishay Siliconix AN608 2004, 153, 73217. [Google Scholar]
  39. Li, G.; Gao, Q.; Jin, M.; Kou, J.; Li, X.; Xu, D. An improved MATLAB/simulink model of SiC power MOSFETs. In Proceedings of the 2016 IEEE 8th International Power Electronics and Motion Control Conference (IPEMC-ECCE Asia), Hefei, China, 22–26 May 2016; pp. 1628–1633. [Google Scholar] [CrossRef]
  40. Jin, M.; Gao, Q.; Wang, Y.; Xu, D. A Temperature-Dependent SiC MOSFET Modeling Method Based on MATLAB/Simulink. IEEE Access 2018, 6, 4497–4505. [Google Scholar] [CrossRef]
  41. Ogawa, S.; Tanaka, T.; Nakahara, K. Improved Scheme for Estimating the Embedded Gate Resistance to Reproduce SiC MOSFET Circuit Performance. IEEE Trans. Electron Devices 2023, 70, 4743–4748. [Google Scholar] [CrossRef]
  42. Górecki, P.; d’Alessandro, V. A Datasheet-Driven Electrothermal Averaged Model of a Diode–MOSFET Switch for Fast Simulations of DC–DC Converters. Electronics 2024, 13, 154. [Google Scholar] [CrossRef]
  43. Fritz, N.; Engelmann, G.; Stippich, A.; Lüdecke, C.; Philipps, D.A.; Doncker, R.W.D. Toward an In-Depth Understanding of the Commutation Processes in a SiC MOSFET Switching Cell Including Parasitic Elements. IEEE Trans. Ind. Appl. 2020, 56, 4089–4101. [Google Scholar] [CrossRef]
  44. Yao, D.-H.; Liu, T.-N.; Takamiya, M.; Chen, P.-H. A 6.78-MHz Wireless Power Transfer System with Dual-Output Resonant Current-Mode Regulating Rectifier and Transmission Power Regulation. IEEE Trans. Circuits Syst. I Regul. Pap. 2023, 70, 4986–4998. [Google Scholar] [CrossRef]
  45. Liu, M.; Fu, M.; Ma, C. Parameter Design for a 6.78-MHz Wireless Power Transfer System Based on Analytical Derivation of Class E Current-Driven Rectifier. IEEE Trans. Power Electron. 2016, 31, 4280–4291. [Google Scholar] [CrossRef]
  46. Ali, E.M.; Alibakhshikenari, M.; Virdee, B.S.; Soruri, M.; Limiti, E. Efficient Wireless Power Transfer via Magnetic Resonance Coupling Using Automated Impedance Matching Circuit. Electronics 2021, 10, 2779. [Google Scholar] [CrossRef]
  47. Degen, C. Inductive coupling for wireless power transfer and near-field communication. J. Wireless Com. Network. 2021, 2021, 121. [Google Scholar] [CrossRef]
  48. Available online: https://www.infineon.com/dgdl/Infineon-IPB009N03L-DS-v01_04-en.pdf?fileId=db3a30431689f4420116d426b6770ca3 (accessed on 19 May 2025).
  49. Available online: https://assets.nexperia.com/documents/data-sheet/PSMN1R4-40YLD.pdf (accessed on 19 May 2025).
Figure 1. Electric scheme of LCC-s converter.
Figure 1. Electric scheme of LCC-s converter.
Applsci 15 05878 g001
Figure 2. Equivalent circuit of LCC-s converter after FHA.
Figure 2. Equivalent circuit of LCC-s converter after FHA.
Applsci 15 05878 g002
Figure 3. Trapezoidal wave input voltage (case tr = tf).
Figure 3. Trapezoidal wave input voltage (case tr = tf).
Applsci 15 05878 g003
Figure 4. MOSFET equivalent circuital scheme.
Figure 4. MOSFET equivalent circuital scheme.
Applsci 15 05878 g004
Figure 5. Typical trends of drain–source voltage, GO voltage and drain–source current during commutations [23].
Figure 5. Typical trends of drain–source voltage, GO voltage and drain–source current during commutations [23].
Applsci 15 05878 g005
Figure 6. Flowchart representing the main steps to build the proposed model.
Figure 6. Flowchart representing the main steps to build the proposed model.
Applsci 15 05878 g006
Figure 7. Electric scheme of LCC-s converter reproduced in Simulink environment.
Figure 7. Electric scheme of LCC-s converter reproduced in Simulink environment.
Applsci 15 05878 g007
Figure 8. Comparison of the input voltage calculated as trapezoidal function or using MOSFET full-bridge (considering parasitic capacitances) in the Simulink environment (Vdc = 30 V). (a) IPPB009N03L (Infineon) MOSFET full-bridge. (b) PSMN1R440YLD (Nexperia) MOSFET full-bridge.
Figure 8. Comparison of the input voltage calculated as trapezoidal function or using MOSFET full-bridge (considering parasitic capacitances) in the Simulink environment (Vdc = 30 V). (a) IPPB009N03L (Infineon) MOSFET full-bridge. (b) PSMN1R440YLD (Nexperia) MOSFET full-bridge.
Applsci 15 05878 g008
Figure 9. Output voltage values achievable in the LCC-s converter using an ideal model (model in Section 2 with square input voltage), Simulink (reference model) and a proposed model (model in Section 2 with trapezoidal input voltage) for different input voltage values (RL = 10 Ω). (a) IPPB009N03L (Infineon) MOSFET. (b) PSMN1R440YLD (Nexperia) MOSFET.
Figure 9. Output voltage values achievable in the LCC-s converter using an ideal model (model in Section 2 with square input voltage), Simulink (reference model) and a proposed model (model in Section 2 with trapezoidal input voltage) for different input voltage values (RL = 10 Ω). (a) IPPB009N03L (Infineon) MOSFET. (b) PSMN1R440YLD (Nexperia) MOSFET.
Applsci 15 05878 g009
Figure 10. Output voltage values achievable in the LCC-s converter using an ideal model (model in Section 2 with square input voltage), Simulink (reference model) and a proposed model (model in Section 2 with trapezoidal input voltage) for different load resistance values (Vdc = 30 V). (a) IPPB009N03L (Infineon) MOSFET. (b) PSMN1R440YLD (Nexperia) MOSFET.
Figure 10. Output voltage values achievable in the LCC-s converter using an ideal model (model in Section 2 with square input voltage), Simulink (reference model) and a proposed model (model in Section 2 with trapezoidal input voltage) for different load resistance values (Vdc = 30 V). (a) IPPB009N03L (Infineon) MOSFET. (b) PSMN1R440YLD (Nexperia) MOSFET.
Applsci 15 05878 g010
Figure 11. Output power values achievable in the LCC-s converter using an ideal model (model in Section 2 with square input voltage), Simulink (reference model) and a proposed model (model in Section 2 with trapezoidal input voltage) for different load resistance values (Vdc = 30 V). Also, the average between the ideal and proposed models is shown. (a) IPPB009N03L (Infineon) MOSFET. (b) PSMN1R440YLD (Nexperia) MOSFET.
Figure 11. Output power values achievable in the LCC-s converter using an ideal model (model in Section 2 with square input voltage), Simulink (reference model) and a proposed model (model in Section 2 with trapezoidal input voltage) for different load resistance values (Vdc = 30 V). Also, the average between the ideal and proposed models is shown. (a) IPPB009N03L (Infineon) MOSFET. (b) PSMN1R440YLD (Nexperia) MOSFET.
Applsci 15 05878 g011
Figure 12. Output power values achievable in the LCC-s converter using an ideal model (model in Section 2 with square input voltage), Simulink (reference model) and a proposed model (model in Section 2 with trapezoidal input voltage) for different load resistance values (Vdc = 30 V) when parasitic inductances of MOSFETs (40 nH) are considered. Also, the average between ideal and proposed models is shown. (a) IPPB009N03L (Infineon) MOSFET. (b) PSMN1R440YLD (Nexperia) MOSFET.
Figure 12. Output power values achievable in the LCC-s converter using an ideal model (model in Section 2 with square input voltage), Simulink (reference model) and a proposed model (model in Section 2 with trapezoidal input voltage) for different load resistance values (Vdc = 30 V) when parasitic inductances of MOSFETs (40 nH) are considered. Also, the average between ideal and proposed models is shown. (a) IPPB009N03L (Infineon) MOSFET. (b) PSMN1R440YLD (Nexperia) MOSFET.
Applsci 15 05878 g012
Figure 13. Switching power losses in the LCC-S inverter using Simulink (reference model) and the proposed model (model in Section 2 with trapezoidal input voltage) for IPPB009N03L (Infineon) MOSFET. Lmos = 0. (a) Different input voltages (RL = 15 Ω). (b) Different load resistances (VDC = 30 V).
Figure 13. Switching power losses in the LCC-S inverter using Simulink (reference model) and the proposed model (model in Section 2 with trapezoidal input voltage) for IPPB009N03L (Infineon) MOSFET. Lmos = 0. (a) Different input voltages (RL = 15 Ω). (b) Different load resistances (VDC = 30 V).
Applsci 15 05878 g013
Table 1. Electric features of LCC-s converter.
Table 1. Electric features of LCC-s converter.
QuantitySymbolValue
Primary side inductanceLp490 nH
Secondary side inductanceLs490 nH
Filter inductanceLf60 nH
Coupling coefficientk0.85
Resonant frequencyfo6.78 MHz
Working frequencyfsw0.95 fo
Table 2. Electric parameters for the two considered commercial MOSFETs.
Table 2. Electric parameters for the two considered commercial MOSFETs.
ModelQGDVgpVGSRg
IPPB009N03L (Infineon)24 nC2.9 V4.5 V1.5 Ω
PSMN1R440YLD (Nexperia)19.5 nC2.7 V4.5 V2.25 Ω
Disclaimer/Publisher’s Note: The statements, opinions and data contained in all publications are solely those of the individual author(s) and contributor(s) and not of MDPI and/or the editor(s). MDPI and/or the editor(s) disclaim responsibility for any injury to people or property resulting from any ideas, methods, instructions or products referred to in the content.

Share and Cite

MDPI and ACS Style

Bertolini, V.; Faba, A.; Dionigi, M.; Cardelli, E. Frequency Domain Model of a Resonant LCC-S Converter for High-Frequency Wireless Power Transfer Applications Considering Switching Losses in MOSFETs Bridge. Appl. Sci. 2025, 15, 5878. https://doi.org/10.3390/app15115878

AMA Style

Bertolini V, Faba A, Dionigi M, Cardelli E. Frequency Domain Model of a Resonant LCC-S Converter for High-Frequency Wireless Power Transfer Applications Considering Switching Losses in MOSFETs Bridge. Applied Sciences. 2025; 15(11):5878. https://doi.org/10.3390/app15115878

Chicago/Turabian Style

Bertolini, Vittorio, Antonio Faba, Marco Dionigi, and Ermanno Cardelli. 2025. "Frequency Domain Model of a Resonant LCC-S Converter for High-Frequency Wireless Power Transfer Applications Considering Switching Losses in MOSFETs Bridge" Applied Sciences 15, no. 11: 5878. https://doi.org/10.3390/app15115878

APA Style

Bertolini, V., Faba, A., Dionigi, M., & Cardelli, E. (2025). Frequency Domain Model of a Resonant LCC-S Converter for High-Frequency Wireless Power Transfer Applications Considering Switching Losses in MOSFETs Bridge. Applied Sciences, 15(11), 5878. https://doi.org/10.3390/app15115878

Note that from the first issue of 2016, this journal uses article numbers instead of page numbers. See further details here.

Article Metrics

Back to TopTop