Abstract
In the process of steel strip production, the accuracy of defect detection remains a challenge due to the diversity of defect types, complex backgrounds, and noise interference. To improve the effectiveness of surface defect detection in steel strips, we propose an enhanced detection model known as YOLOv8-BSPB. First, we propose a novel pooling layer module, SCRD, which replaces max pooling with average pooling. This module introduces the receptive field block (RFB) and deformable convolutional network version 4 (DCNv4) to obtain learnable offsets, allowing convolutional kernels to flexibly move and deform on the input feature map, thus, more effectively extracting multi-scale features. Second, we integrate a polarized self-attention (PSA) mechanism to improve the model’s feature representation and enhance its ability to focus on relevant information. Additionally, we incorporate the BAM attention mechanism after the C2f module to strengthen the model’s feature selection capabilities. A bidirectional feature pyramid network is introduced at the neck of the model to improve feature transmission efficiency. Finally, the WIoU loss function is employed to accelerate the model’s convergence speed and enhance regression accuracy. Experimental results on the NEU-DET dataset demonstrate that the improved model achieves a classification accuracy of 81.3%, an increase of 4.9% over the baseline, with a mean average precision of 86.9%. The model has a parameter count of 5.5 M and operates at 103.1 FPS. To validate the model’s effectiveness, we conducted tests on the Kaggle steel strip dataset and our custom dataset, where the average accuracy improved by 2.3% and 5.5%, respectively. The experimental results indicate that the model meets the requirements for real-time, lightweight, and portable deployment.
1. Introduction
The detection of surface defects in steel strips is of significant importance in steel manufacturing and quality control. It not only directly affects the final quality of the products but also plays a key role in the control of the production process and the efficient utilization of resources. Steel strip is a type of steel product characterized by a relatively narrow width and an extremely long length, typically produced through hot or cold rolling processes. It is widely used in various industries, including automotive [1], construction [2], and manufacturing [3], due to its versatility and strength. During its production, various surface defects may occur, such as plaques, scratches, inclusions, edge cracks, and dents. These defects not only affect the performance of the steel strip but also diminish the overall quality of the product [4]. Furthermore, surface defects can lead to more serious issues, such as belt breakage and accumulation, resulting in significant losses in steel production [5]. Therefore, rapid and accurate detection of surface defects in steel strips is crucial for improving product quality and production efficiency, making it an important area of research in related technologies [6]. With the continuous advancement of automation technology, traditional manual inspection methods have gradually been replaced by advanced computer vision technologies and machine learning (ML) algorithms. The application of machine learning, particularly in the fields of image processing and data analysis, has introduced novel solutions for the detection of surface defects in steel strips.
Traditional machine vision methods mainly extract texture features from a local or global perspective to distinguish defects from the background [7,8]. For example, Liu, K. [9] et al., whose research was based on full differential image decomposition to detect various defects on texture homogeneous surfaces for tiny defects under low contrast conditions. Vaidelienė, G. [10] et al. explored DWT attributes and evaluated the explicit definitions of the spectral coefficients of the DWT, carrying out task-oriented subset correlation statistical analyses to generate a defect detection criterion to evaluate the multifaceted nature of the defects in the texture image. The literature [11] proposes an improved SVD phase space reconstruction algorithm by combining the nonlinear dynamics feature recognition theory and evaluating and comparing the experimental results to prove the feasibility of the proposed method. However, these image-processing-based methods face significant noise interference in industrial applications, which may lead to poor adaptability and robustness.
In recent years, machine learning-based methods have been successfully applied to many automated defect detection tasks. For instance, Prasanna et al. [12] proposed a deep learning-based method for detecting surface defects on steel strips, which automatically classifies surface defects using convolutional neural networks (CNN), achieving high classification accuracy and robustness. Zhang et al. [13] proposed a surface defect detection method for steel strips based on deep convolutional neural networks (CNN). The study successfully detected various common defects by applying data augmentation to the steel strip surface images and combining CNN for feature extraction and classification. The literature [14] explores the use of convolutional neural networks (CNNs) for real-time detection of steel surface defects. The research demonstrates how deep learning technologies can replace traditional defect detection methods, leading to better efficiency and fewer false positives in industrial settings. In addition, transfer learning has been widely applied in the field of steel strip defect detection. Transfer learning leverages models trained on other domains, such as bridge defect detection [15], and can fully exploit their advantages in steel strip surface defect detection. This approach allows for the effective enhancement of model detection capabilities, even when the dataset is insufficient. For example, Wan X et al. [16] demonstrated that transfer learning could significantly improve the accuracy and generalization ability of steel strip surface defect detection models, especially in scenarios with limited data.
With the continuous development of science and technology, deep learning has achieved remarkable progress in strip surface defect detection, addressing the robustness challenges often encountered by traditional machine learning algorithms [17]. By leveraging their ability to capture complex patterns in large datasets, deep learning models have proven particularly effective for defect detection on steel strip surfaces. This advancement has significantly improved detection accuracy, robustness, and efficiency, making deep learning an essential tool in industrial applications for surface defect detection. The YOLO series, with its high efficiency in detecting the target, provides a more efficient and accurate detection technique for strip surface defect detection. Yan Lu et al. [18] proposed a YOLOv5s-CSG model outperformed the original YOLOv5s by 7.3%. Y. Du et al. [19] proposed an adaptive focusing function AFF algorithm on the NEU-DET data set, achieving an average accuracy of 83.5%. Gui et al. [20] improved a YOLOX-ADS model, introducing the spatial depth (SPD) layer to prevent the loss of fine-grained information for small target features, and the improved SPPFCSPC module enhances the model’s fusion and representation ability. The mean precision and mean average precision of this method on the NEU-DET dataset were 81.4% and 79.9%. In [21], a slim-YOLOv8 model was proposed, then the online reparameterization method was introduced to reduce the number of model parameters and was finally tested on the NEU-DET dataset. Compared with YOLOv8, the accuracy of IoU 0.5 was increased by 8.3%, and the number of model parameters was reduced from 3.0 M to 2.7 M. Lu, J et al. [22] investigated an enhanced lightweight YOLOv7 model and obtained a 4.5% improvement in mAP50 over YOLOv7. In [23], GSConv was used to design an improved and efficient aggregation network by improving YOLOv7-tiny by adding SPDConv modules for low resolution and small defects between the prediction head and neck networks, with an average accuracy mean of up to 74.1%. In F. Ren et al. [24], an ECA-SimSPPF-SIoU-Yolov5-based algorithm achieved good detection results in mean average precision and recall. In [25], a FANet fusion attention network was proposed for detecting various steel surface defects by changing the backbone of FANet to ResNet-50, and a higher detection speed was achieved. In [26], a real-time detection network (RDN) was proposed that balanced speed and accuracy achieved 80.0% mAP, while C. Li et al. [27], based on the improved YOLOX algorithm, achieved 77% mAP on the NEU-DET dataset with a speed of 100 FPS. The above methods have been improved and designed based on the YOLO series.
Nevertheless, steel strip surface defect detection still faces several challenges. First, due to the wide variety of defects and their variations in different production environments, automating defect identification and classification remains a challenge, particularly with regard to data diversity and quality. Second, surface defects often resemble the surrounding environment and the texture of the metal, making it difficult for models to detect subtle defects and accurately differentiate between surface textures and defects. Lastly, ensuring high detection accuracy while improving the system’s real-time performance and computational efficiency—especially in large-scale data processing and high-speed production environments—remains an important direction for future research.
In summary, steel strip surface defect detection, particularly automation methods based on machine learning and deep learning, has become an essential part of modern steel manufacturing. In the future, with continuous algorithm optimization and the expansion of datasets, steel strip defect detection will become even more intelligent and efficient, further advancing the automation and intelligence of the steel industry. Here, we propose a YOLO-BSPB model aimed at improving the precision of surface defect detection in steel strips. The contributions of this paper are as follows:
- (1)
- To address the information loss caused by the SPPF pooling layer in YOLOv8 during the feature extraction process, we replaced it with an enhanced SPPCSPC [28] module. This improvement includes substituting max pooling with average pooling and integrating DCNv4 [29] to dynamically adjust convolution operations, enabling the capture of diverse feature information. Furthermore, the addition of the RFB [30] module allows the model to achieve a global perspective while maintaining fine-grained local adaptability.
- (2)
- To enhance the detection sensitivity to small targets and mitigate the loss of detailed information in the C2f module, we incorporated the BAM [31] attention mechanism to strengthen the model’s focus on important regions. Additionally, the PSA [32] mechanism was employed to separately capture information in both channel and spatial dimensions, thereby enabling a more comprehensive feature representation.
- (3)
- We utilized a bilateral improved feature pyramid structure (BiFPN) [33] to effectively combine fine-grained low-level features with high-level semantic features, improving detection performance for defects of varying sizes. Moreover, the WIoU [34] loss function was adopted to dynamically adjust weights, reducing performance loss and accelerating the convergence of the model.
2. Improved YOLOv8 Detection Principle
2.1. Improved Overall Structure of Yolov8n
YOLOv8 is a significant upgrade of the YOLO series of real-time object detectors launched by Ultralytics, aimed at enhancing the accuracy and efficiency of object detection. Its structure, as shown in Figure 1, features numerous innovations in architectural design. YOLOv8 employs a C2f backbone, which improves the model’s ability to recognize targets in complex environments. Additionally, to enhance detection performance, the decoupled head design allows for the independent processing of object classification and localization. The model also introduces an anchor-free approach, reducing reliance on manual anchor box configuration and ensuring robust generalization capabilities. This version offers five different model options—n, s, m, l, and x. Each model varies in parameter count, computational complexity, and performance, catering to the requirements of different hardware environments and application scenarios. These improvements have enabled YOLOv8 to achieve outstanding results across multiple standard datasets, further advancing the progress of real-time object detection technology.
Figure 1.
Structure diagram of YOLOv8.
The industrial requirements for defect detection are extremely stringent, and YOLOv8n offers a good balance between real-time performance and accuracy. As the smallest version in the YOLO series, YOLOv8n features a compact design that allows it to operate in resource-constrained environments, making it suitable for embedded systems and mobile devices. By adopting an optimized network architecture, it reduces computational load while maintaining good detection performance. This enables YOLOv8n to achieve high responsiveness when processing real-time data, allowing for timely identification and localization of surface defects. Therefore, this paper selects the smallest version of YOLOv8n as the basis for further improvement, proposing the YOLOv8-BSPB model. In this model, the SPPF pooling layer in the network structure is replaced with SCRD, the BAM attention mechanism is introduced into the C2f backbone, and the PSA mechanism is applied after the pooling layer. Additionally, the BiFPN is incorporated at the neck’s connection layer to enhance model performance, and the loss function is replaced with the WIoU loss function to improve classification performance. The overall structure of the improved model is shown in Figure 2.
Figure 2.
Structure diagram of YOLOv8-BSPB.
2.2. SCRD Improved Based on SPPCSPC
- SPPCSPC
The multi-stage spatial pyramid pooling cross-stage partial concatenation (SPPCSPC) module, shown in Figure 3, combines the advantages of the SPP and CSPC modules. The SPP module enhances the detection of different defect scales by capturing more scales of features from the image through multi-scale pooling. The CSPC module introduces cross-stage partial concatenation, which improves the feature utilization efficiency and the gradient flow, and efficiently alleviates the gradient vanishing problem. By combining multi-scale feature extraction with efficient feature linking, the SPPCSPC module can better realize image classification and object detection and ultimately improve the overall performance.
Figure 3.
Structure diagram of SPPCSPC.
- 2.
- Variability Convolution DCNv4
DCNv4 integrates the sparse attention mechanism with convolution operations, enhancing dynamic attributes and representational capacity. By utilizing the sparse attention mechanism, DCNv4 adaptively adjusts the position and shape of the convolutional kernel, thereby improving the sampling mechanism. In DCNv4, a single thread processes multiple channels within the same group, allowing these channels to share sampling offsets and aggregated weights. This reduces workloads and enables the merging of multiple memory access instructions. Figure 4 illustrates the intra-group shared processing mechanism in DCNv4.
Figure 4.
Intra-group sharing of DCNv4 processing.
When dealing with complex tasks, DCNv4 exhibits better adaptability. For the input feature map X, where the Δpk grid samples the position pk offset, the convolution kernel is Wk, and the bias b and attention weight Δmk are introduced. K represents the number of sampling points in the convolution kernel, p denotes the pixel coordinates of the image feature map, and pk represents the relative position of the k-th sampling point in the convolution kernel. The output feature map Y obtained for each point p is
- 3.
- Feature Extraction Module RFB
The receptive field block (RFB) module enhances traditional convolution operations through a series of convolution, normalization, and activation functions. As shown in Figure 5, the RFB module expands the receptive field, enabling the network to capture more comprehensive semantic information. Compared with traditional convolution operations, the RFB module significantly improves the perceptual capabilities of the network without increasing the number of parameters and computational costs. This improvement enables the model to better adapt to target objects of different sizes and shapes, thereby improving its performance in defect detection tasks.
Figure 5.
RFB structure diagram.
- 4.
- SCRD
To improve attention to the densely packed small target samples, the proposed SCRD structure employs the SPPCSPC module as its core component. To improve the SPPCSPC module to extract multi-scale features, previous studies have shown that modifications to the SPPCSPC module can significantly enhance detection accuracy in multi-scale object recognition tasks. For example, Zhao et al. [35] improved classification accuracy through SPPCSPC. Similarly, Wan et al. [36] replaced the SPPF module with an improved SPPCSPC to enhance feature representation capability and efficiently implement multi-scale feature fusion. Initially, dilated convolution and parallel convolution are integrated through the RFB module to enhance the model’s feature extraction capabilities. Traditional max pooling, which selects only the maximum value as output, often overlooks detailed and local features, particularly in small target detection where such details are crucial. In contrast, average pooling retains more local detail information and is less sensitive to noise, making it more suitable for detecting small targets. Therefore, max pooling is replaced with average pooling, and the pooling kernel sizes are adjusted to 3, 5, and 9 to better preserve the local details of small objects. Additionally, variability convolution via DCNv4 is introduced in place of standard convolution layers, allowing for more flexible adaptation to target shapes and sizes and further enhancing feature extraction. The SCRD structure is illustrated in Figure 6.
Figure 6.
Structure diagram of SCRD.
2.3. Polarized Self-Attention Mechanism
PSA combines polarization filtering and enhancement design to improve pixel-wise regression, enabling the model to handle defect information more accurately. The PSA mechanism was introduced to optimize information transfer and suppress background noise, aiming to enhance the model’s robustness in complex scenarios. Existing studies have shown that this mechanism can effectively improve detection accuracy. For instance, Cheng et al. [37] integrated the PSA mechanism into the YOLOv8 model for underwater target recognition, enhancing feature polarization across both channel and spatial dimensions, improving pixel-level prediction accuracy, and enabling lightweight edge deployment. Similarly, Lang and Lv [38] applied the polarized self-attention mechanism during feature extraction in a photovoltaic cell defect detection system, combining spatial and semantic features with the original input to enhance the network’s feature representation capability. These studies provide strong support for the effectiveness of the PSA mechanism in improving model performance.
The structure of the PSA is shown in Figure 7. In the channel attention module, 1×1 convolution is used to convert feature X into Q and V. The Q channel is fully compressed, and the operator FSM is used to enhance the Q information, while the V channel still maintains the number of C/2 channels. After matrix multiplication of Q and K, the dimension is raised to C by 1 × 1 convolution and normalization layer. Finally, the parameters are calculated by using the activation function. The channel branch weights Ach(X) are calculated as follows, where Wq, Wk, Wv are 1 × 1 convolutional layers, FGP is the global pooling operation, σ1, σ2 are two tensor reshape operators, and × is the matrix dot-product operation:
where X represents the input features, FSG denotes the nonlinear activation function, Wz is the learnable weight matrix, and θ1 is the associated hyperparameter of this weight matrix. Wv(X) represents a linear transformation of X, where Wv is the weight matrix. FSM stands for the Softmax function, and Wq(X) generates a representation of X that is related to the query.
Figure 7.
Structure diagram of PSA.
Similarly, in the spatial attention module, 1 × 1 convolution is used to transform features into Q and V. For Q, global pooling is used to compress the spatial dimension, and then, the Softmax operator is used to enhance Q, and V remains unchanged. The spatial branch computes the weight Asp(X) as follows, and σ3 is the tensor reshape operator. FSG represents the nonlinear activation function, σ1, σ2, and σ3 are activation functions for processing linear transformations, FGP denotes the global pooling operation, and Wq(X) and Wv(X) are linear transformation matrices:
PSAp(X) is obtained by parallel fusion of the above two branch outputs, where ch is a channel-wise multiplication operator.
2.4. C2f-BAM Attention Mechanisms
Due to the large difference in the target shape and size of the defects in the steel strip surface data set, it is difficult for the model to accurately identify and locate the defects, so the BAM attention mechanism is introduced. This mechanism improves the model’s ability to focus on important features in complex environments, thus enhancing object detection performance. Hu et al. [39] effectively extracted the shape, contour, and structural features of steel strip defects by incorporating the boundary-aware module (BAM), which also accurately localized the defects. Zhao et al. [40] added a global attention mechanism module to C2f, focusing on defect areas and suppressing irrelevant regions, dynamically adjusting feature responses to more accurately recognize image features. These studies provide strong support for the effectiveness of the improvements to C2f in enhancing detection performance by increasing the focus on relevant features.
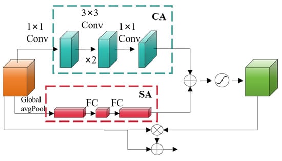
The structure of the BAM is shown in Figure 8. For the input feature map F, the channel dimension features are generated by using global average pooling in the channel attention module (CA), and then the input channel weights are learned through two fully connected layers FC, and finally, the C × 1 × 1 channel attention weights Mc(F) are obtained.
Figure 8.
Structure diagram of BAM.
The spatial attention module (SA) uses 1 × 1 convolution for dimensionality reduction and then learns the spatial weight of the feature map by repeated dilated convolution operations. Finally, the feature weight is reduced to 1 by 1 × 1 convolution, and the spatial attention weight Ms(F):
The spatial and channel attention are summed element-by-element, and the original feature map is weighted by using the activation function and the final comprehensive attention weight to obtain F’.
The neck attention module BAM is introduced at the bottleneck of C2f architecture to enhance the feature representation ability of the model. Through reasonable configuration and experimental verification, a good balance between performance and efficiency is achieved. Adding BAM directly to the bottleneck module can make full use of the power of the attention mechanism while maintaining the advantages of the original structure to improve the performance of the model in various tasks. The C2f-BAM structure diagram is shown in Figure 9.
Figure 9.
Structure diagram of C2F-BAM.
2.5. Bidirectional Feature Pyramid Network
The bidirectional feature pyramid network (BiFPN) enhances the traditional feature pyramid network (FPN), as illustrated in Figure 10a. By incorporating a weighted bidirectional feature fusion mechanism, BiFPN enables bidirectional information flow and multiple feature fusion, thereby improving both detection accuracy and speed. Kou et al. [41] adopted a de-weighted BiFPN structure to fully leverage feature information, enhancing feature fusion and reducing feature loss during the convolution process, which ultimately improved detection accuracy. Li et al. [42] introduced the de-weighted BiFPN structure at the network neck, balancing model size with detection accuracy and speed by adding step branches and reducing computation, leading to improved overall performance.
Figure 10.
Comparison of the two characteristic network structures: (a) FPN, and (b) BiFPN.
The BiFPN structure is shown in Figure 10b. BiFPN considers each bidirectional path as a feature network layer. The normalized weight ŵi is obtained for the ith input feature map weight parameter wi. The normalized weights are used to perform weighted fusion on the i input feature maps xi, and the weighted fusion feature map xf is obtained as
Finally, the weighted fused feature maps are concatenated along the specified dimensions. For each weighted feature map, they are concatenated along the channel dimension to form a new feature map.
2.6. Loss Function WIoU
The WIoU loss function was introduced to reduce error propagation and improve model efficiency. It has been shown in the research that this loss function can effectively enhance accuracy in tasks requiring precise localization. For example, the WIoU bounding box loss function was used by Qin et al. [43] to address the class imbalance problem, improving the robustness of the model for steel strip surface defect detection. Similarly, the WIoU loss function was employed by Kong and Fan [44] to improve the localization accuracy of surface defects and enhance training efficiency for low-quality samples. Significant improvements in model performance were demonstrated by their experimental results.
The bounding box regression BBR loss directly determines the model localization performance. IoU is used to measure the degree of overlap between the predicted box and the true box.
Low-quality data annotations in the training process will interfere with the model convergence under the influence of efficient fitting loss function. In order to improve the generalization ability of the model, the loss function WIoU is introduced as the evaluation index.
IoU is used to measure the degree of overlap between the predicted box and the true box in the object detection task, LIoU is an IoU-based loss function that adjusts the IoU loss weights in linear space:
WIoU, is a loss function with dynamic non-monotonic focused bounding box regression proposed based on IoU, which can better reflect the actual performance of object detection by introducing a better region alignment and weighting mechanism.
As shown in Figure 11, CB(x, y) represents the geometric center of the prediction box. As shown in Figure 11, CA(xgt, ygt) represents the geometric center of the target box, Wg and Hg represent the width and height of the minimum outsourced rectangular box, preventing the anchor box loss RWIoU from producing gradients that hinder convergence. “*” denotes a split operation. RWIoU, a reweighted IoU loss, dynamically adjusts weights to address the adaptability issues for different types of samples in the loss function. By combining these two types of loss functions, the optimization of various aspects of the predicted bounding box performance is achieved, resulting in a more robust loss function, LWIoUv1.
Figure 11.
Geometric representation of WIoU.
In order to make BBR focus more on anchors of ordinary quality and improve its classification performance, a small gradient gain is assigned to anchor frames to effectively prevent large harmful gradients from occurring in low quality. A non-monotonic focusing coefficient LWIoUv3 is constructed by the anchor box outlier degree β, γ is the gradient gain, LIoU represents an exponentially moving average with a momentum factor m, while L*IoU is an IoU loss function with a dynamic weighting mechanism that adjusts weights based on target attributes. Using β, a non-monotonic focusing coefficient LWIoUv3 is constructed for WIoUv1, assigning smaller gradient gains to anchor boxes with larger outliers, and α and δ are the hyperparameters.
3. Experiment and Analysis
3.1. Experimental Data Set
This study utilizes the publicly available NEU-DET dataset, which contains surface defect images of rolled steel strips.As shown in Figure 12, the dataset includes six defect types: rolled-in scale (RS), patches (Pa), cracks (Cr), pitted surface (PS), inclusions (In), and scratches (Sc), comprising a total of 1800 grayscale JPG images. Each defect type is represented by 300 images, each with a resolution of 200 × 200 pixels. The dataset is randomly split into a training set and a validation set in a 7:3 ratio, yielding 1260 images for training and 540 images for validation.
Figure 12.
Strip surface defect categories in the NEU-DET dataset: (a) oxide skin; (b) patches; (c) cracks; (d) pitted surface; (e) inclusion; (f) scratches.
The experiments are conducted using a GPU in an Ubuntu 22.04.3 environment. The GPU utilized is an NVIDIA GeForce RTX 3090 with 24 GB of VRAM. The software environment includes CUDA 12.1 and the deep learning framework PyTorch version 2.1.1, with programming performed in Python 3.10.14. The model is trained for 120 epochs, with images resized to 640 × 640 pixels, a batch size of 16, an initial learning rate of 0.01, a weight decay of 0.0005, and a learning rate momentum of 0.937.
3.2. Evaluation Indicators
When evaluating the detection accuracy and speed of defect detection models, the commonly used evaluation indicators are precision P, recall R, average precision mean mAP, frames per second FPS, model calculation amount GFLOPs, and model parameters to measure the accuracy of detection. The formula is as follows Equations (14)–(17).
where TP, TN, FP, and FN represent the number of correctly detected defect targets, the number of correctly detected non-defect samples, the number of incorrectly detected defect targets, and the number of missed defect targets, respectively; Framenum is the total number of detected images; elapsed time is the total time spent in detection.
3.3. Performance Comparison of Feature Extraction Module
To assess the effectiveness of the proposed SCRD module, this study evaluates its performance in defect detection by comparing it with several feature extraction modules. Specifically, SPPF, SimSPPF, SPPELAN, and SPPCSPC are chosen for comparison. This comparison aims to illustrate the advantages of the SCRD module over existing methods in terms of detection accuracy and overall performance.
Table 1 shows that the precision of the proposed SCRD method is 3.9% higher than that of SPPCSPC. The recall rate of SCRD is 2.1% higher than that of SPPF, but 0.7% lower than that of SPPCSPC. However, the mean average precision of SCRD is 1.3% higher than that of SPPF and 0.6% higher than that of SPPCSPC. These improvements are mainly attributed to SCRD’s ability to handle more complex defect patterns, making it more suitable for real-time detection under varying production conditions. Despite being computationally intensive, SCRD maintains relatively fast processing speeds, which makes it highly practical for steel strip defect detection.
Table 1.
Comparison of feature extraction modules.
3.4. Experiments on Attention Mechanism
In order to verify the superiority of introducing C2f_BAM, the influence of different attention mechanisms on the experimental results was compared. In this paper, GAM, BoT3, MHSA, CBAM, MSDA, ShuffleAttention, and SENet are selected for comparison.
As shown in Table 2, after embedding GAM, BoT3, MHSA, CBAM, ShuffleAttention, MSDA, and SENet attention mechanisms, the precision, recall, and mean average precision have different degrees of decline. Compared with the baseline C2f, the mAP of the C2f_BAM attention mechanism is increased by 0.5%. The precision is improved by 0.6%, and the recall is improved by 0.8%. The slight decline in performance with the addition of other attention mechanisms may be attributed to their complexity, which could introduce unnecessary computational overhead or cause overfitting to certain features. This indicates that C2f_BAM strikes a better balance between model complexity and detection accuracy, highlighting its effectiveness in enhancing overall performance.
Table 2.
Comparison of attention mechanisms.
3.5. Loss Function Comparison
In order to verify the usefulness of introducing the WIoU loss function reference, the commonly used loss functions GIoU, CIoU, EIoU, SioU, and DIoU were selected for comparison tests.
According to Table 3, compared with other loss functions, the introduction of the WIoU loss function can obtain higher total precision, recall rate, and mAP. For six kinds of defects, the mean average precision of Sc measurement by CIoU and WIoU both reached 97.9%. In addition, for other defect types, the detection results of WIoU were better than those of other loss functions. WIoU adopts a dynamic non-monotonic focusing mechanism, which enabled the model to focus more on the anchor box of common defect sample quality, thus ensuring the balance of model performance. This dynamic focusing mechanism allowed the model to prioritize the most relevant defect samples, improving detection accuracy. As a regression loss, WIoU loss improved the convergence speed of the model and then improved the prediction effect of the model. This faster convergence led to more efficient training, allowing the model to reach optimal performance quicker. Therefore, WIoU was selected as the loss function.
Table 3.
Comparison of loss functions.
3.6. Ablation Experiments
In order to prove the effectiveness of the model, based on YOLOv8n, a comparative analysis of ablation experiments was designed on the NEU-DET public data set of Northeastern University, and all parameters were kept consistent during the experiment.
As shown in Table 4, 1 is the yolov8 benchmark model, 2 is the SCRD module, 3 is the PSA module, 4 is the C2f-BAM module, 5 is the BiFPN module, and 6 is the WIoU loss function. 1 + 2 refers to the introduction of the SCRD module alone, 1 + 3 refers to the introduction of the PSA module alone, 1 + 4 refers to the introduction of the C2f-BAM module alone, 1 + 5 refers to the introduction of the BiFPN module alone, and 1 + 6 refers to the introduction of WIoU loss function alone. The results after the introduction of SCRD and PSA modules are represented by 1 + 2 + 3; the overall precision was increased by 1.7%, the recall rate was increased by 2.6%, and the mean average precision was increased by 2.0%; 1 +...+ 4 indicated the results after adding SCRD, PSA, and C2f-BAM, with an improvement of 2.3%, 4.3%, and 2.9% in precision, recall, and average precision, respectively; 1 +...+ 5 represents the results after adding SCRD, PSA, C2f-BAM and BiFPN, accuracy and average precision compared to 1 +...+ 4 improved by 0.6% and 0.6%, but reduced recall by 0.5%. 1 +...+ 6 is for the introduction of 1+. The results after the +4 module and WIoU had the highest overall accuracy, and the mean average precision of the six defects detection was higher than that of the baseline model. The mean average precision of RS, Sc, Cr, Ps, Pa, and In were increased by 3.3%, 1.8%, 5.6%, 34.3%, 26.2%, and 3.4%, respectively.
Table 4.
Ablation experiments.
To more effectively assess the performance of the YOLOv8-BSPB algorithm, a comparative analysis was conducted on the loss curves, as well as the precision and recall curves, of the YOLOv8 and YOLOv8-BSPB models during the training phase. As illustrated in Figure 13, the loss value for the YOLOv8-BSPB model decreases and stabilizes after 200 training epochs, demonstrating a superior convergence rate.
Figure 13.
YOLOv8n-BSPB loss function curve: (a) YOLOv8; (b) YOLOv8-BSPB.
In addition, we evaluated the detection ability of YOLOv8N-BSPB using the confusion matrix, as shown in Figure 14. The false positive FP and false negative FN of Yolov8n in detecting most defect categories in the confusion matrix are comparable, indicating higher classification accuracy of the improved model.
Figure 14.
Confusion matrix for the validation set with defects of different classes: (a) confusion matrix of YOLOv8n; (b) confusion matrix of YOLOv8n-BSPB.
In order to visually compare the detection performance of the YOLOv8-BSPB proposed in this paper with that of the YOLOv8 model on surface defects of strip steel, the dataset is qualitatively analyzed, and the results are shown in Figure 15. From the Figure, it can be seen that the original model shows leakage and low detection accuracy, while the improved model improves in accuracy and is able to detect more targets, which verifies the improvement of the improved model in terms of defect sample detection.
Figure 15.
Visualization of detection results: (a) original images; (b) YOLOv8; (c) YOLOv8-BSPB.
3.7. Comparison Test of Different Models
To verify the performance of the improved model, it was compared with the current mainstream models YOLOv5n, YOLOv5s, YOLOX, YOLOv7, YOLOv7-tiny, Faster-RCNN [45], and SSD [46] algorithm, and the experimental results are shown in Table 5.
Table 5.
Comparison of different models.
The table shows that Faste-RCNN and SSD have slow detection speeds and low accuracy, which makes it difficult to adapt to the current detection requirements. Compared with other methods, the proposed algorithm is better in precision, recall rate, and mean average precision. This indicates that the proposed algorithm addresses the limitations of previous methods, offering a more robust solution for defect detection. Compared with the YOLOv8n, the proposed algorithm is improved by 4.9%, 4.3%, and 4.0%, respectively, which proves the effectiveness of the improved algorithm. This improvement highlights the proposed algorithm’s capability to achieve higher detection performance while maintaining efficient processing. Compared with other methods, the accuracy of YOLOv5n, YOLOv6n, and YOLOX was 11.3%, 9.0%, and 4.0% higher, and the parameter amount was reduced by 1.2 M, 2.8 M, and 3.5 M, and the model parameter amount is increased by 2.6 M. Although the model parameter increase may lead to a more complex structure, it contributes to enhanced performance. Due to the introduction of a complex module structure, the FPS of the algorithm in this paper is reduced compared with the detection frame number of YOLOv8, but it is still suitable for real-time detection of strip surface defects. This trade-off between detection performance and FPS is a common characteristic in models that seek to balance accuracy with real-time processing capabilities. In summary, the improved YOLOv8-BSPB model has good detection performance in strip surface defect detection.
3.8. Experiments on Different Datasets
To validate the effectiveness of the model, the experimental environment was kept consistent, with the dataset randomly split into a training set and a validation set in a 7:3 ratio. The model was trained for 120 epochs, with an image resolution of 640 × 640 pixels, a batch size of 16, and an initial learning rate (lr0) of 0.01. The model was tested using both the Kaggle steel strip dataset and defect data collected from an actual factory. The Kaggle dataset contains four types of defects, as shown in Figure 16. The dataset includes a total of 6666 defect images, with 4666 images in the test set and 2000 images in the validation set.
Figure 16.
The four types of defects in the Kaggle dataset: (a) cracks; (b) inclusion; (c) patches; (d) scratches.
The defect dataset collected from the factory includes two types of defects were flaw (FL) and scratch (Sc), as shown in Figure 17. The dataset contains a total of 608 defect images, with 426 images in the test set and 182 images in the validation set.
Figure 17.
The two types of defects in the iron dataset: (a) flaw; (b) scratch.
The validation experiment results are shown in Table 6 and Table 7, where the four defect types in the Kaggle dataset correspond to Cr, In, Pa, and Sc in Table 6, and the two defect types in the factory dataset correspond to FL and Sc in the table.
Table 6.
Comparison results of Kaggle dataset.
Table 7.
Comparison results of factory datasets.
As can be seen from Table 6 and Table 7, for the Kaggle dataset, the improved Yolov8 model has the precision, recall rate, and mean average precision increased by 2.1%, 2.1%, and 2.3%, respectively, and the mean average precision of cracks, inclusions, patches, and scratch defects increased by 4.7%, 4.0%, 0.9%, and 7.2%, respectively. For the factory dataset, the mean precision, recall, and average precision of the improved model are increased by 10.0%, 1.9%, and 5.5%, and the mean average precision of scratch and flaw defects increased by 11.0% and 3.4%. In summary, the improved model has better generalization.
To more clearly and intuitively observe the performance improvement after mod-el enhancement, we provided visual images of YOLOv8-BSPB on two datasets. As shown in Figure 18, the improved YOLOv8-BSPB model demonstrates significantly better defect detection performance on both datasets compared to the original model. The enhanced model more accurately identifies and classifies defects in complex areas, particularly in cases where the original model missed or incorrectly detected defects. Additionally, the improved model shows fewer false positives in detecting scratches and edge losses. These enhancements not only increase the comprehensiveness and reliability of defect detection but also effectively reduce the false detection rate, validating the potential advantages of the improved model in practical applications.

Figure 18.
Two dataset visualizations: (a) Kaggle; (b) factory datasets.
4. Conclusions
Aiming at the problems existing in the actual detection of existing steel strips, yolov8n is improved, and the BAM attention mechanism is introduced into the backbone to strengthen the feature expression ability of the model. An improved spatial pyramid pooling feature extraction module SCRD was proposed to extract multi-scale features. The PSA polarized attention mechanism is introduced to optimize information transmission and suppress background interference. BiFPN bidirectional feature pyramid network is introduced in the neck to improve the detection speed of the model while maintaining accuracy. Finally, the WIoU loss function is introduced to reduce error propagation and improve the accuracy and efficiency of target detection. Through a large number of contrast tests and ablation experiments, the feasibility of the improved algorithm is verified. Compared to traditional methods like Faster R-CNN and SSD, the YOLOv8-BSPB model demonstrates significant advantages in both detection accuracy and real-time performance. Specifically, YOLOv8-BSPB improves detection accuracy while achieving real-time detection with lower computational cost, meeting the dual demands of speed and accuracy in industrial environments. Compared to YOLOv5n, YOLOv6n, and YOLOX, YOLOv8-BSPB optimizes the network structure, reducing computation while maintaining detection accuracy, which is more suitable for resource-limited environments. The YOLOv8-BSPB proposed in this paper has high detection accuracy and a small number of parameters, which has positive significance in the real-time detection of strip surface defects. In future work, we will continue to study how to lightweight the model while maintaining high accuracy so as to improve the detection speed while ensuring the detection accuracy.
Author Contributions
Conceptualization, J.W., X.X. and T.C.; methodology, J.W.; software, J.W.; validation, J.W., T.C. and X.X.; formal analysis, X.X.; investigation, X.X.; resources, T.C.; data curation, J.W.; writing—original draft preparation, J.W.; writing—review and editing, J.W.; visualization, J.W. and X.X.; supervision, T.C., X.X., L.Z., D.Y., X.G., N.C. and Y.D.; project administration, T.C. and X.X.; funding acquisition, X.X. and T.C.; All authors have read and agreed to the published version of the manuscript.
Funding
This research was funded by the Zhejiang Provincial Administration for Market Regulation Fund Project under Grant No. ZC2023010, and the Natural Science Foundation of Zhejiang province, grant number LY19F050008.
Institutional Review Board Statement
Not applicable.
Informed Consent Statement
Not applicable.
Data Availability Statement
The data presented in this study are available on request from the corresponding author.
Conflicts of Interest
The authors declare no conflicts of interest.
References
- Lagneborg, R. New steels and steel applications for vehicles. Mater. Des. 1991, 12, 3–14. [Google Scholar] [CrossRef]
- Cardellicchio, A.; Ruggieri, S.; Nettis, A.; Renò, V.; Uva, G. Physical interpretation of machine learning-based recognition of defects for the risk management of existing bridge heritage. Eng. Fail. Anal. 2023, 149, 107237. [Google Scholar] [CrossRef]
- Sun, J.; Peng, W.; Ding, J.; Li, X.; Zhang, D. Key intelligent technology of steel strip production through process. Metals 2018, 8, 597. [Google Scholar] [CrossRef]
- Chu, Y.; Yu, X.; Rong, X. A Lightweight Strip Steel Surface Defect Detection Network Based on Improved YOLOv8. Sensors 2024, 24, 6495. [Google Scholar] [CrossRef] [PubMed]
- Chen, B.; Wei, M.; Liu, J.; Li, H.; Dai, C.; Liu, J.; Ji, Z. EFS-YOLO: A lightweight network based on steel strip surface defect detection. Meas. Sci. Technol. 2024, 35, 116003. [Google Scholar] [CrossRef]
- Zhong, W.; Zhang, L.; Li, P.; Gui, W. Research on Steel Surface Defect Detection Algorithm Based on Improved YOLOv8n. J. Physics Conf. Ser. 2024, 2832, 012013. [Google Scholar] [CrossRef]
- Luo, Q.; Fang, X.; Liu, L.; Yang, C.; Sun, Y. Automated Visual Defect Detection for Flat Steel Surface: A Survey. IEEE Trans. Instrum. Meas. 2020, 69, 626–644. [Google Scholar] [CrossRef]
- Hao, B.; Fan, Y.; Song, Z. Crack defect detection using pulsed eddy current thermal imaging based on deep transfer learning. Acta Opt. Sin. 2023, 43, 146–154. [Google Scholar] [CrossRef]
- Liu, K.; Luo, N.; Li, A.; Tian, Y.; Sajid, H.; Chen, H. A new self-reference image decomposition algorithm for strip steel surface defect detection. IEEE Trans. Instrum. Meas. 2019, 69, 4732–4741. [Google Scholar] [CrossRef]
- Vaidelienė, G.; Valantinas, J.; Ražanskas, P. On the Use of Discrete Wavelets in Implementing Defect Detection System for. Inf. Technol. Control 2016, 45, 214–222. [Google Scholar] [CrossRef][Green Version]
- Chen, M.; He, Y. Wire Rope Weak Defect Signal Processing Methods Based on Improved SVD and Phase Space Reconstruction. Inf. Technol. Control 2021, 50, 752–768. [Google Scholar] [CrossRef]
- Prasanna, S.; Manoharan, R.; Anandan, S. A Deep Learning-based Method for Steel Strip Surface Defect Detection Using Convolutional Neural Networks (CNNs). J. Manuf. Process. 2021, 58, 123–134. [Google Scholar]
- Zhang, H.; Wang, L.; Li, Q.; Chen, Y.; Zhao, X.; Liu, J. Steel Strip Surface Defect Detection Using Deep Convolutional Neural Networks (CNNs). IEEE Trans. Ind. Electron. 2019, 66, 9554–9563. [Google Scholar]
- Li, W.; Zhou, T.; Huang, Y.; Yang, X.; Chen, K. Real-Time Detection of Steel Surface Defects Using Convolutional Neural Networks and Data Augmentation. J. Intell. Manuf. 2020, 31, 1181–1193. [Google Scholar]
- Di Mucci, V.M.; Cardellicchio, A.; Ruggieri, S.; Nettis, A.; Renò, V.; Uva, G. Artificial intelligence in structural health management of existing bridges. Autom. Constr. 2024, 167, 105719. [Google Scholar] [CrossRef]
- Wan, X.; Zhang, X.; Liu, L. An improved VGG19 transfer learning strip steel surface defect recognition deep neural network based on few samples and imbalanced datasets. Appl. Sci. 2021, 11, 2606. [Google Scholar] [CrossRef]
- Bhatt, P.M.; Malhan, R.K.; Rajendran, P.; Shah, B.C.; Thakar, S.; Yoon, Y.J.; Gupta, S.K. Image-based surface defect detection using deep learning: A review. J. Comput. Inf. Sci. Eng. 2021, 21, 040801. [Google Scholar] [CrossRef]
- Lu, Y.; Huang, Z.-C.; Jiang, Y.-Q.; Liu, G.-R.; Wang, J.-X.; Ma, Q.-M. Lightweight-detection: The strip steel surface defect identification based on improved YOLOv5d. Mater. Today Commun. 2024, 40, 109814. [Google Scholar] [CrossRef]
- Du, Y.; Chen, H.; Fu, Y.; Zhu, J.; Zeng, H. AFF-Net: A Strip Steel Surface Defect Detection Network via Adaptive Focusing Features. IEEE Trans. Instrum. Meas. 2024, 73, 2518514. [Google Scholar] [CrossRef]
- Ribeiro, G.; Santos, V. Single and multi-tasked neural networks: Selection and deployment. In Proceedings of the 2024 IEEE International Conference on Autonomous Robot Systems and Competitions (ICARSC), Paredes de Coura, Portugal, 2–3 May 2024. [Google Scholar]
- Zhao, J.; Liu, S.; Tao, H.; Liu, W. Slim-YOLOv8: A fast and accurate algorithm for surface defect detection of steel strips. Ironmak. Steelmak. 2024. [Google Scholar] [CrossRef]
- Lu, J.; Yu, M.; Liu, J. Lightweight strip steel defect detection algorithm based on improved YOLOv7. Sci. Rep. 2024, 14, 13267. [Google Scholar] [CrossRef] [PubMed]
- Yang, L.; Li, M.; Hu, J.; Wang, D. Steel Strip Surface Defect Detection Algorithm Based on Improved Yolov7-tiny. Comput. Eng. 2024, 1–9. [Google Scholar] [CrossRef]
- Ren, F.; Fei, J.; Li, H.; Doma, B.T. Steel Surface Defect Detection Using Improved Deep Learning Algorithm: ECA-SimSPPF-SIoU-Yolov5. IEEE Access 2024, 12, 32545–32553. [Google Scholar] [CrossRef]
- Yeung, C.-C.; Lam, K.-M. Efficient Fused-Attention Model for Steel Surface Defect Detection. IEEE Trans. Instrum. Meas. 2022, 71, 2510011. [Google Scholar] [CrossRef]
- Wang, W.; Mi, C.; Wu, Z.; Lu, K.; Long, H.; Pan, B.; Li, D.; Zhang, J.; Chen, P.; Wang, B. A Real-Time Steel Surface Defect Detection Approach with High Accuracy. IEEE Trans. Instrum. Meas. 2022, 71, 941–953. [Google Scholar] [CrossRef]
- Li, C.; Xu, A.; Zhang, Q.; Cai, Y. Steel Surface Defect Detection Method Based on Improved YOLOX. IEEE Access 2024, 12, 37643–37652. [Google Scholar] [CrossRef]
- Wang, C.-Y.; Bochkovskiy, A.; Liao, H.-Y.M. YOLOv7: Trainable bag-of-freebies sets new state-of-the-art for real-time object detectors. In Proceedings of the 2023 IEEE/CVF Conference on Computer Vision and Pattern Recognition (CVPR), Vancouver, BC, Canada, 24 June 2023. [Google Scholar]
- Xiong, Y.; Li, Z.; Chen, Y.; Wang, F.; Zhu, X.; Luo, J.; Wang, W.; Lu, T.; Li, H.; Qiao, Y.; et al. Efficient Deformable ConvNets: Rethinking Dynamic and Sparse Operator for Vision Applications. In Proceedings of the 2024 IEEE/CVF Conference on Computer Vision and Pattern Recognition (CVPR), Seattle, WA, USA, 17–21 July 2024; pp. 5652–5661. [Google Scholar]
- Liu, S.; Huang, D. Receptive field block net for accurate and fast object detection. In Proceedings of the European Conference on Computer Vision (ECCV), Mico Milano, Italy, 29 September–4 October 2018; pp. 385–400. [Google Scholar] [CrossRef]
- Park, J. BAM: Bottleneck Attention Module. arXiv 2016, arXiv:1807.06514. [Google Scholar]
- Liu, H.; Liu, F.; Fan, X.; Huang, D. Polarized self-attention: Towards high-quality pixel-wise mapping. Neurocomputing 2022, 506, 158–167. [Google Scholar] [CrossRef]
- Tan, M.; Pang, R.; Le, Q. EfficientDet: Scalable and Efficient Object Detection. In Proceedings of the 2020 IEEE/CVF Conference on Computer Vision and Pattern Recognition (CVPR 2019), Seattle, WA, USA, 27 July 2020. [Google Scholar] [CrossRef]
- Tong, Z.; Chen, Y.; Xu, Z.; Yu, Z. Wise-iou: Bounding box regression loss with dynamic focusing mechanism. arXiv 2023, arXiv:2301.10051. [Google Scholar] [CrossRef]
- Zhao, X.; He, Y.; Zhang, H.; Ding, Z.; Zhou, C.; Zhang, K. A quality grade classification method for fresh tea leaves based on an improved YOLOv8x-SPPCSPC-CBAM model. Sci. Rep. 2024, 14, 4166. [Google Scholar] [CrossRef]
- Wan, W.; Wang, L.; Wang, B.; Yu, H.; Shi, K.; Liu, G. Space to depth convolution bundled with coordinate attention for detecting surface defects. Signal Image Video Process. 2024, 18, 4861–4874. [Google Scholar] [CrossRef]
- Cheng, S.; Wang, Z.; Liu, S.; Han, Y.; Sun, P.; Li, J. Attention-Based Lightweight YOLOv8 Underwater Target Recognition Algorithm. Sensors 2024, 24, 7640. [Google Scholar] [CrossRef] [PubMed]
- Lang, D.; Lv, Z. A PV cell defect detector combined with transformer and attention mechanism. Sci. Rep. 2024, 14, 20671. [Google Scholar] [CrossRef] [PubMed]
- Hu, C.; Ma, R.; Du, X.; Gong, J. Boundary-aware residual network for defect detection in strip steel products. Evol. Syst. 2024, 15, 1649–1663. [Google Scholar] [CrossRef]
- Zhao, C.; Fan, Y.; Tan, J.; Li, Q.; Lin, Z.; Luo, S.; Chen, X. FCS-YOLO: An efficient algorithm for detecting steel surface defects. Meas. Sci. Technol. 2024, 35, 086004. [Google Scholar] [CrossRef]
- Kou, X.; Liu, S.; Cheng, K.; Qian, Y. Development of a YOLO-V3-based model for detecting defects on steel strip surface. Measurement 2021, 182, 109454. [Google Scholar] [CrossRef]
- Li, Y.; Xu, S.; Zhu, Z.; Wang, P.; Li, K.; He, Q.; Zheng, Q. EFC-YOLO: An efficient surface-defect-detection algorithm for steel strips. Sensors 2023, 23, 7619. [Google Scholar] [CrossRef]
- Qin, H.; Xiao, Y.; Wang, Y.; Chen, K.; Dong, F. Research on Surface Defect Detection of Steel Strip Based on Deep Learning. In Proceedings of the 2023 2nd International Conference on Computing, Communication, Perception and Quantum Technology (CCPQT), Xiamen, China, 4–7 August 2023; pp. 302–308. [Google Scholar]
- Kong, X.; Fan, W. Surface Defect Detection of Steel Strips based on an Improved YOLOv8. In Proceedings of the 2024 5th International Seminar on Artificial Intelligence, Networking and Information Technology (AINIT), Nanjing, China, 29–31 March 2024; pp. 2325–2328. [Google Scholar]
- Ren, S.; He, K.; Girshick, R. Sun Faster R-CNN: Towards real-time object detection with region proposal networks. IEEE Trans. Pattern Anal. Mach. Intell. 2017, 39, 1137–1149. [Google Scholar] [CrossRef]
- Liu, W.; Anguelov, D.; Erhan, D.; Szegedy, C.; Reed, S.; Fu, C.-Y.; Berg, A.C. SSD: Single Shot MultiBox Detector; Springer: Cham, Switzerland, 2016. [Google Scholar] [CrossRef]
Disclaimer/Publisher’s Note: The statements, opinions and data contained in all publications are solely those of the individual author(s) and contributor(s) and not of MDPI and/or the editor(s). MDPI and/or the editor(s) disclaim responsibility for any injury to people or property resulting from any ideas, methods, instructions or products referred to in the content. |
© 2024 by the authors. Licensee MDPI, Basel, Switzerland. This article is an open access article distributed under the terms and conditions of the Creative Commons Attribution (CC BY) license (https://creativecommons.org/licenses/by/4.0/).