Impact of the Integration of the Electric Vehicle on Low-Voltage Rural Networks
Abstract
1. Introduction
2. Background
- Distribution Transformer Overheating. The zero-sequence current magnetic flux closes through the oil tank wall of the distribution transformer (DT), resulting in heat generation, increased losses, and reduced equipment lifespan [33].
- Line Losses Increase, caused by neutral line losses and suboptimal distribution of phase currents [36].
- Mal-operation of Protection Relays [39].
3. Methodology
- Voltage drops;
- Network saturation;
- Unbalanced currents and voltages;
- Increase in network losses.
3.1. Network Description
3.2. EV Charging Modes
3.3. Definition of Scenarios
4. Impact of Uncontrolled Charging of Electric Vehicles on the Low Voltage Network
5. Improvements to the Charging Procedures
- Scenario 2: Charging process control addressing the maximum voltage drop.
- Scenario 3: Connection of specific power electronics configurations to reduce voltage and current unbalance.
- Scenario 4: Combined solution from Scenarios 2 and 3.
5.1. Scenario 2: Charging Process Control Attending to the Maximum Voltage Drop
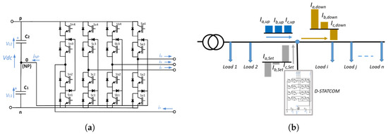
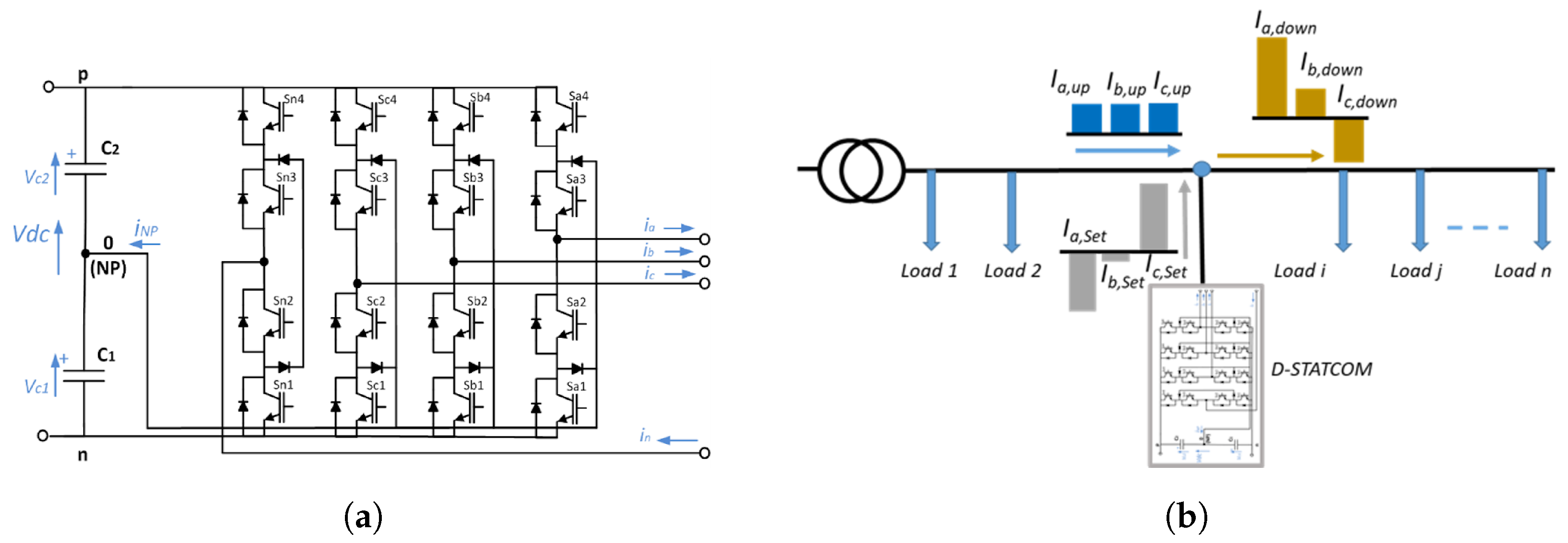
5.2. Scenario 3: Connection of Specific Power Electronics to Reduce Voltage and Current Unbalance
5.3. Scenario 4: Combinations of the Solutions from Scenario 2 and Scenario 3
6. Conclusions
Author Contributions
Funding
Institutional Review Board Statement
Informed Consent Statement
Data Availability Statement
Acknowledgments
Conflicts of Interest
References
- Ritchie, H. Cars, Planes, Trains: Where do CO2 Emissions from Transport Come From? Our World in Data 2020. Available online: https://ourworldindata.org/co2-emissions-from-transport (accessed on 26 October 2023).
- Noel, L.; de Rubens, G.Z.; Kester, J.; Sovacool, B.K. Beyond emissions and economics: Rethinking the co-benefits of electric vehicles (EVs) and vehicle-to-grid (V2G). Transp. Policy 2018, 71, 130–137. [Google Scholar] [CrossRef]
- Vega-Perkins, J.; Newell, J.P.; Keoleian, G. Mapping electric vehicle impacts: Greenhouse gas emissions, fuel costs, and energy justice in the United States. Environ. Res. Lett. 2023, 18, 014027. [Google Scholar] [CrossRef]
- Woody, M.; Vaishnav, P.; Keoleian, G.A.; Kleine, R.D.; Kim, H.C.; Anderson, J.E.; Wallington, T.J. The role of pickup truck electrification in the decarbonization of light-duty vehicles. Environ. Res. Lett. 2022, 17, 034031. [Google Scholar] [CrossRef]
- BOE. Ley 7/2021, de 20 de Mayo, de Cambio Climático y Transición Energética. 2021. Available online: https://www.boe.es/eli/es/l/2021/05/20/7/con (accessed on 1 March 2024).
- Guzek, M.; Jackowski, J.; Jurecki, R.S.; Szumska, E.M.; Zdanowicz, P.; Żmuda, M. Electric Vehicles—An Overview of Current Issues—Part 1—Environmental Impact, Source of Energy, Recycling, and Second Life of Battery. Energies 2024, 17, 249. [Google Scholar] [CrossRef]
- Venegas, F.G.; Petit, M.; Perez, Y. Active integration of electric vehicles into distribution grids: Barriers and frameworks for flexibility services. Renew. Sustain. Energy Rev. 2021, 145, 111060. [Google Scholar] [CrossRef]
- Draz, M.; Vob, M.; Freund, D.; Albayrak, S. The impact of electric vehicles on low voltage grids: A case study of Berlin. In Proceedings of the 20th Power Systems Computation Conference, PSCC 2018, Dublin, Ireland, 11–15 June 2018. [Google Scholar] [CrossRef]
- Purvins, A.; Covrig, C.F.; Lempidis, G. Electric vehicle charging system model for accurate electricity system planning. IET Gener. Transm. Distrib. 2018, 12, 4053–4059. [Google Scholar] [CrossRef]
- Cardenas, A.; Guzman, C.; Martinez, W. EV Overnight Charging Strategy in Residential Sector: Case of Winter Season in Quebec. Vehicles 2021, 3, 557–577. [Google Scholar] [CrossRef]
- Richardson, P.; Flynn, D.; Keane, A. Optimal charging of electric vehicles in low-voltage distribution systems. IEEE Trans. Power Syst. 2012, 27, 268–279. [Google Scholar] [CrossRef]
- Nadolny, A.; Cheng, C.; Lu, B.; Blakers, A.; Stocks, M. Fully electrified land transport in 100networks dominated by variable generation. Renew. Energy 2022, 182, 562–577. [Google Scholar] [CrossRef]
- Dillman, K.J.; Fazeli, R.; Shafiei, E.; Örvar, G.; Jónsson, J.; Haraldsson, H.V.; Davíðsdóttir, B. Spatiotemporal analysis of the impact of electric vehicle integration on Reykjavik’s electrical system at the city and distribution system level. Util. Policy 2021, 68, 101145. [Google Scholar] [CrossRef]
- Straub, F.; Maier, O.; Göhlich, D.; Zou, Y. Forecasting the spatial and temporal charging demand of fully electrified urban private car transportation based on large-scale traffic simulation. Green Energy Intell. Transp. 2023, 2, 100039. [Google Scholar] [CrossRef]
- Arendarski, B.; Lombardi, P.; Mencke, N.; Komarnicki, P.; Parol, M.; Polecki, M.; Rokicki, L.; Poplawska, M.; Luto, M.; Piotrowski, M.; et al. Concept of rural intelligent grid interactive planning methodology. In Proceedings of the Proceedings—EPNet 2016, Electric Power Networks, Szklarska Poreba, Poland, 19–21 September 2016. [Google Scholar] [CrossRef]
- Girbau-Llistuella, F.; Díaz-González, F.; Sumper, A.; Gallart-Fernández, R.; Heredero-Peris, D. Smart Grid Architecture for Rural Distribution Networks: Application to a Spanish Pilot Network. Energies 2018, 11, 844. [Google Scholar] [CrossRef]
- Ministerio para la Transición Ecológica y el Reto Demográfico. Borrador de actualización del Plan Nacional Integrado de Energía y Clima 2023–2030. 2023. Available online: https://www.miteco.gob.es/content/dam/miteco/es/energia/files-1/_layouts/15/Borrador%20para%20la%20actualizaciÃşn%20del%20PNIEC%202023-2030-64347.pdf (accessed on 26 January 2024).
- Dall-Orsoletta, A.; Ferreira, P.; Dranka, G.G. Low-carbon technologies and just energy transition: Prospects for electric vehicles. Energy Convers. Manag. X 2022, 16, 100271. [Google Scholar] [CrossRef]
- Jones, A.; Begley, J.; Berkeley, N.; Jarvis, D.; Bos, E. Electric vehicles and rural business: Findings from the Warwickshire rural electric vehicle trial. J. Rural Stud. 2020, 79, 395–408. [Google Scholar] [CrossRef]
- Yu, H.; Lei, X.; Niu, S.; Jian, L. Hybrid AC/DC Microgrid Reconstruction in Rural Low-Voltage Distribution Grids to Enhance Electric Vehicle Penetration. In Proceedings of the Hybrid AC/DC Microgrid Reconstruction in Rural Low-Voltage Distribution Grids to Enhance Electric Vehicle Penetration, Hefei, China, 12–14 May 2023; pp. 3744–3749. [Google Scholar] [CrossRef]
- Pannala, S.; Khan, A.; Schulz, N.; Srivastava, A.; Sharma, A.; Srivastava, S.C. Cooperative Framework For Mitigation of Voltage Limit Violations in a Rural Distribution System with Electric Vehicles Fleet. In Proceedings of the Cooperative Framework For Mitigation of Voltage Limit Violations in a Rural Distribution System with Electric Vehicles Fleet, New Delhi, India, 17–19 December 2022; pp. 332–337. [Google Scholar] [CrossRef]
- Badiei, Y.; do Prado, J.C. Advancing Rural Electrification through Community-Based EV Charging Stations: Opportunities and Challenges. In Proceedings of the Advancing Rural Electrification through Community-Based EV Charging Stations: Opportunities and Challenges, Cleveland, OH, USA, 25–28 April 2023; pp. 69–73. [Google Scholar] [CrossRef]
- Xu, J.; Wang, H.; Zhang, W.; Wang, T.; Wu, C. Prediction of Electric Vehicle Charging Demand in Rural Areas Based on Driving Track Data. In Proceedings of the Prediction of Electric Vehicle Charging Demand in Rural Areas Based on Driving Track Data, Changchun, China, 24–26 February 2023; pp. 292–296. [Google Scholar] [CrossRef]
- Gschwendtner, C.; Knoeri, C.; Stephan, A. Mind the goal: Trade-offs between flexibility goals for controlled electric vehicle charging strategies. iScience 2023, 26, 105937. [Google Scholar] [CrossRef] [PubMed]
- Goolsby, R.T. Electric Vehicle Charging and Rural Distribution Systems. In Proceedings of the Electric Vehicle Charging and Rural Distribution Systems, Savannah, GA, USA, 27–29 April 2021; pp. 1–5. [Google Scholar] [CrossRef]
- Hartvigsson, E.; Taljegard, M.; Odenberger, M.; Chen, P. A large-scale high-resolution geographic analysis of impacts of electric vehicle charging on low-voltage grids. Energy 2022, 261, 125180. [Google Scholar] [CrossRef]
- Nacmanson, W.J.; Zhu, J.; Ochoa, L.F. Assessing the unmanaged EV hosting capacity of Australian rural and urban distribution networks. In Proceedings of the CIRED Porto Workshop 2022: E-Mobility and Power Distribution Systems, Porto, Portugal, 2–3 June 2022; Volume 2022, pp. 681–685. [Google Scholar] [CrossRef]
- Kurth, M.; Meyer, M.; Vertgewall, C.M.; Lutat, P.; Jung, B.; Ulbig, A.; Peikenkamp, M.; Lorenz, M.; Pletzer, T. Investigating the impact of electric vehicle charging and photovoltaic systems on a rural and a suburban low-voltage grid. In Proceedings of the CIRED Porto Workshop 2022: E-Mobility and Power Distribution Systems, Porto, Portugal, 2–3 June 2022; Volume 2022, pp. 553–557. [Google Scholar] [CrossRef]
- Ghosh, A.; Ledwich, G. Power Quality Enhancement using Custom Power Devices; Springer: New York, NY, USA, 2002. [Google Scholar]
- Islam, M.R.; Lu, H.; Hossain, M.; Li, L. Mitigating unbalance using distributed network reconfiguration techniques in distributed power generation grids with services for electric vehicles: A review. J. Clean. Prod. 2019, 239, 117932. [Google Scholar] [CrossRef]
- Ballestín-Fuertes, J.; Sanz-Osorio, J.F.; Muñoz-Cruzado-Alba, J.; Puyal, E.L.; Leiva, J.; Rivero, J.R. Four-Legs D-STATCOM for Current Balancing in Low-Voltage Distribution Grids. IEEE Access 2022, 10, 779–788. [Google Scholar] [CrossRef]
- Gruzs, T. A survey of neutral currents in three-phase computer power systems. IEEE Trans. Ind. Appl. 1990, 26, 719–725. [Google Scholar] [CrossRef]
- Song, Q.; Yin, Z.; Xue, J.; Zhou, L. Zero-sequence harmonics current minimization using zero-blocking reactor and zig-zag transformer. In Proceedings of the 3rd International Conference on Electric Utility Deregulation and Restructuring Power Technologies, Nanjing, China, 6–9 April 2008; pp. 1758–1764. [Google Scholar]
- Ciontea, C.I.; Iov, F. A Study of Load Imbalance Influence on Power Quality Assessment for Distribution Networks. Electricity 2021, 2, 77–90. [Google Scholar] [CrossRef]
- IEEE Power and Energy Society. IEEE Recommended Practice for Monitoring Electric Power Quality; Technical Report 1159; IEEE: Piscataway, NJ, USA, 2019. [Google Scholar]
- Kim, S.P.; Song, S.G.; Park, S.J.; Kang, F.S. Imbalance Compensation of the Grid Current Using Effective and Reactive Power for Split DC-Link Capacitor 3-Leg Inverter. IEEE Access 2021, 9, 81189–81201. [Google Scholar] [CrossRef]
- Deleanu, S.; Iordache, M.; Stanculescu, M.; Niculae, D. The Induction Machine Operating from a Voltage Supply, Unbalanced and Polluted with Harmonics: A Practical Approach. In Proceedings of the 2019 15th International Conference on Engineering of Modern Electric Systems (EMES), Oradea, Romania, 13–14 June 2019; pp. 181–184. [Google Scholar] [CrossRef]
- Apsley, J.M. Derating of Multiphase Induction Machines Due to Supply Imbalance. IEEE Trans. Ind. Appl. 2010, 46, 798–805. [Google Scholar] [CrossRef]
- Chen, T.H.; Yang, C.H.; Hsieh, T.Y. Case Studies of the Impact of Voltage Imbalance on Power Distribution Systems and Equipment. In Proceedings of the Case Studies of the Impact of Voltage Imbalance on Power Distribution Systems and Equipment, Hangzhou, China, 20–22 May 2009. [Google Scholar]
- Alam, M.J.E.; Muttaqi, K.M.; Sutanto, D. Alleviation of Neutral-to-Ground Potential Rise Under Unbalanced Allocation of Rooftop PV Using Distributed Energy Storage. IEEE Trans. Sustain. Energy 2015, 6, 889–898. [Google Scholar] [CrossRef]
- Abbasi, A.R. Investigation of Simultaneous Effect of Demand Response and Load Uncertainty on Distribution Feeder Reconfiguration. IET Gener. Transm. Distrib. 2020, 14, 1438–1449. [Google Scholar] [CrossRef]
- Lotfi, H.; Ghazi, R.; Naghibi-Sistani, M. Multi-objective dynamic distribution feeder reconfiguration along with capacitor allocation using a new hybrid evolutionary algorithm. Energy Syst. 2020, 11, 779–809. [Google Scholar] [CrossRef]
- Montoya Giraldo, O.; Alarcon-Villamil, J.; Full Professor, J. Operating Cost Reduction in Distribution Networks Based on the Optimal Phase-Swapping Including the Costs of the Working Groups and Energy Losses. Energies 2021, 14, 4535. [Google Scholar] [CrossRef]
- Cortés-Caicedo, B.; Avellaneda-Gómez, L.S.; Montoya, O.D.; Alvarado-Barrios, L.; Álvarez Arroyo, C. An Improved Crow Search Algorithm Applied to the Phase Swapping Problem in Asymmetric Distribution Systems. Symmetry 2021, 13, 1329. [Google Scholar] [CrossRef]
- Nikum, K.; Wagh, A.; Saxena, R.; Singh, A. Power Quality Problems in Large Commercial Load and their Mitigation: A Case Study. In Proceedings of the 2019 IEEE 1st International Conference on Energy, Systems and Information Processing (ICESIP), Chennai, India, 4–6 July 2019; pp. 1–5. [Google Scholar] [CrossRef]
- Dai, C.; Sun, Y. Investigation of the Imbalance Current Compensation for Transformers Used in Electric Railways. In Proceedings of the 2010 Asia-Pacific Power and Energy Engineering Conference, Chengdu, China, 28–31 March 2010; pp. 1–4. [Google Scholar] [CrossRef]
- Jayaprakash, P.; Singh, B.; Kothari, D.P. Three-Phase 4-Wire DSTATCOM Based on H-Bridge VSC with a Star/Hexagon Transformer for Power Quality Improvement. In Proceedings of the 2008 IEEE Region 10 and the Third International Conference on Industrial and Information Systems, Kharagpur, India, 8–10 December 2008; pp. 1–6. [Google Scholar] [CrossRef]
- Li, D.; Wang, T.; Pan, W.; Ding, X.; Gong, J. A comprehensive review of improving power quality using active power filters. Electr. Power Syst. Res. 2021, 199, 107389. [Google Scholar] [CrossRef]
- Teke, A.; Saribulut, L.; Meral, M.; Tümay, M. Active power filter: Review of converter topologies and control strategies. Gazi Univ. J. Sci. 2011, 24, 283–289. [Google Scholar]
- Chen, D.; Xie, S. Review of the control strategies applied to active power filters. In Proceedings of the 2004 IEEE International Conference on Electric Utility Deregulation, Restructuring and Power Technologies, Hong Kong, China, 5–8 April 2004; Volume 2, pp. 666–670. [Google Scholar] [CrossRef]
- Das, H.; Rahman, M.; Li, S.; Tan, C. Electric vehicles standards, charging infrastructure, and impact on grid integration: A technological review. Renew. Sustain. Energy Rev. 2020, 120, 109618. [Google Scholar] [CrossRef]
- American National Standards Institute. Standard ANSI C84.1-2011; Electric Power Systems and EquipmentVoltage Ratings (60 Hertz). National Electrical Manufacturers Association: Rosslyn, VA, USA, 2011.
- International Electrothecnical Comission. Electromagnetic Compatibility (EMC)—Part 3–6: Limits—Assessment of Emission Limits for the Connection of Distorting Installations to MV, HV and EHV Power Systems; Technical Report IEC TR 61000-3-6; IEC: London, UK, 2008. [Google Scholar]
- CIGRE WG C4.07. CIGRE Technical Brochure 261, Power Quality Indices and Objectives; Technical Report; CIGRE: Paris, France, 2004; Available online: https://www.e-cigre.org/publications/detail/261-power-quality-indices-and-objectives.html (accessed on 26 January 2024).
- IEC61851-1:2017; Electric Vehicle Conductive Charging System—Part 1: General Requirements. IEC: Geneva, Switzerland, 2017.
- ISO/IEC 15118-2:2014; Road Vehicles Vehicle-to-Grid Communication Interface Part 2: Network and Application Protocol Requirements. ISO: London, UK, 2014.
- IEA, Paris. Global EV Outlook 2020. 2020. Available online: https://www.iea.org/reports/global-ev-outlook-2020 (accessed on 26 January 2024).
- Asociación Empresarial Para el Desarrollo de la Movilidad Eléctrica, AEDIVE. Anuario 2022–2023 de la Movilidad eléCtrica. 2023. Available online: https://aedive.es/wp-content/uploads/2023/05/Anuario-AEDIVE.pdf (accessed on 10 March 2024).
- Comisión Nacional de los Mercados y ls Competencia, CNMC. Estadísticas Panel de Hogares. 2024. Available online: https://data.cnmc.es/panel-de-hogares/conjuntos-de-datos/estadisticas-panel-de-hogares (accessed on 10 March 2024).
- Asociación Española de Fabricantes de Automóviles y Camiones. ANFAC 2022 Informe Anual. 2022. Available online: https://anfac.com/publicaciones/informe-anual-2022/ (accessed on 12 July 2023).
- Standard EN 50160; Voltage Characteristics of Electricity Supplied by Public Distribution Systems. CENELEC: Brussels, Belgium, 2014.











| Circuit | Number of Loads | Contracted Power | Domestic | Industrial | Service |
|---|---|---|---|---|---|
| 1 | 12 | 147.5 | 5 | 2 | 5 |
| 2 | 9 | 243.5 | 7 | 0 | 2 |
| 3 | 70 | 816.0 | 54 | 2 | 14 |
| 4 | 20 | 182.5 | 16 | 1 | 3 |
| 5 | 24 | 261.5 | 22 | 0 | 2 |
| 6 | 52 | 404.9 | 41 | 0 | 11 |
| 7 | 58 | 471.8 | 50 | 5 | 3 |
| Total Losses (kWh/Day) | Minimum Voltage (pu) | Max. Neutral Current (A) | Max. Loading (%) | CUF (%) | CUF0 (%) | VUF (%) | VUF0 (%) | |
|---|---|---|---|---|---|---|---|---|
| Scenario 0 | 1.149 | 0.9872 | 2.625 | 9.50 | 5.78 | 8.2 | 0.05 | 0.07 |
| Scenario 1 | 18.910 | 0.8376 | 152.1 | 85.06 | 39.97 | 54.9 | 2.64 | 3.65 |
| Total Losses (kWh/Day) | Minimum Voltage (pu) | Max. Neutral Current (A) | Max. Loading (%) | CUF (%) | CUF0 (%) | VUF (%) | VUF0 (%) | |
|---|---|---|---|---|---|---|---|---|
| Scenario 1 | 18.91 | 0.838 | 152.1 | 85.06 | 39.97 | 54.9 | 2.64 | 3.65 |
| Position 1 | 15.85 | 0.876 | 96.2 | 73.54 | 36.81 | 51.2 | 1.75 | 2.40 |
| Position 2 | 14.86 | 0.878 | 87.5 | 72.58 | 17.66 | 26.0 | 1.43 | 2.11 |
| Position 3 | 15.23 | 0.877 | 112.3 | 72.55 | 16.89 | 25.0 | 1.45 | 2.14 |
| Position 4 | 15.45 | 0.877 | 126.1 | 72.56 | 16.20 | 24.1 | 1.45 | 2.14 |
| Position 5 | 15.55 | 0.872 | 138.0 | 72.38 | 16.77 | 25.0 | 1.56 | 2.29 |
| Total Losses (kWh/Day) | Minimum Voltage (pu) | Max. Neutral Current (A) | Max. Loading (%) | CUF (%) | CUF0 (%) | VUF (%) | VUF0 (%) | |
|---|---|---|---|---|---|---|---|---|
| Scenario 1 | 18.910 | 0.838 | 152.1 | 85.06 | 39.97 | 54.9 | 2.64 | 3.65 |
| Sr = 30 kVA | 14.860 | 0.878 | 87.47 | 72.58 | 17.66 | 26.0 | 1.43 | 2.11 |
| Sr = 45 kVA | 14.050 | 0.896 | 68.52 | 66.56 | 13.37 | 18.4 | 1.14 | 1.62 |
| Sr = 60 kVA | 13.990 | 0.903 | 68.87 | 64.71 | 12.45 | 17.1 | 1.05 | 1.47 |
| Sr = 75 kVA | 13.990 | 0.903 | 68.87 | 64.71 | 12.45 | 17.1 | 1.05 | 1.47 |
| Total Losses (kWh/Day) | Minimum Voltage (pu) | Max. Neutral Current (A) | Max. Loading (%) | CUF (%) | CUF0 (%) | VUF (%) | VUF0 (%) | |
|---|---|---|---|---|---|---|---|---|
| Scenario 1 | 25.71 | 0.838 | 136.40 | 88.78 | 39.97 | 54.92 | 2.60 | 3.62 |
| Scenario 2 | 13.71 | 0.921 | 71.89 | 40.89 | 43.14 | 59.53 | 1.23 | 1.73 |
| Scenario 3 | 13.99 | 0.903 | 68.87 | 64.71 | 12.45 | 17.1 | 1.05 | 1.47 |
| Scenario 4 | 12.28 | 0.921 | 48.15 | 49.65 | 13.67 | 18.99 | 0.85 | 1.21 |
| Total Losses (%) | Minimum Voltage (%) | Max. Neutral Current (%) | Max. Loading (%) | CUF (%) | CUF0 (%) | VUF (%) | VUF0 (%) | |
|---|---|---|---|---|---|---|---|---|
| Scenario 2 | 46.7 | 9.9 | 47.3 | 51.9 | 7.9 | 8.4 | 52.7 | 52.2 |
| Scenario 3 | 42.2 | 4.8 | 35.9 | 14.7 | 55.8 | 52.7 | 45.0 | 41.7 |
| Scenario 4 | 52.2 | 9.9 | 64.7 | 41.6 | 65.4 | 65.4 | 43.5 | 66.6 |
Disclaimer/Publisher’s Note: The statements, opinions and data contained in all publications are solely those of the individual author(s) and contributor(s) and not of MDPI and/or the editor(s). MDPI and/or the editor(s) disclaim responsibility for any injury to people or property resulting from any ideas, methods, instructions or products referred to in the content. |
© 2024 by the authors. Licensee MDPI, Basel, Switzerland. This article is an open access article distributed under the terms and conditions of the Creative Commons Attribution (CC BY) license (https://creativecommons.org/licenses/by/4.0/).
Share and Cite
Comech, M.P.; Sanz-Osorio, J.F.; Melero, J.J.; García-Izquierdo, O. Impact of the Integration of the Electric Vehicle on Low-Voltage Rural Networks. Appl. Sci. 2024, 14, 2638. https://doi.org/10.3390/app14062638
Comech MP, Sanz-Osorio JF, Melero JJ, García-Izquierdo O. Impact of the Integration of the Electric Vehicle on Low-Voltage Rural Networks. Applied Sciences. 2024; 14(6):2638. https://doi.org/10.3390/app14062638
Chicago/Turabian StyleComech, María Paz, José F. Sanz-Osorio, Julio J. Melero, and Oscar García-Izquierdo. 2024. "Impact of the Integration of the Electric Vehicle on Low-Voltage Rural Networks" Applied Sciences 14, no. 6: 2638. https://doi.org/10.3390/app14062638
APA StyleComech, M. P., Sanz-Osorio, J. F., Melero, J. J., & García-Izquierdo, O. (2024). Impact of the Integration of the Electric Vehicle on Low-Voltage Rural Networks. Applied Sciences, 14(6), 2638. https://doi.org/10.3390/app14062638

