Next Article in Journal
RCDAM-Net: A Foreign Object Detection Algorithm for Transmission Tower Lines Based on RevCol Network
Next Article in Special Issue
Advances in Vehicle Dynamics and Road Safety: Technologies, Simulations, and Applications
Previous Article in Journal
Intraoperative PRO Score Assessment of Actinic Keratosis with FCF Fast Green-Enhanced Ex Vivo Confocal Microscopy
Previous Article in Special Issue
The Effects of Different Drivers’ Steering Inputs on the Response of Heavy Ground Vehicles to Crosswind Disturbances
 
 
Font Type:
Arial Georgia Verdana
Font Size:
Aa Aa Aa
Line Spacing:
Column Width:
Background:
Article

Comparison of the Relative Importance of Factors Affecting the Conveyance of Bulk and Liquid Cargo

by
Kristina Čižiūnienė
1,
Jonas Matijošius
2,
Jūratė Liebuvienė
3 and
Edgar Sokolovskij
4,*
1
Department of Logistics and Transport Management, Vilnius Gediminas Technical University, Plytinės Str. 25, LT-10105 Vilnius, Lithuania
2
Mechanical Science Institute, Vilnius Gediminas Technical University, Plytinės g. 25, LT-10105 Vilnius, Lithuania
3
Department of Transport Engineering, Klaipeda State University of Applied Sciences, Jaunystės Str. 1, LT-91274 Klaipeda, Lithuania
4
Department of Automobile Engineering, Faculty of Transport Engineering, Vilnius Gediminas Technical University, Plytinės g. 25, LT-10105 Vilnius, Lithuania
*
Author to whom correspondence should be addressed.
Appl. Sci. 2024, 14(3), 1151; https://doi.org/10.3390/app14031151
Submission received: 23 December 2023 / Revised: 23 January 2024 / Accepted: 24 January 2024 / Published: 30 January 2024

Abstract

The transportation of bulk or liquid cargo is crucial for ensuring the delivery of such cargo to areas lacking well-established infrastructure or favorable natural conditions. These areas may lack sufficient rail or air transport accessibility, or may not have suitable embankments along rivers, lakes or seas with appropriate loading and unloading facilities. Regarding distinctive characteristics, we would like to emphasize the following: (1) Efficient freight accessibility without the need for more infrastructure that is tailored to the existing natural circumstances; (2) An efficient and cost-effective mode of transportation for the movement of small quantities of goods; (3) The cargo philosophy is designed to meet customer expectations by providing a convenient and personalised service that is focused on delivering goods directly to their door. This research employed theoretical methodologies to characterize the primary force exerted by vehicles in the transportation of bulk and liquid commodities (the relationship between centrifugal force and speed and the relationship between the center of gravity and speed). Furthermore, by using expert assessment, the significance indicators pertaining to the individual criteria impacting the transportation of bulk and liquid cargoes were ascertained, along with the identification of their interrelationships (comparison of the different forces in the transportation process of bulk and liquid cargoes, comparison of the criteria of centrifugal force in the transportation process of bulk and liquid cargoes, comparison of the dangerous factors in the transportation process of bulk and liquid cargoes, comparison of the critical level of tank filling in the transportation process of bulk and liquid cargoes, and comparison of the factors that can affect the dynamics of a vehicle in the transportation process of bulk and liquid cargoes).

1. Introduction

The development and efficacy of transport firms heavily relies on their investment strategy, which is significantly influenced by external factors such as the direct and indirect investment environment [1]. The effectiveness of an entity is enhanced through its association with overarching strategies such as marketing [2], market analysis [3], financial planning, and advertising [4]. The cargo transportation sector holds a prominent position within this strategic framework [5]. One important factor is the calculation of the upper limit of acceptable duration for transporting perishable cargoes via road transport, which is done with a specific focus on the influence of external variables on the heat transfer coefficient and temperature differential. Increased vehicle velocities have been observed to significantly decrease the duration of delivery, hence reducing delivery time [6]. On the other hand, the occurrence of an external heat source results in an increase in the transfer of heat, which subsequently affects the timeliness of deliveries [7]. The objective is to develop formal models and methodologies for efficiently managing cargo turnover in rail transport, with a special emphasis on maintaining stability in the presence of unpredictable factors. [8]. Additionally, it suggests the incorporation of risk assessment methodologies to facilitate the implementation of these models and methods [9]. The a multi-agent system (MAS)-based distributed control architecture and hierarchical controller for connected and automated vehicles (CAVs) effectively manage complex traffic scenarios. The upper layer considers potential states and transition rules, while the lower layer includes motion controllers, utilizing the Pareto-optimal method for safety and stability [10].
Bulk cargo refers to a substantial quantity of uniform or multiple small segments possessing similar attributes that cannot be transported individually [11]. The defining attribute of these loads is their composition, which are comprised of desiccated particles and fragments of diverse dimensions. These loads exhibit characteristics such as natural degradation, moisture content, and hardness. Bulk cargo, such as ore, coal, grain, soy, salt, and fertilizer, is commonly carried in substantial numbers without the need for individual packaging. An analysis of data pertaining to tank trucks carrying dangerous liquid products, with the aim of enhancing their inherent safety measures, was presented in [12]. This paper proposes a framework consisting of eight components that have a significant impact on the occurrence of accidents, with a specific emphasis on the inherent safety features of vehicles. The construction of critical safety information and the establishment of a vehicle safety risk evaluation model are accomplished through the utilization of the matter-element extension model. The model is implemented in practical applications.
The delivery of bulk materials via road vehicles has distinct characteristics that necessitate a high level of responsibility and thorough preparation [13]. The movement of bulk freight must not present any potential hazards to fellow road users, the surrounding environment, or the existing infrastructure. The process of loading bulk cargo involves the utilization of a crane or a conveyor system to facilitate the transfer of goods from an elevated position. In order to provide optimal distribution, dry bulk cargo within the cargo compartment should be positioned in a manner that promotes evenness across the entire floor area [14]. Specifically, the center of the cargo should align with the longitudinal line of the axis of symmetry.
Nets employed for the purpose of securing or providing support to specific categories of bulk cargo can be fabricated using woven straps or ropes composed of either natural or synthetic fibers. Band nets are commonly employed as partitions to segregate the cargo area into distinct compartments. Lightweight nets have the potential to serve as suitable coverings for open trucks and containers that do not necessitate a more substantial enclosure. It is imperative to emphasize the importance of ensuring the integrity of the metal components of the nets, as they should be free from any signs of damage or corrosion. Additionally, it is crucial to ascertain that the net remains intact without any cuts, and that all seams are in optimal shape.
Semi-trailer awning is considered to be the most secure and durable method for safeguarding large quantities of cargo. The tarpaulin is secured to the sides of the tipper using fastening mechanisms. This method of preparing the vehicle serves to shield the bulk cargo from the impact of atmospheric conditions, ensuring that the cargo remains unaffected in terms of its physical and mechanical characteristics.
Bulk materials are used in industrial and agricultural production, but their interaction with structures can cause structural wear and dust pollution. A multiphase data fusion simulation approach is proposed for discrete material transfer dispatch in digital twin systems. The Discrete Element Method (DEM) is used to obtain bulk material movement and force data on structures, accurately calculating force data using the Finite Element Method (FEM). This method helps predict structure wear and manage the operating environment [15]. The enhancement of bulk freight transportation efficiency can be achieved by the establishment of technical standards pertaining to the loading of cargo into wagons. Different methods of transporting bulk cargo over railways, such as utilizing bags and big-bags, have been suggested as a means to enhance the capacity of wagon loads. A rationale is needed for selecting a specific style of wagon for the transportation of bulk products via road transport, drawing upon established approaches for efficient freight transportation. Recommendations play a crucial role in the selection of appropriate vehicle types and the optimization of carrying capacity based on transportation conditions, hence enhancing the efficiency of bulk freight transportation [16].
Liquid bulk and gaseous cargoes are types of cargoes that necessitate the utilization of specialized containers for their transportation and storage. The aforementioned items include glass containers, metal containers, and a variety of balloons. The magnitudes of these loads are determined using calculations that consider either their volume or mass. Bulk liquid cargoes refer to substances that possess the capability to be efficiently loaded and unloaded via pipelines, as well as stored and transported within tanks. A range of cargoes, including fuels, water, liquefied gases, and non-liquefied gases, might be associated with this category. For instance, the transfer of liquid items is a domain of cargo transportation that necessitates both specialized transportation and meticulous preparation. To mitigate the risk of tipping, which poses a significant hazard to transportation safety, the tanks are partitioned into several portions. Each portion is designed with a graduated capacity of 2000 L. Initially, one section is occupied, followed by another, and ultimately the remaining sections are filled. In order to promote secure transportation, it is recommended that the sections be filled to a maximum capacity of 80%, as this practice effectively mitigates the risk of spilling.
The analysis of data pertaining to tank trucks carrying hazardous liquids is necessary to enhance safety measures. The research aims to identify eight elements that have a substantial influence on the frequency of accidents, with particular focus on the inherent safety characteristics of vehicles [17]. Researchers have focused on accident risk assessment in hazardous chemicals road transport accidents, analyzing data from China over the past five years. They used a Bayesian network structure and parameter learning to predict the risk probability value of accidents. The model predicts “rear-end-leakage” accidents and identifies the most likely disposal time within 3–9 h. The study demonstrates the model’s ability to predict accident scenarios and determine risk probabilities under different parameters [18].
When examining the transportation of bulk and liquid cargoes, transport company managers and logistics specialists often rely on their expertise and employ sophisticated and costly evaluation methods to effectively satisfy the unique requirements associated with such transportation. By employing expert evaluation, it becomes feasible to systematically assess the distinctive characteristics of transporting bulk and liquid cargo, enabling the anticipation of requisite precautionary measures through situational assessment, and facilitating the development of transportation process models.
The liquid or bulk cargoes referred to primarily consist of loads that meet the maximum allowable load of the transportation combination. Numerous carriers and their drivers demonstrate adherence to load securing regulations. However, an examination of accident causation in the previous year has identified a prevalent repeating factor contributing to traffic incidents, namely the technical state of the vehicle’s chassis, encompassing aspects such as brake functionality, tire wear, and tread depth.
Simulations employing the Monte Carlo method, as described in [19], are commonly utilized for the purpose of simulating the actual transport process. In this particular scenario, a comparison is made of the selection of components’ significance. This comparison facilitates the refinement of subsequent modeling procedures for the transportation of liquid and bulk cargoes under more appropriate rough circumstances, after an assessment of the unique characteristics associated with said cargo transportation. The utilization of these methodologies enables a more comprehensive evaluation of the variables influencing road freight transportation [20]. This approach enables the mitigation of transportation risks, the optimization of vehicle design for transportation processes, and the simultaneous attainment of economic benefits (through the identification of transportation costs) and environmental protection (by evaluating the characteristics of individual cargo transportation and potential traffic incidents that may result in environmental harm). The articles analyze logistical, social [21], and economic [22] difficulties, while the influence of forces is limited to theoretical and recommended levels, with a lack of practical calculations. Nevertheless, when confronted with a traffic collision or the necessity to execute diverse professional tasks, we encounter a dearth of data to facilitate these computations [23]. Moreover, logistics terminals employ specialized software to enhance the efficiency of the multimodal transportation planning process. The optimization method entails the utilization of a sophisticated mathematical framework, which can be enhanced by employing precise data to enhance the efficacy of the transfer process [8,24]. Hence, the examination of the relative significance of various types of cargoes, such as liquid and bulk cargo, holds considerable academic interest in enhancing the aforementioned logistics initiatives.

2. Materials and Methods

The subject matter of this research is limited to examining the job experience of transport logistics professionals. The mathematical tools used are tailored to suit the unique topic. The paper aims to assess the attributes of liquid and bulk cargo transportation via road. This adaptation relies on a dual implementation of mathematical tools. The research methodology consists of two research stages: In the first stage, the forces acting on the transported cargo are calculated, and in the second stage an expert assessment is carried out in order to assess the analysis of these forces at a practical level. Both mathematical calculations and expert assessment are performed on the example of Lithuania.
The purpose of using this model is to examine the forces at play and their primary correlation. In the subsequent phase, expert evaluation is used to ascertain the practical (adaptive) qualities of these forces. Given the utilization of a diverse mathematical apparatus, the authors endeavored to derive the specific capabilities of this mathematical tool. The objective of this is to determine the magnitudes of the forces involved via calculations. This will allow for a more accurate identification of the most suitable method of transporting the cargo, using additional mathematical tools.
While performing force calculations, it is important to consider not only the force equation itself, but also to establish the critical velocities for various levels of cargo capacity. These calculations enable the formulation of the most suitable questions for experts, facilitating the determination of the order of important criteria in subsequent stages via the use of mathematical tools for expert evaluation.

2.1. Mathematical Calculation Methodology

Bulk and liquid cargoes have a center of gravity of only 1.8 m from the ground, while others are 2 to 2.5 m high. Considering the fact that the center of gravity of bulk and liquid cargo is not a height, it is not mathematically assessed. Only the centrifugal force, gravity force, and critical slip of the tug are evaluated.
The analytical computations (Equations (1) and (2) [25,26]) were conducted with a circular radius of 17 m. This radius was chosen because, taking into account the methodological instructions for the design of roundabouts, it is stated that the turning radius R of a roundabout with entrances and exits of two traffic lanes is between 12 and 18 m [27]. A vehicle carrying a significant amount of freight, moving at a velocity of 20 km/h, encounters a centrifugal force while traversing a roundabout with a diameter of 17 m (Figure 1):
F = m v v 2 r , N
The force of gravity is computed:
F = m v g ,   N
when driving around a bend in the road, under the influence of centrifugal force, the wheels of the vehicle may lose their grip on the road surface and begin to slide in the transverse direction. The critical traction speed in a corner indicates the maximum speed at which a vehicle can pass a corner without losing the grip of the wheels on the road surface and without starting to slide in the transverse deflection. Stability is a key criterion for assessing a truck’s appropriateness for employment. When a vehicle’s transverse stability is compromised near a curve in the road, it either skids or flips over. In order to maintain the vehicle’s stability, the conditions of preventing rolling and sliding are established [26].
The critical driving speed in the event of a truck skidding is calculated according to the formula [25]:
v s l = g · r m   · μ ,   N
where: rm—turning radius; g—acceleration of free fall coefficient of adhesion of tires to the road surface.
When driving on a corner, a car may lose stability due to the forces acting upon it, and turn in relation to the longitudinal axis. In this case the following formula can be used to calculate the critical driving speed for the turning condition:
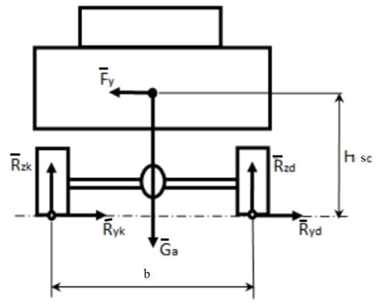
v o v g · r m · b 2 + h s c · t g β h s c b 2 · t g β ,   N
where: rm—turning radius, m; g—acceleration of free fall, m/s2; β—the angle of inclination of the transverse road; hsc—the height of the vehicle’s center of mass (Figure 2), m; b—the width of the vehicle’s wheelbase, m.
The calculation of the critical slip of the vehicle [25,26] is performed using a specified coefficient of friction of µ = 0.6 [28], specifically for dry asphalt in this scenario [29,30]. The turning radius of the vehicle is measured to be 17 m, while the cross slope of the road is denoted as β = 2 [31].
Cross road slope for sliding:
tgβ = μ
The height h of the vehicle’s center of gravity can be calculated using the formula:
h s c = b G p · R z d ' R z d · c t g β ,   m
where: Gp—front axle load of the vehicle, kN; Rzd—support reaction force to the wheel of the front axle, kN; R′zd—the support reaction force on the wheel of the front axle when weighing the leaning vehicle, kN; β—the angle of inclination of the transverse road.
From the dependencies presented in the formulas, it can be seen that, in order to increase the stability of the vehicle, it is necessary to reduce the height of the vehicle’s center of gravity and/or to increase the length of the track [25].
The stability of a truck depends on the height of the center of gravity and the ratio of the rut. Since the rut ratio varies little between different standard trucks, the stability of heavy vehicles depends on the height of the center of gravity. The height of the car’s center of gravity is calculated according to the formula [26]:
h s c = h a · m a + h k · m k m a + m k ,   m
where: ha—the height of the center of gravity of the unloaded vehicle, m; hk—the height of the center of gravity of the transported load above the road surface, m; ma ir mk—the mass of the truck and the transported cargo, respectively, in kg.
The formula for calculating the critical speed of a truck for overturning (m/s):
v o v = g · b · r m 2 h s c ,   m / s
At a curve in the road, a truck has the potential to not only tip over, but also skid. A truck’s wheel may move both parallel and perpendicular to its plane of rotation. From a traffic safety perspective, the lateral sliding of the automobile poses a far greater risk, since it considerably hampers the ability to maneuver away from the truck. The automobile, in turn, is subject to forces resulting from its weight and attempting to displace it off its intended path of travel, due to the centrifugal force. Curiously, the truck’s capacity to maintain stability when turning in a road curve is not influenced by the coefficient of adhesion. Instead, it is determined by the height of the center of mass and the ratio of the rut. Given that the rut remains constant for a particular vehicle, the stability of the truck during a rollover will only rely on the elevation of its center of mass. This elevation may fluctuate depending on factors such as the kind of cargo being carried.
When assessing the transportation of bulk and liquid cargoes, certain key elements that impact the safety of the transportation process can be identified. This involves determining the relative importance of the forces influencing the cargo structure, the transport capacity’s fill level, which directly affects the transported structure, and other variables influencing the transport structure’s dynamics. Taking this into account, an expert assessment was carried out.

2.2. Expert Evaluation Methodology

Considering the fact that the expert assessment was carried out in Lithuania. The selection of experts was carried out based on the following logical sequence:
  • In Lithuania, the total number of companies providing transport services in 2022 was 8570 companies, of which 6200 companies are engaged in freight road transport. After analyzing the volume of cargo transportation for pay and at own expense in thousands of tons, it was determined that in 2022, 100,752 thousand tons of such cargo were transported, of which 36,828.8 thousand tons were transported by domestic transport. This is 36.55 percent. Considering that in the analyzed case, specific cargo is transported, i.e., liquid and bulk cargo, we can claim that such companies makes up about 15 percent of the total.
  • Taking into account that according to the methodological requirements of the study, the evaluation of eight experts is considered as a valid evaluation, the following requirements were imposed on the selected experts:
    (1)
    the period of the company’s activities is 10–15 years,
    (2)
    carrying out the transportation of specific cargoes—liquid cargoes, bulk cargoes for 8–10 years;
    (3)
    vehicle park, spec. transport 20–30 percent of the entire vehicle fleet.
Each group of criteria was to be ranked from most important to least important. Each criterion had to be given a score and could not be 0. Criterion m, scored by experts n.
The formulas presented in Table 1 were used for expert evaluation calculations.

3. Results

3.1. Results of Mathematical Calculations

Equation (8) specifies the centrifugal force, which is computed based on Equation (1):
F = 35 , 000 30.8 17 = 63 , 535 , N
Upon conducting calculations, it was ascertained that a motor vehicle traversing a circular intersection with a radius measuring 17 m at a velocity of 20 km per hour experiences the influence of a centrifugal force amounting to 63,535 N.
The gravitational force, as described by Equation (9), is computed based on Equation (2):
F = 35 , 000 9.81 = 343 , 350 , N
Figure 3 illustrates that the vehicle maintains stability when its speed does not exceed 45 km/h. At this threshold, the centrifugal force remains within the limits of gravitational force. Nevertheless, when the velocity of the vehicle above 45 km/h, the centrifugal force surpasses the gravitational force, leading to the overturning of the vehicle.
To analyze the stability of a cargo vehicle, it is crucial to determine the height of the car’s center of mass, denoted as hsc. The manufacturer provides the location of the center of mass for both an empty truck and a fully loaded truck in the technical data of the vehicle. The center of mass of an unladen freight truck is consistently displaced towards the front of the vehicle. When an automobile is loaded, the location of its center of mass shifts in relation to the center of mass of an empty car and may move in many directions [29].
The vehicles used for the investigation include a dump truck designed for moving large quantities of bulk freight, as well as a tank truck specifically designed for transporting liquid cargo. The trucks’ technical specifications, categorized by type and model, include the following: mass of 20,500 kg and 23,540 kg, respectively, height of the center of mass of 1.624 m and 1.741 m, respectively, and track width of 2.174 m and 2.04 m, respectively. Dynamic stability calculations were conducted to ascertain the threshold speed at which the vehicle would maintain balance and prevent both overturning and sliding. Figure 4 depicts a graphical depiction of the truck’s roll and slide in relation to the driving speed and center of gravity. The vertical location of the center of gravity was adjusted within the range of 0.60–3.00 m, with increments of 0.6 m, as seen in Figure 4.
The occurrence of crucial skidding in the vehicle is not expected until the velocity exceeds 34 km/h. Nevertheless, once the velocity of the vehicle surpasses 34 km/h, it will initiate a skidding motion when navigating a bend.
The critical roll of the vehicle is calculated by considering the width of the vehicle track and the height of the center of gravity of the load. The width of the semi-trailers for bulk and skid products is 2.55 m. The selected height of the center of gravity of the load is 1.8 m from the ground when the vehicle is loaded, while the center of gravity of the unloaded transport vehicle is selected at a height of 1.2 m.
The essential turning speed of both loaded and empty vehicles was determined for a roundabout with a diameter of 17 m. A vehicle that is carrying a significant amount of weight will experience a tipping motion when its speed exceeds 38 km/h, while a vehicle that is not carrying any additional weight will undergo a tipping motion at speeds exceeding 51 km/h.
Figure 4 provides a visual representation of the relationship between the speed and the height of the center of gravity. The critical juncture occurs when the intersection of the turning speed and sliding speed curves is reached. In this scenario, if the height of the vehicle’s center of gravity is 2.4 m above the ground and the vehicle is traveling at a speed of 34 km/h, a rollover event is expected to transpire.
When assessing the transportation of bulk and liquid cargoes, certain key elements that impact the safety of the transportation process are identified. This involves determining the relative importance of the forces influencing the cargo structure, the transport capacities’ fill level, which directly affects the transported structure, and other variables influencing the transport structure’s dynamics [34,35]. Therefore, it is important to assess not only how these factors work individually [36], but also how they interact with each other and what their importance is. For that purpose, the results of the expert evaluation are presented below.

3.2. Results of Expert Assessment

In the process of transporting bulk and liquid cargoes, several forces are encountered that affect both the cargo and the vehicle. Nevertheless, it is commonly observed that these parts are typically regarded as distinct entities, with little regard given to their relative importance or the intricate nature of their interrelationships.
The survey findings, which compare all of the forces involved in the transportation of bulk and liquid commodities, are shown in Table 2.
For decisions to be taken, the experts’ opinions must be balanced. In the case of two or more experts, the consistency of their opinions may be determined by applying a concordance factor. In the calculation of the Kendall’s concordance coefficient (W), the experts’ assessments are ranked. The experts’ opinions are considered to be concordant when W→1, discordant when W→0 (Table A1, Table A2, Table A5, Table A6 and Table A9). The next step is to calculate the importance of the criterion using expert survey data (Table A3, Table A4, Table A7, Table A8 and Table A10). The obtained results show the priority of the forces acting on bulk and liquid cargoes. The results of the assessment of the forces arranged by the significance of expert opinions from various sources in evaluating the transportation of bulk and liquid cargoes are shown in Table 3.
The survey of experts has been conducted to compare the criteria of centrifugal force in the transportation process of bulk and liquid cargoes. The findings of this comparison may be found in Table 4.
The results of the assessment of the criterion arranged by the significance of expert judgements about the criteria of centrifugal force in the evaluation of bulk and liquid cargo transportation are shown in Table 5.
The outcomes demonstrate that the two most powerful forces are centrifugal and inertial. It is crucial to ascertain the interdependence of all forces, however, in order to assess the strength of the interaction between them.
Determining the most hazardous elements involved in the transportation of liquid and bulk commodities is crucial.
The comparison of dangerous factors in the transportation of bulk and liquid cargoes is shown in Table 6, based on the findings of the expert survey.
The data collected indicate that while moving bulk and liquid commodities, the riskiest elements have distinct priorities.
The results of the assessment of the criteria arrangement by significance of expert views on the dangerous factors in the evaluation of the transportation of bulk and liquid cargoes are shown in Table 7.
The findings indicate that the ranking of the most hazardous elements varies depending on the nature of the cargo [37,38,39]. When assessing the relationship and its magnitude among several components, it is crucial to determine their interdependence.
Given the consideration that the primary risk element in the transportation of liquid cargo is an inadequately loaded vehicle, it is imperative to ascertain the critical level of tank filling that poses the highest degree of danger.
The comparison of expert survey findings about the crucial level of tank filling during the transportation of bulk and liquid cargoes is shown in Table 8.
The obtained results show that when transporting liquid cargoes, the danger of filling the tank is arranged in the following order:
  • Two-thirds filled cistern;
  • The cistern is one-third full;
  • Fully filled tank;
  • Empty tank.
Also, during the research, it was important to find out the factors that can affect the dynamics of a vehicle with bulk and liquid cargo during road transport.
The survey of experts has yielded data that compare the elements influencing the movement of a vehicle during the transportation of bulk and liquid goods. These results are provided in Table 9.
The obtained results show that when transporting bulk and liquid cargoes, the factors influencing the dynamics of the vehicle have different priorities. Only the most important skills and attention of the driver coincide, and the least important are air temperature and atmospheric conditions.
Table 10 presents the results of the computation of the criteria arrangement by significance of expert opinions on the aspects that might influence the dynamics of a vehicle in the assessment of the transportation of bulk and liquid cargoes.
The results show that the driver’s skill and attentiveness are probably the most important factors influencing the dynamics of the vehicle. However, when evaluating the interaction and its strength among all forces, it is important to find out their dependence as well.

4. Discussion

The discussion employed parameter correlation analysis to assess the features of bulk and liquid cargoes and ascertain the interdependencies among their attributes.
In relation to the determination of the significance of the acting forces, a robust association is detected between the acting forces as per Pearson’s correlation analysis [40,41]. A more pronounced association was seen in the case of bulk shipments (Figure 5). A significant association was seen exclusively in the context of bulk cargo transit. Upon analyzing the transportation of liquid cargoes, it was seen that the correlation, as measured by Pearson’s correlation analysis, had a lesser association. Specifically, a robust correlation was found solely between frictional and inertial forces, while the overall correlation was classified as moderate (Figure 6).
The presence of centrifugal forces can lead to instability in both bulk and liquid cargo, as a result of abrupt shifts in the center of gravity, the vehicle’s high speed, and the trajectory of travel of both the vehicle and its cargo. Hence, it is necessary to assess these inter-factors by calculating their Pearson’s correlation coefficient. In both bulk and liquid cargo transit, the coefficient exhibited a consistent similarity and approached approximately 0.95 across all examined instances, indicating a robust association (see Figure 7).
The impact of the road plays a significant role in determining the acting forces involved in transportation. Consequently, it is crucial to emphasize the interconnectedness of the road’s influencing components when moving both bulk and liquid commodities. In Figure 8 and Figure 9, it is shown that Pearson’s correlation coefficient exhibits highly comparable values. It can be argued that in the majority of instances, there exists a significant or substantial link between the components. One notable distinction between bulk and liquid cargo becomes apparent when analyzing the parameter of “Vehicle not fully loaded.” In this regard, the correlation coefficient values are comparatively lower for liquid cargo.
The most intriguing correlational relationships are observed in the context of general variables that impact freight transportation (Figure 10, Figure 11 and Figure 12). In both instances, the Pearson correlation coefficient had identical values, indicating a robust interparametric association.
Taking into account the fact that cargo transportation is a complex process, during which the safe transportation of cargo must be ensured, therefore drivers transporting this type of cargo must be trained [7,42]. For example, in Lithuania, the training program for professional drivers has been updated, which will provide an opportunity to acquire a professional qualification that is mandatory throughout the European Union (EU) and to provide cargo and passenger transport services in any EU country [43,44]. The new procedure has been prepared taking into account the proposals submitted by businesses and associations uniting cargo and passenger transport companies, as well as associations of driving training institutions, the main focus of which is safe and economical driving.
In order to obtain the necessary qualifications and obtain a qualification certificate, drivers will have to complete 280 h of training and pass a driver qualification exam (competency assessment). In this training course, at least 20 h will have to be devoted to individual practical driving training, of which up to 8 h will be spent learning to drive in a special area, in specially equipped autodromes or using a high-class simulator.

5. Conclusions

The transportation of bulk and liquid cargoes involves assessing the safety of the process by determining the importance of forces influencing the cargo structure, transport capacities, and other variables. The two most powerful forces are centrifugal and inertial, with interdependence of all forces crucial. Hazardous elements in transportation depend on the nature of the cargo and the critical level of tank filling. Most importantly, the skills and attention of the driver are crucial, while air temperature and atmospheric conditions are less important.
The critical skidding of the truck on a dry asphalt surface (µ = 0.6) when driving a turn with a radius of 17 m will not occur until the speed reaches 34 km/h, but after reaching a speed of 34 km/h and above, the truck will start to slide in the turn.
The essential turning speed of both loaded and empty cars was determined for a roundabout with a diameter of 17 m. A vehicle that is carrying a significant amount of weight will experience a tipping motion when its speed exceeds 38 km/h, while a vehicle that is not carrying any additional weight will undergo a tipping motion at speeds exceeding 51 km/h.
The critical turning point is when the turning speed and sliding speed curves meet. In the analyzed case, when the height of the center of gravity of the vehicle is 2.4 m from the ground and the vehicle speed is 34 km/h, the vehicle overturns.
Pearson’s correlation analysis reveals a robust association between acting forces in bulk shipments and bulk cargo transit. The correlation is more pronounced in bulk shipments and is particularly significant in bulk cargo transit. However, the correlation for liquid cargoes is moderate. The presence of centrifugal forces can cause instability in both bulk and liquid cargo due to abrupt shifts in the center of gravity, high speed, and travel trajectory. The Pearson correlation coefficient demonstrates a consistent similarity across all examined instances, indicating a robust interparametric association between the components.
Considering the obtained results, it can be stated that the transportation of specific cargoes, including bulk and liquid cargoes, requires specific skills from the drivers. In order to develop those skills in the training of cargo vehicle drivers, an understanding of the dynamics of the movement of vehicles in a turn, namely about the means of power, their redistribution, the change of the center of gravity when transporting special cargoes (bulk and liquid), and when moving on road bends. This article provides a scientifically sound basis for the development of methodological tools for the training of drivers of this type, which would help them understand what forces and what transport factors affect the movement of vehicles in a turn, how to increase the stability and safety of the movement of vehicles in a turn, etc.
The authors intend to focus on enhancing the acceptability of these criteria and their applicability to multimodal transport, particularly with regards to road transport, also evaluating different turning radii and other road technical parameters in their future research endeavors.

Author Contributions

Conceptualization, J.M., K.Č., J.L. and E.S.; methodology, J.M., K.Č. and J.L.; software, J.M., K.Č. and J.L.; validation, J.M., K.Č., J.L. and E.S.; formal analysis, J.M., K.Č. and J.L.; investigation, J.M., K.Č. and J.L.; resources, J.M., K.Č., J.L. and E.S.; data curation, J.M., K.Č., J.L. and E.S.; writing—original draft preparation, J.M., K.Č. and J.L.; writing—review and editing, J.M. and K.Č.; visualization, J.M., K.Č. and J.L.; supervision, K.Č. and J.L.; project administration, J.M. and K.Č.; funding acquisition, E.S. All authors have read and agreed to the published version of the manuscript.

Funding

This research received no external funding.

Institutional Review Board Statement

Not applicable.

Informed Consent Statement

Not applicable.

Data Availability Statement

The data could be provided after request to Authors. The data are not publicly available due to privacy.

Conflicts of Interest

The authors declare no conflict of interest.

Abbreviations

bthe width of the vehicle’s wheelbase
djreverse value of the criterion q
Fforce
gacceleration of free fall
Gpfront axle load of the vehicle
hathe height of the center of gravity of the unloaded vehicle
hkthe height of the center of gravity of the transported load above the road surface
hscthe height of the vehicle’s center of mass
Qjcriteria importance indicators
qjsubjective significances
mthe number of criteria
mathe mass of the truck
mkthe mass transported cargo
mvmass
nthe number of experts
Rthe rank given to the i-th criterion
RjKendall’s coefficient of concordance
rmturning radius
Rzdsupport reaction force to the wheel of the front axle
R’zdthe support reaction force on the wheel of the front axle when weighing the leaning vehicle
Ssums of R squares S (dispersion)
vspeed
vovthe critical speed of a truck turning
vslCritical speed in the event of a truck skidding
WminLowest value of the coefficient of concordance
βthe angle of inclination of the transverse road
µcoefficient of adhesion of tires to the road surface
χ2Pearson’s criterion

Appendix A

Table A1. The results of the calculation of the compatibility of expert opinions by the different forces in the evaluation of the transportation of bulk and liquid cargoes.
Table A1. The results of the calculation of the compatibility of expert opinions by the different forces in the evaluation of the transportation of bulk and liquid cargoes.
FormulaResults
Bulk CargoesLiquid Cargoes
W = 12 S n 2 ( m 3 m ) 0.33750.4833
χ 2 = 12 S n m ( m + 1 ) 8.100011.6000
W m i n = χ υ , a 2 n ( m + 1 ) 0.02430.0243
Table A2. The results of the calculation of the criterion importance of expert opinions by the different forces in the evaluation of the transportation of bulk and liquid cargoes.
Table A2. The results of the calculation of the criterion importance of expert opinions by the different forces in the evaluation of the transportation of bulk and liquid cargoes.
Formula Centrifugal ForceGravity ForceFriction ForceInertial Force
q ¯ = R ¯ j j = 1 m R j Bulk cargoes0.21250.32500.32500.1375
Liquid cargoes0.20000.30000.37500.1250
d j = 1 q ¯ j = 1 R ¯ j j = 1 m R j Bulk cargoes0.78750.67500.67500.8625
Liquid cargoes0.80000.70000.62500.8750
Q j = d j j = 1 m d j = d j m 1 Bulk cargoes0.26250.22500.22500.2875
Liquid cargoes0.26670.23330.20830.2917
Q ¯ j = i = 1 n B i j i = 1 n j = 1 m B i j Bulk cargoes0.28750.17500.17500.3625
Liquid cargoes0.30000.20000.12500.3750
Arrangement of factors by importanceBulk cargoes2341
Liquid cargoes2341
Table A3. The results of the calculation of the compatibility of expert opinions by the criteria of centrifugal force in the evaluation of the transportation of bulk and liquid cargoes.
Table A3. The results of the calculation of the compatibility of expert opinions by the criteria of centrifugal force in the evaluation of the transportation of bulk and liquid cargoes.
FormulaResults
Bulk CargoesLiquid Cargoes
W = 12 S n 2 ( m 3 m ) 0.33750.4833
χ 2 = 12 S n m ( m + 1 ) 8.100011.6000
W m i n = χ υ , a 2 n ( m + 1 ) 0.02430.0243
Table A4. The results of the calculation of the criterion importance of expert opinions by the criteria of centrifugal force in the evaluation of the transportation of bulk and liquid cargoes.
Table A4. The results of the calculation of the criterion importance of expert opinions by the criteria of centrifugal force in the evaluation of the transportation of bulk and liquid cargoes.
Formula Position of Centre of GravityVehicle SpeedVehicle Trajectory (Steer Angle)
q ¯ = R ¯ j j = 1 m R j Bulk cargoes0.21250.32500.1375
Liquid cargoes0.20000.30000.1250
d j = 1 q ¯ j = 1 R ¯ j j = 1 m R j Bulk cargoes0.78750.67500.8625
Liquid cargoes0.80000.70000.8750
Q j = d j j = 1 m d j = d j m 1 Bulk cargoes0.26250.22500.2875
Liquid cargoes0.26670.23330.2917
Q ¯ j = i = 1 n B i j i = 1 n j = 1 m B i j Bulk cargoes0.28750.17500.3625
Liquid cargoes0.30000.20000.3750
Arrangement of factors by importanceBulk cargoes231
Liquid cargoes231
Table A5. The results of the calculation of the compatibility of expert opinions by the dangerous factors in the evaluation of the transportation of bulk and liquid cargoes.
Table A5. The results of the calculation of the compatibility of expert opinions by the dangerous factors in the evaluation of the transportation of bulk and liquid cargoes.
FormulaResults
Bulk CargoesLiquid Cargoes
W = 12 S n 2 ( m 3 m ) 0.38750.4375
χ 2 = 12 S n m ( m + 1 ) 9.300010.5000
W m i n = χ υ , a 2 n ( m + 1 ) 0.02430.0243
Table A6. The results of the calculation of the criterion importance of expert opinions by the dangerous factors in the evaluation of the transportation of bulk and liquid cargoes.
Table A6. The results of the calculation of the criterion importance of expert opinions by the dangerous factors in the evaluation of the transportation of bulk and liquid cargoes.
Formula Road SurfaceRoad Turn CurveSudden BrakingVehicle Not Fully Loaded
q ¯ = R ¯ j j = 1 m R j Bulk cargoes0.35000.20000.13750.3125
Liquid cargoes0.40000.23750.20000.1625
d j = 1 q ¯ j = 1 R ¯ j j = 1 m R j Bulk cargoes0.65000.80000.86250.6875
Liquid cargoes0.60000.76250.80000.8375
Q j = d j j = 1 m d j = d j m 1 Bulk cargoes0.21670.26670.28750.2292
Liquid cargoes0.20000.25420.26670.2792
Q ¯ j = i = 1 n B i j i = 1 n j = 1 m B i j Bulk cargoes0.21670.26670.28750.2292
Liquid cargoes0.10000.26250.30000.3375
Arrangement of factors by importanceBulk cargoes4213
Liquid cargoes4321
Table A7. The results of the calculation of the compatibility of expert opinions by the critical level of tank filling in the evaluation of the transportation of bulk and liquid cargoes.
Table A7. The results of the calculation of the compatibility of expert opinions by the critical level of tank filling in the evaluation of the transportation of bulk and liquid cargoes.
FormulaResults
W = 12 S n 2 ( m 3 m ) 0.5625
χ 2 = 12 S n m ( m + 1 ) 13.5000
W m i n = χ υ , a 2 n ( m + 1 ) 0.0243
Table A8. The results of the calculation of the criterion importance of expert opinions by the critical level of tank filling in the evaluation of the transportation of bulk and liquid cargoes.
Table A8. The results of the calculation of the criterion importance of expert opinions by the critical level of tank filling in the evaluation of the transportation of bulk and liquid cargoes.
FormulaFully Filled CisternTwo-Thirds Full CisternOne-Third Full CisternEmpty Cistern
q ¯ = R ¯ j j = 1 m R j 0.28750.13750.17500.4000
d j = 1 q ¯ j = 1 R ¯ j j = 1 m R j 0.71250.86250.82500.6000
Q j = d j j = 1 m d j = d j m 1 0.23750.28750.27500.2000
Q ¯ j = i = 1 n B i j i = 1 n j = 1 m B i j 0.21250.36250.32500.1000
Arrangement of factors by importance3124
Table A9. The results of the calculation of the compatibility of expert opinions by the factors that can affect the dynamics of a vehicle in the evaluation of the transportation of bulk and liquid cargoes.
Table A9. The results of the calculation of the compatibility of expert opinions by the factors that can affect the dynamics of a vehicle in the evaluation of the transportation of bulk and liquid cargoes.
FormulaResults
Bulk CargoesLiquid Cargoes
W = 12 S n 2 ( m 3 m ) 0.30830.2563
χ 2 = 12 S n m ( m + 1 ) 9.86678.2000
W m i n = χ υ , a 2 n ( m + 1 ) 0.03320.0332
Table A10. The results of the calculation of the criterion importance of expert opinions by the factors that can affect the dynamics of a vehicle in the evaluation of the transportation of bulk and liquid cargoes.
Table A10. The results of the calculation of the criterion importance of expert opinions by the factors that can affect the dynamics of a vehicle in the evaluation of the transportation of bulk and liquid cargoes.
Formula Vehicle CharacteristicsAir Temperature and Atmospheric ConditionsRoad ConditionLoading of CargoDriver Skill and Attention
q ¯ = R ¯ j j = 1 m R j Bulk cargoes0.15000.25000.23330.26670.1000
Liquid cargoes0.18330.27500.23330.20830.1000
d j = 1 q ¯ j = 1 R ¯ j j = 1 m R j Bulk cargoes0.85000.75000.76670.73330.9000
Liquid cargoes0.81670.72500.76670.79170.9000
Q j = d j j = 1 m d j = d j m 1 Bulk cargoes0.21250.18750.25560.24440.3000
Liquid cargoes0.20420.18130.25560.26390.3000
Q ¯ j = i = 1 n B i j i = 1 n j = 1 m B i j Bulk cargoes0.21250.18750.25560.24440.3000
Liquid cargoes0.21670.12500.10000.12500.2333
Arrangement of factors by importanceBulk cargoes45231
Liquid cargoes45321

References

  1. Tucki, K.; Orynycz, O.; Dudziak, A. The Impact of the Available Infrastructure on the Electric Vehicle Market in Poland and in EU Countries. Int. J. Environ. Res. Public Health 2022, 19, 16783. [Google Scholar] [CrossRef]
  2. Dudziak, A.; Caban, J. The Urban Transport Strategy on the Example of the City Bike System in the City of Lublin in Relation to the COVID-19 Pandemic. LOGI—Sci. J. Transp. Logist. 2022, 13, 1–12. [Google Scholar] [CrossRef]
  3. Sokolovskij, E.; Małek, A.; Caban, J.; Dudziak, A.; Matijošius, J.; Marciniak, A. Selection of a Photovoltaic Carport Power for an Electric Vehicle. Energies 2023, 16, 3126. [Google Scholar] [CrossRef]
  4. Małek, A.; Caban, J.; Dudziak, A.; Marciniak, A.; Vrábel, J. The Concept of Determining Route Signatures in Urban and Extra-Urban Driving Conditions Using Artificial Intelligence Methods. Machines 2023, 11, 575. [Google Scholar] [CrossRef]
  5. Merzlikin, I.; Zueva, A.; Kievskaya, S.; Shkoropat, E.; Popov, K. The Market of Air Transportation and Cargo Transportation in the Investment Strategy of Transport Enterprises. Transp. Res. Procedia 2022, 63, 1420–1430. [Google Scholar] [CrossRef]
  6. Maghrour Zefreh, M.; Torok, A. Theoretical Comparison of the Effects of Different Traffic Conditions on Urban Road Traffic Noise. J. Adv. Transp. 2018, 2018, 7949574. [Google Scholar] [CrossRef]
  7. Naumenko, S.; Nabatchikova, T.; Gusev, G.; Polivoda, F. Impact of External Conditions on Selecting Special Transport Vehicle for Perishable Cargo Transportation. Transp. Res. Procedia 2021, 54, 445–454. [Google Scholar] [CrossRef]
  8. Selech, J.; Andrzejczak, K. An Aggregate Criterion for Selecting a Distribution for Times to Failure of Components of Rail Vehicles. EiN 2019, 22, 102–111. [Google Scholar] [CrossRef]
  9. Ismailov, Z.; Kononov, D. Ensuring the Stability of Rail Transport under Cargo Turnover Uncertainty. IFAC-PapersOnLine 2019, 52, 311–315. [Google Scholar] [CrossRef]
  10. Liang, J.; Li, Y.; Yin, G.; Xu, L.; Lu, Y.; Feng, J.; Shen, T.; Cai, G. A MAS-Based Hierarchical Architecture for the Cooperation Control of Connected and Automated Vehicles. IEEE Trans. Veh. Technol. 2023, 72, 1559–1573. [Google Scholar] [CrossRef]
  11. Matijošius, J.; Vasiliauskas, A.V.; Vasilienė-Vasiliauskienė, V.; Krasodomskis, Ž. The Assessment of Importance of the Factors That Predetermine the Quality of a Service of Transportation by Road Vehicles. Procedia Eng. 2016, 134, 422–429. [Google Scholar] [CrossRef]
  12. Matijošius, J.; Čižiūnienė, K.; Liebuvienė, J.; Sokolovskij, E. Research Determining the Priority Order of Forces Acting on a Vehicle Transporting Logs. Appl. Sci. 2023, 13, 6174. [Google Scholar] [CrossRef]
  13. Čižiūnienė, K.; Matijošius, J.; Čereška, A.; Petraška, A. Algorithm for Reducing Truck Noise on Via Baltica Transport Corridors in Lithuania. Energies 2020, 13, 6475. [Google Scholar] [CrossRef]
  14. Jarašūnienė, A.; Čižiūnienė, K. Ensuring Sustainable Freight Carriage through Interoperability between Maritime and Rail Transport. Sustainability 2021, 13, 12766. [Google Scholar] [CrossRef]
  15. Jiang, Q.; Xie, C. A Coupled Discrete-Finite Element Model for Bulk Materials Transfer Simulation and PDSS Structural Wear Prediction. Energy Rep. 2023, 9, 6–14. [Google Scholar] [CrossRef]
  16. Scherbakov, A.; Lunyakov, M.; Smirnov, V.; Kaigorodova, V.; Verbova, N. Options for Placement and Transport of Bulk Goods by Rail. Transp. Res. Procedia 2022, 63, 1498–1504. [Google Scholar] [CrossRef]
  17. Liu, H.; Ren, C.; Zhang, G.; Zhou, W.; Zhang, X. Research and Evaluation on Safety Critical Information of Road Tanker for Dangerous Liquid Goods Based on Multi-Source Data. Procedia Comput. Sci. 2022, 208, 79–87. [Google Scholar] [CrossRef]
  18. Wu, J.; Lu, Y.; Shi, S.; Zhou, R.; Liu, Y. Research on the Prediction Model of Hazardous Chemical Road Transportation Accidents. J. Loss Prev. Process Ind. 2023, 84, 105103. [Google Scholar] [CrossRef]
  19. Jitmitsumphan, S.; Sripetdee, T.; Chaimueangchuen, T.; Tun, H.M.; Chinkanjanarot, S.; Klomkliang, N.; Srinives, S.; Jonglertjunya, W.; Ling, T.C.; Phadungbut, P. Unveiling the Molecular Origin of Vapor-Liquid Phase Transition of Bulk and Confined Fluids. Molecules 2022, 27, 2656. [Google Scholar] [CrossRef]
  20. Günay, G. Shipment Size and Vehicle Choice Modeling for Road Freight Transport: A Geographical Perspective. Transp. Res. Part A Policy Pract. 2023, 173, 103732. [Google Scholar] [CrossRef]
  21. Mahpour, A.; Farzin, I.; Baghestani, A.; Ashouri, S.; Javadi, Z.; Asgari, L. Modeling the Impact of Logistic Performance, Economic Features, and Demographic Factors of Countries on the Seaborne Trade. Asian J. Shipp. Logist. 2023, 39, 60–66. [Google Scholar] [CrossRef]
  22. Russo, F.; Musolino, G.; Assumma, V. Ro-Ro and Lo-Lo Alternatives between Mediterranean Countries: Factors Affecting the Service Choice. Case Stud. Transp. Policy 2023, 11, 100960. [Google Scholar] [CrossRef]
  23. Jiménez, P.; Gómez-Fuster, J.M.; Pavón-Mariño, P. HADES: A Multi-Agent Platform to Reduce Congestion Anchoring Based on Temporal Coordination of Vessel Arrivals—Application to the Multi-Client Liquid Bulk Terminal in the Port of Cartagena (Spain). Appl. Sci. 2021, 11, 3109. [Google Scholar] [CrossRef]
  24. Andrzejczak, K.; Selech, J. Quantile Analysis of the Operating Costs of the Public Transport Fleet. Transp. Probl. 2017, 12, 103–111. [Google Scholar] [CrossRef]
  25. Gillespie, T.D. Fundamentals of Vehicle Dynamics; Society of Automotive Engineers: Warrendale, PA, USA, 1992; ISBN 978-1-56091-199-9. [Google Scholar]
  26. Minaker, B.P. Fundamentals of Vehicle Dynamics and Modelling: A Textbook for Engineers with Illustrations and Examples; Automotive series; Wiley: Hoboken, NJ, USA, 2019; ISBN 978-1-118-98007-1. [Google Scholar]
  27. V-106 Dėl Žiedinių Sankryžų Projektavimo Metodinių Nurodymų MN ŽSP 12 Patvirtinimo [Concerning the Approval of Methodological Instructions for the Design of Roundabouts MN ŽSP 12]. Available online: https://e-seimas.lrs.lt/portal/legalAct/lt/TAD/TAIS.424377/asr (accessed on 23 December 2023). (In Lithuanian).
  28. Ataei, M.; Khajepour, A.; Jeon, S. A General Rollover Index for Tripped and Un-Tripped Rollovers on Flat and Sloped Roads. Proc. Inst. Mech. Eng. Part D J. Automob. Eng. 2019, 233, 304–316. [Google Scholar] [CrossRef]
  29. Žuraulis, V.; Sokolovskij, E. Vehicle Velocity Relation to Slipping Trajectory Change: An Option for Traffic Accident Reconstruction. Promet 2018, 30, 395–406. [Google Scholar] [CrossRef]
  30. Jin, M.; Zhang, M.; Wang, G.; Liang, S.; Wu, C.; He, R. Analysis and Simulation of Wheel-Track High Clearance Chassis of Rape Windrower. Agriculture 2022, 12, 1150. [Google Scholar] [CrossRef]
  31. Žuraulis, V.; Sokolovskij, E.; Matijošius, J. The Opportunities for Establishing the Critical Speed of the Vehicle on Research in Its Lateral Dynamics. Sci. Technol. 2013, 15, 312–318. [Google Scholar]
  32. Sivilevičius, H. Application of Expert Evaluation Method to Determine the Importance of Operating Asphalt Mixing Plant Quality Criteria and Rank Correlation. Balt. J. Road Bridge Eng. 2011, 6, 48–58. [Google Scholar] [CrossRef]
  33. Maskeliūnaitė, L.; Sivilevičius, H. Identifying the Importance of Criteria for Passenger Choice of Sustainable Travel by Train Using ARTIW and IHAMCI Methods. Appl. Sci. 2021, 11, 11503. [Google Scholar] [CrossRef]
  34. Burdzik, R. Novel Method for Research on Exposure to Nonlinear Vibration Transferred by Suspension of Vehicle. Int. J. Non-Linear Mech. 2017, 91, 170–180. [Google Scholar] [CrossRef]
  35. Barrachina, D.G.-L.; Boldizsar, A.; Zoldy, M.; Torok, A. Can Neural Network Solve Everything? Case Study of Contradiction in Logistic Processes with Neural Network Optimisation. In Proceedings of the 2019 Modern Safety Technologies in Transportation (MOSATT), Kosice, Slovakia, 28–29 November 2019; pp. 21–24. [Google Scholar]
  36. Stoma, M.; Dudziak, A. Eastern Poland Consumer Awareness of Innovative Active and Intelligent Packaging in the Food Industry: Exploratory Studies. Sustainability 2022, 14, 13691. [Google Scholar] [CrossRef]
  37. Buczaj, A.; Krzysiak, Z.; Pecyna, A.; Caban, J.; Brumercik, F. Safety during Chemical Transport of Dangerous Goods. Przem. Chem. 2019, 98, 1276–1280. [Google Scholar] [CrossRef]
  38. Borucka, A.; Kozłowski, E.; Antosz, K.; Parczewski, R. A New Approach to Production Process Capability Assessment for Non-Normal Data. Appl. Sci. 2023, 13, 6721. [Google Scholar] [CrossRef]
  39. Borucka, A.; Kozłowski, E.; Parczewski, R.; Antosz, K.; Gil, L.; Pieniak, D. Supply Sequence Modelling Using Hidden Markov Models. Appl. Sci. 2022, 13, 231. [Google Scholar] [CrossRef]
  40. Bowerman, B.L.; O’Connell, R.T. Applied Statistics: Improving Business Processes; The Irwin series in statistics; Irwin: Chicago, IL, USA, 1997; ISBN 978-0-07-114907-5. [Google Scholar]
  41. Weisberg, S. Applied Linear Regression, 4th ed.; Wiley series in probability and statistics; Wiley: Hoboken, NJ, USA, 2014; ISBN 978-1-118-38608-8. [Google Scholar]
  42. EN 12642:2006; Securing of Cargo on Road Vehicles—Body Structure of Commercial Vehicles—Minimum Requirements. Available online: https://standards.iteh.ai/catalog/standards/cen/c7f52fc5-051f-488c-be40-2a98be6b1023/en-12642-2006 (accessed on 17 May 2023).
  43. Zaranka, J.; Matijosius, J.; Radvilaite, U.; Caban, J.; Dudziak, A. Establishing Emergency Sections on Land Roads in Order to Improve the Quality of Transport Services, Creating Comfortable Conditions for International and Local Traffic. Adv. Sci. Technol. Res. J. 2023, 17, 75–85. [Google Scholar] [CrossRef]
  44. Zaranka, J.; Pečeliūnas, R.; Žuraulis, V. A Road Safety-Based Selection Methodology for Professional Drivers: Behaviour and Accident Rate Analysis. Int. J. Environ. Res. Public Health 2021, 18, 12487. [Google Scholar] [CrossRef]
Figure 1. Variation of the center of gravity of bulk and liquid cargoes.
Figure 1. Variation of the center of gravity of bulk and liquid cargoes.
Applsci 14 01151 g001
Figure 2. Principle calculation scheme of transverse stability of a truck in a turn.
Figure 2. Principle calculation scheme of transverse stability of a truck in a turn.
Applsci 14 01151 g002
Figure 3. The relationship between centrifugal force and speed (red curve is the gravitational force, blue curve is the centrifugal force).
Figure 3. The relationship between centrifugal force and speed (red curve is the gravitational force, blue curve is the centrifugal force).
Applsci 14 01151 g003
Figure 4. The relationship between centrifugal force and speed (red curve is gravitational force, blue curve is centrifugal force).
Figure 4. The relationship between centrifugal force and speed (red curve is gravitational force, blue curve is centrifugal force).
Applsci 14 01151 g004
Figure 5. Values of Pearson’s correlation coefficient when assessing the importance of the forces acting on bulk cargoes transportation.
Figure 5. Values of Pearson’s correlation coefficient when assessing the importance of the forces acting on bulk cargoes transportation.
Applsci 14 01151 g005
Figure 6. Values of Pearson’s correlation coefficient when assessing the importance of the forces acting on liquid cargoes transportation.
Figure 6. Values of Pearson’s correlation coefficient when assessing the importance of the forces acting on liquid cargoes transportation.
Applsci 14 01151 g006
Figure 7. Values of Pearson’s correlation coefficient when assessing the importance of the centrifugal force factors acting on bulk cargoes transportation.
Figure 7. Values of Pearson’s correlation coefficient when assessing the importance of the centrifugal force factors acting on bulk cargoes transportation.
Applsci 14 01151 g007
Figure 8. Values of Pearson’s correlation coefficient when assessing the importance of the centrifugal force factors acting on liquid cargoes transportation.
Figure 8. Values of Pearson’s correlation coefficient when assessing the importance of the centrifugal force factors acting on liquid cargoes transportation.
Applsci 14 01151 g008
Figure 9. Values of Pearson’s correlation coefficient when assessing the importance of the road condition factors acting on bulk cargo transportation.
Figure 9. Values of Pearson’s correlation coefficient when assessing the importance of the road condition factors acting on bulk cargo transportation.
Applsci 14 01151 g009
Figure 10. Values of Pearson’s correlation coefficient when assessing the importance of the road condition factors acting on liquid cargo transportation.
Figure 10. Values of Pearson’s correlation coefficient when assessing the importance of the road condition factors acting on liquid cargo transportation.
Applsci 14 01151 g010
Figure 11. Values of Pearson’s correlation coefficient when assessing the importance of the vehicle dynamic factors acting on bulk cargo transportation.
Figure 11. Values of Pearson’s correlation coefficient when assessing the importance of the vehicle dynamic factors acting on bulk cargo transportation.
Applsci 14 01151 g011
Figure 12. Values of Pearson’s correlation coefficient when assessing the importance of the vehicle dynamic factors acting on the transportation of liquid cargoes.
Figure 12. Values of Pearson’s correlation coefficient when assessing the importance of the vehicle dynamic factors acting on the transportation of liquid cargoes.
Applsci 14 01151 g012
Table 1. The formulas description used for the expert survey results calculations [12,13,32,33].
Table 1. The formulas description used for the expert survey results calculations [12,13,32,33].
Parameter NameFormulaExplanation of Meanings
Kendall’s coefficient of concordance i = 1 n R i j = R i j
Sums of R squares S (dispersion) S = j = 1 m R j R 2
Total average R = j = 1 m R i j m = i = 1 n j = 1 m R i j m
Sum of m indicator rankings of all n experts i = 1 n R i j = 1 2 n ( m + 1 )
Total average R = 1 2 n ( m + 1 )
Average rank of each criterion R R j = i = 1 n R i j n   R—the rank given to the i-th criterion of the j-th expert, n—the number of experts
Coefficient of concordance when there are no associated ranks W = 12 S n 2 ( m 3 m )
Sum of squares S of deviations of ranks R of each criterion from the average rank S = j = 1 m i = 1 n R i j = 1 2 n ( m + 1 ) 2 m—number of criteria (i = 1, 2, …, m); n—number of experts (j = 1, 2, …, n)
Sum of squares S in an ideal approved case S max = n 2 m m 2 1 12
Pearson’s χ2 criterion χ 2 = 12 S n m ( m + 1 )
Lowest value of the coefficient of concordance Wmin W m i n = χ υ , a 2 n ( m + 1 )
Reverse value of the criterion q d j = 1 q ¯ j = 1 R ¯ j j = 1 m R j The sum of d estimates is equal to n—1
Criteria importance indicators Q j = d j j = 1 m d j = d j m 1
Importance of criteria of the object being evaluated by experts Q j = ( m + 1 ) R j j = 1 m R j m—the number of indicators showing the characteristics of the object, R—the average rank of the jth criterion
Table 2. The expert survey results comparison of the different forces in transportation process of bulk and liquid cargoes.
Table 2. The expert survey results comparison of the different forces in transportation process of bulk and liquid cargoes.
Formula Centrifugal ForceGravity ForceFriction ForceInertial Force
i = 1 n R i j = R i j Bulk cargoes17262611
Liquid cargoes16243010
R ¯ j = i = 1 n R i j n Bulk cargoes2.1253.2503.2501.375
Liquid cargoes23.0003.7501.250
i = 1 n R i j 1 2 n m + 1 Bulk cargoes−366−9
Liquid cargoes−4410−10
i = 1 n R i j 1 2 n m + 1 2 Bulk cargoes9363681
Liquid cargoes1616100100
Table 3. The results of the calculation of the criterion arrangement by importance of expert opinions by the different forces in the evaluation of the transportation of bulk and liquid cargoes.
Table 3. The results of the calculation of the criterion arrangement by importance of expert opinions by the different forces in the evaluation of the transportation of bulk and liquid cargoes.
Sequence of Forces Acting on Bulk Cargo during TransportationSequence of Forces Acting on Liquid Cargo during Transportation
1Inertial force1Inertial force
2Centrifugal force2Centrifugal force
3Gravity force3Gravity force
4Friction force4Friction force
Table 4. The expert survey results comparison of the criteria of centrifugal force in transportation process of bulk and liquid cargoes.
Table 4. The expert survey results comparison of the criteria of centrifugal force in transportation process of bulk and liquid cargoes.
Formula Position of Centre of GravityVehicle SpeedVehicle Trajectory (Steer Angle)
i = 1 n R i j = R i j Bulk cargoes171417
Liquid cargoes181515
R ¯ j = i = 1 n R i j n Bulk cargoes2.1251.7502.125
Liquid cargoes2.251.8751.875
i = 1 n R i j 1 2 n m + 1 Bulk cargoes1−21
Liquid cargoes2−1−1
i = 1 n R i j 1 2 n m + 1 2 Bulk cargoes141
Liquid cargoes411
Table 5. The results of the calculation of the criterion arrangement by importance of expert opinions by the criteria of centrifugal force in the evaluation of the transportation of bulk and liquid cargoes.
Table 5. The results of the calculation of the criterion arrangement by importance of expert opinions by the criteria of centrifugal force in the evaluation of the transportation of bulk and liquid cargoes.
Sequence of Forces Acting on Bulk Cargo during TransportationSequence of Forces Acting on Liquid Cargo During Transportation
1Vehicle speed1Vehicle trajectory (steer angle)
2Position of centre of gravity2Vehicle speed
3Vehicle trajectory (steer angle)3Position of centre of gravity
Table 6. The expert survey results comparison of the dangerous factors in transportation process of bulk and liquid cargoes.
Table 6. The expert survey results comparison of the dangerous factors in transportation process of bulk and liquid cargoes.
Formula Road SurfaceRoad Turn CurveSudden BrakingVehicle Not Fully Loaded
i = 1 n R i j = R i j Bulk cargoes28161125
Liquid cargoes32191613
R ¯ j = i = 1 n R i j n Bulk cargoes3.52.0001.3753.125
Liquid cargoes42.3752.0001.625
i = 1 n R i j 1 2 n m + 1 Bulk cargoes8−4−95
Liquid cargoes12−1−4−7
i = 1 n R i j 1 2 n m + 1 2 Bulk cargoes64168125
Liquid cargoes14411649
Table 7. The results of the calculation of the criterion arrangement by importance of expert opinions by the dangerous factors in the evaluation of the transportation of bulk and liquid cargoes.
Table 7. The results of the calculation of the criterion arrangement by importance of expert opinions by the dangerous factors in the evaluation of the transportation of bulk and liquid cargoes.
Sequence of Forces Acting on Bulk Cargo during TransportationSequence of Forces Acting on Liquid Cargo during Transportation
1Sudden braking1Vehicle not fully loaded
2Road turn curve2Sudden braking
3Vehicle not fully loaded3Road turn curve
4Road surface4Road surface
Table 8. The expert survey results comparison of the critical level of tank filling in transportation process of bulk and liquid cargoes.
Table 8. The expert survey results comparison of the critical level of tank filling in transportation process of bulk and liquid cargoes.
FormulaFully Filled CisternTwo-Thirds Full CisternOne-Third Full CisternEmpty Cistern
i = 1 n R i j = R i j 23111432
R ¯ j = i = 1 n R i j n 2.8751.3751.7504.000
i = 1 n R i j 1 2 n m + 1 3−9−612
i = 1 n R i j 1 2 n m + 1 2 98136144
Table 9. The expert survey results comparison of the factors that can affect the dynamics of a vehicle in transportation process of bulk and liquid cargoes.
Table 9. The expert survey results comparison of the factors that can affect the dynamics of a vehicle in transportation process of bulk and liquid cargoes.
Formula Vehicle CharacteristicsAir Temperature and Atmospheric ConditionsRoad ConditionLoading of CargoDriver Skill and Attention
i = 1 n R i j = R i j Bulk cargoes1830283212
Liquid cargoes2233282512
R ¯ j = i = 1 n R i j n Bulk cargoes2.253.753.5004.0001.500
Liquid cargoes2.754.1253.5003.1251.500
i = 1 n R i j 1 2 n m + 1 Bulk cargoes−6648−12
Liquid cargoes−2941−12
i = 1 n R i j 1 2 n m + 1 2 Bulk cargoes36361664144
Liquid cargoes481161144
Table 10. The results of the calculation of the criterion arrangement by importance of expert opinions by the factors that can affect the dynamics of a vehicle in the evaluation of the transportation of bulk and liquid cargoes.
Table 10. The results of the calculation of the criterion arrangement by importance of expert opinions by the factors that can affect the dynamics of a vehicle in the evaluation of the transportation of bulk and liquid cargoes.
Sequence of Forces Acting on Bulk Cargo during TransportationSequence of Forces Acting on Liquid Cargo during Transportation
1Driver skill and attention1Driver skill and attention
2Road condition2Loading of cargo
3Loading of cargo3Road condition
4Vehicle characteristics4Vehicle characteristics
5Air temperature and atmospheric conditions5Air temperature and atmospheric conditions
Disclaimer/Publisher’s Note: The statements, opinions and data contained in all publications are solely those of the individual author(s) and contributor(s) and not of MDPI and/or the editor(s). MDPI and/or the editor(s) disclaim responsibility for any injury to people or property resulting from any ideas, methods, instructions or products referred to in the content.

Share and Cite

MDPI and ACS Style

Čižiūnienė, K.; Matijošius, J.; Liebuvienė, J.; Sokolovskij, E. Comparison of the Relative Importance of Factors Affecting the Conveyance of Bulk and Liquid Cargo. Appl. Sci. 2024, 14, 1151. https://doi.org/10.3390/app14031151

AMA Style

Čižiūnienė K, Matijošius J, Liebuvienė J, Sokolovskij E. Comparison of the Relative Importance of Factors Affecting the Conveyance of Bulk and Liquid Cargo. Applied Sciences. 2024; 14(3):1151. https://doi.org/10.3390/app14031151

Chicago/Turabian Style

Čižiūnienė, Kristina, Jonas Matijošius, Jūratė Liebuvienė, and Edgar Sokolovskij. 2024. "Comparison of the Relative Importance of Factors Affecting the Conveyance of Bulk and Liquid Cargo" Applied Sciences 14, no. 3: 1151. https://doi.org/10.3390/app14031151

APA Style

Čižiūnienė, K., Matijošius, J., Liebuvienė, J., & Sokolovskij, E. (2024). Comparison of the Relative Importance of Factors Affecting the Conveyance of Bulk and Liquid Cargo. Applied Sciences, 14(3), 1151. https://doi.org/10.3390/app14031151

Note that from the first issue of 2016, this journal uses article numbers instead of page numbers. See further details here.

Article Metrics

Back to TopTop