Power Transformer Inrush Current Analysis: Simulation, Measurement and Effects
Abstract
1. Introduction
- -
- -
- the existence of a direct connection between the primary and secondary windings of a transformer, in this situation the transformer windings are traversed by a very high current [4];
- -
- -
- overheating—high currents and voltages developed during transient phenomena cause temperature rise (overheating), which leads to damage to the transformer insulation, resulting in failure;
- -
- electromagnetic interference—the high currents and voltages that can occur during transients can also cause electromagnetic interference (EMI). This may disturb other electrical equipment in the vicinity of the transformer.
- -
- -
- short circuit—occurs when there is a direct connection between the primary and secondary of the transformer, this phenomenon is characterized by a rapid increase in current in the primary winding, which can cause a large voltage drop across the winding and damage the insulation of the windings [14,15].
- -
- transformer core saturation;
- -
- connection angle of the supply voltage;
- -
- the total impedance of the circuit traversed by inrush current;
- -
- the residual flow of the transformer core, generated by its multiple connections to the network;
- -
- multiple instant connections.
- -
- a resistor is inserted in series with the primary winding during the initial energization. This limits the initial current surge;
- -
- a Negative Temperature Coefficient (NTC) thermistor is connected in series with the primary winding;
- -
- the transformer core is partially magnetized before energization;
- -
- careful design of the transformer core can reduce the inrush current;
- -
- gradually increasing the voltage applied to the transformer;
- -
- the transformer is energized at the point of minimum voltage;
- -
- starting the transformer on a lower tap and then switching to the desired tap after the inrush current has subsided.
2. Theoretical Concepts
- -
- power source parameters: RMS voltage values, frequency, initial phase of supply voltage;
- -
- network parameters in the vicinity of the transformer: the appropriate connection inductance/resistance of the electrical network together with it short-circuit power at the common connection point;
- -
- magnetic core characteristics: magnetization curve, hysteresis loop of the core material, residual core flux and its polarity at the time of connection.
- -
- -
- -
- -
- -
- -
- -
- core loss resistance
- -
- heat loss resistance
- -
- -
3. Numerical Modelling Results
- -
- rated voltage U1 = 10.5 kV;
- -
- number of winding turns w1 = 223;
- -
- no-load losses P0 = 13 kW;
- -
- rated power SN = 15 MVA;
- -
- ratio of no-load current to rated current k[%] = 0;
- -
- short-circuit voltage Uk (%) = 7.5%;
- -
- rated frequency f = 50 Hz;
- -
- short-circuit losses Pk = 73 kW;
- -
- residual flux ϕ1rem = 0;
- -
- column cross-section Sc = 1252.67 cm2;
- -
- transformer connection phase γ = 0 rad;
- -
- no-load current I0 A;
- -
- magnetization curve of the magnetic core.

- -
- when the transformer is connected to the mains, a transient current occurs whose amplitude can reach values up to (3–10) % of the nominal current, depending on the resistance of the primary winding and the variation of the flux with time (824.8 A);
- -
- in the simulation, according to the conditions imposed, the value of the residual flux is zero and the connection angle of the supply voltage is zero (at zero crossing), this situation is the most unfavorable, as a result the most significant inrush current was recorded on the U phase (Figure 2);
- -
- the maximum value of the inrush current is influenced by the value of the initial phase angle.
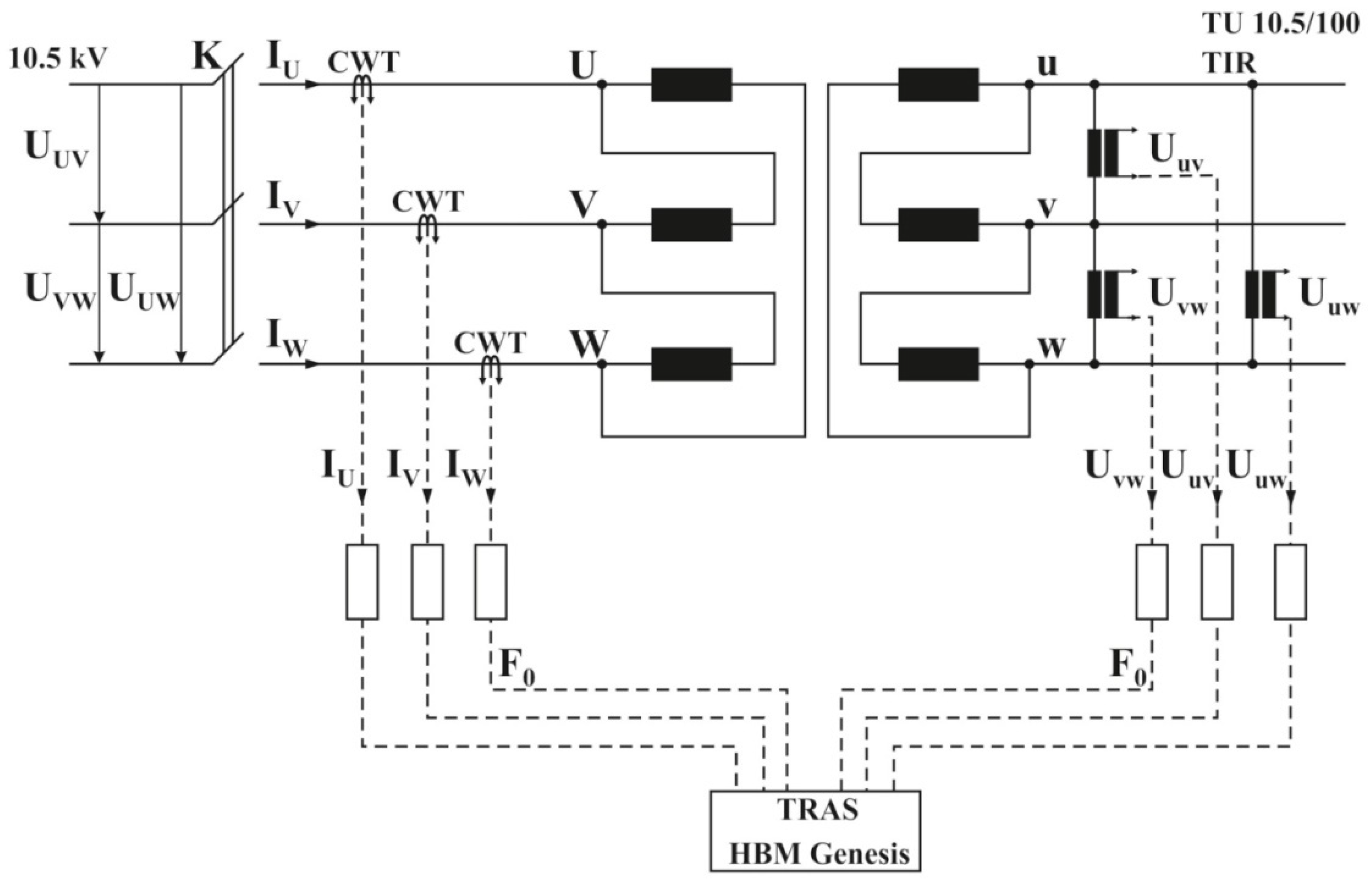
4. Experimental Test Results
5. Analysis with Stationary Wavelet Transform of the Voltage U_UV
- -
- Total RMS = 5389.7 V; RMS for distortions = 607.2 V; THD = 11.3%.
6. Discussion—Effects of Inrush Current on Transformers in Service
7. Conclusions
- -
- the existence of a residual flow, because the transformer is not present at the first connection to the network;
- -
- the fact that between the model adapted to the studied phenomenon and the real construction of the transformer there is a difference due to the existing objective deviations between the dimensions of the design project of the transformer and the actual ones resulting from its construction;
- -
- the observed differences are due to the imprecise assessment of the attenuation of the connection current.
Author Contributions
Funding
Institutional Review Board Statement
Informed Consent Statement
Data Availability Statement
Acknowledgments
Conflicts of Interest
References
- Cazacu, E.; Petrescu, L. Inrush Current Investigation for Single Phase Power Transformers by Means of Magnetic Material Core Characteristics. In Proceedings of the ISTET 2013: International Symposiumon Theoretical Electrical Engineering, Pilsen, Czech Republic, 24–26 June 2013. [Google Scholar]
- Cazacu, E.; Petrescu, L. Magnetizing inrush current of low-voltage iron core three phase power reactors. In Proceedings of the 16th International Conference on Harmonics and Quality of Power (ICHQP), Bucharest, Romania, 25–28 May 2014; pp. 843–847. [Google Scholar] [CrossRef]
- Petrescu, L.; Cazacu, E.; Ioniµ, V.; Petrescu, M.-C. An experimental device for measuring the single-phase transformers inrush current. Sci. Bull. Electr. Eng. Fac. 2019, 19, 18–22. [Google Scholar] [CrossRef]
- Wang, S.; Wang, S.; Zhang, N.; Yuan, D.; Qiu, H. Calculation and analysis of mechanical characteristics of transformer windings under shortcircuit condition. IEEE Trans. Magn. 2019, 55, 1–4. [Google Scholar]
- Mitra, J.; Xu, X.; Benidris, M. Reduction of three-phase transformer inrush currents using controlled switching. IEEE Trans. Ind. Appl. 2020, 56, 890–897. [Google Scholar] [CrossRef]
- Heretík, P.; Kovač, M.; Belaň, A.; Volčko, V.; Koníček, M. Analytical analysis of transformer interaction caused by inrush current. In Proceedings of the 2014 15th International Scientific Conference on Electric Power Engineering (EPE), Brno-Bystrc, Czech Republic, 12–14 May 2014; pp. 23–28. [Google Scholar] [CrossRef]
- Niţu, M.C.; Voicu, V.; Duţă, M.; Nicolae, P.-M. Ensuring the security of the energy system by predetermining the size of inrush current at power transformers coupling. In Proceedings of the IEEE EUROCON 2015—International Conference on Computer as a Tool (EUROCON), Salamanca, Spain, 8–11 September 2015; pp. 1–4. [Google Scholar] [CrossRef]
- CIGRÉ Brochure 227—Life Management Techniques For Power Transformers; WG A2.18; CIGRE: Paris, France, 2003; 125p.
- CIGRÉ Brochure 445—Guide for Transformer Maintenance; W.G. A2.34; CIGRE: Paris, France, 2011; ISBN 978-2-85873-134-3.
- IEC 60076-7:2018; Power Transformers—Part 7: Loading Guide for Mineral-Oil-Immersed Power Transformers. IEC: Geneva, Switzerland, 2018.
- CIGRÉ Brochure 393—Thermal Performance of Transformers; WG A2.24; CIGRE: Paris, France, 2009; ISBN 978-2-85873-080-3.
- Rafajdus, P.; Bracinik, P.; Hrabovcova, V.; Saitz, J.; Kankula, L. Current transformer analysis under transient conditions. In Proceedings of the XIX International Conference on Electrical Machines (ICEM), Rome, Italy, 6–8 September 2010; pp. 1–5. [Google Scholar]
- Nițu, M.-C.; Aciu, A.-M.; Nicola, M.; Nicola, C.-I. Identification of the Phenomena Leading to the Aging of the Insulation of In Service High Power Transformers. In Proceedings of the 2021 International Conference on Electromechanical and Energy Systems (SIELMEN), Iasi, Romania, 6–8 October 2021; pp. 181–185. [Google Scholar] [CrossRef]
- Ge, W.; Zhao, J.; Wang, Y. Analysis of the residual flux influence on inrush current and electromagnetic force in large power transformer. J. Eng. 2019, 2019, 2426–2429. [Google Scholar] [CrossRef]
- Bagheri, S.; Moravej, Z.; Gharehpetian, G.B. Classification and discrimination among winding mechanical defects, internal and external electrical faults, and inrush current of transformer. IEEE Trans. Ind. Inf. 2018, 14, 484–493. [Google Scholar] [CrossRef]
- IEC 60076-4:2004; Power Transformers—Part 4: Guide to the Lightning Impulse and Switching Impulse Testing—Power Transformers and Reactors. IEC: Geneva, Switzerland, 2004.
- Nițu, M.C.; Duță, M.; Nicola, M.; Șeitan, Ș.-M.; Ionescu, M. The Influence of Supply Voltage Phase Angle on the Transient Current Generated on Transformer Energization. In Proceedings of the 2020 21st International Symposium on Electrical Apparatus & Technologies (SIELA), Bourgas, Bulgaria, 3–6 June 2020; pp. 1–6. [Google Scholar] [CrossRef]
- Peng, F.; Liu, Y.; Cheng, X. An Identification Method for Sympathetic Inrush Based on Substation-Area Information. In Proceedings of the 2019 IEEE 8th International Conference on Advanced Power System Automation and Protection (APAP), Xi’an, China, 21–24 October 2019; pp. 696–700. [Google Scholar] [CrossRef]
- Jaworski, M.; Jaeger, J. Sympathetic Transformer Inrush Detection and Relay Blocking During Power System Restoration. IEEE Trans. Power Deliv. 2023, 38, 2408–2417. [Google Scholar] [CrossRef]
- Sanati, S.; Ahmadi, S.A.; Sanaye-Pasand, M. An innovative harmonic-based approach for inrush current detection in low-loss transformers. IET Gener. Transm. Distrib. 2024, 18, 1303–1316. [Google Scholar] [CrossRef]
- Taghikhani, Z.; Taghikhani, M.A.; Gharehpetian, G.B. Inrush current modeling of three-limb core-type power transformers based on efficient analytical-numerical hybrid method. Int. J. Elect. Power Energy Syst. 2020, 117, 105694. [Google Scholar] [CrossRef]
- Alassi, A.; Ahmed, K.H.; Egea-Alvarez, A.; Foote, C. Transformer inrush current mitigation techniques for grid-forming inverters dominated grids. IEEE Trans. Power Deliv. 2023, 38, 1610–1620. [Google Scholar] [CrossRef]
- Yahiou, A.; Bayadi, A.; Babes, B. Point on Voltage Wave Switching for Sympathetic Inrush Current Reduction. In Proceedings of the International Conference on Applied Smart Systems (ICASS), Medea, Algeria, 24–25 November 2018; pp. 1–4. [Google Scholar]
- Vanti, M.G.; Bertoli, S.L.; Cabral, S.H.L.; Gerent, A.G.; Kuo-Peng, P. Semianalytic Solution for a Simple Model of Inrush Currents in Transformers. IEEE Trans. Magn. 2008, 44, 1270–1273. [Google Scholar] [CrossRef]
- Nitu, M.C.; Duta, M.; Nicola, C.I. Predetermining the size of inrush current in power transformers coupling using LabVIEW. In Proceedings of the International Conference on Hydraulics and Pneumatics HERVEX—22nd edition, Băile Govora, Romania, 9–11 November 2016; pp. 271–279, ISSN 1454-8003. [Google Scholar]
- Bronzeado, H.S.; Yacamini, R. Transformer Interaction Caused by Inrush Current. Master’s Thesis, University of Aberdeen, Aberdeen, Scotland, 1993. [Google Scholar]
- Zirka, S.E.; Moroz, Y.I.; Chiesa, N.; Harrison, R.G.; Høidalen, H.K. Implementation of Inverse Hysteresis Model Into EMTP—Part I: Static Model. IEEE Trans. Power Deliv. 2015, 30, 2224–2232. [Google Scholar] [CrossRef]
- Seo, H.-C.; Gwon, G.-H. Systematization of the Simulation Process of Transformer Inrush Current Using EMTP. Appl. Sci. 2019, 9, 2398. [Google Scholar] [CrossRef]
- Ahmad, N.I.; Ali, Z.; Ab. Kadir, M.Z.A.; Osman, M.; Zaini, N.H.; Roslan, M.H. Impacts of Lightning-Induced Overvoltage on a Hybrid Solar PV–Battery Energy Storage System. Appl. Sci. 2021, 11, 3633. [Google Scholar] [CrossRef]
- Ghania, S.M. Internal fault/inrush currents discrimination based on fuzzy/wavelet transform in power transformers. Int. J. Electr. Power Eng. 2012, 6, 100–110. [Google Scholar]
- Monsef, H.; Lotfifard, S. Internal fault current identification based on wavelet transform in power transformers. Electr. Power Syst. Res. 2007, 77, 1637–1645. [Google Scholar] [CrossRef]
- Nicolae, I.D.; Nicolae, P.M. Using Computational Techniques to Improve the Accuracy of Stationary Wavelet Transform Analysis. In Proceedings of the 2020 IEEE International Symposium on Electromagnetic Compatibility & Signal/Power Integrity (EMCSI), Reno, NV, USA, 28 July–28 August 2020; pp. 482–487. [Google Scholar] [CrossRef]
- Nicolae, M.Ş.; Nicolae, P.M.; Marinescu, R.F.; Nicolae, I.D. Evaluating the Instantaneous Components of Fundamental Frequency from Non-stationary Waveforms with SWT. In Proceedings of the 2020 International Symposium on Power Electronics, Electrical Drives, Automation and Motion (SPEEDAM), Sorrento, Italy, 24–26 June 2020; pp. 634–639. [Google Scholar] [CrossRef]
- Nițu, M.-C. Effects of Inrush Current on Operating Transformers when the Series Resonance Condition is Met. In Proceedings of the 2023 Power Quality and Electromagnetic Compatibility at Low Frequency (PQEMC-LF), Craiova, Romania, 28–30 June 2023; pp. 25–28. [Google Scholar] [CrossRef]












Disclaimer/Publisher’s Note: The statements, opinions and data contained in all publications are solely those of the individual author(s) and contributor(s) and not of MDPI and/or the editor(s). MDPI and/or the editor(s) disclaim responsibility for any injury to people or property resulting from any ideas, methods, instructions or products referred to in the content. |
© 2024 by the authors. Licensee MDPI, Basel, Switzerland. This article is an open access article distributed under the terms and conditions of the Creative Commons Attribution (CC BY) license (https://creativecommons.org/licenses/by/4.0/).
Share and Cite
Nițu, M.-C.; Nicolae, I.-D.; Dina, L.-A.; Mircea, P.-M. Power Transformer Inrush Current Analysis: Simulation, Measurement and Effects. Appl. Sci. 2024, 14, 10926. https://doi.org/10.3390/app142310926
Nițu M-C, Nicolae I-D, Dina L-A, Mircea P-M. Power Transformer Inrush Current Analysis: Simulation, Measurement and Effects. Applied Sciences. 2024; 14(23):10926. https://doi.org/10.3390/app142310926
Chicago/Turabian StyleNițu, Maria-Cristina, Ileana-Diana Nicolae, Livia-Andreea Dina, and Paul-Mihai Mircea. 2024. "Power Transformer Inrush Current Analysis: Simulation, Measurement and Effects" Applied Sciences 14, no. 23: 10926. https://doi.org/10.3390/app142310926
APA StyleNițu, M.-C., Nicolae, I.-D., Dina, L.-A., & Mircea, P.-M. (2024). Power Transformer Inrush Current Analysis: Simulation, Measurement and Effects. Applied Sciences, 14(23), 10926. https://doi.org/10.3390/app142310926

