A Ship Trajectory Prediction Model Based on Attention-BILSTM Optimized by the Whale Optimization Algorithm
Abstract
1. Introduction
- In this paper, we employ a bidirectional LSTM structure to enhance the correlation between motion states at different time points in ship trajectory prediction tasks.
- As the impact of the ship’s motion behavior on future trajectories varies during the sailing process, an attention mechanism is introduced into the model to better capture important information in trajectory sequences and preserve more historical context information.
- In order to reduce the influence of manually setting parameters on model accuracy and avoid falling into local optima, we utilize the powerful optimization ability of WOA to optimize the model’s hyperparameters.
- The designed model aims to improve the ship’s safety awareness and perceive collision risks in advance, leaving enough time for the driver to make decisions and reducing the occurrence of collision accidents. Through experiments on a real AIS dataset near the coast, the proposed model is shown to have high accuracy and strong parameter design capabilities, effectively providing information support for intelligent ship navigation.
2. Problem Description and Methods
2.1. Ship Trajectory Pattern Definition
2.2. Prediction and Optimization Methods
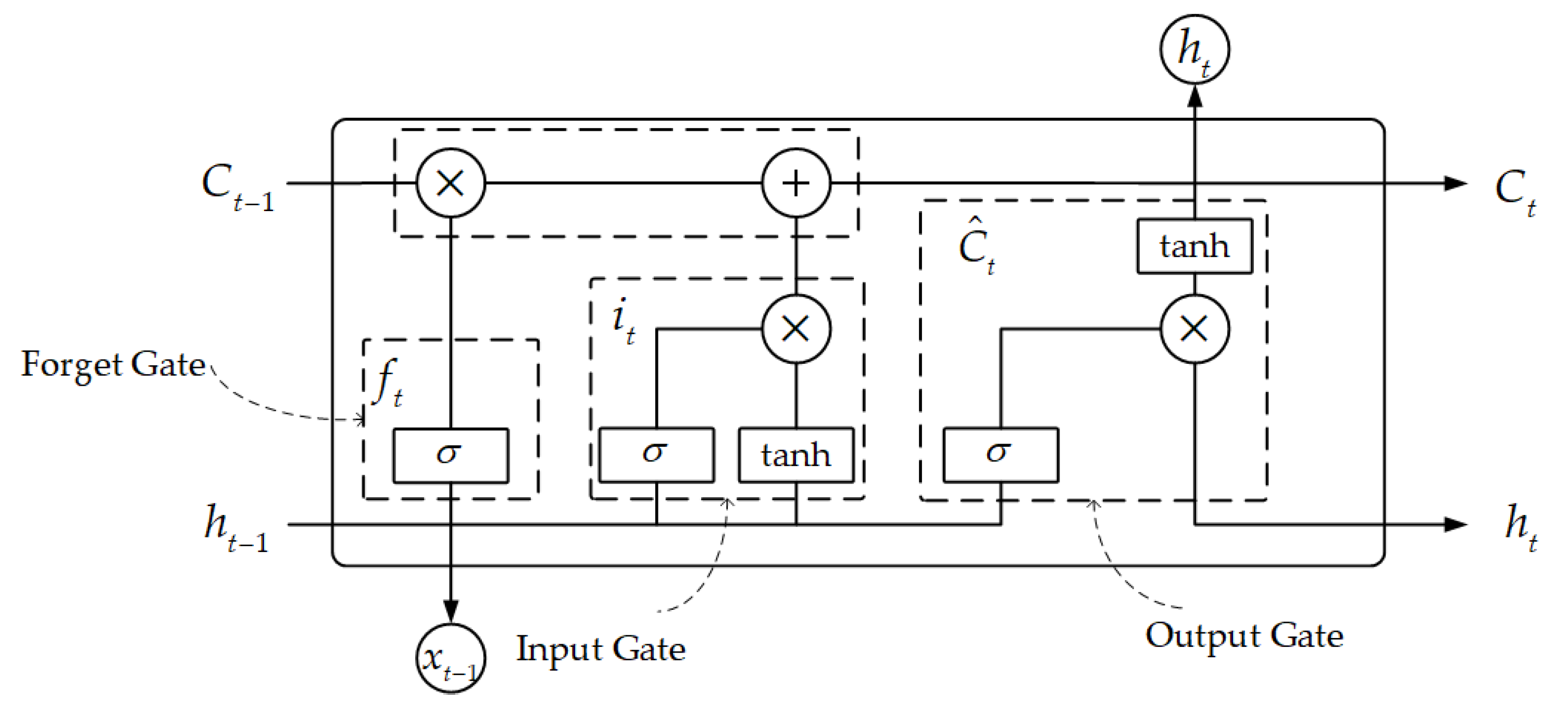
2.2.1. LSTM and BILSTM
2.2.2. Whale Optimization Algorithm
- Surround the prey: After the prey is found, the whales first approach and surround the prey. The fitness value of the whale group is calculated according to the target function, and the position of the whale with the highest fitness value is considered as the position of the target prey, and the other whales move their positions according to the position of the target prey. The target function is the function to be optimized, which can be represented by a loss function. In this stage, the position of the whale is updated according to Equations (8) and (9), where is the position vector of the whale, is the position vector of the whale with the highest current fitness, and is the distance between the whale and the prey. and are coefficients specified in Equations (10) and (11), where and are random vectors in the interval [0, 1]. is a vector decreasing from 2 to 0, as in Equation (12), where is the maximum number of iterations:
- Spiral bubble type attack on prey: During this stage, the whales continue the behavior of the encircling stage. The whales swim according to the position of the whales with the highest fitness in the group, continuously encircling and contracting. During this process, the coefficient vector decreases with the decreasing vector . In addition, the whales swim in a spiral pattern and blow bubbles, at which point the whales spiral to approach their prey based on the distance between the individual and the whale with the best fitness in the group. The spiral swimming pattern can be expressed by Equations (13) and (14), where is the distance vector from the whale’s current position to the prey, b is a constant that determines the degree of spiraling, and l is a random number that takes values in the range [−1, 1]:
- 3.
- Search for prey: In addition to the encircling contraction of whales according to the optimal whale position in the population, there is also a random swimming process of individuals and the whales in this phase move towards the position of random individuals in the population. This stage is the global search process of the algorithm. The random vector determines the swimming direction of the whales: if , the whales search randomly and swim towards the position of the random whale in the population; if , the whales encircle and contract and swim towards the position of the optimal whale in the population. This behavior makes the convergence of the algorithm more global and reduces the probability of falling into a local optimum. The behavior of this stage can be expressed by Equations (16) and (17), where denotes the current position of some random whale.
2.2.3. Attention Mechanism
3. Construction of the WOA-Attention-BILSTM
- First, clean the AIS data, fill in the missing data using cubic spline interpolation, and then resample the data with a time interval of 60 s;
- Normalize and divide data into training and test sets;
- Determine the number of iterations, population size, and individual space dimension of the WOA; determine the learning rate, batch size, epoch, and number of hidden layer units as optimization objects; and determine the lower bound and upper bound for each object;
- Randomly generate the population and obtain the parameters of the initial Attention-BILSTM;
- The Mean Square Error between the target and predicted values of different populations is calculated and used as the fitness in training, and the parameter combination with the smallest fitness is selected as the optimal solution for the global optimal test. To make the parameters obtained by WOA optimization more suitable for Attention-BILSTM, the Mean Square Error in this paper is the weighted Mean Square Error of the training and test sets, as shown in Equation (21);
- 6.
- Start iterations to obtain the Attention-BILSTM network parameters. Update the Attention-BILSTM using the parameters;
- 7.
- Repeat steps 5–6 until the maximum number of iterations is reached;
- 8.
- Output the optimal results, use the obtained optimal network hyperparameters to build Attention-BILSTM for ship trajectory prediction.
4. Model Validation and Results Analysis
4.1. Experimental Environment
4.2. Evaluation Indicators
4.3. Data Processing
- Remove unrealistic ship information (For example, ship speed over ground is too high, latitude and longitude are on land);
- Delete ships with the status of anchored, grounded, moored, or restricted in operation (status 1, 3, 5, 6);
- Delete ships with records less than 200 characters in length or less than 4 h in duration;
- Remove ships with too small a mixed variance in latitude and longitude.
4.4. Prediction Results Analysis
4.4.1. WOA Hyperparameters Selection and Optimization Results
4.4.2. Prediction Results of WOA-Attention-BILSTM Model
5. Conclusions
Author Contributions
Funding
Institutional Review Board Statement
Informed Consent Statement
Data Availability Statement
Conflicts of Interest
References
- Sirimanne, S.N.; Hoffman, J.; Juan, W.; Asariotis, R.; Assaf, M.; Ayala, G.; Benamara, H.; Chantrel, D.; Hoffmann, J.; Premti, A. Review of Maritime Transport 2019; UNCTAD: Geneva, Switzerland, 2019. [Google Scholar]
- Liu, R.W.; Nie, J.; Garg, S.; Xiong, Z.; Zhang, Y.; Hossain, M.S. Data-driven trajectory quality improvement for promoting intelligent vessel traffic services in 6G-enabled maritime IoT systems. IEEE Internet Things J. 2020, 8, 5374–5385. [Google Scholar] [CrossRef]
- Semerdjiev, E.; Mihaylova, L. Variable-and fixed-structure augmented interacting multiple model algorithms for manoeuvring ship tracking based on new ship models. Int. J. Appl. Math. Comput. Sci. 2000, 10, 591–604. [Google Scholar]
- Pallotta, G.; Vespe, M.; Bryan, K. Vessel pattern knowledge discovery from AIS data: A framework for anomaly detection and route prediction. Entropy 2013, 15, 2218–2245. [Google Scholar] [CrossRef]
- Park, J.; Jeong, J.; Park, Y. Ship trajectory prediction based on bi-LSTM using spectral-clustered AIS data. J. Mar. Sci. Eng. 2021, 9, 1037. [Google Scholar] [CrossRef]
- Habib, A.; Akram, S.; Ali, M.R.; Muhammad, T.; Zainab, S.; Jehangir, S. Radio Frequency Identification Temperature/CO2 Sensor Using Carbon Nanotubes. Nanomaterials 2023, 13, 273. [Google Scholar] [CrossRef] [PubMed]
- You, L.; Xiao, S.; Peng, Q.; Claramunt, C.; Han, X.; Guan, Z.; Zhang, J. St-seq2seq: A spatio-temporal feature-optimized seq2seq model for short-term vessel trajectory prediction. IEEE Access 2020, 8, 218565–218574. [Google Scholar] [CrossRef]
- Wang, S.; Huang, M.; Chen, C.; Sun, J.; Ma, F. A Path Planning Method for Ship Collision Avoidance Considering Spatial–Temporal Interaction Effects. Appl. Sci. 2022, 12, 5036. [Google Scholar] [CrossRef]
- Harati-Mokhtari, A.; Wall, A.; Brooks, P.; Wang, J. Automatic Identification System (AIS): Data reliability and human error implications. J. Navig. 2007, 60, 373–389. [Google Scholar] [CrossRef]
- Kim, K.-I.; Lee, K.M. Convolutional neural network-based gear type identification from automatic identification system trajectory data. Appl. Sci. 2020, 10, 4010. [Google Scholar] [CrossRef]
- Liu, R.W.; Liang, M.; Nie, J.; Lim, W.Y.B.; Zhang, Y.; Guizani, M. Deep learning-powered vessel trajectory prediction for improving smart traffic services in maritime Internet of Things. IEEE Trans. Netw. Sci. Eng. 2022, 9, 3080–3094. [Google Scholar] [CrossRef]
- Wu, L.; Xu, Y.; Wang, F. Identifying port calls of ships by uncertain reasoning with trajectory data. ISPRS Int. J. Geo-Inf. 2020, 9, 756. [Google Scholar] [CrossRef]
- Perera, L.P.; Oliveira, P.; Soares, C.G. Maritime traffic monitoring based on vessel detection, tracking, state estimation, and trajectory prediction. IEEE Trans. Intell. Transp. Syst. 2012, 13, 1188–1200. [Google Scholar] [CrossRef]
- Dalsnes, B.R.; Hexeberg, S.; Flåten, A.L.; Eriksen, B.-O.H.; Brekke, E.F. The neighbor course distribution method with Gaussian mixture models for AIS-based vessel trajectory prediction. In Proceedings of the 2018 21st International Conference on Information Fusion (FUSION), Cambridge, UK, 10–13 July 2018; pp. 580–587. [Google Scholar]
- Borkowski, P. The ship movement trajectory prediction algorithm using navigational data fusion. Sensors 2017, 17, 1432. [Google Scholar] [CrossRef] [PubMed]
- Boonsatit, N.; Sohail, M.; Mukdasai, K.; Nazir, U.; Singh, M.; Singh, A.; Mohan, C.R.; Jirawattanapanit, A.; Galal, A.M.; Ali, M.R. Galerkin computational work on thermally enhancement process in complex rheological generalized theory due to 3D-partially ionized rotational flow. Case Stud. Ther. Eng. 2023, 42, 102709. [Google Scholar] [CrossRef]
- Caveney, D. Numerical integration for future vehicle path prediction. In Proceedings of the 2007 American Control Conference, New York, NY, USA, 9–13 July 2007; pp. 3906–3912. [Google Scholar]
- Ristic, B.; La Scala, B.; Morelande, M.; Gordon, N. Statistical analysis of motion patterns in AIS data: Anomaly detection and motion prediction. In Proceedings of the 2008 11th International Conference on Information Fusion, New York, NY, USA, 9–13 July 2008; pp. 1–7. [Google Scholar]
- Grewal, M.S. Kalman Filtering. In International Encyclopedia of Statistical Science; Lovric, M., Ed.; Springer: Berlin/Heidelberg, Germany, 2011; pp. 705–708. [Google Scholar]
- Perera, L.P.; Soares, C.G. Ocean vessel trajectory estimation and prediction based on extended Kalman filter. In Proceedings of the Second International Conference on Adaptive and Self-Adaptive Systems and Applications, Lisbon, Portugal, 21–26 November 2010; pp. 14–20. [Google Scholar]
- Sabir, Z.; Sadat, R.; Ali, M.R.; Ben Said, S.; Azhar, M. A numerical performance of the novel fractional water pollution model through the Levenberg-Marquardt backpropagation method. Arab. J. Chem. 2023, 16, 104493. [Google Scholar] [CrossRef]
- Zhong, C.; Jiang, Z.; Chu, X.; Liu, L. Inland Ship Trajectory Restoration by Recurrent Neural Network. J. Navig. 2019, 72, 1359–1377. [Google Scholar] [CrossRef]
- De Vries, G.K.D.; Van Someren, M. Machine learning for vessel trajectories using compression, alignments and domain knowledge. Expert Syst. Appl. 2012, 39, 13426–13439. [Google Scholar] [CrossRef]
- Ma, L.; Tian, S.; Wu, Z.-J. A 4D trajectory prediction model based on the BP neural network. J. Intell. Syst. 2019, 29, 1545–1557. [Google Scholar]
- Hochreiter, S.; Schmidhuber, J. Long Short-Term Memory. Neural Comput. 1997, 9, 1735–1780. [Google Scholar] [CrossRef]
- Gao, D.-W.; Zhu, Y.-S.; Zhang, J.-F.; He, Y.-K.; Yan, K.; Yan, B.-R. A novel MP-LSTM method for ship trajectory prediction based on AIS data. Ocean Eng. 2021, 228, 108956. [Google Scholar] [CrossRef]
- Wu, Y.; Yu, H.; Du, J.; Liu, B.; Yu, W. An Aircraft Trajectory Prediction Method Based on Trajectory Clustering and a Spatiotemporal Feature Network. Electronics 2022, 11, 3453. [Google Scholar] [CrossRef]
- Ma, J.; Jia, C.; Yang, X.; Cheng, X.; Li, W.; Zhang, C. A data-driven approach for collision risk early warning in vessel encounter situations using attention-BiLSTM. IEEE Access 2020, 8, 188771–188783. [Google Scholar] [CrossRef]
- Xue, H.; Huynh, D.Q.; Reynolds, M. PoPPL: Pedestrian trajectory prediction by LSTM with automatic route class clustering. IEEE Trans. Neural Netw. Learn. Syst. 2020, 32, 77–90. [Google Scholar] [CrossRef]
- Jiang, R.; Xu, H.; Gong, G.; Kuang, Y.; Liu, Z. Spatial-temporal attentive LSTM for vehicle-trajectory prediction. ISPRS Int. J. Geo-Inf. 2022, 11, 354. [Google Scholar] [CrossRef]
- Fischer, T.; Krauss, C. Deep learning with long short-term memory networks for financial market predictions. Eur. J. Op. Res. 2018, 270, 654–669. [Google Scholar] [CrossRef]
- Rath, P.; Mallick, P.K.; Tripathy, H.K.; Mishra, D. A Tuned Whale Optimization-Based Stacked-LSTM Network for Digital Image Segmentation. Arab. J. Sci. Eng. 2023, 48, 1735–1756. [Google Scholar] [CrossRef]
- Mirjalili, S.; Lewis, A. The whale optimization algorithm. Adv. Eng. Softw. 2016, 95, 51–67. [Google Scholar] [CrossRef]
- Han, Q.; Yang, X.; Song, H.; Sui, S.; Zhang, H.; Yang, Z. Whale optimization algorithm for ship path optimization in large-scale complex marine environment. IEEE Access 2020, 8, 57168–57179. [Google Scholar] [CrossRef]
- Zhang, C.; Ji, C.; Hua, L.; Ma, H.; Nazir, M.S.; Peng, T. Evolutionary quantile regression gated recurrent unit network based on variational mode decomposition, improved whale optimization algorithm for probabilistic short-term wind speed prediction. Renew. Energy 2022, 197, 668–682. [Google Scholar] [CrossRef]
- Yang, S.; Yuan, A.; Yu, Z. A novel model based on CEEMDAN, IWOA, and LSTM for ultra-short-term wind power forecasting. Environ. Sci. Pollut. Res. 2023, 30, 11689–11705. [Google Scholar] [CrossRef] [PubMed]
- Guo, H.; Zhou, J.; Koopialipoor, M.; Jahed Armaghani, D.; Tahir, M.M. Deep neural network and whale optimization algorithm to assess flyrock induced by blasting. Eng. Comput. 2021, 37, 173–186. [Google Scholar] [CrossRef]
- Karahalios, H. The contribution of risk management in ship management: The case of ship collision. Saf. Sci. 2014, 63, 104–114. [Google Scholar] [CrossRef]
- Current Status of Maritime Accidents. Available online: https://www8.cao.go.jp/koutu/kihon/keikaku8/english/part2.html (accessed on 8 January 2023).
- IMO. Adoption of New and Amended Performance Standards for Navigational Equipment; IMO: London, UK, 1998. [Google Scholar]
- Zhang, D.; Li, J.; Wu, Q.; Liu, X.; Chu, X.; He, W. Enhance the AIS data availability by screening and interpolation. In Proceedings of the 2017 4th International Conference on Transportation Information and Safety (ICTIS), Banff, AB, Canada, 8–10 August 2017; pp. 981–986. [Google Scholar]
- Haibing, H.; Zheng, X.; Yin, J.; Wang, Y. Research on O-ring dimension measurement algorithm based on cubic spline interpolation. Appl. Sci. 2021, 11, 3716. [Google Scholar] [CrossRef]
- Sang, L.-Z.; Yan, X.-P.; Mao, Z.; Ma, F. Restoring method of vessel track based on AIS information. In Proceedings of the 2012 11th International Symposium on Distributed Computing and Applications to Business, Engineering & Science, Washington, DC, USA, 19–22 October 2012; pp. 336–340. [Google Scholar]













| Data Items | Meaning | Data Examples |
|---|---|---|
| BaseDateTime | Timestamp | ‘2022-01-01T11:44:31’ |
| MMSI | Ship identification code | ‘241734000’ |
| LAT | Latitude | 25.39191° |
| LON | Longitude | −88.54704° |
| SOG | Speed over ground | 11.9 knots |
| COG | Heading over ground | 104.9° |
| Heading | Bow to | 106° |
| Vessel Type | Ship Type | 80 (Oil tanker in enumeration) |
| Status | Sailing Status | 0 (Engine sailing in enumeration) |
| LON | LAT | |
|---|---|---|
| Top Left | −89° | 20° |
| Bottom Right | −75° | 31° |
| Swarm | MAE | RMSE | MAPE (%) | Haversine Distance (km) |
|---|---|---|---|---|
| 30 | 0.0179 | 0.0100 | 0.0061 | 0.6804 |
| 20 | 0.0092 | 0.0051 | 0.0036 | 0.4042 |
| 15 | 0.0125 | 0.0082 | 0.0046 | 0.5013 |
| 10 | 0.0178 | 0.0073 | 0.0045 | 0.4798 |
| Attention-BILSTM Hyperparameters | Search Range | Value |
|---|---|---|
| Learning rate | [0.001, 0.01] | 0.0068 |
| Epoch | [5, 80] | 63 |
| Batch size | [64, 512] | 336 |
| BILSTM hidden layer 1 | [1, 30] | 18 |
| BILSTM hidden layer 2 | [1, 30] | 15 |
| Dense | [1, 100] | 28 |
| MAE | RMSE | MAPE (%) | Haversine Distance (km) | Execution Time (s) | |
|---|---|---|---|---|---|
| BP | 0.0730 | 0.0410 | 0.0182 | 1.9199 | 0.00106 |
| LSTM | 0.2005 | 0.0495 | 0.0382 | 4.2073 | 5.86765 |
| GRU | 0.0531 | 0.0103 | 0.0066 | 0.7245 | 2.25732 |
| BILSTM | 0.0431 | 0.0188 | 0.0107 | 1.2218 | 2.46863 |
| Attention-BILSTM | 0.0169 | 0.0074 | 0.0052 | 0.5666 | 2.24087 |
| CNN-LSTM | 0.0484 | 0.0130 | 0.0095 | 0.9555 | 4.68542 |
| WOA-Attention-BILSTM | 0.0092 | 0.0051 | 0.0036 | 0.4042 | 2.34252 |
Disclaimer/Publisher’s Note: The statements, opinions and data contained in all publications are solely those of the individual author(s) and contributor(s) and not of MDPI and/or the editor(s). MDPI and/or the editor(s) disclaim responsibility for any injury to people or property resulting from any ideas, methods, instructions or products referred to in the content. |
© 2023 by the authors. Licensee MDPI, Basel, Switzerland. This article is an open access article distributed under the terms and conditions of the Creative Commons Attribution (CC BY) license (https://creativecommons.org/licenses/by/4.0/).
Share and Cite
Jia, H.; Yang, Y.; An, J.; Fu, R. A Ship Trajectory Prediction Model Based on Attention-BILSTM Optimized by the Whale Optimization Algorithm. Appl. Sci. 2023, 13, 4907. https://doi.org/10.3390/app13084907
Jia H, Yang Y, An J, Fu R. A Ship Trajectory Prediction Model Based on Attention-BILSTM Optimized by the Whale Optimization Algorithm. Applied Sciences. 2023; 13(8):4907. https://doi.org/10.3390/app13084907
Chicago/Turabian StyleJia, Hongyu, Yaoyu Yang, Jintang An, and Rui Fu. 2023. "A Ship Trajectory Prediction Model Based on Attention-BILSTM Optimized by the Whale Optimization Algorithm" Applied Sciences 13, no. 8: 4907. https://doi.org/10.3390/app13084907
APA StyleJia, H., Yang, Y., An, J., & Fu, R. (2023). A Ship Trajectory Prediction Model Based on Attention-BILSTM Optimized by the Whale Optimization Algorithm. Applied Sciences, 13(8), 4907. https://doi.org/10.3390/app13084907
