Abstract
Electric vehicles (EVs) are universally recognized as an incredibly effective method of lowering gas emissions and dependence on oil for transportation. Electricity, rather than more traditional fuels like gasoline or diesel, is used as the main source of energy to recharge the batteries in EVs. Future oil demand should decline as a result of the predicted rise in the number of EVs on the road. The charging infrastructure is considered as a key element of EV technology where the recent research is mostly focused. A strong charging infrastructure that serves both urban and rural areas, especially those with an unstable or nonexistent electrical supply, is essential in promoting the global adoption of EVs. Followed by different EV structures such as fuel-cell- and battery-integrated EVs, the charging infrastructures are thoroughly reviewed in three modes, specifically—off-grid (standalone), grid-connected, and hybrid modes (capable of both standalone and grid-connected operations). It will be interesting for the readers to understand in detail several energy-source-based charging systems and the usage of charging stations for different power levels. Towards the improvement of the lifetime and efficiency of EVs, charging methods and charging stations in integration with microgrid architectures are thoroughly investigated. EVs are a multi-energy system, which requires effective power management and control to optimize energy utilization. This review article also includes an evaluation of several power management and control strategies followed by the impact assessment of EVs on the utility grid. The findings and the future research directions provided in this review article will be extremely beneficial for EV operators and research engineers.
1. Introduction
The government, industry, and academia are actively promoting the development of an electric vehicle (EV)-based transportation system. This system utilizes renewable energy or the electric grid for charging purposes. The primary objective is to address the increasing environmental concerns associated with daily transportation, which currently contributes to 25–30% of India’s greenhouse gas emissions. By adopting EVs, there is a significant reduction in the consumption of fossil fuels. Worldwide governments are actively promoting the EV industry by implementing subsidies and legislation. This is in response to consumer demand for low-emission transportation options as a viable alternative to conventional fossil-fuel-powered vehicles. The motivation behind this shift is the recognition that fossil-fuel-based transportation poses significant risks to the environment and the planet. EVs offer several positive societal consequences, including enhanced safety, improved public health, a thriving domestic economy, and a cleaner and safer environment. Many nations are transitioning to renewable energy sources due to the advantages they offer in terms of both environmental sustainability and economic viability. Fossil fuels, due to their significant contribution to carbon dioxide (CO2) emissions, present a substantial risk to the Earth’s ecosystem. Figure 1 depicts the proportional distribution of CO2 emissions contributed by different sectors, as classified by the International Energy Agency (IEA). The sectors encompassed are the electricity and heat sector, the transportation sector, the industry sector, the residential sector, and various other areas [1,2,3,4].
Figure 1.
The percentage contribution of CO2 emissions by different sector.
Currently, every nation is diligently employing various measures to safeguard the environment. The presence of a clean environment is crucial for the existence of human life, rendering it inconceivable to envision a world devoid of such conditions. In addition, it is important to note that the availability of fossil fuels is finite and gradually depleting daily. Currently, there is a global focus on EVs to address various significant concerns. EVs are widely recognized as a highly efficient mode of transportation owing to their ability to produce zero residual emissions. Due to several advantage of EVs, it is projected that, by the year 2030, the number of EVs on the road will exceed 100 million, driven by an increasing awareness among individuals regarding the benefits associated with these vehicles [5]. The EV industry in Asia is projected to experience significant growth as multiple countries implement measures to promote the adoption of EVs, reduce emissions, and attract investments in EV manufacturing facilities. By the year 2022, it is projected that the number of non-electric vehicles in operation on Indian roads will reach 278,169,631 while the number of EVs will be 1,334,385. The information was acquired from the e-Vahan portal, which is managed by the Ministry of Road Transport and Highways. Figure 2 presented below offers comprehensive data regarding the sales figures of EVs in India and worldwide [6,7].
Figure 2.
EV sales scenario in (a) Indian market and (b) World market.
To successfully achieve the future-oriented goal of EV sales, a significant charging infrastructure and significant electric energy generation must be developed. Additionally, the electricity required for EV charging is produced exclusively from clean and renewable energy sources. Because generating electricity from burning fossil fuels just changes the source of emissions from cars to power plants, it does not result in a reduction in emissions. Hence, the mitigation of pollution and the subsequent environmental benefits can be achieved through the utilization of renewable energy sources for electricity generation. Solar photovoltaic (PV) generation, along with other renewable energy sources like wind energy, hydro energy, and fuel-cell-based energy, is considered the most viable option for EV charging due to its widespread availability in both rural and urban areas [8,9,10]. The availability of the product is extended throughout a significant duration of the year on the Indian subcontinent. Wind energy and hydro energy, unlike solar PV arrays, rely on geographical factors. Wind power is typically most suitable for coastal regions, whereas hydro power is more practical for inland areas. Additionally, solar power is readily available on the Indian subcontinent for a significant portion of the year. The development of a charging infrastructure is crucial in facilitating the accessibility of EVs for individuals. An efficient and proper charging infrastructure is essential for realizing the full potential of EVs [11,12].
Electric vehicles consist of various emerging manufacturing technologies, including an electric motor, a battery, and a charging facility. As a result, they have become an essential component of modern transportation systems. Nevertheless, the transition to EVs is not advancing at the anticipated pace. The limited driving range and extended charging durations of EVs are widely recognized as the primary barriers hindering their widespread adoption [13]. EVs typically have a higher initial cost compared to their gasoline-powered counterparts. However, they offer the advantage of requiring significantly less energy for operation and producing lower emissions. The significant increase in demand for EVs and the corresponding rise in EV charging infrastructures have led to extensive discussions among research institutions and energy supply companies on how to mitigate the strain on local electrical networks. This is due to the expanding number of EV charging stations [14,15]. EV charging stations can potentially leverage renewable energy sources such as wind and solar power to assist local electricity networks in compensating for any deficiencies. Several key global factors are contributing to the swift growth of EVs. The progress in electric motor and electronic control system technologies has led to the direct control of EV propulsion. Additionally, there have been notable advancements in supporting technologies for EVs, including grid-to-vehicle (G2V) and vehicle-to-grid (V2G) systems [16].
An increasing public awareness and commitment to addressing climate change have been observed [17]. Commercial vehicle electrification is a crucial area of research due to its potential to significantly reduce CO2 emissions [18,19]. The primary focus of commercial vehicle research in the field of electrification has been on hybridization. This is primarily due to considerations such as battery capacity, EV range, and the limited availability of public charging infrastructure [20,21]. Light-duty trucks (LDTs) have demonstrated a successful conversion without significant alterations to travel behavior [22]. As a result, they have become the primary focus for the initial implementation of zero-emission commercial electric vehicles (CEVs), such as electric trucks (ETs). Advancements in lithium battery technology [23] have facilitated the technical and economic feasibility of electric trucks when compared to diesel and alternative-fuel trucks [24]. In their study, Chaudhari et al. [25] introduced a hybrid optimization model that aims to effectively manage battery storage in order to maximize the utilization of power generated by a solar PV array, while simultaneously minimizing the operational expenses associated with the control system. In their study, Kandasamy et al. [26] investigated the underlying factors contributing to the premature failure of a storage battery within a solar photovoltaic (PV) array system installed in a commercial building. The wind-energy-driven charging station (CS) is advantageous for EVs due to its availability both during the day and at night. A plethora of papers pertaining to this field can be found [27,28,29]. The infrastructure and control mechanism for PV, wind, and fuel-cell-based EV charging are detailed in Reference [30]. In their study, Ugirumurera and Haas [31] discussed the significance of renewable energy in ensuring the sustainable future of EV charging stations. In their study, Chandra Mouli et al. [32] successfully charged solar-powered vehicles using a high-powered bidirectional EV charger. The charger in question does not support AC charging. In their study, Monteiro et al. [33] incorporated a three-port converter for the purpose of establishing a connection between a photovoltaic array and an EV charger. The design of the charger did not take into account the distortions in the grid current. Singh et al. [34] have introduced a modified z-source converter that can be utilized in the development of a PV array/grid-connected EV charger. However, the charger was not designed to operate in island mode. Due to its limitations, the system lacks the capability to facilitate EV charging in off-grid locations. The PV-array-based charging station was introduced by Singh et al. [35] to offer various functionalities in vehicle-to-grid (V2G) systems. These functionalities include the provision of a charging facility, reactive/active power support, active power filtering, and the enabling of vehicle-to-home operation. In their study, Saxena et al. [36] constructed a grid-tied photovoltaic (PV) array system designed specifically for residential applications and integration with EVs. In their study, Razmi and Doagou-Mojarrad [37] introduced a power management technique for a residential integrated PV-storage battery system. This technique allows for both grid-connected and off-grid operation, and incorporates multimode control. The concept of integrating a smart house system with an EV as a storage device has been proposed. This system enables vehicle-to-home and vehicle-to-gadget (V2G) operations, providing advantages for both utility companies and consumers [38,39,40]. Renewable-energy-based charging stations are considered the most viable solution for the charging of EVs. However, their integration into the existing charging system necessitates an additional power conversion stage. This, in turn, leads to an increase in system complexity and power loss. Furthermore, it is imperative to integrate the current control system with the controllers dedicated to each stage of the conversion process. Hence, the establishment of a cohesive control and co-ordination mechanism is imperative for facilitating the development of a versatile and multifaceted operational integrated system [41]. The proliferation of EVs has given rise to various challenges within the domains of energy, transportation, and manufacturing. The development of charging platforms and infrastructure is necessary to facilitate the charging of EVs, both in residential settings and public locations. With the growing prevalence of EVs in circulation, there arises a pressing requirement to allocate resources towards the development of an intelligent grid infrastructure. The significant dimensions of EV batteries result in substantial power consumption during the charging process [42]. The existing body of literature provides various recommendations for mitigating the impact of EV charging on the distribution system. There are two primary categories of mitigation methods. The initial approach involves the implementation of time-of-use (TOU) pricing by utilities to discreetly manage EV charging [43,44]. This approach incentivizes EV owners to charge their vehicles during non-peak hours by reducing electricity rates during off-peak periods in a time-of-use pricing framework [45]. The utilization of this technique results in a significant reduction in peak load demand, thereby mitigating concerns related to transformer overloading and heating. The second strategy involves the utilization of smart charging algorithms by utilities to actively control the rates and start times of EV charging [46]. The advantages of an EV charging system encompass the optimization of customer benefits and enhancement of utility benefits through the strategic scheduling of EV charging during off-peak-load hours. These are some of the articles whose contributions are highlighted here, but there are many more in which numerous experts in the field of EVs have produced high-caliber work. Currently, the field of research pertaining to EVs and their associated charging infrastructure is experiencing significant growth and development. Even so, EVs will encounter several difficulties, which have been explained further.
Challenges to the Widespread Adoption of EVs
In addition to the inherent advantages of electric vehicle (EVs), there are several challenges that must be acknowledged. Without eliminating them, it will be difficult to make EVs a staple in the lives of most people. In the present era, a significant emphasis is being placed by the vehicle industry, researchers, and institutions on EVs, with the primary objective of enhancing their performance, reliability, and safety. The analysis of the impact on the existing electric infrastructure due to the introduction of EVs is currently underway. As the popularity of EVs continues to grow in the transportation sector, it is anticipated that the existing grid system will undergo significant advancements in order to accommodate this shift [47,48]. Figure 3 illustrates the barriers to EV adoption.
Figure 3.
Major challenges to the widespread adoption of EVs.
In addition to the challenges, there exist a multitude of other barriers that contribute to the suboptimal utilization of EVs for transportation purposes. Some of the most significant challenges that must be addressed before the widespread adoption of EVs may occur are discussed below:
Range Anxiety: One of the primary concerns among prospective EV buyers is the restricted driving range offered by these vehicles. The phenomenon known as “range anxiety” pertains to the apprehension that an EV may exhaust its energy reserves prior to reaching its intended destination. EVs differ from internal combustion engine (ICE) vehicles in terms of their limited driving range. Consequently, EVs necessitate frequent recharging during long-distance journeys, which can be perceived as inconvenient. Despite recent advancements in battery technology that have extended the range of EVs, significant challenges persist in terms of their limited travel distance between charging sessions. Moreover, the operational range of an EV may experience a reduction when utilized in conjunction with energy-intensive equipment or during inclement weather conditions.
High Initial Cost: A significant drawback is the elevated cost associated with the acquisition of EVs. EVs generally incur higher costs compared to ICE vehicles due to the necessity of utilizing more costly battery technology. Despite the ongoing advancements in technology and economies of scale, the cost of EVs remains a deterrent for potential consumers. The replacement or repair of EV batteries incurs significant expenses, thereby contributing to the overall cost of ownership.
Insufficient charging infrastructure: The absence of a dependable charging infrastructure poses a significant obstacle for EVs. This phenomenon is particularly evident in underdeveloped regions or countries, where the scarcity of charging stations poses a significant deterrent for drivers considering the adoption of EV. The absence of charging infrastructure raises additional concerns regarding the range. Concerns may arise among EV drivers regarding the availability of charging stations when embarking on long-distance journeys.
Battery Technology Constraints: The selection of battery technology plays a crucial role in determining the practicality and feasibility of EVs. Significant advancements have been made in battery technology; however, notable constraints still exist within the current state of the art. The energy density of battery technology currently falls significantly short when compared to that of liquid fuels utilized in internal combustion engine (ICE) vehicles. When estimating the range of an EV, it is crucial to take this factor into account. In addition, the duration needed for recharging a battery is significantly greater compared to the duration needed for refueling a vehicle equipped with an internal combustion engine. The presence of these constraints poses a challenge in achieving comparable levels of ease and variation.
Overloaded Power Grids: One additional obstacle to the widespread adoption of EVs pertains to the possibility of overburdening the power grid as a result of increased usage. In instances of abrupt surges in electricity usage, the power system may experience difficulties in meeting the required capacity. The increase in the utilization of the power grid can be attributed to the growing popularity of plug-in EVs. The occurrence of power outages and other issues may lead to a decrease in the reliability of the power system. Additionally, there may be a range of other issues that could arise.
Inadequate Critical Minerals Supply: The insufficient availability of minerals and rare earth metals required for EV infrastructure poses a significant challenge to the extensive implementation of EVs. Significant quantities of these minerals play a crucial role in the manufacturing of batteries for EVs and other related components. However, it is important to note that there is a limited worldwide availability of these minerals, and the demand for them is growing at a fast pace due to the increasing number of EVs being used. The potential disruption of the supply chain and subsequent cost escalation faced by EV manufacturers may pose a significant obstacle to the widespread adoption of these vehicles.
Currently, there is a growing demand for EVs, which has led to various challenges that individuals are actively addressing in order to mitigate them. In addition to the challenges associated with EVs, there are also emerging opportunities that hold significant importance for the progress of any nation [49]. Figure 4 illustrates the challenges and opportunities associated with EVs.
Figure 4.
Different challenges and opportunities with electric vehicles.
In addition to this challenge, there exist numerous other challenges that, if not adequately addressed, will severely restrict the prospects of EVs in the transportation industry. In order to effectively address these issues, it is imperative to engage in comprehensive discussions. This review paper provides an analysis of various aspects related to EVs, encompassing their charging infrastructure, current solutions, and associated challenges. Furthermore, this review presents an analysis of the effects that EVs have on our existing system, along with potential avenues for enhancement.
Significant Contributions:
The outline of the contributions of this review paper is as follows:
- Basic introduction of the overall system existing and its challenges;
- Different EV technologies and their architectures;
- EV battery chargers and their classification;
- Different battery-charging topologies used in EV application;
- Classification of different charging infrastructures for EVs;
- Different types of control techniques and energy management strategies used in EV application;
- Impact assessment of EVs;
- Direction for further research in EV technologies.
There are nine distinct sections in the manuscript, beginning with an introduction section, which offers a thorough examination of the broad adoption of electric vehicles (EVs), as well as a summary of EV technology’s prospective benefits and remedies. In Section 2, various EV designs are thoroughly studied and compared. Also, a comprehensive analysis of powertrains is included that considers a wide range of factors, including efficiency, cost, mobility, environmental impact, and more. The designs used in EV battery chargers are disclosed in detail in Section 3. In this section, EV chargers are categorized based on their individual features and capabilities. Several types of EV chargers available, as well as an in-depth examination of the benefits and drawbacks of each, are discussed. In Section 4, various strategies used to charge EV batteries are examined. In order to have a complete grasp on EVs, one must be familiar with the various charging methods and their advantages and disadvantages. Attention is being paid to the EV charging infrastructures. Section 5 analyzes several options for the EV charging infrastructure and discusses the impact of integrating EVs with the utility grid. Energy management and control systems for EVs are dissected in Section 6. The impact assessment of EVs is thoroughly discussed in Section 7. This section focuses on the effects on the power system, the economy, and the environment, including many implications and possible solutions. In Section 8, the pros, and cons of driving an EV and challenging issues are laid out in detail. Finally, the conclusion and recommendation in Section 9 for future research gives a broad direction pertinent to EV operators and research engineers.
2. Electric Vehicle Technology
The primary problem with internal combustion engine (ICE) vehicles is their dependence on fossil fuels, which leads to energy security concerns and increases in CO2 emissions. Considering the strain on fossil fuels and the rise in CO2 emissions, EVs lessen the need for transportation fueled by crude oil and cut back on emissions of greenhouse gases. As indicated in Figure 5, vehicle technology usually has four primary categories. Electrification increases from left to right. When burned, gasoline and diesel fuel are among conventional vehicles’ largest single producers of atmospheric carbon dioxide. As a result, hybrids produce fewer carbon emissions than cars powered by internal combustion engines. The third and fourth categories are zero-emission vehicles using hydrogen fuel cells and batteries, respectively [50,51].
Figure 5.
Primary categories for electric vehicle technology.
2.1. Fuel Cell Electric Vehicle (FCEV)
A fuel cell electric vehicle (FCEV) is like an EV with an electric powertrain. Still, it uses hydrogen stored in a fuel cell tank instead of electricity. The absence of exhaust fumes means that this car produces no harmful emissions. The FCEV is divided into two categories: the fuel cell electric vehicle and the fuel cell hybrid electric vehicle (FCHEV), denoting the two distinct powertrain configurations available. Figure 6 displays a simple FCEV design diagram.
Figure 6.
Block diagram of fuel cell electric vehicle (FCEV).
The FCEV shines in applications that require constant power at modest speeds, such as buses, forklifts, trams, etc. FCEV producers like Hyundai, Toyota, and Honda produce high-performance vehicles in terms of fuel economy and vehicle efficiency by implementing a wide range of energy management strategies [52]. Table 1 summarizes the various aspects of the FCEV.
Table 1.
Analysis on several aspects of fuel cell electric vehicles.
2.2. Hybrid Electric Vehicle (HEV)
A hybrid electric vehicle (HEV) can obtain its power from either an internal combustion engine (ICE) or a battery pack. The HEV is a dual-power-source vehicle since it can operate on both gasoline and electricity. HEVs are superior for driving in urban areas since their batteries can be recharged while braking. Driving in the city necessitates frequent starting and stopping of the car. Thus, HEVs are optimal for driving in urban areas. HEVs seem to be the most cost-effective alternative for at least the next decade, as completely electric vehicles are still in their infancy. The ICE engine and electric motor of the HEV are optimized to reduce wasted energy and pollution. The fuel economy and performance of HEVs have greatly increased, making them more environmentally friendly and more financially viable. The disadvantage of the battery is its high purchase price [53]. The basic design of the hybrid electric car is depicted in Figure 7.
Figure 7.
Block diagram of hybrid electric vehicle.
The drivetrain transfers power from the vehicle’s source (battery or engine) to the wheels. All-electric vehicles can be powered by series hybrids, parallel hybrids, or series–parallel hybrids. Electric motors obtain their juice from series drivetrains. A series drivetrain only uses the internal combustion engine to power the motor, while a parallel drivetrain uses both the ICE and the motor to propel the vehicle. However, the series–parallel hybrid presents drawbacks from both propulsion systems. The Prius from Toyota is a series–parallel hybrid system. The different features of the HEV are summarizes in Table 2.
Table 2.
Analysis on several aspects of hybrid electric vehicles.
2.3. Plug-in Hybrid Electric Vehicle (PHEV)
A plug-in hybrid electric vehicle (PHEV) is a vehicle in which the electric motor is driven by a battery and the internal combustion engine is powered by a different fuel, such as gasoline or diesel. PHEVs often have larger battery packs than conventional hybrid EVs. With a larger battery pack, the car can be operated mostly on electricity for shorter trips. Long-distance travels do not have to drain the battery of a plug-in hybrid EV because it may run on liquid gasoline stored in its tank. Depending on the driving mode, the vehicle’s on-board computer will decide when and how much fuel to use [54]. As seen in Figure 8, a basic plug-in hybrid EV layout is depicted. Table 3 presents a comprehensive summary of PHEV.
Figure 8.
Block diagram of plug-in hybrid electric vehicle.
Table 3.
Analysis on several aspects of plug-in hybrid electric vehicles.
2.4. Battery Electric Vehicle (BEV)
The fully electric vehicle’s only source of electricity is its battery pack. To put it another way, EVs are more effective than HEVs at reducing greenhouse gas emissions and thereby combating global warming. EVs have a regenerative braking system that converts the kinetic energy created as the vehicle slows down back into electrical energy that can be stored in the battery. Therefore, EVs are preferable for city driving because of all the frequent stops and starts, which allow the vehicle to recuperate part of the kinetic energy it expends [55]. The fundamental layout of a battery-powered vehicle is depicted in Figure 9. The results of the study of BEV observation are shown in Table 4.
Figure 9.
Block diagram of battery electric vehicle (BEV).
Table 4.
Analysis on several aspects of battery electric vehicles.
2.5. Comparative Analysis of Different Electric Vehicle Technologies
EV technology has rapidly evolved since its first iteration in the late 19th century. The current market offers a wide variety of technologies, ranging from traditional ICE to the more modern hybrid electric, plug-in hybrid electric, and battery EV systems, and fuel cell electric vehicles [56]. An overall comparative analysis of each type of EV with its advantage and disadvantage is illustrated in Table 5.
Table 5.
Comparative analysis of different electric vehicle technologies.
Overall, each type of EV technology has its own advantages and disadvantages, and it is up to the consumer to decide which type best suits their needs. Ultimately, the best EV for any given situation will depend on the individual user’s budget, goals, and lifestyle.
3. EV Battery Chargers and Their Architectures
Electric vehicles (EVs) consist of two primary components: the battery and the charging topology. There are two main categories of EV charging facilities: on-board charging and off-board charging. EV battery chargers can be further categorized based on their power flow designs, which can be either unidirectional or bidirectional [56]. Additionally, these chargers can be classified as either on-board or off-board. The initial approach of employing unidirectional charging is logical due to its ability to eliminate hardware requirements, streamline connection considerations, and mitigate battery degradation. The ability of a bidirectional charging system to deliver stable power relies on its efficient power conversion, ability to charge from the grid, and capability to inject battery energy back into the grid. High power cannot be provided by typical on-board chargers due to restrictions in weight, space, and price. One potential solution to mitigate these challenges is to integrate an electric drive system in conjunction with the existing components [57,58]. Figure 10 depicts the schematic representation of the on-board and off-board charging infrastructure for EVs.
Figure 10.
Block diagram of on-board and off-board charging system for electric vehicles.
Additionally, EV chargers can be categorized according to the energy source, charger installation, charging level, and cable types. Figure 11 depicts the diverse architectures of EV battery chargers, categorized based on their distinct characteristics [59].
Figure 11.
Different architectures of EV battery chargers.
3.1. Based on Power Flow
The EV charger can be either unidirectional or bidirectional, depending on the direction of the power flow. Unidirectional chargers are used for charging EVs, and bidirectional chargers are used for both charging and discharging. Bidirectional chargers can be used for vehicle-to-grid (V2G) applications, where electricity stored in the EV battery is used to feed power back into the grid [60].
Unidirectional Charger: The most popular type of EV charger is a unidirectional charger. In one-way charging, electricity is supplied from the grid to the EV and does not flow back. Most EV drivers have experience with this type of charger. In unidirectional charging, electricity is supplied solely from the grid to the EV. In most cases, the unidirectional charger is used for home charging and public charging stations since it is easy to implement and inexpensive to maintain.
Bidirectional Charger: The bidirectional EV charger is a newer type of EV charger that facilitates two-way electricity flow. This means that an EV can be used to charge up from the grid and then discharge the energy back into the grid later when it is no longer needed. Both the EV and the grid can benefit from a bidirectional charger’s ability to send and receive power. A bidirectional charger can serve as a backup power source in the event of an outage or be used for charging at home. There are several advantages to bidirectional charging over traditional unidirectional charging, including improved efficiency and dependability in terms of both energy use and business operations. However, there are also drawbacks to bidirectional EV charging, including a large initial investment, incompatibility with EVs, and obstacles posed by regulators. When compared to the conventional one-way EV charger, the bidirectional charger has many advantages. But before broad use of bidirectional EV charging can occur, there are various obstacles that must be overcome.
Table 6 presents a comparative analysis of unidirectional and bidirectional chargers. This comparative analysis offers a concise examination of the differences between unidirectional and bidirectional chargers.
Table 6.
Comparative analysis of on unidirectional and bidirectional chargers.
3.2. Based on the Charger Installation
The charger for on-board charging is situated internally within the EV. In the case of off-board charging for EVs, the charger is positioned at a designated location to facilitate the connection and power transfer between the EV and the charger. The on-board charging method is typically characterized by a slower charging rate, while the off-board charging method is known for its faster charging capabilities. The inclusion of fast chargers as an on-board option for EVs is restricted due to the increased cost of electrical components necessary for energy conversion, which subsequently raises the overall price of the EV. Nevertheless, the cost of high-power electronics in EVs and the requirement to enhance the car’s charger capacity pose limitations on the ability of on-board chargers to deliver rapid EV charging. In order to facilitate rapid recharging for EVs, a high-DC-power off-board charger is employed [61].
3.2.1. On-Board Charger
The battery of an EV has the capability to be recharged while still on the vehicle itself by establishing a connection to an external power source, such as a wall outlet. In this technology, the battery is commonly charged utilizing either direct current (DC) or alternating current (AC). In addition to home charging and recharging stations, it serves as a primary method for recharging an EV. On-board charging is a common practice for EVs in public parking lots and on roads equipped with charging infrastructure. EV batteries are charged through the utilization of on-board chargers. Each type of product/device/system, varying in size and power output, possesses its own unique set of advantages and disadvantages [62]. There are three primary types of on-board chargers that are commonly used: bidirectional chargers, AC chargers, and DC chargers.
- AC Chargers: The AC charger is typically the most expensive and time-consuming type of on-board charger. They can only charge vehicles with a certain amount of capacity because they have a limited power output. On the plus side, AC chargers can be used with almost any kind of vehicle and are adaptable.
- DC Chargers: Compared to AC chargers, DC chargers are significantly less expensive and typically offer quicker charging times. They can charge cars with larger batteries because they are typically more powerful. They are not adaptable, however, and they might not work with all kinds of vehicles.
- Bidirectional Chargers: The most cutting-edge on-board charger, offering the highest power output and charging speed, are bidirectional chargers. The most versatile kind of charger, they can charge stationary batteries as well as EVs. However, they are also the costliest and most maintenance-intensive type of charger.
In order to enhance the efficiency of on-board charging systems, researchers have devised multiple applications for on-board charging. On-board charging technology enables EVs to replenish their battery power while in motion. By leveraging this technology, the range of EVs can be extended, thereby eliminating the need for frequent charging stops. The system operates by converting the kinetic energy generated by the vehicle’s movement into electrical energy. This electrical energy is subsequently stored in the vehicle’s battery with the assistance of an on-board charger. The increasing popularity of this technology can be attributed to its ability to allow EVs to travel long distances without the need for frequent charging stops.
Limitations of On-Board Chargers:
- Restricted Input Power: On-board chargers are normally limited to a maximum of 20A or 40 A, depending on the size of the car. This suggests that the charger can only receive a certain amount of power from the wall outlet. Due of this, charging the car quickly may be difficult, especially if you are using a low-amp outlet.
- Limited Charging Speed: On-board chargers can only charge at a maximum rate of 6–8 kW, depending on the model. This means that it can take some time for the car to finish charging, especially if you are using a sluggish outlet.
- Limited Compatibility: On-board chargers often only work with specific car types, which makes them a bad choice if you want to charge a variety of cars.
- Size Restriction: On-board chargers can be substantial and take up a lot of space in a vehicle’s trunk. This can be a problem if your storage capacity is limited.
- Heat Generation: As the battery is being charged, on-board chargers may generate heat, which could hurt the battery and reduce its effectiveness.
3.2.2. Off-Board Charger
Off-board charging technology, a type of EV charging technology, enables electric automobiles to be charged remotely from the vehicle. The technology that is widely used in public charging stations allows EVs to be charged while parked in a public area. Off-board charging technology allows EVs to be charged inside of private residences when parked in a garage or driveway. Off-board charging technology frequently uses an AC or DC power supply, depending on the sort. Off-board charging systems are frequently more efficient than on-board charging systems, despite being able to power multiple vehicles at once and enabling shorter charging times [63].
Limitations of Off-Board Chargers:
- Limited Range: The length of the power cord determines how far an off-board charger can travel. This may make it challenging to charge vehicles in locations far from a power source.
- Cost: Because off-board chargers need specialized hardware and installation, they can be pricey.
- Limited Availability: Off-board chargers may not always be accessible in all areas, and, in some places, the infrastructure required to use them may not be present.
- Installation: Setting up an off-board charger can be time- and labor-intensive.
- Risk of Overcharging: There is a chance that the off-board charger will overcharge the battery, which could result in damage.
- Safety: Compared to on-board chargers, off-board chargers present a greater risk of shock or electrocution.
A comparative analysis of on-board chargers and off-board chargers is shown in Table 7. This table shows a critical analysis between both types of chargers and helps to select the best charger for EVs.
Table 7.
Comparative analysis of on-board chargers and off-board chargers.
3.3. Based on the Level of Charging
EV chargers can be classified into three distinct categories based on the power they provide. These categories are referred to as Level 1, Level 2, and Level 3. EV charging is typically performed in a garage during overnight hours by connecting the vehicle to a standard household outlet and utilizing a Level 1 charger, which operates at a slower charging rate. Level 2 charging, which necessitates a 240-volt outlet, is frequently regarded as the prevailing approach for both private and public facilities. The various charging stations are based on charging power level listed in Table 4. In public and commercial applications, such as gas stations that utilize Level 3 and DC rapid charging, it is customary to develop three-phase solutions. Public Level 2 and Level 3 chargers are available in various establishments, including gas stations, parking garages, malls, hotels, rest stops, movie theatres, and restaurants. One potential solution to mitigate the issue of decreased range is the establishment of public charging stations. Table 8 presents a comprehensive analysis of the different charging levels, highlighting their specific characteristics and features. This breakdown simplifies the process for users to determine the optimal charging intensity based on specific conditions [64].
Table 8.
Charging station classification based on charging power level.
3.4. Based on Energy Source
According to the energy source that is available, EV chargers can be split into two categories: AC chargers and DC chargers. Alternating current electricity is used to power AC chargers, which are frequently found in homes. DC chargers, on the other hand, are more common in public places and are powered by direct current [65].
AC charging: For electric vehicles, AC charging is the most common type of charging. In order to facilitate AC charging, it is imperative that the energy derived from an AC power source undergoes conversion to DC prior to its transmission to the vehicle’s battery pack. The charging process using this particular method is generally characterized by a slower pace compared to DC charging, and it takes approximately 4 to 8 h to achieve a full charge. Typically, AC charging is accomplished through the utilization of either a standard wall outlet or a specialized charging station. However, Table 9 explores further the specific benefits and drawbacks of this method.
Table 9.
Critical analysis of benefits and drawbacks of AC charging.
DC charging: Electric car recharging using DC charging is a relatively recent technique. Power from a DC power source needs to be taken and supplied directly to the vehicle’s battery pack for DC charging to work. This technique of charging is far quicker than the standard AC method, taking only 15 min to 1 h to fully charge a battery. Typically, DC charging is facilitated through the utilization of a specialized station. The benefits and drawbacks of DC charging are analyzed critically in Table 10.
Table 10.
Critical analysis of benefits and drawbacks of DC charging.
3.5. Based on Connector Type
The infrastructure required for EV charging must include EV charging connectors, sockets, and plugs. Certain hardware is needed to facilitate recharging at EV charging stations. There is a wide variety of plugs and sockets used to recharge the batteries of EVs, and these vary depending on the charging station, country, and manufacturer of the EV. As a result, it is crucial to have a complete understanding of the many connector socket types that are offered globally. EV connections can be split into two categories: AC connections and DC connectors. This classification is based on the type of charging station that is provided and the requirements for the power supply [66]. The numerous EV connector types used by various nations are represented in Table 11.
Table 11.
Different types of connectors used in EV application throughout world.
3.6. Different Phase of Charger
Electric vehicle charging equipment can be either single-phase or three-phase and can provide either unidirectional or bidirectional power flow. Three-phase chargers are utilized in public EV charging stations for faster charging while single-phase chargers are typically used for indoor or residential charging applications [67].
Single-Phase Charger: The most common type of chargers used in EVs are single-phase chargers. They have emerged as the preferred option for domestic charging because of their low cost and ubiquitous availability, making them the most economical option. Single-phase chargers allow for the slow-motion charging of EVs at a rate of up to 7 kW. Because it enables the battery to fully charge before morning, this charging technique is ideal for overnight use. The benefits and drawbacks of Single-Phase Charger are analyzed critically in Table 12.
Table 12.
Critical analysis of benefits and drawbacks of Single-Phase Charger.
Three-Phase Charger: The optimization of the charging output in EVs can be achieved through the utilization of a three-phase charger, which has the potential to deliver a maximum power of 22 kW. Compared to their single-phase counterparts, three-phase chargers are relatively costlier and necessitate a power source that has three phases. The expeditious charging capabilities of said charging stations are widely acknowledged, as they possess the capacity to fully charge an EV within a concise timeframe. Table 13 presents a critical review of the benefits and drawbacks of Three-Phase Charger.
Table 13.
Critical analysis of benefits and drawbacks of three-phase charger.
4. Charging Method
Efficiently charging a battery necessitates the utilization of an appropriate battery, an optimal charging architecture, and a suitable charging method. The objective of the method is to reduce charging durations while maintaining battery lifetime and performance, while also ensuring compliance with the battery’s established safe operating parameters [68]. This section presents a concise overview of the prevailing charging techniques that are widely adopted.
4.1. Constant Current (CC) Charging Method
The constant current (CC) charging method, as depicted in Figure 12, is a widely used and uncomplicated conventional charging technique. It ensures that the battery is charged at a consistent low C-rate throughout the entire charging cycle. Once a certain threshold is reached, the credit card will cease to be charged. The following method is widely used for charging NiCd, NiMH, and Li-ion batteries.
Figure 12.
Constant current charging method for EV battery with battery voltage (green) and battery current (red).
The charging current rate plays a crucial role in determining the overall performance of the battery in this process. The optimal charging current for a CC is a challenging aspect to determine as it needs to strike a balance between minimizing charging time and optimizing energy utilization. While a higher charging current facilitates a rapid recharge of the battery, it concurrently expedites the process of battery degradation. The high-capacity utilization achieved by the low charging current is counterbalanced by the inconvenience it poses for EV applications due to the extended charging durations [69].
4.2. Constant Voltage (CV) Charging Method
The constant voltage (CV) charging method is a straightforward option that involves maintaining a consistent voltage during the battery-charging process. One of the main advantages of employing CV charging over CC charging is its ability to mitigate the detrimental effects of overcharging, which can lead to a reduction in battery lifespan. The provided figure illustrates the gradual decrease in the battery-charging current over time until it reaches a predetermined threshold value, as observed when employing this particular charging method. Figure 13 shows the structure of a typical CV charging method.
Figure 13.
Constant voltage (CV) charging method for EV battery with battery current (green), battery voltage (red) and reference (black).
High current rates during early charging are required to keep the terminal voltage under control. However, rapid charging leads to lattice breakdown and heat loss. One of the most challenging aspects of charging a CV is finding the correct voltage to strike a balance between charging speed, electrolyte degradation, and battery capacity. Quick CV charging speeds up the process but reduces battery life. When a battery is low in its state of charge, the charging current can overshoot the safe limit. When a large amount of battery current flows through it, the lattice frame collapses, causing the active material at the poles to break apart. [70].
4.3. Constant Current–Constant Voltage (CC–CV) Method
The constant current–constant voltage (CC–CV) charging method is an integrated strategy that combines elements from both aforementioned approaches. The charging process begins with CC charging during the initial phase. The procedure switches to CV charging when the voltage exceeds the highest safe threshold value. When either the charging current stops rising or the battery reaches its maximum charge, the charging procedure is deemed to be finished. The CV mode has a significant impact on capacity utilization, but the CC mode has a significant impact on charging time. The diagram presented in Figure 14 illustrates the configuration of a CC–CV charging method.
Figure 14.
CC–CV charging method for EV battery with battery current (green) and battery voltage (red).
Charging with a CC–CV charger minimizes battery drain, optimizes power delivery, and safeguards against overcharging in the CV stage. The careful management of CV stages is necessary for preventing the overcharging and overheating of the battery. Charging times could be reduced by increasing the charge current during the CC phase. Lithium plating at the end of the CC stage is a side effect of this, as is the rise in IR losses. There are several issues with this pricing strategy. When charging quickly, the anode potential drops and energy is wasted. This leads to both excessive and inadequate billing. There is a correlation between Li plating and a decline in battery life and charging efficiency. Overcharging causes permanent damage to the battery, while undercharging significantly diminishes its ability to store energy. When the charging current is high, more heat is lost during the constant current phase, leading to a higher temperature [71].
4.4. Multistage Constant Current (MCC) Method
The multistage constant current (MCC) charging process comprises several constant current stages, wherein the current gradually decreases until the terminal voltage reaches a predetermined limit. The battery will undergo charging until it attains its maximum capacity. The MCC technique is demonstrable, as shown in Figure 15.
Figure 15.
Multistage constant current charging method for EV battery with battery current (red), and battery voltage (green).
The MCC charging method is designed to be compatible with a variety of battery types, including lead-acid, NiMH, and Li-ion batteries. When comparing the starting currents of both charging methods, it can be observed that the MCC charging process will require a slightly longer duration [72].
4.5. Pulse Charging (PC) Method
Pulse charging (PC) for rechargeable batteries did not become widely used in industry until the 1970s. Pulse charging uses a series of high-current pulses to charge a battery. Periods of inactivity are typically interspersed between pulses to give the battery time to recharge before the next pulse is sent. The battery is charged using periodic pulses of current; during this time, the battery converts the electric energy into chemical energy and the chemicals on the plates redistribute themselves equally, improving the charge’s efficiency [73]. The schematic for a pulse charging system is depicted in Figure 16.
Figure 16.
Pulse charging method for EV battery.
The following are typical steps in the pulse charging process:
- Pulse Phase: The battery is subjected to a short (milliseconds to seconds) high-current pulse. The normal current used to charge the battery is far less than the pulse current.
- Rest Phase: After each pulse, the battery is given a rest and the charging current is stopped. During this time, sulphate crystals dissolve and chemical processes take place.
- Repeated Cycle: Multiple cycles of pulse and rest may be required, depending on battery life and the extent of rejuvenation.
Pulse charging can be performed either manually using dedicated chargers or automatically through the utilization of battery management systems. The regulation of pulse frequency, duration, and amplitude is typically implemented to ensure optimal outcomes while avoiding any potential harm to the battery.
4.6. Trickle Charging (TC) Method
The standard method of charging involves subjecting a battery to a very low steady current for an extended period of time (known as a “trickle charge”) before stopping and allowing the battery to reach full capacity. The design of constant current trickle chargers is relatively straightforward and low-cost. They are not considered to be state-of-the-art chargers because they require manual intervention from the user at both the beginning and the end of the charging process. In certain cases, constant current trickle chargers are designed for use with only one type of rechargeable battery. Although some rechargeable batteries are inherently incompatible with each other, others allow the user to customize the charging profile to work with their specific battery [74]. There is no way to obtain feedback based on these vital battery characteristics. As a result, they face the risk of overcharging the battery and possible dendrite formation. Figure 17 depicts a common trickle charging method structure.
Figure 17.
Trickle charging (TC) method for EV battery with battery current (green) and battery voltage (red).
4.7. Comparison of Different Charging Methods
Each charging method has its own set of advantages and limitations. Prior to implementing the charging techniques, it is crucial to familiarize oneself with their features and conduct an analysis of their effectiveness within the system [75]. Features, benefits, and drawbacks of each type of battery charger are summarized in Table 14.
Table 14.
Comparison between different charging methods.
5. Classification of EV Charging Infrastructures
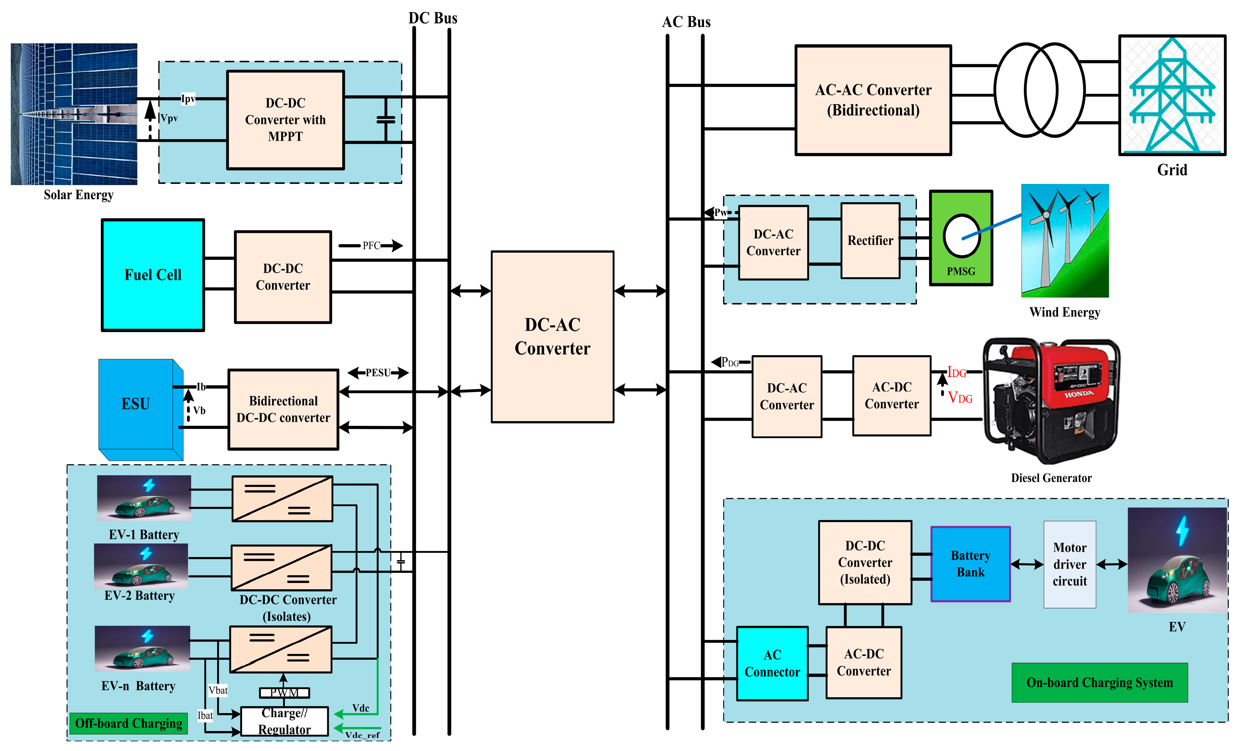
The process of establishing infrastructure to accommodate electric vehicle (EV) charging involves the deployment of charging stations and the installation of requisite equipment to enable the charging of diverse EV models, such as buses, trucks, and similar modes of transportation. The system comprises a diverse range of tools, encompassing outlets, charging stations, and mechanisms for monitoring the charging process [76]. The presence of this infrastructure is of the utmost importance in facilitating long-distance travel for EVs and encouraging their extensive usage. The presence of charging infrastructure is crucial for ensuring safety and reliability, as it facilitates the charging of vehicles. The categorization of charging infrastructures is based on the network’s availability and reliability. It can be classified into three distinct categories: utility, off-grid, and hybrid-based. In addition, EV charging infrastructures can be categorized into AC, DC, or a combination of both, based on the specific power supply needed [77].
5.1. Utility-Grid-Connected-Based EV Charging Infrastructure
The establishment of charging infrastructure for EVs, both within and outside the vehicle, is a paramount consideration. The grid-connected charging station architecture offers two viable solutions: alternating-current- and direct-current-based systems. In the initial design, every load is linked to the AC bus through an individual AC/DC stage. This stage is integrated into the secondary side of the step-down transformer. The alternative design incorporates a single AC/DC stage to provide a unified DC bus service to the entire system load. The utilization of a standard AC bus is one potential approach for designing a charging station. Every charging module is furnished with an individual stage rectifier, which is linked to the secondary AC coupling point via a dedicated AC bus. Several charging units are equipped with individual rectifiers. Consequently, if the operational power factor falls below an acceptable threshold, it has the potential to generate detrimental harmonic effects on the power grid [78]. The integration of renewable systems such as photovoltaic (PV) panels, fuel cells, and energy storage systems (ESS) that produce direct current electricity requires an augmentation in the deployment of conversion mechanisms within the power grid. Figure 18 illustrates the grid-connected AC and DC bus infrastructure for EV charging, which serves as an alternative design for recharging EVs while possessing the capability to generate substantial power. Given that renewable energy sources (RES) and energy storage devices primarily operate on direct current, the DC bus presents an opportunity to efficiently supply power to multiple charging units, thereby establishing a versatile infrastructure. The DC bus charging station exhibits a reduced number of energy conversion processes in comparison to an AC bus charging station [79].

Figure 18.
(a) DC- and (b) AC-microgrid-based EV charging infrastructure.
5.2. Off-Grid-Based EV Charging Infrastructure
The off-grid EV charging infrastructure utilizes renewable energy sources such as solar or wind power to operate its charging stations, rather than depending on electricity from the grid. The utilization of these stations for charging EVs offers a more environmentally friendly alternative compared to the use of standard outlets. Electricity derived from renewable energy sources is characterized by the absence of direct carbon dioxide or other air pollution emissions. Consequently, these sources have the potential to contribute to the reduction of greenhouse gas emissions in the transportation sector. Off-grid charging stations offer a dependable and cost-efficient charging solution that remains unaffected by power outages, blackouts, or any other grid-related issues. Moreover, these infrastructures have the potential to facilitate the expansion of renewable energy sources and alleviate the negative environmental impacts associated with EVs [80].
5.3. Microgrid-Based EV Charging Infrastructure
The infrastructure for charging EVs on microgrids creates a link between EVs, renewable energy sources, and the main power grid. The system is an intelligent and decentralized grid. The infrastructure is specifically engineered to charge EVs rapidly, economically, and efficiently by utilizing renewable energy sources like solar and wind power. There are numerous advantages associated with this technology, including but not limited to the mitigation of carbon emissions, the reduction of electricity expenses, the provision of a dependable power supply in the event of a large-scale grid failure, and the seamless integration of EVs into the energy infrastructure. The infrastructure not only aims to optimize the utilization of renewable energy sources but also serves to safeguard against fluctuations in energy demand and mitigate the risk of power grid overload by effectively managing electricity consumption [81,82]. This solution offers a secure method for charging EVs in regions with limited access to public charging infrastructure.
The main components of a microgrid-based EV charging infrastructure are as follows:
- Microgrid Controller: The microgrid controller assumes a critical function in the regulation of power distribution between the microgrid and the electric vehicle (EV) charging station. The system incorporates algorithms that are responsible for regulating voltage and current, while also optimizing power flow.
- EV Chargers: The microgrid-connected charging stations are designed to facilitate the charging of EVs. The package contains essential electrical components, including cables, connectors, and power converters.
- Battery Storage: The battery storage device serves the purpose of temporarily storing the energy produced by the microgrid. The necessary components such as batteries and controllers are provided.
- Renewable Energy: Several renewable power sources have the capability to provide electricity to the microgrid.
- Power Management System: By leveraging this advanced technology, the microgrid has the capability to autonomously regulate its power consumption. The integrated algorithms enable the management of power flow to both EV chargers and the battery storage system.
- Communication System: The communication system of the microgrid facilitates connectivity with various devices, including EV charging stations and energy storage units. The inclusion of protocols for the transmission and management of data is a fundamental aspect.
There are two types of microgrid-based EV charging systems: AC microgrid and DC microgrid. Its future classification is based on grid availability. Figure 19 shows the division of microgrids into various categories.
Figure 19.
Classification of microgrid-based EV charging infrastructure.
5.3.1. DC-Microgrid-Based EV Charging Infrastructure
The utilization of a DC-microgrid-based EV charging infrastructure enables the rapid and cost-effective charging of multiple EVs. The EV charging systems mentioned are considered superior to traditional AC charging methods due to their utilization of direct current technology. Owners of EVs can exert more control over the charging process with the help of DC microgrids, and they can also obtain more detailed information about their energy usage. The ability to connect to renewable energy sources such as solar and wind power enables the enhanced efficiency in their utilization. The devices can be easily retrofitted into pre-existing setups by connecting them to the larger electrical grid. DC-microgrid-based EV charging stations are highly suitable for installation in both urban and rural areas owing to their compact dimensions and exceptional efficiency [83,84]. Figure 20a,b depicts a standard DC microgrid configuration, showcasing both grid-connected and non-grid-connected structures, respectively. This setup utilizes various energy sources, such as solar power, wind power, diesel generators, and fuel cells, along with energy storage devices. The purpose of this arrangement is to establish an efficient charging infrastructure.
Figure 20.
(a). DC-microgrid-based standalone EV charging infrastructure. (b). DC-microgrid-based grid-connected EV charging infrastructure.
5.3.2. AC-Microgrid-Based EV Charging Infrastructure
The AC-microgrid-based EV charging infrastructure represents an enhanced iteration of the electric charging infrastructure. It facilitates the utilization of various renewable energy sources, including solar, wind, and hydro power, to supply electricity for charging purposes. The creation process involves the utilization of EVS technology. The AC-microgrid-based EV charging infrastructure employs advanced control systems and technologies to deliver an efficient, dependable, and affordable charging solution for e-vehicles. Individuals utilizing this particular charging infrastructure are granted access to an extensive array of charging alternatives and advantages, encompassing both residential and commercial settings. This infrastructure has the potential to effectively mitigate e-vehicle emissions, making it particularly suitable for areas with a restricted availability of traditional energy sources [85]. Figure 21a,b depicts a standard AC microgrid configuration, showcasing both non-grid-connected and grid-connected structures, respectively. This setup utilizes various energy sources, such as solar power, wind power, diesel generators, and fuel cells, along with energy storage devices, to establish an efficient charging infrastructure.
Figure 21.
(a). AC-microgrid-based standalone EV charging infrastructure. (b). AC-microgrid-based grid-connected EV charging infrastructure.
5.4. Hybrid-Microgrid-Based EV Charging Infrastructure
The hybrid-microgrid-based EV charging infrastructure incorporates both DC and AC fast-charging techniques. Moreover, the infrastructure includes charging systems that are available to the general public, as well as those specifically designated for personal use. Public charging stations are frequently powered by solar or wind energy and strategically positioned in communal areas, such as parking lots, streets, and other publicly accessible spaces. Private charging systems are typically powered by grid electricity or a hybrid combination of grid and renewable energy sources. These systems are commonly installed in residential dwellings, commercial buildings, and other private settings. The hybrid charging infrastructure for EVs may include rapid charging systems that offer a greater power output in comparison to traditional charging systems. Rapid charging systems, which are commonly found at public charging stations, possess the ability to fully charge an EV within minutes, as opposed to the significantly longer timeframe of several hours [86]. Figure 22 depicts a standard hybrid microgrid configuration, showcasing both grid-connected and non-grid-connected structures. This setup utilizes various energy sources, such as solar power, wind power, diesel generators, and fuel cells, along with energy storage devices, to establish an effective charging infrastructure.
Figure 22.
Hybrid-microgrid-based EV charging infrastructure.
5.5. Analysis of Different Charging Infrastructures
The increasing adoption of EVs can be attributed to their environmental benefits when compared to traditional gasoline-powered vehicles. However, a significant obstacle to the widespread adoption of EVs is the limited accessibility and availability of charging infrastructure. This section presents an analysis of various EV charging infrastructures, including those used in public spaces, residential areas, and workplaces. This document offers detailed explanations regarding the benefits and drawbacks of each available alternative. This paper presents a comprehensive overview of the available charging infrastructure options for EVs and analyzes the required modifications to the infrastructure to meet the growing demand for EVs [87]. Finally, this article examines the benefits associated with the utilization of renewable energy sources for the purpose of powering EV charging infrastructure. It also explores the feasibility of implementing this approach.
5.5.1. Analysis on Standalone Charging Infrastructure
Standalone charging infrastructure, also known as off-grid charging infrastructure, is a type of charging infrastructure that operates independently from the electrical grid. Instead, the EV is powered by its own energy source, such as solar panels. Standalone charging infrastructure is commonly employed in regions lacking access to the electricity grid or experiencing unreliable electricity supply. While grid-connected infrastructure is generally more cost-effective, this infrastructure proves to be advantageous in areas with unreliable access to electricity. In Table 15, a brief review of the benefits and drawbacks of off-grid charging infrastructure is presented.
Table 15.
Analysis of benefits and drawbacks of off-grid-based EV charging infrastructure.
5.5.2. Analysis on Grid-Connected Charging Infrastructure
The term “grid-connected charging infrastructure” refers to the EV charging system that is seamlessly integrated with the electrical grid. This charging infrastructure is frequently employed in areas with a reliable and consistent electricity supply. The deployment of grid-connected charging infrastructure offers several benefits in areas with a reliable electricity supply, despite the potential for higher costs compared to standalone charging systems. Table 16 provides a brief examination of the benefits and drawbacks of grid-connected-based charging infrastructure.
Table 16.
Analysis of benefits and drawbacks of grid-connected-based EV charging infrastructure.
5.5.3. Analysis of Hybrid-Microgrid-Based EV Charging Infrastructure
An analysis of AC- and DC-microgrid-based EV charging infrastructure can aid in comprehending the potential benefits and drawbacks associated with each type of infrastructure. DC charging offers faster charging speeds and a higher power output, enabling vehicles to be charged more quickly. On the other hand, AC charging requires a longer duration to fully charge a vehicle. DC charging offers faster and more efficient charging for vehicles due to its ability to deliver higher power levels and shorter charging durations. AC charging is frequently preferred due to its simpler wiring requirements and seamless integration into the existing electric grid infrastructure, making installation a straightforward process. However, due to the higher power requirements, AC charging also entails the need for additional infrastructure. In addition, it is worth noting that AC charging may not provide the same level of power as DC charging, which can result in reduced charging speed and effectiveness for vehicles. In contrast, the establishment of connections and infrastructure for DC charging is more intricate, although it provides expedited charging and enhanced power capabilities. The charging speed and efficiency of vehicles may be enhanced. However, the implementation of DC charging requires a significant investment in infrastructure, resulting in potential high costs. Additionally, compatibility issues may arise with existing equipment within the electric grid. In the EV sector, the integration of AC- and DC-microgrid-based EV charging facilities can provide significant advantages. When selecting the infrastructure type, it is important to consider the specific requirements of the application. DC charging is the optimal option when there is a requirement for the rapid and efficient charging of a vehicle. Alternatively, AC charging may be the optimal solution when the application necessitates a less intricate cabling system and seamless integration into the existing electrical grid infrastructure. Table 17 displays the overall benefits and drawbacks of EV charging infrastructure powered by a hybrid microgrid.
Table 17.
Analysis of benefits and drawbacks of hybrid-microgrid based EV charging infrastructure.
5.5.4. Analysis of Renewable-Energy-Based EV Charging Infrastructure
EV charging infrastructure based on renewable energy is a quickly developing technology that is transforming how we power our transportation networks. We can lessen our reliance on fossil fuels and contribute to the fight against climate change by using renewable energy sources like solar, wind, and hydro power to charge EVs. The implementation of this technology holds promise in augmenting public health, mitigating air pollution, and creating novel avenues for commercial enterprise. Prior to conducting an analysis of EV charging infrastructure that utilizes renewable energy sources, it is necessary to first assess the existing systems and technologies that are currently employed. This necessitates a comprehensive study of the available charging options, their associated prices, and their environmental impact. The research should also think about where the market is now and where it could go in the future.
Table 18 displays the overall benefits and drawbacks of EV charging infrastructure powered by renewable energy sources. The study’s goal is to evaluate the possible benefits of using renewable energy sources at EV charging stations. This procedure considers various factors such as potential benefits in public health, decreased carbon emissions, enhanced economic activity, and reduced fuel consumption. The evaluation should encompass factors such as increased employment opportunities, strengthened energy security, and improved public safety. The investigation should also consider the challenges related to the implementation of EV charging infrastructure that depends on sustainable energy sources. This report encompasses an analysis of the technological, financial, and governmental challenges that are hindering the widespread adoption of this technology [88]. It is crucial to include an assessment of the influence of current public opinion and the likelihood of political intervention [89].
Table 18.
Analysis of benefits and drawbacks of renewable-energy-based EV charging infrastructure.
Table 19 provides an explanation of the analysis conducted on EV charging infrastructure, specifically focusing on the various energy sources utilization. The assessment offers a comprehensive overview of the current state of the technology as well as its potential for future advancements. This information can be utilized by policymakers and other stakeholders to make informed decisions regarding the implementation of this technology.
Table 19.
Analysis of different charging stations proposed by different authors.
6. Energy Management and Control Techniques for EV Systems
By utilizing a variety of power sources and storage facilities, it is possible to build a system that can charge electric vehicles (EVs) while mitigating the consequences of the intermittent nature of the renewable energy supply. Therefore, suitable hybrid power system control and energy management strategies are crucial to enhance the charging system’s stability, dependability, and load scheduling. Planning an EV charging station in this location presents several obstacles. A wide range of EV chargers are compatible with AC and DC charging stations. At EV charging stations, it is crucial but challenging to manage the infrastructure and electricity [102,103]. Whether it is grid-connected or standalone, the charging station is built to operate dependably as a microgrid in a range of situations (in the case of a grid outage). By optimizing EMS performance during system development, we can cut costs across the board for both systems. In order to improve the charging system’s voltage stability and get the most out of RES, this study examines energy management and control strategies [104]. This study evaluates the current state of the art in energy management and control strategies applicable to EVs and the associated charging infrastructure.
6.1. Energy Management Strategies for EV Charging Systems
Energy management strategies (EMSs) have a crucial role in multi-energy system applications as they are responsible for controlling the power delivery to powertrains. This control directly impacts the performance, efficiency, and longevity of the vehicle. The primary objective of energy management techniques in EV charging systems is to optimize the utilization of available energy resources, facilitate efficient charging operations, and facilitate the seamless integration with the power grid [105]. The following section presents a compilation of prevalent energy management techniques employed in EV charging systems:
Demand Response (DR): Demand response systems enable the synchronized charging of EVs in accordance with the requirements of the electrical grid and the amount of electricity being utilized. Charging can be effectively managed through various methods, such as implementing scheduled charges during off-peak hours or adjusting charging patterns based on signals received from the grid operator. Utilizing this approach during non-peak periods enables users to leverage reduced electricity expenses while simultaneously contributing to grid stability.
By 2050, the IEA estimates that demand response strategies will have successfully shifted as much as 15% of the annual average power demand. The term “demand response” refers to a broad category of measures taken to lower electricity demand (peak demand) and prevent a blackout. Utility providers and industrial and household customers alike will need to take part.
- ❖
- Smart meters and smart grids can help utilities track consumption and identify peak demand.
- ❖
- Consumers can reduce peak demand by turning off lights, air conditioning, and other superfluous electrical products and machinery.
When compared to building more generation capacity to handle demand spikes, demand response is a more cost-effective option. The International Energy Agency (IEA) suggests implementing new business models and setting standards for the degree of controllability of equipment and appliances in order to lower demand.
Time-of-Use (TOU) Pricing: The time-of-use (TOU) pricing model provides different electricity costs at different times of the day. Customers are advised to utilize charging stations for their EVs during periods of the day characterized by reduced electricity demand. This is because charging stations can take advantage of lower rates offered during off-peak hours. The proposed plan aims to mitigate the peak load on the system and enhance energy efficiency simultaneously.
Vehicle-to-Grid (V2G) Integration: Vehicle-to-grid (V2G) technology facilitates the exchange of power in both directions between EVs and the power grid. Consequently, the energy that is stored within the batteries of EVs can be harnessed for the purpose of supplying power to adjacent residential and commercial establishments. The electrical energy stored in the battery of an EV can be utilized for non-vehicular applications, such as providing power to residential or commercial buildings, or even feeding it back into the grid during periods of high demand. In both scenarios, this facilitates grid maintenance and promotes the integration of renewable energy sources.
Smart Charging Algorithms: Smart charging algorithms are designed to optimize the charging process by considering various factors. These factors include the cost of electricity, the demand on the grid, and the preferences of the user. To achieve energy optimization, cost reduction, and grid stability preservation, the algorithms have the potential to modify the charge rate, introduce charging delays, or prioritize charging for vehicles.
Grid Integration and Load Management: The integration of EV charging infrastructure with grid management systems enables the monitoring and control of the charging demand for EVs. Load management techniques are employed to ensure the even distribution of the charging load among the available charging stations while adhering to the capacity limitations of the grid. This is crucial for maintaining optimal charging efficiency and preventing the overloading of the grid.
Renewable Energy Integration: The compatibility of EV charging infrastructure with various renewable energy sources, such as solar or wind power, can be achieved. The technologies mentioned above have the capability to effectively prioritize the charging process during periods characterized by significant levels of generation from renewable energy sources. By optimizing the utilization of renewable energy sources, we can effectively decrease our dependence on the power grid. This approach enables us to maximize the benefits of renewable energy while minimizing our reliance on conventional energy sources.
Energy Storage Integration: The utilization of energy storage devices in EV charging enhances the adaptability and stability of the grid. Energy storage systems hold great potential in their capacity to store excess renewable energy or grid electricity during periods of low demand. This stored energy can then be discharged during times of peak demand or utilized for charging the EVs. By implementing enhanced control over the electrical current, this feature is expected to alleviate the strain on the system and enhance overall efficiency.
Predictive and Adaptive Charging: Predictive and adaptive charging methods leverage sophisticated algorithms and data analysis techniques to enhance charging schedules and dynamically adapt to fluctuating environmental conditions. These methods aim to estimate the required energy consumption accurately and respond promptly in real time. The tactics employed consider various factors, including users’ preferences, traffic patterns, and grid conditions, in order to ensure effective energy management and billing.
The implementation of energy management techniques facilitates the optimization of energy resource utilization and reduction of grid impact, and enables the seamless integration of EV charging with renewable energy sources and grid infrastructure. Although there are multiple papers available that discuss the different energy management systems (EMSs) used in EVs, the research literature in this area is still relatively new. The significance of EMS technology is underscored by EVs and the diverse charging infrastructures they require. Table 20 presents an analysis of energy management techniques that have been developed and implemented by different researchers.
Table 20.
Summary of energy management strategies implemented for EV charging systems.
6.2. Control Techniques for EV Charging Systems
The widespread adoption of EVs has the potential to raise load demand, boost system losses, and lower grid voltage. Overloading service transformers, reducing their lifespan, and increasing system losses are all possible outcomes of the increased load demand caused by EV loads. The charging of EVs causes new load peaks that may exceed the service transformer’s rated capacity, hastening the aging process. The daily expansion and contraction of the transformer can be mitigated if EVs are largely charged during off-peak hours, which is good for the transformer’s life [114].
In addition to this, the increased adoption of EVs in our daily lives will give rise to numerous challenges. In order to address the issues, it is imperative to implement effective control techniques throughout the entire process, starting from the grid and extending to the vehicles. In an EV system, various control techniques are employed to manage different aspects of the vehicle’s operation [115]. In this section, we will elucidate several prevalent control techniques employed in EV systems.
Motor Control: EVs utilize electric motors for propulsion. Motor control techniques include:
- ❖
- Field-Oriented Control (FOC): FOC is a technique that accurately controls the torque and speed of the motor by decoupling the torque and flux components. It maximizes motor efficiency and performance.
- ❖
- Direct Torque Control (DTC): DTC is a control method that directly controls the torque and flux of the motor without needing to decouple them. It provides fast and precise control response.
- ❖
- Pulse-Width Modulation (PWM): PWM is used to control the motor drive by adjusting the duty cycle of the voltage pulses applied to the motor. It regulates the motor’s speed and torque output.
Battery Management System (BMS) Control: The importance of the battery management system (BMS) in ensuring the safety and protection of an EV cannot be overstated. The BMS is responsible for overseeing the operation of the rechargeable battery pack or individual cells, thereby exerting control over the associated electronics. By implementing this mechanism, the battery is protected from overcharging, which ensures the user’s safety from potential electrocution. The BMS utilizes various control methods, which are as follows:
- ❖
- State-of-Charge (SOC) Estimation: SOC estimation techniques are utilized to determine the remaining energy in a battery pack by considering various factors such as voltage, current, temperature, and additional parameters. The provided information is essential for the optimization of battery usage.
- ❖
- State-of-Health (SOH) Estimation: The estimation techniques for the state of health (SOH) evaluate the condition and deterioration of the battery pack. The measurement assists in determining the remaining capacity of the battery and its power delivery capability.
- ❖
- Cell Balancing: Cell-balancing techniques are implemented to ensure uniform charging and discharging of each individual battery cell within a pack. The prevention of cell voltage imbalances is crucial in order to maintain optimal battery performance and prolong its lifespan.
Thermal Management Control: The thermal management system in an EV is responsible for keeping the battery packs, power electronics drives, and electric motors at their optimal working temperatures regardless of external or internal temperature fluctuations. Thermal management plays a crucial role in the safety and usability of EVs. Thermal management control strategies include:
- ❖
- Cooling System Control: The cooling system is responsible for controlling and maintaining the temperature of the battery pack, motor, and power electronics. The control algorithms are responsible for regulating fan speeds, coolant flow rates, and various other parameters in order to ensure that the temperatures are maintained at the appropriate levels.
- ❖
- Heating System Control: EVs necessitate the implementation of heating systems in regions with cold climates to ensure the warming of the battery pack, cabin, and other essential components. Control methods are employed to regulate the heating system in order to maintain comfortable temperatures while minimizing energy consumption.
Regenerative Braking Control: Regenerative braking is a feature found in the majority of hybrid and all-electric vehicles. The system converts the kinetic energy generated during braking into electrical power, which is then used to charge the high voltage battery installed in the vehicle. The control strategies are responsible for regulating the braking force and ensuring a balance between mechanical braking and regenerating energy in order to achieve the highest-possible energy recovery.
Charging Station Control: A charging station, also known as an EV charging facility, is a dedicated location where electric cars can conveniently access and receive electrical power. A standard EV charging station requires a minimum of one smart controller board and one power socket board. The power socket board is responsible for the distribution and measurement of energy, whereas the smart controller manages the security, services, and connectivity to remote servers. EV charging stations are required to adhere to rigorous standards in order to ensure optimal performance, accuracy, connectivity, and safeties; charging stations employ various control methods to manage charging sessions and establish communication with the grid:
- ❖
- Communication Protocols: Charging stations utilize communication protocols such as OCPP to facilitate interaction with the grid and enable control over charging sessions. The utilization of this technology enables the incorporation of functionalities such as billing, load management, and authentication.
- ❖
- Power and Load Management: Charging stations equipped with advanced technology facilitate load balancing and power management in order to mitigate the risk of system overloading. Real-time adjustments can be made to the charging rates, considering the operational status of the grid and the preferences of individual users.
- ❖
- Smart Charging: Smart charging techniques consider various factors such as energy pricing, the availability of renewable energy, and grid demand in order to optimize charging sessions for both cost-effectiveness and grid stability.
Control systems play a vital role in ensuring the secure and efficient functioning of EVs and their charging infrastructure. They are instrumental in optimizing the performance, range, and overall reliability of EVs. The analysis presented in the Table 21 provides an overview of the control techniques employed by different users for an EV charging infrastructure.
Table 21.
Analysis of control techniques used for EV charging systems.
7. Impact Assessment of EVs
In recent years, there has been a lot of research carried out on the economic, social, and environmental effects of electric vehicles (EVs). However, one of the latest trending areas in the current scenario impact studies is the integration of EVs with the grid. This section analyzes the effects of EVs on the environment, society, economy, and grid. The integration of EVs into the grid requires a comprehensive impact assessment. The direct and indirect impacts of e-vehicles on the electric grid, as well as their environmental and financial impacts, should be considered in this assessment. Reducing dependency on foreign oil, increasing energy security, reducing noise and air pollution, and lowering greenhouse gas emissions are just some of the environmental benefits. Increased economic opportunity, greater accessibility to public transportation, and improved public health are some of the social impacts. Lower petroleum prices, increased investment in EV infrastructure, improved trade balance, and faster economic growth are some of the economic impacts [125,126,127].
7.1. Economic Impacts
EVs have witnessed a significant increase in their popularity owing to their environmentally friendly characteristics and higher efficiency in comparison to conventional gasoline-powered vehicles. EVs have gained significant traction worldwide due to recent advancements in battery technology, the expansion of charging infrastructure, and the growing global demand from customers. As a result, EVs have emerged as a practical and viable choice for a substantial number of drivers. The vehicles in question are powered by batteries and utilize electric motors to drive the wheels, as opposed to relying on gasoline. The nascent and emerging technology also provides economic advantages on a global level. Both EV owners and the utility power grid hold unique perspectives that offer valuable insights into the economic impacts of EVs [128].
EVs place a substantial burden on the electrical grid due to their ongoing power requirements for meeting daily charging demands. The projected increase in electricity demand will result in higher fuel and capacity expenses for electricity generation. Moreover, the maintenance of the grid becomes increasingly challenging during periods of peak demand. One of the advantages, both from an economic and environmental perspective, is the ability to charge EVs using renewable energy sources.
EVs offer a multitude of advantages to their owners, primarily attributed to the remarkable efficiency of electric motors and the relatively cost-effective power source. Consequently, these vehicles experience decreased operational expenses, rendering them a financially efficient option for consumers. The efficiency of EV technology is significantly higher, typically ranging from 60 to 70 percent, when compared to internal combustion engine vehicles. EVs exhibit a disadvantage compared to conventional ICE vehicles, namely, their elevated initial investment cost. The primary reason for this is the utilization of costly battery technology in EVs [59].
The Indian subcontinent, after Germany and Japan, is the third-largest vehicle market in the world in terms of sales. There is currently a drive for manufacturers and governments to work together to shift demand towards greener options. With 7.1 percent of India’s GDP and a sizeable employment base, the automotive industry is a key economic force in the country. The Economic Survey 2023 projects a 49% compound annual growth rate (CAGR) in India’s domestic electric car market between 2022 and 2030, with 10 million annual sales by 2030. By 2030, it is expected that the electric car industry would provide over 50 million direct and indirect jobs. The Indian government has implemented many incentives and policies to assist the growth of the EV industry and has set a goal of 30% vehicle fleet electrification by 2030. The industry received a significant financial boost in the FY24 Union Budget for the development of EVs, the use of hydrogen fuel, and the acceptance of new technology. This effort offers additional advantages from an economic and environmental standpoint [129].
7.2. Environmental Impacts
The transportation sector is widely recognized as the second-largest contributor to carbon emissions. Consequently, governments have been increasingly prioritizing EVs in response to the urgent need to address the rapid fluctuations in the global climate. The widespread implementation of EVs in densely populated urban areas is crucial for achieving the electrification of the transportation sector. The transportation revolution has resulted in a significant reduction in carbon dioxide emissions, thereby leading to positive environmental outcomes. The establishment of a connection between EVs and electrical grids is crucial in this context. Furthermore, the adoption of EVs within a vehicle-to-grid (V2G) ecosystem enhances the resilience and sustainability of a society through the utilization of clean and reliable energy sources. The advancements in EV technology have the potential to reduce reliance on fossil fuels, thereby making a significant contribution towards creating a more sustainable global environment [130,131]. The integration of EVs with renewable energy sources (RESs) yields many environmental benefits. The V2G technology is an indispensable component for the realization of a sustainable energy revolution. When evaluating the environmental impact of EVs, it is crucial to acknowledge their substantial reduction in carbon dioxide emissions. One of the primary factors that contribute to the lower greenhouse gas emissions of EVs in comparison to internal combustion engine vehicles is the utilization of highly efficient electric motors. EVs are preferable to gas-powered ones since they have a smaller environmental impact. However, we analyze some of the environmental benefits and drawbacks of EVs.
POSITIVE IMPACTS:
- ❖
- EVs do not produce any air-polluting emissions from their tailpipes;
- ❖
- EVs do not add to noise pollution because of their low operating volumes;
- ❖
- EVs are better for the planet because they do not require engine oil;
- ❖
- In order to prevent “corrosion, crumbling, and failing early” and the associated high maintenance costs, EV brake pads are designed differently;
- ❖
- EV makers have, historically, prioritized the use of recyclable and biodegradable components;
- ❖
- EV chargers powered by renewable energy emit less emissions than gas stations. Charging stations can keep “fuel” nearby, unlike petrol stations.
NEGATIVE IMPACTS:
- ❖
- Electricity for EV chargers come from power plants that generate electricity from fossil fuels. In places like California, where the power grid is already strained during the summer, this could lead to more rolling blackouts;
- ❖
- Manufacturing EV batteries leads to habitat destruction, pollution, and water scarcity;
- ❖
- Battery metals like nickel, lithium, and cobalt require a lot of power to extract. These minerals are typically mined in places with poor environmental standards;
- ❖
- Although EV batteries were not developed with recycling in mind, technology to facilitate recycling is improving rapidly;
- ❖
- The weight and torque of EVs cause premature tire wear. More frequent tire purchases lead to more pollution.
7.3. Impact of EV Integration on Grid
The environmental benefits and potential cost savings of EVs are growing their popularity. Due to fluctuations in electricity demand and supply caused by EV charging, the introduction of EVs into the electric system can lead to grid instability. This section examines how the integration of e-vehicles affects grid stability. It highlights the difficulties associated with EV integration, such as grid congestion, power quality issues, increased energy losses, and the need for more effective charging techniques. It then discusses potential remedies to improve grid stability and reduce the cost of EV integration, including smart charging, energy storage, and load control. Finally, the technical, economic, and regulatory issues that must be resolved to enable the reliable and economic integration of e-vehicles into the electric grid are considered [132,133,134,135,136]. Basic configuration of EV battery charging through grid is depicted in Figure 23.
Figure 23.
Basic configuration of EV battery charging using grid.
7.3.1. Impact of EV Integration on Grid Stability
Power system stability is defined as the ability of a power system to restore itself to its steady-state operational condition after experiencing a disturbance. Multiple instances of blackouts have been documented as a result of power system instability, thereby underscoring the importance of conducting research on system stability. EVs, when charging from the grid, exhibit non-linear load behavior that differs from conventional loads. This can potentially exert stress on the power system. The estimation of the behavior of this new load is further complicated by the unpredictable characteristics of EV charging locations, times, and durations. Concerns may arise regarding the stability of the power system in the event of a substantial influx of EV charging simultaneously. The accurate modelling of EV loads is essential for conducting stability research, as load characteristics can significantly impact power system stability. Several studies have been conducted to explore different EV load models [137,138,139]. Table 22 provides an elucidation of the impact of integrating EVs into the power grid considering different aspects of power system stability, voltage stability, frequency stability, and oscillatory stability.
Table 22.
Impact of EV Integration on Grid Stability.
7.3.2. Challenges of EV Integration in terms of Power Quality
The integration of EVs into the power system has the potential to affect the power quality of the system. The effects of EV integration have been extensively studied, with a particular emphasis on power quality characteristics. These characteristics include voltage profile, voltage imbalance, power losses, and harmonics. The impact of power quality on the grid integration of EVs is influenced by various factors, including charging characteristics, network characteristics, and the overall number of EVs [145,146,147,148]. The issues pertaining to power quality resulting from the integration of EVs have been concisely summarized in Table 23.
Table 23.
Challenges of EV integration with regard to the power quality.
7.4. Existing Solution of EV Integration with Grid
The integration of EVs into the grid has several positive impacts on grid stability. The EVs must be carefully placed into and utilized in the system for the frequency and voltage support of the grid. Improper utilization of EVs adversely affects the voltage and frequency stability of the grid. However, various alternative technologies and approaches are reported in the literature for the integration of EVs into the grid [149,150]. These approaches include distributed energy resources (DERs), demand response, EV charging management, co-ordinated EV charging, smart charging, vehicle-to-grid technology, etc.
Some Existing Solution of EV Integration with Grid:
- ❖
- Smart Charging: This innovation optimizes the way EVs are charged to save the power grid from overload. It allows EV charging to be scheduled based on the availability of renewable energy or during the off-peak hours.
- ❖
- Smart Grid: Smart grids are built to automatically detect, monitor, and regulate the flow of energy between power generators and end users using the information and communication technology. In smart grids, EVs can be charged and discharged in a coordinated way that also allows renewable energy sources such as solar and wind power to be integrated into the system.
- ❖
- EV-Charging Management Systems: These systems can help maximize the amount of energy that EVs draw from the grid, reducing the load on distribution networks and the distribution transformer. By offering usage-based or dynamic tariffs, these systems can also help reduce the cost of EV charging.
- ❖
- Demand Response: By incentivizing e-vehicle owners to charge their cars during off-peak hours (e.g., evenings), utilities can reduce peak demand. This reduces the burden on the system, provides better regulation service, and reduces the possibility of congestion in the grid.
- ❖
- Vehicle-to-Grid (V2G): EVs can provide electricity to the grid according to V2G technology. By supplying extra energy during the peak hour’s periods, this helps the frequency regulation service for the grid.
- ❖
- EV/Grid Interoperability Standards: The safe and effective integration of EVs into the grid can be ensured with the aid of EV/grid interoperability standards. The gear and software used for EV charging may be made compatible with the grid as a result of these standards.
- ❖
- Renewable Energy Sources: EVs may be charged using renewable energy sources like solar and wind energy. This lessens the dependency on conventional energy resources and lowers greenhouse effects.
- ❖
- Battery Storage: When there is a large demand for EVs, battery storage technology can be utilized to charge them. It also allows for the storage of extra renewable energy. This will result in a reduction of energy costs. The extra load can also be supplied by utilizing this battery energy storage as an ancillary service device.
- ❖
- Electric Vehicle Supply Equipment (EVSE): EV supply equipment is abbreviated as EVSE. It helps minimize grid overload by reducing the amount of power consumed for EV charging.
- ❖
- Power Electronics: Power electronic converters facilitate, regulate, and improve the EV-to-grid energy transfer. The advancement in converters allow suitable EV grid integration and improvement in energy flow management.
7.5. Summary
EVs and grid integration must be considered in the current energy revolution. EV grid integration can lower peak loads, improve voltage and frequency stability, and store renewable energy. Achieving this objective can be accomplished through the utilization of diverse technologies, including vehicle-to-grid (V2G), smart charging, and vehicle-to-home (V2H) systems. V2G systems facilitate the process of EV owners selling any excess electricity they generate back to the grid. The implementation of this solution effectively mitigates system congestion and enhances system reliability. Smart charging systems enable EV owners to exercise control over the charging process and leverage the utilization of renewable energy sources. EV owners have the capability to utilize the V2H system, which enables them to supply power to their residences by utilizing the energy stored in their car’s battery. This solution offers the potential to decrease electricity expenses and effectively handle peak loads. However, despite the demonstrated benefits of these current approaches in facilitating the integration of EVs into the power grid, there remains a significant amount of work that needs to be accomplished. However, it is anticipated that the widespread adoption of EVs on a large scale will result in certain effects, such as a reduction in grid voltage, an increase in system losses, and an increase in load demand. The potential consequences of increased load demand caused by EV loads include overloading on service transformers, which can lead to a reduction in their lifetime, as well as an increase in system losses. The act of charging EVs can lead to the generation of extra load peaks, which may surpass the rated capacity of the service transformer. This phenomenon has the potential to accelerate the progression of aging. The daily expansion and contraction of transformers can be effectively mitigated by implementing a strategy of charging EVs during off-peak hours. This approach has been found to significantly enhance the overall lifespan of transformers [151,152,153]. Moreover, several authors have put out alternative solutions, as depicted in Table 24. Additionally, further research is required to enhance these solutions and develop novel approaches that facilitate the integration of EVs into the grid.
Table 24.
Large-scale EV integration with grid: their solution and challenges.
In summary, EVs exhibit both significant advantageous impacts and detrimental consequences, as elucidated through the preceding discussions. Table 25 provides a concise summary of the remedial measures aimed at mitigating the adverse impacts associated with EVs.
Table 25.
Harmful impacts of EVs and possible remedy techniques.
8. Challenging Issues and Possibilities
The use of fossil fuels is not sustainable in the long run, and the world is on the brink of an energy crisis. Therefore, the adoption of electric vehicles (EVs) is crucial as they are powered by renewable sources of energy such as solar and wind power. The use of EVs is also cost-effective as they require less maintenance and have lower operating costs compared to traditional gasoline-powered vehicles [154,155]. Along with this advantage of EVs, researchers are also faced with several challenges. Table 26 illustrates the challenges with EVs and their possible solutions in modern era.
Table 26.
Challenge with EV and their charging infrastructure and possible solutions.
In addition, there are also some existing challenges that can be addressed and potential solutions that may be investigated. In addition, situational challenges may arise for specific areas or regions following the development of the EV charging infrastructure. These challenges are unique to a particular system or area and can be addressed accordingly.
In order to enhance the popularity of electric vehicles among the general public, it is crucial to prioritize the future roadmap of EV research, because it is extremely difficult to address the issues with EVs without having a proper plan. Figure 24 depicts the current difficulties encountered by various EV industries, all of which will require further study and investigation.
Figure 24.
Challenges that exist with EVs and future roadmap of research.
9. Conclusions and Future Research Recommendation
The proliferation of various electric vehicles (EVs) has led to the emergence of multiple EV structures, EV charging infrastructures, renewable-energy-based EVs, and grid-integrated EV systems. In order to effectively manage the charging process, it is necessary to implement a distinct control strategy and power management strategy for multi-source EV systems. This review article provides a comprehensive analysis of the classifications of EVs along with their associated charging infrastructure, charging technologies, power management, and control systems. First, various structural topologies of EVs and the merit/demerits associated with each of them has been investigated. Then, a systematic comparison of charging stations and charging methods highlights their key differences and usage. Furthermore, different adaptive and robust control methods have been evaluated based on their effectiveness in improving system efficiency. An extensive discussion on the environmental impacts of grid-integrated EVs and the challenges related to EV infrastructure along with potential remedies has been discussed at the end. The extensive investigation carried out in a systematic approach on EV technologies may prove to be exceptionally useful to researchers and engineers working in the field for carrying out further research. Research priorities going forward should be set in a way that allows us to systematically and efficiently tackle the key challenges that have impeded the development of the EVs. Some of them are as follows:
- To make recharging an EV as quick and easy as filling up with gas, ultra-fast charging stations are vital. There is also an urgent need for academic study into the mitigation of heat, noise, and EMI in these types of charging stations.
- Due to their short service life, EV batteries require careful planning and development. Batteries have a finite life; thus, it is important to work on other issues, such as improving solid-state batteries, designing cells and packs, creating management systems for batteries, and making electrolytes and electrodes more stable.
- The design of an efficient power converter is required, including the use of a charging cable, cooling technique, protective device, and high-power solid-state transformer.
- Additionally, both V2G and V2H vehicle connectivity technologies are immature but have significant features to explore. Further investigation and improvement are needed to best manage renewable energy sources and grid-connected charging stations.
- Smart energy management among the sources integrated with EVs to ultimately manage grid overload requires more detailed analysis. In addition, improved power quality control schemes require investigation that may assist in suitably controlling the power converter while maintaining the power quality standard.
- Furthermore, public-road-capable EVs need to be able to be efficiently supplied with large amounts of electrical power without impacting the electrical system. It is suggested that smart charging be put into place, in which the charging habits of EVs are affected by variables such as peak demand, renewable source generation, dynamic pricing, and individual EV owner requirements.
- Smarter choices can be made with the help of artificial-intelligence-based control algorithms, which has the capability to improve in predicting EV charging loads, estimating driving ranges, and implementing dynamic pricing.
- There is serious cause for concern over the potential for theft of sensitive information related to the charging infrastructure, the position of vehicles, owner’s information, and their payments. Also, it is important to note that malicious cyber assaults can compromise an EV’s remote-control functionality. Accordingly, resources must be devoted to studying the areas of cyber security, resilience, reliability, and protecting user and grid data from malicious attacks.
- In order to advance the growth of EV offerings and associated customer products and services, the development of novel business and policy strategies is required. Creating cutting-edge EV business and policy strategies for EV users will enhance EV adoption.
In addition to the aforementioned points, several research topics are anticipated to emerge in the near future. Also, based on this comprehensive survey, it is expected to initiate potential research ideas for further investigation.
Author Contributions
Conceptualization, M.K..; Methodology, M.K., K.P.P., R.T., R.T.N. and G.P.; Validation, R.T., R.T.N. and G.P.; Investigation, R.T., R.T.N. and G.P.; Data curation, M.K. and K.P.P.; Writing—original draft preparation, M.K. and K.P.P.; Writing—review and editing, M.K., K.P.P., R.T. and R.T.N.; Visualization, M.K. and K.P.P.; Project administration, R.T.N.; Funding acquisition, R.T.N. All authors have read and agreed to the published version of the manuscript.
Funding
This research received no external funding.
Institutional Review Board Statement
Not Applicable.
Informed Consent Statement
Not Applicable.
Data Availability Statement
The data used in the current study can be accessed from the corresponding authors depending on the purpose of use.
Conflicts of Interest
The authors declare no conflict of interest.
References
- Giannakis, E.; Serghides, D.; Dimitriou, S.; Zittis, G. Land transport CO2 emissions and climate change: Evidence from Cyprus. Int. J. Sustain. Energy 2020, 39, 634–647. [Google Scholar]
- Arif, S.M.; Lie, T.T.; Seet, B.C.; Ayyadi, S.; Jensen, K. Review of Electric Vehicle Technologies, Charging Methods, Standards and Optimization Techniques. Electronics 2021, 10, 1910. [Google Scholar] [CrossRef]
- Zhao, G.; Baker, J. Effects on environmental impacts of introducing electric vehicle batteries as storage—A case study of the United Kingdom. Energy Strategy Rev. 2022, 40, 100819. [Google Scholar] [CrossRef]
- Razmjoo, A.; Ghazanfari, A.; Jahangiri, M.; Franklin, E.; Denai, M.; Marzband, M.; Astiaso Garcia, D.; Maheri, A. A Comprehensive Study on the Expansion of Electric Vehicles in Europe. Appl. Sci. 2022, 12, 11656. [Google Scholar] [CrossRef]
- International Energy Agency. Global EV Outlook 2018—Towards Crossmodal Electrification; International Energy Agency: Paris, France, 2018. [Google Scholar]
- Pelegov, D.V.; Chanaron, J.-J. Electric Car Market Analysis Using Open Data: Sales, Volatility Assessment, and Forecasting. Sustainability 2023, 15, 399. [Google Scholar] [CrossRef]
- International Energy Agency. Energy Policies of IEA Countries: … Review; OECD: Paris, France, 1991. [Google Scholar]
- International Energy Agency. Renewables 2018—Analysis and Forecasts to 2023; International Energy Agency: Paris, France, 2018. [Google Scholar]
- Kumar, M.; Panda, K.P.; Rosas-Caro, J.C.; Valderrabano-Gonzalez, A.; Panda, G. Comprehensive Review of Conventional and Emerging Maximum Power Point Tracking Algorithms for Uniformly and Partially Shaded Solar Photovoltaic Systems. IEEE Access 2023, 11, 31778–31812. [Google Scholar] [CrossRef]
- Hardman, S.; Shiu, E.; Steinberger-Wilckens, R. Comparing high-end and low-end early adopters of battery electric vehicles. Transp. Res. Part A Policy Pract. 2016, 88, 40–57. [Google Scholar] [CrossRef]
- Alkawsi, G.; Baashar, Y.; Abbas, U.D.; Alkahtani, A.A.; Tiong, S.K. Review of Renewable Energy-Based Charging Infrastructure for Electric Vehicles. Appl. Sci. 2021, 11, 3847. [Google Scholar] [CrossRef]
- E-vehicle info—India’s First Integrated Platform for All-New Electric Vehicle Updates | Electric Mobility Updates | EVs News. Available online: https://e-vehicleinfo.com/category/electric-vehicles-updates/ (accessed on 1 July 2023).
- Chen, T.; Zhang, X.P.; Wang, J.; Li, J.; Wu, C.; Hu, M.; Bian, H. A Review on Electric Vehicle Charging Infrastructure Development in the UK. J. Mod. Power Syst. Clean Energy 2020, 8, 193–205. [Google Scholar] [CrossRef]
- Tushar, W.; Yuen, C.; Huang, S.; Smith, D.B.; Poor, H.V. Cost Minimization of Charging Stations with Photovoltaics: An Approach with EV Classification. IEEE Trans. Intell. Transp. Syst. 2016, 17, 156–169. [Google Scholar] [CrossRef]
- Macharia, V.M.; Garg, V.K.; Kumar, D. A review of electric vehicle technology: Architectures, battery technology and its management system, relevant standards, application of artificial intelligence, cyber security, and interoperability challenges. IET Electr. Syst. Transp. 2023, 13, e12083. [Google Scholar] [CrossRef]
- Quirós-Tortós, J.; Espinosa, A.N.; Ochoa, L.F.; Butler, T. Statistical Representation of EV Charging: Real Data Analysis and Applications. In Proceedings of the 2018 Power Systems Computation Conference (PSCC), Dublin, Ireland, 11–15 June 2018; pp. 1–7. [Google Scholar] [CrossRef]
- Brenna, M.; Foiadelli, F.; Leone, C.; Longo, M. Electric Vehicles Charging Technology Review and Optimal Size Estimation. J. Electr. Eng. Technol. 2020, 15, 2539–2552. [Google Scholar]
- Mulholland, E.; Teter, J.; Cazzola, P.; McDonald, Z.; Gallachóir, B.P.Ó. The long haul towards decarbonising road freight—A global assessment to 2050. Appl. Energy 2018, 216, 678–693. [Google Scholar]
- Talebian, H.; Herrera, O.E.; Tran, M.; Mérida, W. Electrification of road freight transport: Policy implications in British Columbia. Energy Policy 2018, 115, 109–118. [Google Scholar]
- Vore, S.E.; Kosowski, M.; Reid, M.L.; Wilkins, Z.; Minicucci, J.; Bradley, T.H. Measurement of medium-duty plug-in hybrid electric vehicle fuel economy sensitivity to ambient temperature. IEEE Trans. Transport. Electrific. 2018, 4, 184–189. [Google Scholar]
- Fries, M.; Kruttschnitt, M.; Lienkamp, M. Operational strategy of hybrid heavy-duty trucks by utilizing a genetic algorithm to optimize the fuel economy multiobjective criteria. IEEE Trans. Ind. Appl. 2018, 54, 3668–3675. [Google Scholar]
- Forrest, K.; Kinnon, M.M.; Tarroja, B.; Samuelsen, S. Estimating the technical feasibility of fuel cell and battery electric vehicles for the medium and heavy-duty sectors in California. Appl. Energy 2020, 276, 115439. [Google Scholar]
- Zhou, T.; Roorda, M.J.; MacLean, H.L.; Luk, J. Life cycle GHG emissions and lifetime costs of medium-duty diesel and battery electric trucks in Toronto, Canada. Transp. Res. D Transp. Environ. 2017, 55, 91–98. [Google Scholar]
- Liimatainen, H.; van Vliet, O.; Aplyn, D. The potential of electric trucks—An international commodity-level analysis. Appl. Energy 2019, 236, 804–814. [Google Scholar] [CrossRef]
- Chaudhari, K.; Ukil, A.; Kumar, K.N.; Manandhar, U.; Kollimalla, S.K. Hybrid optimization for economic deployment of ESS in PV-integrated EV charging stations. IEEE Trans. Ind. Inform. 2018, 14, 106–116. [Google Scholar]
- Kandasamy, N.K.; Kandasamy, K.; Tseng, K.J. Loss-of-life investigation of EV batteries used as smart energy storage for commercial building-based solar photovoltaic systems. IET Elect. Syst. Transp. 2017, 7, 223–229. [Google Scholar]
- Tavakoli, A.; Negnevitsky, M.; Nguyen, D.T.; Muttaqi, K.M. Energy exchange between electric vehicle load and wind generating utilities. IEEE Trans. Power Syst. 2016, 31, 1248–1258. [Google Scholar]
- Shan, Y.; Hu, J.; Chan, K.W.; Fu, Q.; Guerrero, J.M. Model predictive control of bidirectional DC-DC converters and AC/DC interlinking converters—A new control method for PV-wind-battery microgrids. IEEE Trans. Sustain. Energy 2019, 10, 1823–1833. [Google Scholar]
- Liu, P.; Yu, J.; Mohammed, E. Decentralised PEV charging coordination to absorb surplus wind energy via stochastically staggered dual-tariff schemes considering feeder-level regulations. IET Gener. Transmiss. Distrib. 2018, 12, 3655–3665. [Google Scholar]
- Madhumitha, R.; Priya, P.; Saravanan, S. Hybrid Renewable Energy Based Electric Vehicles Charging Station. In Proceedings of the 2022 2nd International Conference on Advance Computing and Innovative Technologies in Engineering (ICACITE), Greater Noida, India, 28–29 April 2022; pp. 2348–2352. [Google Scholar] [CrossRef]
- Ugirumurera, J.; Haas, Z.J. Optimal capacity sizing for completely green charging systems for electric vehicles. IEEE Trans. Transp. Electrif. 2017, 3, 565–577. [Google Scholar]
- Mouli, G.R.C.; Schijffelen, J.; van den Heuvel, M.; Kardolus, M.; Bauer, P. A 10 kW solar-powered bidirectional EV charger compatible with chademo and COMBO. IEEE Trans. Power Electron. 2019, 34, 1082–1098. [Google Scholar] [CrossRef]
- Monteiro, V.; Pinto, J.G.; Afonso, J.L. Experimental validation of a three-port integrated topology to interface electric vehicles and renewables with the electrical grid. IEEE Trans. Ind. Inform. 2018, 14, 2364–2374. [Google Scholar]
- Singh, S.A.; Carli, G.; Azeez, N.A.; Williamson, S.S. Modeling, design, control, and implementation of a modified Z-source integrated PV/Grid/EV DC charger/inverter. IEEE Trans. Ind. Electron. 2018, 65, 5213–5220. [Google Scholar]
- Singh, B.; Verma, A.; Chandra, A.; Al-Haddad, K. Implementation of solar PV-battery and diesel generator based electric vehicle charging station. In Proceedings of the 2018 IEEE International Conference on Power Electronics, Drives and Energy Systems, Chennai, India, 18–21 December 2018; pp. 1–6. [Google Scholar]
- Saxena, N.; Singh, B.; Vyas, A.L. Integration of solar photovoltaic with battery to single-phase grid. IET Gener. Transmiss. Distrib. 2017, 11, 2003–2012. [Google Scholar]
- Razmi, H.; Doagou-Mojarrad, H. Comparative assessment of two different mode’s multi-objective optimal power management of micro-grid: Grid-connected and stand-alone. IET Renew. Power Gener. 2019, 13, 802–815. [Google Scholar]
- Erdinc, O.; Paterakis, N.G.; Mendes, T.D.P.; Bakirtzis, A.G.; Catalão, J.P.S. Smart household operation considering bi-directional EV and ESS utilization by real-time pricing-based DR. IEEE Trans. Smart Grid. 2015, 6, 1281–1291. [Google Scholar]
- Kikusato, H.; Mori, K.; Yoshizawa, S.; Fujimoto, Y.; Asano, H.; Hayashi, Y.; Kawashima, A.; Inagaki, S.; Suzuki, T. Electric vehicle charge-discharge management for utilization of photovoltaic by coordination between home and grid energy management systems. IEEE Trans. Smart Grid. 2019, 10, 3186–3197. [Google Scholar]
- Hafiz, F.; de Queiroz, A.R.; Husain, I. Coordinated control of PEV and PV-based storages in residential system under generation and load uncertainties. IEEE Trans. Ind. Appl. 2019, 55, 5524–5532. [Google Scholar]
- Petreus, D.; Patarau, T.; Szilagyi, E.; Cirstea, M. Electrical Vehicle Battery Charger Based on Smart Microgrid. Energies 2023, 16, 3853. [Google Scholar] [CrossRef]
- Un-Noor, F.; Padmanaban, S.; Mihet-Popa, L.; Mollah, M.N.; Hossain, E. A Comprehensive Study of Key Electric Vehicle (EV) Components, Technologies, Challenges, Impacts, and Future Direction of Development. Energies 2017, 10, 1217. [Google Scholar] [CrossRef]
- Weiller, C. Plug-in hybrid electric vehicle impacts on hourly electricity demand in the United States. Energy Policy 2011, 39, 3766–3778. [Google Scholar]
- Axsen, J.; Kurani, K. The Early U.S. Market for PHEVs: Anticipating Consumer Awareness, Recharge Potential, Design Priorities and Energy Impacts; Institute of Transportation Studies, University of California: Davis, CA, USA, 2008; UCD-ITS-RR-08-22. [Google Scholar]
- Dubey, A.; Santoso, S.; Cloud, M.P.; Waclawiak, M. Determining timeof-use schedules for electric vehicle loads: A practical perspective. IEEE Power Energy Technol. Syst. J. 2015, 2, 12–20. [Google Scholar]
- Jin, C.; Tang, J.; Ghosh, P. Optimizing electric vehicle charging: A customer’s perspective. IEEE Trans. Veh. Technol. 2013, 62, 2919–2927. [Google Scholar]
- Egbue, O.; Long, S. Barriers to widespread adoption of electric vehicles: An analysis of consumer attitudes and perceptions. Energy Policy 2012, 48, 717–729. [Google Scholar] [CrossRef]
- Panossian, N.; Muratori, M.; Palmintier, B.; Meintz, A.; Lipman, T.; Moffat, K. Challenges and Opportunities of Integrating Electric Vehicles in Electricity Distribution Systems. Curr. Sustain. Renew. Energy Rep. 2022, 9, 27–40. [Google Scholar] [CrossRef]
- Lebrouhi, B.E.; Khattari, Y.; Lamrani, B.; Maaroufi, M.; Zeraouli, Y.; Kousksou, T. Key challenges for a large-scale development of battery electric vehicles: A comprehensive review. J. Energy Storage 2021, 44, 103273. [Google Scholar] [CrossRef]
- Alanazi, F. Electric Vehicles: Benefits, Challenges, and Potential Solutions for Widespread Adaptation. Appl. Sci. 2023, 13, 6016. [Google Scholar] [CrossRef]
- Sanguesa, J.A.; Torres-Sanz, V.; Garrido, P.; Martinez, F.J.; Marquez-Barja, J.M. A Review on Electric Vehicles: Technologies and Challenges. Smart Cities 2021, 4, 372–404. [Google Scholar] [CrossRef]
- Muthukumar, M.; Rengarajan, N.; Velliyangiri, B.; Omprakas, M.A.; Rohit, C.B.; Raja, U.K. The development of fuel cell electric vehicles—A review. Mater. Today Proc. 2021, 45, 1181–1187. [Google Scholar] [CrossRef]
- Singh, K.V.; Bansal, H.O.; Singh, A. Comprehensive review on hybrid electric vehicles: Architectures and components. J. Mod. Transport. 2019, 27, 77–107. [Google Scholar] [CrossRef]
- Wang, X.; He, H.; Sun, F.; Sun, X.; Tang, H. Comparative Study on Different Energy Management Strategies for Plug-In Hybrid Electric Vehicles. Energies 2013, 6, 5656–5675. [Google Scholar] [CrossRef]
- Nicoletti, L.; Mayer, S.; Brönner, M.; Schockenhoff, F.; Lienkamp, M. Design Parameters for the Early Development Phase of Battery Electric Vehicles. World Electr. Veh. J. 2020, 11, 47. [Google Scholar] [CrossRef]
- Sole, K.C.; Parker, J.; Cole, P.M.; Mooiman, M.B. Flowsheet Options for Cobalt Recovery in African Copper–cobalt Hydrometallurgy Circuits. Miner. Process. Extr. Metall. Rev. 2019, 40, 194–206. [Google Scholar]
- Savio Abraham, D.; Verma, R.; Kanagaraj, L.; Giri Thulasi Raman, S.R.; Rajamanickam, N.; Chokkalingam, B.; Marimuthu Sekar, K.; Mihet-Popa, L. Electric Vehicles Charging Stations’ Architectures, Criteria, Power Converters, and Control Strategies in Microgrids. Electronics 2021, 10, 1895. [Google Scholar] [CrossRef]
- Yilmaz, M.; Krein, P.T. Review of Battery Charger Topologies, Charging Power Levels, and Infrastructure for Plug-In Electric and Hybrid Vehicles. IEEE Trans. Power Electron. 2013, 28, 2151–2169. [Google Scholar] [CrossRef]
- Khalid, M.R.; Khan, I.A.; Hameed, S.; Asghar, M.S.J.; Ro, J.-S. A Comprehensive Review on Structural Topologies, Power Levels, Energy Storage Systems, and Standards for Electric Vehicle Charging Stations and Their Impacts on Grid. IEEE Access 2021, 9, 128069–128094. [Google Scholar] [CrossRef]
- Habib, S.; Khan, M.M.; Abbas, F.; Tang, H. Assessment of electric vehicles concerning impacts, charging infrastructure with unidirectional and bidirectional chargers, and power flow comparisons. Int. J. Energy. Res. 2018, 42, 3416–3441. [Google Scholar]
- Moradewicz, A.J. On/Off–board chargers for electric vehicles. Prz. Elektrotech. 2019, 95, 136–139. [Google Scholar]
- Cai, J.; Zhao, X. An On-Board Charger Integrated Power Converter for EV Switched Reluctance Motor Drives. IEEE Trans. Ind. Electron. 2021, 68, 3683–3692. [Google Scholar] [CrossRef]
- Shahir, F.M.; Gheisarnejad, M.; Sadabadi, M.S.; Khooban, M.-H. A New Off-Board Electrical Vehicle Battery Charger: Topology, Analysis and Design. Designs 2021, 5, 51. [Google Scholar] [CrossRef]
- Khalid, M.; Ahmad, F.; Panigrahi, B.K.; Al-Fagih, L. A comprehensive review on advanced charging topologies and methodologies for electric vehicle battery. J. Energy Storage 2022, 53, 105084. [Google Scholar] [CrossRef]
- Dericioglu, C.; Yirik, E.; Unal, E.; Cuma, M.U.; Onur, B.; Tumay, M. A review of charging technologies for commercial electric vehicles. Int. J. Adv. Automot. Technol. 2018, 2, 61–70. [Google Scholar]
- Chamberlain, K.; Al-Majeed, S. Standardisation of UK Electric Vehicle Charging Protocol, Payment and Charge Point Connection. World Electr. Veh. J. 2021, 12, 63. [Google Scholar] [CrossRef]
- Blasuttigh, N.; Beiranvand, H.; Pereira, T.; Liserre, M. Comparative Study of Single-phase and Three-phase DAB for EV Charging Application. In Proceedings of the 2022 24th European Conference on Power Electronics and Applications (EPE’22 ECCE Europe), Hanover, Germany, 5–9 September 2022; pp. 1–9. [Google Scholar]
- Mude, K.N. Battery charging method for electric vehicles: From wired to on-road wireless charging. Chin. J. Electr. Eng. 2018, 4, 1–15. [Google Scholar] [CrossRef]
- Li, Z.; Song, K.; Jiang, J.; Zhu, C. Constant Current Charging and Maximum Efficiency Tracking Control Scheme for Supercapacitor Wireless Charging. IEEE Trans. Power Electron. 2018, 33, 9088–9100. [Google Scholar] [CrossRef]
- Ruan, H.; He, H.; Wei, Z.; Quan, Z.; Li, Y. State of Health Estimation of Lithium-ion Battery Based on Constant-Voltage Charging Reconstruction. IEEE J. Emerg. Sel. Top. Power Electron. 2021, 11, 4393–4402. [Google Scholar] [CrossRef]
- Ye, M.; Gong, H.; Xiong, R.; Mu, H. Research on the Battery Charging Strategy with Charging and Temperature Rising Control Awareness. IEEE Access 2018, 6, 64193–64201. [Google Scholar] [CrossRef]
- Yun, S.S.; Kee, S.C. Improved Multilevel Multistage Constant-Current Constant-Voltage Superfast Charging of Multiple Cells. J. Electr. Eng. Technol. 2022, 17, 209–219. [Google Scholar] [CrossRef]
- Jeong, Y.T.; Shin, H.R.; Lee, J.; Ryu, M.-H.; Choi, S.; Kim, H.; Jung, K.-N.; Lee, J.-W. Insight into pulse-charging for lithium plating-free fast-charging lithium-ion batteries. Electrochim. Acta 2023, 462, 142761. [Google Scholar] [CrossRef]
- Lin, Q.; Wang, J.; Xiong, R.; Shen, W.; He, H. Towards a smarter battery management system: A critical review on optimal charging methods of lithium-ion batteries. Energy 2019, 183, 220–234. [Google Scholar] [CrossRef]
- Banguero, E.; Correcher, A.; Pérez-Navarro, Á.; Morant, F.; Aristizabal, A. A Review on Battery Charging and Discharging Control Strategies: Application to Renewable Energy Systems. Energies 2018, 11, 1021. [Google Scholar] [CrossRef]
- Pareek, S.; Sujil, A.; Ratra, S.; Kumar, R. Electric Vehicle Charging Station Challenges and Opportunities: A Future Perspective. In Proceedings of the 2020 International Conference on Emerging Trends in Communication, Control and Computing (ICONC3), Lakshmangarh, India, 21–22 February 2020; pp. 1–6. [Google Scholar] [CrossRef]
- Alrubaie, A.J.; Salem, M.; Yahya, K.; Mohamed, M.; Kamarol, M. A Comprehensive Review of Electric Vehicle Charging Stations with Solar Photovoltaic System Considering Market, Technical Requirements, Network Implications, and Future Challenges. Sustainability 2023, 15, 8122. [Google Scholar]
- Ma, C.-T. System Planning of Grid-Connected Electric Vehicle Charging Stations and Key Technologies: A Review. Energies 2019, 12, 4201. [Google Scholar] [CrossRef]
- Jain, V.; Kewat, S.; Singh, B. Three Phase Grid Connected PV Based EV Charging Station With Capability of Compensation of Reactive Power. IEEE Trans. Ind. Appl. 2023, 59, 367–376. [Google Scholar] [CrossRef]
- Rituraj, G.; Mouli, G.R.C.; Bauer, P. A Comprehensive Review on Off-Grid and Hybrid Charging Systems for Electric Vehicles. IEEE Open J. Ind. Electron. Soc. 2022, 3, 203–222. [Google Scholar] [CrossRef]
- Sidthik, A.S.; Vanishmuthu, L.; Mohideen, N.M.M.; Singh, V.A.; Jeyalakshmi, V.; Ibrahim, S. Hybrid solar energy and micro-grid based smart E-vehicle charging station in highways. AIP Conf. Proc. 2023, 2618, 070001. [Google Scholar] [CrossRef]
- Mukherjee, J.C.; Gupta, A. A Review of Charge Scheduling of Electric Vehicles in Smart Grid. IEEE Syst. J. 2015, 9, 1541–1553. [Google Scholar] [CrossRef]
- Saxena, A.K.; Deepa, K. DC Micro-Grid-Based Electric Vehicle Charging Infrastructure—Part 1. In Advances in Electrical and Computer Technologies; Sengodan, T., Murugappan, M., Misra, S., Eds.; Lecture Notes in Electrical Engineering; Springer: Singapore, 2020; Volume 672. [Google Scholar] [CrossRef]
- Sayed, K.; Abo-Khalil, A.G.; Alghamdi, A.S. Optimum Resilient Operation and Control DC Microgrid Based Electric Vehicles Charging Station Powered by Renewable Energy Sources. Energies 2019, 12, 4240. [Google Scholar] [CrossRef]
- Fouladi, E.; Baghaee, H.R.; Bagheri, M.; Gharehpetian, G.B. Smart V2G/G2V Charging Strategy for PHEVs in AC Microgrids Based on Maximizing Battery Lifetime and RER/DER Employment. IEEE Syst. J. 2021, 15, 4907–4917. [Google Scholar] [CrossRef]
- Chen, Y.; Wei, W.; Zhang, F.; Liu, C.; Meng, C. Design of PV hybrid DC/AC microgrid for electric vehicle charging station. In Proceedings of the 2017 IEEE Transportation Electrification Conference and Expo, Asia-Pacific (ITEC Asia-Pacific), Harbin, China, 7–10 August 2017; pp. 1–6. [Google Scholar] [CrossRef]
- Cleenwerck, R.; Azaioud, H.; Vafaeipour, M.; Coosemans, T.; Desmet, J. Impact Assessment of Electric Vehicle Charging in an AC and DC Microgrid: A Comparative Study. Energies 2023, 16, 3205. [Google Scholar] [CrossRef]
- Jithin, K.; Haridev, P.P.; Mayadevi, N.; Kumar, R.H.; Mini, V.P. A Review on Challenges in DC Microgrid Planning and Implementation. J. Mod. Power Syst. Clean Energy 2022. [Google Scholar] [CrossRef]
- Kumar, M.; Panda, K.P.; Moharana, J.; Thakur, R.; Panda, G. Hybrid Energy Source Based BLDC Motor Drive for Electric Vehicle Application. In Proceedings of the 2023 2nd International Conference for Innovation in Technology (INOCON), Bangalore, India, 3–5 March 2023; pp. 1–6. [Google Scholar] [CrossRef]
- Bhatti, A.R.; Salam, Z.; Ashique, H. Electric vehicle charging using photovoltaic based microgrid for remote islands. Energy Procedia 2016, 103, 213–218. [Google Scholar] [CrossRef]
- Fathabadi, H. Novel wind-powered electric vehicle charging station with vehicle-to-grid (V2G) connection capability. Energy Convers. Manag. 2017, 136, 229–239. [Google Scholar] [CrossRef]
- Tran, V.T.; Sutanto, D.; Muttaqi, K.M. The state of the art of battery charging infrastructure for electrical vehicles: Topologies, power control strategies, and future trend. In Proceedings of the 2017 Australasian Universities Power Engineering Conference (AUPEC), Melbourne, VIC, Australia, 19–22 November 2017; pp. 1–6. [Google Scholar]
- Badawy, M.O.; Sozer, Y. Power flow Management of a Grid-Tied PV-battery system for electric vehicles charging. IEEE Trans. Ind. Appl. 2016, 53, 1347–1357. [Google Scholar] [CrossRef]
- Goli, P.; Shireen, W. PV Integrated Smart Charging of PHEVs Based on DC Link Voltage Sensing. IEEE Trans. Smart Grid. 2014, 5, 1421–1428. [Google Scholar] [CrossRef]
- Bracco, S.; Delfino, F.; Pampararo, F.; Robba, M.; Rossi, M. A dynamic optimization-based architecture for poly-generation microgrids with tri-generation, renewables, storage systems, and electrical vehicles. Energy Convers. Manag. 2015, 96, 511–520. [Google Scholar] [CrossRef]
- Sbordone, D.; Bertini, I.; Di Pietra, B.; Falvo, M.C.; Genovese, A.; Martirano, L. EV fast charging stations and energy storage technologies: A real implementation in the smart micro grid paradigm. Electr. Power Syst. Res. 2015, 120, 96–108. [Google Scholar]
- Mohammed, A.M.; Alalwan, S.N.H.; Taşcıkaraoğlu, A.; Catalão, J.P.S. Sliding mode-based control of an electric vehicle fast charging station in a DC microgrid. Sustain. Energy Grids Netw. 2022, 32, 100820. [Google Scholar] [CrossRef]
- Nagarajan, A.; Shireen, W. Grid connected residential photovoltaic energy systems with Plug-In Hybrid electric Vehicles (PHEV) as energy storage. In Proceedings of the IEEE PES General Meeting, Providence, RI, USA, 25–29 July 2010; pp. 1–5. [Google Scholar]
- Abraham, D.S.; Chandrasekar, B.; Rajamanickam, N.; Vishnuram, P.; Ramakrishnan, V.; Bajaj, M.; Piecha, M.; Blazek, V.; Prokop, L. Fuzzy-Based Efficient Control of DC Microgrid Configuration for PV-Energized EV Charging Station. Energies 2023, 16, 2753. [Google Scholar] [CrossRef]
- Savio, D.A.; Juliet, V.A.; Chokkalingam, B.; Padmanaban, S.; Holm-Nielsen, J.B.; Blaabjerg, F. Photovoltaic Integrated Hybrid Microgrid Structured Electric Vehicle Charging Station and Its Energy Management Approach. Energies 2019, 12, 168. [Google Scholar] [CrossRef]
- Li, D.; Zouma, A.; Liao, J.-T.; Yang, H.-T. An energy management strategy with renewable energy and energy storage system for a large electric vehicle charging station. Transportation 2020, 6, 100076. [Google Scholar] [CrossRef]
- Kene, R.O.; Olwal, T.O. Energy Management and Optimization of Large-Scale Electric Vehicle Charging on the Grid. World Electr. Veh. J. 2023, 14, 95. [Google Scholar] [CrossRef]
- Solanke, T.U.; Ramachandaramurthy, V.K.; Yong, J.Y.; Pasupuleti, J.; Kasinathan, P.; Rajagopalan, A. A review of strategic charging–discharging control of grid-connected electric vehicles. J. Energy Storage 2020, 28, 101193. [Google Scholar] [CrossRef]
- Hannan, M.A.; Hoque, M.M.; Hussain, A.; Yusof, Y.; Ker, P.J. State-of-the-Art and Energy Management System of Lithium-Ion Batteries in Electric Vehicle Applications: Issues and Recommendations. IEEE Access 2018, 6, 19362–19378. [Google Scholar] [CrossRef]
- Lü, X.; Wu, Y.; Lian, J.; Zhang, Y.; Chen, C.; Wang, P.; Meng, L. Energy management of hybrid electric vehicles: A review of energy optimization of fuel cell hybrid power system based on genetic algorithm. Energy Convers. Manag. 2020, 205, 112474. [Google Scholar] [CrossRef]
- Wu, Y.; Zhang, J.; Ravey, A.; Chrenko, D.; Miraoui, A. Real-time energy management of photovoltaic-assisted electric vehicle charging station by Markov decision process. J. Power Sources 2020, 476, 228504. [Google Scholar] [CrossRef]
- Li, Y.; Ni, Z.; Zhao, T.; Yu, M.; Liu, Y.; Wu, L.; Zhao, Y. Coordinated scheduling for improving uncertain wind power adsorption in electric vehicles—Wind integrated power systems by multiobjective optimization approach. IEEE Trans. Ind. Appl. 2020, 56, 2238–2250. [Google Scholar] [CrossRef]
- Tran, V.T.; Islam, M.R.; Muttaqi, K.M.; Sutanto, D. An Efficient Energy Management Approach for a Solar-Powered EV Battery Charging Facility to Support Distribution Grids. IEEE Trans. Ind. Appl. 2019, 55, 6517–6526. [Google Scholar] [CrossRef]
- Battapothula, G.; Yammani, C.; Maheswarapu, S. Multi-objective simultaneous optimal planning of electrical vehicle fast charging stations and DGs in distribution system. J. Mod. Power Syst. Clean Energy 2019, 7, 923–934. [Google Scholar] [CrossRef]
- Akar, F.; Tavlasoglu, Y.; Vural, B. An Energy Management Strategy for a Concept Battery/Ultracapacitor Electric Vehicle with Improved Battery Life. IEEE Trans. Transp. Electrif. 2017, 3, 191–200. [Google Scholar] [CrossRef]
- Mohsenian-Rad, A.-H.; Wong, V.W.; Jatskevich, J.; Schober, R.; Leon-Garcia, A. Autonomous demand-side management based on game-theoretic energy consumption scheduling for the future smart grid. IEEE Trans. Smart Grid 2010, 1, 320–331. [Google Scholar] [CrossRef]
- Kanchev, H.; Lu, D.; Colas, F.; Lazarov, V.; Francois, B. Energy management and operational planning of a microgrid with a pv-based active generator for smart grid applications. IEEE Trans. Ind. Electron. 2011, 58, 4583–4592. [Google Scholar] [CrossRef]
- Mateen, S.; Haque, A.; Kurukuru, V.S.B.; Khan, M.A. Discrete Stochastic Control for Energy Management with Photovoltaic Electric Vehicle Charging Station. CPSS Trans. Power Electron. Appl. 2022, 7, 216–225. [Google Scholar] [CrossRef]
- Al-Ogaili, A.S.; Hashim, T.J.T.; Rahmat, N.A.; Ramasamy, A.K.; Marsadek, M.B.; Faisal, M.; Hannan, M.A. Review on Scheduling, Clustering, and Forecasting Strategies for Controlling Electric Vehicle Charging: Challenges and Recommendations. IEEE Access 2019, 7, 128353–128371. [Google Scholar] [CrossRef]
- Nimalsiri, N.I.; Mediwaththe, C.P.; Ratnam, E.L.; Shaw, M.; Smith, D.B.; Halgamuge, S.K. A Survey of Algorithms for Distributed Charging Control of Electric Vehicles in Smart Grid. IEEE Trans. Intell. Transp. Syst. 2020, 21, 4497–4515. [Google Scholar] [CrossRef]
- Shi, Y.; Tuan, H.D.; Savkin, A.V.; Duong, T.Q.; Poor, H.V. Model Predictive Control for Smart Grids with Multiple Electric-Vehicle Charging Stations. IEEE Trans. Smart Grid 2019, 10, 2127–2136. [Google Scholar] [CrossRef]
- Liu, H.; Yang, Y.; Qi, J.; Li, J.; Wei, H.; Li, P. Frequency droop control with scheduled charging of electric vehicles. IET Gener. Transm. Distrib. 2017, 11, 649–656. [Google Scholar] [CrossRef]
- Mousavizade, M.; Bai, F.; Garmabdari, R.; Sanjari, M.; Taghizadeh, F.; Mahmoudian, A.; Lu, J. Adaptive control of V2Gs in islanded microgrids incorporating EV owner expectations. Appl. Energy 2023, 341, 121118. [Google Scholar] [CrossRef]
- Dhingra, K.; Singh, M. Frequency support in a micro-grid using virtual synchronous generator based charging station. IET Renew. Power Gener. 2018, 12, 1034–1044. [Google Scholar] [CrossRef]
- Sun, B.; Dragičević, T.; Freijedo, F.D.; Vasquez, J.C.; Guerrero, J.M. A Control Algorithm for Electric Vehicle Fast Charging Stations Equipped With Flywheel Energy Storage Systems. IEEE Trans. Power Electron. 2016, 31, 6674–6685. [Google Scholar] [CrossRef]
- García-Triviño, P.; Torreglosa, J.P.; Fernández-Ramírez, L.M.; Jurado, F. Decentralized Fuzzy Logic Control of Microgrid for Electric Vehicle Charging Station. IEEE J. Emerg. Sel. Top. Power Electron. 2018, 6, 726–737. [Google Scholar] [CrossRef]
- Wang, S.; Lu, L.; Han, X.; Ouyang, M.; Feng, X. Virtual-battery based droop control and energy storage system size optimization of a DC microgrid for electric vehicle fast charging station. Appl. Energy 2020, 259, 114146. [Google Scholar] [CrossRef]
- Xydas, E.; Marmaras, C.; Cipcigan, L.M. A multi-agent-based scheduling algorithm for adaptive electric vehicles charging. Appl. Energy 2016, 177, 354–365. [Google Scholar] [CrossRef]
- Krishnan Nair, D.; Prasad, K.; Lie, T.T. Design of a PV-fed electric vehicle charging station with a combination of droop and master-slave control strategy. Energy Storage 2023, 20, e442. [Google Scholar] [CrossRef]
- Aichberger, C.; Jungmeier, G. Environmental Life Cycle Impacts of Automotive Batteries Based on a Literature Review. Energies 2020, 13, 6345. [Google Scholar] [CrossRef]
- Habib, S.; Khan, M.M.; Abbas, F.; Sang, L.; Shahid, M.U.; Tang, H. A Comprehensive Study of Implemented International Standards, Technical Challenges, Impacts and Prospects for Electric Vehicles. IEEE Access 2018, 6, 13866–13890. [Google Scholar] [CrossRef]
- Nour, M.; Chaves-Ávila, J.P.; Magdy, G.; Sánchez-Miralles, Á. Review of Positive and Negative Impacts of Electric Vehicles Charging on Electric Power Systems. Energies 2020, 13, 4675. [Google Scholar] [CrossRef]
- Rallo, H.; Benveniste, G.; Gestoso, I.; Amante, B. Economic analysis of the disassembling activities to the reuse of electric vehicles Li-ion batteries. Resour. Conserv. Recycl. 2020, 159, 104785. [Google Scholar] [CrossRef]
- Vidhi, R.; Shrivastava, P. A Review of Electric Vehicle Lifecycle Emissions and Policy Recommendations to Increase EV Penetration in India. Energies 2018, 11, 483. [Google Scholar] [CrossRef]
- Balali, Y.; Stegen, S. Review of energy storage systems for vehicles based on technology, environmental impacts, and costs. Renew. Sustain. Energy Rev. 2021, 135, 110185. [Google Scholar] [CrossRef]
- Pipitone, E.; Caltabellotta, S.; Occhipinti, L. A Life Cycle Environmental Impact Comparison between Traditional, Hybrid, and Electric Vehicles in the European Context. Sustainability 2021, 13, 10992. [Google Scholar] [CrossRef]
- Rizvi, S.A.A.; Xin, A.; Masood, A.; Iqbal, S.; Jan, M.U.; Rehman, H. Electric Vehicles and their Impacts on Integration into Power Grid: A Review. In Proceedings of the 2018 2nd IEEE Conference on Energy Internet and Energy System Integration (EI2), Beijing, China, 20–22 October 2018; pp. 1–6. [Google Scholar] [CrossRef]
- Narasimhulu, N.; Awasthy, M.; Pérez de Prado, R.; Divakarachari, P.B.; Himabindu, N. Analysis and Impacts of Grid Integrated Photo-Voltaic and Electric Vehicle on Power Quality Issues. Energies 2023, 16, 714. [Google Scholar] [CrossRef]
- Tavakoli, A.; Saha, S.; Arif, M.T.; Haque, M.E.; Mendis, N.; Oo, A.M.T. Impacts of grid integration of solar PV and electric vehicle on grid stability, power quality and energy economics: A review. IET Energy Syst. Integr. 2020, 2, 243–260. [Google Scholar] [CrossRef]
- Saldaña, G.; San Martin, J.I.; Zamora, I.; Asensio, F.J.; Oñederra, O. Electric Vehicle into the Grid: Charging Methodologies Aimed at Providing Ancillary Services Considering Battery Degradation. Energies 2019, 12, 2443. [Google Scholar] [CrossRef]
- Ma, Y.; Zhang, B.; Zhou, X.; Gao, Z.; Wu, Y.; Yin, J.; Xu, X. An overview on V2G strategies to impacts from EV integration into power system. In Proceedings of the 2016 Chinese Control and Decision Conference (CCDC), Yinchuan, China, 28–30 May 2016; pp. 2895–2900. [Google Scholar] [CrossRef]
- Painuli, S.; Rawat, M.S.; Rayudu, D.R. A Comprehensive Review on Electric Vehicles Operation, Development and Grid Stability. In Proceedings of the 2018 International Conference on Power Energy, Environment and Intelligent Control (PEEIC), Greater Noida, India, 13–14 April 2018; pp. 807–814. [Google Scholar] [CrossRef]
- Das, H.S.; Nurunnabi, M.; Salem, M.; Li, S.; Rahman, M.M. Utilization of Electric Vehicle Grid Integration System for Power Grid Ancillary Services. Energies 2022, 15, 8623. [Google Scholar] [CrossRef]
- Khan, H.A.; Zuhaib, M.; Rihan, M. A Review on Voltage and Frequency Contingencies Mitigation Technologies in a Grid with Renewable Energy Integration. J. Inst. Eng. India Ser. B 2022, 103, 2195–2205. [Google Scholar] [CrossRef]
- Dharmakeerthi, C.H.; Mithulananthan, N.; Saha, T.K. Impact of electric vehicle fast charging on power system voltage stability. Int. J. Electr. Power Energy Syst. 2014, 57, 241–249. [Google Scholar] [CrossRef]
- Shrestha, A.; Gonzalez-Longatt, F. Frequency Stability Issues and Research Opportunities in Converter Dominated Power System. Energies 2021, 14, 4184. [Google Scholar] [CrossRef]
- Meegahapola, L.G.; Bu, S.; Wadduwage, D.P.; Chung, C.Y.; Yu, X. Review on Oscillatory Stability in Power Grids With Renewable Energy Sources: Monitoring, Analysis, and Control Using Synchrophasor Technology. IEEE Trans. Ind. Electron. 2021, 68, 519–531. [Google Scholar] [CrossRef]
- Khan, M.M.H.; Hossain, A.; Ullah, A.; Hossain Lipu, M.S.; Siddiquee, S.M.S.; Alam, M.S.; Jamal, T.; Ahmed, H. Integration of Large-Scale Electric Vehicles into Utility Grid: An Efficient Approach for Impact Analysis and Power Quality Assessment. Sustainability 2021, 13, 10943. [Google Scholar] [CrossRef]
- Qian, K.; Zhou, C.; Yuan, Y. Impacts of high penetration level of fully electric vehicles charging loads on the thermal ageing of power transformers. Int. J. Electr. Power Energy Syst. 2015, 65, 102–112. [Google Scholar] [CrossRef]
- Ahmadi, A.; Tavakoli, A.; Jamborsalamati, P.; Rezaei, N.; Miveh, M.R.; Gandoman, F.H.; Heidari, A.; Nezhad, A.E. Power quality improvement in smart grids using electric vehicles: A review. IET Electr. Syst. Transp. 2019, 9, 53–64. [Google Scholar] [CrossRef]
- Shafiei, M.; Ghasemi-Marzbali, A. Fast-charging station for electric vehicles, challenges and issues: A comprehensive review. J. Energy Storage 2022, 49, 104136. [Google Scholar] [CrossRef]
- Kazemtarghi; Dey, S.; Mallik, A. Optimal Utilization of Bidirectional EVs for Grid Frequency Support in Power Systems. IEEE Trans. Power Deliv. 2023, 38, 998–1010. [Google Scholar] [CrossRef]
- Parashar, K.; Verma, K.; Gawre, S.K. Power Quality Analysis of Grid Connected Solar Powered EV Charging Station: A Review. In Recent Advances in Power Electronics and Drives; Kumar, S., Singh, B., Sood, V.K., Eds.; Lecture Notes in Electrical Engineering; Springer: Singapore, 2023; Volume 973. [Google Scholar] [CrossRef]
- Ravi, S.S.; Aziz, M. Utilization of Electric Vehicles for Vehicle-to-Grid Services: Progress and Perspectives. Energies 2022, 15, 589. [Google Scholar] [CrossRef]
- Sultan, V.; Aryal, A.; Chang, H.; Kral, J. Integration of EVs into the smart grid: A systematic literature review. Energy Inform. 2022, 5, 65. [Google Scholar] [CrossRef]
- Patil, H.; Kalkhambkar, V.N. Grid Integration of Electric Vehicles for Economic Benefits: A Review. J. Mod. Power Syst. Clean Energy 2021, 9, 13–26. [Google Scholar] [CrossRef]
- Kong, P.-Y.; Karagiannidis, G.K. Charging Schemes for Plug-In Hybrid Electric Vehicles in Smart Grid: A Survey. IEEE Access 2016, 4, 6846–6875. [Google Scholar] [CrossRef]
- Masrur, M.A.; Skowronska, A.G.; Hancock, J.; Kolhoff, S.W.; McGrew, D.Z.; Vandiver, J.C.; Gatherer, J. Military-Based Vehicle-to-Grid and Vehicle-to-Vehicle Microgrid—System Architecture and Implementation. IEEE Trans. Transp. Electrif. 2018, 4, 157–171. [Google Scholar] [CrossRef]
- Ghosh, A. Possibilities and Challenges for the Inclusion of the Electric Vehicle (EV) to Reduce the Carbon Footprint in the Transport Sector: A Review. Energies 2020, 13, 2602. [Google Scholar] [CrossRef]
- Varga, B.O.; Sagoian, A.; Mariasiu, F. Prediction of Electric Vehicle Range: A Comprehensive Review of Current Issues and Challenges. Energies 2019, 12, 946. [Google Scholar] [CrossRef]
Disclaimer/Publisher’s Note: The statements, opinions and data contained in all publications are solely those of the individual author(s) and contributor(s) and not of MDPI and/or the editor(s). MDPI and/or the editor(s) disclaim responsibility for any injury to people or property resulting from any ideas, methods, instructions or products referred to in the content. |
© 2023 by the authors. Licensee MDPI, Basel, Switzerland. This article is an open access article distributed under the terms and conditions of the Creative Commons Attribution (CC BY) license (https://creativecommons.org/licenses/by/4.0/).



































