Structural Performance of Prefabricated Composite Girders for Railway Bridges along with Girder-to-Deck Interface Connections for Mechanical Injection
Abstract
1. Introduction
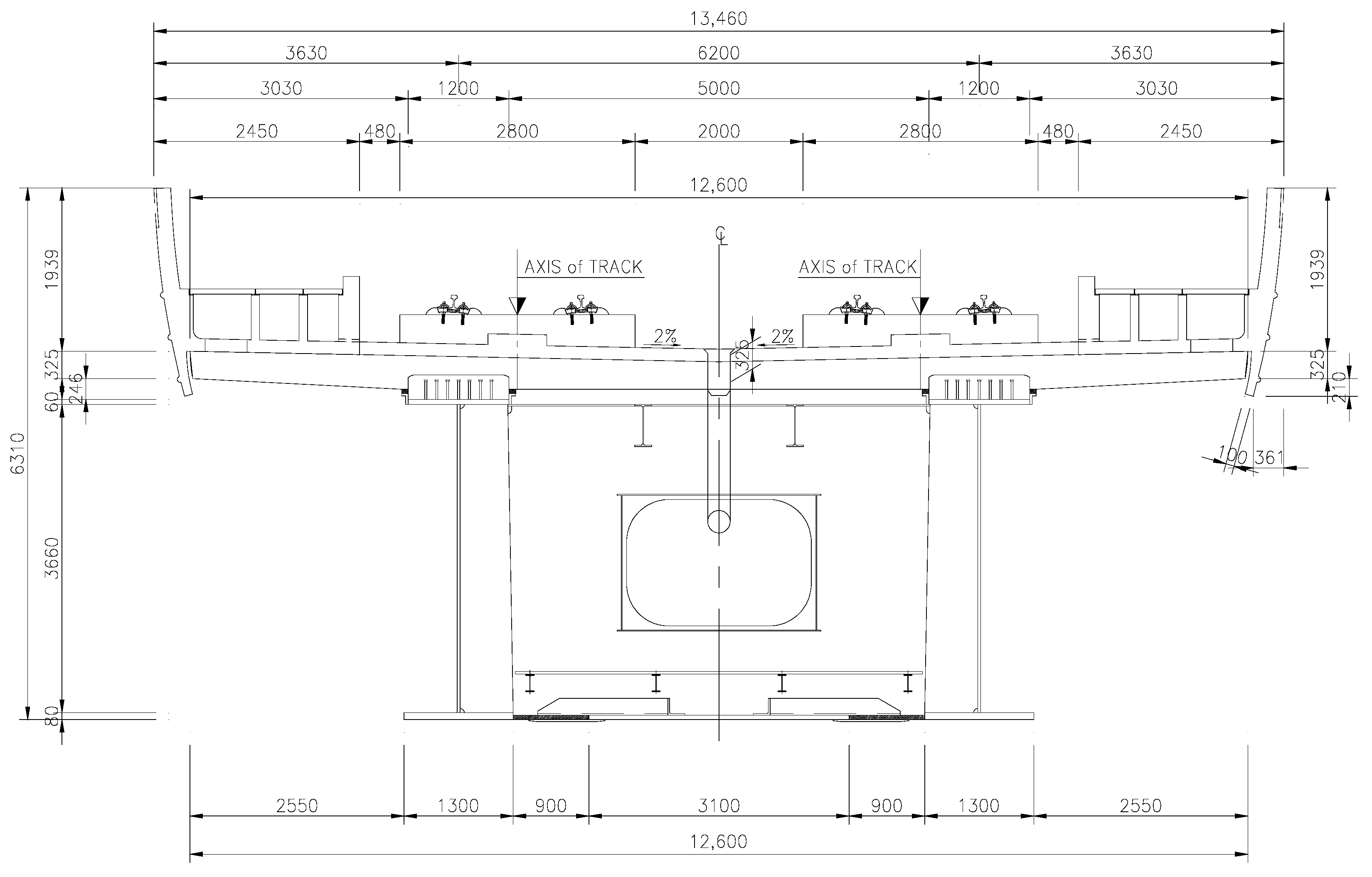
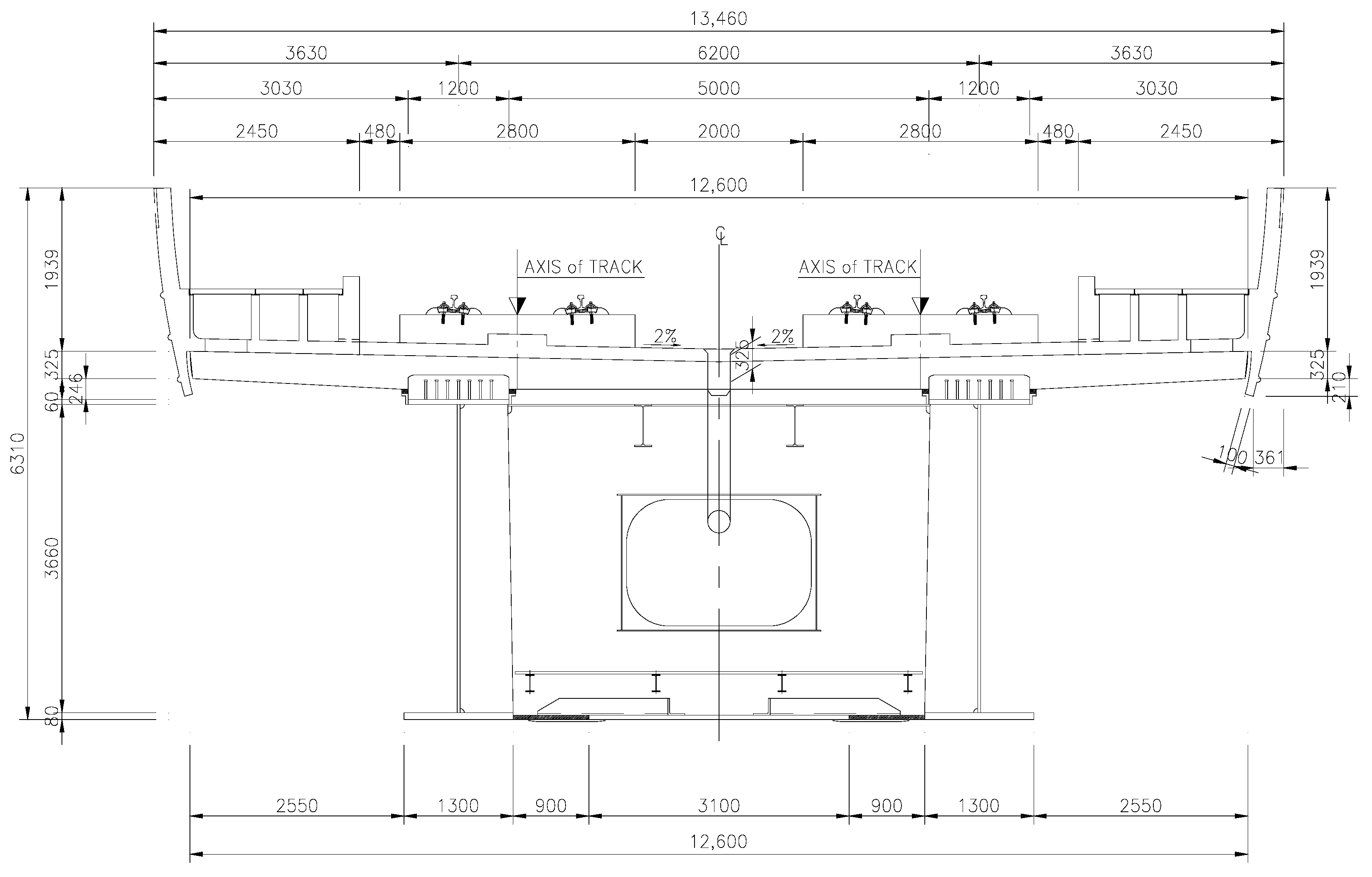
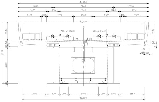
2. Design of Railway Bridge Prototype Using Prefabricated Composite Girders with Different Girder-to-Deck Connections
3. Design of Different Girder-to-Deck Interface Connections
3.1. Calculation Theory of Interface Shear Transfer
vui ≤ vri = ϕvni
3.2. The Different Girder-to-Deck Interface Connections
3.3. The Reinforcement Spacing of Cases
- (1)
- Computing the interface shear-resistance demand (Vni-dem):
- (2)
- Computing the reinforcement area demand (Avf-dem):
- (3)
- Computing the reinforcement-spacing demand (Svf):
4. Numerical Investigation
4.1. General
4.2. Finite-Element Type and Mesh
4.3. Constraint Conditions and Interaction
4.4. Loading and Boundary Conditions
4.5. Analysis Method
4.6. Material Model
4.7. Results
5. Parametric Study
6. Conclusions
- (1)
- Several different types of girder-to-deck interface connections for the prefabricated composite girder, which have a sufficient structural performance compared to the AASHTO LRFD requirements, can be proposed by rationally arranging shear reinforcement at the connection detail based on the application of interface shear transfer theory. Along with that is the change of stud connector height and precast deck structure.
- (2)
- The details of the girder-to-deck interface connections are different so the reinforcement spacing of the cases varies. The spacing between bars of reinforcement connecting the precast deck and the grout which controls the connection design increased gradually from Case 01 to Case 04. However, the reinforcement spacing can be adjusted for specific design purposes based on influential parameters. With such design of reinforcement spacing, all developed cases satisfied the interface shear criteria according to both conventional and plastic approaches.
- (3)
- There was no significant difference in flexural moment strength between the investigated cases. In all cases, the flexural performance was ensured. The influence of the degree of interaction between the connection grout and precast concrete deck was negligible, since the condition of the full shear connection was satisfied in all cases for the prefabricated composite girder and reinforcement spacing should be optimally designed through the theory of interface shear transfer.
- (4)
- The AASHTO LRFD provision of interface shear transfer is applied to concrete-to-concrete interfaces. However, the FEA results are in good agreement with the calculation results according to the AASHTO LRFD. It demonstrates that the AASHTO LRFD provision of interface shear transfer is applicable to grout-connection interfaces, in particular, girder-to-deck interface connections of prefabricated composite girders. A Push-off test needs to be carried out for verification.
- (5)
- All developed cases can be used for railway bridges. If the influential parameters can be adjusted to arrange the reasonable reinforcement spacing, Case 01 is the most optimum case that should be considered. In contrast, other cases should be considered.
Author Contributions
Funding
Institutional Review Board Statement
Informed Consent Statement
Data Availability Statement
Conflicts of Interest
References
- Haber, Z.; Graybeal, B. Performance of Grouted Connections for Prefabricated Bridge Deck Elements; Report no. FHWA-HIF-19-003; FHWA—Federal Highway Administration: Washington, DC, USA, 2018.
- Biswas, M. Precast Bridge Deck Design Systems. PCI J. 1986, 31, 40–94. [Google Scholar] [CrossRef]
- Tawadrous, R.; Morcous, G. Interface shear resistance of clustered shear connectors for precast concrete bridge deck systems. Eng. Struct. 2018, 160, 195–211. [Google Scholar] [CrossRef]
- Zhu, P.; Ma, Z.J. Selection of Durable Closure Pour Materials for Accelerated Bridge Construction. J. Bridge Eng. 2010, 15, 695–704. [Google Scholar] [CrossRef]
- Yi, G.S.; Kim, J.K.; Choi, B.H. Inelastic Moment-Rotation Response of 690 MPa Grade Steel I-Section Girders. Int. J. Steel Struct. 2017, 17, 1669–1680. [Google Scholar] [CrossRef]
- Santos, P.M.D.; Júlio, E.N.B.S.; Silva, V.D. Correlation between Concrete-to-Concrete Bond Strength and the Roughness of the Substrate Surface. Constr. Build. Mater. 2007, 21, 1688–1695. [Google Scholar] [CrossRef]
- Graybeal, B. Bond of Field-Cast Grouts to Precast Concrete Elements; Report no. FHWA-HRT-16-081; FHWA—Federal Highway Administration: Washington, DC, USA, 2017.
- Ovuoba, B.; Prinz, G.S. Headed shear stud fatigue demands in composite bridge girders having varied stud pitch, girder depth, and span length. J. Bridge Eng. 2018, 23, 04018085. [Google Scholar] [CrossRef]
- Badie, S.S.; Girgis, A.; Tadros, M.K.; Nguyen, N.T. Relaxing the stud spacing limit for full-depth precast concrete deck panels supported on steel girders (phase I). J. Bridge Eng. 2010, 15, 482–492. [Google Scholar] [CrossRef]
- Graybeal, B. Ultra-High Performance Concrete Composite Connections for Precast Concrete Bridge Decks; Report no. FHWA-HRT-12-041; FHWA—Federal Highway Administration: Washington, DC, USA, 2012.
- Diep, H.T.; Jang, M.; Moon, J.; Choi, B.H. Numerical Analysis on Plastic Moment Capacity of Prefabricated Steel Girders with Injection Channel Connections. Int. J. Steel Struct. 2022, 22, 1722–1733. [Google Scholar] [CrossRef]
- AASHTO. LRFD Bridge Design Specifications, 9th ed.; AASHTO: Washington, DC, USA, 2020. [Google Scholar]
- SIMULIA. ABAQUS Analysis User’s Guide; SIMULIA: Providence, RI, USA, 2020. [Google Scholar]
- Baltay, P.; Gjelsvik, A. Coefficient of friction for steel on concrete at high normal stress. J. Mater. Civ. Eng. 1990, 2, 46–49. [Google Scholar] [CrossRef]
- Choi, B.H.; Diep, H.T.; Moon, J. Flexural Performance of Prefabricated Composite Girders along with Precast Deck-to-Girder Continuous Connections. Int. J. Steel Struct. 2023. submitted. [Google Scholar]
- Hognestad, E. A Study of Combined Bending and Axial Load in Reinforced Concrete Members, Bulletin 399; University of Illinois Engineering Experiment Station: Urbana, IL, USA, 1951. [Google Scholar]
- Bangash, M.Y.H. Concrete and Concrete Structures: Numerical Modeling and Application. Appl. Sci. 1989, 22, 22054809. [Google Scholar]
- Chen, W.F. Plasticity in Reinforced Concrete; McGraw-Hill: New York, NY, USA, 1982. [Google Scholar]
- Kaushik, H.B.; Rai, D.C.; Jain, S.K. Stress-Strain Characteristic of Clay Brick Masonry under Uniaxial Compression. J. Mater. Civ. Eng. 2007, 19, 728–739. [Google Scholar] [CrossRef]




















| Interface Type | c (MPa) | μ | K1 | K2 (MPa) |
|---|---|---|---|---|
| Concrete placed monolithically | ||||
| For normal-weight concrete | 2.8 | 1.4 | 0.25 | 10.3 |
| For lightweight concrete | 1.7 | 1 | 0.25 | 6.9 |
| Cast-in-place concrete slab on clean concrete girder surfaces, with surface roughened to an amplitude of 6 mm | ||||
| For normal-weight concrete | 1.9 | 1 | 0.3 | 12.4 |
| For lightweight concrete | 1.9 | 1 | 0.3 | 9 |
| Concrete placed against a clean concrete surface, with surface intentionally roughened to an amplitude of 6 mm | ||||
| For normal-weight concrete | 1.7 | 1 | 0.25 | 10.3 |
| For lightweight concrete | 1.7 | 1 | 0.25 | 6.9 |
| Concrete placed against a clean concrete surface, but not intentionally roughened | 0.52 | 0.6 | 0.2 | 5.5 |
| Concrete anchored to as-rolled structural steel by headed studs or by reinforcing bars where all steel in contact with concrete is clean and free of paint | 0.17 | 0.7 | 0.2 | 5.5 |
| Case | Shear Plane | Acv (mm2/mm) | c (MPa) | μ | fy (MPa) | Vu (kN) | dv (m) | Vni-dem (N/mm) | Avf-demVni (mm2/mm) | Avf-min (mm2/mm) | Avf-dem (mm2/mm) | DReinf (mm) | nReinf | AReinf (mm2) | S’vf (mm) | Svf (mm) |
|---|---|---|---|---|---|---|---|---|---|---|---|---|---|---|---|---|
| Case 01 | 1.1 | 1200 | 1.7 | 1 | 400 | 16,477.5 | 4.08 | 4487.33 | 6.25 | 1.05 | 6.25 | 22 | 2 | 760.27 | 121.58 | 121.58 |
| Case 02 | 2.1 | 1450 | 1.7 | 1 | 400 | 16,477.5 | 4.08 | 4487.33 | 5.22 | 1.27 | 5.22 | 22 | 2 | 760.27 | 145.67 | 145.67 |
| Case 03 | 3.1 | 1450 | 1.7 | 1 | 400 | 16,477.5 | 4.08 | 4487.33 | 5.22 | 1.27 | 5.22 | 22 | 4 | 1520.53 | 291.35 | 254.30 |
| 3.2 | 1200 | 2.8 | 1.4 | 400 | 16,477.5 | 4.08 | 4487.33 | 2.10 | 1.05 | 2.10 | 22 | 2 | 760.27 | 361.50 | ||
| 3.3 | 1020 | 2.8 | 1.4 | 400 | 16,477.5 | 4.08 | 4487.33 | 2.99 | 0.89 | 2.99 | 22 | 2 | 760.27 | 254.30 | ||
| Case 04 | 4.1 | 1450 | 1.7 | 1 | 400 | 16,477.5 | 4.08 | 4487.33 | 5.22 | 1.27 | 5.22 | 22 | 4 | 1520.53 | 291.35 | 291.35 |
| Case | Shear Plane | Acv (mm2/mm) | c (MPa) | μ | fy (MPa) | DReinf (mm) | nReinf | Svf (mm) | Avf (mm2/mm) | fc′ (MPa) | Vni (N/mm) | Vni-dem (N/mm) | Check |
|---|---|---|---|---|---|---|---|---|---|---|---|---|---|
| Case 01 | 1.1 | 1200 | 1.7 | 1 | 400 | 22 | 2 | 100 | 7.60 | 35 | 5027.06 | 4554.32 | OK |
| Case 02 | 2.1 | 1450 | 1.7 | 1 | 400 | 22 | 2 | 125 | 6.08 | 35 | 4832.60 | 4554.32 | OK |
| Case 03 | 3.3 | 1020 | 2.8 | 1.4 | 400 | 22 | 2 | 225 | 3.38 | 60 | 4705.38 | 4554.32 | OK |
| Case 04 | 4.1 | 1450 | 1.7 | 1 | 400 | 22 | 4 | 275 | 5.53 | 35 | 4611.43 | 4554.32 | OK |
| Case | Shear Plane | Acv (mm2/mm) | c (MPa) | μ | fy (MPa) | Vu (kN) | dv (m) | Vni-dem (N/mm) | Avf-demVni (mm2/mm) | Avf-min (mm2/mm) | Avf-dem (mm2/mm) | DReinf (mm) | nReinf | AReinf (mm2) | Svf (mm) |
|---|---|---|---|---|---|---|---|---|---|---|---|---|---|---|---|
| Case 01 | 1.1 | 1200 | 1.7 | 1 | 400 | 16,477.5 | 4.08 | 4487.33 | 6.25 | 1.05 | 6.25 | 22 | 2 | 760.27 | 121.58 |
| Case 1.1 | 1.1 | 1600 | 1.7 | 1 | 400 | 16,477.5 | 4.08 | 4487.33 | 4.60 | 1.40 | 4.60 | 22 | 2 | 760.27 | 165.33 |
| Case 1.2 | 1.1 | 1200 | 1.7 | 1 | 400 | 13,500.0 | 4.08 | 3676.47 | 4.23 | 1.05 | 4.23 | 22 | 2 | 760.27 | 179.89 |
| Case 1.3 | 1.1 | 1200 | 1.7 | 1 | 400 | 16,477.5 | 4.75 | 3854.38 | 4.67 | 1.05 | 4.67 | 22 | 2 | 760.27 | 162.76 |
| Case 1.4 | 1.1 | 1200 | 1.7 | 1 | 400 | 16,477.5 | 4.08 | 4487.33 | 6.25 | 1.05 | 6.25 | 25 | 2 | 981.75 | 157.00 |
| Case | Reinforcement Diameter (mm) | Reinforcement Spacing (mm) | Shear Connection |
|---|---|---|---|
| 01 | 22 | 100 | Full |
| 1a | 22 | 150 | Partial |
| 1b | 25 | 150 | Full |
Disclaimer/Publisher’s Note: The statements, opinions and data contained in all publications are solely those of the individual author(s) and contributor(s) and not of MDPI and/or the editor(s). MDPI and/or the editor(s) disclaim responsibility for any injury to people or property resulting from any ideas, methods, instructions or products referred to in the content. |
© 2023 by the authors. Licensee MDPI, Basel, Switzerland. This article is an open access article distributed under the terms and conditions of the Creative Commons Attribution (CC BY) license (https://creativecommons.org/licenses/by/4.0/).
Share and Cite
Diep, H.T.; Moon, J.; Choi, B.H. Structural Performance of Prefabricated Composite Girders for Railway Bridges along with Girder-to-Deck Interface Connections for Mechanical Injection. Appl. Sci. 2023, 13, 6686. https://doi.org/10.3390/app13116686
Diep HT, Moon J, Choi BH. Structural Performance of Prefabricated Composite Girders for Railway Bridges along with Girder-to-Deck Interface Connections for Mechanical Injection. Applied Sciences. 2023; 13(11):6686. https://doi.org/10.3390/app13116686
Chicago/Turabian StyleDiep, Hung Thanh, Jiho Moon, and Byung H. Choi. 2023. "Structural Performance of Prefabricated Composite Girders for Railway Bridges along with Girder-to-Deck Interface Connections for Mechanical Injection" Applied Sciences 13, no. 11: 6686. https://doi.org/10.3390/app13116686
APA StyleDiep, H. T., Moon, J., & Choi, B. H. (2023). Structural Performance of Prefabricated Composite Girders for Railway Bridges along with Girder-to-Deck Interface Connections for Mechanical Injection. Applied Sciences, 13(11), 6686. https://doi.org/10.3390/app13116686

