An S/C/X-Band 4-Bit Digital Step Attenuator MMIC with 0.25 μm GaN HEMT Technology
Abstract
:1. Introduction
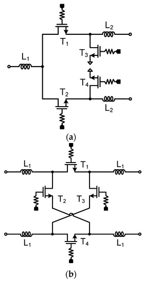
2. Design of the GaN HEMT SPDT Switch
3. Measurement Results
4. Conclusions
Author Contributions
Funding
Institutional Review Board Statement
Informed Consent Statement
Data Availability Statement
Acknowledgments
Conflicts of Interest
References
- Akmal, R.; Cheema, H.M.; Kashif, M.; Shoaib, M.; Zeeshan, M. A fully integrated X-band multifunction core chip in 0.25 μm GaN HEMT technology. In Proceedings of the 2020 International Conference on Radar, Antenna, Microwave, Electronics, and Telecommunications—ICRAMET, Tangerang, Indonesia, 18–20 November 2020; pp. 308–313. [Google Scholar]
- Walker, S. A low phase shift attenuator. IEEE Trans. Microw. Theory Tech. 1994, 42, 182–185. [Google Scholar] [CrossRef]
- Sjogren, L.; Ingram, D. A low phase-error 44-GHz HEMT attenuator. IEEE Microw. Wirel. Compon. Lett. 1998, 8, 194–195. [Google Scholar] [CrossRef]
- Sarkissian, J.C.; Delmond, M.; Laporte, E.; Rogeaux, E.; Soulard, R. A Ku-band 6-bit digital attenuator with integrated serial to parallel converter. In Proceedings of the 1999 IEEE/MTT-S International Microwave Symposium—IMS, Anaheim, CA, USA, 13–19 June 1999; pp. 1915–1918. [Google Scholar]
- Ju, I.K.; Noh, Y.S.; Yom, I.B. Ultra broadband DC to 40 GHz 5-Bit pHEMT MMIC digital attenuator. In Proceedings of the 2018 2005 European Microwave Conference, Paris, France, 4–6 October 2005; pp. 1–4. [Google Scholar]
- Qorvo. Attenuator Product. Available online: https://www.qorvo.com/products/control-products/attenuators (accessed on 25 March 2022).
- Ommic. CGY2171XBUH/C1 6-Bit 1–15 GHz Attenuator. Available online: https://www.ommic.com/datasheets/OMMIC_DATASHEET_D%20ATTENUATOR_CGY2171XBUH-C1.pdf (accessed on 28 April 2022).
- Verma, P.; Srivastava, P.; Singh, D.K.; Bhattacharya, A.N. Low error Ku-band 5-bit digital attenuator MMIC. In Proceedings of the 2017 IEEE MTT-S International Microwave and RF Conference, Ahmedabad, India, 11–13 December 2017; pp. 128–131. [Google Scholar]
- Ramella, C.; Longhi, P.E.; Pace, L.; Nasri, A.; Ciccognani, W.; Pirola, M.; Liniti, E. Ultra low-power digital control and signal conditioning in GaAs MMIC core chip for X-Band AESA systems. IEEE Trans. Microw. Theory Tech. 2022, 70, 367–379. [Google Scholar] [CrossRef]









| Attenuation (dB) | RSR (Ω) | RSH (Ω) |
|---|---|---|
| 2 | 5 | 215 |
| 4 | 11 | 104 |
| 8 | 21 | 47 |
| 16 | 36 | 16 |
| Reference | [7] | [8] | [9] | This Work |
|---|---|---|---|---|
| Frequency (GHz) | 1–15 | 7.5–9.1 | 11–13.5 | DC-12 |
| Technology | GaAs 0.18 μm | GaAs 0.25 μm | GaAs 0.25 μm | GaN 0.25 μm |
| Number of Bits | 6 | 6 | 5 | 4 |
| Attenuation Range (dB) | 31.5 | 31.5 | 15.5 | 30 |
| Attenuation Step (dB) | 0.5 | 0.5 | 0.5 | 2 |
| Insertion Loss of Ref. (dB) | 3.0–6.1 | 6.5–6.9 | <6.5 | 2.8–8.3 |
| Return Loss of Ref. (dB) | >12 | - | >15 | >12 |
| RMS Amplitude Error (dB) | <0.25 | <0.3 | <0.4 | <1 |
| RMS Phase Error (Deg.) | <5 | - | <2.5 | <8.5 |
| Chip size (mm2) | 3.12 | 5.8 | 9.0 | 4.3 |
Publisher’s Note: MDPI stays neutral with regard to jurisdictional claims in published maps and institutional affiliations. |
© 2022 by the authors. Licensee MDPI, Basel, Switzerland. This article is an open access article distributed under the terms and conditions of the Creative Commons Attribution (CC BY) license (https://creativecommons.org/licenses/by/4.0/).
Share and Cite
Kim, J.-G.; Lee, K.-H. An S/C/X-Band 4-Bit Digital Step Attenuator MMIC with 0.25 μm GaN HEMT Technology. Appl. Sci. 2022, 12, 4717. https://doi.org/10.3390/app12094717
Kim J-G, Lee K-H. An S/C/X-Band 4-Bit Digital Step Attenuator MMIC with 0.25 μm GaN HEMT Technology. Applied Sciences. 2022; 12(9):4717. https://doi.org/10.3390/app12094717
Chicago/Turabian StyleKim, Jeong-Geun, and Kang-Hee Lee. 2022. "An S/C/X-Band 4-Bit Digital Step Attenuator MMIC with 0.25 μm GaN HEMT Technology" Applied Sciences 12, no. 9: 4717. https://doi.org/10.3390/app12094717
APA StyleKim, J.-G., & Lee, K.-H. (2022). An S/C/X-Band 4-Bit Digital Step Attenuator MMIC with 0.25 μm GaN HEMT Technology. Applied Sciences, 12(9), 4717. https://doi.org/10.3390/app12094717
