Next Article in Journal
Species Diversity and Distribution of Macrophytes in Different Wetland Ecosystems
Next Article in Special Issue
An S/C/X-Band 4-Bit Digital Step Attenuator MMIC with 0.25 μm GaN HEMT Technology
Previous Article in Journal
Trait Energy and Fatigue Modify Acute Ingestion of an Adaptogenic-Rich Beverage on Neurocognitive Performance
Previous Article in Special Issue
Ku-Band CMOS Power Amplifier with Three-Stack Power Stage to Enhance Output Power and Efficiency
 
 
Font Type:
Arial Georgia Verdana
Font Size:
Aa Aa Aa
Line Spacing:
Column Width:
Background:
Article

A 60 GHz CMOS I/Q Receiver for High-Speed Wireless Communication System

1
Department of Electronic Engineering, Kwangwoon University, Seoul 01897, Korea
2
School of Electrical Engineering, Chung-Ang University, Seoul 06974, Korea
*
Author to whom correspondence should be addressed.
Appl. Sci. 2022, 12(9), 4468; https://doi.org/10.3390/app12094468
Submission received: 25 March 2022 / Revised: 22 April 2022 / Accepted: 25 April 2022 / Published: 28 April 2022
(This article belongs to the Special Issue Recent Research in Microwave and Millimeter-Wave Components)

Abstract

:
This paper presents a 60 GHz CMOS I/Q receiver for the high-speed wireless communication system. It consists of a low noise amplifier, single-to-differential (S2D) amplifier, passive mixer, buffer amplifier with passive I/Q generator, and wideband baseband amplifier (BBA) stage. The measured conversion gain of 51 dB is achieved. The baseband bandwidth of 300 MHz is achieved from 57 GHz to 60 GHz. The 90° tandem coupler was implemented for I/Q signal generation, which has a phase error of <7° and an amplitude imbalance of <2 dB from 55 to 62 GHz. The Marchand balun is used to convert the I/Q signal to the differential, which has a phase error of <4°. A 60 GHz CMOS I/Q receiver is designed and fabricated, using a commercial 40 nm CMOS bulk process. The size of the receiver is 2.02 × 1.45 mm2, including the pads. The circuit is operated from a 0.9 V supply. The power consumption is 172 mW at maximum gain mode.

1. Introduction

The demand for millimeter-wave components is increasing because of the need for high data rates communication systems, such as 5G NR communication, millimeter- wave short range, IEEE 802.11ad, WiGig, and IEEE 802.11ay, which are capable of supporting wireless applications, such as full-HD video streaming, real-time data synchronization, and high-speed wireless links up to tens of billions of bits per second [1,2]. The 60 GHz is especially popular due to the wide available RF bandwidth [3,4]. In addition, CMOS technology progress makes it possible to develop mass production, highly integrated, and low-cost millimeter-wave ICs with moderate RF performance. Hence, CMOS is dominant in the market of millimeter-wave transceivers.
The I/Q receiver is one of the key building blocks in the 60 GHz wireless system. There are several challenges to designing CMOS I/Q receivers at 60 GHz, such as wide bandwidth, wide gain control range, and high I/Q signal accuracy. The performance of the I/Q receiver is dependent on the accuracy of the I/Q signal generator in the LO path. Therefore, it is necessary to make an I/Q generator with low phase and amplitude errors since an I/Q mismatch degrades the image rejection ratio in the receiver. To generate accurate I/Q signals, passive poly-phase filters, various quadrature couplers, and LC filters are introduced. However, 60 GHz is still too high [5,6]. Even though the RF bandwidth is wide at 60 GHz, the baseband amplifier limits the usable bandwidth, and, as a consequence, making a wideband baseband amplifier is a difficult task.
In this paper, a 60 GHz CMOS direct-conversion I/Q receiver with wide bandwidth and gain control range is presented for millimeter-wave high-speed wireless communication systems.

2. Design of 60 GHz CMOS I/Q Receiver

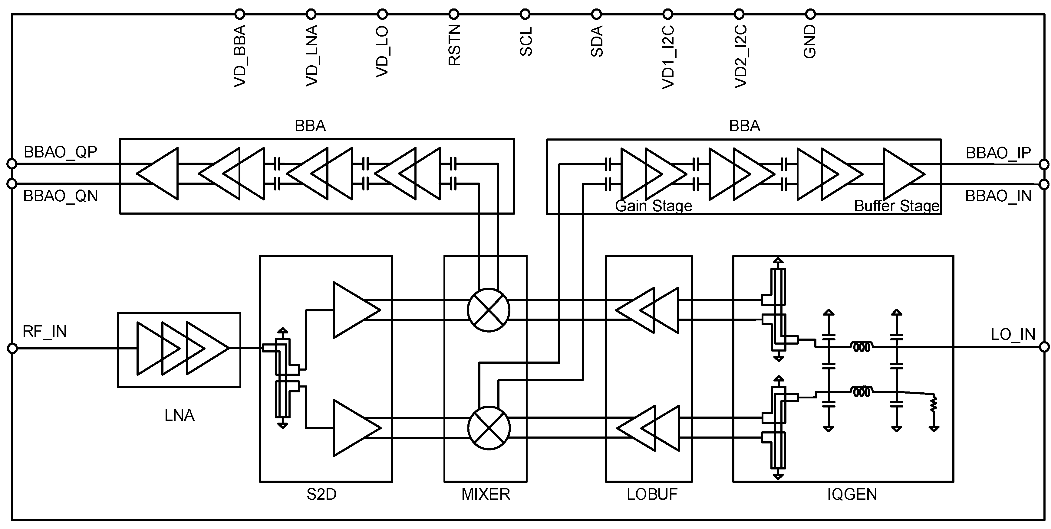
The 60 GHz I/Q receiver requires the wideband bandwidth, wide dynamic range, and the high accuracy I/Q signal to achieve a high image rejection ratio. The block diagram of the proposed 60 GHz I/Q receiver is shown in Figure 1. It consists of a low noise amplifier (LNA), single-to-differential (S2D) amplifier, double-balanced passive mixer, LO buffer amplifier, quadrature generator (IQGEN), and baseband amplifier (BBA). The LNA is a single-ended design, with the first two stages being a common source amplifier with source degeneration to achieve an optimal noise figure (NF) so that it can amplify the RF signal around 60 GHz with low noise figure [7,8,9,10,11]. Since the mixer is double balanced and mixes in phase (I) and quadrature phase (Q) individually, the amplified RF signal from the LNA, which is a single-ended design, is converted to the differential form using an S2D amplifier. In an S2D amplifier, the single-ended RF signal is converted into the differential form using S2D balun. Balun, being a passive device, introduces some attenuation to the RF signal from the LNA, thus we need to compensate for the loss using the amplifier in the S2D stage. The RF signal from an S2D and local oscillator signal (LO signal) is mixed in the passive mixer. Since the mixer is passive, there is conversion loss in the mixing process, thus we need a LO buffer amplifier that ensures the LO signal has enough swing to switch on the passive mixer switches. For image rejection, the receiver is designed for I and Q mixing. The I and Q signals are generated before the LO buffer amplifier stage using the I/Q generator. The I/Q generator consists of a quadrature tandem coupler and balun. The quadrature tandem coupler generates the I and Q signal from the local oscillator input [12,13,14]. The I and Q signals are then converted to differential signals using a balun and fed to the LO buffer amplifier. The down-converted intermediate frequency (IF) baseband signal is amplified using BBA. The BBA consists of six stages of the amplifier to increase the signal level suitable for further processing for ADC and demodulation of the signal. The last stage is a buffer circuit to drive the external 50 Ω load of the base-band signal. Since all the amplifiers are gain controllable, based on the control bit, the receiver can operate in required gain states [15,16].

2.1. Design of 60 GHz Low Noise Amplifier

A 60 GHz receiver requires a low noise figure as well as high linearity. Therefore, a three-stage CS LNA with a low noise figure is proposed. Figure 2 shows the schematic of 60 GHz LNA. The single-ended structured LNA input is connected to the antenna. The inductive source degeneration technique (L4, L6) is used in the first and the second stages to achieve the low noise figure at 60 GHz. The common source amplifier structure is implemented without a source degeneration inductor in the third stage to improve the gain and linearity. The input matching network is formed by inductors L1 and L2 and capacitor C1. The shunt inductor (L1) is implemented in the input matching network for ESD protection. The switched resistive feedback network is implemented to control the gain at the second and the third stage. The PMOS transistor switch is used in the feedback network so that the additional DC block capacitor is avoidable. Since the additional parasitic capacitance can be removed, it helps to achieve a 21 dB gain at 60 GHz. To control the gain of around 6 dB, the feedback resistors Rf1 and Rf2 are used, considering the on-resistance of PMOS. A custom cap metal-oxide-metal (MOM) capacitor is used with EM simulation to achieve an accurate frequency of 60 GHz. The shunt inductor (L1) is implemented in the input matching network for ESD protection. The simulated gain of 21 dB and the noise figure of <5.5 dB are achieved at 57–62 GHz. The gain of the LNA is controllable from 15 dB to 21 dB at 57–62 GHz. The output impedance is matched to 50 Ω for driving two separate single-to-differential amplifiers. The parameter value of the components in the circuit is shown in Figure 2.

2.2. Design of 60 GHz Single-to-Differential Amplifier

The single-to-differential amplifier is designed to drive to the RF port of the double-balanced mixer because of the single-ended output at the LNA. The schematic of the 60 GHz single-to-differential amplifier is shown in Figure 3. It consists of a Marchand balun, a cascode amplifier with switched resistive feedback networks. The Marchand balun is used to generate the differential signal. The use of the capacitors in the balun makes the size of the balun compact. The input impedance of 100 Ω is chosen at the input of the Marchand balun because two balun ports for I/Q mixers are connected to the output of the single-ended LNA. The simulated phase and amplitude mismatches of balun are <1 degree and ~0.2 dB, respectively, at 57–62 GHz. The 2-bit resistive feedback gain control is used with the PMOS switch to increase the gain control range. The cascode amplifier with the resistive feedback is achieved with the gain control of 4 dB for the linearity. The transformers of XFM1 and XFM2 are used at input and output for matching, which results in making the accurate differential signal and the compact chip size. To improve the phase and the amplitude balance, the transformer with the shunt capacitor (C3) is implemented at the load.

2.3. Design of 60 GHz LO Buffer Amplifier

The LO buffer proposed in this work adopts a cascode structure. The schematic of the LO buffer amplifier is shown in Figure 4. It consists of 2 stages of cascode differential amplifier stages. The first stage amplifier has a gain control feedback network. The second stage has only a cascode amplifier to boost the gain of the first stage. The same switched resistive feedback in S2D is implemented to control the gain. The cascode topology is chosen to achieve the advantage of its higher gain and proper isolation of input and output ports which facilitates impedance matching. The transformer is considered to form the part of the matching network. The simulated gain of the 60 GHz LO buffer amplifier is 16 dB with a 4 dB gain control range.

2.4. Design of 60 GHz I/Q Signal Generator

The double-balanced I/Q passive mixers are used in the receiver, and therefore, the I/Q signal generator should have a balun to convert single-ended signal to differential and a 90° tandem coupler to generate accurate I and Q signals as shown in Figure 5. The passive couplers with the reduced transmission lines are used in the 60 GHz differential I/Q signal generator to achieve the wideband and accurate performance in phase and amplitude with the compact size. The tandem coupler is used in the 90-degree coupler to achieve the compact size because it can be implemented with only two inductors and capacitors. The capacitively loaded microstrip line is used to reduce the size of the coupler. The capacitors of C5 and C6 are used to improve the phase and the amplitude mismatches in the coupler. The full EM simulation is performed to make high accurate phase and amplitude at 60 GHz. The amplitude and the phase mismatches are 2 dB and <7° at 57–62 GHz. The size of the coupler is 0.1 × 0.43 mm2. The Marchand balun with the broadside coupled transmission line structure is designed to enhance the coupled coefficient and balanced output. The capacitor C7 is used for input matching, and capacitor C8 is used for output port matching. The custom MIM capacitor is used, which has a high-quality factor at 60 GHz. These capacitors also provide phase compensation at respective ports.

2.5. Design of 60 GHz Passive Mixer and Base Band Amplifier (BBA) Circuit

The passive switching quad is implemented for the double-balanced mixer for the high linearity and low DC power consumption as shown in Figure 6. The passive mixer is realized with a transistor size of 40 µm total width is implemented to achieve high conversion gain at 60 GHz. The conversion gain is dependent on the gate bias and the vgs of 0.45 V is chosen for the high conversion gain; it can be digitally controllable. The capacitive loads are used to filter out the unwanted RF and LO signals. To achieve the wide bandwidth, the capacitors, including the loading capacitance of the baseband amplifier, are chosen.
The block diagram of BBA is shown in Figure 7a. It consists of six stages of an amplifier cascaded in series, and a DC block capacitor is placed after every two stages to prevent the DC offset. It is a 4-bit digital controlled wideband programmable gain control amplifier. The structure is differential, and the gain depends on the load resistance RL and the value of source degeneration resistance at each gain stage as shown in Figure 7b. The buffer circuit shown in Figure 7c drives the external 50 Ω load of the baseband signal. The simulated gain control range is around 60 dB, and the 3 dB baseband bandwidth is around 1 GHz. The parameter values of the components of the baseband amplifier circuit are shown in Figure 7.

3. Measurement Results

The chip microphotograph of the 60 GHz CMOS LNA is shown in Figure 8. The measured S-parameter results of the 3-stage LNA are shown in Figure 9. The gain of 13.5 dB is achieved in the frequency from 57 to 62 GHz. The input return loss is <10 dB, and the output return loss is <7 dB from 57 to 62 GHz. The 60 GHz LNA consumes a current of 25 mA with a supply of 0.9 V. The chip size of the LNA including the pads is 0.45 × 0.49 mm2. The proposed 60 GHz I/Q receiver uses a 40 nm CMOS technology. Figure 10 shows the microphotograph of the proposed 60 GHz I/Q receiver. The chip size is 2.02 × 1.45 mm2, including the pads. The measurements are performed on a high-frequency probe station with DC pads wire bonded to a PCB.
The measurement setup for the 60 GHz CMOS I/Q receiver using a spectrum analyzer is shown in Figure 11. The millimeter-wave source module is used to increase the frequency of the signal generator up to V-band. The LO signal generated from the vector network analyzer has also a limit on the frequency and power, thus the frequency quadrupler is used to extend the frequency up to the V-band and increase the output power to ~16 dBm. The IF outputs Ip is observed in the spectrum analyzer while other IF ports are terminated at 50 Ω. The I2C interface is used to control the 60 GHz I/Q receiver chip.
Figure 12a plots the three different conversion gain states with the LO power varied from −10 to 10 dBm. The 8-bit gain control is implemented in the receiver, in which 2 bits from MSB are for LNA gain control, and the next 2 bits are for the S2D gain control, and the last 4 bits are for the baseband amplifier. The gain code of 1111_1111 is the highest gain state, and the gain code of 0000_0001 is the lowest gain state. As shown in Figure 12a, the conversion gain is saturated over the LO power of −2 dBm. The measured conversion gain is ~50 dB (Gain code: 1111_1111), ~30 dB (Gain code: 1010_0100), and ~3 dB (Gain code: 0000_0001). Similarly, Figure 12b shows the conversion gain versus RF power. The RF power is swept from −70 to 0 dBm, and the RF frequency is maintained at 60 GHz. Further, the LO power of 5 dBm is applied at 60 GHz. The conversion gains are ~51 dB (Gain code: 1111_1111), ~30 dB (Gain code: 1010_0100), and ~3 dB (Gain code: 0000_0001) at RF power of –70 dBm.
The conversion gain across frequency is measured by sweeping RF and LO together, keeping the IF fixed and superimposed as shown in Figure 13a. The conversion gain of different IF ports versus RF Frequency is plotted. The RF frequency is varied from 57 to 61 GHz, maintaining the constant IF frequency of 10 MHz. The RF and the LO power of −61 dBm and 5 dBm respectively are applied. The peak gain is ~56 dB at 59 GHz. Figure 13b shows the conversion gain of the I/Q Rx receiver against the IF frequency at the LO frequency of 60 GHz. The measured conversion gains are ~50 dB (Gain code: 1111_1111), ~32 dB (Gain code: 1010_0100), and ~3 dB (Gain code: 0000_0001). The 3 dB baseband bandwidth is around 300 MHz at the highest gain state (Gain code: 1111_1111). The gain control range achieved is around 48 dB.
The I/Q waveform measurement setup of the 60 GHz CMOS receiver is shown in Figure 14. The RF signal of 60 GHz is applied using the V-band source module to extend the frequency and power range. The LO signal of 60.01 GHz is applied from VNA using a frequency quadrupler to the LO port of the receiver. The DC voltage supply of 0.9 V is applied. The chip consumes a total current of 191 mA. The four IF outputs are connected to the four channels of the oscilloscope, and the output waveforms are observed. All the control bits of LNA, S2D, and BBA are kept in the highest gain state (Gain code: 1111_1111) to observe the I/Q baseband signal. Figure 15 shows the measured baseband output waveform at the highest gain state. The RF power is set at −30 dBm, and LO power is set to 5 dBm.
The performance of the 60 GHz CMOS I/Q receiver is summarized in Table 1 along with the published design for comparison. A passive I/Q generator with a quadrature tandem coupler and Marchand balun is used with full EM simulation to generate an accurate I/Q signal at 60 GHz. A transformer-based design technique is used in this work to generate accurate differential signals. As a result, the proposed 60 GHz I/Q receiver can also be implemented with compact chip size, improved conversion gain, and low power consumption at millimeter-wave frequency.

4. Conclusions

This paper presents a wideband 60 GHz I/Q receiver in bulk 40 nm CMOS technology. The passive I/Q generator with a tandem coupler and Marchand balun is implemented to generate the accurate I/Q signals at 60 GHz. To achieve the wide gain control range, the resistive feedback with the PMOS switch is implemented in the 60 GHz amplifiers. The receiver achieves a conversion gain of 51 dB at 60 GHz with a gain control range is nearly 48 dB. The 3 dB baseband bandwidth of 300 MHz is achieved from 57 GHz to 60 GHz. The I/Q receiver chip dissipates a 172 mW of power from a 0.9 V supply, and the chip size is 2.01 × 1.45 mm2. With these specifications, the proposed 60 GHz I/Q receiver with passive I/Q generation is well suited for a variety of high-speed wireless communication applications.

Author Contributions

Conceptualization, A.B. and J.-G.K.; methodology, A.B. and J.-G.K.; investigation, A.B. and J.-G.K.; writing—original draft preparation, A.B., D.B. and J.-G.K.; writing—review and editing, A.B. and J.-G.K.; supervision, J.-G.K.; project administration, D.B. and J.-G.K.; funding acquisition, J.-G.K. All authors have read and agreed to the published version of the manuscript.

Funding

This work was supported by Institute of Information & Communications Technology Planning & Evaluation (IITP) grant funded by the Korea government (MSIT) (No.2018-0-01663, Development of Communication Sensing Converged B5G Millimeter Wave System).

Institutional Review Board Statement

Not applicable.

Informed Consent Statement

Not applicable.

Data Availability Statement

The data can be obtained from the authors on request.

Conflicts of Interest

The authors declare no conflict of interest.

References

  1. Byeon, C.; Yoon, C.; Park, C. A 67-mW 10.7-Gb/s 60-GHz OOK CMOS transceiver for short-range wireless communications. IEEE Trans. Microw. Theory Tech. 2013, 61, 3391–3401. [Google Scholar] [CrossRef]
  2. Cohen, E.; Ruberto, M.; Cohen, M.; Degani, O.; Ravid, S.; Ritter, D. A CMOS bidirectional 32-element phased-array transceiver at 60 GHz with LTCC antenna. IEEE Trans. Microw. Theory Tech. 2013, 61, 1359–1375. [Google Scholar] [CrossRef]
  3. Li, Y.-T.; Zheng-Song; Liu, Z.-R.; Wu, Y.-H.; Chi, B.-Y. A wideband and high linearity Programmable Gain Amplifier for 60 GHz receiver in 65 nm CMOS. In Proceedings of the 2016 13th IEEE International Conference on Solid-State and Integrated Circuit Technology (ICSICT), Hangzhou, China, 25–28 October 2016; pp. 1549–1551. [Google Scholar]
  4. Bhagavatula, V.; Zhang, T.; Suvarna, A.R.; Rudell, J.C. An Ultra-Wideband IF Millimeter-Wave Receiver with a 20 GHz Channel Bandwidth Using Gain-Equalized Transformers. IEEE J. Solid-State Circuits 2016, 51, 323–331. [Google Scholar]
  5. Cheng, J.-H.; Lin, J.-A.; Huang, T.-W.; Tsai, J.-H. A 4.32~8.64-GHz receiver front-end with variable gain amplifier and I/Q mixer for 60-GHz heterodyne system in 65 nm CMOS technology. In Proceedings of the WAMICON 2014, Tampa, FL, USA, 6 June 2014; pp. 1–4. [Google Scholar]
  6. Zhu, H.; Guo, Y.J. Modified Wideband Tandem Couplers with Arbitrary Coupling Coefficient and its Implementation in Beam-Forming Networks. In Proceedings of the 2018 Asia-Pacific Microwave Conference (APMC), Kyoto, Japan, 6–9 November 2018; pp. 542–544. [Google Scholar]
  7. Wei, B.; Dai, Y.; Zhang, X.; Lu, Y. A 2.4-GHz low-IF front-end receiver in 0.18-µm CMOS for IEEE 802.15.4 WPAN applications. In Proceedings of the 2009 IEEE 8th International Conference on ASIC, Changsha, China, 20–23 October 2009; pp. 1137–1140. [Google Scholar]
  8. Perumana, B.G.; Zhan, J.C.; Taylor, S.S.; Carlton, B.R.; Laskar, J. Resistive-Feedback CMOS Low-Noise Amplifiers for Multiband Applications. IEEE Trans. Microw. Theory Tech. 2008, 56, 1218–1225. [Google Scholar] [CrossRef]
  9. Aditi; Bansal, M. High linearity and low noise shunt resistive feedback CMOSLNA in 2.4 GHz ISM band. In Proceedings of the 2017 Recent Developments in Control, Automation & Power Engineering (RDCAPE), Noida, India, 26–27 October 2017; pp. 95–99. [Google Scholar]
  10. Tsai, J.; Lin, J.; Ding, K. Design of a 9–25 GHz broadband low noise amplifier using 0.15-μm GaAs HEMT process. In Proceedings of the 2012 International Conference on Microwave and Millimeter Wave Technology (ICMMT), Shenzhen, China, 5–8 May 2012; pp. 1654–1657. [Google Scholar]
  11. Lee, J.; Kim, Y. CMOS low noise amplifier design techniques using shunt resistive feedback. In Proceedings of the 2005 Asia-Pacific Microwave Conference Proceedings, Suzhou, China, 4–7 December 2005; pp. 20–23. [Google Scholar]
  12. Umar, M.; Laabs, M.; Neumann, N.; Plettemeier, D. 60 GHz Double Edge Coupled Marchand Balun for PCB Implementation. In Proceedings of the 2019 49th European Microwave Conference (EuMC), Paris, France, 1–3 October 2019; pp. 332–335. [Google Scholar]
  13. Mat, D.A.A.; Pokharel, R.K.; Sapawi, R.; Kanaya, H.; Yoshida, K. 60 GHz-band on-chip Marchand Balun designed on flat and patterned ground shields for milimeter-wave 0.18 µm CMOS technology . In Proceedings of the Asia-Pacific Microwave Conference 2011, Melbourne, VIC, Australia, 5–8 December 2011; pp. 884–887. [Google Scholar]
  14. Brandolini, M.; Rossi, P.; Sanzogni, D.; Svelto, F. A +78 dBm IIP2 CMOS direct downconversion mixer for fully integrated UMTS receivers. IEEE J. Solid-State Circuits 2006, 41, 552–559. [Google Scholar] [CrossRef]
  15. Kumar, T.B.; Ma, K.; Yeo, K.S.; Yang, W. A 35 mW 30 dB gain control range current mode programmable gain amplifier with DC offset cancellation. In Proceedings of the 2014 IEEE MTT-S International Microwave Symposium (IMS2014), Tampa, FL, USA, 1–6 June 2014; pp. 1–4. [Google Scholar]
  16. Calvo, B.; Celma, S.; Martinez, P.A.; Sanz, M.T. 1.8 V-100 MHz CMOS programmable gain amplifier. In Proceedings of the IEEE International Symposium on Circuits and Systems, Montreal, QC, Canada, 22–25 May 2016; pp. 1555–1558. [Google Scholar]
  17. Sadhu, B.; Valdes-Garcia, A.; Plouchart, J.O.; Ainspan, H.; Gupta, A.K.; Ferriss, M.; Yeck, M.; Sanduleanu, M.; Gu, X.; Baks, C.W.; et al. A 250-mW 60-GHz CMOS Transceiver SoC Integrated with a Four-Element AiP Providing Broad Angular Link Coverage. IEEE J. Solid-State Circuits 2020, 55, 1516–1529. [Google Scholar] [CrossRef]
  18. Wu, R.; Minami, R.; Tsukui, Y.; Kawai, S.; Seo, Y.; Sato, S.; Kimura, K.; Kondo, S.; Ueno, T.; Fajri, N.; et al. 64-QAM 60-GHz CMOS Transceivers for IEEE 802.11 ad/ay. IEEE J. Solid-State Circuits 2017, 52, 2871–2891. [Google Scholar] [CrossRef]
Figure 1. Block diagram of proposed 60 GHz CMOS I/Q receiver.
Figure 1. Block diagram of proposed 60 GHz CMOS I/Q receiver.
Applsci 12 04468 g001
Figure 2. Schematic of 60 GHz low noise amplifier.
Figure 2. Schematic of 60 GHz low noise amplifier.
Applsci 12 04468 g002
Figure 3. Schematic of 60 GHz single to differential amplifier.
Figure 3. Schematic of 60 GHz single to differential amplifier.
Applsci 12 04468 g003
Figure 4. Schematic of 60 GHz LO buffer amplifier.
Figure 4. Schematic of 60 GHz LO buffer amplifier.
Applsci 12 04468 g004
Figure 5. Schematic of 60 GHz passive I/Q generator.
Figure 5. Schematic of 60 GHz passive I/Q generator.
Applsci 12 04468 g005
Figure 6. Schematic of 60 GHz double-balanced passive mixer.
Figure 6. Schematic of 60 GHz double-balanced passive mixer.
Applsci 12 04468 g006
Figure 7. (a) Block diagram of 60 GHz baseband amplifier, (b) schematic of gain stage, (c) schematic of buffer stage of baseband amplifier.
Figure 7. (a) Block diagram of 60 GHz baseband amplifier, (b) schematic of gain stage, (c) schematic of buffer stage of baseband amplifier.
Applsci 12 04468 g007
Figure 8. Chip microphotograph of 60 GHz CMOS LNA test pattern.
Figure 8. Chip microphotograph of 60 GHz CMOS LNA test pattern.
Applsci 12 04468 g008
Figure 9. Measured S-parameters of the 60 GHz LNA test pattern.
Figure 9. Measured S-parameters of the 60 GHz LNA test pattern.
Applsci 12 04468 g009
Figure 10. Chip microphotograph of 60 GHz CMOS I/Q receiver.
Figure 10. Chip microphotograph of 60 GHz CMOS I/Q receiver.
Applsci 12 04468 g010
Figure 11. Measurement setup for 60 GHz CMOS I/Q receiver using spectrum analyzer.
Figure 11. Measurement setup for 60 GHz CMOS I/Q receiver using spectrum analyzer.
Applsci 12 04468 g011
Figure 12. Measured (a) conversion gain versus LO power, (b) conversion gain versus RF power of 60 GHz CMOS I/Q receiver.
Figure 12. Measured (a) conversion gain versus LO power, (b) conversion gain versus RF power of 60 GHz CMOS I/Q receiver.
Applsci 12 04468 g012
Figure 13. Measured (a) conversion gain versus RF frequencies at different IF ports (Gain code: 1111_1111), (b) conversion gain versus IF frequency.
Figure 13. Measured (a) conversion gain versus RF frequencies at different IF ports (Gain code: 1111_1111), (b) conversion gain versus IF frequency.
Applsci 12 04468 g013
Figure 14. I/Q waveform measurement setup of 60 GHz CMOS I/Q receiver.
Figure 14. I/Q waveform measurement setup of 60 GHz CMOS I/Q receiver.
Applsci 12 04468 g014
Figure 15. I/Q waveform measurement results at high gain mode of 60 GHz CMOS I/Q receiver.
Figure 15. I/Q waveform measurement results at high gain mode of 60 GHz CMOS I/Q receiver.
Applsci 12 04468 g015
Table 1. Performance summary and comparison of 60 GHz I/Q receiver.
Table 1. Performance summary and comparison of 60 GHz I/Q receiver.
Ref.This WorkJSSC [17]JSSC [18]
Tech (CMOS)40 nm32 nm65 nm
Freq. (GHz)57–6058–6057–62
I/Q generationPassive Tandem Coupler and Marchand BalunFrequency Divider
(Double Conversion)
Quadrature
Injected Local Oscillator
Gain Range (dB)3–5115–5430
Supply (V)0.911.2
Power (mW)172247220
Chip Size (mm2)2.810.2 11.25 2
1 4-Channel transceiver; 2 Only core area.
Publisher’s Note: MDPI stays neutral with regard to jurisdictional claims in published maps and institutional affiliations.

Share and Cite

MDPI and ACS Style

Bhatta, A.; Baek, D.; Kim, J.-G. A 60 GHz CMOS I/Q Receiver for High-Speed Wireless Communication System. Appl. Sci. 2022, 12, 4468. https://doi.org/10.3390/app12094468

AMA Style

Bhatta A, Baek D, Kim J-G. A 60 GHz CMOS I/Q Receiver for High-Speed Wireless Communication System. Applied Sciences. 2022; 12(9):4468. https://doi.org/10.3390/app12094468

Chicago/Turabian Style

Bhatta, Ayush, Donghyun Baek, and Jeong-Geun Kim. 2022. "A 60 GHz CMOS I/Q Receiver for High-Speed Wireless Communication System" Applied Sciences 12, no. 9: 4468. https://doi.org/10.3390/app12094468

APA Style

Bhatta, A., Baek, D., & Kim, J.-G. (2022). A 60 GHz CMOS I/Q Receiver for High-Speed Wireless Communication System. Applied Sciences, 12(9), 4468. https://doi.org/10.3390/app12094468

Note that from the first issue of 2016, this journal uses article numbers instead of page numbers. See further details here.

Article Metrics

Back to TopTop