Compressor Surge Mitigation in Turbocharged Spark-Ignition Engines without an Anti-Surge Control System during Load-Decrease Operation
Abstract
1. Introduction
2. Materials and Methods
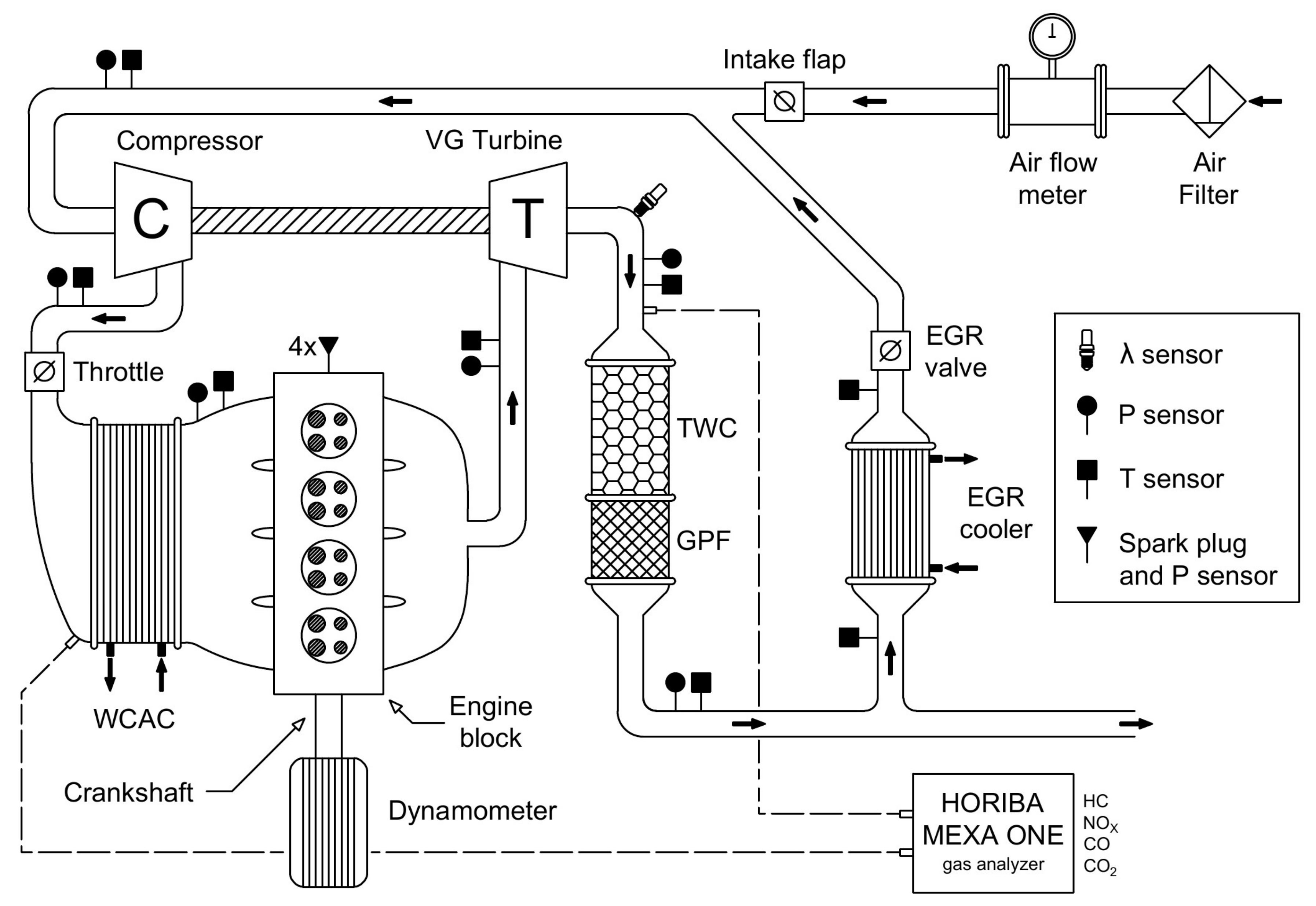
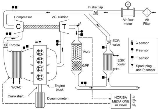
2.1. Engine Test Cell
2.2. Experimental Campaign
2.3. Surge Detection
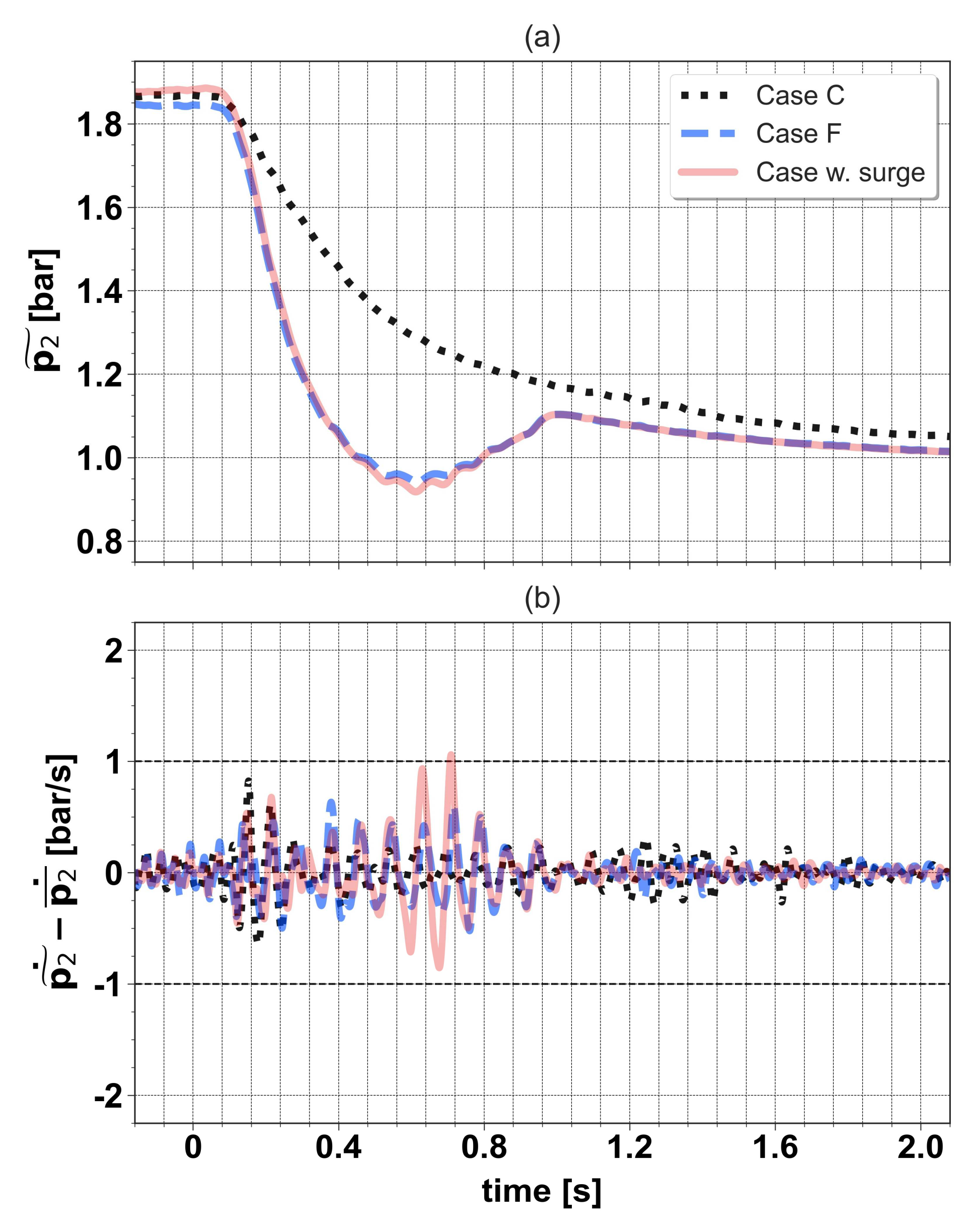
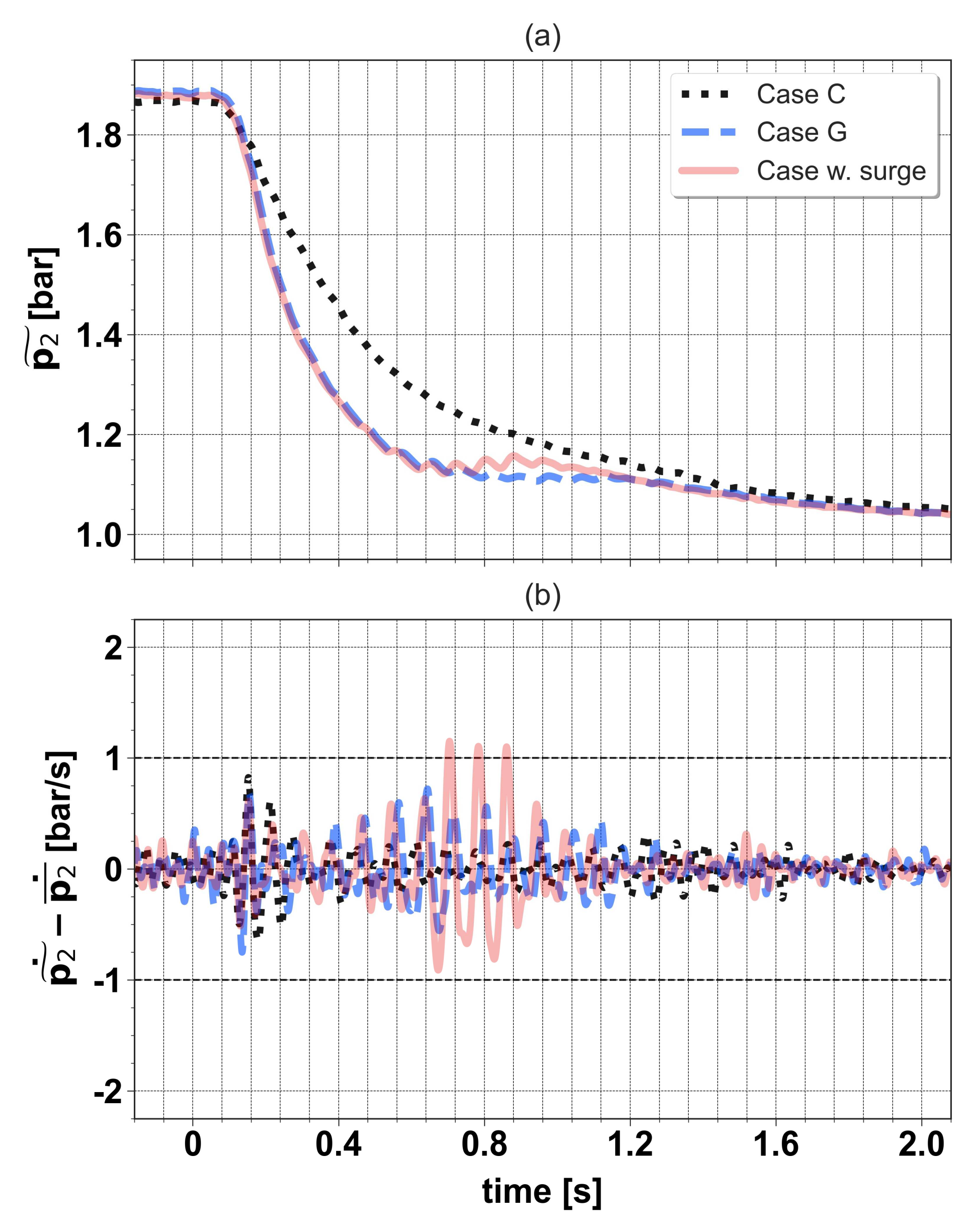
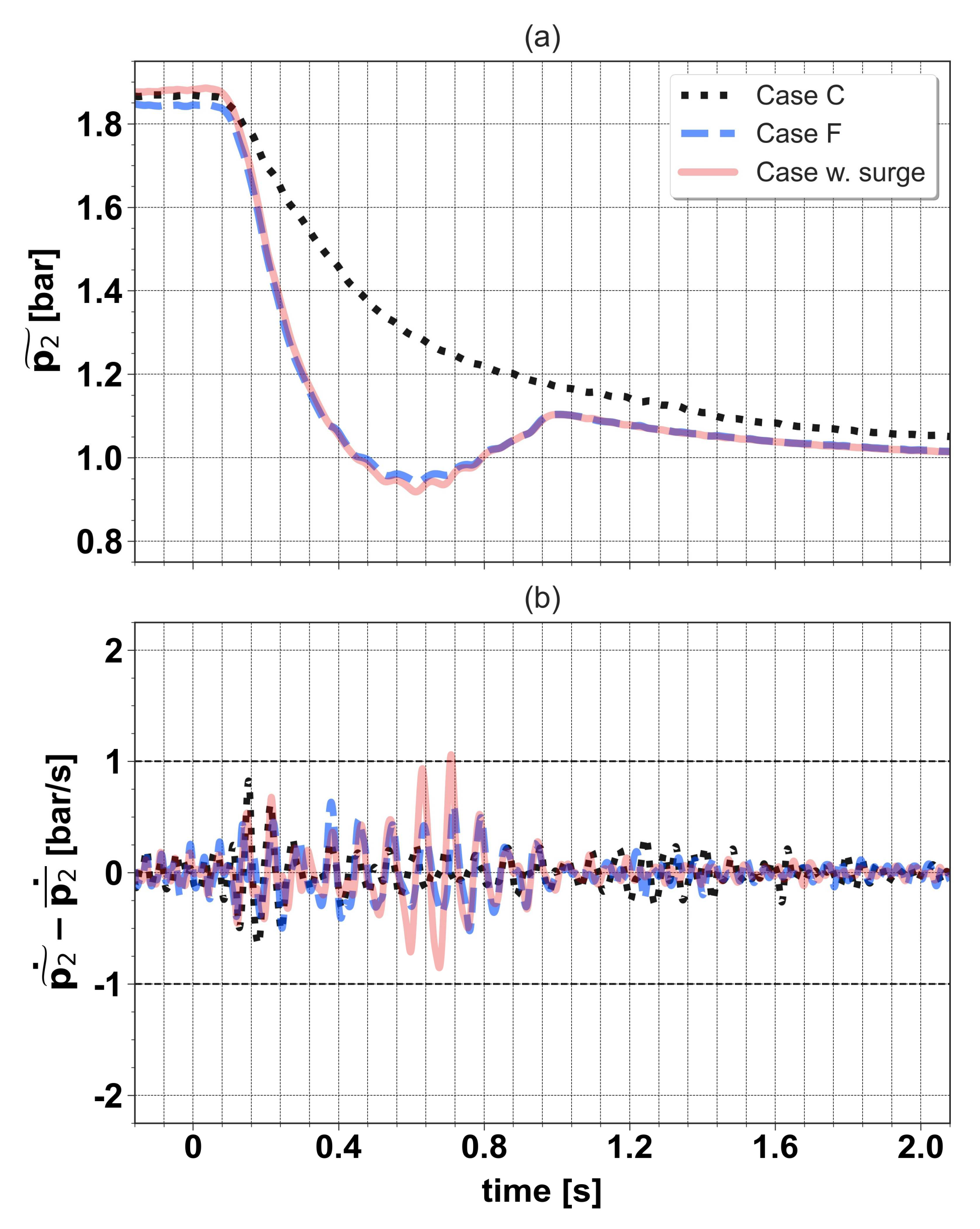
3. Results and Discussion
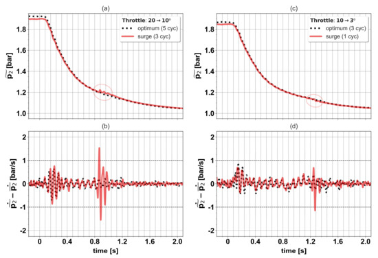
3.1. Optimization of Throttle Actuation
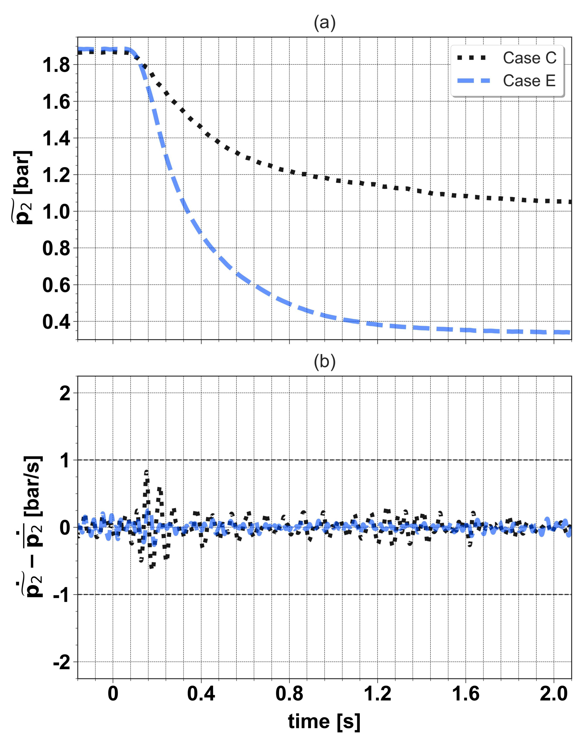
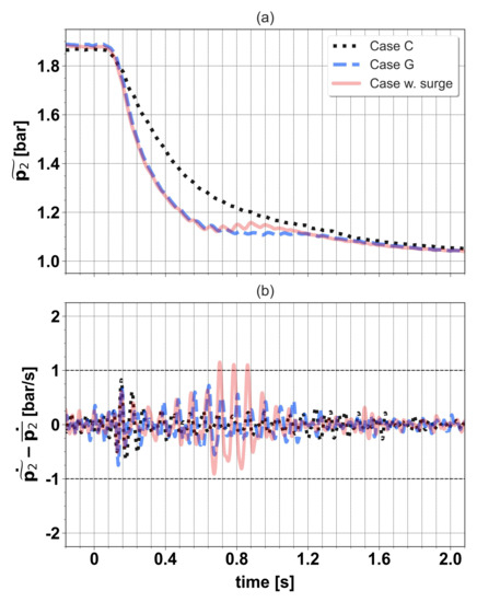
3.2. Effect of Intake Flap Closure on the Surge Margin
4. Conclusions
Author Contributions
Funding
Data Availability Statement
Acknowledgments
Conflicts of Interest
Nomenclature
| Acronyms and abbreviations | |
| AMF | air mass flow |
| ASV | anti-surge valve |
| CAD | crank-angle degrees |
| cyc. | cycle |
| ECU | engine control unit |
| EGR | exhaust gas recirculation |
| SI | spark ignition |
| VGT | variable geometry turbine |
| VVT | variable valve timing |
| w. | with |
| wo. | without |
| Symbols | |
| frequency | |
| pressure signal | |
| filtered pressure signal ( = 30 Hz) | |
| moving average pressure signal ( = 10 Hz) | |
| time derivative of | |
| time derivative of | |
| Subscripts | |
| 1 | compressor inlet |
| 2 | compressor outlet |
| c | cut-off |
| corr | corrected |
Appendix A



References
- García, A.; Monsalve-Serrano, J.; Martínez-Boggio, S.; Wittek, K. Potential of hybrid powertrains in a variable compression ratio downsized turbocharged VVA Spark Ignition engine. Energy 2020, 195, 117039. [Google Scholar] [CrossRef]
- Conway, G.; Chambon, P.; Alger, T. Opportunities for Electrified Internal Combustion Engines; SAE Technical Paper 2020-01-0281; SAE International: Detroit, MI, USA, 2020. [Google Scholar] [CrossRef]
- Soleimani, M.; Campean, F.; Neagu, D. Reliability challenges for automotive aftertreatment systems: A state-of-the-art perspective. Procedia Manuf. 2018, 16, 75–82. [Google Scholar] [CrossRef]
- Lumsden, G.; OudeNijeweme, D.; Fraser, N.; Blaxill, H. Development of a Turbocharged Direct Injection Downsizing Demonstrator Engine. SAE Int. J. Engines 2009, 2, 1420–1432. [Google Scholar] [CrossRef]
- Shahed, S.M.; Bauer, K.-H. Parametric Studies of the Impact of Turbocharging on Gasoline Engine Downsizing. SAE Int. J. Engines 2009, 2, 1347–1358. [Google Scholar] [CrossRef]
- Fontana, G.; Galloni, E. Variable valve timing for fuel economy improvement in a small spark-ignition engine. Appl. Energy 2009, 86, 96–105. [Google Scholar] [CrossRef]
- Parker, M.C.; Jiang, C.; Butcher, D.; Spencer, A.; Garner, C.P.; Witt, D. Impact and observations of cylinder deactivation and reactivation in a downsized gasoline turbocharged direct injection engine. Int. J. Engine Res. 2021, 22, 1367–1376. [Google Scholar] [CrossRef]
- Golzari, R.; Zhao, H.; Hall, J.; Bassett, M.; Williams, J.; Pearson, R. Impact of intake port injection of water on boosted downsized gasoline direct injection engine combustion, efficiency and emissions. Int. J. Engine Res. 2021, 22, 295–315. [Google Scholar] [CrossRef]
- Luján, J.M.; Climent, H.; Novella, R.; Rivas-Perea, M.E. Influence of a low pressure EGR loop on a gasoline turbocharged direct injection engine. Appl. Therm. Eng. 2015, 89, 432–443. [Google Scholar] [CrossRef]
- Siokos, K.; Koli, R.; Prucka, R.; Schwanke, J.; Miersch, J. Assessment of Cooled Low Pressure EGR in a Turbocharged Direct Injection Gasoline Engine. SAE Int. J. Engines 2015, 8, 1535–1543. [Google Scholar] [CrossRef]
- Macián, V.; Tormos, B.; Bermúdez, V.; Ramírez, L. Assessment of the effect of low viscosity oils usage on a light duty diesel engine fuel consumption in stationary and transient conditions. Tribol. Int. 2014, 79, 132–139. [Google Scholar] [CrossRef]
- Zeppei, D.; Koch, S.; Rohi, A. Ball Bearing Technology for Passenger Car Turbochargers. MTZ Worldw. 2016, 77, 26–31. [Google Scholar] [CrossRef]
- Hu, B.; Akehurst, S.; Lewis, A.G.; Lu, P.; Millwood, D.; Copeland, C.; Chappell, E.; De Freitas, A.; Shawe, J.; Burtt, D. Experimental analysis of the V-Charge variable drive supercharger system on a 1.0 L GTDI engine. Proc. Inst. Mech. Eng. Part D J. Automob. Eng. 2018, 232, 449–465. [Google Scholar] [CrossRef]
- Lefebvre, A.; Guilain, S. Transient Response of a Turbocharged SI Engine with an Electrical Boost Pressure Supply; SAE Technical Paper 2003-01-1844; SAE International: Warrendale, PA, USA, 2003. [Google Scholar] [CrossRef]
- Hu, B.; Yang, J.; Li, J.; Li, S.; Bai, H. Intelligent control strategy for transient response of a variable geometry turbocharger system based on deep reinforcement learning. Processes 2019, 7, 601. [Google Scholar] [CrossRef]
- Tang, H.; Akehurst, S.; Brace, C.J.; Garrett, S.; Smith, L. Optimisation of transient response of a gasoline engine with variable geometry turbine turbocharger. In Proceedings of the Institution of Mechanical Engineers: 11th International Conference on Turbochargers and Turbocharging, London, UK, 13–14 May 2014; pp. 163–175. [Google Scholar] [CrossRef]
- Andersen, J.; Lindström, F.; Westin, F. Surge Definitions for Radial Compressors in Automotive Turbochargers. SAE Int. J. Engines 2009, 1, 218–231. [Google Scholar] [CrossRef]
- Kurz, R.; White, R.C. Surge Avoidance in Gas Compression Systems. ASME. J. Turbomach. 2004, 126, 501–506. [Google Scholar] [CrossRef]
- Oakes, W.C.; Lawless, P.B.; Fagan, J.R.; Fleeter, S. High-speed centrifugal compressor surge initiation characterization. J. Propuls. Power 2002, 18, 1012–1018. [Google Scholar] [CrossRef]
- Engeda, A.; Kim, Y.; Aungier, R.; Direnzi, G. The inlet flow structure of a centrifugal compressor stage and its influence on the compressor performance. J. Fluids Eng. 2003, 125, 779–785. [Google Scholar] [CrossRef]
- Galindo, J.; Arnau, F.; Tiseira, A.; Lang, R.; Lahjaily, H.; Gimenes, T. Measurement and Modeling of Compressor Surge on Engine Test Bench for Different Intake Line Configurations; SAE Technical Paper 2011-01-0370; SAE International: Warrendale, PA, USA, 2011. [Google Scholar] [CrossRef]
- Galindo, J.; Tiseira, A.; Navarro, R.; Tarí, D.; Meano, C.M. Effect of the inlet geometry on performance, surge margin and noise emission of an automotive turbocharger compressor. Appl. Therm. Eng. 2017, 110, 875–882. [Google Scholar] [CrossRef]
- Fink, D.A.; Cumpsty, N.A.; Greitzer, E.M. Surge Dynamics in a Free-Spool Centrifugal Compressor System. ASME. J. Turbomach. 1992, 114, 321–332. [Google Scholar] [CrossRef]
- Galindo, J.; Serrano, J.R.; Climent, H.; Tiseira, A. Experiments and modelling of surge in small centrifugal compressor for automotive engines. Exp. Therm. Fluid Sci. 2008, 32, 818–826. [Google Scholar] [CrossRef]
- Galindo, J.; Serrano, J.R.; Margot, X.; Tiseira, A.; Schorn, N.; Kindl, H. Potential of flow pre-whirl at the compressor inlet of automotive engine turbochargers to enlarge surge margin and overcome packaging limitations. Int. J. Heat Fluid Flow 2007, 28, 374–387. [Google Scholar] [CrossRef]
- Galindo, J.; Climent, H.; Guardiola, C.; Tiseira, A. On the effect of pulsating flow on surge margin of small centrifugal compressors for automotive engines. Exp. Therm. Fluid Sci. 2009, 33, 1163–1171. [Google Scholar] [CrossRef]
- Lujan, J.; Pastor, J.; Climent, H.; Rivas, M. Experimental Characterization and Modelling of a Turbocharger Gasoline Engine Compressor By-Pass Valve in Transient Operation; SAE Technical Paper 2015-24-2524; SAE International: Warrendale, PA, USA, 2015. [Google Scholar] [CrossRef]
- Ossareh, H.R.; Buckland, J.; Jankovic, M. Continuous compressor recirculation to improve boost response and mitigate compressor surge in turbocharged gasoline engines. In Proceedings of the 2016 American Control Conference (ACC), Boston, MA, USA, 6–8 July 2016; pp. 5093–5098. [Google Scholar] [CrossRef]
- Podevin, P.; Danlos, A.; Deligant, M.; Punov, P.; Clenci, A.; de La Bourdonnaye, G. Automotive compressor: Effect of an electric throttle in the upstream circuit on the surge limit. MATEC Web Conf. 2018, 234, 03006. [Google Scholar] [CrossRef][Green Version]
- Galindo, J.; Climent, H.; de la Morena, J.; González-Domínguez, D.; Guilain, S.; Besançon, T. Assessment of air-management strategies to improve the transient performance of a gasoline engine under high EGR conditions during load-decrease operation. Int. J. Engine Res. 2021. [Google Scholar] [CrossRef]
- Pla, B.; De La Morena, J.; Bares, P.; Jiménez, I. Knock Analysis in the Crank Angle Domain for Low-Knocking Cycles Detection; SAE Technical Paper 2020-01-0549; SAE International: Warrendale, PA, USA, 2020. [Google Scholar] [CrossRef]
- Pla, B.; De la Morena, J.; Bares, P.; Jiménez, I. Cycle-to-cycle combustion variability modelling in spark ignited engines for control purposes. Int. J. Engine Res. 2020, 21, 1398–1411. [Google Scholar] [CrossRef]
- Galindo, J.; Climent, H.; De la Morena, J.; González-Domínguez, D.; Guilain, S.; Besançon, T. Experimental and modeling analysis on the optimization of combined VVT and EGR strategies in turbocharged direct-injection gasoline engines with VNT. Proc. Inst. Mech. Eng. Part D J. Automob. Eng. 2021, 235, 2843–2856. [Google Scholar] [CrossRef]
- Serrano, J.R.; Arnau, F.J.; García-Cuevas, L.M.; Gómez-Vilanova, A.; Guilain, S.; Batard, S. A Methodology for Measuring Turbocharger Adiabatic Maps in a Gas-Stand and Its Usage for Calibrating Control Oriented and One-Dimensional Models at Early ICE Design Stages. ASME. J. Energy Resour. Technol. 2021, 143, 042303. [Google Scholar] [CrossRef]
- Galindo, J.; Serrano, J.R.; Guardiola, C.; Cervelló, C. Surge limit definition in a specific test bench for the characterization of automotive turbochargers. Exp. Therm. Fluid Sci. 2006, 30, 449–462. [Google Scholar] [CrossRef]
- Ellis, G. Chapter 9—Filters in Control Systems. In Control Systems Design Guide, 4th ed.; Ellis, G., Ed.; Butterworth-Heinemann: Oxford, UK, 2012; pp. 165–183. [Google Scholar] [CrossRef]









| Attribute | Description |
|---|---|
| Type | Gasoline Euro VI |
| Displacement | 1300 cc |
| Compression ratio | 10:1 |
| Number of cylinders | 4 |
| Type of injection | Direct injection |
| Camshaft system | Variable Valve Timing |
| Total number of valves (intake/exhaust) | 8/8 |
| Turbocharger | VGT technology |
| Aftertreatment system | Four-way catalyst |
| Case | Throttle Actuation | Intake Flap | ASV | |
|---|---|---|---|---|
| A | closed in two cycles | fully open | ambient | Yes |
| B | defined to follow surge line | fully open | ambient | No |
| C | optimized | fully open | ambient | No |
| D | same as C | closed until 6% in one cycle | 0.65 bar | No |
| E | fully open | closed until 2% in one cycle | 0.33 bar | No |
| F | re-optimized | closed until 6% in one cycle | 0.65 bar | No |
| G | re-optimized | closed until 12% in one cycle | 0.87 bar | No |
Publisher’s Note: MDPI stays neutral with regard to jurisdictional claims in published maps and institutional affiliations. |
© 2022 by the authors. Licensee MDPI, Basel, Switzerland. This article is an open access article distributed under the terms and conditions of the Creative Commons Attribution (CC BY) license (https://creativecommons.org/licenses/by/4.0/).
Share and Cite
Galindo, J.; Climent, H.; de la Morena, J.; González-Domínguez, D.; Guilain, S.; Besançon, T. Compressor Surge Mitigation in Turbocharged Spark-Ignition Engines without an Anti-Surge Control System during Load-Decrease Operation. Appl. Sci. 2022, 12, 1751. https://doi.org/10.3390/app12031751
Galindo J, Climent H, de la Morena J, González-Domínguez D, Guilain S, Besançon T. Compressor Surge Mitigation in Turbocharged Spark-Ignition Engines without an Anti-Surge Control System during Load-Decrease Operation. Applied Sciences. 2022; 12(3):1751. https://doi.org/10.3390/app12031751
Chicago/Turabian StyleGalindo, José, Héctor Climent, Joaquín de la Morena, David González-Domínguez, Stéphane Guilain, and Thomas Besançon. 2022. "Compressor Surge Mitigation in Turbocharged Spark-Ignition Engines without an Anti-Surge Control System during Load-Decrease Operation" Applied Sciences 12, no. 3: 1751. https://doi.org/10.3390/app12031751
APA StyleGalindo, J., Climent, H., de la Morena, J., González-Domínguez, D., Guilain, S., & Besançon, T. (2022). Compressor Surge Mitigation in Turbocharged Spark-Ignition Engines without an Anti-Surge Control System during Load-Decrease Operation. Applied Sciences, 12(3), 1751. https://doi.org/10.3390/app12031751

