Technical Energy Assessment and Sizing of a Second Life Battery Energy Storage System for a Residential Building Equipped with EV Charging Station
Abstract
1. Introduction
2. System Description
3. Mathematical Modelling
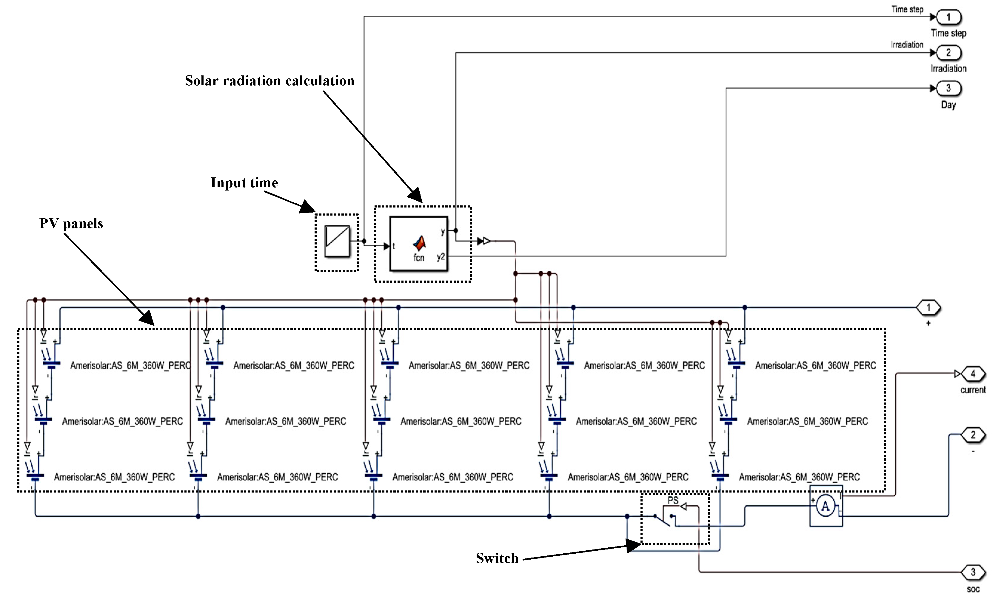
3.1. Solar PV Panels
3.2. Second Life Battery Pack
4. Results and Discussions
4.1. Impacts on Solar Power Generation
4.2. Impacts on Second Life Battery
4.3. Energy Exchange Analysis
4.4. Impacts of ESS’ SoH on Stability of the System
5. Conclusions
- An increase in SLBs size, when an extra EV charging load is applied, leads to a voltage peak drop in the second life battery. The increase in the number of SLB packs to 4 resulted in a 7.5% voltage peak drop of ESS.
- Adding EV charging station demand to the off-grid PV driven system, which has been designed to cover residential building demand (with two second life battery packs), expectedly resulted in instabilities in energy exchange between different components of the system during the year. Assuming that there is no extra space left on the building roof to add PV panels, increasing the number of second life battery packs was explored with the findings suggesting that an installed capacity equivalent to 4 battery packs for the studied residential building would minimize the energy mismatch between the energy supply and demand. This occurs before reaching 2000 discharge cycles and approximately 60% SoH (the final SoC of the ESS increased to nearly 53% for the case with 4 battery packs).
- When EVCS load has been applied to the residential load demand, the stability of the system could be improved by increasing the number of second life batteries due to the minimal differences in the initial and final SoC of the second life ESS. This is also beneficial in terms of cost, given that second life batteries have a lower price than brand new batteries.
Author Contributions
Funding
Institutional Review Board Statement
Informed Consent Statement
Data Availability Statement
Conflicts of Interest
Nomenclature
| EV | Electric vehicle |
| PV | Photovoltaic panel |
| ESS | Energy storage system |
| SoC | State of charge |
| SLB | Second life battery |
| SoH | State of health |
| EVCS | Electric vehicle charging station |
| CS | Charging station |
| ECM | equivalent circuit model |
References
- Salek, F.; Eshghi, H.; Zamen, M.; Ahmadi, M.H. Energy and exergy analysis of an atmospheric water generator integrated with the compound parabolic collector with storage tank in various climates. Energy Rep. 2022, 8, 2401–2412. [Google Scholar] [CrossRef]
- Cui, C.; Zou, Y.; Wei, L.; Wang, Y. Evaluating combination models of solar irradiance on inclined surfaces and forecasting photovoltaic power generation. IET Smart Grid 2019, 2, 123–130. [Google Scholar] [CrossRef]
- Obeidat, F. A comprehensive review of future photovoltaic systems. Sol. Energy 2018, 163, 545–551. [Google Scholar] [CrossRef]
- Mohamed, A.A.R.; Morrow, D.J.; Best, R.J.; Cupples, A.; Bailie, I.; Pollock, J. Distributed battery energy storage systems operation framework for grid power levelling in the distribution networks. IET Smart Grid 2021, 4, 582–598. [Google Scholar] [CrossRef]
- Campana, P.E.; Cioccolanti, L.; François, B.; Jurasz, J.; Zhang, Y.; Varini, M.; Stridh, B.; Yan, J. Li-ion batteries for peak shaving, price arbitrage, and photovoltaic self-consumption in commercial buildings: A Monte Carlo Analysis. Energy Convers. Manag. 2021, 234, 113889. [Google Scholar] [CrossRef]
- Uzair, M.; Rehman, N.U.; Yousuf, M.U. Sensitivity analysis of capital and energy production cost for off-grid building integrated photovoltaic systems. Renew. Energy 2022, 186, 195–206. [Google Scholar] [CrossRef]
- Zand, M.; Nasab, M.A.; Sanjeevikumar, P.; Maroti, P.K.; Holm-Nielsen, J.B. Energy management strategy for solid-state transformer-based solar charging station for electric vehicles in smart grids. IET Renew. Power Gener. 2020, 14, 3843–3852. [Google Scholar] [CrossRef]
- Li, C.; Zheng, Y.; Li, Z.; Zhang, L.; Zhang, L.; Shan, Y.; Tang, Q. Techno-economic and environmental evaluation of grid-connected and off-grid hybrid intermittent power generation systems: A case study of a mild humid subtropical climate zone in China. Energy 2021, 230, 120728. [Google Scholar] [CrossRef]
- Cusenza, M.A.; Guarino, F.; Longo, S.; Mistretta, M.; Cellura, M. Reuse of electric vehicle batteries in buildings: An integrated load match analysis and life cycle assessment approach. Energy Build. 2019, 186, 339–354. [Google Scholar] [CrossRef]
- Costa, C.; Barbosa, J.; Gonçalves, R.; Castro, H.; Del Campo, F.; Lanceros-Méndez, S. Recycling and environmental issues of lithium-ion batteries: Advances, challenges and opportunities. Energy Storage Mater. 2021, 37, 433–465. [Google Scholar] [CrossRef]
- Cusenza, M.A.; Guarino, F.; Longo, S.; Ferraro, M.; Cellura, M. Energy and environmental benefits of circular economy strategies: The case study of reusing used batteries from electric vehicles. J. Energy Storage 2019, 25, 100845. [Google Scholar] [CrossRef]
- Wang, T.; Jiang, Y.; Kang, L.; Liu, Y. Determination of retirement points by using a multi-objective optimization to compromise the first and second life of electric vehicle batteries. J. Clean. Prod. 2020, 275, 123128. [Google Scholar] [CrossRef]
- Sun, B.; Su, X.; Wang, D.; Zhang, L.; Liu, Y.; Yang, Y.; Liang, H.; Gong, M.; Zhang, W.; Jiang, J. Economic analysis of lithium-ion batteries recycled from electric vehicles for secondary use in power load peak shaving in China. J. Clean. Prod. 2020, 276, 123327. [Google Scholar] [CrossRef]
- Hart, P.; Kollmeyer, P.; Juang, L.; Lasseter, R.; Jahns, T. (Eds.) Modeling of second-life batteries for use in a CERTS microgrid. In Proceedings of the 2014 Power and Energy Conference at Illinois (PECI), Champaign, IL, USA, 28 February–1 March 2014. [Google Scholar]
- Mathews, I.; Xu, B.; He, W.; Barreto, V.; Buonassisi, T.; Peters, I.M. Technoeconomic model of second-life batteries for utility-scale solar considering calendar and cycle aging. Appl. Energy 2020, 269, 115127. [Google Scholar] [CrossRef]
- Uddin, K.; Gough, R.; Radcliffe, J.; Marco, J.; Jennings, P. Techno-economic analysis of the viability of residential photovoltaic systems using lithium-ion batteries for energy storage in the United Kingdom. Appl. Energy 2017, 206, 12–21. [Google Scholar] [CrossRef]
- Assunção, A.; Moura, P.S.; de Almeida, A.T. Technical and economic assessment of the secondary use of repurposed electric vehicle batteries in the residential sector to support solar energy. Appl. Energy 2016, 181, 120–131. [Google Scholar] [CrossRef]
- Tong, S.J.; Same, A.; Kootstra, M.A.; Park, J.W. Off-grid photovoltaic vehicle charge using second life lithium batteries: An experimental and numerical investigation. Appl. Energy 2013, 104, 740–750. [Google Scholar] [CrossRef]
- Torres-Sanz, V.; Sanguesa, J.A.; Martinez, F.J.; Garrido, P.; Marquez-Barja, J.M. Enhancing the Charging Process of Electric Vehicles at Residential Homes. IEEE Access 2018, 6, 22875–22888. [Google Scholar] [CrossRef]
- Sprake, D.; Vagapov, Y.; Lupin, S.; Anuchin, A. (Eds.) Housing estate energy storage feasibility for a 2050 scenario. In Proceedings of the 2017 Internet Technologies and Applications (ITA), Guangzhou, China, 26–28 May 2017. [Google Scholar]
- Pimm, A.J.; Cockerill, T.T.; Taylor, P.G. The potential for peak shaving on low voltage distribution networks using electricity storage. J. Energy Storage 2018, 16, 231–242. [Google Scholar] [CrossRef]
- Braco, E.; Martín, I.S.; Berrueta, A.; Sanchis, P.; Ursúa, A. Experimental assessment of cycling ageing of lithium-ion second-life batteries from electric vehicles. J. Energy Storage 2020, 32, 101695. [Google Scholar] [CrossRef]
- Available online: https://www.enfsolar.com/pv/panel-datasheet/crystalline/44143 (accessed on 1 September 2022).
- Duffie, J.A.; Beckman, W.A. Solar Engineering of Thermal Processes; Wiley: Hoboken, NJ, USA, 2013. [Google Scholar]
- Salek, F.; Rahnama, M.; Eshghi, H.; Babaie, M.; Naserian, M.M. Investigation of Solar-Driven Hydroxy gas production system performance integrated with photovoltaic panels with single-axis tracking system. Renew. Energy Res. Appl. 2022, 3, 31–40. [Google Scholar]
- Solar Cell. Available online: https://uk.mathworks.com/help/physmod/sps/ref/solarcell.html;jsessionid=bdf3b2865e01ab9c5896c9e033dc (accessed on 1 August 2022).
- He, H.; Xiong, R.; Fan, J. Evaluation of Lithium-Ion Battery Equivalent Circuit Models for State of Charge Estimation by an Experimental Approach. Energies 2011, 4, 582–598. [Google Scholar] [CrossRef]
- Nejad, S.; Gladwin, D.; Stone, D. A systematic review of lumped-parameter equivalent circuit models for real-time estimation of lithium-ion battery states. J. Power Sources 2016, 316, 183–196. [Google Scholar] [CrossRef]
- Braco, E.; San Martín, I.; Sanchis, P.; Ursúa, A. (Eds.) Characterization and capacity dispersion of lithium-ion second-life batteries from electric vehicles. In Proceedings of the 2019 IEEE International Conference on Environment and Electrical Engineering and 2019 IEEE Industrial and Commercial Power Systems Europe (EEEIC/I&CPS Europe), Genova, Italy, 11–14 July 2019. [Google Scholar]
- Braco, E.; San Martin, I.; Ursúa, A.; Sanchis, P. (Eds.) Incremental capacity analysis of lithium-ion second-life batteries from electric vehicles under cycling ageing. In Proceedings of the 2021 IEEE International Conference on Environment and Electrical Engineering and 2021 IEEE Industrial and Commercial Power Systems Europe (EEEIC/I&CPS Europe), Bari, Italy, 7–10 September 2021. [Google Scholar]
- Braco, E.; San Martin, I.; Berrueta, A.; Sanchis, P.; Ursua, A. Experimental Assessment of First-and Second-Life Electric Vehicle Batteries: Performance, Capacity Dispersion and Aging. IEEE Trans. Ind. Appl. 2021, 57, 4107–4117. [Google Scholar] [CrossRef]














| Scenarios | Number of Battery Packs | Number of PVs | Load Demand |
|---|---|---|---|
| Base | 2 | 15 | RB |
| EV-2P | 2 | 15 | RB + EVCS |
| EV-3P | 3 | 15 | RB + EVCS |
| EV-4P | 4 | 15 | RB + EVCS |
| Parameter | Value |
|---|---|
| Model | Nissan Leaf |
| Number of modules in the pack | 15 |
| Modules configuration in the pack | series |
| Module nominal voltage [V] | 7.5 |
| Module maximum voltage [V] | 8.3 |
| Module minimum voltage [V] | 5 |
| Initial state of charge [%] | 60 |
| Second life module initial capacity [Ah] | 47.026 |
| Parameter | Value |
|---|---|
| Model | Amerisolar-6 M 360 W |
| Voltage at maximum power [V] | 38.7 |
| Current at maximum power [A] | 9.31 |
| Open circuit voltage [V] | 47.3 |
| Panel efficiency [%] | 18.55 |
| Maximum power [W] | 360 |
| Cell number | 72 |
| Parameter | Availability of Input Energy by PV Panels [kWh/day] | Demand Energy [kWh/day] |
|---|---|---|
| Base | 11.34 | 10.6 |
| EV-2P | 12.88 | 17.2 |
| EV-3P | 15.58 | 17.2 |
| EV-4P | 15.62 | 17.2 |
Publisher’s Note: MDPI stays neutral with regard to jurisdictional claims in published maps and institutional affiliations. |
© 2022 by the authors. Licensee MDPI, Basel, Switzerland. This article is an open access article distributed under the terms and conditions of the Creative Commons Attribution (CC BY) license (https://creativecommons.org/licenses/by/4.0/).
Share and Cite
Salek, F.; Resalati, S.; Morrey, D.; Henshall, P.; Azizi, A. Technical Energy Assessment and Sizing of a Second Life Battery Energy Storage System for a Residential Building Equipped with EV Charging Station. Appl. Sci. 2022, 12, 11103. https://doi.org/10.3390/app122111103
Salek F, Resalati S, Morrey D, Henshall P, Azizi A. Technical Energy Assessment and Sizing of a Second Life Battery Energy Storage System for a Residential Building Equipped with EV Charging Station. Applied Sciences. 2022; 12(21):11103. https://doi.org/10.3390/app122111103
Chicago/Turabian StyleSalek, Farhad, Shahaboddin Resalati, Denise Morrey, Paul Henshall, and Aydin Azizi. 2022. "Technical Energy Assessment and Sizing of a Second Life Battery Energy Storage System for a Residential Building Equipped with EV Charging Station" Applied Sciences 12, no. 21: 11103. https://doi.org/10.3390/app122111103
APA StyleSalek, F., Resalati, S., Morrey, D., Henshall, P., & Azizi, A. (2022). Technical Energy Assessment and Sizing of a Second Life Battery Energy Storage System for a Residential Building Equipped with EV Charging Station. Applied Sciences, 12(21), 11103. https://doi.org/10.3390/app122111103

