Stochastic Approach to Hosting Limit of Transmission System and Improving Method Utilizing HVDC
Abstract
:1. Introduction
2. Background Knowledge
2.1. Stochastic Modeling of DER Generation
2.2. Probabilistic Hosting Capacity
- Voltage and current limit;
- Equipment thermal overloading;
- Protection scheme malfunctioning.
- Supply and demand balance;
- Frequency and transient stability;
- Adequate reserve procurement.
2.3. Sensitivity Approach on HVDC Allocation and Operation
- •
- Transmission line conductance is negligible (reactance X is larger than resistance R)
- •
- The system operated ideally in the bus i voltage aspect
- •
- Voltage angle differences between adjacent buses l and k are small (linearization)
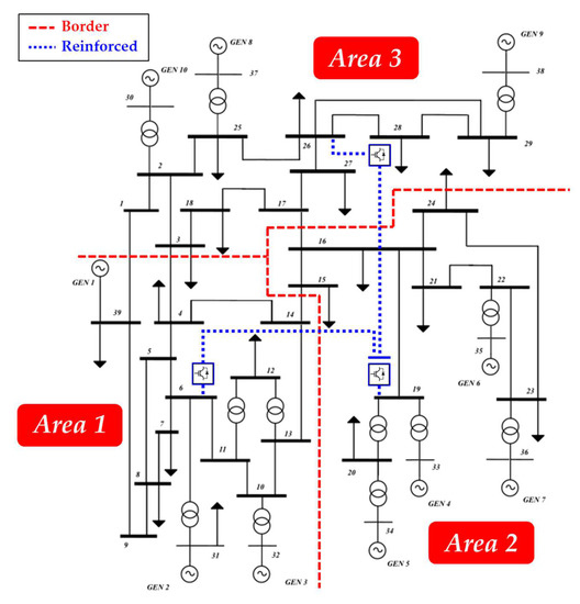
2.4. Test System and Scenarios
3. Results and Discussion
3.1. Base Case Simulation Results
3.2. Regional Intensive Integration Case Simulation Results
3.3. Reinforced Case Simulation Results
4. Conclusions
Author Contributions
Funding
Institutional Review Board Statement
Informed Consent Statement
Data Availability Statement
Conflicts of Interest
Appendix A
| Branch Index (l, k) | Reactance and Sensitivity | Branch Index (l, k) | Reactance and Sensitivity | Branch Index (l, k) | Reactance and Sensitivity | Branch Index (l, k) | Reactance and Sensitivity |
|---|---|---|---|---|---|---|---|
| 1 (1, 2) | 0.0411 −0.10836 | 13 (6, 11) | 0.0082 −0.38154 | 25 (15, 16) | 0.0094 −0.54407 | 37 (22, 35, Tr) | 0.0143 0 |
| 2 (1, 39) | 0.025 0.10836 | 14 (6, 31, Tr) | 0.025 0 | 26 (16, 17) | 0.0089 0.45593 | 38 (23, 24) | 0.035 0 |
| 3 (2, 3) | 0.0151 −0.0039 | 15 (7, 8) | 0.0046 −0.10223 | 27 (16, 19) | 0.0195 −1 | 39 (23, 36, Tr) | 0.0272 0 |
| 4 (2, 25) | 0.0086 −0.10446 | 16 (8, 9) | 0.0363 −0.10836 | 28 (16, 21) | 0.0135 0 | 40 (25, 26) | 0.0323 −0.10446 |
| 5 (2, 30, Tr) | 0.0181 0 | 17 (9, 39) | 0.025 −0.10836 | 29 (16, 24) | 0.0059 0 | 41 (25, 37, Tr) | 0.0232 0 |
| 6 (3, 4) | 0.02129 0.34757 | 18 (10, 11) | 0.0043 0.34722 | 30 (17, 18) | 0.0082 0.35146 | 42 (26, 27) | 0.0147 −0.10446 |
| 7 (3, 18) | 0.0133 −0.35146 | 19 (10, 13) | 0.0043 −0.34722 | 31 (17, 27) | 0.0173 0.10446 | 43 (26, 28) | 0.0474 0 |
| 8 (4, 5) | 0.0128 0.5101 | 20 (10, 32, Tr) | 0.0 20 | 32 (19, 20) | 0.0138 0 | 44 (26, 29) | 0.0625 0 |
| 9 (4, 14) | 0.0129 −0.16254 | 21 (11, 12, Tr) | 0.0435 −0.03432 | 33 (19, 33, Tr) | 0.0142 0 | 45 (28, 29) | 0.0151 0 |
| 10 (5, 6) | 0.0026 0.51623 | 22 (12, 13, Tr) | 0.0435 −0.03432 | 34 (20, 34, Tr) | 0.018 0 | 46 (29, 38, Tr) | 0.0156 0 |
| 11 (5, 8) | 0.0112 −0.00613 | 23 (13, 14) | 0.0101 −0.38154 | 35 (21, 22) | 0.014 0 | ||
| 12 (6, 7) | 0.0092 −0.10223 | 24 (14, 15) | 0.0217 −0.54407 | 36 (22, 23) | 0.0096 0 |


| BUS | P Gen | P Load | Q Gen | Q Load | Bus | P Gen | P Load | Q Gen | Q Load |
|---|---|---|---|---|---|---|---|---|---|
| 1 | 97.6000 | 44.2000 | 21 | 274.0000 | 115.0000 | ||||
| 2 | 0.0000 | 0.0000 | 22 | 0.0000 | 0.0000 | ||||
| 3 | 322.0000 | 2.4000 | 23 | 247.5000 | 84.6000 | ||||
| 4 | 500.0000 | 184.0000 | 24 | 308.6000 | −92.2000 | ||||
| 5 | 0.0000 | 0.0000 | 25 | 224.0000 | 47.2000 | ||||
| 6 | 0.0000 | 0.0000 | 26 | 139.0000 | 17.0000 | ||||
| 7 | 233.8000 | 84.0000 | 27 | 281.0000 | 75.5000 | ||||
| 8 | 522.0000 | 176.6000 | 28 | 206.0000 | 27.6000 | ||||
| 9 | 6.5000 | −66.6000 | 29 | 283.5000 | 26.9000 | ||||
| 10 | 0.0000 | 0.0000 | 30 | 250.0000 | 0.0000 | 232.4171 | 0.0000 | ||
| 11 | 0.0000 | 0.0000 | 31 | 681.4871 | 9.2000 | 252.9522 | 4.6000 | ||
| 12 | 8.5300 | 88.0000 | 32 | 650.0000 | 0.0000 | 246.5658 | 0.0000 | ||
| 13 | 0.0000 | 0.0000 | 33 | 632.0000 | 0.0000 | 250.0000 | 0.0000 | ||
| 14 | 0.0000 | 0.0000 | 34 | 508.0000 | 0.0000 | 167.0000 | 0.0000 | ||
| 15 | 320.0000 | 153.0000 | 35 | 650.0000 | 0.0000 | 285.7561 | 0.0000 | ||
| 16 | 329.0000 | 32.3000 | 36 | 560.0000 | 0.0000 | 142.7507 | 0.0000 | ||
| 17 | 0.0000 | 0.0000 | 37 | 540.0000 | 0.0000 | 69.8833 | 0.0000 | ||
| 18 | 158.0000 | 30.0000 | 38 | 830.0000 | 0.0000 | 141.7562 | 0.0000 | ||
| 19 | 0.0000 | 0.0000 | 39 | 1000.0000 | 1104.0000 | 111.8836 | 250.0000 | ||
| 20 | 680.0000 | 103.0000 |
References
- IPCC. Global Warming of 1.5 °C; IPCC: Incheon, Korea, 2021. [Google Scholar]
- IEA. Global Energy Review 2020; IEA: Paris, France, 2020. [Google Scholar]
- Julia, M.; Shun, H.H.; Pengweil, D.; Nitika, M.; Rochie, G. Operational security. IEEE PES Mag. 2021, 19, 20–29. [Google Scholar]
- Abbas, A.S.; El-Sehiemy, R.A.; Abou El-Ela, A.; Ali, E.S.; Mahomoud, K.; Lehtonen, M.; Darwish, M.M.F. Optimal Harmonic Mitigation in Distribution Systems with Inverter Based Distributed Generation. Appl. Sci. 2021, 11, 774. [Google Scholar] [CrossRef]
- Bendary, A.F.; Abdelaziz, A.Y.; Ismail, M.M.; Mahmoud, K.; Lehtonen, M.; Darwish, M.M.F. Proposed ANFIS Based Approach for Fault Tracking, Detection, Clearing and Rearrangement for Photovoltaic System. Sensors 2021, 21, 2269. [Google Scholar] [CrossRef] [PubMed]
- Ali, E.S.; El-Sehiemy, R.A.; El-Ela, A.; Adel, A.; Mahmoud, K.; Lehtonen, M.; Darwish, M.M. An Effective Bi-Stage Method for Renewable Energy Sources Integration into Unbalanced Distribution Systems Considering Uncertainty. Processes 2021, 9, 471. [Google Scholar] [CrossRef]
- Emara, D.; Ezzat, M.; Abdelaziz, A.Y.; Mahomoud, K.; Lehtonen, M.; Darwish, M.M.F. Novel Control Strategy for Enhancing Microgrid Operation Connected to Photovoltaic Generation and Energy Storage Systems. Electronics 2021, 10, 1261. [Google Scholar] [CrossRef]
- Ziyad, M.S.; Bodgan, S.B.; Atia, R.A.A. Photovoltaic module-site matching based on the capacity factors. IEEE Trans. Energy Convers. 1995, 10, 326–332. [Google Scholar]
- Daniel, V.; Jose, L.P.; Andres, F. Probabilistic Load Flow Including Wind Power Generation. IEEE Trans. Power Syst. 2011, 26, 1659–1667. [Google Scholar]
- Tomonori, S.; Takayuki, I.; Masakazu, K.; Yuzuru, U.; Jun-ichi, I. Spatiotemporally multiresolutional optimization toward supply-demand-storage balancing under PV prediction uncertainty. IEEE Trans. Smart Grid. 2015, 6, 853–865. [Google Scholar]
- Mahrous, E.; Walid, A.O.; Said, F.M.; Hossam, E.A.T. Allocation of FACTS devices using a probabilistic multi-objective approach incorporating various sources of uncertainty and dynamic line rating. IEEE Access. 2020, 8, 167647–167664. [Google Scholar]
- Mojtaba, M.; Turaj, A. Hybrid AC/DC Transmission Expansion Planning Considering HVAC to HVDC conversion under renewable penetration. IEEE Trans. Power Syst. 2021, 36, 579–591. [Google Scholar]
- Alexandre, M.; David, P.; Alexandre, S.; Enzo, S. Reliable renewable generation and transmission expansion planning: Co-optimizing system’s resources for meeting renewable targets. IEEE Trans. Power Syst. 2017, 32, 3246–3257. [Google Scholar]
- Bo, Z.; Jianhua, Z.; Xu, Y.; Jianhui, W.; Jun, D.; Yuying, Z. Integrated planning for transition to low-carbon distribution system with renewable energy generation and demand response. IEEE Trans. Power Syst. 2014, 29, 1153–1165. [Google Scholar]
- Hossain, M.I.; Abido, M.A. Active Power Control of PV-Battery Connected MMC-HVDC System for FRT Support. Appl. Sci. 2020, 10, 7186. [Google Scholar] [CrossRef]
- Li, Z.; Wei, Z.; Zhan, R.; Li, Y.; Tang, Y.; Zhang, X.-P. Frequency Support Control Method for Interconnected Power Systems Using VSC-MTDC. IEEE Trans. Power Syst. 2021, 36, 2304–2313. [Google Scholar] [CrossRef]
- Jesus, V.; Nikos, H.; Lisandro, J.; Marco, R.; Andreas, A.; Brnoit, B. The IGREENGrid project: Increasing hosting capacity in distribution grids. IEEE PES Mag. 2017, 15, 30–40. [Google Scholar]
- Sherif, M.; Shady, H.; Almoataz, Y.; Ahmed, F. State-of-the-art of hosting capacity in modern power systems with distributed generation. Renew. Energy 2018, 130, 1002–1020. [Google Scholar]
- Mohammad, S.; Jin, M.; Diwei, Z.; Shabir, A.; Hesamoddin, M. Probabilistic assessment of hosting capacity in radial distribution systems. IEEE Trans. Sust. Energy 2018, 9, 1935–1947. [Google Scholar]
- Phylicia, C.; Eduardo, C.; Bjorn, V.; Jake, G. Transmission hosting capacity of distributed energy resources. IEEE Trans. Sust. Energy 2021, 12, 794–801. [Google Scholar]
- Math, H.; Sarah, K. Hosting capacity of the power grid for renewable electricity production and new large consumption equipment. Energies 2017, 10, 1325. [Google Scholar]
- Vishnuvardhan, T.; Janmejaya, P.; Anubha, A.; Manohar, S.; Sankighatta, G. Protection challenges under bulk penetration of renewable energy resources in power systems: A review. CSEE J. Power Energy Syst. 2017, 3, 365–379. [Google Scholar]
- Nicola, V.; Stefanos, D.; Pierre, P.; Gabriela, H.; Joachim, H. Dynamic reserve and transmission capacity allocation in wind dominated power systems. IEEE Trans. Power Syst. 2021, 36, 3017–3028. [Google Scholar]
- Jon, S.; Alan, R.; Damian, F.; Paul, S.; Alan, M. Studying the maximum instantaneous non-synchronous generation in an island system-frequency stability challenges in Ireland. IEEE Trans. Power Syst. 2014, 29, 2943–2951. [Google Scholar]
- Gonzalez-Torres, J.C.; Costan, V.; Damm, G.; Benchaib, A.; Lamnabhi-Lagarrigue, F. Dynamic control of embedded HVDC to contribute to transient stability enhancement. In Proceedings of the Cigre 2020 e-Session, Paris, France, 24 August–3 September 2020; p. C2-141. [Google Scholar]
- Mohsen, R.; Amin, K.; Gabiela, H. Comprehensive power transfer distribution factor model for large-scale transmission expansion planning. IET Gener. Transm. Distrib. 2016, 10, 2981–2989. [Google Scholar]
- Zimmerman, R.D.; Murillo-Sánchez, C.E.; Thomas, R.J. Matpower: Steady-State Operations, Planning and Analysis Tools for Power System Research and Education. IEEE Trans. Power Syst. 2011, 26, 12–19. [Google Scholar] [CrossRef] [Green Version]








Publisher’s Note: MDPI stays neutral with regard to jurisdictional claims in published maps and institutional affiliations. |
© 2022 by the authors. Licensee MDPI, Basel, Switzerland. This article is an open access article distributed under the terms and conditions of the Creative Commons Attribution (CC BY) license (https://creativecommons.org/licenses/by/4.0/).
Share and Cite
Lee, D.; Lee, J.; Jang, G. Stochastic Approach to Hosting Limit of Transmission System and Improving Method Utilizing HVDC. Appl. Sci. 2022, 12, 696. https://doi.org/10.3390/app12020696
Lee D, Lee J, Jang G. Stochastic Approach to Hosting Limit of Transmission System and Improving Method Utilizing HVDC. Applied Sciences. 2022; 12(2):696. https://doi.org/10.3390/app12020696
Chicago/Turabian StyleLee, Dongyeong, Junghun Lee, and Gilsoo Jang. 2022. "Stochastic Approach to Hosting Limit of Transmission System and Improving Method Utilizing HVDC" Applied Sciences 12, no. 2: 696. https://doi.org/10.3390/app12020696
APA StyleLee, D., Lee, J., & Jang, G. (2022). Stochastic Approach to Hosting Limit of Transmission System and Improving Method Utilizing HVDC. Applied Sciences, 12(2), 696. https://doi.org/10.3390/app12020696

