Investigation on Preparation Method of SBS-Modified Asphalt Based on MSCR, LAS, and Fluorescence Microscopy
Abstract
:1. Introduction
2. Materials and Methods
2.1. Materials
2.2. Preparation Method
2.3. Materials Characterization Methods
2.3.1. Fluorescence Microscopy Test
2.3.2. MSCR Test
2.3.3. LAS Test
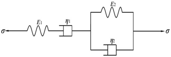
2.3.4. Burgers Model
3. Results and Discussion
3.1. Influence of Shear Rate
3.1.1. Fluorescence Microscopy Test
3.1.2. MSCR Test
3.2. Influence of Shear Temperature
3.2.1. Fluorescence Microscopy Test
3.2.2. MSCR Test
3.3. The Influence of Shear Time
3.3.1. Fluorescence Microscopy Test
3.3.2. MSCR Test
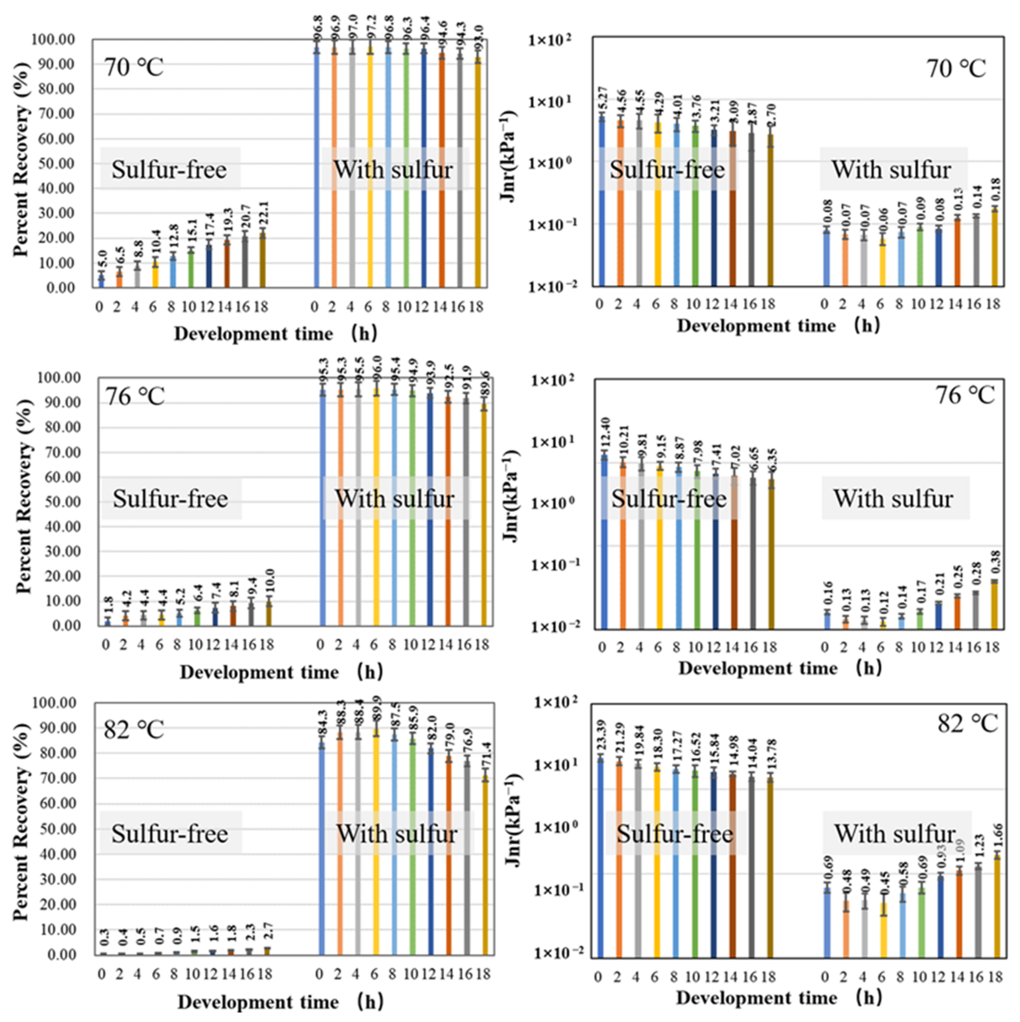
3.4. The Influence of Sulfur and Development Time
3.4.1. Fluorescence Microscopy Test
3.4.2. MSCR Test
3.4.3. LAS Test
3.5. ANOVA Analysis
3.6. Burgers Model
3.6.1. Viscoelastic Parameters
3.6.2. Strain Attributed to Different Components in Burgers Model
4. Conclusions
- The recommended preparation method is 2 h of shearing at 180 °C, 4000 r/min, with sulfur addition and developing for 6 h. Sulfur addition and the shear rate have the most significant impact on the performance of SBS-modified asphalt;
- The microstructure captured by the fluorescence image shows that an intermediate shearing temperature, high shearing rate, and extended shearing time render the distribution of SBS polymer more even;
- Sulfurized SBS-modified asphalt shows optimal performance after 6 h of development (25% decrease in Jnr and 28.7% increase in Nf), and extended development hinders its performance (137.5% increase in Jnr and 6% decrease in Nf), which is due to the heat sensitivity of the C–S and S–S bonds;
- Without sulfur, SBS-modified asphalt shows monotonously improving performance with extended development time (48.7% decrease in Jnr and 36.7% increase in Nf). However, after 18 h of development, it still demonstrates much lower high-temperature performance and slightly lower fatigue performance than sulfurized SBS-modified asphalt.
Author Contributions
Funding
Institutional Review Board Statement
Informed Consent Statement
Data Availability Statement
Acknowledgments
Conflicts of Interest
References
- Fang, C.; Zhang, M.; Yu, R.; Liu, X. Effect of Preparation Temperature on the Aging Properties of Waste Polyethylene Modified Asphalt. J. Mater. Sci. Technol. 2015, 31, 320–324. [Google Scholar] [CrossRef]
- Liu, H.; Luo, G.; Wang, X.; Jiao, Y. Effects of Preparation method on performance of rubber modified asphalt. In IOP Conference Series: Materials Science and Engineering; IOP Publishing: Bristol, UK, 2015; Volume 87. [Google Scholar]
- Larsen, D.O.; Alessandrini, J.L.; Bosch, A.; Cortizo, M.S. Micro-structural and rheological characteristics of SBS-asphalt blends during their manufacturing. Constr. Build. Mater. 2009, 23, 2769–2774. [Google Scholar] [CrossRef]
- Dong, F.; Fan, W.; Yang, G.; Wei, J.; Luo, H.; Wu, M.; Zhang, Y. Dispersion of SBS and its Influence on the Performance of SBS Modified Asphalt. J. Test. Eval. 2014, 42, 1073–1080. [Google Scholar] [CrossRef]
- Kaya, D.; Topal, A.; Gupta, J.; McNally, T. Aging effects on the composition and thermal properties of styrene-butadiene-styrene (SBS) modified bitumen—ScienceDirect. Constr. Build. Mater. 2020, 235, 117450. [Google Scholar] [CrossRef]
- Xiao, Y.; Chang, X.; Yan, B.; Zhang, X.; Yunusa, M.; Yu, R.; Chen, Z. SBS morphology characteristics in asphalt binder and their relation with viscoelastic properties. Constr. Build. Mater. 2021, 301, 124292. [Google Scholar]
- Liu, L.; Liu, Z.H.; Li, S. The Preparation Technology and Performance Study of SBS and Rubber Powder Composite Modified Asphalt. Appl. Mech. Mater. 2013, 361–363, 1617–1620. [Google Scholar] [CrossRef]
- Liu, H.; Zhang, M.; Jiao, Y.; Fu, L. Preparation Parameter Analysis and Optimization of Sustainable Asphalt Binder Modified by Waste Rubber and Diatomite. Adv. Mater. Sci. Eng. 2018, 2018, 3063620. [Google Scholar] [CrossRef] [Green Version]
- Wang, Y.; Zhan, B.C.; Cheng, J. Study on Preparation method of SBS/Crumb Rubber Composite Modified Asphalt. Adv. Mater. Res. 2012, 450–451, 417–422. [Google Scholar]
- Hou, Y. Preparation of SBS Modified Emulsified Asphalt in High Cold Region. In MATEC Web of Conferences; EDP Sciences: Ulis, France, 2019; Volume 275, p. 4004. [Google Scholar]
- Dong, F.; Zhang, Y.; Xin, X. Preparation and microstructure of composite modified hard asphalt. J. China Univ. Pet. 2014, 38, 174–179. [Google Scholar]
- Cong, F.Y.; Liao, K.J.; Zhai, Y.C. Production Process Parameter in Sbs Modified Asphalt. J. Petrochem. Univ. 2005, 18, 32–35. [Google Scholar]
- Mm, A.; Ss, B.; Mg, C. Assessing the effects of premixing on the rheological properties for three-phases asphalt binder nano-composite including clay and SBS—ScienceDirect. Constr. Build. Mater. 2020, 231, 117151. [Google Scholar]
- D’Angelo, J.A. The Relationship of the MSCR Test to Rutting. Road Mater. Pavement Des. 2009, 10 (Suppl. S1), 61–80. [Google Scholar] [CrossRef]
- D’Angelo, J.; Kluttz, R.; Dongre, R.N.; Stephens, K.; Zanzotto, L. Revision of the Superpave high temperature binder specification: The multiple stress creep recovery test. Asph. Paving Technol. Assoc. Asph. Paving Technol.-Proc. Tech. Sess. 2007, 76, 123–162. [Google Scholar]
- Yan, C.; Lv, Q.; Zhang, A.A.; Ai, C.; Huang, W.; Ren, D. Modeling the modulus of bitumen/SBS composite at different temperatures based on kinetic models. Compos. Sci. Technol. 2021, 218, 109146. [Google Scholar] [CrossRef]
- Saboo, N.; Mudgal, A. Modelling creep and recovery response of asphalt binders using generalized burgers model. Pet. Sci. Technol. 2018, 36, 1627–1634. [Google Scholar] [CrossRef]
- Saboo, N.; Kumar, P. A study on creep and recovery behavior of asphalt binders. Constr. Build. Mater. 2015, 96, 632–640. [Google Scholar] [CrossRef]
- Hintz, C.; Bahia, H. Understanding mechanisms leading to asphalt binder fatigue in the dynamic shear rheometer. Road Mater. Pavement Des. 2013, 14, 231–251. [Google Scholar] [CrossRef]
- Hintz, C. Simplification of the linear amplitude sweep (LAS) test and specification parameter. Transp. Res. Rec. 2013, 2370, 10–16. [Google Scholar] [CrossRef]
- Hintz, C.; Velasquez, R.; Johnson, C.; Bahia, H. Modification and Validation of Linear Amplitude Sweep Test for Binder Fatigue Specification. Transp. Res. Rec. J. Transp. Res. Board 2011, 2207, 99–106. [Google Scholar] [CrossRef]
- Johnson, C.M. Estimating Asphalt Binder Fatigue Resistance Using an Accelerated Test Method. Ph.D. Thesis, Civil & Environmental Engineering, Stanford, CA, USA, 2010. [Google Scholar]
- Sun, D.; Ye, F.; Shi, F.; Lu, W. Storage Stability of SBS-Modified Road Asphalt: Preparation, Morphology, and Rheological Properties. Pet. Sci. Technol. 2006, 24, 1067–1077. [Google Scholar] [CrossRef]
- Li, N.L.; Zhao, X.P.; Li, T.H.; Pei, J.Z. Effect of Aging on the High-Temperature Rheological Properties of SBS Modified Asphalt. Adv. Mater. Res. 2010, 168–170, 2458–2463. [Google Scholar] [CrossRef]
- Yan, Y.; Yang, Y.; Ran, M.; Zhou, X.; Zou, L.; Guo, M. Application of Infrared Spectroscopy in Prediction of Asphalt Aging Time History and Fatigue Life. Coatings 2020, 10, 959. [Google Scholar] [CrossRef]
- Singh, B.; Kumar, P. Effect of polymer modification on the ageing properties of asphalt binders: Chemical and morphological investigation. Constr. Build. Mater. 2019, 205, 633–641. [Google Scholar] [CrossRef]
- Fu, H.; Xie, L.; Dou, D.; Li, L.; Yu, M.; Yao, S. Storage stability and compatibility of asphalt binder modified by SBS graft copolymer. Constr. Build. Mater. 2007, 21, 1528–1533. [Google Scholar] [CrossRef]
- Wang, J.; Qin, Y.; Huang, S.; Xu, J. Laboratory Evaluation of Aging Behaviour of SBS Modified Asphalt. Adv. Mater. Sci. Eng. 2017, 2017, 3154634. [Google Scholar] [CrossRef] [Green Version]
- Zhang, W.; Ma, T.; Xu, G.; Huang, X.; Ling, M.; Chen, X.; Xue, J. Fatigue Resistance Evaluation of Modified Asphalt Using a Multiple Stress Creep and Recovery (MSCR) Test. Appl. Sci. 2018, 8, 417. [Google Scholar] [CrossRef]
- Huang, W.; Tang, N. Characterizing SBS modified asphalt with sulfur using multiple stress creep recovery test—ScienceDirect. Constr. Build. Mater. 2015, 93, 514–521. [Google Scholar] [CrossRef]
- Yan, C.; Huang, W.; Lin, P.; Zhang, Y.; Lv, Q. Chemical and rheological evaluation of aging properties of high content SBS polymer modified asphalt. Fuel 2019, 252, 417–426. [Google Scholar] [CrossRef]
- Notani, M.A.; Moghadas Nejad, F.; Khodaii, A.; Hajikarimi, P. Evaluating fatigue resistance of toner-modified asphalt binders using the linear amplitude sweep test. Road Mater. Pavement Des. 2018, 20, 1927–1940. [Google Scholar] [CrossRef]
- Kaya, D.; Topal, A.; Mcnally, T. Relationship between processing parameters and aging with the rheological behaviour of SBS modified bitumen. Constr. Build. Mater. 2019, 221, 345–350. [Google Scholar] [CrossRef]
- Kaya, D.; Topal, A.; McNally, T. Correlation of processing parameters and ageing with the phase morphology of styrene-butadiene-styrene block co-polymer modified bitumen. Mater. Res. Express 2019, 6, 105309. [Google Scholar] [CrossRef]
- De Carcer, Í.A.; Masegosa, R.M.; Viñas, M.T.; Sanchez-Cabezudo, M.; Salom, C.; Prolongo, M.G.; Contreras, V.; Barceló, F.; Páez, A. Storage stability of SBS/sulfur modified bitumen at high temperature: Influence of bitumen composition and structure. Constr. Build. Mater. 2014, 52, 245–252. [Google Scholar] [CrossRef] [Green Version]
- Wen, G.; Zhang, Y.; Zhang, Y.; Sun, K.; Fan, Y. Rheological characterization of storage-stable SBS-modified asphalts. Polym. Test. 2002, 21, 295–302. [Google Scholar] [CrossRef]
- Zhang, F.; Yu, J.; Han, J. Effects of thermal oxidative ageing on dynamic viscosity, TG/DTG, DTA and FTIR of SBS- and SBS/sulfur-modified asphalts. Constr. Build. Mater. 2011, 25, 129–137. [Google Scholar] [CrossRef]
- Jin, H.; Gao, G.; Zhang, Y.; Zhang, Y.; Sun, K.; Fan, Y. Improved properties of polystyrene-modified asphalt through dynamic vulcanization. Polym. Test. 2002, 21, 633–640. [Google Scholar] [CrossRef]
- Wolochow, D.A.; Broitman, S.A.; Williams, L.A.; Zamcheck, N. A rapid method for quantitative determination of fecal fat based on the principle of electrical capacitance. J. Lab. Clin. Med. 1965, 65, 334–341. [Google Scholar]
- Singh, S.K.; Pandey, A.; Ravindranath, S.S. Effect of additives on the thermal stability of SBS modified binders during storage at elevated temperatures. Constr. Build. Mater. 2022, 314, 125609. [Google Scholar] [CrossRef]
- Wang, S.; Huang, W.; Lin, P. Low-Temperature and Fatigue Characteristics of Degraded Crumb Rubber–Modified Bitumen Before and After Aging. J. Mater. Civ. Eng. 2022, 34, 04021493. [Google Scholar] [CrossRef]
- Liang, M.; Xin, X.; Fan, W.; Wang, H.; Ren, S.; Shi, J. Effects of polymerized sulfur on rheological properties, morphology and stability of SBS modified asphalt. Constr. Build. Mater. 2017, 150, 860–871. [Google Scholar] [CrossRef]
- Wen, G.; Zhang, Y.; Zhang, Y.; Sun, K.; Fan, Y. Improved properties of SBS-modified asphalt with dynamic vulcanization. Polym. Eng. Sci. 2002, 42, 1070–1081. [Google Scholar] [CrossRef]
- Yang, J.; Xu, G.; Kong, P.; Chen, X. Characterization of Desulfurized Crumb Rubber/Styrene–Butadiene–Styrene Composite Modified Asphalt Based on Rheological Properties. Materials 2021, 14, 3780. [Google Scholar] [CrossRef]












| Author | Evaluation Indicators | Shear Rate (r/min) | Shear Temp. (°C) | Shear Time (h) | Development Time (h) |
|---|---|---|---|---|---|
| Wang, Yan | Softening Point, Penetration, Ductility | — | 180 | 1 | 3 |
| HOU Yanming | Softening Point, Penetration, Ductility | 3000 | 175 | 1 | 1 |
| Dong Fuqiang | Softening Point, Penetration, Ductility | 3000 | 200 | 1 | — |
| Dong Yufeng | Softening Point, Penetration, Ductility | 8000 | 180 | 2 | 1 |
| Mojtaba Mortezaei | Softening Point, Ductility | 1500 | — | — | — |
| Performance | Unit | The Requirement of 70# Asphalt | Result | |
|---|---|---|---|---|
| Penetration (25 °C, 5 s, 100 g) | 0.1 mm | 60–80 | 68 | |
| Ductility (5 cm/min) | 10 °C | cm | ≥15 | 16.8 |
| 15 °C | cm | ≥100 | >100 | |
| Softening Point | °C | ≥46 | 46.2 | |
| Density (15 °C) | g/cm3 | Measured | 1.030 | |
| Factors | F | p-Value | Significant |
|---|---|---|---|
| Shear rate | 186.90 | 9.51 × 10−6 | Yes |
| Shear temperature | 210.08 | 1.32 × 10−4 | Yes |
| Shear time | 8938.50 | 7.50 × 10−8 | Yes |
| Development time (with sulfur) | 1951.09 | 8.30 × 10−20 | Yes |
| Development time (without sulfur) | 3.15 | 9.25 × 10−2 | No |
| E1 | η1 | E2 | η2 | E2/η2 | R2 | ||
|---|---|---|---|---|---|---|---|
| Control group | 180 °C 2 h 4 kr/min | 10,753.81 | 45,463.02 | 3111.48 | 2818.09 | 1.10 | 0.998 |
| Shear temp | 170 °C | 11,893.32 | 26,875.47 | 2884.09 | 3215.36 | 0.90 | 0.999 |
| 190 °C | 11,730.07 | 31,649.12 | 2895.69 | 3120.81 | 0.93 | 0.998 | |
| Shear time | 1 h | 11,306.03 | 43,955.77 | 3045.24 | 2873.82 | 1.06 | 0.998 |
| 4 h | 10,006.02 | 35,684.36 | 3242.67 | 2810.33 | 1.15 | 0.997 | |
| Shear rate | 0.6 kr/min | 16,679.76 | 16,679.76 | 3006.52 | 4367.08 | 0.69 | 0.995 |
| 5 kr/min | 10,471.18 | 46,808.48 | 3303.54 | 2916.80 | 1.13 | 0.998 | |
| 6 kr/min | 10,066.70 | 48,072.47 | 3441.86 | 2875.24 | 1.20 | 0.998 | |
| With sulfur and development | 2 h | 10,604.07 | 46,056.28 | 3344.01 | 2952.62 | 1.13 | 0.997 |
| 4 h | 10,393.33 | 47,056.93 | 3316.30 | 2917.26 | 1.14 | 0.997 | |
| 6 h | 10,062.92 | 50,057.22 | 3509.16 | 2941.64 | 1.19 | 0.996 | |
| 8 h | 10,471.50 | 48,414.18 | 3438.70 | 3060.36 | 1.12 | 0.996 | |
| 10 h | 11,018.38 | 38,875.70 | 2839.78 | 3137.07 | 0.91 | 0.998 | |
| 12 h | 11,428.87 | 35,474.39 | 2718.87 | 3313.29 | 0.82 | 0.997 | |
| 14 h | 11,836.66 | 28,201.39 | 2593.87 | 3472.96 | 0.75 | 0.997 | |
| 16 h | 12,562.11 | 20,889.82 | 2544.19 | 3536.98 | 0.72 | 0.998 | |
| 18 h | 13,249.11 | 18,101.61 | 2534.70 | 3693.99 | 0.69 | 0.997 | |
| Without sulfur and development | 0 h | 2,125,361,005.26 | 3311.92 | 67,262.80 | 103,170.29 | 0.65 | 0.998 |
| 2 h | 2,125,277,467.87 | 3378.16 | 57,149.72 | 84,043.71 | 0.68 | 0.997 | |
| 4 h | 2,125,067,312.98 | 3426.98 | 48,912.93 | 68,891.45 | 0.71 | 0.995 | |
| 6 h | 2,124,971,149.91 | 3463.64 | 24,788.23 | 34,351.01 | 0.72 | 0.997 | |
| 8 h | 2,124,957,213.26 | 3481.19 | 22,713.78 | 31,546.92 | 0.72 | 0.997 | |
| 10 h | 2,124,906,147.42 | 3551.98 | 18,567.98 | 25,091.86 | 0.74 | 0.996 | |
| 12 h | 2,124,836,164.03 | 3597.67 | 16,371.09 | 21,901.41 | 0.75 | 0.998 | |
| 14 h | 2,124,471,819.42 | 3624.29 | 15,263.32 | 20,083.32 | 0.76 | 0.998 | |
| 16 h | 2,124,857,872.72 | 3693.38 | 13,865.74 | 18,007.45 | 0.77 | 0.997 | |
| 18 h | 2,124,910,622.34 | 3743.54 | 12,653.30 | 16,135.94 | 0.78 | 0.997 |
Publisher’s Note: MDPI stays neutral with regard to jurisdictional claims in published maps and institutional affiliations. |
© 2022 by the authors. Licensee MDPI, Basel, Switzerland. This article is an open access article distributed under the terms and conditions of the Creative Commons Attribution (CC BY) license (https://creativecommons.org/licenses/by/4.0/).
Share and Cite
Wang, Y.; Yi, H.; Liang, P.; Chai, C.; Yan, C.; Zhou, S. Investigation on Preparation Method of SBS-Modified Asphalt Based on MSCR, LAS, and Fluorescence Microscopy. Appl. Sci. 2022, 12, 7304. https://doi.org/10.3390/app12147304
Wang Y, Yi H, Liang P, Chai C, Yan C, Zhou S. Investigation on Preparation Method of SBS-Modified Asphalt Based on MSCR, LAS, and Fluorescence Microscopy. Applied Sciences. 2022; 12(14):7304. https://doi.org/10.3390/app12147304
Chicago/Turabian StyleWang, Yanlei, Hongyu Yi, Pengfei Liang, Chongchong Chai, Chuanqi Yan, and Shengxiong Zhou. 2022. "Investigation on Preparation Method of SBS-Modified Asphalt Based on MSCR, LAS, and Fluorescence Microscopy" Applied Sciences 12, no. 14: 7304. https://doi.org/10.3390/app12147304
APA StyleWang, Y., Yi, H., Liang, P., Chai, C., Yan, C., & Zhou, S. (2022). Investigation on Preparation Method of SBS-Modified Asphalt Based on MSCR, LAS, and Fluorescence Microscopy. Applied Sciences, 12(14), 7304. https://doi.org/10.3390/app12147304
