Environmental Changes and Cultural Transitions in SW Iberia during the Early-Mid Holocene
Abstract
1. Introduction
1.1. Archaeological Context
1.2. Regional Settings
2. Materials and Methods
3. Results
3.1. Age-Depth Model
3.2. Geochemistry
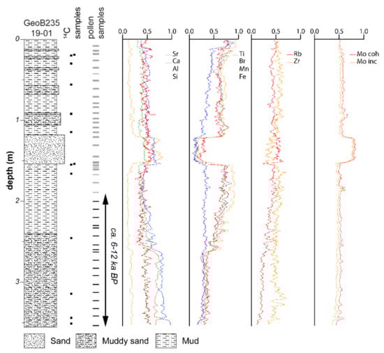
- 12–8.4 ka BP. Low values in Ti, Mn, Fe reflect reduced weathering conditions and Fe/Mn, Br, and Mo inc/coh ratios imply low preservation potential of organic matter and point to oxic conditions. Si, Al, Ca, and Sr values are high and indicate dominance of clastic/tractive deposits; the Zr/Rb values correspond to coarser grain size. Si/Al, Zr/Al, and Ca/Si values show low amplitude and slow changes, implying an environment characterized by homogeneous conditions and only disturbed by some higher energy episodes—as evidenced by increases in Zr/Rb, Zr/Al, and Si/Al. The sedimentation rate increases to its highest values.
- 8.4–8 ka BP. Amplitude and frequency of changes started to increase shortly before it. The sedimentation rate was the highest. There are marked and sudden changes for a decrease in clastic input and an increase in organic components, while the decrease in grain size and increase in weathering proxies is fast but gradual.
- 8–6 ka BP. The sedimentation rate decreases from 0.69 to 0.27 mm/yr. Clastics and grain size fall to their minimum average values but amplitude of changes increases for sorting (grains vs. matrix) proxies. Organic matter preservation increases, coincidental to sub-oxic to anoxic conditions, as well as the weathering of source areas.
3.3. Palynology
4. Discussion
4.1. Geochemical Trends and Events, Sea Level and Palaeoceanographic Changes
4.2. Vegetation Trends and Evolution of Coastal Environments
4.3. Human Groups in Dynamic Littoral Habitats
- Different populations would have a different perception of the same habitat, so they develop preferences for settling in distinct areas.
- The maximum flooding of some river valleys would have forced human groups to settle in areas less close to the coastline. It should be also considered that archaeological sites located in the mouth of these rivers could have been buried or destroyed after this flooding episode and only those located in inland areas are preserved.
- The weakening of the coastal upwelling during the Holocene Thermal Maximum may have caused a displacement toward areas with more stable resource availability, like what occurred in the Tejo and Sado estuaries ca. 8.2–8 ka BP. Due to the bias in the preservation of Mesolithic sites in the study area, it is not possible to delineate to what extent this would have affected Mesolithic populations and to compare it to the Neolithic groups.
- The aridity crisis reflected in the vegetation ca. 7.5 ka BP and recorded in other sequences ca. 7.5–7 ka BP may have led human groups to settle in areas more suitable for livestock and/or agriculture activities with available freshwater sources. One might speculate whether the aridity phase experienced during this period might have influenced the adoption of new subsistence strategies.
5. Conclusions
- The onset of the Holocene is characterized by an increase in temperature, but weak continental conditions seem to remain until ca. 10 ka BP. Between ca. 10–7 ka BP there is an increase of forest values composed of mesophilous and Mediterranean taxa reflecting a rise of moisture, after which an important decrease in the forest cover occurred followed by a stepwise rise of heathlands ca. 7 ka BP.
- Peaks of aridity indicators were identified at 8.2 and 7. 5 ka BP. The 8.2 ka BP event seems to affect vegetation with some delay, while the 7.5 ka BP event has an immediate impact in different taxa.
- Changes detected in the geochemical record at ca. 8.2 ka BP seem to lead to abrupt palaeoceanographic modifications, but smooth gradual terrestrial changes. The first were responsible of modifications in the current system that could have affected the coastal productivity. The 7.5 ka BP event mirror a decrease in land moisture availability.
- Holocene sea level rise shaped the coastal morphology and influenced the settlement patterns of human groups in both Mesolithic and Early Neolithic times, as well as the preservation of archaeological sites. High energy events and the subsidence to which certain areas are subjected have hampered the preservation of any potential remain.
- Subsistence strategies based on the aquatic resource exploitation were common to hunter-gatherer groups during the Mesolithic, but also during the early stages of the Neolithic.
- Only seasonal camps were identified among the Mesolithic sites in the study area, contrary to the (semi)permanent sites in South-Central Portugal. This may be tentatively interpreted as an effect of the lack of data due to the marine transgression or different regional patterns.
- Mesolithic sites are located along the coastline with direct access to the sea. Although some of them persist during the Early Neolithic, in this period most of the sites are located near rivers some kilometers inland. Several hypotheses were presented to understand this change in settlement patterns.
- Changes in dietary habits and the characteristics of some shellfish species during the Late Mesolithic/Early Neolithic seem to have been related to environmental changes rather than to cultural preferences or human overexploitation.
- There are no clear evidences of the origins of agriculture in the studied area, which may be due to an archaeological bias or a consequence of a later adoption of this practice.
Supplementary Materials
Author Contributions
Funding
Institutional Review Board Statement
Informed Consent Statement
Acknowledgments
Conflicts of Interest
References
- Bond, G.; Kromer, B.; Beer, J.; Muscheler, R.; Evans, M.N.; Showers, W.; Hoffmann, S.; Lotti-Bond, R.; Hajdas, I.; Bonani, G. Persistent Solar Influence on North Atlantic Climate during the Holocene. Science 2001, 294, 2130–2136. [Google Scholar] [CrossRef] [PubMed]
- Zilhão, J. Radiocarbon Evidence for Maritime Pioneer Colonization at the Origins of Farming in West Mediterranean Europe. Proc. Natl. Acad. Sci. USA 2001, 98, 14180–14185. [Google Scholar] [CrossRef] [PubMed]
- Muñoz, J.R. Las Industrias Líticas Del Neolítico En Andalucía, Sus Implicaciones Espaciales y Económicas. Zephyrus 1988, 41, 113–148. [Google Scholar]
- Massieu, M.; Socas, D.M. Los Inicios Del Neolítico En Andalucía. Entre La Tradición y La Innovación. MENGA Rev. Prehist. Andal. 2013, 4, 103–129. [Google Scholar]
- Manen, C.; Marchand, G.; Carvalho, A. Le Néolithique Ancien de La Péninsule Ibérique: Vers Une Nouvelle Évaluation Du Mirage Africain? Société Préhistorique Française: Avignon, France, September 2004; Volume 3, pp. 133–151. [Google Scholar]
- Carvalho, A.F. Le passage vers l’Atlantique: Le processus de néolithisation en Algarve (sud du Portugal). L’Anthropologie 2010, 114, 141–178. [Google Scholar] [CrossRef]
- Borja, P.G.; Tortosa, J.E.A.; Aubán, J.B.; Pardo, J.F.J. Nuevas perspectivas sobre la neolitización en la cueva de Nerja (Málaga-España): La cerámica de la sala del vestíbulo. Zephyrus Rev. Prehist. Arqueol. 2010, 66, 109–132. [Google Scholar]
- Linstädter, J.; Medved, I.; Solich, M.; Weniger, G.-C. Neolithisation Process within the Alboran Territory: Models and Possible African Impact. Quat. Int. 2012, 274, 219–232. [Google Scholar] [CrossRef]
- Martín-Socas, D.; Camalich Massieu, M.D.; Herrero, J.L.C.; Rodríguez-Santos, F.J. The Beginning of the Neolithic in Andalusia. Quat. Int. 2017, 470, 451–471. [Google Scholar] [CrossRef]
- Fregel, R.; Méndez, F.L.; Bokbot, Y.; Martín-Socas, D.; Camalich-Massieu, M.D.; Santana, J.; Morales, J.; Ávila-Arcos, M.C.; Underhill, P.A.; Shapiro, B.; et al. Ancient Genomes from North Africa Evidence Prehistoric Migrations to the Maghreb from Both the Levant and Europe. Proc. Natl. Acad. Sci. USA 2018, 115, 6774–6779. [Google Scholar] [CrossRef]
- Valdiosera, C.; Günther, T.; Vera-Rodríguez, J.C.; Ureña, I.; Iriarte, E.; Rodríguez-Varela, R.; Simões, L.G.; Martínez-Sánchez, R.M.; Svensson, E.M.; Malmström, H.; et al. Four Millennia of Iberian Biomolecular Prehistory Illustrate the Impact of Prehistoric Migrations at the Far End of Eurasia. Proc. Natl. Acad. Sci. USA 2018, 115, 3428–3433. [Google Scholar] [CrossRef]
- Carvalho, A.F. A Neolitização do Portugal Meridional: Os Exemplos do Maciço Calcário Estremenho e do Algarve Ocidental. Ph.D. Thesis, University of Algarve, Faro, Portugal, 2007. [Google Scholar]
- Valente, M.J.; Carvalho, A.F. Recent Developments in Early Holocene Hunter-Gatherer Subsistence and Settlement: A View from South-Western Iberia. In Mesolithic Horizons, Proceedings of the Seventh International Conference on the Mesolithic in Europe, Belfast, Ireland, 2005; McCartan, S., Schulting, R., Warren, G., Woodman, P., Eds.; Oxbow Books: Belfast, Ireland, 2009; pp. 312–317. [Google Scholar]
- Ramos-Muñoz, J.R.; Castañeda, V.C. Excavación en el Asentamiento Prehistórico del Embarcadero del río Palmones (Algeciras, Cádiz): Una Nueva Contribución al Estudio de las Últimas Comunidades Cazadoras y Recolectoras; Servicio de Publicaciones de la Universidad de Cádiz y Ayuntamiento de Algeciras: Cádiz, Spain, 2005. [Google Scholar]
- Uzquiano, P.; Ruiz-Zapata, B.; Gil-Garcia, M.J.; Vijande, E.; Ramos-Muñoz, J.; Cantillo, J.J.; Lazarich, M.; Bejarano, D.; Montañés, M. Mid-Holocene Palaeoenvironmental Record from the Atlantic Band of Cádiz (SW Spain) Based on Pollen and Charcoal Data. Quat. Int. 2020. [Google Scholar] [CrossRef]
- Peyroteo-Stjerna, R. Chronology of the Burial Activity of the Last Hunter-Gatherers in the Southwestern Iberian Peninsula, Portugal. Radiocarbon 2020, 1–35. [Google Scholar] [CrossRef]
- Rocha, L. A praia do Forte Novo. Um sítio de produção de sal na costa Algarvia? Setúbal Arqueológica 2013, 14, 225–232. [Google Scholar]
- Ramos-Muñoz, J. La Ocupación Prehistórica de La Campiña Litoral y Banda Atlántica de Cádiz. Aproximación al Estudio de Las Sociedades Cazadoras-Recolectoras, Tribales-Comunitarias y Clasistas Iniciales. MENGA Rev. Prehist. Andal. 2010, 66, 278–279. [Google Scholar] [CrossRef]
- Stipp, J.J.; Timers, M.A. Datación radiométrica. In El Asentamiento de El Retamar (Puerto Real, Cádiz): Contribución al Estudio de la Formación Social Tribal y a los Inicios de la Economía de Producción en la Bahía de Cádiz; Ramos, L., Ed.; Servicio de Publicaciones de la Universidad de Cádiz y Ayuntamiento de Algeciras: Cádiz, Spain, 2002; pp. 169–174. [Google Scholar]
- Vijande, E. El Poblado de Campo de Hockey (San Fernando, Cádiz): Resultados Preliminares y Líneas de Investigación Futuras Para El Conocimiento de Las Formaciones Sociales Tribales En La Bahía de Cádiz (Tránsito V-IV Milenios A.N.E.). Revista Atlántica-Mediterránea de Prehistoria y Arqueología Social 2009, 11, 265–284. [Google Scholar]
- Vijande, E.; Domínguez-Bella, S.; Duarte, J.J.C.; López, J.M.; Tocino, A.B. Social Inequalities in the Neolithic of Southern Europe: The Grave Goods of the Campo de Hockey Necropolis (San Fernando, Cádiz, Spain). Comptes Rendus Palevol 2015, 14, 147–161. [Google Scholar] [CrossRef]
- Muñoz, L.P.S.-B.; Vila, E.V.; Salvador, Á.R.; Aguilera, I.A.; Bonilla, M.D.-Z.; Márquez, A.M.; Domínguez-Bella, S.; Muñoz, J.R.; López, M.C.B. Possible Interpersonal Violence in the Neolithic Necropolis of Campo de Hockey (San Fernando, Cádiz, Spain). Int. J. Paleopathol. 2019, 27, 38–45. [Google Scholar] [CrossRef]
- García-Rivero, D.; Taylor, R.; Umbelino, C.; Price, T.D.; García-Viñas, E.; Bernáldez-Sánchez, E.; Pérez-Jordà, G.; Peña-Chocarro, L.; Barrera-Cruz, M.; Gibaja-Bao, J.F.; et al. The Exceptional Finding of Locus 2 at Dehesilla Cave and the Middle Neolithic Ritual Funerary Practices of the Iberian Peninsula. PLoS ONE 2020, 15, e0236961. [Google Scholar] [CrossRef]
- Ramos, A.; Fernández, O.; Terrinha, P.; Muñoz, J.A. Extension and Inversion Structures in the Tethys–Atlantic Linkage Zone, Algarve Basin, Portugal. Int. J. Earth Sci. 2016, 105, 1663–1679. [Google Scholar] [CrossRef]
- Dabrio, C.J.; Zazo, C.; Goy, J.L.; Sierro, F.J.; Borja, F.; Lario, J.; González, J.A.; Flores, J.A. Depositional History of Estuarine Infill during the Last Postglacial Transgression (Gulf of Cadiz, Southern Spain). Mar. Geol. 2000, 162, 381–404. [Google Scholar] [CrossRef]
- Hernández-Molina, F.J.; Llave, E.; Stow, D.A.V.; García, M.; Somoza, L.; Vázquez, J.T.; Lobo, F.J.; Maestro, A.; Díaz del Río, V.; León, R.; et al. The Contourite Depositional System of the Gulf of Cádiz: A Sedimentary Model Related to the Bottom Current Activity of the Mediterranean Outflow Water and Its Interaction with the Continental Margin. Deep. Sea Res. 2006, 53, 1420–1463. [Google Scholar] [CrossRef]
- Zazo, C.; Dabrio, C.J.; Goy, J.L.; Lario, J.; Cabero, A.; Silva, P.G.; Bardají, T.; Mercier, N.; Borja, F.; Roquero, E. The Coastal Archives of the Last 15 Ka in the Atlantic-Mediterranean Spanish Linkage Area: Sea Level and Climate Changes. Quat. Int. 2008, 181, 72–87. [Google Scholar] [CrossRef]
- Kottek, M.; Grieser, J.; Beck, C.; Rudolf, B.; Rubel, F. World Map of the Köppen-Geiger Climate Classification Updated. Meteorol. Z. 2006, 259–263. [Google Scholar] [CrossRef]
- AEMET. Atlas Climático Ibérico—Iberian Climate Atlas; Agencia Estatal de Meteorología: Madrid, Spain, 2011; ISBN 978-84-7837-079-5. [Google Scholar]
- Espírito-Santo, D.; Capelo, J.; Neto, C.; Pinto-Gomes, C.; Ribeiro, S.; Canas, R.Q.; Costa, J.C. Lusitania. In The Vegetation of the Iberian Peninsula; Loidi, J., Ed.; Springer International Publishing: Cham, Switzerland, 2017; Volume 2, pp. 35–82. [Google Scholar]
- Rivas-Martínez, S. Bioclimatología, Biogeografía y Series de Vegetación En Andalucía Occidental. Lagascalia 1988, 15, 91–119. [Google Scholar]
- Rivas-Martínez, S.; Lousa, M.; Día, T.E.; Fernández.-González, F.; Costa, J.C. La Vegetación Del Sur de Portugal (Sado, Alemtejo y Algarve). Itinera Geobot. 1990, 3, 5–126. [Google Scholar]
- Rivas-Martínez, S.; Fernández-González, F.; Loidi, J.; Lousa, M.; Penas, A. Syntaxonomical Checklist of the Vascular Plant Communities of Spain and Portugal to Association Level. Itinera Geobot. 2001, 14, 5–341. [Google Scholar]
- Loidi, J.; Biurrun, I.; Campos, J.A.; García-Mijangos, I.; Herrera, M. A Survey of Health Vegetation of the Iberian Peninsula and Northern Morocco: A Biogeographic and Bioclimatic Approach. Phytocoenologia 2007, 37, 341–370. [Google Scholar] [CrossRef]
- Martínez, S.R.; Valdés, E.; Costa, M.; Castroviejo, S. Vegetación de Doñana (Huelva, España). Lazaroa 1980, 2, 5–190. [Google Scholar]
- Marcenò, C.; Guarino, R.; Loidi, J.; Herrera, M.; Isermann, M.; Knollová, I.; Tichý, L.; Tzonev, R.T.; Acosta, A.T.R.; FitzPatrick, Ú.; et al. Classification of European and Mediterranean Coastal Dune Vegetation. Appl. Veg. Sci. 2018, 21, 533–559. [Google Scholar] [CrossRef]
- Rivas-Martínez, S.R.; Belmonte-López, M.D.B. Sobre el orden Agrostietalia castellanae. Lazaroa 1985, 417–420. [Google Scholar]
- Calvert, S.E.; Pedersen, T.F. Chapter Fourteen Elemental Proxies for Palaeoclimatic and Palaeoceanographic Variability in Marine Sediments: Interpretation and Application. In Developments in Marine Geology; Hillaire–Marcel, C., De Vernal, A., Eds.; Proxies in Late Cenozoic Paleoceanography; Elsevier: Amsterdam, The Netherlands, 2007; Volume 1, pp. 567–644. [Google Scholar]
- Calib 8.2. Available online: http://calib.org/calib/calib.html (accessed on 18 March 2021).
- Heaton, T.J.; Köhler, P.; Butzin, M.; Bard, E.; Reimer, R.W.; Austin, W.E.N.; Ramsey, C.B.; Grootes, P.M.; Hughen, K.A.; Kromer, B.; et al. Marine20—The Marine Radiocarbon Age Calibration Curve (0–55,000 Cal BP). Radiocarbon 2020, 62, 779–820. [Google Scholar] [CrossRef]
- Martins, J.M.M.; Soares, A.M.M. Marine Radiocarbon Reservoir Effect in Southern Atlantic Iberian Coast. Radiocarbon 2013, 55, 1123–1134. [Google Scholar] [CrossRef]
- Soares, A.M.M. The 14C Content of Marine Shells: Evidence for Variability in Coastal Upwelling off Portugal during the Holocene. In Isotope Techniques in the Study of Past and Current Environmental Changes in the Hydrosphere and the Atmosphere; International Atomic Energy Agency: Vienna, Austria, 1993; pp. 471–485. [Google Scholar]
- Soares, A.M.M.; Dias, J.M.A. Coastal Upwelling and Radiocarbon—Evidence for Temporal Fluctuations in Ocean Reservoir Effect off Portugal During the Holocene. Radiocarbon 2006, 48, 45–60. [Google Scholar] [CrossRef]
- Soares, A.M.M.; Martins, J.M.M. Radiocarbon Dating of Marine Shell Samples. The Marine Radiocarbon Reservoir Effect of Coastal Waters off Atlantic Iberia during Late Neolithic and Chalcolithic Periods. J. Archaeol. Sci. 2009, 36, 2875–2881. [Google Scholar] [CrossRef]
- Soares, A.M.M.; Martins, J.M.M. Radiocarbon Dating of Marine Samples from Gulf of Cadiz: The Reservoir Effect. Quat. Int. 2010, 221, 9–12. [Google Scholar] [CrossRef]
- Reimer, R.W.; Reimer, P.J. An Online Application for ΔR Calculation. Radiocarbon 2017, 59, 1623–1627. [Google Scholar] [CrossRef]
- López-Sáez, J.A.; Geel, B.; Sánchez, M. Aplicación de Los Microfósiles No Polínicos En Palinología Arqueológica, Contributos das Ciencias e das Tecnologias para a Arqueologia da Península Ibérica, Proceedings of the 3° Congresso de Arqueología Peninsular, Vila Real, Portugal, 1999; Oliveira, V., Ed.; UTAD: Vila Real, Portugal, 2002. [Google Scholar]
- Miola, A. Tools for Non-Pollen Palynomorphs (NPPs) Analysis: A List of Quaternary NPP Types and Reference Literature in English Language (1972–2011). Rev. Palaeobot. Palynol. 2012, 186, 142–161. [Google Scholar] [CrossRef]
- Moore, P.D.; Webb, J.A.; Collinson, M.E. Pollen Analysis; Blackwell Science: Oxford, UK, 1991; ISBN 978-0-86542-895-9. [Google Scholar]
- Pals, J.P.; Van Geel, B.; Delfos, A. Paleoecological Studies in the Klokkeweel Bog near Hoogkarspel (Prov. of Noord-Holland). Rev. Palaeobot. Palynol. 1980, 30, 371–418. [Google Scholar] [CrossRef]
- Van Geel, B. A Palaeoecological Study of Holocene Peat Bog Sections in Germany and The Netherlands, Based on the Analysis of Pollen, Spores and Macro- and Microscopic Remains of Fungi, Algae, Cormophytes and Animals. Rev. Palaeobot. Palynol. 1978, 25, 1–120. [Google Scholar] [CrossRef]
- Van Geel, B. Non-Pollen Palynomorphs. In Tracking Environmental Change Using Lake Sediments: Terrestrial, Algal, and Siliceous Indicators; Smol, J.P., Birks, H.J.B., Last, W.M., Bradley, R.S., Alverson, K., Eds.; Developments in Paleoenvironmental Research; Springer: Dordrecht, The Netherlands, 2001; pp. 99–119. ISBN 978-0-306-47668-6. [Google Scholar]
- Whitlock, C.; Larsen, C. Charcoal as a Fire Proxy. In Tracking Environmental Change Using Lake Sediments: Terrestrial, Algal, and Siliceous Indicators; Smol, J.P., Birks, H.J.B., Last, W.M., Bradley, R.S., Alverson, K., Eds.; Developments in Paleoenvironmental Research; Springer: Dordrecht, The Netherlands, 2001; pp. 75–97. ISBN 978-0-306-47668-6. [Google Scholar]
- Stockmarr, J. Tablets with Spores Used in Absolute Pollen Analysis. Pollen Spores 1971, 13, 614–621. [Google Scholar]
- Carrió, J.S.; Navarro, C.; Navarro, J.; Munuera, M. The Distribution of Cluster Pine (Pinuspinaster) in Spain as Derived from Palaeoecological Data: Relationships with Phytosociological Classification. Holocene 2000, 10, 243–252. [Google Scholar] [CrossRef]
- López-Sáez, J.A.; López-Merino, L.; Alba-Sánchez, F.; Pérez-Díaz, S.; Abel-Schaad, D.; Carrión, J.S. Late Holocene Ecological History of Pinus Pinaster Forests in the Sierra de Gredos of Central Spain. Plant Ecol. 2009, 206, 195. [Google Scholar] [CrossRef]
- López-Sáez, J.A.; Camarero, J.J.; Abel-Schaad, D.; Luelmo-Lautenschlaeger, R.; Pérez-Díaz, S.; Alba-Sánchez, F.; Carrión, J.S. Don’t Lose Sight of the Forest for the Trees! Discerning Iberian Pine Communities by Means of Pollen-vegetation Relationships. Rev. Palaeobot. Palynol. 2020, 281, 104285. [Google Scholar] [CrossRef]
- Schneider, R.R.; Price, B.; Müller, P.J.; Kroon, D.; Alexander, I. Monsoon Related Variations in Zaire (Congo) Sediment Load and Influence of Fluvial Silicate Supply on Marine Productivity in the East Equatorial Atlantic during the Last 200,000 Years. Paleoceanography 1997, 12, 463–481. [Google Scholar] [CrossRef]
- Cornu, S.; Lucas, Y.; Lebon, E.; Ambrosi, J.P.; Luizão, F.; Rouiller, J.; Bonnay, M.; Neal, C. Evidence of Titanium Mobility in Soil Profiles, Manaus, Central Amazonia. Geoderma 1999, 91, 281–295. [Google Scholar] [CrossRef]
- Thomson, J.; Croudace, I.W.; Rothwell, R.G. A Geochemical Application of the ITRAX Scanner to a Sediment Core Containing Eastern Mediterranean Sapropel Units. Geol. Soc. Lond. Spec. Publ. 2006, 267, 65–77. [Google Scholar] [CrossRef]
- Burnett, A.P.; Soreghan, M.J.; Scholz, C.A.; Brown, E.T. Tropical East African Climate Change and Its Relation to Global Climate: A Record from Lake Tanganyika, Tropical East Africa, over the Past 90+kyr. Palaeogeogr. Palaeoclimatol. Palaeoecol. 2011, 303, 155–167. [Google Scholar] [CrossRef]
- Chagué, C. Chapter 18—Applications of geochemical proxies in paleotsunami research. In Geological Records of Tsunamis and Other Extreme Waves; Engel, M., Pilarczyk, J., May, S.M., Brill, D., Garrett, E., Eds.; Elsevier: Amsterdam, The Netherlands, 2020; pp. 381–401. ISBN 978-0-12-815686-5. [Google Scholar]
- Naeher, S.; Gilli, A.; North, R.P.; Hamann, Y.; Schubert, C.J. Tracing Bottom Water Oxygenation with Sedimentary Mn/Fe Ratios in Lake Zurich, Switzerland. Chem. Geol. 2013, 352, 125–133. [Google Scholar] [CrossRef]
- Demina, L.L.; Novichkova, E.A.; Lisitzin, A.P.; Kozina, N.V. Geochemical Signatures of Paleoclimate Changes in the Sediment Cores from the Gloria and Snorri Drifts (Northwest Atlantic) over the Holocene-Mid Pleistocene. Geosciences 2019, 9, 432. [Google Scholar] [CrossRef]
- Herrmann, S.; Stroncik, N. Data Report: Si, Al, Fe, Ca, and K Systematics of Volcaniclastic Sediments from Selected Cores of Hole U1347A, IODP Expedition 324. Proc. IODP 2013, 324. [Google Scholar] [CrossRef]
- Hoelzmann, P.; Klein, T.; Kutz, F.; Schütt, B. A New Device to Mount Portable Energy-Dispersive X-Ray Fluorescence Spectrometers (p-ED-XRF) for Semi-Continuous Analyses of Split (Sediment) Cores and Solid Samples. Geosci. Instrum. Methods Data Syst. 2017, 6, 93–101. [Google Scholar] [CrossRef]
- Santisteban, J.I.; Mediavilla, R.; de Frutos, L.G.; Cilla, I.L. Holocene Floods in a Complex Fluvial Wetland in Central Spain: Environmental Variability, Climate and Time. Glob. Planet. Chang. 2019, 181, 102986. [Google Scholar] [CrossRef]
- Kaufman, D.S.; Ager, T.A.; Anderson, N.J.; Anderson, P.M.; Andrews, J.T.; Bartlein, P.J.; Brubaker, L.B.; Coats, L.L.; Cwynar, L.C.; Duvall, M.L.; et al. Holocene Thermal Maximum in the Western Arctic (0–180°W). Quat. Sci. Rev. 2004, 23, 529–560. [Google Scholar] [CrossRef]
- Marcott, S.A.; Shakun, J.D.; Clark, P.U.; Mix, A.C. A Reconstruction of Regional and Global Temperature for the Past 11,300 Years. Science 2013, 339, 1198–1201. [Google Scholar] [CrossRef]
- Liu, Z.; Zhu, J.; Rosenthal, Y.; Zhang, X.; Otto-Bliesner, B.L.; Timmermann, A.; Smith, R.S.; Lohmann, G.; Zheng, W.; Timm, O.E. The Holocene Temperature Conundrum. Proc. Natl. Acad. Sci. USA 2014, 111, E3501–E3505. [Google Scholar] [CrossRef]
- Bova, S.; Rosenthal, Y.; Liu, Z.; Godad, S.P.; Yan, M. Seasonal Origin of the Thermal Maxima at the Holocene and the Last Interglacial. Nature 2021, 589, 548–553. [Google Scholar] [CrossRef]
- Alley, R.B.; Ágústsdóttir, A.M. The 8k Event: Cause and Consequences of a Major Holocene Abrupt Climate Change. Quat. Sci. Rev. 2005, 24, 1123–1149. [Google Scholar] [CrossRef]
- Rohling, E.J.; Pälike, H. Centennial-Scale Climate Cooling with a Sudden Cold Event around 8,200 Years Ago. Nature 2005, 434, 975–979. [Google Scholar] [CrossRef]
- García-Artola, A.; Stéphan, P.; Cearreta, A.; Kopp, R.E.; Khan, N.S.; Horton, B.P. Holocene Sea-Level Database from the Atlantic Coast of Europe. Quat. Sci. Rev. 2018, 196, 177–192. [Google Scholar] [CrossRef]
- Cacho, I.; Grimalt, J.O.; Canals, M.; Sbaffi, L.; Shackleton, N.J.; Schönfeld, J.; Zahn, R. Variability of the Western Mediterranean Sea Surface Temperature during the Last 25,000 Years and Its Connection with the Northern Hemisphere Climatic Changes. Paleoceanography 2001, 16, 40–52. [Google Scholar] [CrossRef]
- Català, A.; Cacho, I.; Frigola, J.; Pena, L.D.; Lirer, F. Holocene Hydrography Evolution in the Alboran Sea: A Multi-Record and Multi-Proxy Comparison. Clim. Past 2019, 15, 927–942. [Google Scholar] [CrossRef]
- Adkins, J.; de Menocal, P.; Eshel, G. The “African Humid Period” and the Record of Marine Upwelling from Excess 230Th in Ocean Drilling Program Hole 658C. Paleoceanography 2006, 21. [Google Scholar] [CrossRef]
- Stumpf, R.; Frank, M.; Schönfeld, J.; Haley, B.A. Climatically Driven Changes in Sediment Supply on the SW Iberian Shelf since the Last Glacial Maximum. Earth Planet. Sci. Lett. 2011, 312, 80–90. [Google Scholar] [CrossRef]
- Thornalley, D.J.R.; Elderfield, H.; McCave, I.N. Holocene Oscillations in Temperature and Salinity of the Surface Subpolar North Atlantic. Nature 2009, 457, 711–714. [Google Scholar] [CrossRef]
- Bazzicalupo, P.; Maiorano, P.; Girone, A.; Marino, M.; Combourieu-Nebout, N.; Pelosi, N.; Salgueiro, E.; Incarbona, A. Holocene Climate Variability of the Western Mediterranean: Surface Water Dynamics Inferred from Calcareous Plankton Assemblages. Holocene 2020, 30, 691–708. [Google Scholar] [CrossRef]
- Born, A.; Levermann, A. The 8.2 Ka Event: Abrupt Transition of the Subpolar Gyre toward a Modern North Atlantic Circulation. Geochem. Geophys. Geosyst. 2010, 11. [Google Scholar] [CrossRef]
- Johnsen, S.J.; Clausen, H.B.; Dansgaard, W.; Gundestrup, N.S.; Hammer, C.U.; Andersen, U.; Andersen, K.K.; Hvidberg, C.S.; Dahl-Jensen, D.; Steffensen, J.P.; et al. The Δ18O Record along the Greenland Ice Core Project Deep Ice Core and the Problem of Possible Eemian Climatic Instability. J. Geophys. Res. Oceans 1997, 102, 26397–26410. [Google Scholar] [CrossRef]
- Teixeira, S.B.; Gaspar, P.; Rosa, M. Holocene Sea-Level Index Points on the Quarteira Coast (Algarve, Portugal). In Proceedings of the Iberian Holocene Paleoenvironmental Evolution; University of Lisbon: Lisbon, Portugal, 2005; pp. 125–127. [Google Scholar]
- Sousa, C.; Boski, T.; Pereira, L. Holocene Evolution of a Barrier Island System, Ria Formosa, South Portugal. Holocene 2019, 29, 64–76. [Google Scholar] [CrossRef]
- Lambeck, K.; Rouby, H.; Purcell, A.; Sun, Y.; Sambridge, M. Sea Level and Global Ice Volumes from the Last Glacial Maximum to the Holocene. Proc. Natl. Acad. Sci. USA 2014, 111, 15296–15303. [Google Scholar] [CrossRef]
- Trog, C.; Höfer, D.; Frenzel, P.; Camacho, S.; Schneider, H.; Mäusbacher, R. A Multi-Proxy Reconstruction and Comparison of Holocene Palaeoenvironmental Changes in the Alvor and Alcantarilha Estuaries (Southern Portugal). Rev. Micropaleontol. 2013, 56, 131–158. [Google Scholar] [CrossRef]
- Delgado, J.; Boski, T.; Nieto, J.M.; Pereira, L.; Moura, D.; Gomes, A.; Sousa, C.; García-tenorio, R. Sea-Level Rise and Anthropogenic Activities Recorded in the Late Pleistocene / Holocene Sedimentary in Fi Ll of the Guadiana Estuary (SW Iberia). Quat. Sci. Rev. 2012, 33, 121–141. [Google Scholar] [CrossRef]
- Schneider, H.; Höfer, D.; Trog, C.; Busch, S.; Schneider, M.; Baade, J.; Daut, G.; Mäusbacher, R. Holocene Estuary Development in the Algarve Region (Southern Portugal)—A Reconstruction of Sedimentological and Ecological Evolution. Quat. Int. 2010, 221, 141–158. [Google Scholar] [CrossRef]
- Boski, T.; Camacho, S.; Moura, D.; Fletcher, W.; Wilamowski, A.; Veiga-Pires, C.; Correia, V.; Loureiro, C.; Santana, P. Chronology of the Sedimentary Processes during the Postglacial Sea Level Rise in Two Estuaries of the Algarve Coast, Southern Portugal. Estuar. Coast. Shelf Sci. 2008, 77, 230–244. [Google Scholar] [CrossRef]
- Figueiral, I.; Carcaillet, C. A Review of Late Pleistocene and Holocene Biogeography of Highland Mediterranean Pines (Pinus Type Sylvestris) in Portugal, Based on Wood Charcoal. Quat. Sci. Rev. 2005, 24, 2466–2476. [Google Scholar] [CrossRef]
- Fletcher, W.J.; Boski, T.; Moura, D. Palynological Evidence for Environmental and Climatic Change in the Lower Guadiana Valley, Portugal, during the Last 13 000 Years. Holocene 2007, 4, 481–494. [Google Scholar] [CrossRef]
- Schröder, T.; van‘t Hoff, J.; López-Sáez, J.A.; Viehberg, F.; Melles, M.; Reicherter, K. Holocene Climatic and Environmental Evolution on the Southwestern Iberian Peninsula: A High-Resolution Multi-Proxy Study from Lake Medina (Cádiz, SW Spain). Quat. Sci. Rev. 2018, 198, 208–225. [Google Scholar] [CrossRef]
- Morellón, M.; Aranbarri, J.; Moreno, A.; González-Sampériz, P.; Valero-Garcés, B.L. Early Holocene Humidity Patterns in the Iberian Peninsula Reconstructed from Lake, Pollen and Speleothem Records. Quat. Sci. Rev. 2018, 1–18. [Google Scholar] [CrossRef]
- Berger, A.L. Long-Term Variations of Caloric Insolation Resulting from the Earth’s Orbital Elements. Quat. Res. 1978, 9, 139–167. [Google Scholar] [CrossRef]
- Bond, G.; Showers, W.; Cheseby, M.; Lotti, R.; Almasi, P.; DeMenocal, P.; Priore, P.; Cullen, H.; Hajdas, I.; Bonani, G. A Pervasive Millennial-Scale Cycle in North Atlantic Holocene and Glacial Climates. Science 1997, 278, 1257–1266. [Google Scholar] [CrossRef]
- Masson-Delmotte, V.; Jouzel, J.; Landais, A.; Stievenard, M.; Johnsen, S.J.; White, J.W.C.; Werner, M.; Sveinbjornsdottir, A.; Fuhrer, K. GRIP Deuterium Excess Reveals Rapid and Orbital-Scale Changes in Greenland Moisture Origin. Science 2005, 309, 118–121. [Google Scholar] [CrossRef]
- Rasmussen, S.O.; Vinther, B.M.; Clausen, H.B.; Andersen, K.K. Early Holocene Climate Oscillations Recorded in Three Greenland Ice Cores. Quat. Sci. Rev. 2007, 26, 1907–1914. [Google Scholar] [CrossRef]
- Pinto da Cruz, C.S.B. Temporary Ponds Vegetation and Dynamics: SW Portugal. Vegetação e Dinâmica dos Charcos Temporários do Sudoeste Alentejano. Ph.D. Thesis, University of Lisbon, Lisbon, Portugal, 1999. [Google Scholar]
- López-Sáez, J.A.; Pérez-Díaz, S.; Rodríguez-Ramírez, A.; Blanco-González, A.; Villarías-Robles, J.J.R.; Luelmo-Lautenschlaeger, R.; Jiménez-Moreno, G.; Celestino-Pérez, S.; Cerrillo-Cuenca, E.; Pérez-Asensio, J.N.; et al. Mid-Late Holocene Environmental and Cultural Dynamics at the South-West Tip of Europe (Doñana National Park, SW Iberia, Spain). J. Archaeol. Sci. Rep. 2018, 22, 58–78. [Google Scholar] [CrossRef]
- Fletcher, W.J. Holocene Landscape History of Southern Portugal. Ph.D. Thesis, University of Cambridge, Cambridge, UK, 2005. [Google Scholar]
- Gomes, S.D.; Fletcher, W.J.; Rodrigues, T.; Stone, A.; Abrantes, F.; Naughton, F. Time-Transgressive Holocene Maximum of Temperate and Mediterranean Forest Development across the Iberian Peninsula Reflects Orbital Forcing. Palaeogeogr. Palaeoclimatol. Palaeoecol. 2020, 550, 109739. [Google Scholar] [CrossRef]
- Oliveira, D.; Desprat, S.; Yin, Q.; Naughton, F.; Trigo, R.; Rodrigues, T.; Abrantes, F.; Goñi, M.F.S. Unraveling the Forcings Controlling the Vegetation and Climate of the Best Orbital Analogues for the Present Interglacial in SW Europe. Clim. Dyn. 2018, 51, 667–686. [Google Scholar] [CrossRef]
- Chabaud, L.; Goñi, M.F.S.; Desprat, S.; Rossignol, L. Land–Sea Climatic Variability in the Eastern North Atlantic Subtropical Region over the Last 14,200 Years: Atmospheric and Oceanic Processes at Different Timescales. Holocene 2014, 24, 787–797. [Google Scholar] [CrossRef]
- Renssen, H.; Goosse, H.; Fichefet, T.; Campin, J.-M. The 8.2 Kyr BP Event Simulated by a Global Atmosphere—Sea-Ice—Ocean Model. Geophys. Res. Lett. 2001, 28, 1567–1570. [Google Scholar] [CrossRef]
- Reed, J.M.; Stevenson, A.C.; Juggins, S. A Multi-Proxy Record of Holocene Climatic Change in Southwestern Spain: The Laguna de Medina, Cádiz. Holocene 2001, 11, 707–719. [Google Scholar] [CrossRef]
- Nebout, N.C.; Peyron, O.; Dormoy, I.; Desprat, S.; Beaudouin, C.; Kotthoff, U.; Marret, F. Rapid Climatic Variability in the West Mediterranean during the Last 25 000 Years from High Resolution Pollen Data. Clim. Past 2009, 5, 503–521. [Google Scholar] [CrossRef]
- Fletcher, W.J.; Goñi, M.F.S. Orbital- and Sub-Orbital-Scale Climate Impacts on Vegetation of the Western Mediterranean Basin over the Last 48,000 Yr. Quat. Res. 2008, 70, 451–464. [Google Scholar] [CrossRef]
- Schröder, T.; López-Sáez, J.A.; van’t Hoff, J.; Reicherter, K. Unravelling the Holocene Environmental History of South-Western Iberia through a Palynological Study of Lake Medina Sediments. Holocene 2019, 30, 13–22. [Google Scholar] [CrossRef]
- Manzano, S.; Carrión, J.S.; López-Merino, L.; Ochando, J.; Munuera, M.; Fernández, S.; González-Sampériz, P. Early to Mid-Holocene Spatiotemporal Vegetation Changes and Tsunami Impact in a Paradigmatic Coastal Transitional System (Doñana National Park, Southwestern Europe). Glob. Planet. Chang. 2018, 161, 66–81. [Google Scholar] [CrossRef]
- Cortés-Sánchez, M.; Jiménez-Espejo, F.J.; Simón-Vallejo, M.D.; Gibaja-Bao, J.F.; Faustino Carvalho, A.; Martínez-Ruiz, F.; Rodrigo Gamiz, M.; Flores, J.-A.; Paytan, A.; López-Sáez, J.A.; et al. The Mesolithic—Neolithic Transition in Southern Iberia. Quat. Res. 2012, 77, 221–234. [Google Scholar] [CrossRef]
- Costas, S.; Ferreira, Ó.; Plomaritis, T.A.; Leorri, E. Coastal Barrier Stratigraphy for Holocene High-Resolution Sea-Level Reconstruction. Sci. Rep. 2016, 6, 38726. [Google Scholar] [CrossRef]
- Lario, J.; Luque, L.; Zazo, C.; Goy, J.L.; Spencer, C.; Cabero, A.; Bardají, T.; Borja, F.; Dabrio, C.J.; Civis, J.; et al. Tsunami vs. Storm Surge Deposits: A Review of the Sedimentological and Geomorphological Records of Extreme Wave Events (EWE) during the Holocene in the Gulf of Cadiz, Spain. Z. Geomorphol. Suppl. Issues 2010, 54, 301–316. [Google Scholar] [CrossRef]
- Dias, J.M.A.; Boski, T.; Rodrigues, A.; Magalhães, F. Coast Line Evolution in Portugal since the Last Glacial Maximum until Present—A Synthesis. Mar. Geol. 2000, 170, 177–186. [Google Scholar] [CrossRef]
- McLaughlin, T.R.; Gómez-Puche, M.; Cascalheira, J.; Bicho, N.; Fernández-López de Pablo, J. Late Glacial and Early Holocene Human Demographic Responses to Climatic and Environmental Change in Atlantic Iberia. Philos. Trans. R. Soc. B Biol. Sci. 2020, 376, 20190724. [Google Scholar] [CrossRef]
- Bicho, N.F. The End of the Paleolithic and the Mesolithic in Portugal. Curr. Anthropol. 1994, 35, 664–674. [Google Scholar] [CrossRef]
- Bicho, N.; Umbelino, C.; Detry, C.; Pereira, T. The Emergence of Muge Mesolithic Shell Middens in Central Portugal and the 8200 Cal Yr BP Cold Event. J. Isl. Coast. Archaeol. 2010, 5, 86–104. [Google Scholar] [CrossRef]
- Pereira, T.; Carvalho, A.F. Abrupt Technological Change at the 8.2 Ky Cal BP Climatic Event in Central Portugal. The Epipalaeolithic of Pena d’Água Rock-Shelter. Comptes Rendus Palevol 2015, 14, 423–435. [Google Scholar] [CrossRef]
- Pereira, T.; Andrade, C.; Costa, M.; Farias, A.; Mirão, J.; Carvalho, A.F. Lithic Economy and Territory of Epipaleolithic Hunter–Gatherers in the Middle Tagus: The Case of Pena d’Água (Portugal). Quat. Int. 2016, 412, 135–144. [Google Scholar] [CrossRef]
- Stjerna, R.P. On Death in the Mesolithic: Or the Mortuary Practices of the Last Hunter-Gatherers of the South-Western Iberian Peninsula, 7th–6th Millennium BCE; Department of Archaeology and Ancient History, Uppsala University: Uppsala, Sweden, 2016. [Google Scholar]
- Bicho, N.; Cascalheira, J.; Gonçalves, C.; Umbelino, C.; Rivero, D.G.; André, L. Resilience, Replacement and Acculturation in the Mesolithic/Neolithic Transition: The Case of Muge, Central Portugal. Quat. Int. 2017, 446, 31–42. [Google Scholar] [CrossRef]
- Valente, M.J. Mesolithic and Neolithic Shell Middens in Western Algarve: Issues in Ecology, Taphonomy and Economy. In Proceedings of the First Zooarchaeology Conference in Portugal, University of Lisbon, Lisbon, Portugal, 2012; Detry, C., Dias, R., Eds.; University of Lisbon: Lisbon, Portugal, 2012; pp. 24–32. [Google Scholar]
- Brisset, E.; Burjachs, F.; Ballesteros Navarro, B.J.; Fernández-López de Pablo, J. Socio-Ecological Adaptation to Early-Holocene Sea-Level Rise in the Western Mediterranean. Glob. Planet. Chang. 2018, 169, 156–167. [Google Scholar] [CrossRef]
- Carvalho, A.F.; Petchey, F. Stable Isotope Evidence of Neolithic Palaeodiets in the Coastal Regions of Southern Portugal. J. Isl. Coast. Archaeol. 2013, 8, 361–383. [Google Scholar] [CrossRef]
- López-Sáez, J.A.; Pérez-Díaz, S.; Alba, F. Antropización y Agricultura En El Neolítico de Andalucía Occidental a Partir de La Palinología. Menga 2011, 2, 72–85. [Google Scholar]
- Lario, J.; Zazo, C.; Goy, J.L.; Silva, P.G.; Bardaji, T.; Cabero, A.; Dabrio, C.J. Holocene Palaeotsunami Catalogue of SW Iberia. Quat. Int. 2011, 242, 196–200. [Google Scholar] [CrossRef]








| Core | Lab. Code | Depth (m) | 14C Age (yr BP) | Error | ∆R | Error | Age Cal. BP Median | 2σ Range (cal. BP) |
|---|---|---|---|---|---|---|---|---|
| GeoB235 19-01 | 236164 | 0.21 | 650 | 15 | −49 | 121 | 177 | 0–399 |
| Beta-526115 | 0.57 | 2610 | 30 | −73 | 140 | 2212 | 1829–2622 | |
| 236165 | 0.93 | 3205 | 15 | −36 | 152 | 2903 | 2505–3312 | |
| 236166 | 1.55 | 4245 | 15 | 50 | 152 | 4090 | 3660–4515 | |
| 236167 | 1.67 | 5390 | 20 | 407 | 165 | 5098 | 4673–5523 | |
| 236168 | 3.16 | 9230 | 20 | 740 | 225 | 8892 | 8354–9445 | |
| 236169 | 4.46 | 9530 | 20 | −46 | 206 | 10,292 | 9658–10,910 | |
| GeoB235 19-02 | Beta-512669 | 0.20 | 600 | 30 | −49 | 121 | 148 | 0–367 |
| Beta-512670 | 0.31 | 1570 | 30 | −194 | 125 | 1155 | 864–1453 | |
| Beta-512668 * | 1.16 | 4280 | 30 | 50 | 152 | 4136 | 3693–4564 * | |
| Beta-512667 | 1.56 | 4330 | 30 | 50 | 152 | 4201 | 3759–4641 | |
| Beta-512666 | 2.47 | 7910 | 30 | 301 | 201 | 7893 | 7488–8328 | |
| Beta-512665 | 3.53 | 10,360 | 30 | −46 | 206 | 11,458 | 10,797–12,104 |
| Zone | Depth Range (cm) | Age Range (cal yr BP) | Pollen Signature |
|---|---|---|---|
| Z-1 | 354-323 | 11707-9242 | Dominance of oakwoods (evergreen and deciduous Quercus: 17–20% and ~10–16% respectively) together with Cichorioideae (17–34%). Olea (~0–5%), Phillyrea (~4%), and Chenopodiaceae (~5–8%) slightly increase towards the end of the zone. Juniperus (~4–9%) Asteroideae (5–11%), and Poaceae (~5–9%) display discontinuous values. Pinewoods represent ~15% (Pinus sylvestris-nigra type, Pinus halepensis-pinea type, Pinus pinaster: ~5% each). Low % of Isoetes (~4–7%), and peaks of foraminiferal linings (~9–19%). |
| Z-2 | 323-263 | 9242-8132 | Increase of deciduous and evergreen Quercus (~15–20% and ~17–29%), together with Olea (3–6%), Phillyrea (3–10%), and Juniperus (~7–11%). Slight decrease of Chenopodiaceae (3–10%) towards the end of the zone. Reduction of Poaceae (~1–5%), Asteroideae (~4–7%), and Cichorioideae (7–24%), the latter with notable peaks. Slight decrease of pinewoods (below 5% each). Progressive increase of Isoetes (~4–13%) and important increment of foraminiferal linings (~21–33%). |
| Z-3 | 263-230 | 8132-7441 | Dominance of oakwoods, with peaks (deciduous: ~16–22%; evergeen: ~17–26%). Visible increase of Erica type (~1–11%). Decrease of Olea (below 3%), Phillyrea (~1–8%), Chenopodiaceae (~4–8%), and Cichorioideae (~7–13%). Juniperus (~6-12%), Asteroideae (~4–6%), and Poaceae (~2–6%) display similar values. Slight increase of pinewoods (Pinus sylvestris nigra type ~2–6%; Pinus halepensis-pinea type ~2–9%; Pinus pinaster ~1–5%). Increase of Isoetes (~12–19%) and decrease of foraminiferal linings (~7–15%). |
| Z-4 | 230-189 | 7441-5928 | Drop of both deciduous and evergreen Quercus (~7–16% and ~5–12%) towards the end of the zone. Decrease of Olea and Phillyrea (both below 5%), Juniperus (~6–10%), and Chenopodiaceae (~3–7%). Slight increase of Poaceae (~3–8%) and Asteroideae (~5–8%). Erica type (~7–10%) increases approaching the end of the zone. Rise of Cichorioideae (~17–33%). Decrease of P. sylvestris-nigra type and Pinus pinaster (both below 5%) and same values for Pinus halepensis-pinea type (~2–9%). Increase of Isoetes (~14–27%) and decrease of foraminiferal linings (~2–14%). |
Publisher’s Note: MDPI stays neutral with regard to jurisdictional claims in published maps and institutional affiliations. |
© 2021 by the authors. Licensee MDPI, Basel, Switzerland. This article is an open access article distributed under the terms and conditions of the Creative Commons Attribution (CC BY) license (https://creativecommons.org/licenses/by/4.0/).
Share and Cite
Val-Peón, C.; Santisteban, J.I.; López-Sáez, J.A.; Weniger, G.-C.; Reicherter, K. Environmental Changes and Cultural Transitions in SW Iberia during the Early-Mid Holocene. Appl. Sci. 2021, 11, 3580. https://doi.org/10.3390/app11083580
Val-Peón C, Santisteban JI, López-Sáez JA, Weniger G-C, Reicherter K. Environmental Changes and Cultural Transitions in SW Iberia during the Early-Mid Holocene. Applied Sciences. 2021; 11(8):3580. https://doi.org/10.3390/app11083580
Chicago/Turabian StyleVal-Peón, Cristina, Juan I. Santisteban, José A. López-Sáez, Gerd-Christian Weniger, and Klaus Reicherter. 2021. "Environmental Changes and Cultural Transitions in SW Iberia during the Early-Mid Holocene" Applied Sciences 11, no. 8: 3580. https://doi.org/10.3390/app11083580
APA StyleVal-Peón, C., Santisteban, J. I., López-Sáez, J. A., Weniger, G.-C., & Reicherter, K. (2021). Environmental Changes and Cultural Transitions in SW Iberia during the Early-Mid Holocene. Applied Sciences, 11(8), 3580. https://doi.org/10.3390/app11083580

