Abstract
Among the various applications of carbon nanotubes (CNTs) that have been investigated since the discovery of their exceptional potential in the electronic field, great interest has been directed towards the creation of carbon-based materials capable of replacing Indium Tin Oxide (ITO) as a transparent electrode. Such transparent conductive films find application in touch panels, LCD screens, OLED displays, photovoltaic cells, and many others. This review presents a collection of techniques that have been proposed during the last decade for the modeling of carbon nanotube-based materials by means of equivalent electrical networks. These networks represent the electrical properties of CNT-based conductive thin films in a way that can be easily included in circuit simulators for the simulation-assisted design of the different devices under static and dynamic conditions.
1. Introduction
The remarkable electrical properties of carbon nanotubes (CNTs) have led to intense research in various fields of electronics for the development of materials and devices for a wide range of applications. Among the most promising is certainly the use of CNTs in transparent conductive films (TCFs) in order to replace more traditional materials, such as ITO (Indium Tin Oxide) and other metal oxides as transparent electrodes in several devices, such as touch panels, LCD screens, OLED displays, photovoltaic cells, and many others. ITO is the best-performing doped metal oxide in terms of low resistance and high transparency. Moreover, it has good durability, as it is quite resistant to humidity, and can be processed achieving a very precise patterning. Nevertheless, its superior electrical and optical properties are accompanied by some drawbacks, the main one being the scarcity of its main element, Indium, which is rare and expensive. Furthermore, its ceramic nature entails unsatisfactory elastic properties, which become significant when the application requires bending capabilities. In particular, repeated bending stress is reported as a cause of degradation of ITO optoelectronic properties, thus making the material unsuitable for the development of flexible electronics [1]. Thus, the search for new materials for the development of transparent electrodes is mainly driven by the necessity of replacing ITO with solutions less expensive, more available, and suitable for the development of flexible devices in next-generation electronics.
In the recent past, different possibilities have been explored. For instance, conductive polymers have proved capable of dealing with the issues of flexibility and cost-effectiveness though did not prove equally performing in terms of optoelectronic properties. For example, PEDOT:PSS films exhibit a sheet resistance of about 200 Ω/□ and a transparency above 80%, coming with poor thermal stability and a slight tendency to blue color [2,3]. Rather than depositing a conductive layer, one possibility for achieving a good flexibility of conductive films is to pattern a conductive grid onto a substrate. Random or ordered networks of nanowires of Silver or Copper have already proven performance comparable to those of ITO. Carbon nanotubes thin films, at the moment, lag behind, with slightly worse performance due to the high resistance at the nanotube-nanotube interface. Thanks to their cheapness and versatility, they seem the most promising ITO competitor. To realize a CNT-based transparent electrode, CNTs are either treated by a dry or wet process to form a conductive network and deposited onto a transparent substrate [2], or dispersed in a transparent polymer creating a conductive compound [4,5]. Several techniques have been reported to obtain large area depositions of CNT networks as well as precise patterning of conductive areas with little efforts. Unfortunately, a better electrical performance is usually obtained at the expense of optical transparency [6]. Nevertheless, some attempts at improving the electrical conductivity without losing transparency to visible light have been reported [7]. Lately, graphene also arose as a possible candidate to replace ITO in TCFs, though the issues related to the quality of exfoliated graphene have not been overcome yet. Solution-processed graphene has demonstrated optoelectronic properties still two orders of magnitude far from the state-of-art, mainly due to the grain boundaries and defects of graphene flakes [8]. Up to now, CNTs seem to be the best trade-off between costs, versatility, and performance. The raw material is abundant and easy to find and costs for the processing are affordable, as many solutions for the fabrication of TCFs based on CNTs involve operations at room temperature. CNTs are also very versatile, and in the form of thin film within the 1–100 nm range of thickness they exhibit good transparency in the visible range, neutral color, good flexibility, and appealing electrical properties.
As in any other field, being able to predict the behavior of a component is one key advantage during the design process. Simulation enables shorter times for the design, less efforts for prototyping and less failures. However, the fabrication of CNT-based TCFs has often been engineered by trial-and-error, achieving high quality and high performance, nonetheless. The lack of a model capable of effectively representing the behavior of a CNT-based transparent electrode becomes more significant during the process of designing devices that include such layers; CNT thin films and carbon-based nanomaterials, in fact, cannot be included in full device models in the form of ideally behaving elements. Rather, a truthful representation of the material characteristics, such as its electric properties, must be considered in order to carry out an engineered design of the final device.
Due to the complex nature of materials for TCFs, it is not possible to simulate all levels of abstraction with one single method. The different lengths involved in the physical phenomena ruling the behavior of CNT thin films, as well as the stochastic nature of the CNT deposition outcomes, make it impossible to perform the simulation in one step. The modeling of CNT-based devices must be performed at several layers of abstraction, each of them related to a different order of magnitude of the lengths involved, starting from the atomistic modeling of carbon molecules, and ending at the macro-dimensional modeling of the final device. Such an approach, known as multiscale modeling, takes advantage of several methodologies according to the nature of the physics involved and of the quantities of interest, and is a recurring topic in the modeling of 2D material-based devices. Expanding the models developed for random CNT networks to other 2D material networks is considered a fundamental topic in the 2D materials simulation community [9].
In the case of transparent electrodes, the main quantity of interest is the ratio between electrical and optical conductivity. In this review, we will focus on the modeling of the first. Developing a reliable model for the simulation of an arbitrarily shaped transparent electrode made of CNT-based conductive films requires a valid representation of the conductive behavior of a randomly aligned network of differently sized carbon nanotubes. This implies having a solid model of the transport phenomenon, as related to the shape, chirality, quality, and quantity of nanotubes involved. Modeling the properties of the CNT is the first step for the development of the CNT network model. The CNT network model, in turn, is functional for describing the properties of the transparent electrode, both in cases where it is made of a CNT thin film deposited on an insulating substrate, and in cases where it is made of a nanocomposite material.
For the purpose of including the TCF model in already existing circuit models of complex electronic devices, usually designed by means of automated electronic design systems and circuit simulators, lumped-parameters equivalent electric circuits are extensively used. The complexity of a circuit, the numbers of properties that its parameters take into account, and the kind of physical phenomena involved in the current conduction, should all be tailored according to the kind of application to be studied. For instance, the computation of the dc value of the electrical conductivity of a transparent electrode is often performed by referring to a simple resistive network, implementing the dominant nanotube-to-nanotube junction resistance. Conversely, the modeling of the CNT-based electrode for applications where the frequency dependence of the conductive layer impedance cannot be neglected, and has to include the capacitive effects arising in the CNT network. The design of devices for critical applications, e.g., high-frequency field-effect transistors, may require including in the CNT network model the dependence on aspects like the nanotubes doping [10], the carriers density [11], the trap-state density [12]. Finally, the modeling of CNT-based nanocomposites, like polymers enriched by CNTs, cannot but include the hosting polymer insulating properties.
Even though there are, in the literature, very detailed and exhaustive reviews on the techniques for performing one or more steps of the multiscale modeling of carbon nanotubes, especially at the single CNT level [13,14,15], there is a lack of reviews specifically addressing the modeling of CNTs and CNT networks by means of equivalent circuits. This paper aims to support electrical engineers in identifying the model which is best suited to describe the properties of interest of a CNT-based conductive layer, by describing the main features of the equivalent electrical circuits available in the literature.
In the following section, the different steps for the modeling of a carbon nanotube are described by increasing complexity. In Section 3, some techniques for the modeling of CNT networks are reviewed in order to propose a clear picture of the state of the art of CNT-based materials and devices simulation by means of equivalent electrical circuits.
2. Modeling of a Carbon Nanotube
The lowest-level modeling of carbon nanotubes is aimed at predicting the properties of the tube from both the mechanical and the electrical point of view. The properties of a CNT are determined by several factors, such as the chirality vector, the number of walls, the aspect ratio (involving diameter and length). The topic has been widely covered by several reviews, which agree in classifying the modeling of CNTs in atomistic modeling, continuum modeling and hybrid atomistic–continuum mechanics modeling [13,15,16]. with respect to the equivalent circuit modeling, CNTs have often been described as transmission lines [17]. Choosing between the atomistic, continuum and equivalent circuit level modeling depends on the kind of properties that need to be assessed according to the length scale involved (see Figure 1). Table 1 synthetically reports the description, the applications, the strengths, and limitations of the modeling of CNTs at different levels.
Figure 1.
Representation of three levels of the CNT modeling, arranged by increasing the length scale. The arrangement also follows the increase of the computational efforts required by the modeling steps.
Table 1.
Comparison between the different steps of the multiscale modeling of CNTs.
In this review, we will describe the modeling at CNT-level briefly, focusing on the modeling of CNT networks for the circuital simulation of electronic devices.
2.1. Atomistic Modeling
Atomistic modeling employs atomic interactions and force fields to obtain the position of atoms in the nanostructure, which is needed to solve the Schrödinger equation. In this way, fundamental quantities that provide information about all the properties of the nanotube are obtained. Atomistic modeling includes ab initio methods (also referred to as first principles methods) [18], based on Monte Carlo (MC) and Quantum Monte Carlo (QMC) approaches, more accurate but also requiring a huge computational effort, Density Functional Theory (DFT) techniques, molecular dynamics (MD)-based approaches [19], including Tight Binding (TBMD) approximation, and several others. Due to the great computational effort required for the solution of at the nanoscale level, atomistic models are usually employed for the investigation of a limited number of atoms, representing volumes or surfaces at the nanometric scale.
2.2. Continuum Modeling
Continuum modeling includes all methods based on the representation of a CNT as a continuum structure with distributed properties, such as mass, stiffness, conductivity, and so on [14,20]. The values attributed to such properties usually come from atomistic calculations or from empiric assessments. Continuum modeling overcomes time-scale and length-scale limitations of ab initio calculations. In fact, it neglects the discrete atomic structure of the CNT by replacing it with a continuum or an equivalent-continuum [21]. The analysis of such continuum is then performed according to truss, plate, shell or beam theory, also with the aid of Finite Element Modeling (FEM) techniques. However, it should be considered that FEM models are not suitable to represent structures with extreme aspect ratios. Continuum modeling can address the investigation of larger volumes than atomistic models (from nanometric to micrometric dimensions); the accuracy of simulations based on continuum modeling, though, must be evaluated very carefully, as neglecting the discrete nature of nanostructures can easily lead to inaccurate results when it comes to the assessment of fundamental properties of the material.
2.3. Equivalent Transmission Line (TL) Modeling
One technique for the modeling of the CNT electrical properties is based on the equivalent transmission line (TL) electrical circuit. First proposed for the electrical modeling of metallic single-walled nanotubes (SWCNTs) [17], and later improved to represent the electrical properties both in the frequency domain and in the time domain of SWCNT bundles [22,23], it successfully addresses the needs for a reliable method for the investigation of the RF signal propagation and the current transport capabilities of CNT-based interconnects. Due to the modular nature of TL models, they can be used to represent larger areas of conductive material, such as electrodes and interconnects, also above the micrometric scale.
The components of the TL model representing a single conducting channel of a metallic SWCNT presented in [17] are three per-unit-length (p.u.l.) parameters: the kinetic inductance, LK, the quantum capacitance, CQ, and the electrostatic capacitance, CE, respectively defined as
where h is Plank’s constant, e the electron charge, vf the Fermi velocity, ε0 the vacuum dielectric permittivity, εr the surrounding dielectric material relative permittivity, d the distance between the CNT and the underlying metal plane, a the CNT radius. This model was improved by Sarto et al. in [24] by proposing an analogy with the electron waveguide. The upgraded model of a SWCNT accounting for n conductive channels includes an external inductance, LE, and a diffusion resistance R, respectively defined according to
in which μ0 is the vacuum magnetic permittivity and τ is the relaxation time.
Furthermore, the model also accounts for the intrinsic resistance R0 of each channel
and for the additional nanotube-metal contact resistance Rm.
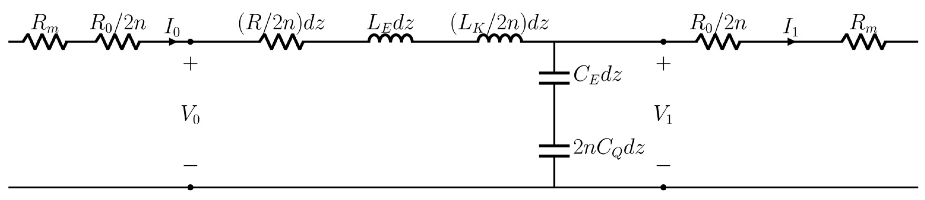
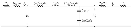
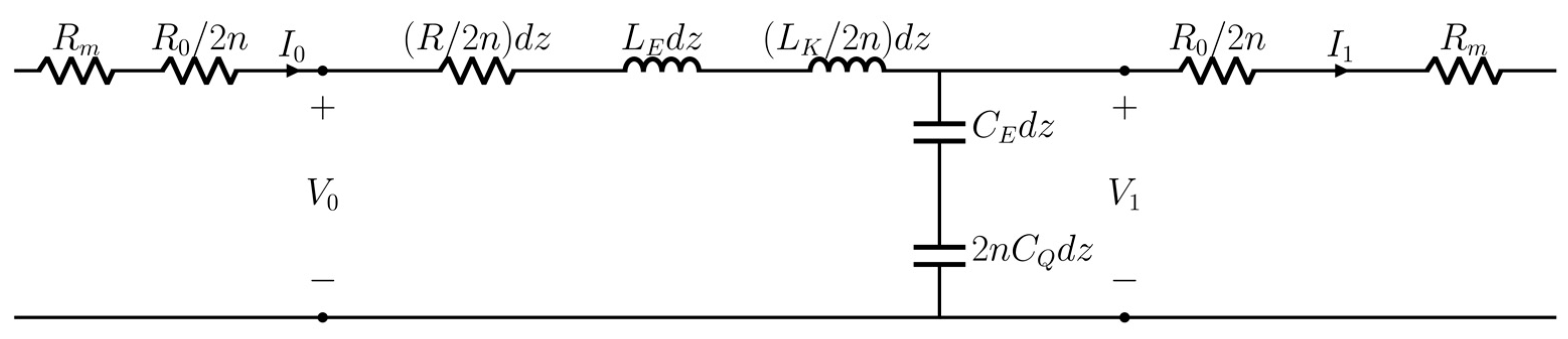
The resulting equivalent circuit for an n-channel SWCNT is represented in Figure 2.
Figure 2.
The equivalent transmission line (TL) circuit model of an n-channel SWCNT. The intrinsic resistance R0 is split in two resistors placed at the two sides of the conductive path, close to the CNT-metal resistances Rm.
The described representation was also expanded to represent bundles of SWCNTs and multi-wall nanotubes (MWCNTs) [25].
According to the simulations reported in [24], the signal propagation in a bundle of SWCNTs is mainly dependent on the shunt capacitive branch value of capacitance of every CNT of the bundle. At lower frequencies (in the proximity of f = 1 GHz for the simulated CNT bundle), the input and output currents are small and almost equal, due to the high impedance of the capacitive branch that behaves like an open circuit. Furthermore, the current is equally distributed along the tubes. By increasing the frequency, the difference between the input and output current increases due to the decrease of the shunt impedance that drains current to the ground and to the increased value of the impedance along the conduction path.
With respect to MWCNTs, it was demonstrated in [25] that the kinetic inductance and the quantum capacitance strongly depend on the number of shells. In particular, Lk is inversely proportional and CQ is linearly increasing with the number of shells. Referring to the external parameters, the magnetic inductance LE and the electrostatic capacitance CE only depend on the ratio between the distance of the CNTs from the ground plane and their radius. The work reports that LE is always negligible with respect to Lk, whereas CE dominates in the capacitive branch impedance when the number of walls exceeds 20 and the distance from the ground is greater than half the external radius, because it is one order of magnitude smaller than CQ. In CNTs with a small number of walls located close to the ground, CE and CQ are in the same order of magnitude, and thus none of them can be neglected.
3. Electrical Modeling of CNT Networks
The assessment of the electrical properties of carbon nanotube networks have led to the development of different models to simulate the current conduction in a CNT layer. The chirality of the CNTs composing the network play an important role in the film electric properties. It is reported in [2] that, in general, in a CNT network, one third of the nanotubes are metallic CNTs, whereas the remaining two thirds are semiconducting CNTs with different chirality, diameter, length, and band gap. While the metallic-to-metallic CNT conduction is good (and for this reason these CNTs are better suited for application in transparent conductive films [26]), the charge transport between metallic and semiconducting nanotubes is impaired by the highly resistive Schottky barrier at the junction, which contributes to the overall film resistance to a greater extent with respect to the nanotube segment resistance [27,28,29,30]. The closer the nanotubes are, the smaller the tunneling resistance is. Eventually, a conductive path exists over two different points of the network, i.e., a small-resistance route across nanotubes connecting two different spots in the network. The establishment of conductive paths can be described by the percolation theory [31,32]; according to this theory, a percolation threshold for the nanoparticles’ density exists, over which conduction across two points is made possible and the network conductivity can be described by an exponential law. This kind of approach is particularly useful for the representation of the electrical behavior of nanocomposites, where the insulating behavior of the hosting material switches to a conductive behavior [33] when conductive CNTs form a percolative path. The dependence of the obtained conductivity on the filler density, aspect ratio, chirality, band gap, density of states (DOS), doping, etc., has been the object of many studies [34,35,36,37]. The estimation of the number and morphology of percolation paths usually relies on statistical approaches such as Monte Carlo simulations of the nanotubes’ distribution. Recently, machine learning approaches to the prediction of a nanomaterial’s electrical properties have also been considered [38].
The CNT network also has an intrinsic capacitive effect that can be considered to model the frequency-dependent variation of impedance. The degree of complexity needed in a model depends on the application under study.
Whether the CNT network is deposited on a transparent, insulating, sometimes flexible substrate, or mixed in a polymeric matrix generating a conductive compound, its conductivity is usually computed by means of an equivalent electric circuit. If the CNTs are deposited in the form of a free-standing network, or the CNT-based layer is very thin, a planar equivalent circuit can be used, in which the equivalent electrical network develops on a surface and conduction only happens in-plane. If the CNTs are dispersed inside a hosting material, conduction paths also involve the vertical direction, thus the distance between the nanotubes that determines the tunneling resistance can also spread out of plane. In this case, a 3D equivalent network must be considered.
In the following, we describe some examples found in the literature of circuital models that have been proposed to assess the electrical performance of CNT networks with different levels of complexity.
3.1. Percolation Theory for the Modeling of CNT/Polymer Composites Conductivity
When conductive nanoparticles are deposited on a substrate, or a conductive filler is dispersed in an insulating polymeric matrix, the electrical behavior of the newly formed network switches from insulating to conductive when the so-called percolation threshold is overcome, i.e., the specific filler nanoparticles density at which a conductive path is established. In the case of CNTs used as nanofillers, the electrical conductivity of the nanocomposite σnc can be modeled following the classical percolation theory by [34]
where σi and σc are the insulating phase and conductive phase dc conductivities, and ϕ and ϕc are the CNT volume fraction and the percolation threshold. The exponents s and t are usually extracted by fitting the experimental data and are related to the spatial configuration of the CNT networks.
The influence of the CNT properties (such as length, aspect ratio, aggregation state) on the tube-tube interactions and on the tunneling effect, determining the percolation threshold and the overall conductivity of the material, was discussed by several authors [39,40,41].
3.2. 2D Models for CNT Networks Simulations
The modeling of the conductive path of a percolated network can be performed by means of lumped-parameters equivalent electrical circuits, made of resistive or resistive-capacitive 2D or 3D electrical networks. 2D networks consider only percolation paths developing on a plane. An example of 2D network morphology is shown in Figure 3.
Figure 3.
2D morphology of CNT networks, like the ones adopted in [11,42,43].
A resistive model featuring zero-width intersecting rod-like particles was used in [42] to study the effect of the filler length dispersity on the thin film electrical conductivity. Despite the simplicity of neglecting the nanotubes width and impenetrability, the model includes the interesting possibility of choosing the anisotropy of the particles alignment by considering the rotation angle on the film plane of every particle. This feature allows the simulation of CNT films with a tunable degree of alignment in any direction on the plane. The authors considered random values of the particles’ angle and length, the first following a normal distribution and the latter following a log-normal distribution, and computed the conductivity by accounting for the presence of an insulating substrate. In particular, the thin film plane was partitioned in a meshed grid, with every cell considered conductive if covered by a rod, and otherwise considered insulating. The cells were then replaced by four segments arranged crosswise with a fixed value of conductivity (equal to 2 × 106 if conductive, equal to 2 if non-conductive), in order to transform the film in a random resistive network, whose equivalent conductivity was computed by the Frank-Lobb algorithm [44]. This approach makes it possible to study the correlation between the percolation and the density and orientation of fillers, but simplistically neglects the rods volume and impenetrability, as well as the particles positioning at different heights in the material. Moreover, the conductivity of each segment is considered equal, despite the different lengths of the rods, and the different location of the junctions across the rod’s length. The results obtained by means of this model were not supported by a comparison with experiments.
A procedure based on graph theory and the solution of Kirchhoff’s laws by means of incidence matrices was proposed in [43] to solve the analysis of a linear network of ideal resistors representing connected CNTs. In this case, both the tube segment resistance and the tube junctions tunneling resistance are considered. The proposed block-matrix manipulation can be used to either compute the total conductivity of the CNT network by knowing the tunneling resistances value or compute the tunneling resistance by measuring the total conductivity.
In [11], a 2D resistive network of mono-dimensional semiconducting CNTs is obtained by accounting for the carrier density dependent charge transport for the first time. This model was developed in the view of studying the impact of the CNT network electrical properties on field-effect transistors performance, an application in which the dependence of the junction resistance on the carriers’ density and chirality acquires a great importance. In these devices, in fact, nanotubes are mostly semiconducting and with different band gaps due to the uneven geometry and chirality, and the density of states (DOS) of each nanotube has a considerable impact on the CNT network electrical properties. Due to the tube-tube junction resistance being much higher than the nanotube resistance, the authors propose the modeling of a SWCNT network in form of a planar resistive network of junction conductances, given by
where the subscripts i and j indicate two nanotubes of the network over which the charge transport happens. Moreover, EF is the Fermi energy, Di(E) and Dj(E) are the DOS of the CNTs i and j, and Gij’(EF,Ei,Ej) is the bond conductance as computed for two sites of a disordered system across which charge hopping can occur:
in which e is the electron charge, kB the Boltzmann constant, T the temperature, ωijsymm an approximated value for the symmetrized hopping rate between the two sites, and Ei and Ej the energy at sites i, j. The obtained network is then solved by applying Kirchhoff equations for the computation of the node voltages. The resulting carrier mobility against carrier density, showing a sharp peak around a density of 2 × 1012 cm−2, was compared to the measured mobility of aerosol jet-printed networks of SWCNTs. The simulation matches the experiment qualitatively but not quantitatively, possibly due to an underestimation of the real carrier density caused by the 2D representation of the conductive layer. This model ignores the rod volume and the transport along the rod by neglecting the nanotube resistance in the network, and only considers in-plane charge transport. This approximation is effective in the representation of the electrical behavior of a CNT-based field-effect transistor channel, which is sufficiently thin to be considered as a single layer of interacting nanotubes, when the tube lengths does not exceed a few hundreds of nanometers. Otherwise, the nanotube segment resistance increases due to the detrimental effect on the charge transport of the scattering phenomenon [45].
3.3. Layered 2D Models for CNT Network Simulations
Applications involving thicker layers of CNT-filled material require modeling the CNT network in a way that accounts for the location of the nanotubes across the thickness of the conductive layer. One possibility is to iterate the generation of the 2D network and consider the material as composed of different layers, each represented by a 2D network. This approach is proposed in [46,47] based on the assumption that CNTs tend to align mostly parallel to the substrate, and therefore connections along the vertical direction are negligible. To validate this approach, the authors validate the model by comparing the simulated and measured resistivity of a CNT-based conductive layer of different widths and lengths. The experiments were matched by means of two fitting parameters: the nanotube density and the ratio between the junction resistance and the theoretical limit contact resistance. Nevertheless, the model fails to catch the resistivity decrease observed for widths greater than 2 μm.
3.4. 3D Models for CNT Networks Simulations
CNT networks developing in a layer of non-negligible thickness, in which more than two nanotubes can overlap, are poorly described by 2D networks, because the current flow can be directed out of plane due to the proximity of CNTs in the vertical direction. This matter can be easily understood by observing Figure 4, showing an example of a CNT network dispersed in a volume.
Figure 4.
3D morphology of CNT networks, like the ones adopted in [48,49,50,51].
Flattening the network into a planar representation can cause an overestimation of the number of tube-tube junctions and consequently the identification of wrong conduction paths. For this reason, for the description of thick layers of CNT-filled materials, a 3D network representation of the real morphology of the CNTs distribution is mandatory to obtain accurate simulations and reliable results. According to the kind of analysis to be performed, capacitive effects may or may not be included in the equivalent circuit representation of the CNTs network.
3.4.1. Resistive 3D Networks
The 3D model proposed in [48] for the modeling of SWCNT networks is based on the computation of the equivalent resistance of a network of resistances. The model, originally presented in [52] for the modeling of the transport mechanisms in CNT-polymer compounds, is based on a MatLab® (The Matworks, Inc.) procedure that generates a random distribution of CNTs, represented by impenetrable solid cylinders of fixed length and radius, inside a fixed volume. Starting from the position of each CNT, randomly generated according to a uniform probability distribution, an electrical equivalent network of parallel resistive branches is generated following the conduction paths created across the CNTs distribution. The conduction across two points of the network achieves a convergence in correspondence of a given minimum density of CNTs; such information is crucial for the design of efficient CNT-based conductive materials. Each resistive branch composing the parallel network represents a conductive path over the two terminals across which the equivalent resistance must be computed. On each branch, there is the resistance of the CNT located across the lmn distant points m and n, Rmn, computed assuming the CNTs of the conductive path have the resistivity of semiconducting CNTs ρCNT and cross-sectional area SCNT, and the tunneling resistance Rtunnel, introduced in correspondence with each nanotube-nanotube junction to account for the electron tunneling effect occurring between close CNTs. These resistances are computed according to the equations
and
in which h is Plank’s constant, d is the distance between the two CNTs, e is the electron charge, me is the electron effective mass, λ is the energy barrier height.
Although also including the terms accounting for the CNT/metal contact resistance, which is crucial in devices where the electrode length is comparable with the nanotube length, suggestions for its quantification are not provided. The result is the computation of the equivalent resistance of the volume representing the conductive layer, as if the material were a homogeneous medium. The simulations of the on-resistance of CNT-based thin film transistors (TFT) with different channel widths and lengths were validated against DC measurements of TFT with channel made of high purity semiconducting CNTs.
Recently, a simulation tool accounting for the DOS in semiconducting nanotubes arranged in a 3D random network was proposed in [49]. As the first step of the multiscale modeling of a random CNT network, a distribution of non-intersecting CNTs is generated with random orientation, chirality and length (the latter picked according to a lognormal distribution, whose mean and variance are inferred by experiments). The resistance of each nanotube is computed according to
where L is the nanotube length, λeffis the electron effective mean free path, and R0 is the quantum resistance computed by dividing the applied voltage by the nanotube current
I(V). The current is given by
in which e is the electron charge, ℏ the reduced Plank constant, D(E) the DOS, γi the broadening functions, fi(E, V) the Fermi distributions, and the subscripts 1 and 2 localize the coefficients and the functions at the two contacts. Since the current depends on the potentials at the two contacts, the solution is obtained by an iterative procedure. The peculiarity of this model is that including the DOS allows simulating different materials. This model does not involve the computation of the resistance of metallic-metallic, semiconductor-semiconductor, and metallic-semiconductor junctions, which are selected according to a narrow uniform distribution centered around values taken from the literature. The resistive network is transformed into a netlist and solved by the SPICE circuit simulator. The simulated total resistance is compared with the resistance of spray-coated films, measured by means of an evaporated interdigitated metallic electrode, by scaling the results obtained for a small area up to a greater surface matching the actual dimensions of the sprayed network. The obtained results are also plotted against the CNT density, as reported in Figure 5, showing that the resistance of a device with 3 × 3 mm2 area drops from about 11 kΩ to 1 kΩ when the CNT density increases from 18 CNT/μm2 to 30 CNT/μm2. The numerical results show good agreement with the experiments, confirming that, in certain cases, 3D modeling may be necessary to improve the simulation accuracy.
Figure 5.
Simulated and measured resistance of a 3 × 3 mm2 spray coated CNT network. Data extracted from [49]. Simulation results are obtained by means of the resistive 3D network model described in the cited work.
3.4.2. Resistive-Capacitive 3D Networks
When the CNT network is formed within an insulating polymeric matrix, from an electrical point of view the overall impedance must include not only the resistive and capacitive contribution of the conductive paths, but also the contribution of the hosting polymer. For this reason, the equivalent electric circuit-based models are usually improved by including parameters that account for the polymer properties affecting the nanocomposite electric behavior.
The computation of the resistive and capacitive contributions to the reinforced epoxy frequency-dependent electrical impedance due to the CNT distribution in the polymer is addressed in [50,51], where the resistive model presented in [52] is improved to account for the capacitive effects between neighboring nanotubes. In the equivalent circuit, the base resin is represented by a resistance and a capacitance in parallel, respectively given by
and
in which σres is the resin dc conductivity, ε0 is the vacuum dielectric permittivity, εr is the resin relative dielectric permittivity, Li, Lj, Lk are the fixed volume dimensions along the three axes. The capacitance between two neighboring nanotubes is computed by considering an effective parallel-plate geometry for the nanotube-insulator-nanotube system, relying on a simplified equivalent topology, and therefore approximated by the capacitance of a parallel-plate capacitor Cgap, in which the armors are the tubes’ surfaces, and the dielectric is the polymer:
where SCNT is CNT cross-sectional area, and d is the distance between the two CNTs.
Each percolation path identified across two sides of the simulated box volume introduces a parallel branch, accounting for the material changing its behavior from insulating to conducting. Each branch includes a series of a resistor and an RC parallel. The series resistance is the CNT resistance Rmn given by Equation (11); the RC parallel includes the tunneling resistance, Rtunnel, of Equation (12) and the capacitance originating from the gap between two neighbor CNTs filled with the dielectric polymer, Cgap, of Equation (17). The schematic view of the equivalent electrical 3D network is shown in Figure 6. The equivalent electric impedance can be used to compute the overall frequency-dependent equivalent electrical conductivity by knowing the investigated volume dimensions along the three axes. The authors confirmed the consistency of the simulation results by comparing the simulated electrical percolation threshold with that reported in several other works in the literature.
Figure 6.
Schematic of the equivalent circuit modeling a composite CNTs/polymer material. The parallel impedance Rres-Cres represents the polymeric matrix. Each percolative path inside the CNT network is represented by a parallel branch like the one at the bottom, which includes the CNTs segment resistance.
In [53], a lumped-parameters equivalent electric circuit is proposed to model the ac electrical input impedance of CNT-epoxy composites. The resistances and capacitances of a simple electrical network are extracted by fitting the measured frequency-dependent electrical impedance of composite samples realized with different thicknesses, in a frequency range spanning from 100 Hz to 1 MHz. The equivalent circuits are composed of an RC parallel branch, representing the overall material behavior, and the smallest number of RC series, all electrically connected in parallel, needed to fit the measurement. Although such an approach represents an easy tool for including an already existent device in a circuital simulator, it cannot be used to design a material fabricated by using a different recipe, or the same material in a different frequency range.
4. Discussion
In this paper, a review of the equivalent circuit-based models for the simulation of CNT networks like those established in CNT-based transparent conductive films was presented. Designing a CNT-based transparent electrode requires accounting for different parameters, such as the length, diameter and aspect ratio of the nanotubes, the CNT density, chirality, and doping, the presence of defects and impurities within the deposited film. All these factors affect the electrical behavior and the optical transparency of the conductive layer, thus contributing to the overall electrode performance. Having a reliable tool for the simulation of the electrical properties of the CNT-based conductive layer is indeed helpful for the design of a high-performing electrodes. Starting from the identification of percolation paths over two points of a CNT network, lumped-parameters equivalent electrical circuits can be developed to model the electrical properties of the CNT-based electrode. These circuits can then be used to account for the electrode properties in broader circuits that model complex devices featuring a CNT-based conductive layer.
Starting from the distributed-parameters equivalent transmission line model of a single CNT, and passing by the lumped-parameter modeling of 2D, layered 2D, and 3D networks, the state of the art of CNT network modeling was described. The main features of the equivalent electrical circuit-based models described in this paper are summarized in Table 2 for comparison purposes.
Table 2.
Main features of the equivalent electrical circuit-based models reviewed.
The modeling of CNT networks by means of 2D resistive networks is indicated to simulate the electrical conductivity of very thin films of free-standing nanotubes. To take into account the different percolation paths that can be established in thicker layers of nanotubes or in nanocomposites made by dispersing CNTs in a polymeric matrix, modeling by 3D networks is required. CNT/polymer composites are better modeled by resistive-capacitive networks that account for the frequency-dependent impedance of the material above the electrical percolation threshold caused by the insulating nature of the polymer. For this reason, the concept of “best model” depends both on the material characteristics and on the simulation objective.
To choose the most suitable modeling technique for the simulation of a certain application, it is necessary to answer some fundamental questions:
- Is the thickness of the CNT-based conductive layer small enough to assume that the CNT network is planar and the percolative paths are all lying on the conduction plane?
If so, a 2D network model will give sufficiently accurate results with a small complexity and low computational effort. Otherwise, if the layer thickness is not negligible, a better accuracy can be obtained by modeling a 3D network.
- Is the quantity of interest frequency-dependent?
If the CNT-based material is meant to work in a dynamic regime, e.g., in harmonic or switching conditions, depending on the frequency of interest it could be necessary to include the modeling of the capacitive behavior.
- Is the CNT network dispersed inside a material that contributes to determining the quantity of interest in a non-negligible way?
This could be, for example, the case of CNT-based nanocomposites used for sensing applications, in which the mechanical and thermal properties of the hosting polymer must be taken into account to predict the material response to the input quantity.
- Are the CNTs mostly metallic, semiconducting, or mixed?
Conduction between metallic CNTs happens easily, with the carriers experimenting a low junction resistance. Conduction between metallic and semiconducting CNTs, on the contrary, is hindered by a high potential barrier that determines a high value for the junction resistance. In this case, the tunneling resistance related to the conduction between nanotubes becomes dominant with respect to the nanotube resistance, which is related to the conduction along a single nanotube. For this reason, the information about the nature of the CNTs helps in determining if one of the two contributions to the total resistance can be neglected. Furthermore, in the case of mostly semiconducting nanotubes, it should be considered to include the modeling of the density of states in the resistance computation.
- Are there experimental data available?
If so, it could be useful to implement a model including fitting parameters that can be tuned to match the experiment results. In this way, the simulated quantities should be more reliable, but not applicable to other materials.
In this review, models accounting for the tube segment resistance, the tunneling resistance, the density of states and the charge transport were described and reviewed, highlighting strengths and weaknesses of each, in the view of providing guidance in the choice of the best-performing technique depending on the application under examination, in terms of trade-off between accuracy and complexity.
Author Contributions
Conceptualization, M.L.M. and P.L.; writing—original draft preparation, M.L.M.; writing—review and editing, P.L. and V.T.; supervision, P.L. All authors have read and agreed to the published version of the manuscript.
Funding
This research was partially supported by FARB founding of the University of Salerno and from the European Union’s Horizon 2020 research and innovation programme under grant agreement GrapheneCore3 No 881603.
Institutional Review Board Statement
Not applicable.
Informed Consent Statement
Not applicable.
Conflicts of Interest
The authors declare no conflict of interest.
References
- Yu, L.; Shearer, C.; Shapter, J. Recent Development of Carbon Nanotube Transparent Conductive Films. Chem. Rev. 2016, 116, 13413–13453. [Google Scholar] [CrossRef]
- Zhou, Y.; Azumi, R. Carbon nanotube based transparent conductive films: progress, challenges, and perspectives. Sci. Technol. Adv. Mater. 2016, 17, 493–516. [Google Scholar] [CrossRef]
- Salvatierra, R.V.; Cava, C.E.; Roman, L.S.; Zarbin, A.J.G. ITO-Free and Flexible Organic Photovoltaic Device Based on High Transparent and Conductive Polyaniline/Carbon Nanotube Thin Films. Adv. Funct. Mater. 2013, 23, 1490–1499. [Google Scholar] [CrossRef]
- Saw, L.N.; Mariatti, M.; Azura, A.R.; Azizan, A.; Kim, J.K. Transparent, electrically conductive, and flexible films made from multiwalled carbon nanotube/epoxy composites. Compos. Part B Eng. 2012, 43, 2973–2979. [Google Scholar] [CrossRef]
- Wang, R.; Yu, H.; Dirican, M.; Chen, L.; Fang, D.; Tian, Y.; Yan, C.; Xie, J.; Jia, D.; Liu, H.; et al. Highly Transparent, Thermally Stable, and Mechanically Robust Hybrid Cellulose-Nanofiber/Polymer Substrates for the Electrodes of Flexible Solar Cells. ACS Appl. Energy Mater. 2020, 3, 785–793. [Google Scholar] [CrossRef]
- Hu, L.; Hecht, D.S.; Gruner, G. Percolation in transparent and conducting carbon nanotube networks. Nano Lett. 2004, 4, 2513–2517. [Google Scholar] [CrossRef]
- Kong, B.S.; Jung, D.H.; Oh, S.K.; Han, C.S.; Jung, H.T. Single-walled carbon nanotube gold nanohybrids: Application in highly effective transparent and conductive films. J. Phys. Chem. C 2007, 111, 8377–8382. [Google Scholar] [CrossRef]
- Kumar, A.; Zhou, C. The race to replace tin-doped indium oxide: Which material will win? ACS Nano 2010, 4, 11–14. [Google Scholar] [CrossRef]
- Marin, E.G.; Perucchini, M.; Marian, D.; Iannaccone, G.; Fiori, G. Modeling of Electron Devices Based on 2-D Materials. IEEE Trans. Electron Devices 2018, 65, 4167–4179. [Google Scholar] [CrossRef]
- Znidarsic, A.; Kaskela, A.; Laiho, P.; Gaberscek, M.; Ohno, Y.; Nasibulin, A.G.; Kauppinen, E.I.; Hassanien, A. Spatially resolved transport properties of pristine and doped single-walled carbon nanotube networks. J. Phys. Chem. C 2013, 117, 13324–13330. [Google Scholar] [CrossRef]
- Schießl, S.P.; De Vries, X.; Rother, M.; Massé, A.; Brohmann, M.; Bobbert, P.A.; Zaumseil, J. Modeling carrier density dependent charge transport in semiconducting carbon nanotube networks. Phys. Rev. Mater. 2017, 1, 46003. [Google Scholar] [CrossRef]
- Statz, M.; Schneider, S.; Berger, F.J.; Lai, L.; Wood, W.A.; Abdi-Jalebi, M.; Leingang, S.; Himmel, H.J.; Zaumseil, J.; Sirringhaus, H. Charge and thermoelectric transport in polymer-sorted semiconducting single-walled carbon nanotube networks. ACS Nano 2020, 14, 15552–15565. [Google Scholar] [CrossRef]
- Rafiee, R.; Moghadam, R.M. On the modeling of carbon nanotubes: A critical review. Compos. Part B Eng. 2014, 56, 435–449. [Google Scholar] [CrossRef]
- Pal, G.; Kumar, S. Modeling of carbon nanotubes and carbon nanotube-polymer composites. Prog. Aerosp. Sci. 2016, 80, 33–58. [Google Scholar] [CrossRef]
- Maiti, A. Multiscale modeling with carbon nanotubes. Microelectron. J. 2008, 39, 208–221. [Google Scholar] [CrossRef]
- Arash, B.; Wang, Q. A review on the application of nonlocal elastic models in modeling of carbon nanotubes and graphenes. Comput. Mater. Sci. 2012, 51, 303–313. [Google Scholar] [CrossRef]
- Burke, P.J. An RF circuit model for carbon nanotubes. IEEE Trans. Nanotechnol. 2003, 2, 55–58. [Google Scholar] [CrossRef]
- Sanchez-Portal, D.; Artacho, E.; Soler, J.M.; Rubio, A.; Ordejon, P. Ab-initio structural, elastic, and vibrational properties of carbon nanotubes. Phys. Rev. B-Condens. Matter Mater. Phys. 1998, 59, 12678–12688. [Google Scholar] [CrossRef]
- Prylutskyy, Y.I.; Durov, S.S.; Ogloblya, O.V.; Buzaneva, E.V.; Scharff, P. Molecular dynamics simulation of mechanical, vibrational and electronic properties of carbon nanotubes. Comput. Mater. Sci. 2000, 17, 352–355. [Google Scholar] [CrossRef]
- Zhang, P.; Huang, Y.; Geubelle, P.H.; Hwang, K. On the continuum modeling of carbon nanotubes. Acta Mech. Sin. Xuebao 2002, 18, 528–536. [Google Scholar] [CrossRef]
- Odegard, G.M.; Gates, T.S.; Nicholson, L.M.; Wise, K.E. Equivalent-continuum modeling of nano-structured materials. Compos. Sci. Technol. 2002, 62, 1869–1880. [Google Scholar] [CrossRef]
- Srivastava, N.; Banerjee, K. Performance analysis of carbon nanotube interconnects for VLSI applications. In Proceedings of the IEEE/ACM International Conference on Computer-Aided Design, Digest of Technical Papers, (ICCAD 2005), San Jose, CA, USA, 6–10 November 2005; pp. 383–390. [Google Scholar]
- Lamberti, P.; Tucci, V.; Sarto, M.S.; Tamburrano, A. Impact of physical parameters on time-delay performances of CNT-based interconnects. In Proceedings of the 2009 9th IEEE Conference on Nanotechnology (IEEE NANO 2009), Genoa, Italy, 26–30 July 2009; pp. 54–57. [Google Scholar]
- Sarto, M.S.; Tamburrano, A.; D’Amore, M. New electron-waveguide-based modeling for carbon nanotube interconnects. IEEE Trans. Nanotechnol. 2009, 8, 214–225. [Google Scholar] [CrossRef]
- Sarto, M.S.; Tamburrano, A. Single-conductor transmission-line model of multiwall carbon nanotubes. IEEE Trans. Nanotechnol. 2010, 9, 82–92. [Google Scholar] [CrossRef]
- Green, A.A.; Hersam, M.C. Colored semitransparent conductive coatings consisting of monodisperse metallic single-walled carbon nanotubes. Nano Lett. 2008, 8, 1417–1422. [Google Scholar] [CrossRef] [PubMed]
- Topinka, M.A.; Rowell, M.W.; Goldhaber-Gordon, D.; McGehee, M.D.; Hecht, D.S.; Gruner, G. Charge transport in interpenetrating networks of semiconducting and metallic carbon nanotubes. Nano Lett. 2009, 9, 1866–1871. [Google Scholar] [CrossRef] [PubMed]
- Fuhrer, M.S.; Nygård, J.; Shih, L.; Forero, M.; Yoon, Y.G.; Mazzoni, M.S.C.; Choi, H.J.; Ihm, J.; Louie, S.G.; Zettl, A.; et al. Crossed nanotube junctions. Science (80-. ) 2000, 288, 494–497. [Google Scholar] [CrossRef]
- Stadermann, M.; Papadakis, S.J.; Falvo, M.R.; Novak, J.; Snow, E.; Fu, Q.; Liu, J.; Fridman, Y.; Boland, J.J.; Superfine, R.; et al. Nanoscale study of conduction through carbon nanotube networks. Phys. Rev. B-Condens. Matter Mater. Phys. 2004, 69, 201402. [Google Scholar] [CrossRef]
- Nirmalraj, P.N.; Lyons, P.E.; De, S.; Coleman, J.N.; Boland, J.J. Electrical Connectivity in Single-Walled Carbon Nanotube Networks. Nano Lett. 2009, 9, 3890–3895. [Google Scholar] [CrossRef]
- Kirkpatrick, S. Percolation and Conduction. Rev. Mod. Phys. 1973, 45, 574–588. [Google Scholar] [CrossRef]
- Essam, J.W. Percolation theory. Reports Prog. Phys. 1980, 43, 833–912. [Google Scholar] [CrossRef]
- Marsden, A.J.; Papageorgiou, D.G.; Vallés, C.; Liscio, A.; Palermo, V.; Bissett, M.A.; Young, R.J.; Kinloch, I.A. Electrical percolation in graphene-polymer composites. 2D Mater. 2018, 5. [Google Scholar] [CrossRef]
- McLachlan, D.S.; Chiteme, C.; Park, C.; Wise, K.E.; Lowther, S.E.; Lillehei, P.T.; Siochi, E.J.; Harrison, J.S. AC and DC percolative conductivity of single wall carbon nanotube polymer composites. J. Polym. Sci. Part B Polym. Phys. 2005, 43, 3273–3287. [Google Scholar] [CrossRef]
- Bottacchi, F.; Bottacchi, S.; Späth, F.; Namal, I.; Hertel, T.; Anthopoulos, T.D. Nanoscale Charge Percolation Analysis in Polymer-Sorted (7,5) Single-Walled Carbon Nanotube Networks. Small 2016, 12, 4211–4221. [Google Scholar] [CrossRef]
- Wen, L.; Zhang, M. A theoretical and numerical study on percolation mechanism of carbon nanotube network. In Proceedings of the 16th International Conference on Nanotechnology-IEEE NANO 2016, Sendai, Japan, 22–25 August 2016; pp. 959–962. [Google Scholar]
- Jung, S.; Choi, H.W.; Mocanu, F.C.; Shin, D.W.; Chowdhury, M.F.; Han, S.D.; Suh, Y.H.; Cho, Y.; Lee, H.; Fan, X.; et al. Modeling Electrical Percolation to optimize the Electromechanical Properties of CNT/Polymer Composites in Highly Stretchable Fiber Strain Sensors. Sci. Rep. 2019, 9, 1–10. [Google Scholar] [CrossRef] [PubMed]
- Cao, J.; Zhang, X. Modulating the percolation network of polymer nanocomposites for flexible sensors. J. Appl. Phys. 2020, 128, 220901. [Google Scholar] [CrossRef]
- Hu, N.; Masuda, Z.; Yan, C.; Yamamoto, G.; Fukunaga, H.; Hashida, T. The electrical properties of polymer nanocomposites with carbon nanotube fillers. Nanotechnology 2008, 19, 215701. [Google Scholar] [CrossRef] [PubMed]
- Eken, A.E.; Tozzi, E.J.; Klingenberg, D.J.; Bauhofer, W. A simulation study on the combined effects of nanotube shape and shear flow on the electrical percolation thresholds of carbon nanotube/polymer composites. J. Appl. Phys. 2011, 109, 084342. [Google Scholar] [CrossRef]
- Balberg, I. The physical fundamentals of the electrical conductivity in nanotube-based composites. J. Appl. Phys. 2020, 128, 204304. [Google Scholar] [CrossRef]
- Tarasevich, Y.Y.; Vodolazskaya, I.V.; Eserkepov, A.V.; Goltseva, V.A.; Selin, P.G.; Lebovka, N.I. Simulation of the electrical conductivity of two-dimensional films with aligned rod-like conductive fillers: Effect of the filler length dispersity. J. Appl. Phys. 2018, 124, 145106. [Google Scholar] [CrossRef]
- Kim, D.; Nam, J. Systematic analysis for electrical conductivity of network of conducting rods by Kirchhoff’s laws and block matrices. J. Appl. Phys. 2018, 124, 215104. [Google Scholar] [CrossRef]
- Frank, D.J.; Lobb, C.J. Highly efficient algorithm for percolative transport studies in two dimensions. Phys. Rev. B 1988, 37, 302–307. [Google Scholar] [CrossRef] [PubMed]
- Tripathy, S.; Bose, B.; Chakrabarti, P.P.; Bhattacharyya, T.K. Resistive Analysis of Scattering-Dependent Electrical Transport in Single-Wall Carbon-Nanotube Networks. IEEE Trans. Electron Devices 2020, 67, 5676–5684. [Google Scholar] [CrossRef]
- Behnam, A.; Ural, A. Computational study of geometry-dependent resistivity scaling in single-walled carbon nanotube films. Phys. Rev. B-Condens. Matter Mater. Phys. 2007, 75, 125432. [Google Scholar] [CrossRef]
- Hicks, J.; Behnam, A.; Ural, A. Resistivity in percolation networks of one-dimensional elements with a length distribution. Phys. Rev. E-Stat. Nonlinear Soft Matter Phys. 2009, 79, 012102. [Google Scholar] [CrossRef]
- Lamberti, P.; Mousavi, S.A.; Spinelli, G.; Tucci, V.; Wagner, V. Fabrication and charge transport modeling of thin-film transistor based on carbon nanotubes network. IEEE Trans. Nanotechnol. 2014, 13, 795–804. [Google Scholar] [CrossRef]
- Colasanti, S.; Bhatt, V.D.; Abdelhalim, A.; Lugli, P. 3-D Percolative Model-Based Multiscale Simulation of Randomly Aligned Networks of Carbon Nanotubes. IEEE Trans. Electron Devices 2016, 63, 1346–1351. [Google Scholar] [CrossRef]
- De Vivo, B.; Lamberti, P.; Spinelli, G.; Tucci, V. Numerical investigation on the influence factors of the electrical properties of carbon nanotubes-filled composites. J. Appl. Phys. 2013, 113, 244301. [Google Scholar] [CrossRef]
- De Vivo, B.; Lamberti, P.; Spinelli, G.; Tucci, V. A morphological and structural approach to evaluate the electromagnetic performances of composites based on random networks of carbon nanotubes. J. Appl. Phys. 2014, 115, 154311. [Google Scholar] [CrossRef]
- Spinelli, G.; Giustiniani, A.; Lamberti, P.; Tucci, V.; Zamboni, W. Numerical study of electrical behaviour in carbon nanotube composites. Int. J. Appl. Electromagn. Mech. 2012, 39, 21–27. [Google Scholar] [CrossRef]
- De Vivo, B.; Lamberti, P.; Tucci, V.; Kuzhir, P.P.; Maksimenko, S.A.; Bellucci, S. Equivalent electric circuits for the simulation of carbon Nanotube-epoxy composites. IEEE Trans. Nanotechnol. 2013, 12, 696–703. [Google Scholar] [CrossRef]
Publisher’s Note: MDPI stays neutral with regard to jurisdictional claims in published maps and institutional affiliations. |
© 2021 by the authors. Licensee MDPI, Basel, Switzerland. This article is an open access article distributed under the terms and conditions of the Creative Commons Attribution (CC BY) license (https://creativecommons.org/licenses/by/4.0/).





