Next Article in Journal
U-SSD: Improved SSD Based on U-Net Architecture for End-to-End Table Detection in Document Images
Previous Article in Journal
Lightning Modeling and Its Effects on Electric Infrastructures
 
 
Font Type:
Arial Georgia Verdana
Font Size:
Aa Aa Aa
Line Spacing:
Column Width:
Background:
Article

Development of a Proton-Frequency-Transparent Birdcage Radiofrequency Coil for In Vivo 13C MRS/MRSI Study in a 3.0 T MRI System

1
Department of Electronics and Information Engineering, Korea University, Sejong 30019, Korea
2
Research Institute for Advanced Industrial Technology, Korea University, Sejong 30019, Korea
3
Department of Radiology, Chonnam National University Medical School and Hospital, Gwangju 61469, Korea
4
Department of Artificial Intelligence Convergence, Chonnam National University, Gwangju 61186, Korea
5
Department of Psychiatry, Massachusetts General Hospital and Harvard Medical School, Boston, MA 02114, USA
*
Author to whom correspondence should be addressed.
Appl. Sci. 2021, 11(23), 11445; https://doi.org/10.3390/app112311445
Submission received: 11 November 2021 / Revised: 25 November 2021 / Accepted: 29 November 2021 / Published: 2 December 2021

Abstract

A proton-frequency-transparent (PFT) birdcage RF coil that contains carbon-proton switching circuits (CPSCs) is presented to acquire 13C MR signals, which, in turn, enable 1H imaging with existing 1H RF coils without being affected by a transparent 13C birdcage RF coil. CPSCs were installed in the PFT 13C birdcage RF coil to cut the RF coil circuits during 1H MR imaging. Finite-difference time-domain (FDTD) electromagnetic (EM) simulations were performed to verify the performance of the proposed CPSCs. The performance of the PFT 13C birdcage RF coil with CPSCs was verified via phantom and in vivo MR studies. In the phantom MR studies, 1H MR images and 13C MR spectra were acquired and compared with each other using the 13C birdcage RF coil with and without the CPSCs. For the in vivo MR studies, hyperpolarized 13C cardiac MRS and MRSI of swine were performed. The proposed PFT 13C birdcage RF coil with CPSCs led to a percent image uniformity (PIU) reduction of 1.53% in the proton MR images when compared with the case without it. FDTD EM simulations revealed PIU reduction of 0.06% under the same conditions as the phantom MR studies. Furthermore, an SNR reduction of 5.5% was observed at 13C MR spectra of corn-oil phantom using the PFT 13C birdcage RF coil with CPSCs compared with that of the 13C birdcage RF coil without CPSCs. Utilizing the PFT 13C birdcage RF coil, 13C-enriched compounds were successfully acquired via in vivo hyperpolarized 13C MRS/MRSI experiments. In conclusion, the applicability and utility of the proposed 16-leg low-pass PFT 13C birdcage RF coil with CPSCs were verified via 1H MR imaging and hyperpolarized 13C MRS/MRSI studies using a 3.0 T MRI system.

1. Introduction

Hyperpolarized 13C MRS/MRSI has been effectively utilized for real-time investigation of cellular metabolism because it increases magnetization of 13C-labeled compounds [1,2] without using invasive radiation treatments [3]. The MRS technique can be used to examine the cardiovascular system and improve perfusion measurements [4]. The low gyromagnetic ratio (four times lower than that of 1H) and natural abundance (13C for 1.1% and 1H for 99.9% at natural abundance) of the 13C nucleus can weaken the acquired 13C signals when verifying in vivo metabolism. Given the two aforementioned natural characteristics, the 13C signals should be enhanced via dynamic nuclear polarization (DNP) with injectable agents through in vivo subjects [2,5].
Regional or time-resolved in vivo 13C metabolic information can be acquired via 13C MRI and MRS. Prior to the acquisition of 13C MR images, 1H MR imaging is required for shimming and accurate localization. Localization can be performed via co-registration of the 1H and 13C MR images. For the co-registration of different nuclei MR images, it is desirable to use the same RF coil for both nuclei. Given the aforementioned aspects, a dual-tuned RF coil, which is tuned to both frequencies of nuclei, was utilized to obtain multi-nuclei MR images containing anatomical and metabolic information of the subject [6,7,8,9]. The most significant advantage of the dual-tuned RF coil is that both nuclei can be MR imaged without changing the RF coil and/or repositioning the subjects. The co-registration of the two types of MR images is straightforward and accurate throughout the dual-tuned RF coil.
There are many types of dual-tuned RF coils. Phased-array surface loop coils were first proposed for multi-nuclei MR studies using PIN-diode switching or trap circuits [7,10]. However, these kinds of dual-tuned surface RF coils have several weaknesses. Specifically, the dual-tuned RF surface loop coils exhibit a field distribution that is less homogeneous than that of volume coils [11]. A set of RF coils can be bulky in multi-nuclei MR studies using different combinations of RF coils [12,13]. Additionally, phased-array surface loops can be applied to small-volume subjects, such as rats, human heads, cartilages in the knee joints, or regions adjacent to the muscle of interest, owing to their limited depth of signal sensitivity [14,15]. Second, in the case of dual-tuned volume RF coils, such as birdcage RF coils with N legs, which is called the alternate leg method [16,17,18], the homogeneity of MR images of 1H and the x-nucleus can be compromised because the N/2 legs are tuned to the frequency of 1H and the rest are tuned to that of the x-nucleus. To overcome this limitation, a four-ring birdcage coil for multi-nuclei spectroscopy was proposed by Murphy-Boesch et al. [19]. However, this type of birdcage RF coil can be bulky and complex to construct.
To address these limitations, we propose a 13C birdcage RF coil with built-in switching circuits that can be activated passively and pass the electromagnetic waves of 1H resonant frequency to ensure the acquisition of the x-nuclei MR signals without the loss of birdcage legs. Furthermore, the proposed RF coil can be utilized with any high-performance 1H RF coil for 1H MR imaging without any movement and repositioning of the RF coils and subjects.
In this study, we provide a distinct description of the development and performance verification of a 16-leg low-pass proton-frequency-transparent (PFT) 13C birdcage RF coil to obtain 13C MRS/MRSI data and 1H MR images. A high-performance 1H RF coil was utilized with the proposed birdcage RF coil for 1H MR imaging and localization with the following 13C MRS/MRSI acquisition. The process was accomplished using the aforementioned switching circuits, which are termed as carbon-proton switching circuits (CPSCs). They were installed in the segments of the 13C PFT birdcage RF coil and have a negligible effect on 1H MR image acquisition ahead of 13C MRS/MRSI. The PFT 13C birdcage RF coil was constructed with a symmetrical capacitance distribution to improve uniformity and efficiency by ensuring the geometrical symmetry of the coil structure. The utility of the CPSCs was verified by performing 1H MR experiments and finite-difference time-domain (FDTD) electromagnetic (EM) simulations. Finally, the performance of the PFT 13C birdcage RF coil was evaluated via hyperpolarized slab dynamic 13C MRS and MRSI [20,21,22].

2. Materials and Methods

2.1. PFT 13C Birdcage RF Coil with CPSCs

Each CPSC was designed and fabricated in a PFT 13C birdcage RF coil consisting of two capacitors (C1 and C2) and one inductor (L), which is shown in Figure 1. The CPSCs act as short and open circuits at the resonant frequency corresponding to 13C (32.13 MHz at 3.0 T) and 1H (127.74 MHz at 3.0 T), respectively [23]. The impedance of the CPSCs can be described as parallel and series resonant circuits as follows:
Z parallel ω = j L eq ω = j L ω 1 ω ω off - 1
Z series ω = j L eq ω 1 ω on 2 ω
ω off = 1 LC 1
ω on = 1 L eq C 2
where the ω off and ω on are the resonant frequency of 1H and 13C, respectively.
The CPSC minimizes the effect of undermining the image quality throughout the acquisition of 1H MR images and maximizes the efficiency when obtaining 13C MR signals. A total of 40 CPSCs were fabricated and installed in the PFT 13C birdcage RF coil by creating gaps in four locations on each end-ring and between every leg.
The low-pass PFT 13C birdcage RF coil was constructed with 16 legs by considering the drive port connection, power deposition, and electromagnetic balance [24,25]. In this study, the design of the PFT 13C birdcage RF coil was decided to accommodate a 20−40 kg swine. According to the Petherick et al. [26], the dimension of the 40 kg swine with semi-recumbent position is approximately 270 mm in diameter and 1013 mm in length. Considering the size of the swine, the design of the PFT 13C birdcage RF coil was decided to be fabricated on a cylindrical acrylic tube frame with 10 mm thickness, 320 mm outer diameter, and 320 mm length. The acrylic support structures with constant curvature were attached to a cylindrical acrylic tube frame to support and fasten the PFT 13C birdcage RF coil on a patient table rail system. The PFT 13C birdcage RF coil was constructed using a copper sheet with 0.2 mm thickness. Rectangular end-rings and legs were used in the setup. The length and width of the legs were 240 mm and 30 mm, respectively; the width of the end-rings was 40 mm; and the gap for tuning the capacitors was 10 mm. The 16 legs were distributed at equal distances to improve RF field homogeneity, and each port was selected with 90° phase delay for quadrature transmission [27].
The construction of the 16-leg low-pass PFT 13C birdcage RF coil with the CPSCs involved the use of capacitors with a high quality (Q) factor (Q-factor ≅ 10,000, working voltage = 500–7200 V, non-magnetic, Dalicap, Dalian, China) and trimmer capacitors with high Q-factors (Q-factor > 3000, capacitance range = 1.0–14.0 pF, working voltage = 125 V, non-magnetic, Voltronics, Denville, NJ, USA) to resonate the PFT 13C birdcage RF coil at 32.13 MHz in a 3.0 T MRI system. The initial capacitance value of the PFT 13C birdcage RF coil was determined using the birdcage builder software package [28] and optimized for fine-tuning.
Each port of the PFT 13C birdcage RF coil was tuned to the uniform mode at 32.13 MHz and impedance matched to 50 Ω with a π-matching network using a corn-oil phantom [29]. For each leg, 33-pF capacitors were attached with the exception of the legs connected to ports 1 and 2. The resonant frequencies of 13C and 1H were unbalanced with solenoid baluns using RG-58 coaxial cables and trimmer capacitors with high Q factors to decrease RF current on the coaxial shield and prevent RF energy dissipation from the inside area of the MRI bore [16]. For the bench test measurement of the PFT 13C birdcage RF coil, return loss and impedance of the forward reflection coefficient (S11) at each port, Q-factor in loaded and unloaded conditions, and Q-factor ratio were measured and analyzed using a vector network analyzer (N9913A, Agilent Technologies, Santa Clara, CA, USA). Figure 1 shows the circuit diagram of the PFT 13C birdcage RF coil. The Q-factors in loaded and unloaded cases were calculated by measuring the 3 dB bandwidth of the S11 coefficient at 32.13 MHz.

2.2. 3 dB Quadrature Hybrid Coupler and T/R Switch

A 3 dB quadrature hybrid coupler was designed with an axisymmetric structure and fabricated using chip capacitors, trimmer capacitors, inductors, and a 2 mm thick copper shield for isolation. The 3 dB quadrature hybrid coupler was implemented to transmit a signal to both ports of the PFT 13C birdcage RF coil with a 90° phase difference and 3 dB attenuation [30]. The values of the capacitors and inductor at the resonance frequency corresponding to 13C in 3.0 T (32.13 MHz) were as follows: C1 = 99 pF, C2 = 41 pF, and L = 175 nH. Even and odd mode analyses of the designed circuit diagram indicated a magnitude error of 0.0032 V and the phase difference corresponded to 89.94°. Additionally, the analysis of practical implementation using the FieldFox RF analyzer indicated that the mean absolute difference of the magnitude was 0.087 dB and the mean absolute phase difference was 89.2°.
A transmit/receive (T/R) switch was designed and fabricated to protect the receive preamplifier from the high-power signal in transmission and to transmit the signal to the reception port while it disconnects from the transmission port [31]. The T/R switch was constructed using equivalent lumped-LC networks (L = 247.67 nH and C = 97.65 pF) and crossed PIN diodes instead of using λ⁄4 transmission lines. The crossed PIN diodes exhibited behavior similar to short circuits via a high-voltage signal during the transmit mode and open circuits during the receive mode. To prevent damage to the switching diodes and short circuits from high RF energy, a high-capacitance coupling capacitor was installed in the T/R switching circuit.

2.3. FDTD EM Simulation: B 1 + Mapping

To verify PFT 13C birdcage RF coil performance, B 1 + fields were simulated using the 1H body RF coil for transmission and reception for three cases as follows:
  • Body coil with a uniform fat phantom;
  • Body coil with a uniform fat phantom with 16-leg 13C PFT low-pass birdcage RF coil containing CPSCs;
  • Body coil with a uniform fat phantom with 16-leg 13C low-pass birdcage RF coil without CPSCs.
For the FDTD EM simulation of case 2, the CPSCs were modeled as open circuits. The input power was normalized to 1 W. B 1 + uniformity maps were calculated for cases 1 to 3 in the ROI using percent image uniformity (PIU), which can be calculated as Equation (5) [32]. All FDTD EM simulations are performed using Sim4Life (ZMT, Zurich MedTech AG, Zurich, Switzerland). The expression is as follows:
PIU   [ % ] = 1 - S max S min S max + S min × 100
where the Smax and Smin are the maximum and minimum intensity values.
A 16-leg high-pass birdcage RF coil was designed for 1H signal transmission and reception based on the following specifications, which is identical with the body RF coil in a commercial 3.0 T MRI system: resonant frequency = 127.74 MHz; diameter = 600 mm; length and width of legs = 540 mm and 30 mm, respectively; width of end-rings = 30 mm; diameter and length of RF shield = 650 mm and 1000 mm, respectively. A 19-pF capacitor was attached to each end-ring capacitor position of the body coil. The diameter and height of the uniform fat phantom corresponded to 250 mm and 300 mm, respectively, and their electric conductivity and relative permittivity corresponded to 0.0697 S/m and 12.37, respectively. The 16-leg low-pass PFT 13C birdcage RF coil was designed identical to the actual structure, whereas the design of the 16-leg low-pass 13C birdcage RF coil did not include any CPSCs. The 3D B 1 + maps calculated using Sim4Life software were resampled to a mat file (grid resolution: 256 × 256 × 256) and exported to MATLAB (R2017a, The MathWorks Inc., Natick, USA) for post-processing. The B 1 + map uniformity and field intensity were calculated by selecting a 20 cm region-of-interest (ROI) at the center of the phantom for each simulation case.

2.4. 1H Phantom MR Imaging Experiments

In this study, all MR experiments were performed using a 3.0 T MRI scanner (GE Healthcare, MR750, Milwaukee, WI, USA) in Chonnam National University hospital. The performance of CPSCs was evaluated using PIU measurements of American College of Radiology (ACR) methods [32] with a 204 mm outer-diameter, 165 mm length, and mixture of chemical compounds [33]. The 1H MR experiments using ACR phantom were performed using a high-performance 1H body RF coil for transmission and reception for three cases as follows:
  • Body coil with an ACR phantom;
  • Body coil with an ACR phantom with 16-leg 13C PFT birdcage RF coil including CPSCs;
  • Body coil with an ACR phantom with 13C birdcage RF coil without CPSCs.
For the 1H MR imaging with a high-performance 1H body RF coil, each 13C birdcage RF coil was positioned at the isocenter of the MRI bore. The ACR phantom 1H MR images were acquired using spin-echo sequence with the following parameters: repetition time (TR) = 400 ms, echo time (TE) = 14 ms, and flip angle (FA) = 90°. The raw data of the 1H MR images were exported to MATLAB and post-processed to calculate the PIUs.
Furthermore, the performance of the proposed 13C PFT birdcage RF coil was also verified using 1H reference imaging of corn-oil phantom for 13C MRSI experiments. The 1H reference images of corn-oil phantom were acquired using two cases of birdcage RF coil as follows:
  • The 16-leg low-pass PFT 13C birdcage RF coil with CPSCs;
  • The 16-leg low-pass 13C birdcage RF coil without CPSCs.
For the 1H reference imaging, T2-weighted MR images were acquired with the following parameters: TR = 4000 ms, TE = 100 ms, FOV = 40 × 40 cm2, acquisition matrix = 256 × 256, slice thickness = 2 cm, and NEX = 2.

2.5. 13C Phantom MR Spectroscopic Imaging Experiments

To verify the performance of the proposed 16-leg 13C PFT birdcage RF coil, 13C MRSI experiments were performed using a corn-oil phantom for the following two cases of birdcage RF coils:
  • The 16-leg low-pass PFT 13C birdcage RF coil with CPSCs;
  • The 16-leg low-pass 13C birdcage RF coil without CPSCs.
The diameter and length of the corn-oil phantom were 200 mm and 300 mm, respectively. 13C MR spectra of the corn-oil phantom were acquired for 44 s using 2D chemical shift imaging (CSI) pulse sequence with a slice-selective 90° flip angle excitation pulse and the following parameters: slice thickness = 5 cm, field-of-view (FOV) = 60 × 60 cm2, TR = 110 ms, TE = 2.8 ms, 3 × 3 cm2 in-plane resolution, spectral width = 5000 Hz, sampling points = 256, and NEX = 1.

2.6. Flip Angle Calibration for Hyperpolarized 13C MRS/MRSI

To obtain a high SNR during 13C MR scans, MR pulse sequences require accurate calibrations of the flip angle and transmit power in the prescan step [34,35]. Both calibrations were performed using distilled water and ethylene glycol (HOCH2CH2OH, anhydrous, 99.8%, Sigma-Aldrich, St. Louis, MO, USA) phantoms with a conventional head loader. The configuration of two phantoms and head loader is demonstrated in Figure 2. Those phantoms and loader were placed inside the center of the PFT 13C birdcage RF coil. The conventional head loader (GE Healthcare, Milwaukee, WI, USA) contains <1% potassium sorbate (K2SO4), <1% sodium chloride (NaCl), and <1% manganese chloride (MnCl2). The PFT 13C birdcage RF coil was then connected to a 3 dB quadrature hybrid coupler and T/R switch during calibration of the flip angle and transmit power.

2.7. In Vivo Hyperpolarized 13C MRS/MRSI Experiments

The animal study was approved by the Institutional Animal Care and Use Committee (IACUC) of Chonnam National University Medical School, Gwangju, Korea. All experiments were performed based on relevant guidelines and regulations.
In vivo hyperpolarized 13C MRS experiments were performed to verify the PFT 13C birdcage RF coil performance in the swine heart. First, slab dynamic 13C in vivo MRS was performed using a [1-13C] pyruvate solution with a concentration of 142 mM. The [1-13C] pyruvate solution was hyperpolarized using a HyperSense DNP polarizer (Oxford Instruments, Abingdon, UK) at 3.35 T and 1.4 K with microwave irradiation at 94.1 GHz for approximately 1.5 h [21,22]. The [1-13C] pyruvate solution was injected into the swine ear. The [1-13C] MR spectra were acquired every 3 s for 180 s simultaneously. Slab dynamic 13C MR spectra were acquired using a free induction decay chemical shift imaging (FIDCSI) pulse sequence (GE Healthcare) with the following parameters: slice thickness = 15 cm, field-of-view (FOV) = 40 × 40 cm2, FA = 30°, spectral width = 10,000 Hz, and sampling points = 4096 points.
Second, 13C 3D in vivo MR spectroscopic images were acquired for 18 s after injection of 15 mL [1-13C] pyruvate solution using the following parameters: slice thickness = 35 mm, TR = 215 ms, TE = 140 ms, voxel size = 3 × 3 × 3 cm3, RF pulse width = 1800 μ s , bandwidth = 580 Hz, FOV = 40 × 40 mm2, FA = 20°, and NEX = 1. For post-processing and reconstruction of the entire 13C MR spectroscopic data in this study, the acquired datasets were exported to spectroscopic imaging, visualization, and computing (SIVIC) [36] and MATLAB. The signal maps acquired from 3D swine cardiac 13C MR spectroscopic images were co-registered with swine cardiac 1H images to determine the distribution of the [1-13C] compounds.

3. Results

3.1. Bench Test Measurements

Table 1 lists the bench test measurement results of the PFT 13C birdcage RF coil with CPSCs and the 13C birdcage RF coil without CPSCs using a vector network analyzer. For all bench tests, with the exception of the unloaded Q-factor, the swine was loaded inside the 16-leg PFT 13C birdcage RF coil with CPSCs and 13C birdcage RF coil without CPSCs. The 3 dB quadrature hybrid coupler was connected to a 16-leg PFT 13C birdcage RF coil during bench test measurements. Figure 3 demonstrates the entire configuration of the PFT 13C birdcage RF coil system.

3.2. FDTD EM Simulation: B 1 + Mapping

Figure 4 and Table 2 present the FDTD EM B 1 + simulation results. In case 1, the uniformity of the B 1 + map of the fat phantom in the ROI was 85.0%. In case 2, the uniformity of the B 1 + map of the fat phantom in the ROI using body coil transmission and reception with the 16-leg 13C PFT birdcage RF coil, containing the CPSCs, was 84.9%; the uniformity reduction between cases 1 and 2 was 0.10%. In case 3, the uniformity of the B 1 + map of the fat phantom in the ROI using body coil transmission and reception with the 16-leg 13C birdcage RF coil without CPSCs was 75.3%, indicating a significant uniformity reduction of 9.70% when compared to that in case 2.
In cases 1, 2, and 3, the average intensities of the B 1 + field of the fat phantom in the ROI were 0.417 μT, 0.415 μT, and 0.148 μT, respectively. Case 2 demonstrated an intensity reduction of 0.43% compared to case 1. However, case 3 demonstrated a significant intensity reduction of 64.5% when compared with case 1, as shown in Table 2.

3.3. 1H Phantom MR Imaging Experiments

Table 3 and Figure 5a,b list the 1H MR experimental results using the ACR phantom. The PIU of the 1H MR image acquired using body coil transmission and reception was 85.0% for case 1, while it was 83.5% for case 2, which is with the 16-leg 13C PFT birdcage RF coil containing CPSCs. The PIU reduction between cases 1 and 2 was 1.50%. For case 3, the PIU of the 1H MR image using the body coil transmission and reception with the 16-leg 13C birdcage RF coil without CPSCs was not measured due to the excitation failure of the 1H nucleus caused by an unusually low B 1 + intensity.
Figure 5c,d demonstrate the 1H T2-weighted reference MR images of the corn-oil phantom with a 16-leg low-pass PFT 13C birdcage RF coil containing CPSCs and a 16-leg low-pass 13C birdcage RF coil without CPSCs. In Figure 5d, the 1H MR image of corn-oil phantom showed degraded image quality with poor homogeneity compared with Figure 5c.

3.4. 13C Phantom MR Spectroscopy Experiments

Figure 6 demonstrates the 13C MR spectra of the corn-oil phantom. Figure 6a is a 1H T2-weighted reference image with an 8 × 8 13C spectral grid, which was the result in Section 3.3. The SNR for both case 1 and 2 was calculated at the selected 13C spectral grid, which is described as a red broken line in Figure 6a. Figure 6b,c are the 13C MR spectra of corn-oil phantom, which is surrounded by a 16-leg low-pass PFT 13C birdcage RF coil with CPSCs and a 16-leg low-pass 13C birdcage RF coil without CPSCs, respectively, corresponding to the 8 × 8 13C spectral grid in Figure 6a. Table 4 lists the SNR and the standard deviation of the corn-oil phantom at the selected 13C spectral grid. The SNR of the selected 13C spectral grid in case 1 and case 2 was 33.80 and 35.76, respectively. There was a 5.5% of SNR drop in Figure 6b compared with Figure 6c.

3.5. Flip Angle Calibration and In Vivo Hyperpolarized 13C MRS/MRSI Experiments

In the prescan step, the flip angle was calibrated to 90° using a PFT 13C birdcage RF coil with distilled water and ethylene glycol phantoms in a 3.0 T MRI system, as discussed in Section 2.6. Figure 7a–c present the slab dynamic 13C MRS results of the [1-13C] compounds. In slab dynamic 13C MR spectra, [1-13C] pyruvate, [1-13C] lactate, [1-13C] bicarbonate, and [1-13C] pyruvate hydrate were demonstrated for 180 s.
Figure 8a–c present the 3D swine cardiac 13C MRSI results. Throughout the 3D swine cardiac 13C MRSI, [1-13C] pyruvate and [1-13C] lactate signals were acquired and co-registered with swine cardiac 1H MR images to investigate the [1-13C] metabolism.

4. Discussion

In this study, we evaluated the performance of the proposed CPSCs by comparing the results of FDTD EM simulations and MR experiments. By using the CPSCs, the performance of the 16-leg PFT 13C birdcage RF coil was verified through MR experiments and hyperpolarized 13C MRS/MRSI experiments.
Through the bench test measurement, the Q-factor ratios ( Unloaded   Q Loaded   Q ) of the 16-leg PFT 13C birdcage RF coil with CPSCs and the 16-leg 13C birdcage RF coil without the CPSCs were 9.330 and 10.11, respectively. This Q-factor ratio difference implies that the 13C signals can be acquired using the PFT 13C birdcage RF coil without the effects of CPSCs when comparing with the 13C birdcage RF coil without CPSCs.
FDTD EM simulations and phantom MR experiments for 1H nucleus were performed to verify the performance of the CPSC. The uniformity reduction in the B 1 + field maps of the uniform fat phantom in FDTD EM simulations and the signal intensity maps of ACR phantom in MR experiments with the 13C birdcage RF coil with and without the CPSCs was evaluated via PIU calculations using the ACR method and observed as negligible and acceptable based on the recommended action criteria of phantom test guidance of ACR [30]. When the fat phantom was surrounded by the 16-leg 13C birdcage RF coil without CPSCs, the uniformity and intensity reductions in the B 1 + map of the uniform fat phantom were 9.60% higher and 64.1% lower in the FDTD EM simulation, respectively, compared with those of the PFT 13C birdcage RF coil. Additionally, when the ACR phantom was surrounded by a 16-leg 13C birdcage RF coil, the ACR phantom could not be imaged due to power transmission errors in the MRI system, indicating excitation failure of the 1H nucleus. When compared with case 2, the fatal uniformity reduction and power transmission error observed in case 3 were generated because the 16-leg 13C birdcage RF coil was not transparent to the electromagnetic field at the 1H resonance frequency, and thus, it began to behave as an RF shield. There was also a fatal uniformity reduction at 1H T2-weighted reference images of corn-oil phantom when surrounded by the 16-leg 13C birdcage RF coil that did not contain CPSCs than that of the 16-leg PFT 13C birdcage RF coil. This implies that the results of 1H FDTD EM simulations and 1H MR imaging experiments coincide; moreover, the proposed CPSCs were appropriately constructed such that they can be transparent to an electromagnetic field at an 1H resonance frequency.
The 2D CSI data of the corn-oil phantom indicated that there was a slight difference of SNR with and without the CPSCs. This implies that the proposed CPSCs performed appropriately at the resonant frequency of 13C and the signal loss generated by the noise of CPSCs can be negligible and acceptable. The hyperpolarized slab dynamic 13C MR spectra indicated that the [1-13C] pyruvate was decomposed into the [1-13C] lactate by lactate dehydrogenase (LDH) and the [1-13C] bicarbonate by pyruvate dehydrogenase (PDH), which are the products of enzymatic exchanges [4,37,38]. Furthermore, the [1-13C] pyruvate hydrate was visualized, which is a product of non-enzymatic exchange of the [1-13C] pyruvate [35]. In the hyperpolarized slab dynamic 13C MR spectra, we were initially unable to detect the [1-13C] alanine, which is the product of pyruvate metabolism by aminotransferase [34]. However, a small [1-13C] alanine peak was visible between the pyruvate-hydrate and pyruvate peaks after a total of 60 spectra were summed over time. The 13C spectral noise levels decreased compared to the noise levels in previous hyperpolarized slab dynamic 13C MRS experiments using a lab-made 3 dB quadrature hybrid coupler and ground breakers.
The [1-13C] pyruvate signal was acquired to obtain 3D swine cardiac 13C MR spectroscopic images. However, the results indicated that the in vivo [1-13C] signal map and spectral grid did not coincide perfectly. There are four possible explanations for the discrepancy:
  • Signal of [1-13C] pyruvate shown in Figure 8a was filtered to detect only the [1-13C] pyruvate signal in the cardiac region and in major blood vessels;
  • Dark regions of the spectral grid shown in Figure 8a correspond to the lung area, which also contain blood vessels;
  • Bleeding effect caused by point spread function (PSF) of the elliptically sampled k-space [39];
  • Partial volume effect.

5. Conclusions

In conclusion, in this study, we provide a description and construction of a 16-leg low-pass PFT 13C birdcage RF coil for hyperpolarized 13C MRS/MRSI. We verified the usefulness and applicability of the proposed PFT 13C birdcage RF coil by assessing its performance using 1H FDTD EM simulations, 1H MR experiments for ACR and corn-oil phantoms, 13C 2D CSI for corn-oil phantom, in vivo hyperpolarized 13C slab dynamic MRS using 3D FIDCSI, and in vivo 13C 3D MRSI. The proposed PFT 13C birdcage RF coil was observed to significantly aid 13C animal MRS/MRSI analysis because it acquires high-resolution 1H and 13C images without any physical movements of in vivo models and hardware structures. Further research should be performed to assess the applicability of the proposed 16-leg low-pass PFT 13C birdcage RF coil with CPSCs in various x-nuclei, such as 23Na, 31P, and 19F, as well as in ultra-high-field (UHF) MRI systems with state-of-the-art MR pulse sequences.

Author Contributions

Conceptualization, J.-S.Y. and C.-H.O.; methodology, J.-S.Y., Y.-J.J., H.-J.C. and C.-H.O.; validation, J.-S.Y., I.P. and C.-H.O.; formal analysis, J.-S.Y.; investigation, J.-S.Y., J.-M.K., H.-J.C., G.-W.J., I.P., G.-W.K. and C.-H.O.; data curation, J.-S.Y. and I.P.; writing—original draft preparation, J.-S.Y.; writing—review and editing, J.-S.Y., J.-M.K. and C.-H.O.; supervision, C.-H.O. All authors have read and agreed to the published version of the manuscript.

Funding

This study was supported by the Technology Innovation Program (#10076675) funded by the Ministry of Trade, Industry & Energy (MOTIE, Korea) and the Korea Medical Device Development Fund grant funded by the Korea government (the Ministry of Science and ICT, the Ministry of Trade, Industry and Energy, the Ministry of Health & Welfare, the Ministry of Food and Drug Safety) (Project Number: 1711138003, KMDF-RnD KMDF_PR_20200901_0041-2021-02).

Institutional Review Board Statement

The animal study was approved by the Institutional Animal Care and Use Committee (IACUC) of Chonnam National University Medical School, Gwangju, Korea (protocol code: CNU-IACUC-H-2016-28 and date of approval: 2016-08-31). All experiments were performed based on relevant guidelines and regulations.

Informed Consent Statement

This study does not involve any human studies.

Data Availability Statement

Not applicable.

Acknowledgments

The authors thank ZMT for providing a free license of Sim4Life used in this study.

Conflicts of Interest

The authors declare no conflict of interest.

References

  1. Wolber, J.; Ellner, F.; Fridlund, B.; Gram, A.; Jóhannesson, H.; Hansson, G.; Hansson, L.; Lerche, M.H.; Månsson, S.; Servin, R.; et al. Generating highly polarized nuclear spins in solution using dynamic nuclear polarization. Nucl. Instrum. Methods Phys. Res. A 2004, 526, 173–181. [Google Scholar] [CrossRef]
  2. Ardenkjaer-Larsen, J.H.; Fridlund, B.; Gram, A.; Hansson, G.; Hansson, L.; Lerche, M.H.; Servin, R.; Thaning, M.; Golman, K. Increase in signal-to-noise ratio of >10,000 times in liquid-state NMR. Proc. Natl. Acad. Sci. USA 2003, 100, 10158–10163. [Google Scholar] [CrossRef]
  3. Qayyum, A. MR spectroscopy of the liver: Principles and clinical applications. Radiographics 2009, 29, 1653–1664. [Google Scholar] [CrossRef] [PubMed]
  4. Golman, K.; Thaning, M. Real-time metabolic imaging. Proc. Natl. Acad. Sci. USA 2006, 103, 11270–11275. [Google Scholar] [CrossRef]
  5. Nelson, S.J.; Vigneron, D.; Kurhanewicz, J.; Chen, A.; Bok, R.; Hurd, R. DNP-Hyperpolarized 13C Magnetic Resonance Metabolic Imaging for Cancer Applications. Appl. Magn. Reson. 2008, 34, 533–544. [Google Scholar] [CrossRef] [PubMed]
  6. Shen, G.X.; Boada, F.E.; Thulborn, K. Dual-frequency, dual-quadrature, birdcage RF coil design with identical b1 pattern for sodium and proton imaging of the human brain at 1.5 T. Magn. Reson. Med. 1997, 38, 717–725. [Google Scholar] [CrossRef]
  7. Ha, S.; Hamamura, M.J.; Nalcioglu, O.; Muftuler, L.T. A PIN diode controlled dual-tuned MRI RF coil and phased array for multi nuclear imaging. Phys. Med. Biol. 2010, 55, 2589. [Google Scholar] [CrossRef] [PubMed]
  8. Kim, J.-H.; Moon, C.H.; Park, B.-W.; Furlan, A.; Zhao, T.; Bae, K.T. Multichannel transceiver dual-tuned RF coil for proton/sodium MR imaging of knee cartilage at 3 T. Magn. Reson. Imaging 2012, 30, 562–571. [Google Scholar] [CrossRef]
  9. Lim, H.; Thind, K.; Martinez-Santiesteban, F.M.; Scholl, T.J. Construction and evaluation of a switch-tuned 13C-1H birdcage radiofrequency coil for imaging the metabolism of hyperpolarized 13C-enriched compounds. J. Magn. Reson. Imaging 2014, 40, 1082–1090. [Google Scholar] [CrossRef]
  10. Mayerspeer, M.; Roig, E.S.; Gruetter, R.; Magill, A.W. An Improved Trap Design for Decoupling Multinuclear RF Coils. Magn. Reson. Med. 2014, 72, 584–590. [Google Scholar] [CrossRef] [PubMed]
  11. Platt, T.; Umathum, R.; Fiedler, T.M.; Nagel, A.M.; Bitz, A.K.; Maier, F.; Bachert, P.; Ladd, M.E.; Wielpütz, M.O.; Kauczor, H.-U.; et al. In vivo self-gated 23 Na MRI at 7 T using an oval-shaped body resonator. Magn. Reson. Med. 2018, 80, 1005–1019. [Google Scholar] [CrossRef] [PubMed]
  12. Boehmert, L.; Kuehne, A.; Waiczies, H.; Wenz, D.; Eigentler, T.W.; Funk, S.; Von Knobelsdorff-Brenkenhoff, F.; Schulz-Menger, J.; Nagel, A.; Seeliger, E.; et al. Cardiorenal sodium MRI at 7.0 Tesla using a 4/4 channel 1 H/ 23 Na radiofrequency antenna array. Magn. Reson. Med. 2019, 82, 2343–2356. [Google Scholar] [CrossRef]
  13. Wiggins, G.C.; Brown, R.; Lakshmanan, K. High performance radiofrequency coils for 23Na MRI: Brain and musculoskeletal applications. NMR Biomed. 2016, 29, 96–106. [Google Scholar] [CrossRef] [PubMed]
  14. Prompers, J.J.; Jeneson, J.A.; Drost, M.R.; Oomens, C.C.; Strijkers, G.J.; Nicolay, K. Dynamic MRS and MRI of skeletal muscle function and biomechanics. NMR Biomed. 2006, 19, 927–953. [Google Scholar] [CrossRef]
  15. Brown, R.; Khegai, O.; Parasoglou, P. Magnetic Resonance Imaging of Phosphocreatine and Determination of BOLD Kinetics in Lower Extremity Muscles Using a Dual-Frequency Coil Array. Sci. Rep. 2016, 6, 1–8. [Google Scholar] [CrossRef]
  16. Amari, S.; Müfit Uluǧ, A.; Bornemann, J.; Van Zijl, P.C.; Barker, P.B. Multiple tuning of birdcage resonators. Magn. Reson. Med. 1997, 37, 243–251. [Google Scholar] [CrossRef]
  17. Matson, G.B.; Vermathen, P.; Hill, T.C. A practical double-tuned 1H/31P quadrature birdcage headcoil optimized for 31P operation. Magn. Reson. Med. 1999, 42, 173–182. [Google Scholar] [CrossRef]
  18. Mispelter, J.; Lupu, M.; Briguet, A. NMR Probeheads for Biophysical and Biomedical Experiments: Theoretical Principles and Practical Guidelines; Imperial College Press: London, UK, 2015. [Google Scholar]
  19. Murphy-Boesch, J.; Srinivasan, R.; Carvajal, L.; Brown, T.R. Two configurations of the four-ring birdcage coil for 1H imaging and 1H-decoupled 31P spectroscopy of the human head. J. Magn. Reson. B 1994, 103, 103–114. [Google Scholar] [CrossRef] [PubMed]
  20. Golman, K.; Petersson, J.S.; Magnusson, P.; Johansson, E.; Åkeson, P.; Chai, C.-M.; Hansson, G.; Månsson, S. Cardiac metabolism measured noninvasively by hyperpolarized13C MRI. Magn. Reson. Med. 2008, 59, 1005–1013. [Google Scholar] [CrossRef] [PubMed]
  21. Moon, C.-M.; Oh, C.-H.; Ahn, K.-Y.; Yang, J.-S.; Kim, J.-Y.; Shin, S.-S.; Lim, H.-S.; Heo, S.-H.; Seon, H.-J.; Kim, J.W.; et al. Metabolic biomarkers for non-alcoholic fatty liver disease induced by high-fat diet: In vivo magnetic resonance spectroscopy of hyperpolarized [1-13C] pyruvate. Biochem. Biophys. Res. Commun. 2017, 482, 112–119. [Google Scholar] [CrossRef]
  22. Moon, C.-M.; Shin, S.-S.; Lim, N.-Y.; Kim, S.-K.; Kang, Y.-J.; Kim, H.-O.; Lee, S.-J.; Beak, B.-H.; Kim, Y.-H.; Jeong, G.-W. Metabolic alterations in a rat model of hepatic ischaemia reperfusion injury: In vivo hyperpolarized 13 C MRS and metabolic imaging. Liver Int. 2018, 38, 1117–1127. [Google Scholar] [CrossRef]
  23. Stringer, J.A.; Drobny, G.P. Methods for the analysis and design of a solid state nuclear magnetic resonance probe. Rev. Sci. Instrum. 1998, 69, 3384–3391. [Google Scholar] [CrossRef]
  24. Hayes, C.E.; Edelstein, W.A.; Schenck, J.F.; Mueller, O.M.; Eash, M. An efficient, highly homogeneous radiofrequency coil for whole-body NMR imaging at 1.5 T. J. Magn. Reson. 1985, 63, 622–628. [Google Scholar] [CrossRef]
  25. Doty, F.D.; Entzminger, G., Jr.; Hauck, C.D.; Staab, J.P. Practical aspects of birdcage coils. J. Magn. Reson. 1999, 138, 144–154. [Google Scholar] [CrossRef] [PubMed]
  26. Petherick, J.C. Spatial requirements of animals: Allometry and beyond. J. Vet. Behav. 2007, 2, 197–204. [Google Scholar] [CrossRef]
  27. Glover, G.; Hayes, C.; Pelc, N.; Edelstein, W.; Mueller, O.; Hart, H.; Hardy, C.; O’Donnell, M.; Barber, W. Comparison of linear and circular polarization for magnetic resonance imaging. J. Magn. Reson. 1985, 64, 255–270. [Google Scholar] [CrossRef]
  28. Chin, C.L.; Collins, C.M.; Li, S.; Dardzinski, B.J.; Smith, M.B. BirdcageBuilder: Design of specified-geometry birdcage coils with desired current pattern and resonant frequency. Concepts Magn. Reson. 2002, 15, 156–163. [Google Scholar] [CrossRef]
  29. Pang, Y.; Zhang, X.; Xie, Z.; Wang, C.; Vigneron, D.B. Common-Mode Differential-Mode (CMDM) Method for Double Nuclear MR Signal Excitation and Reception at Ultrahigh Fields. IEEE Trans. Med. Imaging 2011, 30, 1965–1973. [Google Scholar] [CrossRef] [PubMed][Green Version]
  30. Vogel, R.W. Analysis and design of lumped-and lumped-distributed-element directional couplers for MIC and MMIC applications. IEEE Trans. Microw. Theory Tech. 1992, 40, 253–262. [Google Scholar] [CrossRef]
  31. Lowe, I.; Tarr, C. A fast recovery probe and receiver for pulsed nuclear magnetic resonance spectroscopy. J. Phys. E Sci. Instrum. 1968, 1, 320–322. [Google Scholar] [CrossRef] [PubMed]
  32. American College of Radiology (ACR). Phantom Test Guidance for the ACR MRI Accreditation Program; ACR: Reston, VA, USA, 1998. [Google Scholar]
  33. Clarke, G.D. Overview of the ACR MRI Accreditation Phantom; University of Texas Southwestern Medical Center: Dallas, TX, USA, 2004. [Google Scholar]
  34. Hancu, I.; Watkins, R.; Kohler, S.J.; Mallozzi, R.P. Accurate flip-angle calibration for 13C MRI. Magn. Reson. Med. 2007, 58, 128–133. [Google Scholar] [CrossRef] [PubMed]
  35. Giovannetti, G.; Frijia, F.; Flori, A.; De Marchi, D.; Aquaro, G.D.; Menichetti, L.; Ardenkjaer-Larsen, J.H. A fast and simple method for calibrating the flip angle in hyperpolarized13C MRS experiments. Concepts Magn. Reson. Part B Magn. Reson. Eng. 2015, 45, 78–84. [Google Scholar] [CrossRef]
  36. Crane, J.C.; Olson, M.P.; Nelson, S.J. SIVIC: Open-source, standards-based software for DICOM MR spectroscopy workflows. Int. J. Biomed. Imaging 2013, 2013, 169526. [Google Scholar] [CrossRef] [PubMed]
  37. Kubala, E.; Muñoz-Álvarez, K.A.; Topping, G.; Hundshammer, C.; Feuerecker, B.; Gómez, P.A.; Pariani, G.; Schilling, F.; Glaser, S.J.; Schulte, R.F.; et al. Hyperpolarized 13C metabolic magnetic resonance spectroscopy and imaging. J. Vis. Exp. 2016, 118, e54751. [Google Scholar] [CrossRef]
  38. Mallet, R.T.; Sun, J.; Knott, E.M.; Sharma, A.B.; Olivencia-Yurvati, A.H. Metabolic cardioprotection by pyruvate: Recent progress. Exp. Biol. Med. 2005, 230, 435–443. [Google Scholar] [CrossRef] [PubMed]
  39. Müller, C.A.; Hundshammer, C.; Braeuer, M.; Skinner, J.G.; Berner, S.; Leupold, J.; Düwel, S.; Nekolla, S.G.; Månsson, S.; Hansen, A.E.; et al. Dynamic 2D and 3D mapping of hyperpolarized pyruvate to lactate conversion in vivo with efficient multi-echo balanced steady-state free precession at 3 T. NMR Biomed. 2020, 33, e4291. [Google Scholar] [CrossRef]
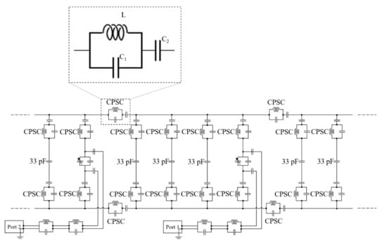
Figure 1. Circuit diagram of the 16-leg PFT 13C low-pass birdcage RF coil containing 40 carbon-proton switching circuits (CPSCs). Trimmer capacitors with high Q-factors are connected to ports 1 and 2 and used for fine-tuning of PFT 13C birdcage RF coil. Only half of the coil circuitry is shown in the figure; the other eight legs with 20 CPSCs without RF feeding are omitted for simplicity.
Figure 1. Circuit diagram of the 16-leg PFT 13C low-pass birdcage RF coil containing 40 carbon-proton switching circuits (CPSCs). Trimmer capacitors with high Q-factors are connected to ports 1 and 2 and used for fine-tuning of PFT 13C birdcage RF coil. Only half of the coil circuitry is shown in the figure; the other eight legs with 20 CPSCs without RF feeding are omitted for simplicity.
Applsci 11 11445 g001
Figure 2. (a) Configuration of the distilled water and ethylene glycol phantoms and (b) conventional head loader. Distilled water and ethylene glycol phantoms were placed side by side at the center of inside the conventional head loader.
Figure 2. (a) Configuration of the distilled water and ethylene glycol phantoms and (b) conventional head loader. Distilled water and ethylene glycol phantoms were placed side by side at the center of inside the conventional head loader.
Applsci 11 11445 g002
Figure 3. Installed configuration of PFT 13C birdcage RF coil with CPSCs, ground breakers, 3 dB quadrature hybrid coupler, and T/R switch in a 3.0 T MRI system.
Figure 3. Installed configuration of PFT 13C birdcage RF coil with CPSCs, ground breakers, 3 dB quadrature hybrid coupler, and T/R switch in a 3.0 T MRI system.
Applsci 11 11445 g003
Figure 4. Calculated B 1 + maps using Sim4Life. (a) B 1 + map of body coil with a uniform fat phantom without a 13C RF coil. (b) B 1 + map of body coil with uniform phantom with 16-leg PFT 13C birdcage RF coil containing CPSCs showing almost similar B 1 + map as (a). (c) B 1 + map of body coil with uniform phantom with 16-leg 13C birdcage RF coil without CPSCs showing degraded B 1 + map. The B 1 + fields in (ac) follow the color bar which is depicted in (d).
Figure 4. Calculated B 1 + maps using Sim4Life. (a) B 1 + map of body coil with a uniform fat phantom without a 13C RF coil. (b) B 1 + map of body coil with uniform phantom with 16-leg PFT 13C birdcage RF coil containing CPSCs showing almost similar B 1 + map as (a). (c) B 1 + map of body coil with uniform phantom with 16-leg 13C birdcage RF coil without CPSCs showing degraded B 1 + map. The B 1 + fields in (ac) follow the color bar which is depicted in (d).
Applsci 11 11445 g004
Figure 5. ACR phantom images using body coil transmission and reception without a PFT 13C birdcage RF coil: (a) and with a PFT 13C birdcage RF coil: (b) in a 3.0 T MRI system, showing almost identical uniformity as (a). 1H MR images of the corn-oil phantom using body coil transmission and reception with a 16-leg low-pass PFT 13C birdcage RF coil with CPSCs: (c) and with a 16-leg low-pass 13C birdcage RF coil without CPSCs: (d) in a 3.0 T MRI system. 1H MR image of corn-oil phantom in (d) shows inhomogeneity compared with (c), which verifies that proposed CPSCs act appropriately for 1H MR imaging.
Figure 5. ACR phantom images using body coil transmission and reception without a PFT 13C birdcage RF coil: (a) and with a PFT 13C birdcage RF coil: (b) in a 3.0 T MRI system, showing almost identical uniformity as (a). 1H MR images of the corn-oil phantom using body coil transmission and reception with a 16-leg low-pass PFT 13C birdcage RF coil with CPSCs: (c) and with a 16-leg low-pass 13C birdcage RF coil without CPSCs: (d) in a 3.0 T MRI system. 1H MR image of corn-oil phantom in (d) shows inhomogeneity compared with (c), which verifies that proposed CPSCs act appropriately for 1H MR imaging.
Applsci 11 11445 g005
Figure 6. 13C MR Spectra of the corn-oil phantom using 2D CSI sequence. 1H reference image was acquired using high-performance 1H RF coil with FIESTA cine sequence: (a). Each 13C MR spectra of the corn-oil phantom was acquired using 16-leg low-pass PFT 13C birdcage RF coil with 40 CPSCs: (b) and 16-leg low-pass 13C birdcage RF coil without CPSCs: (c). For the SNR comparison between (b,c), a total of 27 13C spectral grids were selected, which are indicated by the red broken line in (a). The overall SNR at the selected 13C spectral grid of the corn-oil phantom in (b,c) was 33.80 and 35.76, respectively. There was a slight SNR drop of 5.5% at the selected 13C spectral grid in (b) compared with (c).
Figure 6. 13C MR Spectra of the corn-oil phantom using 2D CSI sequence. 1H reference image was acquired using high-performance 1H RF coil with FIESTA cine sequence: (a). Each 13C MR spectra of the corn-oil phantom was acquired using 16-leg low-pass PFT 13C birdcage RF coil with 40 CPSCs: (b) and 16-leg low-pass 13C birdcage RF coil without CPSCs: (c). For the SNR comparison between (b,c), a total of 27 13C spectral grids were selected, which are indicated by the red broken line in (a). The overall SNR at the selected 13C spectral grid of the corn-oil phantom in (b,c) was 33.80 and 35.76, respectively. There was a slight SNR drop of 5.5% at the selected 13C spectral grid in (b) compared with (c).
Applsci 11 11445 g006
Figure 7. Slab dynamic 13C MR spectra of swine cardiac with respect to time. Stacked [1-13C] spectra in (a) are acquired 60 times every 3 s. The spectra of [1-13C] pyruvate, [1-13C] lactate [1-13C] bicarbonate, and [1-13C] pyruvate hydrate are also acquired. Reconstructed summed [1-13C] spectra in (b) and signal intensity graphs in (c) demonstrate the time course of conversion of [1-13C] pyruvate, [1-13C] lactate [1-13C] bicarbonate, [1-13C] pyruvate hydrate, and [1-13C] alanine.
Figure 7. Slab dynamic 13C MR spectra of swine cardiac with respect to time. Stacked [1-13C] spectra in (a) are acquired 60 times every 3 s. The spectra of [1-13C] pyruvate, [1-13C] lactate [1-13C] bicarbonate, and [1-13C] pyruvate hydrate are also acquired. Reconstructed summed [1-13C] spectra in (b) and signal intensity graphs in (c) demonstrate the time course of conversion of [1-13C] pyruvate, [1-13C] lactate [1-13C] bicarbonate, [1-13C] pyruvate hydrate, and [1-13C] alanine.
Applsci 11 11445 g007
Figure 8. Three-dimensional 13C MRSI results in the swine cardiac. (a) Signal map of [1-13C] pyruvate with 4 × 4 13C spectral grid; (b) corresponding 13C spectra of [1-13C] pyruvate at 4 × 4 13C spectral grid in (a); (c) signal map of [1-13C] lactate over heart and blood vessels. Color bar numbers are a.u.
Figure 8. Three-dimensional 13C MRSI results in the swine cardiac. (a) Signal map of [1-13C] pyruvate with 4 × 4 13C spectral grid; (b) corresponding 13C spectra of [1-13C] pyruvate at 4 × 4 13C spectral grid in (a); (c) signal map of [1-13C] lactate over heart and blood vessels. Color bar numbers are a.u.
Applsci 11 11445 g008
Table 1. Network analyzer measurements of the 16-leg PFT 13C birdcage RF coil using the vector network analyzer. The forward reflection coefficients are measured in the loaded condition where the swine is placed inside the 16-leg PFT 13C birdcage RF coil.
Table 1. Network analyzer measurements of the 16-leg PFT 13C birdcage RF coil using the vector network analyzer. The forward reflection coefficients are measured in the loaded condition where the swine is placed inside the 16-leg PFT 13C birdcage RF coil.
16-Leg PFT 13C Birdcage RF Coil
with CPSCs
16-Leg 13C Birdcage RF Coil
without CPSCs
Loaded
Condition
Unloaded
Condition
Loaded
Condition
Unloaded
Condition
Return Loss of Forward Reflection Coefficient (S11) [dB] 22.7 38 31 26
Impedance Forward Reflection Coefficient (S11) [ Ω ]50 j 2.350 + j 1.251 j 251 j 5
Q-factor311.02906345.03490
Q-ratio9.33010.11
Table 2. Results of the uniformity of B 1 + mapping FDTD simulation from the body coil to verify the performance of the proposed CPSCs.
Table 2. Results of the uniformity of B 1 + mapping FDTD simulation from the body coil to verify the performance of the proposed CPSCs.
CaseCase 1Case 2Case 3
Configuration for B 1 + mapping of the uniform fat phantomBody coilBody coil + 16-leg 13C PFT birdcage RF coil with CPSCsBody coil + 16-leg 13C birdcage RF coil without CPSCs
Uniformity of fat phantom [%]85.0%84.9%75.3%
Uniformity reduction when compared with case 1 [%]-−0.10%−9.70%
Intensity reduction when compared with case 1 [%]-–0.43%–64.5%
Table 3. 1H MR experimental results for verifying the performance of the proposed CPSCs. The data are then compared with the FDTD simulation results shown in Table 2.
Table 3. 1H MR experimental results for verifying the performance of the proposed CPSCs. The data are then compared with the FDTD simulation results shown in Table 2.
CaseCase 1Case 2Case 3
Configuration for 1H MR imaging of the ACR phantomBody coilBody coil + 16-leg 13C
PFT birdcage RF coil with CPSCs
Body coil + 16-leg 13C birdcage RF coil without CPSCs
PIU of 1H MR images [%]85.0%83.5%Cannot be measured
PIU reduction when compared with body coil [%]0%−1.50%Cannot be measured
Table 4. SNR and standard deviation of 13C spectral grid in the corn-oil phantom. There was a 5.5% drop of overall SNR around the corn-oil phantom. This result can verify that the noise added by 40 CPSCs can be negligible.
Table 4. SNR and standard deviation of 13C spectral grid in the corn-oil phantom. There was a 5.5% drop of overall SNR around the corn-oil phantom. This result can verify that the noise added by 40 CPSCs can be negligible.
CaseCase 1Case 2
SNR33.8035.76
Standard deviation of SNR5.5510.64
Publisher’s Note: MDPI stays neutral with regard to jurisdictional claims in published maps and institutional affiliations.

Share and Cite

MDPI and ACS Style

Yoon, J.-S.; Kim, J.-M.; Chung, H.-J.; Jeong, Y.-J.; Jeong, G.-W.; Park, I.; Kim, G.-W.; Oh, C.-H. Development of a Proton-Frequency-Transparent Birdcage Radiofrequency Coil for In Vivo 13C MRS/MRSI Study in a 3.0 T MRI System. Appl. Sci. 2021, 11, 11445. https://doi.org/10.3390/app112311445

AMA Style

Yoon J-S, Kim J-M, Chung H-J, Jeong Y-J, Jeong G-W, Park I, Kim G-W, Oh C-H. Development of a Proton-Frequency-Transparent Birdcage Radiofrequency Coil for In Vivo 13C MRS/MRSI Study in a 3.0 T MRI System. Applied Sciences. 2021; 11(23):11445. https://doi.org/10.3390/app112311445

Chicago/Turabian Style

Yoon, Jun-Sik, Jong-Min Kim, Han-Jae Chung, You-Jin Jeong, Gwang-Woo Jeong, Ilwoo Park, Gwang-Won Kim, and Chang-Hyun Oh. 2021. "Development of a Proton-Frequency-Transparent Birdcage Radiofrequency Coil for In Vivo 13C MRS/MRSI Study in a 3.0 T MRI System" Applied Sciences 11, no. 23: 11445. https://doi.org/10.3390/app112311445

APA Style

Yoon, J.-S., Kim, J.-M., Chung, H.-J., Jeong, Y.-J., Jeong, G.-W., Park, I., Kim, G.-W., & Oh, C.-H. (2021). Development of a Proton-Frequency-Transparent Birdcage Radiofrequency Coil for In Vivo 13C MRS/MRSI Study in a 3.0 T MRI System. Applied Sciences, 11(23), 11445. https://doi.org/10.3390/app112311445

Note that from the first issue of 2016, this journal uses article numbers instead of page numbers. See further details here.

Article Metrics

Back to TopTop