A Multi-Layer Security Scheme for Mitigating Smart Grid Vulnerability against Faults and Cyber-Attacks
Abstract
:1. Introduction
- ➢
- Evaluating and mitigating smart grid vulnerability with the use of making a targeted interactive framework between the smart grid and the microgrid.
- ➢
- Proposing a multi-layer cyber-defensive structure embedded within the grid to prevent the penetration of hackers to the critical and vulnerable areas of the smart grid.
- ➢
- Comparing the proposed cyber-security scheme to the other approaches proves this method’s effectiveness and validation against the targeted cyber-intrusions.
- ➢
- Developing an uncertainty framework based on the unscented transform (UT) method to reveal the negative effects of uncertain parameters on assessing the vulnerability indices of the smart grid.
- ➢
- The rest of the paper is structured as follows: Section 2 shows modeling of the vulnerability indices in relation to the smart grid. Section 3 proposes a multi-layer security approach for the smart grid. In Section 4, the stochastic framework based on UT is modeled to provide the stochastic effects. The relevant consequences on the IEEE-test system are analyzed in Section 5. Finally, the main outcome of this paper is briefly expressed in Section 6.
2. Definition of Vulnerability Indices Based on the Proposed Network
- Vulnerability indices of Bus
- Vulnerability indices of line
- Vulnerability indices of generator
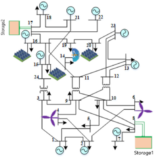
The Proposed Network Formulation
3. Multi-Layer Security Approach Based on Vulnerability Indices
3.1. The Blockchain Architecture-Based Public Defense
Blockchain Structure
3.2. Reinforcement Learning-Based Private Defense
| Algorithm 1: Learning phase framework. |
| 1-Pick up random action-observation pair (Reset P (o, a)) 2- for s = 1:S (Episode) 3- t = 0 4- U = “pre-attack” state 5- Choose “continue” command and an observation relaying to the “before-attack” state. 6- for t = 1:t’ 7- t = t + 1 8- if at = “stop” and t < T 9- rt =1. 10- Ut = “final” sate. 11- Pt (ot, at) = P (ot, at) + 𝛼 (rt-Pt (ot, at)). 12- end 13- if at = “continue” and t > T 14- rt =b. 15- Ut = “post-attack” sate. 16- else 17- r = 0. 18- end 19- Take Dt and evaluate the observation signal (ot + 1) 20- Select the optimal action (at + 1) according to the observation signal (ot + 1) using ε-greedy policy. 21- Revise the action (Pt + 1) by relaying to SARSA control: 22- Pt (ot, at) = P (ot, at) + 𝛼 (rt + Pt + 1 (ot + 1, at + 1)-Pt (ot, at)). 23- Update Y table. 24- ot = ot + 1 25- at = at + 1 26- end 27- end |
| Algorithm 2: Detection phase framework. |
| 1-Feed Y according to the learning phase. 2- U = “pre-attack” state 3- Opt “continue” action and an observation relaying to the “pre-attack” state. 4- for t = 1:t’ 5- t = t + 1 6- if at = “stop” 7- ts = t (the stopping time). 8- Alarm attack. 9- end 10- Find Dt and evaluate observation signal (ot + 1) 11- Choose the optimal action (at + 1) according to the observation signal (ot + 1) by ε-greedy policy. 12- Update the action value (Pt + 1) by relaying to SARSA: 13- at = at + 1 14- end |
4. Uncertainty Modeling
5. Simulation Results
5.1. Assessing and Relieving the Vulnerability Indices in the Smart Grid
5.2. Validating the Multi-Layer Based Proposed Security Approach
5.3. The Effect of Uncertainty on the Vulnerable Points of the Studied Case
6. Conclusions
Author Contributions
Funding
Institutional Review Board Statement
Informed Consent Statement
Data Availability Statement
Acknowledgments
Conflicts of Interest
Nomenclature
| Sets/Indices | |
| Set/index for feeder | |
| Set/index for power unit | |
| Set/index for hour | |
| Set/index of bus bar | |
| Limitations | |
| Solar energy | |
| PV losses | |
| /S | Wind speed/density |
| Tidal cut-in speed and rated speed | |
| Direct irradiation | |
| Water density | |
| Seawater density | |
| Brushed area of the turbine blades | |
| Rotor blade area | |
| ,, | Technical characteristics of line |
| Unit start-up, shut down | |
| PV Capacity | |
| Smart grid demand | |
| Power transaction price | |
| Current speed of tidal | |
| Rated generation of tidal | |
| High/low limits for storage system | |
| Microgrid demand | |
| Active power limitations | |
| Line active power limitations | |
| Line reactive power limitations | |
| Reactive power limitations | |
| Up/down Limits of reserve | |
| Limits of voltage | |
| Limits of angle | |
| Smart grid active demand in each bus | |
| Smart grid reactive demand in each bus | |
| Generation price of the generator. | |
| Bidding offer for WT, tidal, PV and battery | |
| ,,, | High or low limit of the power transaction |
| Mean and variance | |
| weight of the mean value | |
| covariance matrix | |
| c | Number of uncertain parameters |
| vector of stochastic inputs | |
| Variables | |
| Generation amount of storage, WT, tidal and PV | |
| Line outage index of bus b | |
| Bus index | |
| Line outage index of line l | |
| line index | |
| unit outage active index of line l | |
| unit index | |
| unit outage reactive index of line l | |
| unit index | |
| Generator and feeder reactive power at time t. | |
| Generator and line active power at time t. | |
| Power trade between microgrid and smart grid. | |
| Charging/Discharging rate. | |
| Binary variables of the generator. | |
| Bus voltage or angle. | |
| Energy of battery. | |
| Operation cost functions of smart grid and microgrid. |
References
- Tan, H.; Yan, W.; Ren, Z.; Wang, Q.; Mohamed, M.A. A robust dispatch model for integrated electricity and heat networks considering price-based integrated demand response. Energy 2022, 239, 121875. [Google Scholar] [CrossRef]
- Avatefipour, O.; Al-Sumaiti, A.S.; El-Sherbeeny, A.M.; Awwad, E.M.; Elmeligy, M.A.; Mohamed, M.A.; Malik, H. An Intelligent Secured Framework for Cyberattack Detection in Electric Vehicles’ CAN Bus Using Machine Learning. IEEE Access 2019, 7, 127580–127592. [Google Scholar] [CrossRef]
- Abedi, A.; Gaudard, L.; Romerio, F. Review of major approaches to analyze vulnerability in power system. Reliab. Eng. Syst. Saf. 2019, 183, 153–172. [Google Scholar] [CrossRef]
- Mohamed, M.A.; Chen, T.; Su, W.; Jin, T. Proactive Resilience of Power Systems against Natural Disasters: A Literature Review. IEEE Access 2019, 7, 163778–163795. [Google Scholar] [CrossRef]
- Liu, Y.; Jin, T.; Mohamed, M.A.; Wang, Q. A Novel Three-Step Classification Approach Based on Time-Dependent Spectral Features for Complex Power Quality Disturbances. IEEE Trans. Instrum. Meas. 2021, 70, 1–14. [Google Scholar] [CrossRef]
- Shahzad, U. Vulnerability Assessment in Power Systems: A Review. J. Electr. Eng. Electron. Control. Comput. Sci. 2021, 7, 17–24. [Google Scholar]
- Doorman, G.; Uhlen, K.; Kjølle, G.; Huse, E. Vulnerability Analysis of the Nordic Power System. IEEE Trans. Power Syst. 2006, 21, 402–410. [Google Scholar] [CrossRef]
- Velloso, A.; Van Hentenryck, P. Combining Deep Learning and Optimization for Preventive Security-Constrained DC Optimal Power Flow. IEEE Trans. Power Syst. 2021, 36, 3618–3628. [Google Scholar] [CrossRef]
- Mohamed, M.A.; Al-Sumaiti, A.S.; Krid, M.; Awwad, E.M.; Kavousi-Fard, A. A Reliability-Oriented Fuzzy Stochastic Framework in Automated Distribution Grids to Allocate m-PMUs. IEEE Access 2019, 7, 33393–33404. [Google Scholar] [CrossRef]
- Song, H. Static analysis of vulnerability and security margin of the power system. In Proceedings of the 2005/2006 IEEE/PES Transmission and Distribution Conference and Exhibition, IEEE, Dallas, TX, USA, 21–24 May 2006; pp. 147–152. [Google Scholar]
- Yu, X.; Singh, C. A practical approach for integrated power system vulnerability analysis with protection failures. IEEE Trans. Power Syst. 2004, 19, 1811–1820. [Google Scholar] [CrossRef]
- Mohseni-Bonab, S.M.; Kamwa, I.; Moeini, A.; Rabiee, A. Vulnerability Assessment in Power Systems: A Review and Representing Novel Perspectives. In Proceedings of the 2020 IEEE Power & Energy Society General Meeting (PESGM), IEEE, Montreal, QC, Canada, 2–6 August 2020; pp. 1–5. [Google Scholar]
- Ernster, T.A.; Srivastava, A.K. Power system vulnerability analysis-towards validation of centrality measures. In Proceedings of the PES T&D 2012, IEEE, Orlando, FL, USA, 7–10 May 2012; pp. 1–6. [Google Scholar]
- Bulat, H.; Franković, D.; Vlahinić, S. Enhanced Contingency Analysis—A Power System Operator Tool. Energies 2021, 14, 923. [Google Scholar] [CrossRef]
- Tordecilla, R.D.; Juan, A.A.; Montoya-Torres, J.R.; Quintero-Araujo, C.L.; Panadero, J. Simulation-optimization methods for designing and assessing resilient supply chain networks under uncertainty scenarios: A review. Simul. Model. Pract. Theory 2021, 106, 102166. [Google Scholar] [CrossRef]
- Donde, V.; Lopez, V.; Lesieutre, B.; Pinar, A.; Yang, C.; Meza, J. Severe Multiple Contingency Screening in Electric Power Systems. IEEE Trans. Power Syst. 2008, 23, 406–417. [Google Scholar] [CrossRef]
- Min, L.; Alnowibet, K.A.; Alrasheedi, A.F.; Moazzen, F.; Awwad, E.M.; Mohamed, M.A. A stochastic machine learning based approach for observability enhancement of automated smart grids. Sustain. Cities Soc. 2021, 72, 103071. [Google Scholar] [CrossRef]
- Abedi, A.; Hesamzadeh, M.R.; Romerio, F. Adaptive robust vulnerability analysis of power systems under uncertainty: A multilevel OPF-based optimization approach. Int. J. Electr. Power Energy Syst. 2022, 134, 107432. [Google Scholar] [CrossRef]
- Ramadan, H.S.; Helmi, A. Optimal reconfiguration for vulnerable radial smart grids under uncertain operating conditions. Comput. Electr. Eng. 2021, 93, 107310. [Google Scholar] [CrossRef]
- Athari, H.; Wang, Z. Enhanced AC quasi-steady state cascading failure model for grid vulnerability analysis under wind uncertainty. In Proceedings of the 52nd Hawaii International Conference on System Sciences, Maui, HI, USA, 8 January 2019. [Google Scholar]
- Kritikos, K.; Papoutsakis, M.; Ioannidis, S.; Magoutis, K. Towards Configurable Vulnerability Assessment in the Cloud. In Proceedings of the 2019 IEEE 24th International Workshop on Computer Aided Modeling and Design of Communication Links and Networks (CAMAD), IEEE, Limassol, Cyprus, 11–13 September 2019; pp. 1–6. [Google Scholar]
- Abedi, A.; Gaudard, L.; Romerio, F. Power flow-based approaches to assess vulnerability, reliability, and contingency of the power systems: The benefits and limitations. Reliab. Eng. Syst. Saf. 2020, 201, 106961. [Google Scholar] [CrossRef]
- Chu, Z.; Zhang, J.; Kosut, O.; Sankar, L. Vulnerability assessment of large-scale power systems to false data injection attacks. In Proceedings of the 2020 IEEE International Conference on Communications, Control, and Computing Technologies for Smart Grids (SmartGridComm), IEEE, Tempe, AZ, USA, 11–13 November 2020. [Google Scholar]
- Mishra, S.; Anderson, K.; Miller, B.; Boyer, K.; Warren, A. Microgrid resilience: A holistic approach for assessing threats, identifying vulnerabilities, and designing corresponding mitigation strategies. Appl. Energy 2020, 264, 114726. [Google Scholar] [CrossRef] [Green Version]
- Motto, A.; Arroyo, J.; Galiana, F. A Mixed-Integer LP Procedure for the Analysis of Electric Grid Security under Disruptive Threat. IEEE Trans. Power Syst. 2005, 20, 1357–1365. [Google Scholar] [CrossRef]
- Veloza, O.P.; Cespedes, R.H. Regulatory mechanisms to mitigate the vulnerability of power systems to blackouts. In Proceedings of the 2006 IEEE/PES Transmission & Distribution Conference and Exposition: Latin America, IEEE, Caracas, Venezuela, 15–18 August 2006; pp. 1–6. [Google Scholar]
- Feng, Z.; Ajjarapu, V.; Maratukulam, D. A comprehensive approach for preventive and corrective control to mitigate voltage collapse. IEEE Trans. Power Syst. 2000, 15, 791–797. [Google Scholar] [CrossRef]
- Mohamed, M.A.; Almalaq, A.; Abdullah, H.M.; Alnowibet, K.A.; Alrasheedi, A.F.; Zaindin, M.S.A. A Distributed Stochastic Energy Management Framework Based-Fuzzy-PDMM for Smart Grids Considering Wind Park and Energy Storage Systems. IEEE Access 2021, 9, 46674–46685. [Google Scholar] [CrossRef]
- Chen, Y.; Huang, S.; Liu, F.; Wang, Z.; Sun, X. Evaluation of Reinforcement Learning-Based False Data Injection Attack to Automatic Voltage Control. IEEE Trans. Smart Grid 2018, 10, 2158–2169. [Google Scholar] [CrossRef]
- Yan, J.; He, H.; Zhong, X.; Tang, Y. Q-Learning-Based Vulnerability Analysis of Smart Grid against Sequential Topology Attacks. IEEE Trans. Inf. Forensics Secur. 2017, 12, 200–210. [Google Scholar] [CrossRef]
- Sayeed, S.; Hector, M. Assessing blockchain consensus and security mechanisms against the 51% attack. Appl. Sci. 2019, 9, 1788. [Google Scholar] [CrossRef] [Green Version]
- Ferrag, M.A.; Maglaras, L. DeepCoin: A Novel Deep Learning and Blockchain-Based Energy Exchange Framework for Smart Grids. IEEE Trans. Eng. Manag. 2020, 67, 1285–1297. [Google Scholar] [CrossRef] [Green Version]
- Mohamed, M.A.; Hajjiah, A.; Alnowibet, K.A.; Alrasheedi, A.F.; Awwad, E.M.; Muyeen, S.M. A Secured Advanced Management Architecture in Peer-to-Peer Energy Trading for Multi-Microgrid in the Stochastic Environment. IEEE Access 2021, 9, 92083–92100. [Google Scholar] [CrossRef]
- Bera, B.; Saha, S.; Das, A.K.; Vasilakos, A.V. Designing blockchain-based access control protocol in iot-enabled smart-grid system. IEEE Internet Things J. 2021, 8, 5744–5761. [Google Scholar] [CrossRef]
- Moeini, A.; Kamwa, I.; de Montigny, M.; Lenoir, L. Application of Battery Energy Storage for network vulnerability mitigation. In Proceedings of the 2016 IEEE/PES Transmission and Distribution Conference and Exposition (T&D), IEEE, Dallas, TX, USA, 3–5 May 2016; pp. 1–5. [Google Scholar]
- Mohamed, M.A.; Awwad, E.M.; El-Sherbeeny, A.M.; Nasr, E.A.; Ali, Z.M. Optimal scheduling of reconfigurable grids considering dynamic line rating constraint. IET Gener. Transm. Distrib. 2020, 14, 1862–1871. [Google Scholar] [CrossRef]
- Zou, H.; Tao, J.; Elsayed, S.K.; Elattar, E.E.; Almalaq, A.; Mohamed, M.A. Stochastic multi-carrier energy management in the smart islands using reinforcement learning and unscented transform. Int. J. Electr. Power Energy Syst. 2021, 130, 106988. [Google Scholar] [CrossRef]
- Chabok, H.; Roustaei, M.; Sheikh, M.; Kavousi-Fard, A. On the assessment of the impact of a price-maker energy storage unit on the operation of power system: The ISO point of view. Energy 2020, 190, 116224. [Google Scholar] [CrossRef]
- Yin, F.; Hajjiah, A.; Jermsittiparsert, K.; Al-Sumaiti, A.S.; Elsayed, S.K.; Ghoneim, S.S.; Mohamed, M.A. A secured social-economic framework based on PEM-blockchain for optimal scheduling of reconfigurable interconnected microgrids. IEEE Access 2021, 9, 40797–40810. [Google Scholar] [CrossRef]
- Ding, S.; Cao, Y.; Vosoogh, M.; Sheikh, M.; Almagrabi, A. A Directed Acyclic Graph Based Architecture for Optimal Operation and Management of Reconfigurable Distribution Systems with PEVs. IEEE Trans. Ind. Appl. 2020, 1. [Google Scholar] [CrossRef]
- Xiao, L.; Li, Y.; Han, G.; Liu, G.; Zhuang, W. PHY-Layer Spoofing Detection With Reinforcement Learning in Wireless Networks. IEEE Trans. Veh. Technol. 2016, 65, 10037–10047. [Google Scholar] [CrossRef]
- Kiros, S.; Khan, B.; Padmanaban, S.; Haes Alhelou, H.; Leonowicz, Z.; Mahela, O.P.; Holm-Nielsen, J.B. Development of Stand-Alone Green Hybrid System for Rural Areas. Sustainability 2020, 12, 3808. [Google Scholar] [CrossRef]
- Sheikh, M.; Aghaei, J.; Rajabdorri, M.; Shafie-khah, M.; Lotfi, M.; Javadi, M.S.; Catalão, J.P. Multiobjective Congestion Management and Transmission Switching Ensuring System Reliability. In Proceedings of the 2019 IEEE International Conference on Environment and Electrical Engineering and 2019 IEEE Industrial and Commercial Power Systems Europe (EEEIC/I&CPS Europe), IEEE, Genova, Italy, 11–14 June 2019; pp. 1–5. [Google Scholar]
- Kurt, M.N.; Ogundijo, O.; Li, C.; Wang, X. Online Cyber-Attack Detection in Smart Grid: A Reinforcement Learning Approach. IEEE Trans. Smart Grid 2019, 10, 5174–5185. [Google Scholar] [CrossRef] [Green Version]
- Shetty, S.; Kamhoua, C.A.; Njilla, L.L. (Eds.) Blockchain for Distributed Systems Security; John Wiley & Sons: Hoboken, NJ, USA, 2019. [Google Scholar]
- Ma, H.; Liu, Z.; Li, M.; Wang, B.; Si, Y.; Yang, Y.; Mohamed, M.A. A two-stage optimal scheduling method for active distribution networks considering uncertainty risk. Energy Rep. 2021, 7, 4633–4641. [Google Scholar] [CrossRef]
- Mohamed, M.A.; Mirjalili, S.; Dampage, U.; Salmen, S.H.; Obaid, S.A.; Annuk, A. A Cost-Efficient-Based Cooperative Allocation of Mining Devices and Renewable Resources Enhancing Blockchain Architecture. Sustainability 2021, 13, 10382. [Google Scholar] [CrossRef]
- Tan, H.; Ren, Z.; Yan, W.; Wang, Q.; Mohamed, M.A. A Wind Power Accommodation Capability Assessment Method for Multi-Energy Microgrids. IEEE Trans. Sustain. Energy 2021, 12, 2482–2492. [Google Scholar] [CrossRef]
- Rezaei, M.; Dampage, U.; Das, B.K.; Nasif, O.; Borowski, P.F.; Mohamed, M.A. Investigating the Impact of Economic Uncertainty on Optimal Sizing of Grid-Independent Hybrid Renewable Energy Systems. Process 2021, 9, 1468. [Google Scholar] [CrossRef]
- Mohamed, M.A.; Abdullah, H.M.; El-Meligy, M.A.; Sharaf, M.; Soliman, A.T.; Hajjiah, A. A novel fuzzy cloud stochastic framework for energy management of renewable microgrids based on maximum deployment of electric vehicles. Int. J. Electr. Power Energy Syst. 2021, 129, 106845. [Google Scholar] [CrossRef]
- Markakis, E.; Nikoloudakis, Y.; Pallis, E.; Manso, M. Security assessment as a service cross-layered system for the adoption of digital, personalised and trusted healthcare. In Proceedings of the 2019 IEEE 5th World Forum on Internet of Things (WF-IoT), IEEE, Limerick, Ireland, 15–18 April 2019; pp. 91–94. [Google Scholar]
- Mell, P.; Scarfone, K.; Romanosky, S. Common Vulnerability Scoring System. IEEE Secur. Priv. 2006, 4, 85–89. [Google Scholar] [CrossRef]
- Nikoloudakis, Y.; Pallis, E.; Mastorakis, G.; Mavromoustakis, C.X.; Skianis, C.; Markakis, E.K. Vulnerability assessment as a service for fog-centric ICT ecosystems: A healthcare use case. Peer-to-Peer Netw. Appl. 2019, 12, 1216–1224. [Google Scholar] [CrossRef]





















| Machine Learning | Blockchain | Vulnerability | Uncertainty | Electrical Grid | |
|---|---|---|---|---|---|
| [7] | ✓ | ✓ | |||
| [26] | ✓ | ||||
| [32] | ✓ | ✓ | ✓ | ||
| [33] | ✓ | ✓ | |||
| [34] | ✓ | ||||
| Proposed Model | ✓ | ✓ | ✓ | ✓ | ✓ |
| Bus Number | Vmin | Vmax | Pd (MW) | Qd (MVAR) |
|---|---|---|---|---|
| 1 | 0.95 | 1.05 | 108 | 22 |
| 2 | 0.95 | 1.05 | 97 | 20 |
| 3 | 0.95 | 1.05 | 180 | 37 |
| 4 | 0.95 | 1.05 | 74 | 15 |
| 5 | 0.95 | 1.05 | 71 | 14 |
| 6 | 0.95 | 1.05 | 136 | 28 |
| 7 | 0.95 | 1.05 | 125 | 25 |
| 8 | 0.95 | 1.05 | 171 | 35 |
| 9 | 0.95 | 1.05 | 175 | 36 |
| 10 | 0.95 | 1.05 | 195 | 40 |
| 11 | 0.95 | 1.05 | 0 | 0 |
| 12 | 0.95 | 1.05 | 0 | 0 |
| 13 | 0.95 | 1.05 | 265 | 54 |
| 14 | 0.95 | 1.05 | 194 | 39 |
| 15 | 0.95 | 1.05 | 317 | 64 |
| 16 | 0.95 | 1.05 | 100 | 20 |
| 17 | 0.95 | 1.05 | 0 | 0 |
| 18 | 0.95 | 1.05 | 333 | 68 |
| 19 | 0.95 | 1.05 | 181 | 37 |
| 20 | 0.95 | 1.05 | 128 | 26 |
| 21 | 0.95 | 1.05 | 0 | 0 |
| 22 | 0.95 | 1.05 | 0 | 0 |
| 23 | 0.95 | 1.05 | 0 | 0 |
| 24 | 0.95 | 1.05 | 0 | 0 |
| Conditions/Costs (¢) | Smart Grid | Microgrid | Total |
|---|---|---|---|
| With connection link | 2,197,716,343 | 11,228,799.15 | 2,208,945,142 |
| Without connection link | 7,007,211,265 | 80,185,404.84 | 7,087,396,670 |
| Different Cases | PC Type | Evaluation Time Calculation of Data Block (Data Packet) |
|---|---|---|
| The single-layer security schemes based on machine learning method | - | Detection delay = 3 Second |
| The blockchain-based single-layer security | 512-HA | 1 k hash (Kh) per second |
| The multi-layer based proposed security method | 256-HA | 2 k hash (kh) per second |
| Conditions/Costs (¢) | With Connection Link | Without Connection Link |
|---|---|---|
| Smart grid | 2,230,789,393 | 7,058,134,347 |
| Microgrid | 14,589,325.15 | 83,172,312.71 |
| Total | 2,245,378,718 | 7,141,306,660 |
Publisher’s Note: MDPI stays neutral with regard to jurisdictional claims in published maps and institutional affiliations. |
© 2021 by the authors. Licensee MDPI, Basel, Switzerland. This article is an open access article distributed under the terms and conditions of the Creative Commons Attribution (CC BY) license (https://creativecommons.org/licenses/by/4.0/).
Share and Cite
Chen, J.; Mohamed, M.A.; Dampage, U.; Rezaei, M.; Salmen, S.H.; Obaid, S.A.; Annuk, A. A Multi-Layer Security Scheme for Mitigating Smart Grid Vulnerability against Faults and Cyber-Attacks. Appl. Sci. 2021, 11, 9972. https://doi.org/10.3390/app11219972
Chen J, Mohamed MA, Dampage U, Rezaei M, Salmen SH, Obaid SA, Annuk A. A Multi-Layer Security Scheme for Mitigating Smart Grid Vulnerability against Faults and Cyber-Attacks. Applied Sciences. 2021; 11(21):9972. https://doi.org/10.3390/app11219972
Chicago/Turabian StyleChen, Jian, Mohamed A. Mohamed, Udaya Dampage, Mostafa Rezaei, Saleh H. Salmen, Sami Al Obaid, and Andres Annuk. 2021. "A Multi-Layer Security Scheme for Mitigating Smart Grid Vulnerability against Faults and Cyber-Attacks" Applied Sciences 11, no. 21: 9972. https://doi.org/10.3390/app11219972
APA StyleChen, J., Mohamed, M. A., Dampage, U., Rezaei, M., Salmen, S. H., Obaid, S. A., & Annuk, A. (2021). A Multi-Layer Security Scheme for Mitigating Smart Grid Vulnerability against Faults and Cyber-Attacks. Applied Sciences, 11(21), 9972. https://doi.org/10.3390/app11219972

