HAZOP Analysis in Terms of Safety Operations Processes for Oil Production Units: A Case Study
Abstract
1. Introduction
2. Materials and Methods
2.1. Production Unit Description
2.1.1. Oil Treatment
2.1.2. Water Treatment
2.2. HAZOP Methodology
- Definition: is the phase where HAZOP team sets the scope and objectives of the analysis, establishes responsibilities, and selects the team.
- Preparation: in this phase the study is planned by the team, essential data are collected, agree on the style of recording, the time is estimated and the schedule is arranged.
- Examination: this step involves dividing the system into parts, selecting a part and defining design intent, identifying deviation by using guide words, identifying consequences and causes, identifying protection, detection, and indicating mechanisms, identifying possible remedial/mitigating measures (optional), agreeing on actions, and repeating for each element and then each part.
- Documentation and follow-up: here, the team records the examination, signs off on the documentation, produces the report of the study, follows up on those actions implemented, re-studies any parts of system if necessary, and produces the final output report.
2.3. Relevant Guide Words and Deviations
- Deviation type: Negative. Guide word: No. Example interpretation for the process industry. No part of the intention is achieved, e.g., no flow
- Deviation type: Quantitative modification. Guide word. More or Less. Example interpretation for the process industry. A quantitative increase, e.g., higher temperature or quantitative decrease, e.g., lower temperature.
- Deviation type: Qualitative modification. Guide word: As well as or Part of. Example interpretation for the process industry: impurities present simultaneous execution of another operation/step, or only some of the intention is achieved. i.e., only part of an intended fluid transfer takes place.
3. Case Study: HAZOP Analysis of a Crude Oil Production Unit
- (i)
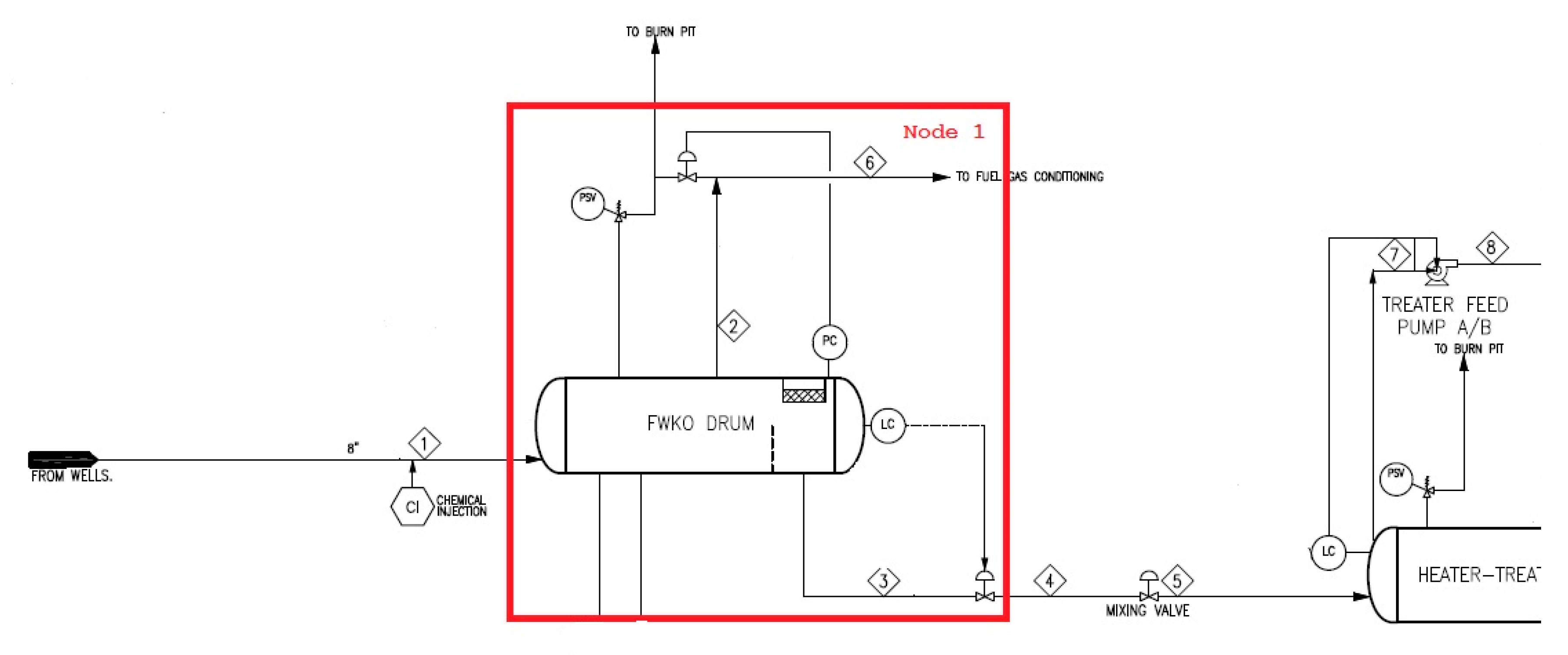
- Selection of nodes: the nodes were defined according to the functioning and operation of the equipment and accessories in their neighborhood. The six nodes examined during HAZOP sessions are briefly described in Table A4.
- (ii)
- Choice of guide words and process limits: words that describe the unit’s process parameters (pressure, temperature, flow, level and corrosion), associated with words that indicated deviations in the normal operation of the unit, called guide words (high, low, none, inverse/reverse, and other). The combinations of these words used throughout the analysis/study that assigned indicators of equipment functioning (nodes), showing whether they would be operating inside/outside the standard (deviations) of operation, allowing the identification of hazards—for example, high pressure, low temperature, or none flow.
- (iii)
- Identification of the source of deviations or causes of hazards: with the system divided into smaller sections and each one with the parameters and keywords adequately identified, the risk analysis was carried out by testing the hypothesis of improper functioning of the equipment. Based on the probable trends of deviations observed, it was sought to predict the result, that is, the consequences. If the variation in the parameter represented a hazard, that problem was documented, and its impact was later estimated.
- (iv)
- Risk frequency analysis: the frequency analysis was made based on estimates of the probability of occurrence of scenarios that were predicted to be dangerous. The frequencies were synthesised using models of frequency estimates. Synthesising the frequencies involves determining combinations of failures and circumstances that may cause the scenarios of interest, using the consulting firm’s procedure manual (adapted from BS IEC 61882: 2001) [20].
- (v)
- Determination of consequences: the analysis of the consequences was based on the statistically estimated results of a target population regarding the risk of interest and the effects on safety/health related to this level of exposure (Criteria described in the CCPS manual, 2011). Consequence estimates were made according to a risk matrix (Table 2), measuring the level of impact of the consequences in association with safety, environment, and economy [23].
- (vi)
- Setting barriers: to prevent the consequences of the identified risks from being implemented, measures were taken to mitigate or eliminate these risks; these measures were established to prevent the progress of a situation that could become potentially disastrous; for this reason, the measures are called barriers. These barriers were recorded on the HAZOP sheet.
- (vii)
- Recommendations: at the end of the assessment, recommendations were made on the potential hazards identified in the previous steps to reduce the level of risks analysed and discussed by the HAZOP team.
3.1. The Sequence of Activities Performed during the Sessions
3.2. Risk Classification Criteria
4. Results
4.1. Pressure
4.2. Flow Rate
4.3. Level
4.4. Temperature
4.5. Starting or Stopping
4.6. Paradigm of the HAZOP Methodology
5. Conclusions
- The main contribution of this study was to demonstrate the efficacies of HAZOP methodology to identify potential hazards that may result from operational issues in a COPU and as a useful tool to provide essential knowledge for the company’s leaders, decision-makers and operations managers.
- The literature and discussion section bring up the certainty that, although many researchers see HAZOP methodology lacking a lot, it is still ideal for process analysis.
- From the study case, 80 causes of deviations were identified; it generated 71 risk scenarios that required the application of approximately 60 safeguards or barriers and 47 recommendations.
- Among the main causes of deviation, there were safety flaws in the installation, followed by equipment failures. Furthermore, the measures to solve the problem were based on safeguards and recommendations to the installation of sensors and security alarms, as well as the periodic maintenance of the installation.
- The above-stated findings are beneficial and conclusive for the safety of oil production operations. However, some limitations were noted: the experience of the HAZOP team influences the efficiency of the results, and the analysis time was not enough. The methodology should be reinforced with the same quantitative tools or support decision tools.
- This paper fails in not presenting all aspects of HAZOP analysis, focusing only on the analysis of process and operations risks, leaving aside the risks resulting from human decisions—Human HAZOP and Procedure HAZOP—as well environmental risk scenarios.
Author Contributions
Funding
Institutional Review Board Statement
Informed Consent Statement
Acknowledgments
Conflicts of Interest
Appendix A
| Nr. | Equipment | Basic Technical Clarifications |
|---|---|---|
| 1 | Vessels | V-001: Free Water Knock Out—it is a three-stage separator vessel used to remove free water from crude oil–water emulsions and gas, using the variations of densities of these substances. |
| V-002: DP Electrostatic Heater treater—it is a dehydrating vessel. It consists of a pressure vessel with a heating/degassing section and fire tubes, an oil spill over the box, and a coalescing section with metered orifice distributors. | ||
| V-003: Dual Polarity Electrostatic Desalter—it is a dehydrating and desalting vessel. Electrostatic fields generate forces that can create conditions for improved coalescence of water droplets, resulting in improved water separation from the crude oil. | ||
| V-203: Fuel Gas Scrubber—fuel Gas Scrubber or Knock-out (KO) drum or mist eliminators remove the entrained liquid droplets and slugs from the vapour stream. | ||
| V-204: Fuel Gas Scrubber—it assists in removing free liquids present with incoming gas and helps prevent overloading of downstream final filter elements. | ||
| V-008: Pump Degasser—the device that degasses liquid mechanically without using any chemical. When pumping liquid flows through the orifice into the intake part of the pump, the dissolved gas in the liquid is separated from the liquid by decompression, and the generated gas–liquid mixture is fed to the inducer. | ||
| 2 | Heat Exchangers | E-001: Oil Heat Exchanger is a device that transfers heat from one medium to another. Heat is transferred by conduction through the exchanger materials, which separate the mediums being used. |
| E-101: Water—Water Heat Exchanger—freshwater flows in and circulates around the hotter wastewater that flows out in a typical water heat exchanger. The wastewater transfers its heat energy to the freshwater through the interior walls, heating the freshwater, typically to over 100 °F, and cooling the wastewater as it exits the unit. | ||
| E-201: Fuel Gas Heat Exchangers capture exhaust gas and transfer the heat to different energy-consuming parts of your installation. | ||
| 3 | Pumps | P-004: Crude Transfer Pump A/B it is designed to deliver the liquid (oil or water) from the metering tank (or buffer tank) into the storage tank or mobile tanker or pump the crude oil from a tank to a burner (pump pressure ≧ 2 Mpa) or into an existing flowline. Screw and centrifugal pump designs are available. |
| P-202: Slop Oil Pump is a device used to transfer reclaimed petroleum waste mixtures of oil, chemicals, and water derived from a wide variety of processes in refineries or oil fields. | ||
| P-205: Drain Sump Pump A/B is a pump used to remove water accumulated in a water-collecting sump basin. | ||
| P-203: Desalter and Sand Jet Water Pumps—Jet pumps can be used for material handling, either for transfer or for washing by use of the cavitation that can be induced to break up clays, soils, oil etc. | ||
| 4 | Compressors | KAE-001: Gas Lift Compressor a device used to comprise gas and injects gas into an oil well to aerate the crude oil, increasing production. |
| K-201: Air Compressor A/B the working principle of compressors are similar to pumps; both increase the pressure on a fluid, and both transport the fluid through a pipe. As gases are compressible, the compressor also reduces the volume of gas. | ||
| 5 | Tanks | TK-201: Slop Tank is an oil tanker used to collect draining’s, tank washings and other oily mixtures. |
| TK-202: Utility Water Tank—a water tank is a container for storing potable water. | ||
| 6 | Control Valves | Pressure Control Valve—a pressure control valve can protect a system from the damages caused by excessive pressure. These valves can do the pressure control of a system; an example of this is, using a line relief valve to limit the maximum allowable system pressure. |
| Level Control Valve—a level control valve maintains a constant level in a liquid supply such as a reservoir. Level control valves regulate the flow into the liquid supply, which maintains a constant level to meet the usage demands. | ||
| Flow Control Valve—a flow control valve regulates the flow or pressure of a fluid. Flow control valves normally respond to signals generated by independent devices such as flow meters or temperature gauges. |
| Nodes | Operating Parameters |
|---|---|
| 1. Separator V-001 and associated lines. | P-60 psig; T-130 °F Operating conditions: 125 psig a 200 °F Heat exchangers E-001. |
| 2. Separator V-002 and associated lines. | P-40 psig; T-130 °F Operating conditions: 125 psig a 200 °F Heat exchangers E-001. |
| 3. Fuel gas for separator V-002. | Fire tube heater section P-30 psig; T-350 °F Operating conditions: 75 psig a 500 °F |
| 4. V-008 degasser and associated pumps. | P-35 psig; T-350 °F Operating conditions: 75 psig a 195 °F Pumps P-004 A/B: Q = 10100 BWPD a 70 psig (diferential). |
| 5. Separator V-003 e associated lines. | P-75 psig; T-150 °F Operating conditions: 150 psig a 300 °F Heat exchengers E-001 and E-101. |
| 6. Dilution water. | Nominal capacity: 1232 bbl Desalination pumps and sandblasting P-203 A/B Water supply from V-002 and V-003. |
Appendix B. HAZOP SPREADSHEETS
| Node | 1 | Separator V-001 and Associated Lines | ||||||
|---|---|---|---|---|---|---|---|---|
| Element | Pressure | |||||||
| Guideword | Deviation | Possible Cause | Consequences | Safeguards | Risk Matrix | Recommendations | ||
| F | S | R | ||||||
| More | More pressure in crude input line and separator vase V-001. (1. Higher Pressure) | 1. PV-101 loop closed failure. 2. Spurious shot of the SDV-30010. | 1. Pressurisation of V-001 and associated lines. 2. Release of flammable material. 3. Material damage. 4. Injuries to people. 5. Oil spill and contamination. 6. Loss of production. | 1. PSV-101 A/B. PAHH-102 with closing action SDV-30010. | B | IV | M | 1. Update the PID: R-AH0004-713-1001, REV.3; PSV-101 A/B. Listed as fire, but projected as full flow. 2. Reassess and reactivate the platform well shutdown and safety system. |
| Less | Low pressure in the crude input line and separator vase V-001. (2. Lower Pressure) | 1. PV-101 loop open failure. 2. Leakage on pipeline or pipeline fracture. | 1. Depressurisation of V-001 and associated lines. 2. Material damage. 3. Stop generators. 4. Impossibility of discharging fluids V-001. 5. Unit shut down. | 1. None. | B | I | L | 3. Confirm if the PIT-101 has a low-pressure alarm active in the control room and, if necessary, activate. |
| Node | 1 | Separator V-001 and Associated Lines | ||||||
|---|---|---|---|---|---|---|---|---|
| Element | Flow | |||||||
| Guideword | Deviation | Possible Cause | Consequences | Safeguards | Risk Matrix | Recommendations | ||
| F | S | R | ||||||
| More | More flow in the separator vessel and in the vessel outlet lines. (3. High Flow) | 1. Commissioning of the gas lift compressor 2. Full opening of the well flow valves. | 1. None. | 1. None. | C | I | L | 4. Check that the PIT—101 has a high flow alarm active in the control room, and confirm that it is active. |
| Less/None | Less flow in the separator vessel and the vessel outlet lines. (4. Low Flow/None) | 1. Spurious firing of the SDV-30010 2. Partial shutdown of the wells (electrical system failure). | 1. Stop generators. Plant shutdown (SD 2). Impossibility of discharging liquid in V-001. 2. Operational problems. | 1. FAL-103. 2. Flow control. | C | IV | M | 5. Check if the FIT—101 has a low flow alarm active in the control room, and confirm that it is active. |
| Reverse Flow | None. (5. Reverse Flow) | None. | None. | None. | None. | |||
| Another Flow | Less flow in the separator vessel and the vessel outlet lines. (6. Another Flow) | 1. Leakage of crude oil at the exchanger gasket E-001 | 1. Spill of crude oil and contamination of the environment. | 1. Double containment zone. | C | I | L | 6. Check for leak sensors. |
| Node | 1 | Separator V-001 and Associated Lines | ||||||
|---|---|---|---|---|---|---|---|---|
| Element | Level | |||||||
| Guideword | Deviation | Possible Cause | Consequences | Safeguards | Risk Matrix | Recommendations | ||
| F | S | R | ||||||
| More | More liquid in the separator vessel V-001 (7. High Level) | 1. Spurious shot of the SDV—101. | 1. Flooding of the V-0001 vessel. 2. Drag of the liquid into the gas line and treatment unit. 3. Possible damage to the unit’s generators. 4. Unit Shut down. 5. Loss of production. | 1. LAHH-103 with closing action of SDV-30010. LAH-102 with closing action of SDV 30010. | C | II | M | None. |
| More | More liquid in the separator vessel V-001 (7. High Level) | 2. LV-101 closed circuit failure. | Analysed in the previous point. | None. | C | II | M | None. |
| More | More liquid in the separator vessel V-001 (7. High Level) | 3. Spurious shot of the SDV—102. | 11. Flooding of the V-0001 vessel. 2. Drag of the liquid into the gas line and treatment unit. 3. Possible damage to the unit’s generators. 4. Unit Shut down. 5. Loss of production. | 1. LAHH-103 with closing action of SDV-30010. LAH-102 with closing action of SDV 30010. | C | II | M | None. |
| More | More liquid in the separator vessel V-001 (7. High Level) | 4. LV-102 closed circuit failure. | Analysed in the previous point. | None. | C | II | M | None. |
| Node | 1 | Separator V-001 and Associated Lines | ||||||
|---|---|---|---|---|---|---|---|---|
| Element | Level | |||||||
| Guideword | Deviation | Possible Cause | Consequences | Safeguards | Risk Matrix | Recommendations | ||
| F | S | R | ||||||
| Less | Less liquid in separator vessel V-001 (8. Low Level) | 1. LV-101 open circuit failure. | 1. Passage of gas through the V-102 degasser. 2. Possible damage to the degasser. 3. Release of flammable material. 4. Spill and contamination. | 1. LAHH-104 with closing action of SDV-101. | B | II | L | 7. Adjust the operating conditions of the cover gas on the TK-101 to allow proper operation of the V-102. |
| Less | Less liquid in separator vessel V-001 (8. Low Level) | 1. LV-101 close circuit failure. | 1. Shipment of gas to V-002. 2. Operational problems. | 2. LAHH-104 with closing action of SDV-101. | B | II | L | Analysed in the previous point. |
| Node | 1 | Separator V-001 and Associated Lines | ||||||
|---|---|---|---|---|---|---|---|---|
| Element | Temperature | |||||||
| Guideword | Deviation | Possible Cause | Consequences | Safeguards | Risk Matrix | Recommendations | ||
| F | S | R | ||||||
| More | Higher Temperature in vase separator V-001 (9. High Temperature). | 1. None. | None. | None. | None. | |||
| Less | Low Temperature in vase separator V-001 (10. Low Temperature). | 2. Inappropriate opening of the deviation valve on line “6”-PF-A01-5002. | 1. Operational problems on separator. | 1. Periodic check of the valve in line “6”-PF-A01-5002. | B | II | L | 8. Inspection and verification of the valve. |
| Fire/Explosion | None (11.Fire/Explosion). | 3. None. | None. | None. | None. | |||
| Node | 1 | Separator V-001 and Associated Lines | ||||||
|---|---|---|---|---|---|---|---|---|
| Element | Corrosion/Erosion | |||||||
| Guideword | Deviation | Possible Cause | Consequences | Safeguards | Risk Matrix | Recommendations | ||
| F | S | R | ||||||
| More | More corrosion. (12. Corrosion/Erosion Risk) | 1. Water system (sandblasting) entry fails. | 1. Breaking of stages in the separator vessel V-001. 2. Loss of internal coating. 3. Possible leakage of hydrocarbons. 4. Spill and contamination. | 1. Calibrated oxygen scavenging peak. | C | I | L | 9. Monitor and calibrate oxygen scavenging system. |
| Node | 1 | Separator V-001 and Associated Lines | ||||||
|---|---|---|---|---|---|---|---|---|
| Element | Start/Stop Procedures | |||||||
| Guideword | Deviation | Possible Cause | Consequences | Safeguards | Risk Matrix | Recommendations | ||
| F | S | R | ||||||
| Error | Error on procedures. (13. Start/Stop Risk) | 1. Error in FWKO start-up procedures (without bypass opening). | 1. Possible internal damage to vessel V-001 and accessories. | 1. Commissioning Procedure. | C | I | L | 10. Evaluate the installation of the differential pressure gauge that works on the SDV-30010 (permissive opening). |
References
- Abbasi, S.; Bakhtom, S.; Ziaei, M.; Arghami, S. Comparison of Risk Assessment Using HAZOP and ETBA Techniques: Case Study of a Gasoline Refinery Unit in Iran. J. Human Environ. Health Promot. 2015, 1, 19–27. [Google Scholar] [CrossRef][Green Version]
- Dunjó, J.; Fthenakis, V.; Vílchez, J.A.; Arnaldos, J. Hazard and Operability (HAZOP) analysis. A literature review. J. Hazard. Mater. 2010, 173, 19–32. [Google Scholar] [CrossRef]
- Di Nardo, M.; Madonna, M.; Gallo, M.; Murino, T. A Risk Assessment Proposal through System Dynamics. J. Southwest Jiaotong Univ. 2020, 55. [Google Scholar] [CrossRef]
- Kang, J.; Guo, L.; Wang, N. A Simplified HAZOP Analysis based on Fuzzy Evaluation of Node Criticality for Chemical Plants. Int. J. Simul.-Syst. Sci. Technol. 2016, 17, 1–6. [Google Scholar]
- Dunjó Denti, J. New Trends for Conducting Hazard & Operability (HAZOP) Studies in Continuos Chemical Processes. Ph.D. Thesis, Universitat Politècnica de Catalunya, Catalunya, Spain, 2010. [Google Scholar]
- Sauer, M.E. Análise dos Procedimentos de Partida de um Reator IEA-R1: Uma Aplicação da Técnica HAZOP; Instituto de Pesquisas Energéticas e Nucleares: São Paulo, Brasil, 2000; p. 142. [Google Scholar]
- Benedetti-Marquez, E.B.; Sanchez-Forero, D.I.; Suarez-Urbina, A.J.; Rodrigues-Urbina, D.P.; Gracia-Rojas, J.; Puello-Mendez, J. Analysis of Operational Risks in the Storage of Liquid Ammonium Nitrate in a Petrochemical Plant, through the HAZOP Methodology. Chem. Eng. 2018, 67, 883–888. [Google Scholar]
- Baybutt, P. A critique of the Hazard and Operability (HAZOP) study. J. Loss Prev. Process. Ind. 2015, 33, 52–58. [Google Scholar] [CrossRef]
- Munn, A. Common Problems and Recent Trends with HAZOPs. IChemE Symp. 2009, 155, 130–133. [Google Scholar]
- Pasman, H.; Rogers, W. How can we improve HAZOP, our old work horse, and do more with its results? An overview of recent developments. Chem. Eng. Trans. 2016, 48, 829–834. [Google Scholar]
- Trujillo, A.; Kessler, W.S.; Gaither, R. Commom mistakes when conducting a HAZOP and how to avoid them. Chem. Eng. 2015, 122, 54–58. [Google Scholar]
- Mitkowski, P.T.; Zenka-Podlaszewska, D. HAZOP method in identification of risk in CPFR supply chain. Chem. Eng. Trans. 2014, 39, 445–450. [Google Scholar]
- Fuentes-Bargues, J.L.; Gonzáles-Cruz, M.; Gonzáles-Gaya, C.; Baixauli-Pérez, M. Risk analysis of a fuel storage terminal using HAZOP and FTA. Int. J. Environ. Res. Public Health 2017, 14, 705. [Google Scholar] [CrossRef]
- Single, J.I.; Schmidt, J.; Denecke, J. Ontology-based computer aid for the automation of HAZOP studies. J. Loss Prev. Process. Ind. 2020, 68, 104321. [Google Scholar] [CrossRef]
- Da Costa, S.R.; Al-Asy’ari, I.I.; Musyafa, A.; Soeprijanto, A. HAZOP study and fault tree analysis for calculation safety integrity level on reactor-c.5-01, oil refinery unit at alikpapan-indonesia. Asian J. Appl. Sci. 2017, 5, 507–517. [Google Scholar]
- Choi, J.-Y.; Byeon, S.-H. HAZOP Methodology Based on the Health, Safety, and Environment Engineering. Int. J. Environ. Res. Public Health 2020, 17, 3236. [Google Scholar] [CrossRef]
- BS IEC 61882:2001. Hazard and Operability studies (HAZOP)–Application Guide; British Standards Institution: London, UK, 2001. [Google Scholar]
- Whitty, S.; Foord, T. Is HAZOP worth all the effort it takes? Inst. Chem. E 2009, 155, 143–148. [Google Scholar]
- Center for Chemical Process Safety. Layer of Protection Analysis, Simplified Process Risk Assessment; American Institute of Chemical Engineers: New York, NY, USA, 2001; p. 270. [Google Scholar]
- Ibrahim, H.A.; Syed, H.S. Hazard Analysis of Crude Oil Storage Tank Farm. Int. J. ChemTech Res. 2018, 11, 300–308. [Google Scholar] [CrossRef]
- Ishteyaque, S.; Jabeen, S.; Shoukat, S. Hazop study on oil refinery waste water treatment plant in karachi. Black Sea Sci. J. Acad. Res. 2017, 34, 38–42. [Google Scholar]
- Marhavilas, P.K.; Filippidis, M.; Koulinas, G.K.; Koulouriotis, D.E. A HAZOP with MCDM Based Risk-Assessment Approach: Focusing on the Deviations with Economic/Health/Environmental Impacts in a Process Industry. Sustainability 2020, 12, 993. [Google Scholar] [CrossRef]
- Kletz, T.A. Learning from Accidents, 3rd ed.; Routledge: London, UK, 2001. [Google Scholar]
- Mkpat, E.; Reniers, G.; Cozzani, V. Process safety education: A literature review. J. Loss Prev. Process. Ind. 2018, 54, 18–27. [Google Scholar] [CrossRef]
- Jagtap, M. Hazard and operability (HAZOP) analysis: A review of basics. Clinition’s Sci. J. 2017, 1, 1–15. [Google Scholar]
- Sikandar, S.; Ishtiaque, S.; Soomro, N. Hazard and Operability (HAZOP) study of wastewater treatment unit producing biohydrogen. Sindh Univ. Res. J. SURJ Sci. Ser. 2016, 48, 131–136. [Google Scholar]
- Orugba, H.O.; Ogbeide, S.E.; Osagie, C. Risk level Assessment of the Desalter and Preflash Column of a Nigerian Crude Distillation Unit. J. Mater. Sci. Chem. Eng. 2019, 7, 31–41. [Google Scholar] [CrossRef]
- Sarsama, J.; Nissilä, M.; Koski, P.; Kaisalo, N.; Tallgren, J. HAZOP report: PEMBeyond Deliverable 6.5. 2017. Available online: http://pembeyond.eu/deliverables/D6.5%20HAZOP%20report.pdf (accessed on 20 October 2021).
- Kolberg, T.A. Evaluation of Subsea7 HIRA (Hazard Identification and Risk Assessment). Master’s Thesis, University of Stavanger, Stavanger, Norway, 2011. [Google Scholar]
- Rausand, M.; Hoyland, A. HAZOP—Hazard and Operability Study. System Reliability Theory. Models, Statistical Methods and Applications, 2nd ed.; John Wiley & Sons: New York, NY, USA, 2011. [Google Scholar]
- Borelli, S.; Ferreira, R.E.; Gabriel, V.; De Campos, F.C. Metodologia HAZOP: Segurança e Sustentabilidade no Processo Industrial. Rev. Eletrônica FACP 2015, 7, 94–108. [Google Scholar]
- Taylor, J. Automated HAZOP revisited. Process. Saf. Environ. Prot. 2017, 111, 635–651. [Google Scholar] [CrossRef]
- Crawley, F.; Tyler, B. Chapter 4: The Detailed HAZOP Study Procedure. In HAZOP: Guide to Best Pratice, 3rd ed.; Elsevier: Amsterdam, The Netherlands, 2015; pp. 13–18. [Google Scholar]
- Galante, E.; Bordalo, D.; Nobrega, M. Risk assessment methodology: Quantitative Hazop. J. Saf. Eng. 2014, 3, 31–36. [Google Scholar]
- Haridoss, S. Health and Safety Hazards Management in Oil and Gas Industry. Int. J. Eng. Res. 2017, V6, 1058–1061. [Google Scholar] [CrossRef]
- International Electrotechnical Commission; International Electrotechnical Technical Commission. Hazard and Operability Studies (HAZOP Studies) Application Guide; IEC: Geneva, Switzerland, 2016. [Google Scholar]


| Oil | |
| RVP | 7 psia |
| Salt concentration | 15 PTB |
| BS&W | 0.5% |
| Water | |
| Oil concentration | 20 ppm |
| Solids | 20 ppm |
| Risk Classification Matrix | Frequencies | |||||
|---|---|---|---|---|---|---|
| A | B | C | D | E | ||
| Severities | V | M | M | H | H | H |
| IV | M | M | M | H | H | |
| III | L | M | M | M | H | |
| II | L | L | M | M | M | |
| I | L | L | L | M | M | |
| Severity | Frequency | Risks | ||||
| I | Low | A | Unlikely | (1) Low (2) Moderate (3) High | ||
| II | Moderate | B | Remote | |||
| III | Average | C | Casual | |||
| IV | Critical | D | Likely | |||
| V | Catastrophic | E | Frequent | |||
Publisher’s Note: MDPI stays neutral with regard to jurisdictional claims in published maps and institutional affiliations. |
© 2021 by the authors. Licensee MDPI, Basel, Switzerland. This article is an open access article distributed under the terms and conditions of the Creative Commons Attribution (CC BY) license (https://creativecommons.org/licenses/by/4.0/).
Share and Cite
Penelas, A.d.J.; Pires, J.C.M. HAZOP Analysis in Terms of Safety Operations Processes for Oil Production Units: A Case Study. Appl. Sci. 2021, 11, 10210. https://doi.org/10.3390/app112110210
Penelas AdJ, Pires JCM. HAZOP Analysis in Terms of Safety Operations Processes for Oil Production Units: A Case Study. Applied Sciences. 2021; 11(21):10210. https://doi.org/10.3390/app112110210
Chicago/Turabian StylePenelas, Artur de J., and José C. M. Pires. 2021. "HAZOP Analysis in Terms of Safety Operations Processes for Oil Production Units: A Case Study" Applied Sciences 11, no. 21: 10210. https://doi.org/10.3390/app112110210
APA StylePenelas, A. d. J., & Pires, J. C. M. (2021). HAZOP Analysis in Terms of Safety Operations Processes for Oil Production Units: A Case Study. Applied Sciences, 11(21), 10210. https://doi.org/10.3390/app112110210

