Properties of Car-Embedded Vibrating Type Piezoelectric Harvesting System
Abstract
:1. Introduction
2. Materials and Methods
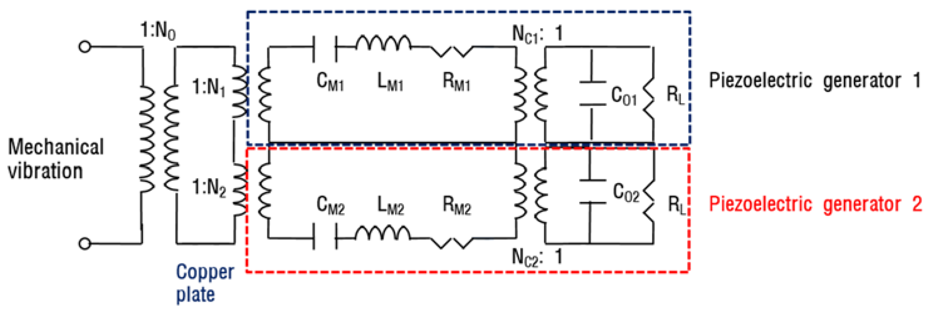
2.1. Design of the Generator
2.2. Generator Fabrication
2.3. Measurement
3. Results and Discussion
4. Conclusions
Author Contributions
Funding
Institutional Review Board Statement
Informed Consent Statement
Data Availability Statement
Acknowledgments
Conflicts of Interest
References
- Hamilton, M.C. Recent advances in energy harvesting technology and techniques. In Proceedings of the 38th Annual Conference on IEEE Industrial Electronics Society, Montreal, QC, Canada, 25–28 October 2012; pp. 6297–6304. [Google Scholar] [CrossRef]
- Basagni, S.; Naderi, M.Y.; Petrioli, C.; Spenza, D. Wireless sensor networks with energy harvesting. In Mobile Ad Hoc Networking: The Cutting Edge Directions, Basagni; Conti, M.S., Giordano, S., Stojmenovic, I., Eds.; John Wiley and Sons Inc.: Hoboken, NJ, USA, 2013; pp. 701–736. [Google Scholar] [CrossRef]
- Abdelkareema, M.A.A.; Xu, L.; Ali, M.K.A.; Elagouza, A.; Mi, J.; Guo, S.; Liu, Y.; Zuo, L. Vibration energy harvesting in automotive suspension system: A detailed review. Appl. Energy 2018, 229, 672–699. [Google Scholar] [CrossRef]
- Wang, H.; Jasim, A.; Chen, X. Energy harvesting technologies in roadway and bridge for different applications—A comprehensive review. Appl. Energy 2018, 212, 1083–1094. [Google Scholar] [CrossRef]
- Pancharoen, K.; Zhu, D.; Beeby, S.P. Temperature dependence of a magnetically levitated electromagnetic vibration energy harvester. Sens. Actuators A 2017, 256, 1–11. [Google Scholar] [CrossRef] [Green Version]
- Kim, H.W.; Batra, A.; Pruya, S.; Uchino, K.; Markley, D.; Newnham, R.E.; Hoffmann, H.F. Energy harvesting using a piezoelectric cymbal transducer in dynamic environment. Jpn. J. Appl. Phys. 2004, 43, 6178–6183. [Google Scholar] [CrossRef]
- Jeong, S.J.; Kim, M.S.; Song, J.S.; Lee, H.K. Two-layered piezoelectric cantilever generator for micro-power generator. Sens. Actuators A 2008, 148, 158–167. [Google Scholar] [CrossRef]
- Li, C.; Hong, D.; Kwon, K.H.; Jeong, J. A multimode relayed piezoelectric cantilever for effective vibration energy harvesting. Jpn. J. Appl. Phys. 2013, 52, 050202. [Google Scholar] [CrossRef]
- Guyomar, D.; Jayet, Y.; Petit, L.; Lefeuvre, E.; Monnier, T.; Richard, C.; Lallart, M. Synchronized switch harvesting applied to selfpowered smart systems: Piezoactive microgenerators for autonomous wireless transmitters. Sens. Actuators A Phys. 2007, 138, 151–160. [Google Scholar] [CrossRef]
- Mehraeen, S.; Jagannathan, S.; Corzine, K.A. Energy harvesting from vibration with alternate scavenging circuitry and tapered cantilever beam. IEEE Trans. Ind. Electron. 2009, 57, 820–830. [Google Scholar] [CrossRef]
- Liang, J.; Liao, W.-H. Improved design and analysis of self-powered synchronized switch interface circuit for piezoelectric energy harvesting systems. IEEE Trans. Ind. Electron. 2011, 59, 1950–1960. [Google Scholar] [CrossRef]
- Ottman, G.K.; Hofmann, H.F.; Lesieutre, G.A. Optimized piezoelectric energy harvesting circuit using step-down converter in discontinuous conduction mode. IEEE Trans. Power Electron. 2003, 18, 696–703. [Google Scholar] [CrossRef]
- Kong, N.; Ha, D.S. Low-power design of a self-powered piezoelectric energy harvesting system with maximum power point tracking. IEEE Trans. Power Electron. 2011, 27, 2298–2308. [Google Scholar] [CrossRef]
- Chen, N.; Jung, H.J.; Jabbar, H.; Sung, T.H.; Wei, T. A piezoelectric impact-induced vibration cantilever energy harvester from speed bump with a low-power power management circuit. Sens. Actuator A Phys. 2017, 254, 134–144. [Google Scholar] [CrossRef]
- Lefeuvre, E.; Audigier, D.; Richard, C.; Guyomar, D. Buck-Boost converter for sensorless power optimization of piezoelectric energy harvester. IEEE Trans. Power Electron. 2007, 22, 2018–2025. [Google Scholar] [CrossRef]
- Fang, H.B.; Liu, J.Q.; Xu, Z.Y.; Dong, L.; Wang, L.; Chen, D.; Cai, B.C.; Liu, Y. Fabrication and performance of MEMS-based piezoelectric power generator for vibration energy harvesting. Microelectron. J. 2006, 37, 1280–1284. [Google Scholar] [CrossRef]
- Roundy, S.; Leland, E.S.; Baker, J.; Carleton, E.; Reilly, E.; Lai, E.; Otis, B.; Rabaey, J.M.; Wright, P.K. Sundararajan, improving power output for vibration-based energy scavengers. IEEE Pervasive Comput. 2005, 4, 28–36. [Google Scholar] [CrossRef]
- Quattrocchi, A.; Montanini, R.; De Caro, S.; Panarello, S.; Scimone, T.; Foti, S.; Testa, A. A new approach for impedance tracking of piezoelectric vibration energy harvesters based on a zeta converter. Sensors 2020, 20, 5862. [Google Scholar] [CrossRef] [PubMed]
- Thainiramit, P.; Yingyong, P.; Isarakorn, D. Impact-driven energy harvesting: Piezoelectric versus triboelectric energy harvesters. Sensors 2020, 20, 5828. [Google Scholar] [CrossRef]
- Rubes, O.; Machu, Z.; Sevecek, O.; Hadas, Z. Crack protective layered architecture of lead-free piezoelectric energy harvester in bistable configuration. Sensors 2020, 20, 5808. [Google Scholar] [CrossRef]
- Challa, V.R.; Prasad, M.G.; Shi, Y.; Fisher, F.T. A vibration energy harvesting generator with bidirectional resonance frequency tenability. Smart Mater. Struct. 2008, 17, 015035. [Google Scholar] [CrossRef]
- Fakhzan, M.N.; Muthalif, A.G.A. Harvesting vibration energy using piezoelectric material: Modeling, simulation and experimental verifications. Mechatronics 2013, 23, 61–66. [Google Scholar] [CrossRef]
- Kong, N.; Ha, D.S.; Erturk, A.; Inman, D.J. Resistive impedance matching circuit for piezoelectric energy harvesting. J. Intell. Mater. Syst. Struct. 2010, 21, 1293–1302. [Google Scholar] [CrossRef]
- Platt, S.R.; Farritor, S.; Haider, H. On low-frequency electric power generation with PZT ceramics. IEEE/ASME Trans. Mechatron. 2005, 10, 240–252. [Google Scholar] [CrossRef]
- Fleming, A.J.; Moheimani, S.O.R. Adaptive piezoelectric shunt damping. Smart Mater. Struct. 2003, 12, 36–48. [Google Scholar] [CrossRef]
- Shen, D.; Ajisaria, J.; Choe, S.; Kim, D. The optimal design and analysis of piezoelectric cantilever beams for power generation devices. Mater. Res. Soc. Symp. Proc. 2005, 888, 271–276. [Google Scholar] [CrossRef]







| Piezoelectric Layer | Alumina Layer | |||||
|---|---|---|---|---|---|---|
| Width (Wp, mm) | Length (lp, mm) | Thickness (mm) | Layer No. | Width (Wp, mm) | Length (lp, mm) | Thickness (mm) |
| 5 | 10 | 0.05 | 4 | 8 | 43 | 0.1 |
| Composition | Dielectric Constant (εr) | Electromechanical Coupling Coefficient | Piezoelectric d31 Coefficient (pC/N) | Piezoelectric g31 Coefficient (10−3 Vm/N) | Quality Factor, Qm |
|---|---|---|---|---|---|
| 0.2Pb(Mg1/3Nb2/3)O3–0.8Pb(Zr0.475Ti0.525)O3 | 1871 | 0.69 | 210 | 11 | 80 |
| Sample | Piezoelectric Generator I | Piezoelectric Generator II |
|---|---|---|
| Resonance Frequency (Hz) | 37 | 52 |
| Payload (g) | 1 | 0.5 |
| Load Resistance (kΩ) | 100 | 100 |
| Voltage (Vrms) | 5.5 | 5 |
| Power (mW) | 0.152 | 0.19 |
Publisher’s Note: MDPI stays neutral with regard to jurisdictional claims in published maps and institutional affiliations. |
© 2021 by the authors. Licensee MDPI, Basel, Switzerland. This article is an open access article distributed under the terms and conditions of the Creative Commons Attribution (CC BY) license (https://creativecommons.org/licenses/by/4.0/).
Share and Cite
Koo, B.-G.; Shin, D.-J.; Lim, D.-H.; Kim, M.-S.; Kim, I.-S.; Jeong, S.-J. Properties of Car-Embedded Vibrating Type Piezoelectric Harvesting System. Appl. Sci. 2021, 11, 7449. https://doi.org/10.3390/app11167449
Koo B-G, Shin D-J, Lim D-H, Kim M-S, Kim I-S, Jeong S-J. Properties of Car-Embedded Vibrating Type Piezoelectric Harvesting System. Applied Sciences. 2021; 11(16):7449. https://doi.org/10.3390/app11167449
Chicago/Turabian StyleKoo, Bo-Gun, Dong-Jin Shin, Dong-Hwan Lim, Min-Soo Kim, In-Sung Kim, and Soon-Jong Jeong. 2021. "Properties of Car-Embedded Vibrating Type Piezoelectric Harvesting System" Applied Sciences 11, no. 16: 7449. https://doi.org/10.3390/app11167449
APA StyleKoo, B.-G., Shin, D.-J., Lim, D.-H., Kim, M.-S., Kim, I.-S., & Jeong, S.-J. (2021). Properties of Car-Embedded Vibrating Type Piezoelectric Harvesting System. Applied Sciences, 11(16), 7449. https://doi.org/10.3390/app11167449

