Determination of the Function of the Course of the Static Property of PAMs as Actuators in Industrial Robotics
Abstract
1. Introduction
2. Materials and Methods
2.1. Problem Formulation
2.2. Experimental Material
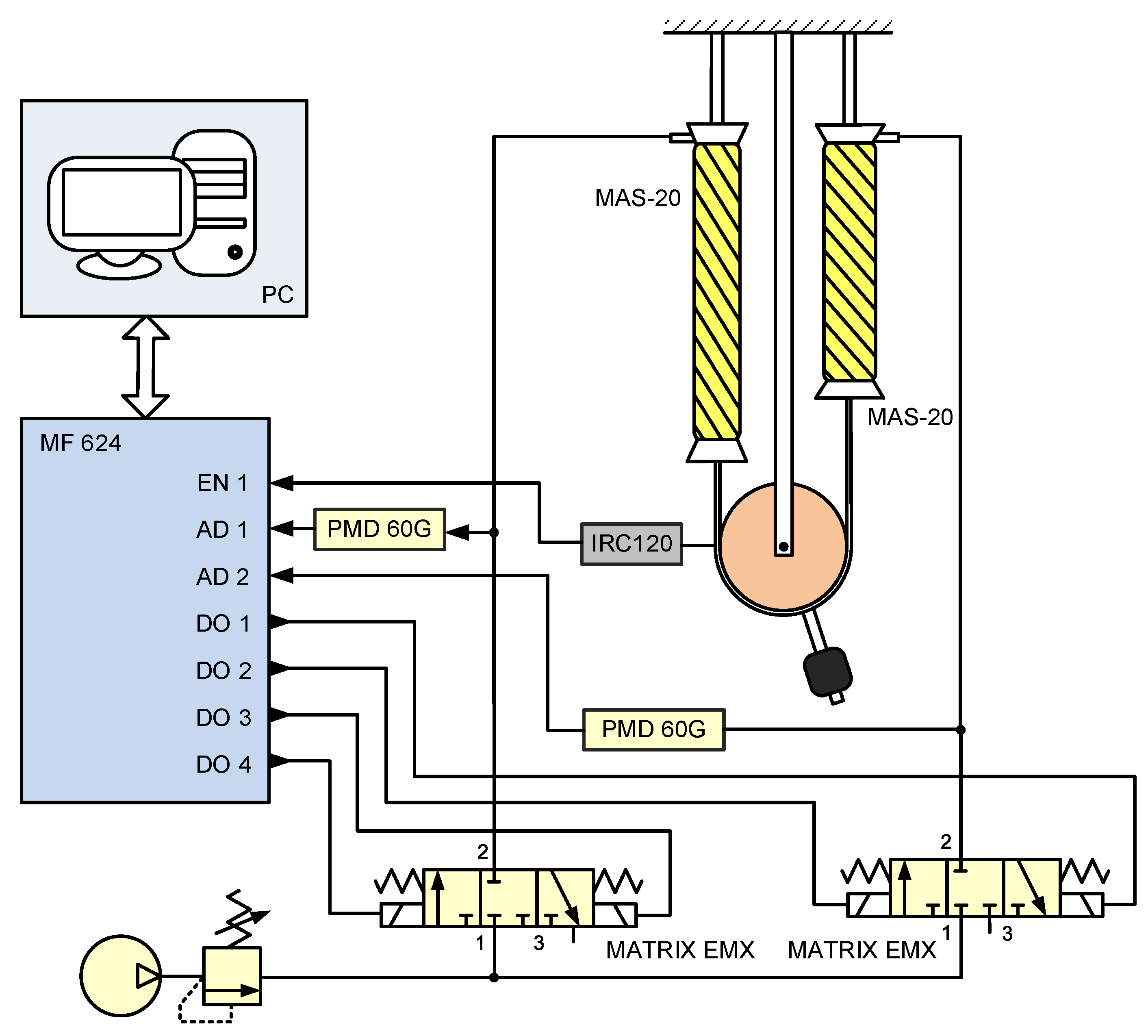
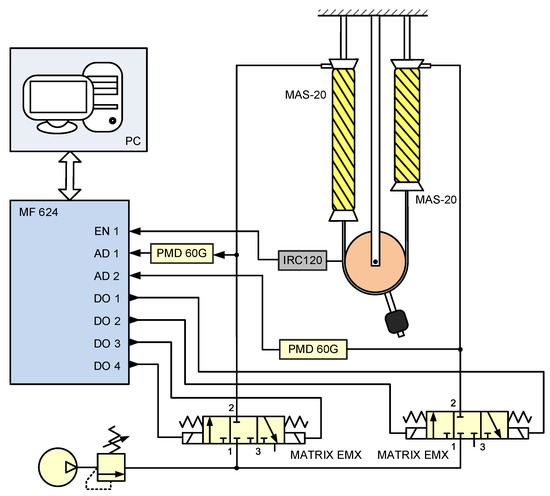
2.3. Testing Device
2.4. Experiment Methodology
3. Theory/Calculation
3.1. Physical Fundamentals
3.2. Model Formation
4. Results and Discussion
4.1. Creation of the Model of Static Property of PAMs in Antagonistic Connection
4.2. Creation of the Model of the Dynamic Model Section
5. Conclusions
Author Contributions
Funding
Institutional Review Board Statement
Informed Consent Statement
Data Availability Statement
Acknowledgments
Conflicts of Interest
References
- Čujan, Z.; Marasová, D. Evaluation of the Logistic process robotisation using the multiple-criteria decision-making. TEM J. 2018, 7, 501–506. [Google Scholar]
- Balara, M.; Dupláková, D.; Matisková, D. Application of a signal averaging device in robotics. Measurement 2018, 115, 125–132. [Google Scholar] [CrossRef]
- Dorf, C.R. Modern Control Systems, 3rd ed.; Addison-Wesley Longman: Boston, MA, USA, 1980; p. 425. [Google Scholar]
- Plettenburg, D.H. Pneumatic actuators: Comparison of energy-to-mass ratio’s. In Proceedings of the 9th International Conference on Rehabilitation Robotics, Chicago, IL, USA, 28 June–1 July 2005; pp. 545–549. [Google Scholar]
- Ramasamy, R.; Juhari, M.R.; Mamat, M.R.; Yaacob, S.; Mohd Nasir, N.F.; Sugisaka, M. An application of finite element modelling to pneumatic artificial muscle. Am. J. Appl. Sci. 2005, 2, 1504–1508. [Google Scholar] [CrossRef]
- Kerscher, T.; Albiez, J.; Zollner, J.M.; Dillman, R.F. Dynamic modeling of fluidic muscles using quick-release. In Proceedings of the 3rd International Symposium on Adaptive Motion in Animals and Machines, Ilmenau, Germany, 25–30 September 2005; pp. 1–6. [Google Scholar]
- Šitum, Ž. Pneumatic muscle as an actuator. Znan. Pop. Časopis Sustavi. 2009, 3, 54–60. (In Slovenian) [Google Scholar]
- Hosovsky, A.; Trojanova, M.; Piteľ, J.; Svetlik, J. Identification of DMSP-5 fluidic muscle dynamics using hammerstein model. In Proceedings of the IEEE 12th International Symposium on Applied Computational Intelligence and Informatics, Timisoara, Romania, 17–19 May 2018; pp. 319–324. [Google Scholar]
- Winters, J.M.; Savio, L.-Y.S. Multiple Muscle Systems: Biomechanics and Movement Organization; Springer: New York, NY, USA, 1990; ISBN 978-1-4613-9030-5. [Google Scholar]
- Yarlott, J.M. Fluid Actuator. US Patent No. 3645 173, 1972. [Google Scholar]
- Kukolj, M. Axially Contractable Actuator. US Patent US4733603A, 29 March 1988. [Google Scholar]
- Immega, G.; Kukolj, M. Axially Contractable Actuator. US Patent No. US4939982A, 10 July 1990. [Google Scholar]
- Sarosi, J.; Pitel, J.; Tothova, M.; Hosovsky, A.; Biro, I. Comparative survey of various static and dynamic models of pneumatic artificial muscles. Trans. Can. Soc. Mech. Eng. 2017, 41, 825–844. [Google Scholar] [CrossRef]
- Verrelst, B.; Daerden, F.; Lefeber, D.; Van Damme, M.; Vanderborght, B.; Van Ham, R.; Vermeulen, J. Pleated pneumatic artificial muscles for robotic application. In Proceedings of the Industry-Ready Innovative Research, 1st Flanders Engineering PhD Symposium, Brussels, Belgium, 11 December 2003; p. Mech11. [Google Scholar]
- Verrelst, B.; Daerden, F.; Lefeber, D.; Van Ham, R.; Fabr, T. Introducing Pleated pneumatic artificial muscles for the actuation of legged robots: A one-dimensional set-up. In Proceedings of the 3rd International Conference on Climbing and Walking Robots, Madrid, Spain, 2–4 October 2000; pp. 583–590. [Google Scholar]
- Ambrisko, L.; Cehlar, M.; Marasova, D. The rate of stable crack growth (scg) in automotive steels sheets. Metalurgija 2017, 56, 396–398. [Google Scholar]
- Ambrisko, Ľ.; Pesek, L. The stretch zone of automotive steel sheets. Sadhana 2014, 39, 525–530. [Google Scholar] [CrossRef]
- Villegas, D.; Michaël Van Damme, M.; Vanderborght, B.; Beyl, P.; Lefeber, D. Third–generation pleated pneumatic artificial muscles for robotic applications: Development and comparison with McKibben muscle. Adv. Rob. 2012, 26, 1–23. [Google Scholar] [CrossRef]
- Davis, S.; Caldwell, D.G. Braid effects on contractile range and friction modeling in pneumatic muscle actuators. Int. J. Rob. Res. 2006, 25, 359–369. [Google Scholar] [CrossRef]
- Serres, J.L. Dynamic Characterization of a Pneumatic Muscle Actuator and Its Application to a Resistive Training Device. Ph.D. Thesis, Wright State University, Dayton, OH, USA, 2008; p. 201. [Google Scholar]
- Mizakova, J.; Pitel’, J.; Tothova, M. Pneumatic artificial muscle as actuator in mechatronic system. Appl. Mech. Mater. 2014, 460, 81–90. [Google Scholar] [CrossRef]
- Wickramatunge, K.C.; Leephakpreeda, T. Study on mechanical behaviors of pneumatic artificial muscle. Int. J. Eng. Sci. 2009, 48, 188–198. [Google Scholar] [CrossRef]
- Trojanová, M.; Čakurda, T. Validation of the dynamic model of the planar robotic arm with using gravity test. MM Sci. J. 2020, 5, 4210–4215. [Google Scholar] [CrossRef]
- Hošovský, A.; Pitel’, J.; Židek, K.; Tóthová, M.; Sárosi, J.; Cveticanin, L. Dynamic characterization and simulation of two-link soft robot arm with pneumatic muscles. Mech. Mach. Theory 2016, 103, 98–116. [Google Scholar] [CrossRef]
- Tóthová, M.; Piteľ, J. Testing of two types of membership functions in fuzzy adaptive controller of pneumatic muscle actuator. In Proceedings of the 11th IEEE International Symposium on Applied Computational Intelligence and Informatics SACI 2016, Timișoara, Romania, 12–14 May 2016; pp. 497–502. [Google Scholar]
- Sárosi, J.; Piteľ, J.; Šeminský, J. Static force model-based stiffness model for pneumatic muscle actuators. Int. J. Eng. Res. Af. 2015, 18, 207–214. [Google Scholar] [CrossRef]
- Trojanová, M.; Čakurda, T.; Hošovský, A.; Krenický, T. Estimationof grey-box dynamic model of2-DOF pneumatic actuator robotic arm using gravity tests. Appl. Sci. 2021, 11, 4490. [Google Scholar] [CrossRef]
- Nezhad, M.N.; Korayem, A.H. Dynamic modeling of industrial manipulator Hyundai HS165 in order to determine the dynamic load-carrying capacity for a specified trajectory. In Proceedings of the 7th International Conference on Robotics and Mechatronics (ICRoM), Teheran, Iran, 20–21 November 2019; pp. 538–543. [Google Scholar]
- Al-Qahtani, H.M.; Mohammed, A.A.; Sunar, M. Dynamics and control of a robotic arm having four links. Arab. J. Sci. Eng. 2017, 42, 1841–1852. [Google Scholar] [CrossRef]
- Singh, S.; Singla, A.; Singh, A.; Soni, S.; Verma, S. Kinematic modelling of a five-DOFs spatial manipulator used in robot-assisted surgery. Perspect. Sci. 2016, 8, 550–553. [Google Scholar] [CrossRef][Green Version]
- Sung, H.; Lee, J.H.; Lee, C.; Seo, T.; Lee, J.W. Geometrical kinematic solution of serial spatial manipulators using screw theory. Mech. Mach. Theory 2017, 116, 404–418. [Google Scholar]
- Zidek, K.; Vasek, V.; Pitel, J.; Hošovsky, A. Auxiliary device for accurate measurement by the smartvision system. MM Sci. J. 2018, 1, 2136–2139. [Google Scholar] [CrossRef]
- Balara, A. The contribution to the enhancement of the computer aided methods of technology plant actuators movement. Diss. Work 2011, 149. (In Slovak) [Google Scholar]









| Measurement No. | p1 [kPa] | p2 [kPa] | psvd [kPa] | Load [kg] | β [Increment] | β [deg] |
|---|---|---|---|---|---|---|
| 1 | 487 | 0 | 487 | 0 | 253 | 36.43 |
| 2 | 0 | 489 | −489 | 0 | −254.4 | −36.63 |
| 3 | 490 | 0 | 490 | 1.2 | 255.5 | 36.80 |
| 4 | 0 | 464 | −464 | 1.2 | 252 | −36.29 |
| 5 | 454 | 0 | 454 | 2.14 | 250 | 36.00 |
| 6 | 0 | 455 | −455 | 2.14 | −245 | −35.28 |
| 7 | 216 | 0 | 216 | 2.14 | 183.3 | 26.40 |
| 8 | 0 | 226 | −226 | 2.14 | −192 | −27.65 |
| 9 | 220 | 0 | 220 | 1.2 | 183.3 | 26.39 |
| 10 | 0 | 229 | −229 | 1.2 | −190 | −27.36 |
| 11 | 227 | 0 | 227 | 0 | 183.3 | 26.39 |
| 12 | 0 | 232 | −232 | 0 | −197 | −28.37 |
| Measurement No. | p1 [kPa] | p2 [kPa] | psvd [kPa] | Load [kg] | β [Increment] | β [deg] |
|---|---|---|---|---|---|---|
| 13 | 247 | 160 | 87 | 2.14 | 121.43 | 17.48 |
| 14 | 155 | 198 | −43 | 2.14 | −48.21 | −6.94 |
| 15 | 190 | 123 | 67 | 1.2 | 71.69 | 10.32 |
| 16 | 121 | 178 | −57 | 1.2 | −56.43 | −8.12 |
| 17 | 171 | 108 | 63 | 0 | 67.41 | 9.70 |
| 18 | 105 | 167 | −62 | 0 | −65.00 | −9.36 |
| 19 | 446 | 339 | 107 | 0 | 124.99 | 17.99 |
| 20 | 332 | 375 | −43 | 0 | −53.57 | −7.71 |
| 21 | 459 | 371 | 88 | 1.2 | 121.14 | 17.44 |
| 22 | 247 | 160 | 87 | 2.14 | 121.43 | 17.48 |
| 23 | 155 | 198 | −43 | 2.14 | −48.21 | −6.94 |
| 24 | 190 | 123 | 67 | 1.2 | 71.69 | 10.32 |
Publisher’s Note: MDPI stays neutral with regard to jurisdictional claims in published maps and institutional affiliations. |
© 2021 by the authors. Licensee MDPI, Basel, Switzerland. This article is an open access article distributed under the terms and conditions of the Creative Commons Attribution (CC BY) license (https://creativecommons.org/licenses/by/4.0/).
Share and Cite
Matisková, D.; Čakurda, T.; Marasová, D.; Balara, A. Determination of the Function of the Course of the Static Property of PAMs as Actuators in Industrial Robotics. Appl. Sci. 2021, 11, 7288. https://doi.org/10.3390/app11167288
Matisková D, Čakurda T, Marasová D, Balara A. Determination of the Function of the Course of the Static Property of PAMs as Actuators in Industrial Robotics. Applied Sciences. 2021; 11(16):7288. https://doi.org/10.3390/app11167288
Chicago/Turabian StyleMatisková, Darina, Tomáš Čakurda, Daniela Marasová, and Alexander Balara. 2021. "Determination of the Function of the Course of the Static Property of PAMs as Actuators in Industrial Robotics" Applied Sciences 11, no. 16: 7288. https://doi.org/10.3390/app11167288
APA StyleMatisková, D., Čakurda, T., Marasová, D., & Balara, A. (2021). Determination of the Function of the Course of the Static Property of PAMs as Actuators in Industrial Robotics. Applied Sciences, 11(16), 7288. https://doi.org/10.3390/app11167288
