An Interleaved DC/DC Converter with Soft-switching Characteristic and high Step-up Ratio
Abstract
:1. Introduction
2. Proposed Circuit Configuration and Operation Analysis
2.1. Proposed Circuit Configuration
2.2. Circuir Analysis
- The semiconductor devices are ideal in spite of considering the intrinsic diode and the parasitic capacitance of the MOSFETs.
- The leakage inductances are equal (L1 = L2 = Ll). The mutual inductance LM is large enough and the magnetic exciting current iLM is constant.
- The output capacitance Co is large enough. Hence, the output voltage Vo is regarded as constant.
3. Design Equations
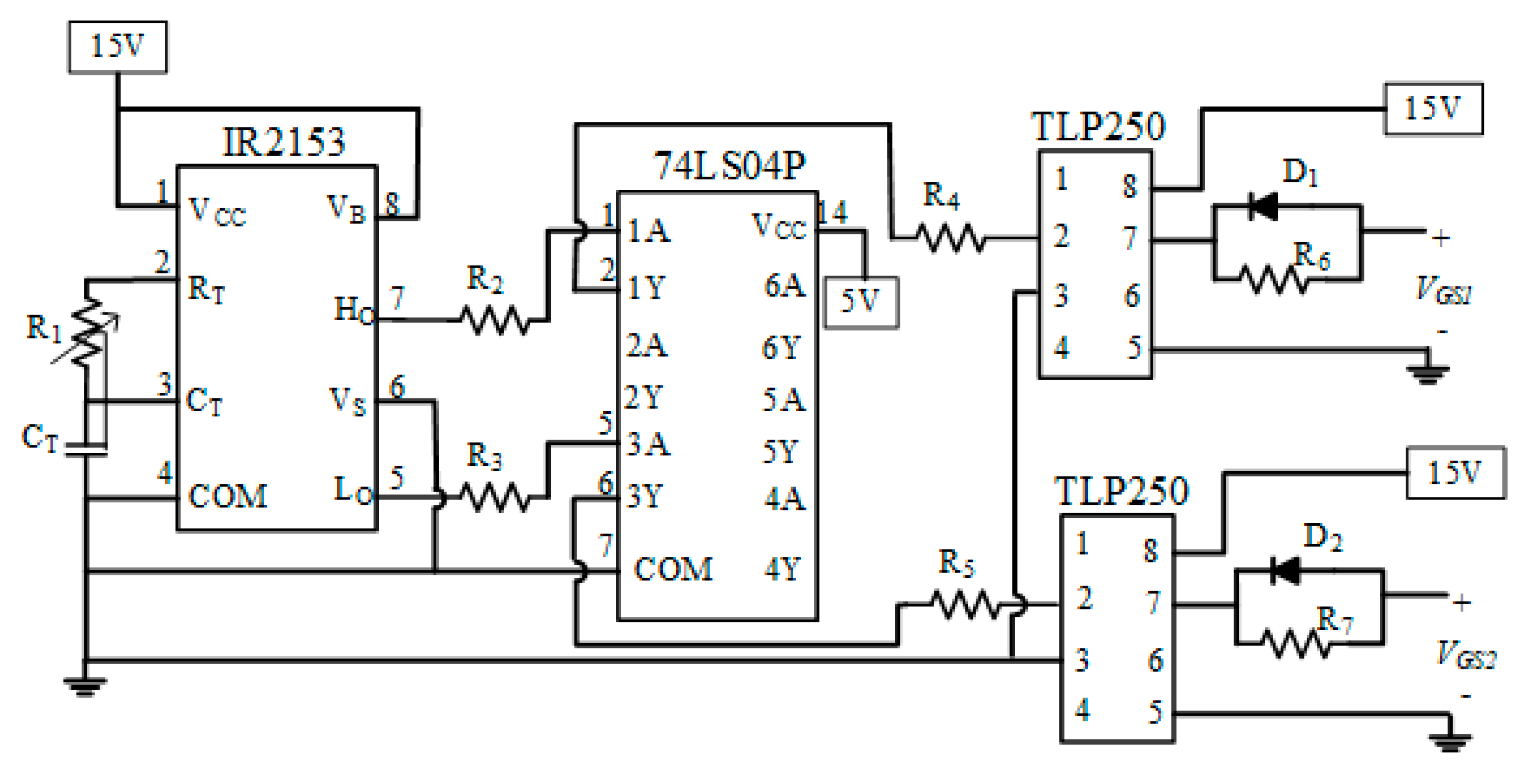
4. Illustrative Example and Experimental Results
5. Conclusions
Author Contributions
Funding
Acknowledgments
Conflicts of Interest
References
- Yu, W.; Qian, H.; Lai, J.S. Design of high-efficiency bidirectional DC–DC converter and high-precision efficiency measurement. IEEE Trans. Power Electron. 2010, 25, 650–658. [Google Scholar]
- Yi, Z.; Dong, W.; Etemadi, A.H. A unified control and power management scheme for PV-battery-based hybrid microgrids for both grid-connected and islanded modes. IEEE Trans. Smart Grid. 2018, 9, 5975–5985. [Google Scholar] [CrossRef]
- Rocabert, J.; Capo-Misut, R.; Munoz-Aguilar, R.S.; Candela, J.I.; Rodriguez, P. Control of Energy Storage System Integrating Electrochemical Batteries and Supercapacitors for Grid-Connected Applications. IEEE Trans. Ind. Appl. 2019, 55, 1853–1862. [Google Scholar] [CrossRef]
- Liu, W.S.; Chen, J.F.; Liang, T.J.; Lin, R.L. Multicascoded sources for a high-efficiency fuel-cell hybrid power system in high-voltage application. IEEE Trans. Power Electron. 2011, 26, 931–9423. [Google Scholar] [CrossRef]
- Konstantopoulos, G.C.; Alexandridis, A.T. Non-linear voltage regulator design for DC/DC boost converters used in photovoltaic applications: Analysis and experimental results. IET Renew. Power Gener. 2013, 7, 296–308. [Google Scholar] [CrossRef]
- Wu, H.; Lu, Y.; Chen, L.; Xu, P.; Xiao, X.; Xing, Y. High step-up/step-down non-isolated BDC with built-in DC-transformer for energy storage systems. IET Power Electron. 2016, 9, 2571–2579. [Google Scholar] [CrossRef]
- Lakshmi, M.; Hemamalini, S. Nonisolated high gain DC–DC converter for DC microgrids. IEEE Trans. Ind. Electron. 2018, 65, 1205–1212. [Google Scholar] [CrossRef]
- Li, W.; He, X. Review of nonisolated high-step-up DC/DC converters in photovoltaic grid-connected applications. IEEE Trans. Ind. Electron. 2011, 58, 1239–1249. [Google Scholar] [CrossRef]
- Hart, D.W. Power Electronics, 1st ed.; McGraw-Hill Companies, Inc.: Madison, WI, USA; New York, NY, USA, 2011; pp. 211–220. [Google Scholar]
- Marvi, M.; Fotowat-Ahmady, A. A fully ZVS critical conduction mode boost PFC. IEEE Trans. Power Electron. 2012, 58, 1958–1965. [Google Scholar] [CrossRef]
- Xie, X.; Liu, C.P.; Poon, N.K.; Pong, M.H. A Novel High Frequency Current-Driven Synchronous Rectifier Applicable to Most Switching Topologies. IEEE Trans. Power Electron. 2001, 16, 635–648. [Google Scholar]
- Yang, J.W.; Do, H.L. High-efficiency ZVS AC-DC LED driver using a Self-Driven synchronous rectifier. IEEE Trans. Circuits Syst. I Regul. Pap. 2014, 61, 2505–2512. [Google Scholar] [CrossRef]
- Xinbo, R.; Liu, F. An improved ZVS PWM full-bridge converter with clamping diodes. In Proceedings of the 2004 IEEE 35th Annual Power Electronics Specialists Conference, Aachen, Germany, 20–25 June 2004; pp. 1476–1481. [Google Scholar]
- Mousavi, A.; Das, P.; Moschopoulos, G. A comparative study of a new ZCS DC–DC full-bridge boost converter with a ZVS active-Clamp converter. IEEE Trans. Power Electron. 2012, 27, 1347–1358. [Google Scholar] [CrossRef]
- Duarte, C.M.; Barbi, I. An improved family of ZVS-PWM active clamping DC-to-DC converters. IEEE Trans. Power Electron. 2002, 17, 684–691. [Google Scholar] [CrossRef]
- Zhao, Y.; Li, W.; Deng, Y.; He, X. Analysis, Design, and Experimentation of an Isolated ZVT Boost Converter with Coupled Inductors. IEEE Trans. Power Electron. 2011, 26, 541–550. [Google Scholar] [CrossRef]
- Moo, C.S.; Chen, Y.J.; Cheng, H.L.; Hsieh, Y.C. Twin-buck converter with zero-voltage transition. IEEE Trans. Ind. Electron. 2011, 58, 2366–2371. [Google Scholar] [CrossRef]
- Hsieh, Y.C.; Chen, M.R.; Cheng, H.L. An interleaved flyback converter featured with zero-voltage transition. IEEE Trans. Power Electron. 2011, 26, 79–84. [Google Scholar] [CrossRef]
- Hsieh, Y.C.; Hsueh, T.C.; Yen, H.C. An interleaved boost converter with zero-voltage transition. IEEE Trans. Power Electron. 2009, 24, 973–978. [Google Scholar] [CrossRef]
- Gautam, D.C.; Bhat, A.K.S. A comparison of soft-switched DC-to-DC converters for electrolyzer application. IEEE Trans. Power Electron. 2013, 28, 54–63. [Google Scholar] [CrossRef]










| Input voltage Vin | 48 Vdc |
| Output voltage Vo | 400 Vdc |
| Output current Io | 0.5 A |
| Load Resistance Ro | 800 Ω |
| Switching frequency fs | 50 kHz |
| Leakage inductance L1, L2 | 0.11 mH |
| Mutual inductance LM | 0.58 mH |
| Output capacitance Co | 220 μF |
| Diodes D1, D2 | C3D10060A |
| Active switches S1, S2 | 35N65M5 |
© 2020 by the authors. Licensee MDPI, Basel, Switzerland. This article is an open access article distributed under the terms and conditions of the Creative Commons Attribution (CC BY) license (http://creativecommons.org/licenses/by/4.0/).
Share and Cite
Chang, Y.-N.; Cheng, H.-L.; Yen, H.-C.; Chang, C.-H.; Huang, W.-D. An Interleaved DC/DC Converter with Soft-switching Characteristic and high Step-up Ratio. Appl. Sci. 2020, 10, 2167. https://doi.org/10.3390/app10062167
Chang Y-N, Cheng H-L, Yen H-C, Chang C-H, Huang W-D. An Interleaved DC/DC Converter with Soft-switching Characteristic and high Step-up Ratio. Applied Sciences. 2020; 10(6):2167. https://doi.org/10.3390/app10062167
Chicago/Turabian StyleChang, Yong-Nong, Hung-Liang Cheng, Hau-Chen Yen, Chien-Hsuan Chang, and Wei-Di Huang. 2020. "An Interleaved DC/DC Converter with Soft-switching Characteristic and high Step-up Ratio" Applied Sciences 10, no. 6: 2167. https://doi.org/10.3390/app10062167
APA StyleChang, Y.-N., Cheng, H.-L., Yen, H.-C., Chang, C.-H., & Huang, W.-D. (2020). An Interleaved DC/DC Converter with Soft-switching Characteristic and high Step-up Ratio. Applied Sciences, 10(6), 2167. https://doi.org/10.3390/app10062167

