A Mathematical Model for the Scheduling of Virtual Microgrids Topology into an Active Distribution Network
Abstract
1. Introduction
- A new mathematical optimization model is presented which provides the virtual microgrid topology scheduling of an ADN considering the load curtailment and its flexibility response as the main criteria to partition an unbalanced system into several VMs balanced, with a computational time short enough to ease its adoption by DSO in their usual operational procedures.
- We have extended the literature related to the partitioning methods in order to obtain VMs with dynamic boundaries, leaving the algorithms based on hierarchical or graph theory, and providing an optimization linear model.
- A quantification of the weaker nodes in terms of the probability of the node to not meet the load under consecutive scenarios, and the size of the energy not supplied which is a useful value in flexibility markets.
2. Preliminaries
2.1. Problem Definition
2.2. Related Works
2.3. Methodology
3. Optimal Model for Scheduling Virtual Microgrids Topology
3.1. Model without Demand Flexibility
- Promote the fulfillment of the electricity load since the positive variables and are penalized () when their values are greater than zero, if and only if, the power generation and the energy storage is not enough to meet the load.
- Prioritize the loads with or closer to a DG or BESS when it is not a chance to meet the power consumption through the minimization of the flow variables () and ().
3.2. Model with Demand Flexibility
4. Results and Discussion
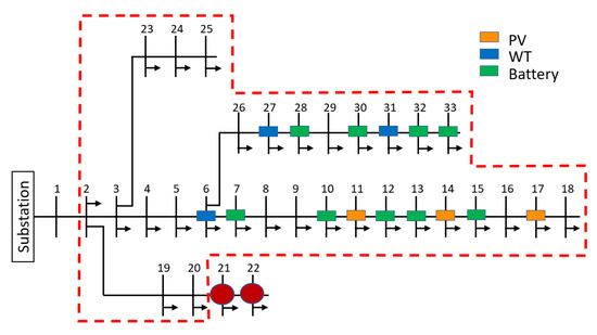
4.1. Case Study
4.2. Model Performance
4.3. Results
- Model operation explains how the model meets the energy load through the available resources and shows the role of the storage devices.
- The weakest points identify the nodes with a high probability of ENS. This probability considers any percentage of non-compliance from the total load for a certain bus at every hour.
- Flexibility Market presents the amount of ENS for every node at every hour and compares the total ENS when DSR is considered and when it is not.
- Dynamic topologies show the topology scheduling that must follow the ADN to pass from an unbalanced system to a balanced system, with lower load compliance than the original.
4.3.1. Mathematical Model Operation
4.3.2. The Weakest Nodes
4.3.3. Energy for Flexibility Market
4.3.4. Dynamic Topology
4.4. Discussion
- Simulate a failure scenario of 72 h.
- Low computational burden due to the linearity of the formulation.
- Obtain the virtual microgrids topology scheduling that should follow the DN to keep the system balanced at all times, considering a DSR factor.
- Quantify the amount of energy that must be reduced or traded an eventual energy flexibility market, at every bus, and at every hour.
- Identify the probability of every bus to present a load curtailment, which sizes the service level under the failure scenario.
5. Conclusions
Author Contributions
Funding
Conflicts of Interest
Nomenclature
| Aconyms | |
| DN | Distribution Network |
| DG | Distributed Generation |
| BESS | Battery Energy Storage System |
| ENS | Energy Not Supplied |
| OPF | Optimal Power Flow |
| DSR | Demand Side Response |
| DER | Distributed Energy Resource |
| MG | Microgrid |
| VM | Virtual Microgrid |
| AND | Active Distribution Network |
| PSO | Particle Swarm Optimization |
| MINLP | Mixed-integer Nonlinear Problem |
| MILP | Mixed-integer Linear Problem |
| DSO | Distribution System Operator |
| TSO | Transmission System Operator |
| VMTS | Virtual Microgrid Topology Scheduling |
| PV | Photovoltaic panels |
| WT | Wind Turbine |
| SOC | State of Charge |
| OF | Objective Function |
| Symbols | |
| Set of buses | |
| Set of time periods | |
| Set of lines, such that | |
| Set of type of generation source | |
| Set of type of batteries | |
| Minimum active power output of bus i at period t in [%] | |
| Maximum active power output of bus i at period t in [%] | |
| Minimum reactive power output of bus i at period t in [%] | |
| Maximum reactive power output of bus i at period t in [%] | |
| Minimum voltage allowed for bus i [p.u.] | |
| Maximum voltage allowed for bus i [p.u.] | |
| Non-zero upper diagonal bus admittance matrix elements [p.u.] | |
| Allowed maximum power of the line between buses i and j [MVA] | |
| Conductance of the line between buses i and j such that | |
| Susceptance of the line between buses i and j such that | |
| Conductance of the line between buses i and j such that | |
| Susceptance of the line between buses i and j such that | |
| Base power [MVAr] | |
| Line resistance between buses i and j [p.u.] | |
| Minimum SOC of battery type l [%] | |
| Maximum SOC of battery type l [%] | |
| Active power capacity installed of generator type k [MW] | |
| Reactive power capacity installed of generator type k [MW] | |
| Active power capacity installed of battery type l [MWh] | |
| Efficiency of battery type l [%] | |
| Maximum charge/discharge for battery type l in a period [MWh] | |
| Binary parameter representing if a battery type l is installed in node i | |
| Active load of bus i at period t [MW] | |
| Reactive load of bus i at period t [MVAr] | |
| Active power of generator type k of bus i at period t [MW] | |
| Reactive power of generator type k of bus i at period t [MVAr] | |
| Voltage of bus i at period t [p.u] | |
| Angle of bus i at period t [p.u] | |
| Active power in line between buses i and j at period t [MW] | |
| Reactive power in line between buses i and j at period t [MVAr] | |
| Power absorbed for the storage type l of bus i at period t [MW] | |
| Power injected for the storage type l of bus i at period t [MW] | |
| SOC of battery type l of bus i at period t [MWh] | |
| Binary variable: 1 if the battery type l is charging in bus i at period t, 0 otherwise | |
| Virtual active and reactive power of bus i at period t [MW] | |
| Active and reactive power supplied on bus i at period t [MW] | |
| Active and reactive power not supplied on bus i at period t [MW] |
References
- Das, L.; Munikoti, S.; Natarajan, B.; Srinivasan, B. Measuring smart grid resilience: Methods, challenges and opportunities. Renew. Sustain. Energy Rev. 2020, 130, 109918. [Google Scholar] [CrossRef]
- Cortes, C.A.; Contreras, S.F.; Shahidehpour, M. Microgrid topology planning for enhancing the reliability of active distribution networks. IEEE Trans. Smart Grid 2018, 9, 6369–6377. [Google Scholar] [CrossRef]
- Barani, M.; Aghaei, J.; Akbari, M.A.; Niknam, T.; Farahmand, H.; Korpas, M. Optimal partitioning of smart distribution systems into supply-sufficient microgrids. IEEE Trans. Smart Grid 2019, 10, 2523–2533. [Google Scholar] [CrossRef]
- Ton, D.T.; Smith, M.A. The U.S. Department of Energy’s Microgrid Initiative. Electr. J. 2012, 25, 84–94. [Google Scholar] [CrossRef]
- Du, Y.; Lu, X.; Wang, J.; Lukic, S. Distributed Secondary Control Strategy for Microgrid Operation with Dynamic Boundaries. IEEE Trans. Smart Grid 2018, 10, 5269–5282. [Google Scholar] [CrossRef]
- Haddadian, H.; Noroozian, R. Multi-microgrids approach for design and operation of future distribution networks based on novel technical indices. Appl. Energy 2017, 185, 650–663. [Google Scholar] [CrossRef]
- IEEE Guide for Design, Operation, and Integration of Distributed Resource Island Systems with Electric Power Systems; IEEE Std 1547.4-2011; IEEE: Piscataway, NJ, USA, 2011; pp. 1–54. Available online: https://ieeexplore.ieee.org/document/5960751 (accessed on 14 October 2020).
- Xu, X.; Xue, F.; Lu, S.; Zhu, H.; Jiang, L.; Han, B. Structural and Hierarchical Partitioning of Virtual Microgrids in Power Distribution Network. IEEE Syst. J. 2019, 13, 823–832. [Google Scholar] [CrossRef]
- Nassar, M.E.; Salama, M.M. Adaptive self-adequate microgrids using dynamic boundaries. IEEE Trans. Smart Grid 2016, 7, 105–113. [Google Scholar] [CrossRef]
- Jose, J.; Kowli, A.; Bhalekar, V.; Prasad, K.V.; Rajagopal, N. Dynamic microgrid-based operations: A new operational paradigm for distribution networks. In Proceedings of the IEEE PES Innovative Smart Grid Technologies Conference Europe, Melbourne, Australia, 28 November–1 December 2016; pp. 564–569. [Google Scholar] [CrossRef]
- Meyer, B.; Fiedeldey, M.; Mueller, H.; Hoffman, C.; Koeberle, R.; Bamberger, J. Impact of large share of renewable generation on investment costs at the example of AÜW distribution network. In Proceedings of the 22nd International Conference and Exhibition on Electricity Distribution (CIRED 2013), Stockholm, Sweden, 10–13 June 2013; pp. 1–4. [Google Scholar]
- Eltawil, M.A.; Zhao, Z. Grid-connected photovoltaic power systems: Technical and potential problems-A review. Renew. Sustain. Energy Rev. 2010, 14, 112–129. [Google Scholar] [CrossRef]
- García-Muñoz, F.; Díaz-Gonzalez, F.; Corchero, C.; Nuñez-De-Toro, C. Optimal Sizing and Location of Distributed Generation and Battery Energy Storage System. In Proceedings of the 2019 IEEE PES Innovative Smart Grid Technologies Europe, ISGT-Europe 2019, Bucharest, Romania, 29 September–2 October 2019. [Google Scholar] [CrossRef]
- Xu, D.; Tian, Y. A Comprehensive Survey of Clustering Algorithms. Ann. Data Sci. 2015, 2, 165–193. [Google Scholar] [CrossRef]
- Brandes, U.; Delling, D.; Gaertler, M.; Görke, R.; Hoefer, M.; Nikoloski, Z.; Wagner, D. On modularity clustering. IEEE Trans. Knowl. Data Eng. 2008, 20, 172–188. [Google Scholar] [CrossRef]
- Korjani, S.; Facchini, A.; Mureddu, M.; Damiano, A. A Genetic Algorithm Approach for the Identification of Microgrids Partitioning into Distribution Networks. In Proceedings of the IECON 2017—43rd Annual Conference of the IEEE Industrial Electronics Society, Beijing, China, 29 October–1 November 2017. [Google Scholar]
- Chan, E.Y.; Yeung, D.Y. A convex formulation of modularity maximization for community detection. In Proceedings of the IJCAI International Joint Conference on Artificial Intelligence, Catalonia, Spain, 16–22 July 2011; pp. 2218–2225. [Google Scholar] [CrossRef]
- Zhao, B.; Xu, Z.; Xu, C.; Wang, C.; Lin, F. Network Partition-Based Zonal Voltage Control for Distribution Networks with Distributed PV Systems. IEEE Trans. Smart Grid 2018, 9, 4087–4098. [Google Scholar] [CrossRef]
- Fang, G.J.; Bao, H. A Calculation Method of Electric Distance and Subarea Division Application Based on Transmission Impedance. IOP Conf. Ser. Earth Environ. Sci. 2017, 104, 012006. [Google Scholar] [CrossRef]
- Cotilla-Sanchez, E.; Hines, P.D.; Barrows, C.; Blumsack, S.; Patel, M. Multi-attribute partitioning of power networks based on electrical distance. IEEE Trans. Power Syst. 2013, 28, 4979–4987. [Google Scholar] [CrossRef]
- Zhen, S.; Ma, Y.; Wang, F.; Tolbert, L.M. Operation of a flexible dynamic boundary microgrid with multiple islands. In Proceedings of the Conference Proceedings—IEEE Applied Power Electronics Conference and Exposition—APEC, Anaheim, CA, USA, 17–21 March 2019; pp. 548–554. [Google Scholar] [CrossRef]
- Manshadi, S.D.; Khodayar, M.E. Expansion of Autonomous Microgrids in Active Distribution Networks. IEEE Trans. Smart Grid 2018, 9, 1878–1888. [Google Scholar] [CrossRef]
- Kavousi-Fard, A.; Zare, A.; Khodaei, A. Effective dynamic scheduling of reconfigurable microgrids. IEEE Trans. Power Syst. 2018, 33, 5519–5530. [Google Scholar] [CrossRef]
- Gomez-Exposito, A.; Conejo, A.J.; Cañizares, C. Electric Energy Systems: Analysis and Operation; CRC Press: Boca Raton, FL, USA, 2018. [Google Scholar]
- Resch, M. Impact of operation strategies of large scale battery systems on distribution grid planning in Germany. Renew. Sustain. Energy Rev. 2017, 74, 1042–1063. [Google Scholar] [CrossRef]
- Hosseini, S.; Barker, K.; Ramirez-Marquez, J.E. A review of definitions and measures of system resilience. Reliab. Eng. Syst. Saf. 2016, 145, 47–61. [Google Scholar] [CrossRef]
- Yang, X.; Zhang, Y.; He, H.; Ren, S.; Weng, G. Real-Time Demand Side Management for a Microgrid Considering Uncertainties. IEEE Trans. Smart Grid 2019, 10, 3401–3414. [Google Scholar] [CrossRef]
- Yang, Z.; Zhong, H.; Bose, A.; Zheng, T.; Xia, Q.; Kang, C. A Linearized OPF Model with Reactive Power and Voltage Magnitude: A Pathway to Improve the MW-Only DC OPF. IEEE Trans. Power Syst. 2018, 33, 1734–1745. [Google Scholar] [CrossRef]
- Yang, Z.; Zhong, H.; Xia, Q.; Bose, A.; Kang, C. Optimal power flow based on successive linear approximation of power flow equations. IET Gener. Transm. Distrib. 2016, 10, 3654–3662. [Google Scholar] [CrossRef]
- Marley, J.F.; Molzahn, D.K.; Hiskens, I.A. Solving Multiperiod OPF Problems Using an AC-QP Algorithm Initialized with an SOCP Relaxation. IEEE Trans. Power Syst. 2017, 32, 3538–3548. [Google Scholar] [CrossRef]
- Coffrin, C.; Hijazi, H.L.; Van Hentenryck, P. The QC Relaxation: Theoretical and Computational Results on Optimal Power Flow. IEEE Trans. Power Syst. 2016, 31, 3008–3018. [Google Scholar] [CrossRef]
- Momoh, J.A.; El-Hawary, M.E.; Adapa, R. A review of selected optimal power flow literature to 1993 part i: Nonlinear and quadratic Programming Approaches. IEEE Trans. Power Syst. 1999, 14, 96–103. [Google Scholar] [CrossRef]
- Monoh, J.A.; Ei-Hawary, M.E.; Adapa, R. A review of selected optimal power flow literature to 1993 part ii: Newton, linear programming and Interior Point Methods. IEEE Trans. Power Syst. 1999, 14, 105–111. [Google Scholar] [CrossRef]
- Wazir, A.; Arbab, N. Analysis and Optimization of IEEE 33 Bus Radial Distributed System Using Optimization Algorithm. Available online: https://www.semanticscholar.org/paper/Analysis-and-Optimization-of-IEEE-33-Bus-Radial-Wazir-Arbab/dcf92a2d6e5d96678031f313b8a78b6d8e4fdd3e (accessed on 10 August 2020).
- Sotavento Experimental Wind Farm. 2018. Available online: http://www.sotaventogalicia.com/es/datos-tiempo-real/historicos (accessed on 31 January 2019).
- NREL—National Renewable Energy Laboratory. 2018. Available online: https://pvwatts.nrel.gov/pvwatts.php (accessed on 15 September 2020).
- Muyeen, S.M.; Tamura, J.; Murata, T. Wind Turbine Modeling. In Stability Augmentation of a Grid-Connected Wind Farm; Springer Science & Business Media: Berlin, Germany, 2008; pp. 23–65. [Google Scholar]
- Hung, D.Q.; Member, S.; Mithulananthan, N.; Member, S. Determining PV Penetration for Distribution Determining PV Penetration for Distribution Systems With Time-Varying Load Models. IEEE Trans. Power Syst. 2016, 29, 3048–3057. [Google Scholar] [CrossRef]







| 1 h | 6 h | 12 h | 24 h | 72 h | |
|---|---|---|---|---|---|
| MINLP [s] | 1.79 | 25.86 | 20,038.7 | – | – |
| OF [kWh/pr.] | 0.1 | 0.65 | 1.32 | – | – |
| Status | ok | ok | ok | – | – |
| MILP [s] | 0.15 | 0.26 | 0.892 | 4.12 | 58.38 |
| OF [kWh/pr.] | 0.1 | 0.69 | 1.41 | 3.79 | 534,496.43 |
| Status | ok | ok | ok | ok | ok |
| OF error | 0% | 6.2% | 6.8% | – | – |
| Without DSR | With DSR | DERs Installed | |||||||||
|---|---|---|---|---|---|---|---|---|---|---|---|
| Bus | Sc 1 | Sc 2 | Sc 3 | Sc 4 | Total | Sc 1 | Sc 2 | Sc 3 | Sc 4 | Total | |
| 1 | 0.0% | 0.0% | 0.0% | 0.0% | 0.0% | 0.0% | 0.0% | 0.0% | 0.0% | 0.0% | No |
| 2 | 65.3% | 52.8% | 37.5% | 4.2% | 39.9% | 11.1% | 5.6% | 1.4% | 0.0% | 4.5% | No |
| 3 | 65.3% | 6.9% | 5.6% | 4.2% | 20.5% | 11.1% | 5.6% | 1.4% | 0.0% | 4.5% | No |
| 4 | 45.8% | 5.6% | 2.8% | 4.2% | 14.6% | 9.7% | 5.6% | 1.4% | 0.0% | 4.2% | No |
| 5 | 25.0% | 4.2% | 0.0% | 4.2% | 8.3% | 5.6% | 4.2% | 1.4% | 0.0% | 2.8% | Next, to WT |
| 6 | 8.3% | 2.8% | 0.0% | 4.2% | 3.8% | 0.0% | 2.8% | 0.0% | 0.0% | 0.7% | WT |
| 7 | 8.3% | 5.6% | 1.4% | 4.2% | 4.9% | 9.7% | 5.6% | 1.4% | 0.0% | 4.2% | BESS |
| 8 | 65.3% | 6.9% | 2.8% | 4.2% | 19.8% | 11.1% | 5.6% | 0.0% | 0.0% | 4.2% | Next, to BESS |
| 9 | 48.6% | 6.9% | 1.4% | 2.8% | 14.9% | 11.1% | 5.6% | 0.0% | 0.0% | 4.2% | Next, to BESS |
| 10 | 11.1% | 6.9% | 1.4% | 2.8% | 5.6% | 11.1% | 4.2% | 0.0% | 0.0% | 3.8% | BESS |
| 11 | 20.8% | 11.1% | 2.8% | 2.8% | 9.4% | 8.3% | 5.6% | 0.0% | 0.0% | 3.5% | PV |
| 12 | 12.5% | 13.9% | 5.6% | 2.8% | 8.7% | 12.5% | 5.6% | 0.0% | 0.0% | 4.5% | BESS |
| 13 | 13.9% | 13.9% | 2.8% | 2.8% | 8.3% | 12.5% | 2.8% | 0.0% | 0.0% | 3.8% | BESS |
| 14 | 43.1% | 9.7% | 5.6% | 2.8% | 15.3% | 9.7% | 2.8% | 2.8% | 0.0% | 3.8% | PV |
| 15 | 15.3% | 13.9% | 5.6% | 1.4% | 9.0% | 13.9% | 5.6% | 2.8% | 0.0% | 5.6% | BESS |
| 16 | 48.6% | 13.9% | 6.9% | 2.8% | 18.1% | 13.9% | 9.7% | 2.8% | 0.0% | 6.6% | Next, to PV |
| 17 | 70.8% | 13.9% | 5.6% | 2.8% | 23.3% | 12.5% | 5.6% | 2.8% | 0.0% | 5.2% | PV |
| 18 | 70.8% | 30.6% | 9.7% | 2.8% | 28.5% | 61.1% | 11.1% | 2.8% | 0.0% | 18.8% | Next, to PV |
| 19 | 66.7% | 66.7% | 50.0% | 4.2% | 46.9% | 51.4% | 5.6% | 1.4% | 0.0% | 14.6% | No |
| 20 | 68.1% | 90.3% | 72.2% | 4.2% | 58.7% | 63.9% | 6.9% | 1.4% | 0.0% | 18.1% | No |
| 21 | 69.4% | 100.0% | 79.2% | 15.3% | 66.0% | 65.3% | 54.2% | 2.8% | 0.0% | 30.6% | No |
| 22 | 69.4% | 100.0% | 79.2% | 47.2% | 74.0% | 65.3% | 62.5% | 2.8% | 0.0% | 32.6% | No |
| 23 | 65.3% | 58.3% | 43.1% | 4.2% | 42.7% | 26.4% | 5.6% | 1.4% | 0.0% | 8.3% | No |
| 24 | 68.1% | 76.4% | 59.7% | 4.2% | 52.1% | 58.3% | 6.9% | 1.4% | 0.0% | 16.7% | No |
| 25 | 68.1% | 100.0% | 79.2% | 4.2% | 62.8% | 65.3% | 6.9% | 2.8% | 0.0% | 18.8% | No |
| 26 | 4.2% | 2.8% | 0.0% | 4.2% | 2.8% | 0.0% | 1.4% | 0.0% | 0.0% | 0.3% | Next, to WT |
| 27 | 0.0% | 0.0% | 0.0% | 4.2% | 1.0% | 0.0% | 0.0% | 0.0% | 0.0% | 0.0% | WT |
| 28 | 5.6% | 4.2% | 0.0% | 2.8% | 3.1% | 4.2% | 2.8% | 1.4% | 0.0% | 2.1% | BESS |
| 29 | 6.9% | 4.2% | 0.0% | 2.8% | 3.5% | 8.3% | 4.2% | 1.4% | 0.0% | 3.5% | Next, to BESS |
| 30 | 5.6% | 4.2% | 0.0% | 2.8% | 3.1% | 6.9% | 2.8% | 0.0% | 0.0% | 2.4% | BESS |
| 31 | 0.0% | 1.4% | 0.0% | 2.8% | 1.0% | 0.0% | 0.0% | 0.0% | 0.0% | 0.0% | WT |
| 32 | 6.9% | 4.2% | 1.4% | 2.8% | 3.8% | 8.3% | 1.4% | 0.0% | 0.0% | 2.4% | BESS |
| 33 | 8.3% | 4.2% | 1.4% | 1.4% | 3.8% | 9.7% | 4.2% | 1.4% | 0.0% | 3.8% | BESS |
| Without DSR | With DSR | DERs Installed | |||||||||||||||
|---|---|---|---|---|---|---|---|---|---|---|---|---|---|---|---|---|---|
| ENS [MWh] | ENS % | ENS [MWh] | ENS % | ||||||||||||||
| Bus | Sc 1 | Sc 2 | Sc 3 | Sc 4 | Sc 1 | Sc 2 | Sc 3 | Sc 4 | Sc 1 | Sc 2 | Sc 3 | Sc 4 | Sc 1 | Sc 2 | Sc 3 | Sc 4 | |
| 1 | 0 | 0 | 0 | 0 | 0% | 0% | 0% | 0% | 0 | 0 | 0 | 0 | 0% | 0% | 0% | 0% | No |
| 2 | 2.3 | 1.4 | 1.1 | 0.1 | 66% | 54% | 36% | 4% | 0.3 | 0.1 | 0 | 0 | 8% | 4% | 1% | 0% | No |
| 3 | 2.1 | 0.2 | 0.1 | 0.1 | 66% | 8% | 5% | 4% | 0.3 | 0.1 | 0 | 0 | 8% | 4% | 1% | 0% | No |
| 4 | 1.8 | 0.2 | 0.1 | 0.1 | 43% | 6% | 3% | 4% | 0.3 | 0.1 | 0 | 0 | 7% | 4% | 1% | 0% | No |
| 5 | 0.3 | 0.1 | 0 | 0.1 | 16% | 4% | 0% | 4% | 0.1 | 0 | 0 | 0 | 3% | 2% | 1% | 0% | Next, to WT |
| 6 | 0.1 | 0 | 0 | 0.1 | 5% | 2% | 0% | 4% | 0 | 0 | 0 | 0 | 0% | 1% | 0% | 0% | WT |
| 7 | 0.5 | 0.2 | 0 | 0.2 | 8% | 5% | 0% | 4% | 0.3 | 0.2 | 0 | 0 | 5% | 3% | 0% | 0% | BESS |
| 8 | 4.6 | 0.3 | 0.1 | 0.2 | 66% | 6% | 2% | 3% | 0.6 | 0.2 | 0 | 0 | 8% | 4% | 0% | 0% | Next, to BESS |
| 9 | 1 | 0.1 | 0 | 0.1 | 49% | 8% | 2% | 3% | 0.2 | 0.1 | 0 | 0 | 8% | 4% | 0% | 0% | Next, to BESS |
| 10 | 0.2 | 0.1 | 0 | 0.1 | 10% | 8% | 2% | 3% | 0.2 | 0.1 | 0 | 0 | 7% | 3% | 0% | 0% | BESS |
| 11 | 0.3 | 0.1 | 0 | 0 | 17% | 9% | 2% | 3% | 0.1 | 0 | 0 | 0 | 6% | 2% | 0% | 0% | PV |
| 12 | 0.3 | 0.2 | 0.1 | 0.1 | 12% | 15% | 5% | 3% | 0.2 | 0.1 | 0 | 0 | 8% | 4% | 0% | 0% | BESS |
| 13 | 0.3 | 0.2 | 0 | 0.1 | 13% | 13% | 2% | 3% | 0.2 | 0 | 0 | 0 | 9% | 1% | 0% | 0% | BESS |
| 14 | 1.5 | 0.2 | 0.2 | 0 | 35% | 7% | 4% | 1% | 0.2 | 0 | 0 | 0 | 6% | 0% | 1% | 0% | PV |
| 15 | 0.3 | 0.2 | 0.1 | 0 | 14% | 14% | 5% | 1% | 0.2 | 0.1 | 0 | 0 | 8% | 4% | 1% | 0% | BESS |
| 16 | 1 | 0.2 | 0.1 | 0.1 | 46% | 15% | 6% | 3% | 0.2 | 0.1 | 0 | 0 | 10% | 7% | 2% | 0% | Next, to PV |
| 17 | 1.2 | 0.1 | 0.1 | 0.1 | 58% | 9% | 5% | 3% | 0.2 | 0.1 | 0 | 0 | 7% | 4% | 2% | 0% | PV |
| 18 | 2.2 | 0.7 | 0.2 | 0.1 | 71% | 29% | 8% | 3% | 1.4 | 0.2 | 0.1 | 0 | 43% | 8% | 2% | 0% | Next, to PV |
| 19 | 2.1 | 1.5 | 1.2 | 0.1 | 67% | 67% | 46% | 4% | 1.2 | 0.1 | 0 | 0 | 38% | 4% | 1% | 0% | No |
| 20 | 2.2 | 2.1 | 1.9 | 0.1 | 68% | 92% | 69% | 4% | 1.4 | 0.1 | 0 | 0 | 45% | 5% | 1% | 0% | No |
| 21 | 2.2 | 2.3 | 2.1 | 0.4 | 69% | 100% | 77% | 15% | 1.5 | 0.9 | 0.1 | 0 | 46% | 38% | 2% | 0% | No |
| 22 | 2.2 | 2.3 | 2.1 | 1.1 | 69% | 100% | 77% | 47% | 1.5 | 1 | 0.1 | 0 | 46% | 45% | 2% | 0% | No |
| 23 | 2.1 | 1.3 | 1.1 | 0.1 | 66% | 59% | 40% | 4% | 0.5 | 0.1 | 0 | 0 | 17% | 4% | 1% | 0% | No |
| 24 | 9.9 | 7.9 | 6.6 | 0.5 | 67% | 75% | 53% | 4% | 6.1 | 0.5 | 0.1 | 0 | 42% | 5% | 1% | 0% | No |
| 25 | 10 | 10.5 | 9.4 | 0.5 | 68% | 99% | 75% | 4% | 6.7 | 0.6 | 0.2 | 0 | 46% | 5% | 2% | 0% | No |
| 26 | 0 | 0 | 0 | 0.1 | 1% | 2% | 0% | 4% | 0 | 0 | 0 | 0 | 0% | 1% | 0% | 0% | Next, to WT |
| 27 | 0 | 0 | 0 | 0.1 | 0% | 0% | 0% | 4% | 0 | 0 | 0 | 0 | 0% | 0% | 0% | 0% | WT |
| 28 | 0.1 | 0.1 | 0 | 0.1 | 4% | 3% | 0% | 3% | 0 | 0 | 0 | 0 | 2% | 2% | 1% | 0% | BESS |
| 29 | 0.3 | 0.1 | 0 | 0.1 | 7% | 4% | 0% | 3% | 0.2 | 0.1 | 0 | 0 | 4% | 3% | 1% | 0% | Next, to BESS |
| 30 | 0.4 | 0.1 | 0 | 0.2 | 5% | 3% | 0% | 3% | 0.3 | 0 | 0 | 0 | 4% | 1% | 0% | 0% | BESS |
| 31 | 0 | 0 | 0 | 0.1 | 0% | 0% | 0% | 3% | 0 | 0 | 0 | 0 | 0% | 0% | 0% | 0% | WT |
| 32 | 0.4 | 0.1 | 0 | 0.1 | 5% | 2% | 0% | 2% | 0.2 | 0.1 | 0 | 0 | 2% | 1% | 0% | 0% | BESS |
| 33 | 0.2 | 0.1 | 0 | 0 | 8% | 4% | 2% | 1% | 0.1 | 0.1 | 0 | 0 | 6% | 3% | 0% | 0% | BESS |
| Scenario 2 without DSR | Scenario 2 with DSR | |||||||||||||||||
|---|---|---|---|---|---|---|---|---|---|---|---|---|---|---|---|---|---|---|
| Bus | 40 | 41 | 42 | 43 | 44 | 45 | 46 | 47 | 48 | 40 | 41 | 42 | 43 | 44 | 45 | 46 | 47 | 48 |
| 1 | 0 | 0 | 0 | 0 | 0 | 0 | 0 | 0 | 0 | 0 | 0 | 0 | 0 | 0 | 0 | 0 | 0 | 0 |
| 2 | 0 | 0 | 0 | 0 | 1 | 1 | 1 | 1 | 1 | 0 | 0 | 0 | 0 | 0 | 0 | 0 | 0 | 0 |
| 3 | 0 | 0 | 0 | 0 | 0 | 0 | 0 | 0 | 0 | 0 | 0 | 0 | 0 | 0 | 0 | 0 | 0 | 0 |
| 4 | 0 | 0 | 0 | 0 | 0 | 0 | 0 | 0 | 0 | 0 | 0 | 0 | 0 | 0 | 0 | 0 | 0 | 0 |
| 5 | 0 | 0 | 0 | 0 | 0 | 0 | 0 | 0 | 0 | 0 | 0 | 0 | 0 | 0 | 0 | 0 | 0 | 0 |
| 6 | 0 | 0 | 0 | 0 | 0 | 0 | 0 | 0 | 0 | 0 | 0 | 0 | 0 | 0 | 0 | 0 | 0 | 0 |
| 7 | 0 | 0 | 0 | 0 | 0 | 0 | 0 | 0 | 0 | 0 | 0 | 0 | 0 | 0 | 0 | 0 | 0 | 0 |
| 8 | 0 | 0 | 0 | 0 | 0 | 0 | 0 | 0 | 0 | 0 | 0 | 0 | 0 | 0 | 0 | 0 | 0 | 0 |
| 9 | 0 | 0 | 0 | 0 | 0 | 0 | 0 | 0 | 0 | 0 | 0 | 0 | 0 | 0 | 0 | 0 | 0 | 0 |
| 10 | 0 | 0 | 0 | 0 | 0 | 0 | 0 | 0 | 0 | 0 | 0 | 0 | 0 | 0 | 0 | 0 | 0 | 0 |
| 11 | 0 | 0 | 0 | 0 | 0 | 0 | 0 | 0 | 0 | 0 | 0 | 0 | 0 | 0 | 0 | 0 | 0 | 0 |
| 12 | 0 | 0 | 0 | 0 | 0 | 0 | 0 | 0 | 0 | 0 | 0 | 0 | 0 | 0 | 0 | 0 | 0 | 0 |
| 13 | 0 | 0 | 0 | 0 | 0 | 0 | 0 | 0 | 0 | 0 | 0 | 0 | 0 | 0 | 0 | 0 | 0 | 0 |
| 14 | 0 | 0 | 0 | 0 | 0 | 0 | 0 | 0 | 0 | 0 | 0 | 0 | 0 | 0 | 0 | 0 | 0 | 0 |
| 15 | 0 | 0 | 0 | 0 | 0 | 0 | 0 | 0 | 0 | 0 | 0 | 0 | 0 | 0 | 0 | 0 | 0 | 0 |
| 16 | 0 | 0 | 0 | 0 | 0 | 0 | 0 | 0 | 0 | 0 | 0 | 0 | 0 | 0 | 0 | 0 | 0 | 0 |
| 17 | 0 | 0 | 0 | 0 | 0 | 0 | 0 | 0 | 0 | 0 | 0 | 0 | 0 | 0 | 0 | 0 | 0 | 0 |
| 18 | 0 | 0 | 1 | 0 | 0 | 0 | 1 | 0 | 0 | 0 | 0 | 0 | 0 | 0 | 0 | 0 | 0 | 0 |
| 19 | 0 | 0 | 0 | 0 | 1 | 1 | 1 | 1 | 1 | 0 | 0 | 0 | 0 | 0 | 0 | 0 | 0 | 0 |
| 20 | 1 | 1 | 1 | 1 | 1 | 1 | 1 | 1 | 1 | 0 | 0 | 0 | 0 | 0 | 0 | 0 | 0 | 0 |
| 21 | 1 | 1 | 1 | 1 | 1 | 1 | 1 | 1 | 1 | 0 | 0 | 0 | 0 | 1 | 1 | 1 | 1 | 1 |
| 22 | 1 | 1 | 1 | 1 | 1 | 1 | 1 | 1 | 1 | 0 | 0 | 0 | 0 | 1 | 1 | 1 | 1 | 1 |
| 23 | 0 | 0 | 0 | 0 | 1 | 1 | 1 | 1 | 1 | 0 | 0 | 0 | 0 | 0 | 0 | 0 | 0 | 0 |
| 24 | 1 | 0 | 1 | 1 | 1 | 1 | 1 | 1 | 1 | 0 | 0 | 0 | 0 | 0 | 0 | 0 | 0 | 0 |
| 25 | 1 | 1 | 1 | 1 | 1 | 1 | 1 | 1 | 1 | 0 | 0 | 0 | 0 | 0 | 0 | 0 | 0 | 0 |
| 26 | 0 | 0 | 0 | 0 | 0 | 0 | 0 | 0 | 0 | 0 | 0 | 0 | 0 | 0 | 0 | 0 | 0 | 0 |
| 27 | 0 | 0 | 0 | 0 | 0 | 0 | 0 | 0 | 0 | 0 | 0 | 0 | 0 | 0 | 0 | 0 | 0 | 0 |
| 28 | 0 | 0 | 0 | 0 | 0 | 0 | 0 | 0 | 0 | 0 | 0 | 0 | 0 | 0 | 0 | 0 | 0 | 0 |
| 29 | 0 | 0 | 0 | 0 | 0 | 0 | 0 | 0 | 0 | 0 | 0 | 0 | 0 | 0 | 0 | 0 | 0 | 0 |
| 30 | 0 | 0 | 0 | 0 | 0 | 0 | 0 | 0 | 0 | 0 | 0 | 0 | 0 | 0 | 0 | 0 | 0 | 0 |
| 31 | 0 | 0 | 0 | 0 | 0 | 0 | 0 | 0 | 0 | 0 | 0 | 0 | 0 | 0 | 0 | 0 | 0 | 0 |
| 32 | 0 | 0 | 0 | 0 | 0 | 0 | 0 | 0 | 0 | 0 | 0 | 0 | 0 | 0 | 0 | 0 | 0 | 0 |
| 33 | 0 | 0 | 0 | 0 | 0 | 0 | 0 | 0 | 0 | 0 | 0 | 0 | 0 | 0 | 0 | 0 | 0 | 0 |
Publisher’s Note: MDPI stays neutral with regard to jurisdictional claims in published maps and institutional affiliations. |
© 2020 by the authors. Licensee MDPI, Basel, Switzerland. This article is an open access article distributed under the terms and conditions of the Creative Commons Attribution (CC BY) license (http://creativecommons.org/licenses/by/4.0/).
Share and Cite
García-Muñoz, F.; Díaz-González, F.; Corchero, C. A Mathematical Model for the Scheduling of Virtual Microgrids Topology into an Active Distribution Network. Appl. Sci. 2020, 10, 7199. https://doi.org/10.3390/app10207199
García-Muñoz F, Díaz-González F, Corchero C. A Mathematical Model for the Scheduling of Virtual Microgrids Topology into an Active Distribution Network. Applied Sciences. 2020; 10(20):7199. https://doi.org/10.3390/app10207199
Chicago/Turabian StyleGarcía-Muñoz, Fernando, Francisco Díaz-González, and Cristina Corchero. 2020. "A Mathematical Model for the Scheduling of Virtual Microgrids Topology into an Active Distribution Network" Applied Sciences 10, no. 20: 7199. https://doi.org/10.3390/app10207199
APA StyleGarcía-Muñoz, F., Díaz-González, F., & Corchero, C. (2020). A Mathematical Model for the Scheduling of Virtual Microgrids Topology into an Active Distribution Network. Applied Sciences, 10(20), 7199. https://doi.org/10.3390/app10207199

