ADC Quantization Effects in Two-Loop Digital Current Controlled DC-DC Power Converters: Analysis and Design Guidelines
Abstract
1. Introduction
2. Two-Loop Quantization Effects
2.1. Outer Loop Condition
2.2. Inner Loop Condition
3. Validation of the Restrictions
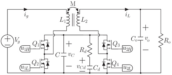
3.1. Multisampled Average Current Control (MACC)
3.2. Digital Proportional-Integral Voltage Control
4. Simulation and Experimental Results
5. Conclusions
Author Contributions
Funding
Conflicts of Interest
Abbreviations
| ADC | Analog to digital converter |
| QIP | Quantization-induced-perturbation |
| MACC | Multrisampled average current control |
| DPWM | Digitally controlled pulse width modulation |
| DSC | Digital signal controller |
| LCO | Limit-cycle oscillations |
| PM | Phase margin |
| PI | Proportional-Integral |
| CF | Crossover frequency |
References
- Hayes, B. Nonlinear Dynamics of DC-DC Converters. Ph.D. Thesis, Dublin City University, Dublin, Ireland, 2016. [Google Scholar]
- Tsai, C.H.; Yang, C.H.; Wu, J.C. A digitally controlled switching regulator with reduced conductive EMI spectra. IEEE Trans. Ind. Electron. 2012, 60, 3938–3947. [Google Scholar] [CrossRef]
- Roy, S.; Murphree, R.C.; Abbasi, A.; Rahman, A.; Ahmed, S.; Gattis, J.A.; Francis, A.M.; Holmes, J.; Mantooth, H.A.; Di, J. A SiC CMOS digitally controlled PWM generator for high-temperature applications. IEEE Trans. Ind. Electron. 2017, 64, 8364–8372. [Google Scholar] [CrossRef]
- Corradini, L.; Mattavelli, P. Modeling of multisampled pulse width modulators for digitally controlled DC–DC converters. IEEE Trans. Power Electron. 2008, 23, 1839–1847. [Google Scholar] [CrossRef]
- Yan, X.; Shu, Z.; Sharkh, S.M.; Wu, Z.G.; Chen, M.Z. Sampled-Data Control With Adjustable Switching Frequency for DC–DC Converters. IEEE Trans. Ind. Electron. 2018, 66, 8060–8071. [Google Scholar] [CrossRef]
- Neacsu, D.O.; Sirbu, A. Design of a LQR-Based Boost Converter Controller for Energy Savings. IEEE Trans. Ind. Electron. 2019, 67, 5379–5388. [Google Scholar] [CrossRef]
- Darcy Gnana Jegha, A.; Subathra, M.; Manoj Kumar, N.; Subramaniam, U.; Padmanaban, S. A High Gain DC-DC Converter with Grey Wolf Optimizer Based MPPT Algorithm for PV Fed BLDC Motor Drive. Appl. Sci. 2020, 10, 2797. [Google Scholar] [CrossRef]
- Zhou, M.; Yang, M.; Wu, X.; Fu, J. Research on Composite Control Strategy of Quasi-Z-Source DC–DC Converter for Fuel Cell Vehicles. Appl. Sci. 2019, 9, 3309. [Google Scholar] [CrossRef]
- Hoyos, F.E.; Candelo-Becerra, J.E.; Hoyos Velasco, C.I. Application of Zero Average Dynamics and Fixed Point Induction Control Techniques to Control the Speed of a DC Motor with a Buck Converter. Appl. Sci. 2020, 10, 1807. [Google Scholar] [CrossRef]
- Peng, H.; Prodic, A.; Alarcón, E.; Maksimovic, D. Modeling of quantization effects in digitally controlled dc–dc converters. IEEE Trans. Power Electron. 2007, 22, 208–215. [Google Scholar] [CrossRef]
- Peterchev, A.V.; Sanders, S.R. Quantization resolution and limit cycling in digitally controlled PWM converters. IEEE Trans. Power Electron. 2003, 18, 301–308. [Google Scholar] [CrossRef]
- Zhao, Z.; Prodic, A. Non-zero error method for improving output voltage regulation of low-resolution digital controllers for SMPS. In Proceedings of the 2008 Twenty-Third Annual IEEE Applied Power Electronics Conference and Exposition, Austin, TX, USA, 24–28 February 2008; pp. 1106–1110. [Google Scholar]
- Syed, A.E.; Patra, A. Saturation generated oscillations in voltage-mode digital control of DC–DC converters. IEEE Trans. Power Electron. 2016, 31, 4549–4564. [Google Scholar] [CrossRef]
- Syed, A.E.; Patra, A. Dynamic ADC-quantization for oscillation-free performance of digitally controlled converters. In Proceedings of the 2017 IEEE International Symposium on Circuits and Systems (ISCAS), Baltimore, MD, USA, 28–31 May 2017; pp. 1–4. [Google Scholar]
- Khodamoradi, A.; Liu, G.; Mattavelli, P.; Messo, T. Simultaneous Identification of Multiple Control Loops in DC Microgrid Power Converters. IEEE Trans. Ind. Electron. 2019, 67, 10641–10651. [Google Scholar] [CrossRef]
- Khatun, K.; Ratnam, V.V.; Rathore, A.K.; Narasimharaju, B.L. Small-Signal Analysis and Control of Soft-Switching Naturally Clamped Snubberless Current-Fed Half-Bridge DC/DC Converter. Appl. Sci. 2020, 10, 6130. [Google Scholar] [CrossRef]
- Honkanen, J.; Hannonen, J.; Korhonen, J.; Nevaranta, N.; Silventoinen, P. Nonlinear PI-Control Approach for Improving the DC-Link Voltage Control Performance of a Power-Factor-Corrected System. IEEE Trans. Ind. Electron. 2018, 66, 5456–5464. [Google Scholar] [CrossRef]
- Min, R.; Tong, Q.; Zhang, Q.; Zou, X.; Yu, K.; Liu, Z. Digital sensorless current mode control based on charge balance principle and dual current error compensation for DC–DC converters in DCM. IEEE Trans. Ind. Electron. 2015, 63, 155–166. [Google Scholar] [CrossRef]
- Veerachary, M. Two-loop controlled buck–SEPIC converter for input source power management. IEEE Trans. Ind. Electron. 2011, 59, 4075–4087. [Google Scholar] [CrossRef]
- Vidal-Idiarte, E.; Carrejo, C.E.; Calvente, J.; Martínez-Salamero, L. Two-loop digital sliding mode control of DC–DC power converters based on predictive interpolation. IEEE Trans. Ind. Electron. 2010, 58, 2491–2501. [Google Scholar] [CrossRef]
- Dutta, S.; Hazra, S.; Bhattacharya, S. A digital predictive current-mode controller for a single-phase high-frequency transformer-isolated dual-active bridge DC-to-DC converter. IEEE Trans. Ind. Electron. 2016, 63, 5943–5952. [Google Scholar] [CrossRef]
- Stefanutti, W.; Monica, E.D.; Tedeschi, E.; Mattavelli, P.; Saggini, S. Reduction of quantization effects in digitally controlled dc-dc converters using inductor current estimation. In Proceedings of the 2006 37th IEEE Power Electronics Specialists Conference, Jeju, Korea, 18–22 June 2006; pp. 1–7. [Google Scholar]
- Chattopadhyay, S. Analysis of limit cycle oscillations in digital current-mode control. In Proceedings of the Twenty-First Annual IEEE Applied Power Electronics Conference and Exposition (APEC’06), Dallas, TX, USA, 19–23 March 2006; p. 7. [Google Scholar]
- Kapat, S. Selectively sampled subharmonic-free digital current mode control using direct duty control. IEEE Trans. Circuits Syst. II Express Briefs 2015, 62, 311–315. [Google Scholar] [CrossRef]
- Sajitha, G.; Kurian, T. Reduction in limit cycle oscillation and conducted electromagnetic emissions by switching frequency adjustment in digitally controlled DC-DC converters. EPE J. 2016, 26, 96–103. [Google Scholar]
- Hu, H.; Yousefzadeh, V.; Maksimovic, D. Nonuniform A/D Quantization for ImprovedDynamic Responses of Digitally ControlledDC–DC Converters. IEEE Trans. Power Electron. 2008, 23, 1998–2005. [Google Scholar]
- Sanchez, A.; de Castro, A.; López, V.M.; Azcondo, F.J.; Garrido, J. Single ADC digital PFC controller using precalculated duty cycles. IEEE Trans. Power Electron. 2013, 29, 996–1005. [Google Scholar] [CrossRef]
- Corradini, L.; Maksimovic, D.; Mattavelli, P.; Zane, R. Digital Control of High-Frequency Switched-Mode Power Converters; John Wiley & Sons: Hoboken, NJ, USA, 2015; Volume 48. [Google Scholar]
- Peng, H.; Maksimovic, D. Digital current-mode controller for DC-DC converters. In Proceedings of the Twentieth Annual IEEE Applied Power Electronics Conference and Exposition, 2015, APEC 2015, Austin, TX, USA, 6–10 March; 2005; Volume 2, pp. 899–905. [Google Scholar]
- Restrepo, C.; Calvente, J.; Cid-Pastor, A.; El Aroudi, A.; Giral, R. A noninverting buck–boost DC–DC switching converter with high efficiency and wide bandwidth. IEEE Trans. Power Electron. 2011, 26, 2490–2503. [Google Scholar] [CrossRef]
- González-Castaño, C.; Vidal-Idiarte, E.; Calvente, J. Design of a bidirectional DC/DC converter with coupled inductor for an electric vehicle application. In Proceedings of the 2017 IEEE 26th International Symposium on Industrial Electronics (ISIE), Edinburgh, UK, 19–21 June 2017; pp. 688–693. [Google Scholar]
- González-Castaño, C.; Restrepo, C.; Giral, R.; García-Amoros, J.; Vidal-Idiarte, E.; Calvente, J. Coupled inductors design of the bidirectional non-inverting buck–boost converter for high-voltage applications. IET Power Electron. 2020. [Google Scholar] [CrossRef]
- Restrepo, C.; Konjedic, T.; Flores-Bahamonde, F.; Vidal-Idiarte, E.; Calvente, J.; Giral, R. Multisampled Digital Average Current Controls of the Versatile Buck-Boost Converter. IEEE J. Emerg. Sel. Top. Power Electron. 2018, 7, 879–890. [Google Scholar] [CrossRef]
- Corradini, L.; Stefanutti, W.; Mattavelli, P. Analysis of multisampled current control for active filters. IEEE Trans. Ind. Appl. 2008, 44, 1785–1794. [Google Scholar] [CrossRef]
- Lin, Y.C.; Chen, D.; Wang, Y.T.; Chang, W.H. A novel loop gain-adjusting application using LSB tuning for digitally controlled DC–DC power converters. IEEE Trans. Ind. Electron. 2011, 59, 904–911. [Google Scholar] [CrossRef]
- Gonzalez-Espin, F.; Figueres, E.; Garcerá, G.; González-Medina, R.; Pascual, M. Measurement of the loop gain frequency response of digitally controlled power converters. IEEE Trans. Ind. Electron. 2009, 57, 2785–2796. [Google Scholar] [CrossRef]








| Converter Parameters | Value |
|---|---|
| Input voltage | 200–400 V |
| Output voltage | 100–400 V |
| Rated power | 1.6 kW |
| Switching frequency | 100 kHz |
| Output capacitor | 28 μF |
| Intermediate capacitor C | 1.32 μF |
| Mutual inductance | 135 μH |
| Self inductances | 270 μH |
| Damping network | 5 μ, 20 μF |
| Load resistor | 200 Ω |
| External Control Parameters for kHz | Value |
| 0.7 | |
| 0.07 | |
| External Control Parameters for kHz | Value |
| 0.35 | |
| 0.035 | |
| Inner Control Parameters | Value |
| 47 | |
| 4.7 |
| Quantization Tests 1 and 2 | Value |
| ADC quantization level | 0.11 V |
| ADC quantization level | 5.86 mA |
| DPWM quantization | 0.002 |
| Quantization Test 3 | Value |
| ADC quantization level | 0.013 V |
| quantization level | 5.86 mA |
| DPWM quantization | 0.002 |
| Quantization Test 4 | Value |
| quantization level | 0.22 V |
| quantization level | 93.75 mA |
| DPWM quantization | 0.002 |
Publisher’s Note: MDPI stays neutral with regard to jurisdictional claims in published maps and institutional affiliations. |
© 2020 by the authors. Licensee MDPI, Basel, Switzerland. This article is an open access article distributed under the terms and conditions of the Creative Commons Attribution (CC BY) license (http://creativecommons.org/licenses/by/4.0/).
Share and Cite
González-Castaño, C.; Restrepo, C.; Giral, R.; Vidal-Idiarte, E.; Calvente, J. ADC Quantization Effects in Two-Loop Digital Current Controlled DC-DC Power Converters: Analysis and Design Guidelines. Appl. Sci. 2020, 10, 7179. https://doi.org/10.3390/app10207179
González-Castaño C, Restrepo C, Giral R, Vidal-Idiarte E, Calvente J. ADC Quantization Effects in Two-Loop Digital Current Controlled DC-DC Power Converters: Analysis and Design Guidelines. Applied Sciences. 2020; 10(20):7179. https://doi.org/10.3390/app10207179
Chicago/Turabian StyleGonzález-Castaño, Catalina, Carlos Restrepo, Roberto Giral, Enric Vidal-Idiarte, and Javier Calvente. 2020. "ADC Quantization Effects in Two-Loop Digital Current Controlled DC-DC Power Converters: Analysis and Design Guidelines" Applied Sciences 10, no. 20: 7179. https://doi.org/10.3390/app10207179
APA StyleGonzález-Castaño, C., Restrepo, C., Giral, R., Vidal-Idiarte, E., & Calvente, J. (2020). ADC Quantization Effects in Two-Loop Digital Current Controlled DC-DC Power Converters: Analysis and Design Guidelines. Applied Sciences, 10(20), 7179. https://doi.org/10.3390/app10207179

