Abstract
This paper investigates a type of linear vibration isolator which incorporates two passive devices, negative stiffness elements and an inerter, into the conventional isolator (massstiffnessdamper). Two configurations of the passive devices are considered, respectively: (1) the direct parallel connection of the inerter and the negative stiffness element; (2) the series connection of the inerter with the viscous damper, which, together, is then connected with the negative stiffness element in parallel. Numerical evaluations are presented for the isolators subject to base harmonic and shock excitation, in terms of the natural frequency, the displacement transmissibility and shock isolation performance. Compared with other corresponding linear isolators, it is found that in the majority of the excitation situations, the presented isolator with the second configuration has a better performance for some isolator parameter values, that is, the inertance-to-mass ratio, the ratio of negative to positive stiffness and the damping coefficient ratio of the two dampers.
1. Introduction
Recently, two categories of passive devices, negative stiffness mechanisms and inerters, have received great attention and have been demonstrated to be novel, effective tools in vibration suppression [1,2]. Both have already used in passive isolators and vibration control strategies for many mechanical and structural systems. The force–displacement relationships of two devices all exhibit an apparent negative slope.
The construction of a parallel connection of negative stiffness elements and positive stiffness elements can implement a relatively low dynamic stiffness but a high static stiffness for an isolator, preventing the system from large static deflection under the static load. This layout offers a so-called quasi-zero stiffness (QZS) isolator and obtains a good performance of low-frequency vibration isolation. Many researches have taken various forms of negative stiffness mechanisms in combination with positive stiffness elements to construct QZS isolators. Existing means of negative stiffness include the oblique spring mechanism [3,4,5], post-buckled beams, plates, shells [6,7], scissor-like structures [8], disc springs as negative stiffness mechanisms [9], the cam–roller–spring mechanism [10,11] and magnetic springs [12,13]. It is worthwhile pointing out that a novel passive linear isolator was proposed in [14], and its isolation and damping properties essentially result from the stiffness elements of the system, including negative stiffness elements. Compared to the traditional tuned mass damper and QZS isolators, this novel isolator can provide comparative advantages.
An inerter is an ideal mechanical two-terminal element, whoseforces applied on the two terminals are proportional to the relative accelerations of the two ends. The constant of proportionality is called inertance and is measured with a kilogram unit [15]. With the introduction of inerters, a spring–damper–inerter mechanical network can be made in complete analogy with an inductor–resistor–capacitor electrical network. Until now, the physical realizations of an inerter have mainly included the rack and pinion mechanism [16], the ball screw mechanism [17,18], electromagnetic devices [19], and hydraulic devices [20,21]. It should be noted that fluid inerters have several advantages over mechanical inerters: for example, they can decrease ratcheting, backlash and friction phenomena and incorporate fluid damping in response to a pressure drop. Additionally, an inerter is usually connected in series with a stiffness and/or a damper in an isolator. These isolators include, for example, tuned inerter dampers [22], and inerter-based resonant vibration absorbers and isolators [2,23,24].
Although the vibration isolation characteristics of QZS-based or inerter-based isolators have been studied extensively and separately, there are few studies addressing the vibration isolation performance of an isolator incorporating a QZS and an inerter simultaneously [25], to the best of the authors’ knowledge. In [25], which was a short conference article, we briefly discussed the displacement transmissibility under harmonic base excitation and the effect of the isolator parameters on the natural frequencies for two linear isolators that are investigated further in this paper. These two linear isolators present two configurations of the parallel connection of quasi-zero stiffness and inerter dampers, which are modelled as a single degree of freedom (SDOF) and a two-degree of freedom system under base excitation, respectively. In this paper, the main contents that are not involved in [25] include the following: (1) The analytic expressions of the invariant point, i.e., a particular frequency, and the anti-resonant frequency arising in the displacement transmissibility curves are derived, and the damping ratio, below which the minimum of the displacement transmissibility occurs, is given for the isolator with the first configuration. Moreover, the displacement transmissibility of the two isolators is evaluated and compared with that of other corresponding linear isolators. (2) The shock isolation performances of both isolators are evaluated using three indices of shock responses under base excitations of half-cycle sine pulses. Meanwhile, their results are also compared with those of other corresponding linear isolators.
It should be noted that the sensitive microscopy instrumentation and precision measuring instruments used for micro-level research require an ultrastable operating environment, one as free as possible of ambient and operational vibrations. These vibrations can be caused by wind, seismic activity, nearby construction and transportation, elevators, pumps, compressors, fans, motors, and air handling equipment appearing both outside and inside a building. Most of their excitation frequencies are in the ultralow-frequency or low-frequency range (about 0.01 Hz–20 Hz). To achieve effective vibration isolation in this situation, the passive vibration-isolated system used for instruments mentioned above necessitates a lower natural frequency than what has been previously available with traditional techniques. Interestingly, the proposed isolators in this paper provide a novel approach for satisfying the demand of the natural frequency.
The rest of this paper is arranged as follows: in Section 2 and Section 3, we firstly discuss the direct parallel connection of the inerter and the negative stiffness element incorporated into the conventional isolator. Secondly, the series connection of the inerter with the viscous damper, which, together, is then connected with the negative stiffness element in parallel is investigated in Section 4. Finally, some conclusions are drawn in Section 5.
2. An Isolator against Harmonic Base Excitation
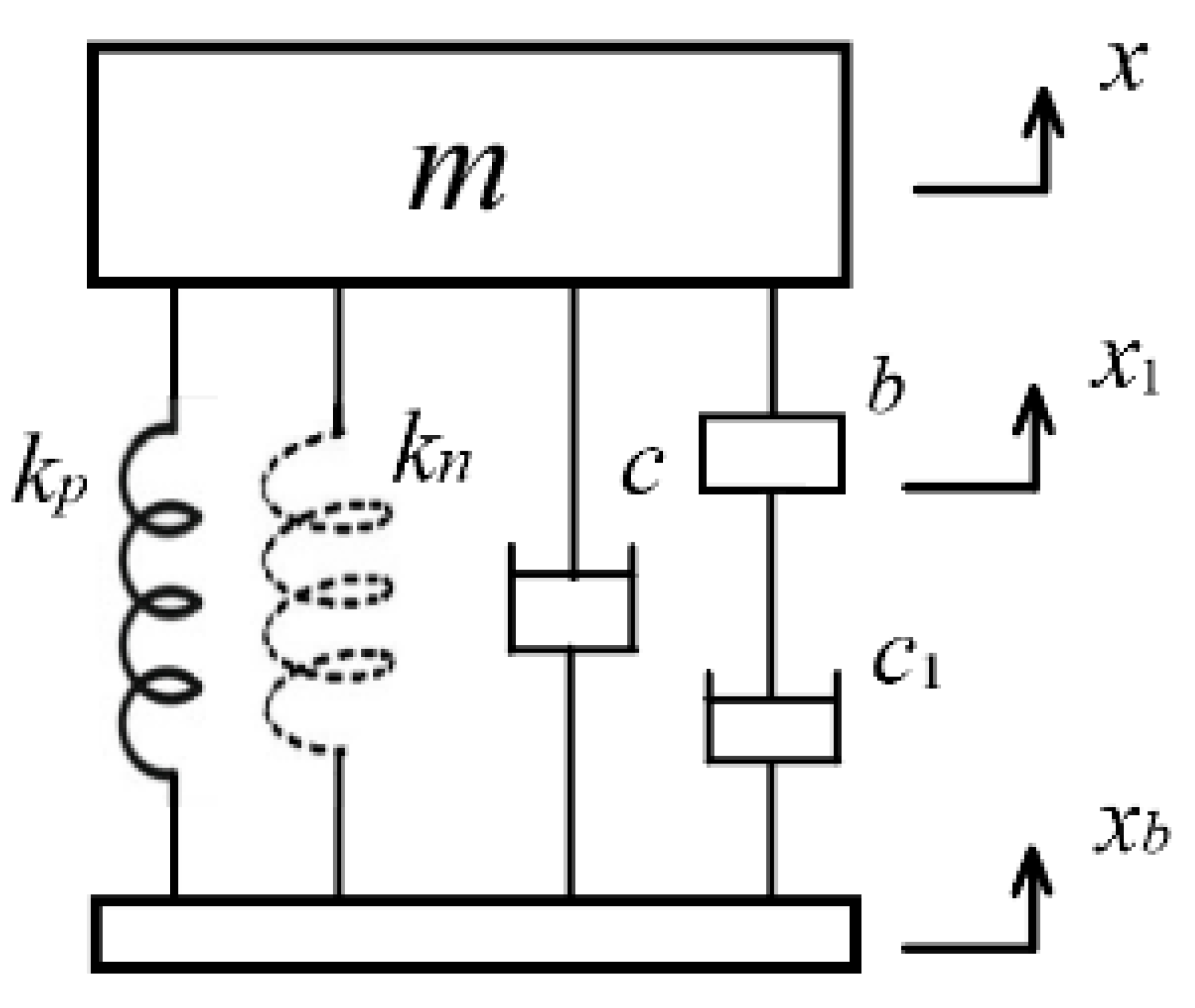
The governing equation of the SDOF isolator with a quasi-zero stiffness, a damper and an inerter in parallel connection, subjected to base excitation, as shown in Figure 1, is expressed as
or
where are the absolute displacements of the sprung mass and base excitation, respectively; are the mass, damping and positive stiffness coefficients of the isolator, respectively; are the inertance and absolute value of the negative stiffness coefficient of the isolator, respectively. For brevity, this isolator is denoted as (). The introduction of non-dimensional parameters is expressed as
where is the amplitude of the base motion . Equation (1) can be written as
where the primes denote derivatives with respect to non-dimensional time τ. Introducing the relative displacement , Equation (2a), can also be written as
Figure 1.
An isolator () (the configuration 1).
The transfer function from the base excitation to the absolute displacement of the sprung mass can be obtained from Equation (2a) as
where s is the complex frequency parameter in the Laplace transform. Let be the harmonic displacement of the base, and , then , and the steady-state response of the sprung mass can be represented by . Consequently, the frequency response can be calculated by replacing s in the transfer function by jΩ, i.e.,
where j is the imaginary unit, and
It should be noted here that the displacement transmissibility of the isolator is identical to , i.e.,. Additionally, Equation (2b) can be rewritten as
where (or ) and are the undamped natural frequency and damping ratio of the isolator, respectively; they have the following expressions as
For the isolator with the quasi-zero stiffness discussed here, one has , and in order to maintain the stability of the isolator in reality. Obviously, from Equation (7a) the isolator () has a much lower natural frequency than that of the corresponding isolator with the introduction of the negative stiffness only, denoted as () or the introduction of the inerter only, denoted as (), which has the natural frequency of or . Therefore, this isolator is more suitable for the isolation of low-frequency or ultra-low frequency vibration. It is clearly shown from Equations (7a) and (7b) that the undamped natural frequency is a decreasing function with respect to and ,and is a decreasing function of and an increasing function of .
Figure 2a–d depict the transmissibility with respect to different and ζ for a given . It is shown that, in each graph, there exists a particular frequency, , also called an invariant point, where the value of is independent of ζ for any given and . This invariant point is for the corresponding linear viscously damped isolator, denoted as (), without the addition of the parallel connected negative stiffness and inerter, and for the isolator () [2]. To find the invariant point in this paper, the transmissibility in Equation (5) can be rewritten as
where , , , and . As is independent of ζ at , one has
that is,
Figure 2.
Transmissibility of the isolator () with respect to different and for a given . (a). ; (b). ; (c). ; (d). .
Then, the nonzero invariant point is
Note that at for all values of ζ. Additionally, for the isolator (), the invariant point is (obtained by letting in Equation (11)). Therefore, to enable the effective isolation of the base excitation, i.e., , one has
In addition, varies with ζ or in the same way as that of the conventional isolator (). For , smaller damping ratios lead to larger values of ; on the other hand, for , smaller values of damping ratio lead to smaller values of , as shown in Figure 2.
Figure 3 gives the curves for several specific values of and with a fixed damping ratio ζ = . It can be seen that, for the under-damped case, (1) the peak value of is a decreasing function of and (see the curves in Figure 3: black solid line ―, black dashed line --, blue dashed line -- with , respectively; and blue solid line ―, blue dashed line -- with , respectively; and refer to Equation(13)); (2) In certain low-frequency regions (e.g., from ), located on the right of the resonance frequency, the isolator () normally has a better isolation performance in terms of values of , compared with the corresponding isolators (), () and (), which are denoted by red solid, green dashed and green solid lines, respectively. When becomes larger, the of isolators () and () will not tend to zero, as also shown in Figure 2, and referred to in Equation(15) below, compared with isolators () and (). These results indicate that the addition of the inerter has an adverse effect on vibration suppression at high frequencies.
Figure 3.
Transmissibility of the corresponding isolators with some specific values of , and the damping ratio = 0.1.
In the case of smaller damping ratios, there is a particular frequency , also called an anti-resonant frequency, where the minimum magnitude of is obtained. This is a peculiar feature presenting among the SDOF isolators. For the undamped case, the anti-resonant frequency can be obtained as . The magnitudes of at the natural frequency , the anti-resonant frequency and infinity can be derived as
Note that for the isolator () with addition of the parallel connected inerter only, the values of at and can be found by replacing with 1 in Equations (13) and (14), and the , when , is the same as Equation (15) [2].
In what follows, the threshold value of the damping ratio ζ or , below which the minimum of occurs, is sought by using the limit value of when (Equation (15)). For any given and , by solving the following equation
one obtains a frequency point at which curve intersects with an asymptote at the level of as follows,
Equation (17) indicates that for being a finite real value, ζ should satisfy
Alternatively, an equivalent expression in term of is presented with Equation (7b) as follows.
Thus, if or for given and , has a minimum at a finite .
Lastly, for the damped case, the positive real natural frequency and anti-resonant frequency for a specific damping ratio ζ can be obtained by setting the derivative of (Equation (5)) to zero. Then, one obtains
Note that . Additionally, for the isolator (), with the addition of the parallel connected inerter only, its corresponding and can be obtained by replacing with 1 in Equations (20) and (21), which are consistent with the results in [2].
3. An Isolator against Impulsive Base Excitation
Consider a half-cycle sine pulse as the base displacement excitation.
where is the maximum amplitude of the half-cycle sine pulse, and is the duration of the base displacement excitation. Introducing where , Equation(22) can be rewritten in terms of the non-dimensional time as follows.
where . Taking the second-order derivative of with respect to non-dimensional time yields . Substituting this expression of into Equation (6), one has
Using the Laplace transform method, the time responses of linear Equation (24) can be determined analytically as in [26]. It is more convenient to assume, for the following closed-form solutions, that the initial displacement and velocity in Equation (24) are both zero. In the under-damped case , the time responses of this isolator to the half-cycle sine pulse are derived from the results in [26] as
Equation (25) can be rewritten in terms of the absolute displacement and dimensional time as follows.
To validate the analytical solutions (Equations (25) and (26)), the numerical results of Equation (24) by the fourth-order Runge–Kutta integration are compared with those obtained using the analytical solution (Equation (25a)) for the isolator, with the pulse and isolator parameters set as , , , , and the derived data , , and . Good agreement between the two sets of results is shown in Figure 4, which confirms the analytical solutions (Equation (25)).
Figure 4.
The analytical solution (Equation (25)) and numerical integration result Equation (24) of the isolator () subject to the half-cycle sine pulse.
Three indices are generally important in evaluating the shock isolation performance of a vibration isolator: the Shock Acceleration Ratio (SAR), the Shock Displacement Ratio (SDR) and the Relative Displacement Ratio (RDR), i.e.,
SAR is the maximum shock acceleration transmissibility. The force exerted on the isolated mass is transferred through the elastic, damping and inerter elements within the isolator. If SAR is large, the transferred is large. SDR is the maximum shock displacement transmissibility, and a large SDR means a poor vibration isolation performance. RDR represents the deformation of an isolator. A large RDR may cause damage to an isolator. These indices for this linear isolator and the related variants are obtained by solving Equation (24) numerically using the ODE45 function of MATLAB software.
Figure 5 shows the SAR of the related linear isolators with the damping ratio for some specific and values. It can be seen that in a small region of severity factor values as indicated by the capital letter A in Figure 5, the isolator () normally has a better isolation performance in terms of the SAR, compared with other corresponding isolators. However, in a region of large severity factor values, the isolator () has the best isolation performance. Figure 6 depicts the effect of on the SAR of the isolator (), which indicates that a large has a beneficial effect for a small -value region and an adverse effect for a large -value region. Figure 7 depicts the effect of on the SAR of the isolator (), which indicates that a large has a beneficial effect for a small -value region but not a significant effect for a large -value region.
Figure 5.
The Shock Acceleration Ratio (SAR) of the corresponding linear isolators with the damping ratio and some specific and values.
Figure 6.
The effect of on SAR of the isolator ().
Figure 7.
The effect of on SAR of the isolator ().
Figure 8 shows the SDR and RDR of the corresponding linear isolators with the damping ratio and some specific and values. It can be seen that the isolator () has the best isolation performance and the isolator () is the worst one in terms of the SDR and RDR, compared with other corresponding isolators. The latter also demonstrates that the isolator with QZS normally leads to the deterioration of displacement isolation [27]. Figure 9 and Figure 10 depict the effect of and on the SDR and RDR of the isolator () with the damping ratio , respectively.
Figure 8.
The Shock Displacement Ratio (SDR) and Relative Displacement Ratio (RDR) of the corresponding isolators with the damping ratio and some specific and values.
Figure 9.
The effect of on SDR and RDR of the isolator ( ) with the damping ratio .
Figure 10.
The effect of on SDR and RDR of the isolator () with the damping ratio .
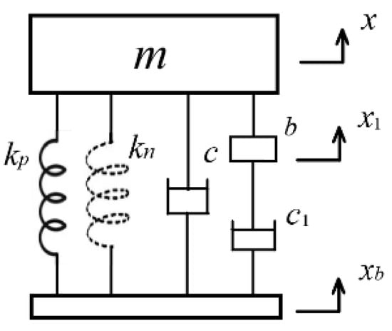
4. An Alternative Configuration of the Isolator ()
Connecting the inerter directly between the mass and the base cannot attenuate the system response at high frequencies, as shown in Figure 2 and Figure 3. To overcome this weakness, other simple inerter-based configurations are adopted in this paper, which uses a damper (or a spring) in series connection with the inerter, as shown in Figure 11. This isolator is denoted as () and has an additional degree of freedom x1, which has an equation of motion as follows.
Figure 11.
An isolator () (configuration 2).
Eliminating x1 from Equations (27) and (28) yields
or
where the non-dimensional parameter , and other non-dimensional parameters are the same as those of Equation (2a). Obviously, this isolator makes a third-order SDOF system. Instead of seeking the analytical solutions of undamped natural frequencies for this new isolator, the characteristic roots or poles of this isolator are numerically calculated as a function of the non-dimensional parameter by utilizing the root-locus method. Figure 12 shows the root-locus plot with respect to different for the given and as . There are three branches of the root locus for each set of different , , one of which is located on the negative real axis while the other two represent a pair of conjugate complex poles. They all lie in the left-half s plane. The starting poles are represented by × and the ending poles by ο, as a convention when is increased from 0 to . The value of and the corresponding undamped natural frequency of this isolator at an arbitrary point on the root locus can thus be obtained. It is also shown from the rootlocus plot that a large dynamic stiffness, i.e., a small value, can lead to a lower damping ratio inthis isolator when the same value is taken, which is beneficial for high frequency vibration isolation; meanwhile, this makes the undamped natural frequency increase, and a small value has the same effect. Additionally, using a similar procedure as that derived from Equation (5), the displacement transmissibility of this isolator is given by [25]
Figure 12.
The root-locus plot of the isolator () with the variation in , some specific and .
It can be seen that when , the tends zero, which is greatly different from the result of the isolator () (Equation (15)).
Figure 13a–d depict the transmissibility of the isolator () with respect to different and ζ for two sets of , values, i.e., and . It can be seen that, compared with results of the isolator (), as shown in Figure 2, the configuration of a damper in series connection with the inerter can effectively overcome the weakness of the isolator () in the suppression of high frequency-excited vibration. Moreover, it is shown from Figure 13a–d that variations in and values have the same effects on the damping ratio and the undamped natural frequency as those shown in Figure 12. Figure 14 depicts the effect of on of the isolator () with , and . Figure 15 shows the transmissibility of the corresponding linear isolators with damping ratio for some specific and values, which indicates that the isolator () can gain a better isolation performance in a very wide excitation frequency range. Additionally, the effect of on of this isolator seems unremarkable.

Figure 13.
Transmissibility of the isolator () for different ζ and , with (a) and (b); for different ζ and , with (c) and (d).
Figure 14.
The effect of on of the isolator () with , and .
Figure 15.
Transmissibility of the corresponding linear isolators with the damping ratio and some specific and values.
Figure 16 shows the SAR of the corresponding linear isolators with the damping ratio and some specific and values under the base displacement excitation of the half-cycle sine pulse. It can be seen that the isolator () can achieve better isolation performance in terms of the SAR than those of other corresponding isolators, when appropriately choosing and values (see the black solid line in Figure 16). Figure 17 presents the effect of on the SAR of two isolators, () and (). Figure 18 and Figure 19 show the SDR and RDR of the corresponding linear isolators with the damping ratio and some specific and values, respectively. It can be seen from the numerical results that keeping a high positive stiffness relative to the negative stiffness, i.e., taking a small value, is beneficial for reductions in the SDR and RDR for the isolator (), and makes its displacement isolation better than that of the corresponding isolator (); however, the isolator () has the best displacement isolation performance in terms of the SDR and RDR for the majority of severity factor values, compared with other corresponding linear isolators. Figure 20 shows the time responses of non-dimensional absolute displacement X under the base displacement excitation of a half-cycle sine pulse (severity factor = ) for some isolators, as shown in Figure 18. It should be specifically noted for two isolators, () and (), shown in Figure 20, that taking a small valueis also beneficial for reductions in the SDR, and the time response of isolator () has the shortest time duration under pulse excitation.
Figure 16.
The SAR of the corresponding isolators with the damping ratio and some specific and values.
Figure 17.
The effect of on SAR of two isolators () and ().
Figure 18.
The SDR of the corresponding isolators with the damping ratio and some specific and values.
Figure 19.
The RDR of the corresponding linear isolators with the damping ratio and some specific and values.
Figure 20.
Time responses of non-dimensional absolute displacement X under the base displacement excitation of a half-cycle sine pulse (severity factor ) for some isolators (shown in Figure 18).
5. Conclusions
The characteristics and performance of two linear isolators based on the parallel connection of an inerter and quasi-zero stiffness are evaluated and compared with those of other corresponding linear isolators. The absolute displacement transmissibility, the Shock Acceleration Ratio (SAR), the Shock Displacement Ratio (SDR) and the Relative Displacement Ratio (RDR) are used as evaluation indices for the harmonic base excitation and the impulse displacement excitation of the half-cycle sine, respectively.
The isolators () and () can achieve a very good isolation performance at ultra-low natural frequencies. They can provide comparative advantages in a very low frequency range over other corresponding linear isolators and enlarge the frequency band for effective vibration isolation. It is also found that, only in a certain low-frequency region to the right of the resonance frequency, the isolator () provides slightly better vibration isolation than that of the isolator () with approximately the same resonance frequency; in other frequency ranges, especially in the high-frequency ranges, the isolator () has the best performance in terms of displacement transmissibility . In evaluating shock isolation performance under the impulse displacement excitation of the half-cycle sine, the isolator () can achieve better SAR, SDR and RDR indices in a very wide -value region of the severity factor except for a small -value region, compared with the isolator (). However, the isolator () has the best SDR and RDR indices in a very wide -value region, compared with other corresponding linear isolators discussed in this paper.
Author Contributions
Conceptualization, J.Z. and H.O.; Data curation, N.Y. and J.Y.; Formal analysis, N.Y., H.O., J.Z. and J.Y.; Investigation, Q.Y. and X.Z.; Methodology, N.Y. and J.Z.; Software, Q.Y. and X.Z.; Supervision, J.Z.; Validation, Q.Y. and X.Z.; Writing—original draft, N.Y.; Writing—review & editing, H.O. and J.Z. All authors have read and agreed to the published version of the manuscript.
Funding
This research received no external funding.
Conflicts of Interest
The authors declare no conflict of interest.
References
- Li, H.; Li, Y.; Li, J. Negative stiffness devices for vibration isolation applications: A review. Adv. Struct. Eng. 2020, 23, 1739–1755. [Google Scholar] [CrossRef]
- Chen, M.Z.Q.; Hu, Y. Inerter and Its Application in Vibration Control Systems; Springer Nature Singapore Pte Ltd. and Science Press: Beijing, China, 2019. [Google Scholar]
- Carrella, A.; Brennan, M.J.; Waters, T.; Lopes, V. Force and displacement transmissibility of a nonlinear isolator with high-static-low-dynamic-stiffness. Int. J. Mech. Sci. 2012, 55, 22–29. [Google Scholar] [CrossRef]
- Zhou, P.; Liu, M.; Xiao, H.; Li, H. Feasibility of Using a Negative Stiffness Damper to Two Interconnected Stay Cables for Damping Enhancement. Int. J. Struct. Stab. Dyn. 2019, 19, 1950058. [Google Scholar] [CrossRef]
- Xu, D.; Zhang, Y.; Zhou, J.; Lou, J. On the analytical and experimental assessment of the performance of a quasi-zero-stiffness isolator. J. Vib. Control 2013, 20, 2314–2325. [Google Scholar] [CrossRef]
- Liu, X.; Huang, X.-C.; Hua, H. On the characteristics of a quasi-zero stiffness isolator using Euler buckled beam as negative stiffness corrector. J. Sound Vib. 2013, 332, 3359–3376. [Google Scholar] [CrossRef]
- Fulcher, B.A.; Shahan, D.; Haberman, M.R.; Seepersad, C.C.; Wilson, P.S. Analytical and Experimental Investigation of Buckled Beams as Negative Stiffness Elements for Passive Vibration and Shock Isolation Systems. J. Vib. Acoust. 2014, 136, 031009. [Google Scholar] [CrossRef]
- Araki, Y.; Asai, T.; Kimura, K.; Maezawa, K.; Masui, T. Nonlinear vibration isolator with adjustable restoring force. J. Sound Vib. 2013, 332, 6063–6077. [Google Scholar] [CrossRef]
- Valeev, A.R.; Zotov, A.N.; Kharisov, S. Designing of Compact Low Frequency Vibration Isolator with Quasi-Zero-Stiffness. J. Low Freq. Noise, Vib. Act. Control 2015, 34, 459–473. [Google Scholar] [CrossRef]
- Zhou, J.; Wang, X.; Xu, D.; Bishop, S. Nonlinear dynamic characteristics of a quasi-zero stiffness vibration isolator with cam–roller–spring mechanisms. J. Sound Vib. 2015, 346, 53–69. [Google Scholar] [CrossRef]
- Zhou, J.X.; Xiao, Q.Y.; Xu, D.L.; Ouyang, H.; Li, Y.L. A novel QZS strut and its applications in six-degree-of-freedom vibration isolation platform. J. Sound Vib. 2017, 394, 59–74. [Google Scholar] [CrossRef]
- Carrella, A.; Brennan, M.; Waters, T.; Shin, K. On the design of a high-static–low-dynamic stiffness isolator using linear mechanical springs and magnets. J. Sound Vib. 2008, 315, 712–720. [Google Scholar] [CrossRef]
- Zhou, N.; Liu, K. A tunable high-static–low-dynamic stiffness vibration isolator. J. Sound Vib. 2010, 329, 1254–1273. [Google Scholar] [CrossRef]
- Antoniadis, I.; Chronopoulos, D.; Spitas, V.; Koulocheris, D. Hyper-damping properties of a stiff and stable linear oscillator with a negative stiffness element. J. Sound Vib. 2015, 346, 37–52. [Google Scholar] [CrossRef]
- Smith, M. Synthesis of mechanical networks: The inerter. IEEE Trans. Autom. Control 2002, 47, 1648–1662. [Google Scholar] [CrossRef]
- Papageorgiou, C.; Houghton, N.E.; Smith, M.C. Experimental Testing and Analysis of Inerter Devices. J. Dyn. Syst. Meas. Control 2008, 131, 011001. [Google Scholar] [CrossRef]
- Chen, M.Z.; Papageorgiou, C.; Scheibe, F.; Wang, F.-C.; Smith, M.C. The missing mechanical circuit element. IEEE Circuits Syst. Mag. 2009, 9, 10–26. [Google Scholar] [CrossRef]
- Ikago, K.; Saito, K.; Inoue, N. Seismic control of single-degree-of-freedom structure using tuned viscous mass damper. Earthq. Eng. Struct. Dyn. 2012, 41, 453–474. [Google Scholar] [CrossRef]
- Gonzalez-Buelga, A.; Clare, L.R.; Neild, S.A.; Jiang, J.Z.; Inman, D.J. An electromagnetic inerter-based vibration suppression device. Smart Mater. Struct. 2015, 24, 055015. [Google Scholar] [CrossRef]
- Swift, S.J.; Smith, M.C.; Glover, A.R.; Papageorgiou, C.; Gärtner, B.; Houghton, N.E. Design and modelling of a fluid inerter. Int. J. Control 2013, 86, 20352051. [Google Scholar] [CrossRef]
- De Domenico, D.; Deastra, P.; Ricciardi, G.; Sims, N.D.; Wagg, D. Novel fluid inerter based tuned mass dampers for optimised structural control of base-isolated buildings. J. Frankl. Inst. 2019, 356, 7626–7649. [Google Scholar] [CrossRef]
- Lazar, I.F.; Neild, S.A.; Wagg, D. Using an inerter-based device for structural vibration suppression. Earthq. Eng. Struct. Dyn. 2013, 43, 1129–1147. [Google Scholar] [CrossRef]
- Krenk, S.; Høgsberg, J. Tuned resonant mass or inerter-based absorbers: Unified calibration with quasi-dynamic flexibility and inertia correction. Proc. R. Soc. A 2016, 472, 2015071. [Google Scholar] [CrossRef]
- Di Matteo, A.; Masnata, C.; Pirrotta, A. Simplified analytical solution for the optimal design of Tuned Mass Damper Inerter for base isolated structures. Mech. Syst. Signal Process. 2019, 134, 106337. [Google Scholar] [CrossRef]
- Zhang, J.; Wang, X.; Ouyang, H.; Zheng, X.; Ye, J. Vibration analyses of linear isolators incorporating a quasi-zero stiffness and an inerter simultaneously. Vibroengineering Procedia 2020, 32, 69–74. [Google Scholar] [CrossRef]
- Lalanne, C. Mechanical Vibration and Shock Analysis–Vol. 2: Mechanical Shock, 2nd ed.; ISTE Ltd.: Washington, DC, USA, 2009. [Google Scholar]
- Huang, X.-C.; Chen, Y.; Hua, H.; Liu, X.; Zhang, Z. Shock isolation performance of a nonlinear isolator using Euler buckled beam as negative stiffness corrector: Theoretical and experimental study. J. Sound Vib. 2015, 345, 178–196. [Google Scholar] [CrossRef]
© 2020 by the authors. Licensee MDPI, Basel, Switzerland. This article is an open access article distributed under the terms and conditions of the Creative Commons Attribution (CC BY) license (http://creativecommons.org/licenses/by/4.0/).