Autonomous Locomotion and Embedded Trajectory Control in Miniature Robots Using Piezoelectric-Actuated 3D-Printed Resonators
Abstract
1. Introduction
2. Materials and Methods
- The 3D-piezo Actuator block represents the use of miniature motors for generating the robot’s movements, built from 3D-printed plates with a defined geometry and incorporating PZT patches.
- The Structure Design block represents the structural and 3D-printed plates design of the miniature robot; this structure enables the integration of the control and power elements with the PZT actuators.
- The Electronic Components block represents the integration of the control and power circuits for the trajectory control of the robot.
- The Trajectory Control block represents the design of the algorithm implemented in the microcontroller for movement generation and control.
2.1. 3D-Piezo Actuator
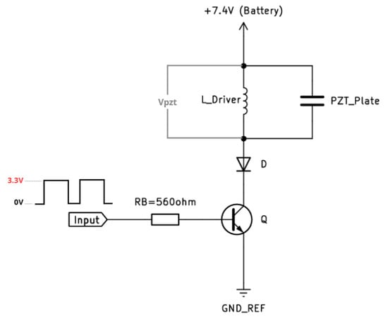
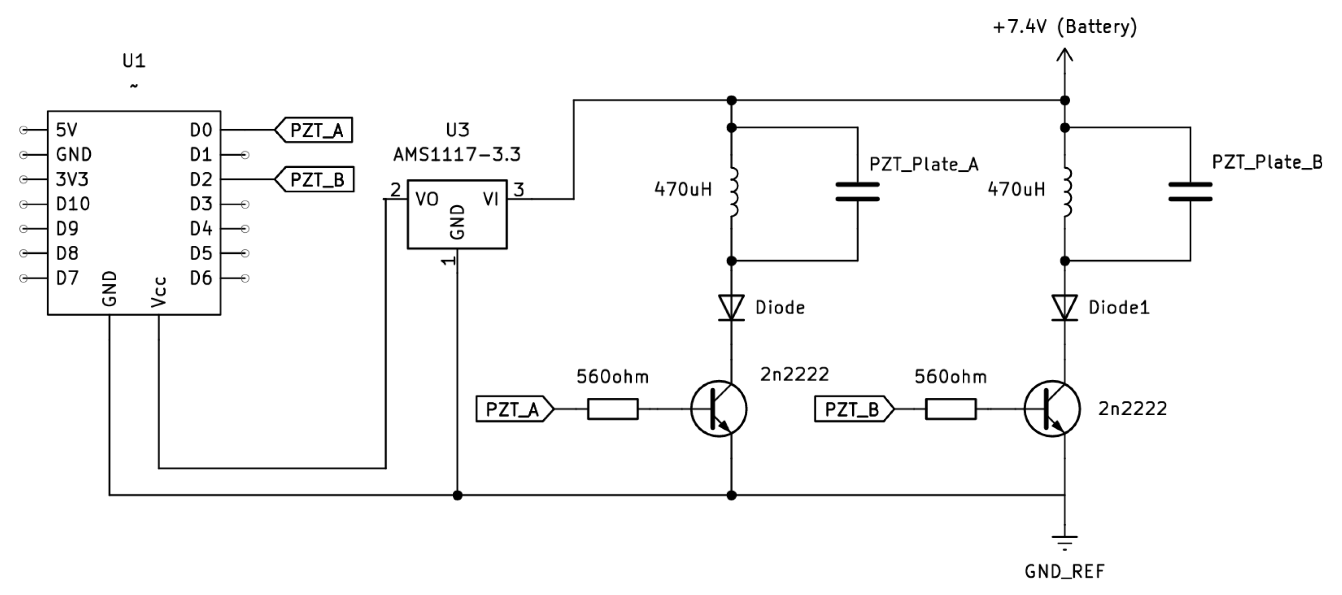
2.2. Electronic Components
2.2.1. Microcontroller
2.2.2. Power Circuit
- If is selected for (60) mode, then and .
- If is selected for (50) mode, then and .
2.3. Energy Consumption in the Batteries
- t: Battery duration.
- C: Battery capacity.
- : Battery efficiency.
- : Average current considering the consumption of the microcontroller with the IMU sensor, Bluetooth module, and status LEDs turned on, along with the power circuit operating at 60 kHz.
2.4. Design of the Miniature Robot Structure
- Lower stage (1): Designed to house the batteries.
- Intermediate stage (2): Designed to place and support the microcontroller.
- Upper stage (3): Allows the placement of the oscillator circuit.
- Support pillars (4): Connect plates A and B with the robot structure for motion generation.
2.5. Trajectory Control
2.5.1. IMU Sensor
2.5.2. Kalman Filter
2.5.3. Gyroscope Calibration and Angle Estimation
- N: total number of acquired samples.
- : gyroscope signal acquired from instant to N.
2.5.4. PD Control
- : Proportional gain.
- : Derivative gain.
- : Error between the reference and the gyroscope measurement at the current instant.
- : Error between the reference and the gyroscope measurement at the previous instant.
- : Sampling period.
3. Results
- 1.
- Conductance test of plates A and B, aimed at validating the electrical response of the piezoelectric resonators when excited in (50) and (60) modes.
- 2.
- Linear displacement velocity test, performed to determine the average forward speed of locomotion.
- 3.
- Angular velocity test, designed to evaluate clockwise and counterclockwise rotational movements.
- 4.
- Trajectory error tests, carried out under two conditions:
- (a)
- without trajectory control, and
- (b)
- with proportional–derivative (PD) control for path correction.
3.1. Conductance Test of Plates A and B
3.2. Linear Displacement and Angular Velocity Test
3.3. Trajectory Error Tests
3.4. Comparison with Related Works
4. Discussion
5. Conclusions
Supplementary Materials
Author Contributions
Funding
Institutional Review Board Statement
Informed Consent Statement
Data Availability Statement
Conflicts of Interest
References
- Siciliano, B.; Khatib, O. (Eds.) Springer Handbook of Robotics, 2nd ed.; Springer: Cham, Switzerland, 2016. [Google Scholar] [CrossRef]
- Pfeifer, R.; Lungarella, M.; Iida, F. The Challenges Ahead for Bio-Inspired ’Soft’ Robotics. Commun. ACM 2012, 55, 76–87. [Google Scholar] [CrossRef]
- Hammond, M.; Cichella, V.; Lamuta, C. Bioinspired Soft Robotics: State of the Art, Challenges, and Opportunities. Curr. Robot. Rep. 2023, 4, 65–80. [Google Scholar] [CrossRef]
- Zhang, Y.; Li, J.; Chen, X.; Wang, H. Bioinspired Sensors and Applications in Intelligent Robots: A Review. Robot. Artif. Intell. 2023, 10, 88–104. [Google Scholar] [CrossRef]
- Bandari, V.K.; Eom, S.H.; Park, H.; Lee, S.W.; Jeong, U. System-Engineered Miniaturized Robots: From Structure to Intelligence. Adv. Intell. Syst. 2021, 3, 2000284. [Google Scholar] [CrossRef]
- Li, Z.; Li, C.; Dong, L.; Zhao, J. A Review of Microrobot’s System: Towards System Integration for Autonomous Actuation In Vivo. Micromachines 2021, 12, 1249. [Google Scholar] [CrossRef]
- Ramírez-Palma, M.R.; Robles-Cuenca, D.; Ruiz-Díez, V.; Hernando-García, J.; Sánchez-Rojas, J.L. Vibration Propulsion in Untethered Insect-Scale Robots. Robotics 2024, 13, 135. [Google Scholar] [CrossRef]
- Zou, W.; Ma, E.; Chen, H.; Lin, F.; Xiao, Z.; Zhang, Z.; Jiang, J.; Niu, Y.; Yu, P.; Wang, C. Locomotion for Insect-Scale Robots with Bionic Strategies: A Review. J. Field Robot. 2025, 42, 1586–1616. [Google Scholar] [CrossRef]
- Kim, H.J.; Kim, S.M.; Kim, H.T.; Yi, B.J. An Omnidirectional Mobile Millimeters Size Micro-Robot. Int. J. Adv. Robot. Syst. 2008, 5, 41–46. [Google Scholar] [CrossRef]
- Mittal, V.; Singh, R. A Review of Bio-Inspired Actuators and Their Potential for Autonomous Systems. Actuators 2025, 14, 303. [Google Scholar] [CrossRef]
- Zhu, B.; Li, C.; Wu, Z.; Li, Y. A double-beam piezoelectric robot based on the principle of two-mode excitation. Sens. Actuators A Phys. 2024, 369, 115154. [Google Scholar] [CrossRef]
- Cheng, J.; Xue, N.; Qiu, B.; Qin, B.; Zhao, Q.; Fang, G.; Yao, Z.; Zhou, W.; Sun, X. Recent Design and Application Advances in Micro-Electro-Mechanical System (MEMS) Electromagnetic Actuators. Micromachines 2025, 16, 670. [Google Scholar] [CrossRef] [PubMed]
- Wang, Y.; Zhang, L.; Zhao, H.; Li, Y.; Zhao, X. A spatial 3-DOF piezoelectric robot and its speed-up trajectory based on improved stick-slip principle. Mech. Syst. Signal Process. 2021, 150, 107247. [Google Scholar] [CrossRef]
- Ruiz-Díez, V.; Hernando-García, J.; Toledo, J.; Ababneh, A.; Seidel, H.; Sánchez-Rojas, J.L. Comparative Study of Traveling and Standing Wave-Based Locomotion of Legged Bidirectional Miniature Piezoelectric Robots. Actuators 2021, 10, 136. [Google Scholar] [CrossRef]
- He, S.; Chen, W.; Tao, X.; Chen, Z. Standing Wave Bi-directional Linearly Moving Ultrasonic Motor. IEEE Trans. Ultrason. Ferroelectr. Freq. Control 1998, 45, 1133–1139. [Google Scholar] [CrossRef]
- Pelin, G.; Sonmez, M.; Pelin, C.E. The Use of Additive Manufacturing Techniques in the Development of Polymeric Molds: A Review. Polymers 2024, 16, 1055. [Google Scholar] [CrossRef] [PubMed]
- Zhou, L.; Liu, Y.; Chen, Y.; Li, S.; Fu, J. Additive Manufacturing: A Comprehensive Review. Sensors 2024, 24, 2668. [Google Scholar] [CrossRef] [PubMed]
- Formlabs. 3D Printing Materials Library. Sitio Web. 2025. Recuperado de. Available online: https://formlabs.com/materials/ (accessed on 1 November 2025).
- Ruiz-Díez, V.; García-Caraballo, J.L.; Hernando-García, J.; Sánchez-Rojas, J.L. 3D-Printed Miniature Robots with Piezoelectric Actuation for Locomotion and Steering Maneuverability Applications. Actuators 2021, 10, 335. [Google Scholar] [CrossRef]
- Wang, W.; Li, J.; Zhang, S.; Deng, J.; Chen, W.; Liu, Y. A Snail-Inspired Traveling-Wave-Driven Miniature Piezoelectric Robot. Cell Rep. Phys. Sci. 2024, 5, 102201. [Google Scholar] [CrossRef]
- Wu, Y.; Cao, L.; Lu, G.; Wang, P.; Ran, L.; Peng, B. Untethered Soft Microrobot Driven by a Single Actuator for Agile Navigations. Nat. Commun. 2025, 16, 61810. [Google Scholar] [CrossRef]
- Rubenstein, M.; Ahler, C.; Nagpal, R. Kilobot: A Low Cost Scalable Robot System for Collective Behaviors. In Proceedings of the 2012 IEEE International Conference on Robotics and Automation (ICRA), Saint Paul, MN, USA, 14–18 May 2012; pp. 3293–3298. [Google Scholar] [CrossRef]
- Zhu, R.; Zhang, Y.; Wang, H. Miniature Mobile Robot Using Only One Tilted Vibration Motor. Micromachines 2022, 13, 1184. [Google Scholar] [CrossRef]
- Goldberg, B.; Zufferey, R.; Doshi, N.; Helbling, E.F.; Whittredge, G.; Kovac, M.; Wood, R.J. Power and Control Autonomy for High-Speed Locomotion with an Insect-Scale Legged Robot. IEEE Robot. Autom. Lett. 2018, 3, 987–993. [Google Scholar] [CrossRef]
- Fuller, S.B.; Helbling, E.F.; Chirarattananon, P.; Wood, R.J. Using a MEMS gyroscope to stabilize the attitude of a fly-sized hovering robot. In Proceedings of the International Micro Air Vehicle Conference and Competition (IMAV), Delft, The Netherlands, 12–15 August 2014. [Google Scholar] [CrossRef]
- Ceramic, P. PI Ceramic Material Data. Datasheet. 2025. Available online: https://www.piceramic.com/fileadmin/user_upload/physik_instrumente/files/datasheets/PI_Ceramic_Material_Data.pdf (accessed on 20 November 2025).
- PI Ceramic. Piezo Actuator Materials Tutorial; Technical Tutorial on Piezoelectric Actuator Materials; Physik Instrumente (PI) GmbH & Co. KG: Lederhose, Germany, 2004. [Google Scholar]
- Formlabs Inc. Rigid 10K Resin—Technical Data Sheet (TDS). Rev. 03. 2022. Available online: https://formlabs-media.formlabs.com/datasheets/2001479-TDS-ENUS-0.pdf (accessed on 7 October 2020).
- Seeed Studio. Seeed Studio XIAO nRF52840 Sense Product Specification v1.5; Seeed Studio: Shenzhen, China, 2024. Available online: https://files.seeedstudio.com/wiki/XIAO-BLE/nRF52840_PS_v1.5.pdf (accessed on 10 October 2025).
- Rovai, M.J. XIAO: Big Power, Small Board; GitHub eBook. 2023. Available online: https://mjrovai.github.io/XIAO_Big_Power_Small_Board-ebook/ (accessed on 10 October 2025).
- Robles-Cuenca, D.; Ramírez-Palma, M.R.; Ruiz-Díez, V.; Hernando-García, J.; Sánchez-Rojas, J.L. Miniature Autonomous Robot Based on Legged In-Plane Piezoelectric Resonators with Onboard Power and Control. Micromachines 2022, 13, 1815. [Google Scholar] [CrossRef]
- EDN. Increase Piezoelectric Transducer Acoustic Output with a Simple Circuit. 2022. Available online: https://www.edn.com/increase-piezoelectric-transducer-acoustic-output-with-a-simple-circuit/ (accessed on 22 July 2022).
- Ramos, R.C.; Devers, C.J. The iPad as a virtual oscilloscope for measuring time constants in RC and LR circuits. Phys. Educ. 2020, 55, 023003. [Google Scholar] [CrossRef]
- LiPoly Batteries. 30mAh LiPo Battery 3.7V—Model LP401010. Datasheet. Available online: https://lipolybatteries.com/product/30mah-lipo-battery-lp401010-4mm-thickness-3-7-v-battery (accessed on 25 November 2025).
- Gharghan, S.K.; Nordin, R.; Ismail, M. An Ultra-Low Power Wireless Sensor Network for Bicycle Torque Performance Measurements. Sensors 2015, 15, 11741–11768. [Google Scholar] [CrossRef]
- Formlabs. Clear Resin—Safety Data Sheet (SDS). 2022. Available online: https://formlabs-media.formlabs.com/datasheets/1801037-SDS-ENUS-0.pdf (accessed on 11 November 2025).
- STMicroelectronics. LSM6DS3TR-C: iNEMO inertial module: Always-on 3D accelerometer and 3D gyroscope, 2017. Datasheet, DocID030071 Rev 3. Available online: https://www.st.com/resource/en/datasheet/lsm6ds3tr-c.pdf (accessed on 11 November 2025).
- Zapata, B.; Heredia, J.; Proaño, J. Design and Evaluation of the PID, SMC and MPC Controllers by State Estimation by Kalman Filter in the TRMS System. In Proceedings of the Innovation and Research—A Driving Force for Socio-Econo-Technological Development; Botto-Tobar, M., Vizuete, M.Z., Cadena, A.D., Eds.; Advances in Intelligent Systems and Computing; Springer: Cham, Switzerland, 2021; Volume 1277, pp. 531–544. [Google Scholar] [CrossRef]
- Zhou, Q.; Yu, G.; Li, H.; Zhang, N. A Novel MEMS Gyroscope In-Self Calibration Approach. Sensors 2020, 20, 5430. [Google Scholar] [CrossRef]
- Liu, Z.; Zhan, W.; Liu, X.; Zhu, Y.; Qi, M.; Leng, J.; Wei, L.; Han, S.; Wu, X.; Yan, X. A Wireless Controlled Robotic Insect with Ultrafast Untethered Running Speeds. Nat. Commun. 2024, 15, 3815. [Google Scholar] [CrossRef]
- Ji, X.; Liu, X.; Cacucciolo, V.; Imboden, M.; Civet, Y.; El Haitami, A.; Cantin, S.; Perriard, Y.; Shea, H. An autonomous untethered fast soft robotic insect driven by low-voltage dielectric elastomer actuators. Sci. Robot. 2019, 4, eaaz6451. [Google Scholar] [CrossRef] [PubMed]
- Liu, Y.; Chen, Y.; Feng, B.; Wang, D.; Liu, T.; Zhou, H.; Li, H.; Qu, S.; Yang, W. S2worm: A Fast-Moving Untethered Insect-Scale Robot with 2-DoF Transmission Mechanism. IEEE Robot. Autom. Lett. 2022, 7, 6758–6765. [Google Scholar] [CrossRef]
- Liang, J.; Wu, Y.; Yim, J.K.; Chen, H.; Miao, Z.; Liu, H.; Liu, Y.; Liu, Y.; Wang, D.; Qiu, W.; et al. Electrostatic footpads enable agile insect-scale soft robots with trajectory control. Sci. Robot. 2021, 6, eabe7906. [Google Scholar] [CrossRef]






















| Parameter | Unit | PIC 255 |
|---|---|---|
| Density | g/cm3 | 7.8 |
| Mechanical Quality Factor () | – | 80 |
| Piezoelectric Deformation () | pm/V | −180 |
| Piezoelectric Deformation () | pm/V | 390 |
| Piezoelectric Deformation () | pm/V | 500 |
| Piezoelectric Voltage Coefficient () | 10−3 Vm/N | −11.5 |
| Piezoelectric Voltage Coefficient () | 10−3 Vm/N | 28 |
| Elastic Compliance Coefficient () | 10−12 m2/N | 15.3 |
| Elastic Compliance Coefficient () | 10−12 m2/N | 5.5 |
| Elastic Stiffness Coefficient () | 1010 N/m2 | 20.7 |
| Elastic Stiffness Coefficient () | 1010 N/m2 | 7.4 |
| Inductor (μH) | (V) | (A) | ||
|---|---|---|---|---|
| 1000 | 1.249 | 1.977 | 55.2 | 0.01 |
| 680 | 1.514 | 2.398 | 78.0 | 0.02 |
| 470 | 1.821 | 2.884 | 81.2 | 0.03 |
| 330 | 2.174 | 3.442 | 70.4 | 0.07 |
| 220 | 2.662 | 4.215 | 76.4 | 0.10 |
| Feature | Li-Po 401010 Battery |
|---|---|
| Dimensions | 4 × 10 × 10 mm |
| Weight | ~0.6 g |
| Typical Capacity | 30 mAh |
| Nominal Voltage | 3.7 V |
| Operating Temperature | −20 °C to +60 °C |
| Life Cycle | 300–500 charge cycles |
| Element | Quantity | Mass | Dimension |
|---|---|---|---|
| Microcontroller | 1 | 3.5 g | 21 × 17.5 × 5 mm |
| Piezoelectric driver PCB | 1 | 2 g | 22.2 × 18 × 10 mm |
| Batteries | 2 | 1.5 g | 4 × 10 × 10 mm |
| 3D-piezo Actuators | 2 | 0.2 g | 3 × 20 × 0.8 mm |
| Total | 6 | 7.2 g | – |
| Variable | Value |
|---|---|
| 0 | |
| 1 | |
| Q | 0.01 |
| R | 100 |
| Plate | (50) Mode | (60) Mode | ||
|---|---|---|---|---|
| Frequency [kHz] | Conductance Peak [μS] | Frequency [kHz] | Conductance Peak [μS] | |
| A | 62.37 | 43.4 | 91.16 | 67.8 |
| B | 60.67 | 40.2 | 92.01 | 115.7 |
| MAE | RMSE | Max |
|---|---|---|
| 9.79° | 13.01° | 34° |
| MAE | RMSE | Maxe |
|---|---|---|
| 0.83° | 1.73° | 8° |
| Microrobot Description | Size (mm) | Total Mass (g) | Speed (mm/s) | Power Consumption (mW) | Autonomy (min) | Trajectory Control |
|---|---|---|---|---|---|---|
| This work | 26 | 9 | 8.87 | 444 | 24 (e) | Yes |
| Bimorphs and 3D-Printed Legs [7] | 17 | 7.42 | 70 | 50.5 | 406 (e) | No |
| BHMot [40] | 20 | 1.76 | 350 | 1770 | 3 (m) | No |
| HARM-F [24] | 45 | 2.8 | 172 | 600 | 4.5 (m) | No |
| DEAnsect [41] | 40 | 1 | 12 | 188 | 14 (e) | No |
| S2worm [42] | 41 | 4.34 | 30 | 610.5 | 13 (e) | No |
| PVDF robot [43] | 24 | 1.9 | 28.8 | 397 | 19 (e) | No |
Disclaimer/Publisher’s Note: The statements, opinions and data contained in all publications are solely those of the individual author(s) and contributor(s) and not of MDPI and/or the editor(s). MDPI and/or the editor(s) disclaim responsibility for any injury to people or property resulting from any ideas, methods, instructions or products referred to in the content. |
© 2026 by the authors. Licensee MDPI, Basel, Switzerland. This article is an open access article distributed under the terms and conditions of the Creative Commons Attribution (CC BY) license.
Share and Cite
Zapata Chancusig, B.R.; Heredia Velastegui, J.R.; Ruiz-Díez, V.; Sánchez-Rojas, J.L. Autonomous Locomotion and Embedded Trajectory Control in Miniature Robots Using Piezoelectric-Actuated 3D-Printed Resonators. Actuators 2026, 15, 23. https://doi.org/10.3390/act15010023
Zapata Chancusig BR, Heredia Velastegui JR, Ruiz-Díez V, Sánchez-Rojas JL. Autonomous Locomotion and Embedded Trajectory Control in Miniature Robots Using Piezoelectric-Actuated 3D-Printed Resonators. Actuators. 2026; 15(1):23. https://doi.org/10.3390/act15010023
Chicago/Turabian StyleZapata Chancusig, Byron Ricardo, Jaime Rolando Heredia Velastegui, Víctor Ruiz-Díez, and José Luis Sánchez-Rojas. 2026. "Autonomous Locomotion and Embedded Trajectory Control in Miniature Robots Using Piezoelectric-Actuated 3D-Printed Resonators" Actuators 15, no. 1: 23. https://doi.org/10.3390/act15010023
APA StyleZapata Chancusig, B. R., Heredia Velastegui, J. R., Ruiz-Díez, V., & Sánchez-Rojas, J. L. (2026). Autonomous Locomotion and Embedded Trajectory Control in Miniature Robots Using Piezoelectric-Actuated 3D-Printed Resonators. Actuators, 15(1), 23. https://doi.org/10.3390/act15010023

