The Actuating Characteristics of Magnetorheological Fluids Subjected to Particle Sedimentation and Temperature Variation
Abstract
1. Introduction
2. Materials and Methods
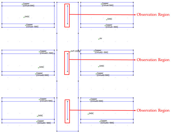
2.1. Magnetic Field Analysis
2.2. Experimental Method
3. Results and Discussion
3.1. Sedimentation
3.2. Rheological Properties
3.3. Actuating Properties
4. Conclusions
Author Contributions
Funding
Data Availability Statement
Conflicts of Interest
References
- De Vicente, J.; Klingenberg, D.J.; Hidalgo-Alvarez, R. Magnetorheological Fluids: A Review. Soft Matter 2011, 7, 3701–3710. [Google Scholar] [CrossRef]
- Hu, G.; Ying, S.; Qi, H.; Yu, L.; Li, G. Design, analysis and optimization of a hybrid fluid flow magnetorheological damper based on multiphysics coupling model. Mech. Syst. Signal Process. 2023, 205, 110877. [Google Scholar] [CrossRef]
- Kluszczyński, K.; Pilch, Z. The choice of the optimal number of discs in an mr clutch from the viewpoint of different criteria and constraints. Energies 2021, 14, 6888. [Google Scholar] [CrossRef]
- Eem, S.-H.; Koo, J.-H.; Jung, H.-J. Feasibility study of an adaptive mount system based on magnetorheological elastomer using real-time hybrid simulation. J. Intell. Mater. Syst. Struct. 2018, 30, 701–707. [Google Scholar] [CrossRef]
- Ubaidillah, U.; Imaduddin, F.; Nizam, M.; Mazlan, S.A. Response of A Magnetorheological Brake under Inertial Loads. Int. J. Electr. Eng. Inform. 2015, 7, 308–322. [Google Scholar]
- Kemerli, M.; Şahin, Ö.; Yazıcı, İ.; Çağlar, N.; Engin, T. Comparison of discrete-time sliding mode control algorithms for seismic control of buildings with magnetorheological fluid dampers. J. Vib. Control 2022, 29, 1752–1765. [Google Scholar] [CrossRef]
- Ganapathy Srinivasan, R.; Shanmugan, S.; Palani, S. Application of magnetorheological fluid in machining process. Int. J. Control Theory Appl. 2016, 9, 3705–3712. [Google Scholar]
- Prajapati, H.; Shahanand, J.; Nimkar, H.; Lakdawala, A. Methods for sedimentation study of magnetorheological fluids. Mater. Today Proc. 2020, 28, 40–44. [Google Scholar] [CrossRef]
- Choi, S.-B. Sedimentation Stability of Magnetorheological Fluids: The State of the Art and Challenging Issues. Micromachines 2022, 13, 1904. [Google Scholar] [CrossRef]
- Zhibin, S.; Yiping, L.; Ying, W.; Jiao, L.; Dongsheng, J. Study on sedimentation stability of magnetorheological fluids based on different lubricant formulations. Mater. Res. Express 2020, 7, 085702. [Google Scholar] [CrossRef]
- Cheng, H.; Wang, M.; Liu, C.; Wereley, N.M. Improving sedimentation stability of magnetorheological fluids using an organic molecular particle coating. Smart Mater. Struct. 2018, 27, 075030. [Google Scholar] [CrossRef]
- Maharani, E.T.; Seo, M.-W.; Sohn, J.W.; Oh, J.-S.; Choi, S.-B. The Influence of Current Magnitudes and Profiles on the Sedimentation of Magnetorheological Fluids: An Experimental Work. Magnetochemistry 2024, 10, 18. [Google Scholar] [CrossRef]
- Cvek, M.; Mrlik, M.; Ilcikova, M.; Plachy, T.; Sedlacik, M.; Mosnacek, J.; Pavlinek, V. A facile controllable coating of carbonyl iron particles with poly(glycidyl methacrylate): A tool for adjusting MR response and stability properties. J. Mater. Chem. C 2015, 3, 4646–4656. [Google Scholar] [CrossRef]
- Sedlacik, M.; Pavlinek, V. A tensiometric study of magnetorheological suspensions’ stability. RSC Adv. 2014, 4, 58377–58385. [Google Scholar] [CrossRef]
- Gorodkin, S.R.; Kordonski, W.I.; Medvedeva, E.V.; Novikova, Z.A.; Shorey, A.B.; Jacobs, S.D. A method and device for measurement of a sedimentation constant of magnetorheological fluids. Rev. Sci. Instrum. 2000, 71, 2476–2480. [Google Scholar] [CrossRef]
- Iglesias, G.R.; Ruiz-Morón, L.F.; Monesma, J.I.; Durán, J.D.G.; Delgado, A.V. An experimental method for the measurement of the stability of concentrated magnetic fluids. J. Colloid Interface Sci. 2007, 311, 475–480. [Google Scholar] [CrossRef] [PubMed]
- Iglesias, G.R.; López-López, M.T.; Delgado, A.V.; Durán, J.D.G. Description and performance of a fully automatic device for the study of the sedimentation of magnetic suspensions. Rev. Sci. Instrum. 2011, 82, 073906. [Google Scholar] [CrossRef] [PubMed]
- López-López, M.T.; Zugaldía, A.; González-Caballero, F.; Durán, J.D.G. Sedimentation and redispersion phenomena in iron-based magnetorheological fluids. J. Rheol. 2006, 50, 543–560. [Google Scholar] [CrossRef]
- López-López, M.T.; de Vicente, J.; Bossis, G.; González-Caballero, F.; Durán, J.D.G. Preparation of stable magnetorheological fluids based on extremely bimodal iron–magnetite suspensions. J. Mater. Res. 2005, 20, 874–881. [Google Scholar] [CrossRef]
- Lita, M.; Han, A.; Susan-Resiga, D. Characterization of sedimentation and high magnetic field flow behavior of some magnetorheological fluids. J. Phys. Conf. Ser. 2009, 149, 012071. [Google Scholar] [CrossRef]
- Cheng, H.; Zhang, X.; Liu, G.; Ma, W.; Wereley, N.M. Measuring the sedimentation rate in a magnetorheological fluid column via thermal conductivity monitoring. Smart Mater. Struct. 2016, 25, 055007. [Google Scholar] [CrossRef]
- Wang, G.; Ma, Y.; Tong, Y.; Dong, X. Development of manganese ferrite/graphene oxide nanocomposites for magnetorheological fluid with enhanced sedimentation stability. J. Ind. Eng. Chem. 2017, 48, 142–150. [Google Scholar] [CrossRef]
- Zhu, W.; Dong, X.; Huang, H.; Qi, M. Iron nanoparticles-based magnetorheological fluids: A balance between MR effect and sedimentation stability. J. Magn. Magn. Mater. 2019, 491, 165556. [Google Scholar] [CrossRef]
- Aruna, M.N.; Rahman, M.R.; Joladarashi, S.; Kumar, H. Investigation of sedimentation, rheological, and damping force characteristics of carbonyl iron magnetorheological fluid with/without additives. J. Braz. Soc. Mech. Sci. Eng. 2020, 42, 228. [Google Scholar] [CrossRef]
- Aruna, M.N.; Rahman, M.R.; Joladarashi, S.; Kumar, H.; Devadas Bhat, P. Influence of different fumed silica as thixotropic additive on carbonyl particles magnetorheological fluids for sedimentation effects. J. Magn. Magn. Mater. 2021, 529, 167910. [Google Scholar] [CrossRef]
- Leong, S.A.N.; Mazlan, S.A.; Samin, P.M.; Idris, A.; Ubaidillah. Performance of bidisperse magnetorheological fluids utilizing superparamagnetic maghemite nanoparticles. AIP Conf. Proc. 2016, 1710, 030050. [Google Scholar]
- Kumar Kariganaur, A.; Kumar, H.; Arun, M. Effect of temperature on sedimentation stability and flow characteristics of magnetorheological fluids with damper as the performance analyser. J. Magn. Magn. Mater. 2022, 555, 169342. [Google Scholar] [CrossRef]
- Rabbani, Y.; Ashtiani, M.; Hashemabadi, S.H. An experimental study on the effects of temperature and magnetic field strength on the magnetorheological fluid stability and MR effect. Soft Matter 2015, 11, 4453–4460. [Google Scholar] [CrossRef] [PubMed]
- Choi, S.-B. Thermal Conductivity and Temperature Dependency of Magnetorheological Fluids and Application Systems—A Chronological Review. Micromachines 2023, 14, 2096. [Google Scholar] [CrossRef]
- Roupec, J.; Berka, P.; Mazůrek, I.; Strecker, Z.; Kubík, M.; Macháček, O.; Andani, M.T. A novel method for measurement of MR fluid sedimentation and its experimental verification. Smart Mater. Struct. 2017, 26, 107001. [Google Scholar] [CrossRef]
- Madhavrao Desai, R.; Acharya, S.; Jamadar, M.-H.; Kumar, H.; Joladarashi, S.; Sekaran, S.R. Synthesis of magnetorheological fluid and its application in a twin-tube valve mode automotive damper. Proc. Inst. Mech. Eng. Part L J. Mater. Des. Appl. 2020, 234, 1001–1016. [Google Scholar] [CrossRef]
- Patel, S.; Upadhyay, R.; Patel, D. Design optimization of magnetorheological brake using structural parameter: Evaluation and validation. IOP Conf. Ser. Mater. Sci. Eng. 2020, 992, 012004. [Google Scholar] [CrossRef]
- Lo Sciuto, G.; Kowol, P.; Capizzi, G. Modeling and Experimental Characterization of a Clutch Control Strategy Using a Magnetorheological Fluid. Fluids 2023, 8, 145. [Google Scholar] [CrossRef]
- Coon, A.; Yang, T.H.; Kim, Y.M.; Kang, H.; Koo, J.H. Application of magneto-rheological fluids for investigating the effect of skin properties on arterial tonometry measurements. Front. Mater. 2019, 6, 45. [Google Scholar] [CrossRef]
- Acharya, S.; Kumar, H. Investigation of magnetorheological brake with rotor of combined magnetic and non-magnetic materials. SN Appl. Sci. 2019, 1, 997. [Google Scholar] [CrossRef]
- Yang, C.; Sakai, T.; Yamada, T.; Song, Z.; Takemura, Y. Improvement of pulse voltage generated by wiegand sensor through magnetic-flux guidance. Sensors 2020, 20, 1408. [Google Scholar] [CrossRef]
- Shixu, L.; Jing, Z.; Jun, L.; Jie, F.; Miao, Y.; Song, Q. Enhancing Effect of Fe3O4/Nanolignocelluloses in Magnetorheological Fluid. Langmuir 2021, 37, 7176–7184. [Google Scholar] [CrossRef]
- Ranjan, P.; Balasubramaniam, R.; Jain, V.K. Analysis, design and synthesis of water-based magnetorheological fluid for CMMRF process. J. Micromanuf. 2018, 1, 45–52. [Google Scholar] [CrossRef]
- Brown, E.; Forman, N.A.; Orellana, C.S.; Zhang, H.; Maynor, B.W.; Betts, D.E.; DeSimone, J.M.; Jaeger, H.M. Generality of shear thickening in dense suspensions. Nat. Mater. 2010, 9, 220–224. [Google Scholar] [CrossRef]
- Felicia, L.J.; Philip, J. Effect of hydrophilic silica nanoparticles on the magnetorheological properties of ferrofluids: A study using opto-magnetorheometer. Langmuir 2015, 31, 3343–3353. [Google Scholar] [CrossRef]
- Bica, I.; Liu, Y.D.; Choi, H.J. Physical characteristics of magnetorheological suspensions and their applications. J. Ind. Eng. Chem. 2013, 19, 394–406. [Google Scholar] [CrossRef]
- Kim, M.W.; Han, W.J.; Kim, Y.H.; Choi, H.J. Effect of a hard magnetic particle additive on rheological characteristics of microspherical carbonyl iron-based magnetorheological fluid. Colloids Surf. A Physicochem. Eng. Asp. 2016, 506, 812–820. [Google Scholar] [CrossRef]
- Sherman, S.G.; Powell, L.A.; Becnel, A.C.; Wereley, N.M. Scaling temperature dependent rheology of magnetorheological fluids. J. Appl. Phys. 2015, 117, 17C751. [Google Scholar] [CrossRef]
- Ji, J.; Wu, X.; Tian, Z.; Xie, F.; Chen, F.; Li, H. A Novel Magnetorheological Fluid with High-Temperature Resistance. Materials 2023, 16, 4207. [Google Scholar] [CrossRef] [PubMed]
- Wang, G.; Zhao, D.; Li, N.; Zeng, Y.; Han, S.; Ma, Y.; Dong, X.; Yu, R. Facile synthesis of hierarchically structured flower-like Fe3O4 microspheres for high-performance magnetorheological fluids. J. Ind. Eng. Chem. 2019, 79, 217–225. [Google Scholar] [CrossRef]
- Wang, K.; Dong, X.; Li, J.; Shi, K.; Li, K. Effects of silicone oil viscosity and carbonyl iron particleweight fraction and size on yield stress for magnetorheological grease based on a new preparation technique. Materials 2019, 12, 1778. [Google Scholar] [CrossRef]
- Tian, J.; Chen, M.; Liu, H.; Qin, B.; Cheng, J.; Sun, Y. Study on mechanism of improving efficiency of permanent-magnet small ball-end magnetorheological polishing by increasing magnetorheological fluid temperature. Sci. Rep. 2022, 12, 7705. [Google Scholar] [CrossRef]
- Khajehsaeid, H.; Alaghehband, N.; Bavil, P.K. On the Yield Stress of Magnetorheological Fluids. Chem. Eng. Sci. 2022, 256, 117699. [Google Scholar] [CrossRef]
- Dang, A.; Ooi, L.; Fales, J.; Stroeve, P. Yield Stress Measurements of Magnetorheological Fluids in Tubes. Ind. Eng. Chem. Res. 2000, 39, 2269–2274. [Google Scholar] [CrossRef]
- Tang, X.; Zhang, X.; Tao, R.; Rong, Y. Structure-enhanced yield stress of magnetorheological fluids. J. Appl. Phys. 2000, 87, 2634–2638. [Google Scholar] [CrossRef]
- Yoon, J.-Y.; Kang, B.-H.; Kim, J.-H.; Choi, S.-B. New control logic based on mechanical energy conservation for aircraft landing gear system with magnetorheological dampers. Smart Mater. Struct. 2020, 29, 084003. [Google Scholar] [CrossRef]
- Sung, K.G.; Choi, S.B. Effect of an electromagnetically optimized magnetorheological damper on vehicle suspension control performance. Proc. Inst. Mech. Eng. Part D J. Automob. Eng. 2008, 222, 2307–2319. [Google Scholar] [CrossRef]
- Fang, F.F.; Choi, H.J.; Jhon, M.S. Magnetorheology of soft magnetic carbonyl iron suspension with single-walled carbon nanotube additive and its yield stress scaling function. Colloids Surf. A Physicochem. Eng. Asp. 2009, 351, 46–51. [Google Scholar] [CrossRef]
- Jang, D.S.; Liu, Y.D.; Kim, J.H.; Choi, H.J. Enhanced magnetorheology of soft magnetic carbonyl iron suspension with hard magnetic γ-Fe2O3 nanoparticle additive. Colloid Polym. Sci. 2015, 293, 641–647. [Google Scholar] [CrossRef]
- Wereley, N.M.; Chaudhuri, A.; Yoo, J.-H.; John, S.; Kotha, S.; Suggs, A.; Radhakrishnan, R.; Love, B.J.; Sudarshan, T.S. Bidisperse magnetorheological fluids using Fe particles at nanometer and micron scale. J. Intell. Mater. Syst. Struct. 2006, 17, 393–401. [Google Scholar] [CrossRef]
- Leong, S.A.N.; Mohd Samin, P.; Idris, A.; Mazlan, S.A.; Rahman, A.H.A. Synthesis, characterization and magnetorheological properties of carbonyl iron suspension with superparamagnetic nanoparticles as an additive. Smart Mater. Struct. 2016, 25, 25025. [Google Scholar] [CrossRef]
- Kim, B.G.; Yoon, D.S.; Kim, G.W.; Choi, S.B.; Tan, A.S.; Sattel, T. Design of a novel magnetorheological damper adaptable to low and high stroke velocity of vehicle suspension system. Appl. Sci. 2020, 10, 5586. [Google Scholar] [CrossRef]
- Wilson, N.L.; Wereley, N.M.; Hu, W.; Hiemenz, G.J. Analysis of a magnetorheological damper incorporating temperature dependence. Int. J. Veh. Des. 2013, 63, 137. [Google Scholar] [CrossRef]
















| Parameters | Value | Unit |
|---|---|---|
| Viscosity | 0.112 | Pa·s |
| Density | 2.95 to 3.15 | g/cm3 |
| Solid Content by Weight | 80.90 | W% |
| Flash Point | >150 | °C |
| Temperature | −40 to +130 | °C |
| Current Input (A) | Temperature (°C) |
|---|---|
| 0 | 25 |
| 1 | |
| 2 | |
| 0 | 50 |
| 1 | |
| 2 | |
| 0 | 70 |
| 1 | |
| 2 |
| Temperature T (°C) | Current Input I (A) | Average Sedimentation Rate (%) |
|---|---|---|
| 0 | 98.93 | |
| 25 | 1 | 99.57 |
| 2 | 99.89 | |
| 0 | 98.33 | |
| 50 | 1 | 98.81 |
| 2 | 99.63 | |
| 0 | 97.54 | |
| 70 | 1 | 98.17 |
| 2 | 98.36 |
| Parameter | Description | Value | Unit |
|---|---|---|---|
| Effective pole length | 50 | mm | |
| L | Length of the annular duct | 150 | mm |
| Radius of piston | 28.2 | mm | |
| Radius of piston shaft | 20.34 | mm | |
| b | Duct width | 174 | mm |
| c | Coefficient of the flow velocity | 2.07 | |
| h | Gap of annular duct | 1 | mm |
| Temperature T (°C) | Current Input I (A) | Viscosity ηp (kPa·s) | Shear Stress τ (kPa) | Yield Stress τy (kPa) |
|---|---|---|---|---|
| 25 | 0 | 0.593 | 0.00593 | 0.016 |
| 1 | 341 | 3.402 | 4.332 | |
| 2 | 547 | 5.467 | 5.988 | |
| 50 | 0 | 0.075 | 0.000746 | 0.0095 |
| 1 | 245 | 2.445 | 2.745 | |
| 2 | 438 | 4.374 | 3.950 | |
| 70 | 0 | 0.041 | 0.000410 | 0.005 |
| 1 | 211 | 2.109 | 2.303 | |
| 2 | 300 | 2.998 | 2.747 |
| Temperature T (°C) | Current Input I (A) | Viscosity ηp (kPa·s) | Shear Stress τ (kPa) | Yield Stress τy (kPa) |
|---|---|---|---|---|
| 25 | 0 | 0.069 | 0.000694 | 0.004 |
| 1 | 123.7 | 1.237 | 1.486 | |
| 2 | 399.05 | 3.9893 | 4.349 | |
| 50 | 0 | 0.0397 | 0.000397 | 0.0038 |
| 1 | 102.34 | 1.024 | 1.321 | |
| 2 | 349.5 | 3.493 | 3.094 | |
| 70 | 0 | 0.041 | 0.00014 | 0.0015 |
| 1 | 14.24 | 1.421 | 1.021 | |
| 2 | 255.39 | 2.553 | 2.352 |
| Current Input (A) | Temperature (°C) | Condition | Damping Force (N) |
|---|---|---|---|
| 2 | 25 | Initial State | 751.16 |
| Sedimentation State | 547.83 | ||
| 50 | Initial State | 498.34 | |
| Sedimentation State | 392.15 | ||
| 70 | Initial State | 349.09 | |
| Sedimentation State | 300.09 |
Disclaimer/Publisher’s Note: The statements, opinions and data contained in all publications are solely those of the individual author(s) and contributor(s) and not of MDPI and/or the editor(s). MDPI and/or the editor(s) disclaim responsibility for any injury to people or property resulting from any ideas, methods, instructions or products referred to in the content. |
© 2024 by the authors. Licensee MDPI, Basel, Switzerland. This article is an open access article distributed under the terms and conditions of the Creative Commons Attribution (CC BY) license (https://creativecommons.org/licenses/by/4.0/).
Share and Cite
Maharani, E.T.; Lee, D.-H.; Kim, Y.-J.; Oh, J.-S.; Choi, S.-B. The Actuating Characteristics of Magnetorheological Fluids Subjected to Particle Sedimentation and Temperature Variation. Actuators 2024, 13, 277. https://doi.org/10.3390/act13080277
Maharani ET, Lee D-H, Kim Y-J, Oh J-S, Choi S-B. The Actuating Characteristics of Magnetorheological Fluids Subjected to Particle Sedimentation and Temperature Variation. Actuators. 2024; 13(8):277. https://doi.org/10.3390/act13080277
Chicago/Turabian StyleMaharani, Elliza Tri, Dong-Hoon Lee, Young-Jun Kim, Jong-Seok Oh, and Seung-Bok Choi. 2024. "The Actuating Characteristics of Magnetorheological Fluids Subjected to Particle Sedimentation and Temperature Variation" Actuators 13, no. 8: 277. https://doi.org/10.3390/act13080277
APA StyleMaharani, E. T., Lee, D.-H., Kim, Y.-J., Oh, J.-S., & Choi, S.-B. (2024). The Actuating Characteristics of Magnetorheological Fluids Subjected to Particle Sedimentation and Temperature Variation. Actuators, 13(8), 277. https://doi.org/10.3390/act13080277

