Additively Manufactured Porous Filling Pneumatic Network Actuator
Abstract
:1. Introduction
2. Materials and Methods
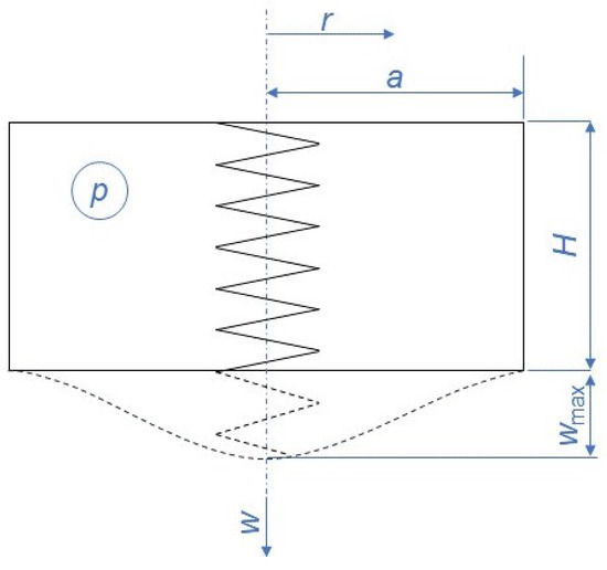
2.1. Airtight Chamber
2.2. Porous Filling
2.3. Pneumatic Network Actuator (PneuNet)
3. Results
3.1. Airtight Chamber
3.2. Porous Filling
3.3. Pneumatic Network Actuator (PneuNet)
4. Discussion
5. Conclusions
Author Contributions
Funding
Institutional Review Board Statement
Informed Consent Statement
Data Availability Statement
Acknowledgments
Conflicts of Interest
Abbreviations
| a | radius of the clamping edge |
| filling Area | |
| droplet width | |
| droplet height | |
| D | Spring/filling constant |
| radial strain | |
| transverse strain | |
| E | Young’s modulus of the membrane |
| filling densities | |
| form factor | |
| h | thickness of the membrane |
| H | Actuator chamber height |
| correction factor additive manufacturing | |
| PA | pneumatic actuator |
| PneuNet | pneumatic network actuator |
| p | differential pressure on the membrane |
| r | radial coordinate |
| u | radial deflection |
| membrane strain energy | |
| filling strain energy | |
| v | Poisson’s ratio |
| maximum transverse deflection | |
| w | transverse deflection |
References
- Ashuri, T.; Armani, A.; Jalilzadeh Hamidi, R.; Reasnor, T.; Ahmadi, S.; Iqbal, K. Biomedical soft robots: Current status and perspective. Biomed. Eng. Lett. 2020, 10, 369–385. [Google Scholar] [CrossRef] [PubMed]
- Garcia, L.; Kerns, G.; O’Reilley, K.; Okesanjo, O.; Lozano, J.; Narendran, J.; Broeking, C.; Ma, X.; Thompson, H.; Njapa Njeuha, P.; et al. The Role of Soft Robotic Micromachines in the Future of Medical Devices and Personalized Medicine. Micromachines 2021, 13, 28. [Google Scholar] [CrossRef] [PubMed]
- Hentschel, L.; Kynast, F.; Petersmann, S.; Holzer, C.; Gonzalez-Gutierrez, J. Processing Conditions of a Medical Grade Poly(Methyl Methacrylate) with the Arburg Plastic Freeforming Additive Manufacturing Process. Polymers 2020, 12, 2677. [Google Scholar] [CrossRef] [PubMed]
- Stano, G.; Arleo, L.; Percoco, G. Additive Manufacturing for Soft Robotics: Design and Fabrication of Airtight, Monolithic Bending PneuNets with Embedded Air Connectors. Micromachines 2020, 11, 485. [Google Scholar] [CrossRef] [PubMed]
- Mosadegh, B.; Polygerinos, P.; Keplinger, C.; Wennstedt, S.; Shepherd, R.F.; Gupta, U.; Shim, J.; Bertoldi, K.; Walsh, C.J.; Whitesides, G.M. Pneumatic Networks for Soft Robotics that Actuate Rapidly. Adv. Funct. Mater. 2014, 24, 2163–2170. [Google Scholar] [CrossRef]
- Liu, Y.; Chen, W.; Xiong, C. Simulation and fabrication of a pneumatic network actuator with capability of bending in multi-planes. In Proceedings of the 2019 IEEE/ASME International Conference on Advanced Intelligent Mechatronics (AIM), Piscataway, NJ, USA, 8–12 July 2019; pp. 313–317. [Google Scholar] [CrossRef]
- Manns, M.; Morales, J.; Frohn, P. Additive manufacturing of silicon based PneuNets as soft robotic actuators. Procedia CIRP 2018, 72, 328–333. [Google Scholar] [CrossRef]
- Wang, T.; Ge, L.; Gu, G. Programmable design of soft pneu-net actuators with oblique chambers can generate coupled bending and twisting motions. Sens. Actuators A Phys. 2018, 271, 131–138. [Google Scholar] [CrossRef]
- Ge, L.; Wang, T.; Zhang, N.; Gu, G. Fabrication of Soft Pneumatic Network Actuators with Oblique Chambers. JoVE (J. Vis. Exp.) 2018, 138, e58277. [Google Scholar] [CrossRef]
- Wang, J.; Fei, Y.; Pang, W. Design, Modeling, and Testing of a Soft Pneumatic Glove With Segmented PneuNets Bending Actuators. IEEE/ASME Trans. Mechatron. 2019, 24, 990–1001. [Google Scholar] [CrossRef]
- Hu, W.; Mutlu, R.; Li, W.; Alici, G. A Structural Optimisation Method for a Soft Pneumatic Actuator. Robotics 2018, 7, 24. [Google Scholar] [CrossRef]
- von Zeppelin, D.; Manka, M. ARBURG Plastic Freeforming. Eng. Biomater. 2017, 143, 90. [Google Scholar]
- Charlon, S.; Le Boterff, J.; Soulestin, J. Fused filament fabrication of polypropylene: Influence of the bead temperature on adhesion and porosity. Addit. Manuf. 2021, 38, 101838. [Google Scholar] [CrossRef]
- Hermida, A. Deflection of circular membrane under differential pressure. NASA Tech Briefs Mag. 1998, 1998, 58. [Google Scholar]













| Material | Form Factor | Filling Density | Temperature | |||
|---|---|---|---|---|---|---|
| Ejection Unit | Zone 2 | Zone 1 | Material Inlet | |||
| Bayblend FR3010 | 1.6 | 100% | 270 °C | 240 °C | 190 °C | 45 °C |
| Armat11 | 1.7 | 60% | 210 °C | 190 °C | 160 °C | 45 °C |
| Desmopan 9385A (airtight) | 1.1 | 100% | 200 °C | 190 °C | 160 °C | 45 °C |
| Desmopan 9385A (porous filling) | 1.2 | <100% | 200 °C | 190 °C | 160 °C | 45 °C |
Disclaimer/Publisher’s Note: The statements, opinions and data contained in all publications are solely those of the individual author(s) and contributor(s) and not of MDPI and/or the editor(s). MDPI and/or the editor(s) disclaim responsibility for any injury to people or property resulting from any ideas, methods, instructions or products referred to in the content. |
© 2023 by the authors. Licensee MDPI, Basel, Switzerland. This article is an open access article distributed under the terms and conditions of the Creative Commons Attribution (CC BY) license (https://creativecommons.org/licenses/by/4.0/).
Share and Cite
Giacoppo, G.A.; Hötzel, J.; Pott, P.P. Additively Manufactured Porous Filling Pneumatic Network Actuator. Actuators 2023, 12, 414. https://doi.org/10.3390/act12110414
Giacoppo GA, Hötzel J, Pott PP. Additively Manufactured Porous Filling Pneumatic Network Actuator. Actuators. 2023; 12(11):414. https://doi.org/10.3390/act12110414
Chicago/Turabian StyleGiacoppo, Giuliano A., Julia Hötzel, and Peter P. Pott. 2023. "Additively Manufactured Porous Filling Pneumatic Network Actuator" Actuators 12, no. 11: 414. https://doi.org/10.3390/act12110414
APA StyleGiacoppo, G. A., Hötzel, J., & Pott, P. P. (2023). Additively Manufactured Porous Filling Pneumatic Network Actuator. Actuators, 12(11), 414. https://doi.org/10.3390/act12110414

