Parameter Analysis for the Flexural Performance of Concrete Beams Using Near-Surface Mounted-Strengthening Application
Abstract
1. Introduction
2. Experiment Program
2.1. Design of Test Specimens
2.2. NSM-Strengthening Program
2.3. Material Characteristics
2.4. Experimental Setup
3. Experimental Results
3.1. Failure Modes
3.1.1. CC Failure Mode
3.1.2. Debonding Failure of NSM System
- (1)
- Beams failed by ICD
- (2)
- Beams failed by CCS
- (3)
- Beams failed by DB
3.2. Load-Midspan Deflection Curves
3.3. Load-Bearing Capacity
3.4. Effect of Influencing Parameters on the Beam Performance
3.4.1. Effect of Material Properties of NSM Reinforcement
3.4.2. Effect of Reinforcement Ratio of the Tensile Bar
3.4.3. Effect of External Anchorage
3.4.4. Effect of Filler
3.4.5. Effect of Bonded Length
3.4.6. Effect of Prestress Level
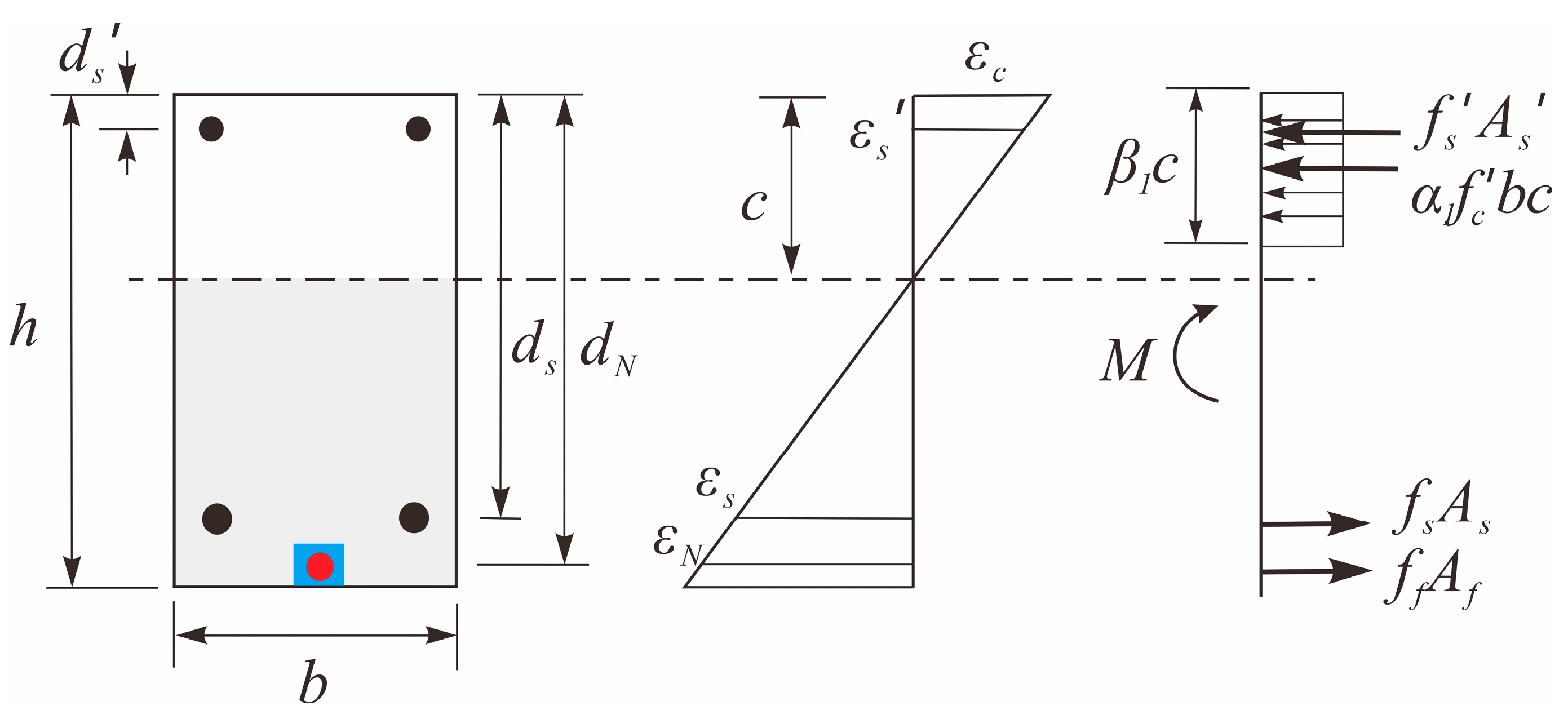
4. Theoretical Prediction of the Ultimate Strength of NSM Beams
4.1. Fundamental Principles
4.2. The Ultimate Strength of Beams in Different Failure Modes
4.2.1. CC Controlling
4.2.2. Debonding Controlling
4.2.3. Fracture of NSM Reinforcement Controlling
4.2.4. Beam Strengthened with Prestressed NSM Reinforcement
4.3. Verification
5. Parameter Analysis
5.1. Material Property of NSM Tendons
5.2. Steel Reinforcements Ratio
5.3. Concrete Strength
5.4. Prestress Level
6. Conclusions
- (1)
- The RC flexural beams strengthened by the NSM technology are prone to premature brittle debonding failure. The application of wrapped CFRP sheets or mechanical anchorage at the beam ends can effectively delay or prevent the concrete cover separation failure.
- (2)
- Compared to FRPs, the metallic materials, characterized by superior elongation, contribute to a better ductility and deformability of the beams. Nevertheless, they offer a relatively more modest increase in the bearing capacity.
- (3)
- The maximum strength of the strengthened beam is intricately associated with the reinforcement ratio and steel and NSM bars, material properties of NSM tendons, and the bonding quality of the strengthening system. The application of prestress predominantly enhances the yield strength of the strengthened beams.
- (4)
- Increasing the concrete strength and the prestress level, using strengthening bars featuring high elastic modulus and low strain, and employing adhesives with good bonding performance can improve the utilization efficiency of the strengthening bars, but increase the risk of debonding failure of the NSM system or fracture of NSM bars.
- (5)
- The ultimate strengths of RC beams with different embedded strengthening bars were theoretically calculated in accordance with the ACI codes, which can effectively take into account the material properties and quantity of the strengthening bars, the prestress level, the concrete strength, as well as the failure modes, and it has been verified by the test results to possess a high accuracy.
Author Contributions
Funding
Data Availability Statement
Conflicts of Interest
References
- Shhabat, M.; Al-Zu’bi, M.; Abdel-Jaber, M.T. A review of repairing heat-damaged RC beams using externally bonded-and near-surface mounted-CFRP composites. Compos. Part C Open 2024, 15, 100519. [Google Scholar] [CrossRef]
- Lv, J.B.; Lin, D.J.; Fu, B.; Liu, S.H.; Han, Z.J. Flexural performance of reinforced concrete beams strengthened using near-surface-mounted carbon-fiber-reinforced polymer bars: Effects of bonding patterns. Compos. Struct. 2024, 335, 117985. [Google Scholar] [CrossRef]
- El-Gamal, S.E.; Al-Nuaimi, A.; Al-Saidy, A.; Al-Lawati, A. Efficiency of near surface mounted technique using fiber reinforced polymers for the flexural strengthening of RC beams. Constr. Build. Mater. 2016, 118, 52–62. [Google Scholar] [CrossRef]
- Thomoglou, A.K.; Karabini, M.A.; Achillopoulou, D.V.; Rousakis, T.C.; Chalioris, C.E. Failure mode prediction of unreinforced masonry (URM) walls retrofitted with cementitious textile reinforced mortar (TRM). Fibers 2023, 11, 53. [Google Scholar] [CrossRef]
- Thomoglou, A.K.; Jagadesh, P.; Voutetaki, M.E. Review of Out-of-Plane Strengthening Techniques of Unreinforced Masonry Walls. Fibers 2023, 11, 78. [Google Scholar] [CrossRef]
- Hu, Z.; Elchalakani, M.; Yehia, S.; Ran, H.; Sadakkathulla, M.A.; Guo, X. Engineered cementitious composite (ECC) strengthening of reinforced concrete structures: A state-of-the-art review. J. Build. Eng. 2024, 86, 108941. [Google Scholar] [CrossRef]
- Cao, X.B.; Wang, W.W.; Tan, X.; Zhang, Y.F. Seismic behaviour of pre-damaged RC columns strengthened with CFRP grid/sprayed ECC jackets subjected to horizontal reversed cyclic loading and constant axial force. Case Stud. Constr. Mater. 2024, 20, e02948. [Google Scholar] [CrossRef]
- Hammad, M.; Bahrami, A.; Khokhar, S.A.; Khushnood, R.A. A State-of-the-art review on structural strengthening techniques with FRPs: Effectiveness, shortcomings, and future research directions. Materials 2024, 17, 1408. [Google Scholar] [CrossRef]
- Dazulhisham, M.A.S.; Halim, M.A.I.A.; Goh, L.D. Near-surface Mounted Technology in Strengthening Reinforced Concrete Beam. Int. J. Sustain. Constr. 2024, 15, 211–225. [Google Scholar] [CrossRef]
- Zhang, S.S.; Yu, T.; Chen, G.M. Reinforced concrete beams strengthened in flexure with near-surface mounted (NSM) CFRP strips: Current status and research needs. Compos. Part B Eng. 2017, 131, 30–42. [Google Scholar] [CrossRef]
- Fayed, S.; Ghalla, M.; Hu, J.W.; Mlybari, E.A.; Albogami, A.; Yehia, S.A. Shear strengthening of RC beams using prestressed near-surface mounted bars reducing the probability of construction failure risk. Materials 2024, 17, 5701. [Google Scholar] [CrossRef]
- Sharaky, I.A.; Torres, L.; Baena, M.; Vilanova, I. Effect of different material and construction details on the bond behaviour of NSM FRP bars in concrete. Constr. Build. Mater. 2013, 38, 890–902. [Google Scholar] [CrossRef]
- Al-Bayati, G.; Al-Mahaidi, R.; Hashemi, M.J.; Kalfat, R. Torsional strengthening of RC beams using NSM CFRP rope and innovative adhesives. Compos. Struct. 2018, 187, 190–202. [Google Scholar] [CrossRef]
- Sarafraz, M.E.; Danesh, F. New technique for flexural strengthening of RC columns with NSM FRP bars. Mag. Concr. Res. 2012, 64, 151–161. [Google Scholar] [CrossRef]
- Wang, G.; Dai, J.; Bai, Y. Seismic retrofit of exterior RC beam-column joints with bonded CFRP reinforcement: An experimental study. Compos. Struct. 2019, 224, 111018. [Google Scholar] [CrossRef]
- Qin, W.; Xi, Z.; Liu, X.; Feng, P.; Ou, X.; Yang, J. Experimental and theoretical analyses of the progressive collapse resistance of NSM strengthening RC frames after the failure of a corner column. J. Build. Eng. 2022, 47, 103805. [Google Scholar] [CrossRef]
- Wang, Q.; Zhu, H.; Li, T.; Wu, G.; Hu, X. Bond performance of NSM FRP bars in concrete with an innovative additional ribs anchorage system: An experimental study. Constr. Build. Mater. 2019, 207, 572–584. [Google Scholar] [CrossRef]
- D’Antino, T.; Pisani, M.A. General analytical model for the bond capacity of NSM FRP-concrete joints. J. Compos. Constr. 2020, 24, 04020065. [Google Scholar] [CrossRef]
- Al-Saadi, N.T.K.; Mohammed, A.; Al-Mahaidi, R.; Sanjayan, J. Performance of NSM FRP embedded in concrete under monotonic and fatigue loads: State-of-the-art review. Aust. J. Struct. Eng. 2019, 20, 89–114. [Google Scholar] [CrossRef]
- Kamonna, H.H.; Al-Issawi, A.S.H. Estimation of maximum shear capacity of RC deep beams strengthened by NSM steel bars. J. Univ. Babylon Eng. Sci. 2018, 26, 13–22. [Google Scholar]
- Ding, Y.H.; Zhang, M.X.; Zhang, C.S. Concrete Beams Strengthened with Prestressed Near Surface Mounted Helical Rib Steel Wire. Adv. Mater. Res. 2011, 255–260, 99–104. [Google Scholar] [CrossRef]
- Obaydullah, M.; Jumaat, M.Z.; Alengaram, U.J.; Darain, K.M.; Huda, M.N.; Hosen, M.A. Prestressing of NSM steel strands to enhance the structural performance of prestressed concrete beams. Constr. Build. Mater. 2016, 129, 289–301. [Google Scholar] [CrossRef]
- Tabrizikahou, A.; Białasik, J.; Borysiak, S.; Fabisiak, M.; Łasecka-Plura, M.; Jesionowski, T.; Kuczma, M. Shear strengthening of damaged reinforced concrete beams with iron-based shape memory alloy (Fe-SMA) strips: Numerical and parametric analysis. Arch. Civ. Mech. Eng. 2024, 24, 189. [Google Scholar] [CrossRef]
- Sun, W.; Lou, T.; Achintha, M. A novel strong and durable near-surface mounted (NSM) FRP method with cost-effective filler. Compos. Struct. 2020, 255, 112952. [Google Scholar] [CrossRef]
- Al-Zu’bi, M.; Fan, M.; Anguilano, L. Near-surface mounted-FRP flexural retrofitting of concrete members using nanomaterial-modified epoxy adhesives. J. Build. Eng. 2024, 84, 108549. [Google Scholar] [CrossRef]
- Salman, W.D.; Mansor, A.A. Fibrous geopolymer paste composites for near-surface-mounted strengthening of reinforced concrete beams in flexure. Case Stud. Constr. Mater. 2021, 14, e00529. [Google Scholar] [CrossRef]
- Mostafa, A.; Razaqpur, A.G. CFRP anchor for preventing premature debonding of externally bonded FRP laminates from concrete. J. Compos. Constr. 2013, 17, 641–650. [Google Scholar] [CrossRef]
- Wu, G.; Dong, Z.Q.; Wu, Z.S.; Zhang, L.W. Performance and Parametric Analysis of Flexural Strengthening for RC Beams with NSM-CFRP Bars. J. Compos. Constr. 2014, 18, 2537–2547. [Google Scholar] [CrossRef]
- Ali, H.M.Y.; Sheikh, M.N.; Hadi, M.N.S. Flexural strengthening of RC beams with NSM-GFRP technique incorporating innovative anchoring system. Structures 2022, 38, 251–264. [Google Scholar] [CrossRef]
- Al-Obaidi, S.; Saeed, Y.M.; Rad, F.N. Flexural strengthening of reinforced concrete beams with NSM-CFRP bars using mechanical interlocking. J. Build. Eng. 2020, 31, 101422. [Google Scholar] [CrossRef]
- Haddad, R.H.; Yaghmour, E.M. Side NSM CFRP strips with different profiles for strengthening reinforced concrete beams. J. Build. Eng. 2020, 32, 101772. [Google Scholar] [CrossRef]
- Imjai, T.; Setkit, M.; Figueiredo, F.P.; Garcia, R.; Sae-Long, W.; Limkatanyu, S. Experimental and numerical investigation on low-strength RC beams strengthened with side or bottom near surface mounted FRP rods. Struct. Infrastruct. Eng. 2022, 19, 1600–1615. [Google Scholar] [CrossRef]
- Jung, W.; Park, J.; Kang, J.; Keum, M.; Park, Y. Flexural behaviour of RC beams strengthened with prestressed CFRP NSM tendon using new prestressing system. Int. J. Polym. Sci. 2017, 2017, 1497349. [Google Scholar] [CrossRef]
- Xing, G.; Chang, Z.; Ozbulut, O.E. Behavior and failure modes of reinforced concrete beams strengthened with NSM GFRP or aluminum alloy bars. Struct. Concr. 2018, 19, 1023–1035. [Google Scholar] [CrossRef]
- Xing, G.; Chang, Z.; Bai, Z. Flexural behaviour of RC beams strengthened with near-surface-mounted BFRP bars. Mag. Concr. Res. 2017, 70, 570–581. [Google Scholar] [CrossRef]
- Yu, X.; Xing, G.; Chang, Z. Flexural behavior of reinforced concrete beams strengthened with near-surface mounted 7075 aluminum alloy bars. J. Build. Eng. 2020, 31, 101393. [Google Scholar] [CrossRef]
- Liu, B.; Huang, J.; Xing, G. Crack behavior of concrete beam in flexure strengthened with NSM prestressing screw-thread steel bars. Mater. Struct. 2020, 53, 80. [Google Scholar] [CrossRef]
- Li, X.; Xing, G.; Chang, Z.; Huang, J. Experimental and analytical study of RC beams strengthened with prestressed near-surface mounted 7075 aluminum alloy bars. Structures 2023, 48, 1693–1706. [Google Scholar] [CrossRef]
- Xing, G.; Chen, X.; Huang, J.; Zhang, Y.; Ozbulut, O.E.; Chang, Z. Reinforced Concrete Beams Strengthened in Flexure with Near-Surface Mounted 7075 Aluminum Alloy Bars. J. Struct. Eng. 2022, 148, 04021242. [Google Scholar] [CrossRef]
- ACI 440.2R-17; Guide for the Design and Construction of Externally Bonded FRP Systems for Strengthening Concrete Structures; American Concrete Institute: Farmington Hills, MI, USA, 2017; p. 116.
- Ecemiş, A.S.; Madenci, E.; Karalar, M.; Fayed, S.; Althaqafi, E.; Özkılıç, Y.O. Bending Performance of Reinforced Concrete Beams with Rubber as Form of Fiber from Waste Tires. Materials 2024, 17, 4958. [Google Scholar] [CrossRef]
- El-Emam, H.; El-Sisi, A.; Reda, R.; Seleem, M.; Bneni, M. Effect of concrete cover thickness and main reinforcement ratio on flexural behavior of RC beams strengthened by NSM-GFRP bars. Frat. Ed. Integrità Strutt. 2020, 52, 197–210. [Google Scholar] [CrossRef]
- Badawi, M.; Soudki, K. Flexural strengthening of RC beams with prestressed NSM CFRP rods–experimental and analytical investigation. Constr. Build. Mater. 2009, 23, 3292–3300. [Google Scholar] [CrossRef]
- El-Hacha, R.; Gaafar, M. Flexural strengthening of reinforced concrete beams using prestressed, near-surface-mounted CFRP bars. PCI J. 2011, 56, 134–151. [Google Scholar] [CrossRef]
- Qi, Q.; Shao, C.; Yang, H.; Cui, H.; Chen, Z.; Gong, W. Axial-flexure-shear model for seismic analysis of RC thin-walled hollow piers. Soil Dyn. Earthq. Eng. 2025, 195, 109375. [Google Scholar] [CrossRef]
- GB 50010-2010; Code for Design of Concrete Structures. China Architecture and Building Press: Beijing, China, 2010.
- ACI 318; Building Code Requirements for Structural Concrete and Commentary. American Concrete Institute: Farmington Hills, MI, USA, 2019; p. 624.
- Hawileh, R.A. Nonlinear finite element modeling of RC beams strengthened with NSM FRP rods. Constr. Build. Mater. 2012, 27, 461–471. [Google Scholar] [CrossRef]
- Abdallah, M.; Al Mahmoud, F.; Khelil, A.; Mercier, J.; Almassri, B. Assessment of the flexural behavior of continuous RC beams strengthened with NSM-FRP bars, experimental and analytical study. Compos. Struct. 2020, 242, 112127. [Google Scholar] [CrossRef]
- Huang, J.; Xing, G.; Chang, Z. Experimental and numerical investigation on flexural behavior of concrete beams strengthened by different NSM tendons. Compos. Struct. 2023, 313, 116947. [Google Scholar] [CrossRef]
















| Materials | BFRP | GFRP | 6061AA | 7075AA | PS |
|---|---|---|---|---|---|
| Diameter/mm | 14 | 14 | 14 | 16 | 15 |
| Yield strength/MPa | - | - | 371 | 528 | 407 |
| Ultimate strength/MPa | 1134 | 966 | 399 | 590 | 649 |
| Modulus of elasticity/GPa | 54 | 40 | 76.7 | 72.7 | 200 |
| Group | Specimen | NSM Materials | ρs/% | NSM Bars | Prestress Level/% | End Anchorage | Py /kN | ηy /% | Pmax/kN | ηmax /% | Δu /mm | μ | FM |
|---|---|---|---|---|---|---|---|---|---|---|---|---|---|
| Group 1 | RB1 | - | 0.65 | - | - | - | 196 | - | 223 | - | 37.3 | 6.1 | CC |
| BCB-1 | BFRP | 0.65 | 2D14 | - | - | 210 | 7 | 422 | 85 | 39.4 | 5.6 | CC-ICD | |
| BCB-2 | BFRP | 0.65 | 3D14 | - | - | 222 | 13 | 470 | 106 | 35.0 | 5.1 | CC-ICD | |
| BCB-3 | BFRP | 1.02 | 2D14 | - | - | 254 | 30 | 470 | 106 | 33.5 | 5.0 | CC-ICD | |
| GCB-1 | GFRP | 0.65 | 2D14 | - | - | 214 | 9 | 458 | 101 | 37.3 | 5.7 | CC-ICD | |
| GCB-2 | GFRP | 0.65 | 3D14 | - | - | 234 | 19 | 522 | 128 | 34.1 | 5.1 | ICD | |
| GCB-3 | GFRP | 1.02 | 2D14 | - | - | 258 | 32 | 534 | 133 | 32.3 | 4.6 | CC-CCS | |
| ACB-1 | 6061AA | 0.65 | 2D14 | - | - | 202 | 3 | 262 | 17 | 39.1 | 6.0 | CC-DB | |
| ACB-2 | 6061AA | 0.65 | 3D14 | - | - | 210 | 7 | 280 | 24 | 37.8 | 5.7 | CC | |
| ACB-3 | 6061AA | 1.02 | 2D14 | - | - | 298 | 52 | 338 | 49 | 37.7 | 4.9 | CC | |
| Group 2 | RB2 | - | 0.71 | - | - | - | 67 | - | 82 | - | 80.2 | 6.7 | CC |
| BA-E-1 | 7075AA | 0.71 | 1D16 | - | - | 77 | 15 | 110 | 34 | 50.1 | 4.5 | ICD | |
| BA-E-2 | 7075AA | 0.71 | 2D16 | - | - | 90 | 34 | 153 | 87 | 49.1 | 4.9 | CCS | |
| BA-E-1-40 | 7075AA | 0.71 | 1D16 | 40 | MA | 97 | 45 | 115 | 40 | 52.2 | 4.4 | CC | |
| BA-E-1-80 | 7075AA | 0.71 | 1D16 | 80 | MA | 90 | 34 | 100 | 22 | 60.0 | 5.0 | CC | |
| BA-E-2-40 | 7075AA | 0.71 | 2D16 | 40 | MA | 140 | 109 | 165 | 101 | 48.3 | 3.1 | CC | |
| BA-E-2-80 | 7075AA | 0.71 | 2D16 | 80 | MA | 144 | 115 | 165 | 101 | 45.0 | 3.1 | CC | |
| BA-E-2(48d) | 7075AA | 0.71 | 2D16 | - | - | 89 | 33 | 146 | 78 | 57.1 | 5.7 | CCS | |
| BA-E-2(60d) | 7075AA | 0.71 | 2D16 | - | - | 90 | 34 | 157 | 91 | 42.0 | 3.9 | CCS | |
| BA-E-1-U2 | 7075AA | 0.71 | 1D16 | - | U-jacket | 82 | 22 | 123 | 50 | 61.8 | 5.6 | CC | |
| BA-E-2-U2 | 7075AA | 0.71 | 2D16 | - | U-jacket | 86 | 28 | 163 | 99 | 47.2 | 4.6 | CCS | |
| BA-E-2-U3 | 7075AA | 0.71 | 2D16 | - | U-jacket | 88 | 31 | 164 | 100 | 51.0 | 5.0 | CCS | |
| BA-E-2-MA | 7075AA | 0.71 | 2D16 | - | MA | 98 | 46 | 152 | 85 | 36.0 | 3.4 | ICD | |
| BA-C-2-MA | 7075AA | 0.71 | 2D16 | - | MA | 92 | 37 | 112 | 37 | 55.0 | 5.1 | DB | |
| BP-E-1 | PS | 0.71 | 1D15 | - | - | 86 | 28 | 91 | 11 | 68.9 | 5.2 | CC-ICD | |
| BP-E-1-80 | PS | 0.71 | 1D15 | 80 | MA | 86 | 28 | 95 | 16 | 60.7 | 5.6 | CC | |
| BP-E-2-80 | PS | 0.71 | 2D15 | 80 | MA | 124 | 85 | 139 | 70 | 60.8 | 4.4 | CC |
| Specimen | NSM Materials | (‰) | (‰) | (‰) | Pu,th (kN) | Pu,exp (kN) | Pu,th /Pu,exp | Failure Mode |
|---|---|---|---|---|---|---|---|---|
| RB1 | - | 3.3 | - | - | 192.4 | 223.0 | 0.863 | CC |
| GCB-1 | GFRP bar | 3.3 | 14.5 | 16.9 | 347.6 | 458.0 | 0.759 | CC-ICD |
| GCB-2 | GFRP bar | 3.3 | 12.4 | 16.9 | 389.3 | 522.0 | 0.746 | CC-ICD |
| GCB-3 | GFRP bar | 3.3 | 11.7 | 16.9 | 417.9 | 534.0 | 0.786 | CC-ICD |
| BCB-1 | BFRP bar | 3.3 | 12.9 | 14.7 | 377.0 | 422.0 | 0.893 | CC-ICD |
| BCB-2 | BFRP bar | 3.3 | 10.9 | 14.7 | 421.9 | 470.0 | 0.898 | ICD |
| BCB-3 | BFRP bar | 3.3 | 10.6 | 14.7 | 445.0 | 470.0 | 0.947 | CC-CCS |
| ACB-1 | AA bar | 3.3 | 17.9 | - | 243.8 | 262.0 | 0.930 | CC-DB |
| ACB-2 | AA bar | 3.3 | 15.0 | - | 266.5 | 280.0 | 0.952 | CC |
| ACB-3 | AA bar | 3.3 | 12.8 | - | 346.8 | 338.0 | 1.023 | CC |
| RB2 | - | 3.3 | - | - | 62.0 | 81.7 | 0.759 | CC |
| BA-E-1 | AA bar | 3.3 | 16.7 | - | 104.73 | 110.1 | 0.999 | ICD |
| BA-E-1-U2 | AA bar | 3.3 | 16.7 | 104.7 | 123 | 0.851 | CC | |
| BA-E-2 | AA bar | 3.3 | 11.0 | - | 144.9 | 153 | 0.947 | CCS |
| BA-E-2(48 d) | AA bar | 3.3 | 11.0 | - | 144.9 | 146 | 0.993 | CCS |
| BA-E-2(60 d) | AA bar | 3.3 | 11.0 | - | 144.9 | 157 | 0.923 | CCS |
| BA-E-2-MA | AA bar | 3.3 | 11.0 | - | 144.9 | 152 | 0.953 | ICD |
| BA-E-2-U2 | AA bar | 3.3 | 11.0 | - | 144.9 | 163 | 0.89 | CC |
| BA-E-2-U3 | AA bar | 3.3 | 11.0 | - | 144.9 | 164 | 0.884 | CCS |
| BP-E-1 | PS bar | 3.3 | 18.8 | - | 90.9 | 91 | 0.999 | CC-ICD |
| BP-E-1-80 | PS bar | 3.3 | 20.3 | - | 90.9 | 95 | 0.957 | CC |
| BP-E-2-80 | PS bar | 3.3 | 15.3 | - | 118.8 | 139 | 0.855 | CC |
| BA-E-1-40 | AA bar | 3.3 | 19.6 | - | 104.7 | 115 | 0.911 | CC |
| BA-E-1-80 | AA bar | 3.3 | 22.4 | - | 104.7 | 100 | 0.952 | CC |
| BA-E-2-40 | AA bar | 3.3 | 13.8 | - | 144.9 | 165 | 0.878 | CC |
| BA-E-2-80 | AA bar | 3.3 | 16.5 | - | 144.9 | 165 | 0.878 | CC |
| Mean | 0.899 | |||||||
| Standard deviation | 0.073 | |||||||
| Coefficient of variation | 0.081 |
Disclaimer/Publisher’s Note: The statements, opinions and data contained in all publications are solely those of the individual author(s) and contributor(s) and not of MDPI and/or the editor(s). MDPI and/or the editor(s) disclaim responsibility for any injury to people or property resulting from any ideas, methods, instructions or products referred to in the content. |
© 2025 by the authors. Licensee MDPI, Basel, Switzerland. This article is an open access article distributed under the terms and conditions of the Creative Commons Attribution (CC BY) license (https://creativecommons.org/licenses/by/4.0/).
Share and Cite
Li, C.; Zhao, Y.; Wan, D.; Han, X.; Li, W.; Tian, C.; Wang, C.; Chang, Z.; Huang, J. Parameter Analysis for the Flexural Performance of Concrete Beams Using Near-Surface Mounted-Strengthening Application. Buildings 2025, 15, 1453. https://doi.org/10.3390/buildings15091453
Li C, Zhao Y, Wan D, Han X, Li W, Tian C, Wang C, Chang Z, Huang J. Parameter Analysis for the Flexural Performance of Concrete Beams Using Near-Surface Mounted-Strengthening Application. Buildings. 2025; 15(9):1453. https://doi.org/10.3390/buildings15091453
Chicago/Turabian StyleLi, Cunsheng, Yanheng Zhao, Dongbo Wan, Xiaodong Han, Weiwei Li, Changxuan Tian, Chongjie Wang, Zhaoqun Chang, and Jiao Huang. 2025. "Parameter Analysis for the Flexural Performance of Concrete Beams Using Near-Surface Mounted-Strengthening Application" Buildings 15, no. 9: 1453. https://doi.org/10.3390/buildings15091453
APA StyleLi, C., Zhao, Y., Wan, D., Han, X., Li, W., Tian, C., Wang, C., Chang, Z., & Huang, J. (2025). Parameter Analysis for the Flexural Performance of Concrete Beams Using Near-Surface Mounted-Strengthening Application. Buildings, 15(9), 1453. https://doi.org/10.3390/buildings15091453

