Indoor Air Pollution Source Localization Based on Small-Sample Training Convolutional Neural Networks
Abstract
1. Introduction
2. Indoor Pollution Source Inversion CNN Method Based on Small-Sample Data
2.1. Data Generation and Augmentation
- Image cutting: First, for the original image of size 40 × 30 m2, the cutting operation was applied with a cutting ratio of α = 0.25, determined by research. This operation accurately divides the original image into multiple sub-images with a size of 12 × 12 m2. This approach was adopted because an appropriate image segmentation size can capture the features related to the pollution source more precisely, avoiding the problem of feature information overdispersion due to overly large images or the loss of key information due to overly small images. Meanwhile, by using these methods, the amount of data can be significantly increased, and the learning efficiency of ResNet can be enhanced.
- Data augmentation: After image cutting was completed, a rotation operation was used to augment the data of the cut sub-images. Specifically, the sub-images were rotated with a rotation step of θ = 10°, to generate n = 48 × 36 = 1728 augmented samples. The function of data augmentation is to increase the diversity and richness of the data, enabling the model to learn the features of pollution sources of different forms from different angles, thereby effectively improving model generalizability in practical applications, to better cope with various complex real-world scenarios (Figure 3).
- Residual network design: A nine-layer residual network was designed. As the network depth increases, the model can extract more in-depth image feature information. In this model, the nine-layer residual network can effectively capture the complex features of the pollution sources. Because of the skip connection mechanism in the network, when the network depth reaches a certain level, the feature information can be directly transmitted to subsequent network layers through the shortcut path, avoiding problems such as gradient vanishing and ensuring that the model can still maintain a good performance improvement effect when the number of network layers is increased.
- Convolutional kernel selection: After further research and experimental comparisons, a 4 × 4 convolutional kernel was selected because the size of this convolutional kernel is similar to the scale of the pollution source features and can capture the spatial features of the concentration distribution more accurately during the feature extraction process, thereby enabling the model to identify and locate pollution sources more accurately.
- Simplification of the fully connected layer: The fully connected layer was simplified to a single layer (FC = 1). A single-layer fully connected network architecture exhibits better performance than a multilayer fully connected network. Therefore, in the CNN constructed in this study, the feature extraction layer fully captures highly relevant feature information. The number of neurons in the network was set at the optimal level. Simplifying the fully connected layer can avoid feature redundancy, reduce the computational complexity of the model, and improve training and inference efficiency.
- Comparative evaluation: The optimized model was comprehensively compared with the baseline model (, ). Model performance improvement was evaluated using WA, coefficient of determination (R2), and accuracy of the Euclidean distance between model-predicted coordinates and real coordinates.
- Performance improvement results: The WA of the optimized model increased significantly (by 17%), indicating that the model’s performance in the overall classification and prediction tasks was greatly improved. Simultaneously, the accuracy of the Euclidean distance between the model-predicted and real coordinates within 1 m exceeded 75%, indicating that the positioning accuracy of the model was significantly improved, allowing the location of pollution sources to be determined more accurately. In addition, the coefficient of determination (R2) reached 0.99, indicating that the model fit to the data and explained the changes and laws in the data well [47].

2.2. Results of Establishing the Source Inversion Method
3. Application of Indoor Pollution Source Inversion CNN Method Based on Small-Sample Data
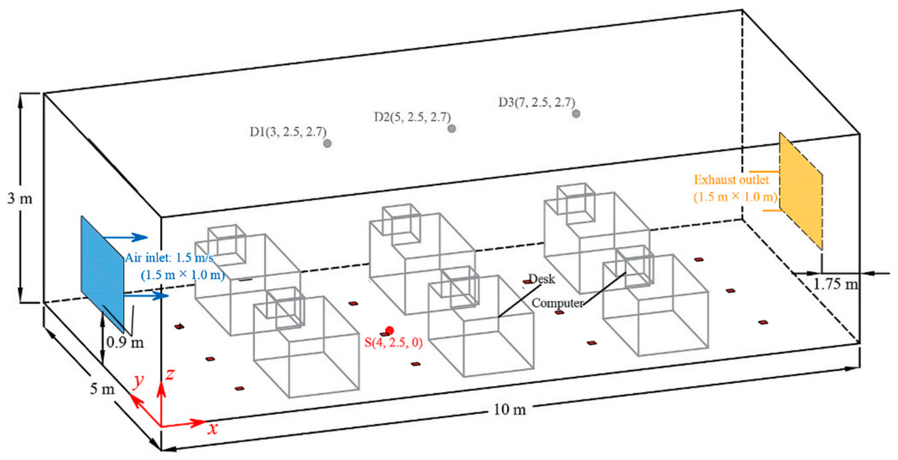
3.1. Case Setting and Verification
3.2. Method Application and Results
4. Conclusions
- Efficiency and Accuracy of Residual Neural Network for Indoor Air Pollution Source Localization
- 2.
- Prediction Performance Metrics
- 3.
- Dynamic Adjustment Formula for the Cutting Ratio
- 4.
- Reduction in Cross-Space Sample Requirement
- 5.
- Robustness in Complex Scenarios
- 6.
- Improvement in Prediction Accuracy and Real-Time Localization
Author Contributions
Funding
Data Availability Statement
Conflicts of Interest
Abbreviations
| Symbol | Definition | Formula | Unit/Range |
| Cutting size ratio | |||
| R2 | Coefficient of determination | - | |
| Number of residual layers | - | ||
| WA | Weighted accuracy | % | |
| ED | Euclidean distance | m | |
| NED | Normalized Euclidean distance | - | |
| Convolution kernel size | - | ||
| Simulation time step | - | ||
| FC | Fully connected layer | - | |
| Research scenario space | - | 10 × 5 × 3 m3 | |
| Ideal large-scale space | - | 30 × 40 × 4 m3 | |
| Pollution source intensity | - | ||
| Detector location | - | ||
| Inlet air velocity | - | ||
| Outlet air velocity | - | ||
| Pollutant concentration | - | ||
| Noise disturbance | ∼Gau[0, ] | ||
| S | Corresponding pollution source location in article | - | - |
| T | Gray threshold | - | |
| Feature range | - |
Appendix A
| Item | Settings | |
|---|---|---|
| Simulation model | Simulation domain | 40 (x) × 30 (y) × 4 (z) m3 |
| Number of simulation grids | 156,400 | |
| Solver settings | Turbulence model | Standard k-ε model |
| Pressure–velocity coupling | SIMPLE | |
| Discretization scheme for advection term | Second-order upwind | |
| Discretization scheme for diffusion term | Second-order upwind | |
| Near-wall treatment | Standard wall functions | |
| Residual | 1 × 10−4 | |
| Boundary conditions | Air inlet | Velocity inlet |
| Exhaust outlet | Free outflow | |
| Source | 0.01 kg/s | |
| Walls and ground | No-slip wall |
Appendix B
| Item | Settings | |
|---|---|---|
| Simulation model | Simulation domain | 10 (x) × 5 (y) × 3 (z) m3 |
| Number of simulation grid | 1,803,338 | |
| Solver settings | Turbulence model | Standard k-ε model |
| Pressure–velocity coupling | SIMPLE | |
| Discretization scheme for advection term | Second-order upwind | |
| Discretization scheme for diffusion term | Second-order upwind | |
| Near-wall treatment | Standard wall functions | |
| Time step size | 0.005 s | |
| Residual | 1 × 10−5 | |
| Boundary conditions | Air inlet | Velocity inlet |
References
- Liu, S.; Novoselac, A. Lagrangian particle modeling in the indoor environment: A comparison of RANS and LES turbulence methods (RP-1512). HVACR Res. 2014, 20, 480–495. [Google Scholar] [CrossRef]
- Yu, S.; He, L.; Cui, Y.; Zhang, G.; Feng, G. Influence of Sensor Location on Indoor Air Pollution Source Identification Results. J. Environ. Eng. 2019, 145, 04019082. [Google Scholar] [CrossRef]
- Yu, S.; He, L.; Feng, G. Review of Identification Methods for Indoor Pollutant Sources. Procedia Eng. 2016, 146, 303–309. [Google Scholar] [CrossRef]
- Zeng, L.; Gao, J.; Lv, L.; Du, B.; Zhang, Y.; Zhang, R.; Ye, W.; Zhang, X. Localization and characterization of intermittent pollutant source in buildings with ventilation systems: Development and validation of an inverse model. Build. Simul. 2021, 14, 841–855. [Google Scholar] [CrossRef]
- Yang, Y.; Feng, Q.; Cai, H.; Xu, J.; Li, F.; Deng, Z.; Yan, C.; Li, X. Experimental study on three single-robot active olfaction algorithms for locating contaminant sources in indoor environments with no strong airflow. Build. Environ. 2019, 155, 320–333. [Google Scholar] [CrossRef]
- Jing, Y.; Li, F.; Gu, Z.; Tang, S. Identifying spatiotemporal information of the point pollutant source indoors based on the adjoint-regularization method. Build. Simul. 2023, 16, 589–602. [Google Scholar] [CrossRef]
- Cai, H.; Tong, C.; Li, Z.; Guo, X.; Shi, Y.; Jiang, M.; Lin, B. Efficient particulate matter source localization in dynamic indoor environments: An experimental study by a multi-robot system. J. Build. Eng. 2024, 92, 109712. [Google Scholar] [CrossRef]
- Lang, Y.; Ng, M.X.Y.; Yu, K.X.; Chen, B.; Tan, P.C.; Tan, K.W.; Lam, W.H.; Siwayanan, P.; Kim, K.S.; Choong, T.S.Y.; et al. A novel CFD-MILP-ANN approach for optimizing sensor placement, number, and source localization in large-scale gas dispersion from unknown locations. Digit. Chem. Eng. 2025, 14, 100216. [Google Scholar] [CrossRef]
- Oh, B.K.; Park, Y.; Park, H.S. Seismic response prediction method for building structures using convolutional neural network. Struct. Control. Health Monit. 2020, 27, e2519. [Google Scholar] [CrossRef]
- Lei, L.; Chen, W.; Wu, B.; Chen, C.; Liu, W. A building energy consumption prediction model based on rough set theory and deep learning algorithms. Energy Build. 2021, 240, 110886. [Google Scholar] [CrossRef]
- Bakht, A.; Sharma, S.; Park, D.; Lee, H. Deep Learning-Based Indoor Air Quality Forecasting Framework for Indoor Subway Station Platforms. Toxics 2022, 10, 557. [Google Scholar] [CrossRef] [PubMed]
- Thoma, M. Analysis and Optimization of Convolutional Neural Network Architectures. arXiv 2017, arXiv:1707.09725. [Google Scholar] [CrossRef]
- Dubey, S.R.; Chakraborty, S.; Roy, S.K.; Mukherjee, S.; Singh, S.K.; Chaudhuri, B.B. diffGrad: An Optimization Method for Convolutional Neural Networks. IEEE Trans. Neural Netw. Learn. Syst. 2020, 31, 4500–4511. [Google Scholar] [CrossRef] [PubMed]
- Abdel-Hamid, O.; Deng, L.; Yu, D. Exploring convolutional neural network structures and optimization techniques for speech recognition. In Interspeech; ISCA: Singapore, 2013; pp. 3366–3370. [Google Scholar] [CrossRef]
- Habib, G.; Qureshi, S. Optimization and acceleration of convolutional neural networks: A survey. J. King Saud Univ.—Comput. Inf. Sci. 2022, 34, 4244–4268. [Google Scholar] [CrossRef]
- Feng, Q.; Zhang, C.; Lu, J.; Cai, H.; Chen, Z.; Yang, Y.; Li, F.; Li, X. Source localization in dynamic indoor environments with natural ventilation: An experimental study of a particle swarm optimization-based multi-robot olfaction method. Build. Environ. 2019, 161, 106228. [Google Scholar] [CrossRef]
- Zhou, Y.; An, Y.; Huang, W.; Chen, C.; You, R. A combined deep learning and physical modelling method for estimating air pollutants’ source location and emission profile in street canyons. Build. Environ. 2022, 219, 109246. [Google Scholar] [CrossRef]
- Hutchinson, M.; Oh, H.; Chen, W.-H. A review of source term estimation methods for atmospheric dispersion events using static or mobile sensors. Inf. Fusion 2017, 36, 130–148. [Google Scholar] [CrossRef]
- Wawrzynczak, A.; Berendt-Marchel, M. Application of the artificial neural network in the forecasting of the airborne contaminant. J. Phys. Conf. Ser. 2019, 1391, 012092. [Google Scholar] [CrossRef]
- Reich, S.L.; Gomez, D.R.; Dawidowski, L.E. Articial neural network for the identication of unknown air pollution sources. Atmos. Environ. 1999, 33, 3045–3052. [Google Scholar] [CrossRef]
- Lin, J.C.; Fasoli, B.; Mitchell, L.; Bares, R.; Hopkins, F.; Thompson, T.M.; Alvarez, R.A. Towards hyperlocal source identification of pollutants in cities by combining mobile measurements with atmospheric modeling. Atmos. Environ. 2023, 311, 119995. [Google Scholar] [CrossRef]
- Bernstein, J.A.; Alexis, N.; Barnes, C.; Bernstein, I.L.; Bernstein, J.A.; Nel, A.; Peden, D.; Diaz-Sanchez, D.; Tarlo, S.M.; Williams, P.B. Health effects of air pollution. J. Allergy Clin. Immunol. 2004, 114, 1116–1123. [Google Scholar] [CrossRef] [PubMed]
- Kampa, M.; Castanas, E. Human health effects of air pollution. Environ. Pollut. 2008, 151, 362–367. [Google Scholar] [CrossRef] [PubMed]
- Bruce, N.; Perez-Padilla, R.; Albalak, R. Indoor air pollution in developing countries: A major environmental and public health challenge. Bull. World Health Organ. 2000, 78, 1078–1092. [Google Scholar]
- Qin, L.; Zhai, M.; Cheng, H. Indoor air pollution from the household combustion of coal: Tempo-spatial distribution of gaseous pollutants and semi-quantification of source contribution. Sci. Total Environ. 2023, 882, 163502. [Google Scholar] [CrossRef] [PubMed]
- Cheng, J.; Wang, H.; Lu, S.; Zhai, Z. Inverse Modeling of Indoor Instantaneous Airborne Contaminant Source Location and Releasing Time in Unsteady Airflow. Procedia Eng. 2017, 205, 2289–2296. [Google Scholar] [CrossRef]
- Zhang, T.; Yin, S.; Wang, S. An inverse method based on CFD to quantify the temporal release rate of a continuously released pollutant source. Atmos. Environ. 2013, 77, 62–77. [Google Scholar] [CrossRef]
- Kim, N.K.; Kang, D.H.; Kim, B.W.; Kang, H.W. Optimal location and performance prediction of portable air cleaner in composite room shapes using convolutional neural network. Build. Environ. 2023, 242, 110500. [Google Scholar] [CrossRef]
- Zhang, T.; Li, H.; Wang, S. Inversely tracking indoor airborne particles to locate their release sources. Atmos. Environ. 2012, 55, 328–338. [Google Scholar] [CrossRef]
- Yang, Y.; Liu, J.; Wang, W.; Cao, Y.; Li, H. Incorporating SLAM and mobile sensing for indoor CO2 monitoring and source position estimation. J. Clean. Prod. 2021, 291, 125780. [Google Scholar] [CrossRef]
- Fong, I.H.; Li, T.; Fong, S.; Wong, R.K.; Tallón-Ballesteros, A.J. Predicting concentration levels of air pollutants by transfer learning and recurrent neural network. Knowl.-Based Syst. 2020, 192, 105622. [Google Scholar] [CrossRef]
- Zhang, H.-L.; Li, B.; Shang, J.; Wang, W.-W.; Zhao, F.-Y. Source term estimation for continuous plume dispersion in Fusion Field Trial-07: Bayesian inference probability adjoint inverse method. Sci. Total Environ. 2024, 915, 169802. [Google Scholar] [CrossRef] [PubMed]
- Wang, F.; Zhou, X.; Kikumoto, H.; Okaze, T. Detector configuration optimization based on wind tunnel tests using normalized adjoint concentration gradient for urban spatial source parameters estimation. Build. Environ. 2024, 248, 111094. [Google Scholar] [CrossRef]
- Chen, Y.C.; Cai, H.; Chen, Z.L.; Feng, Q. Indoor Time-Varying Pollution Source Location Method Based on Active Olfaction. J. PLA Univ. Sci. Technol. (Nat. Sci. Ed.) 2016, 17, 257–263. [Google Scholar]
- Zhang, H.G. Research on the Identification of Indoor Pollution Source Characteristics Using Machine Learning Methods. Ph.D. Thesis, Nanjing University, Nanjing, China, 2018. [Google Scholar] [CrossRef]
- Bayat, B.; Crasta, N.; Li, H.; Ijspeert, A. Optimal search strategies for pollutant source localization. In Proceedings of the 2016 IEEE/RSJ International Conference on Intelligent Robots and Systems (IROS), Daejeon, Republic of Korea, 9–14 October 2016. [Google Scholar]
- Dai, Y.; Zhang, F.; Wang, H. Identification of source location in a single-sided building with natural ventilation: Case of interunit pollutant dispersion. J. Build. Eng. 2023, 68, 106049. [Google Scholar] [CrossRef]
- Waeytens, J.; Sadr, S. Computer-aided placement of air quality sensors using adjoint framework and sensor features to localize indoor source emission. Build. Environ. 2018, 144, 184–193. [Google Scholar] [CrossRef]
- Yang, Y.; Yang, H.; Li, Q.; Zhang, L.; Dong, Z. Simulation Study on Airflow Organization and Environment in Reconstructed Fangcang Shelter Hospital Based on CFD. Buildings 2023, 13, 1269. [Google Scholar] [CrossRef]
- Yang, J.; Ding, T.; Deng, Q.; Li, Z.; Wang, Y.; Wu, J.; Shi, M. A Multi-UAV Indoor Air Real-Time Detection and Gas Source Localization Method Based on Improved Teaching–Learning-Based Optimization. Atmos. Environ. 2024, 318, 120200. [Google Scholar] [CrossRef]
- Xu, X.; Li, Q.; Li, S.; Kang, F.; Wan, G.; Wu, T.; Wang, S. Crack Width Recognition of Tunnel Tube Sheet Based on YOLOv8 Algorithm and 3D Imaging. Buildings 2024, 14, 531. [Google Scholar] [CrossRef]
- Wang, H.; Lu, S.; Cheng, J.; Zhai, Z. Inverse modeling of indoor instantaneous airborne contaminant source location with adjoint probability-based method under dynamic airflow field. Build. Environ. 2017, 117, 178–190. [Google Scholar] [CrossRef]
- Yan, T.; Shen, S.-L.; Zhou, A. Data augmentation-assisted muck image recognition during shield tunnelling. Undergr. Space 2025, 21, 370–383. [Google Scholar] [CrossRef]
- Li, J.; Guo, J.; Li, B.; Meng, L. Novel Instance-Based Transfer Learning for Asphalt Pavement Performance Prediction. Buildings 2024, 14, 852. [Google Scholar] [CrossRef]
- Xiang, Z. Research on the Optimization of LeNet—5 Convolutional Neural Network Based on Particle Swarm Algorithm. Master’s Thesis, Huazhong University of Science and Technology, Wuhan, China, 2016. [Google Scholar]
- Imani, A.; Hosseinzadeh, M.; Kasiri, N.; Khalili-Garakani, A. Production of dimethyl ether from synthesis gas in membrane fixed bed reactor using mathematical model, artificial neural networks, and response surface methodology. Fuel 2025, 381, 133539. [Google Scholar] [CrossRef]
- Zhao, H.; Bing, H. Prediction of the Unconfined Compressive Strength of Salinized Frozen Soil Based on Machine Learning. Buildings 2024, 14, 641. [Google Scholar] [CrossRef]
- Wang, F.; Zhou, X.; Kikumoto, H. Improvement of optimization methods in indoor time-variant source parameters estimation combining unsteady adjoint equations and flow field information. Build. Environ. 2022, 226, 109710. [Google Scholar] [CrossRef]







Disclaimer/Publisher’s Note: The statements, opinions and data contained in all publications are solely those of the individual author(s) and contributor(s) and not of MDPI and/or the editor(s). MDPI and/or the editor(s) disclaim responsibility for any injury to people or property resulting from any ideas, methods, instructions or products referred to in the content. |
© 2025 by the authors. Licensee MDPI, Basel, Switzerland. This article is an open access article distributed under the terms and conditions of the Creative Commons Attribution (CC BY) license (https://creativecommons.org/licenses/by/4.0/).
Share and Cite
Ye, T.; Han, M. Indoor Air Pollution Source Localization Based on Small-Sample Training Convolutional Neural Networks. Buildings 2025, 15, 1244. https://doi.org/10.3390/buildings15081244
Ye T, Han M. Indoor Air Pollution Source Localization Based on Small-Sample Training Convolutional Neural Networks. Buildings. 2025; 15(8):1244. https://doi.org/10.3390/buildings15081244
Chicago/Turabian StyleYe, Tiancheng, and Mengtao Han. 2025. "Indoor Air Pollution Source Localization Based on Small-Sample Training Convolutional Neural Networks" Buildings 15, no. 8: 1244. https://doi.org/10.3390/buildings15081244
APA StyleYe, T., & Han, M. (2025). Indoor Air Pollution Source Localization Based on Small-Sample Training Convolutional Neural Networks. Buildings, 15(8), 1244. https://doi.org/10.3390/buildings15081244

