Strength and Stiffness of Corrugated Plates Subjected to Bending
Abstract
1. Introduction
1.1. Research on Lateral Buckling of Beams
1.2. Research on Continuous Stiffening Effect on Lateral Buckling of Beams
1.3. Studies on Width-to-Thickness Ratios of Cold-Formed Members
1.4. Studies on Bending Performance of Corrugated Plates
2. Outline of Bending Experiment on Corrugated Plates
2.1. Outline of Bending Experiment Apparatus
2.2. Loading Protocols
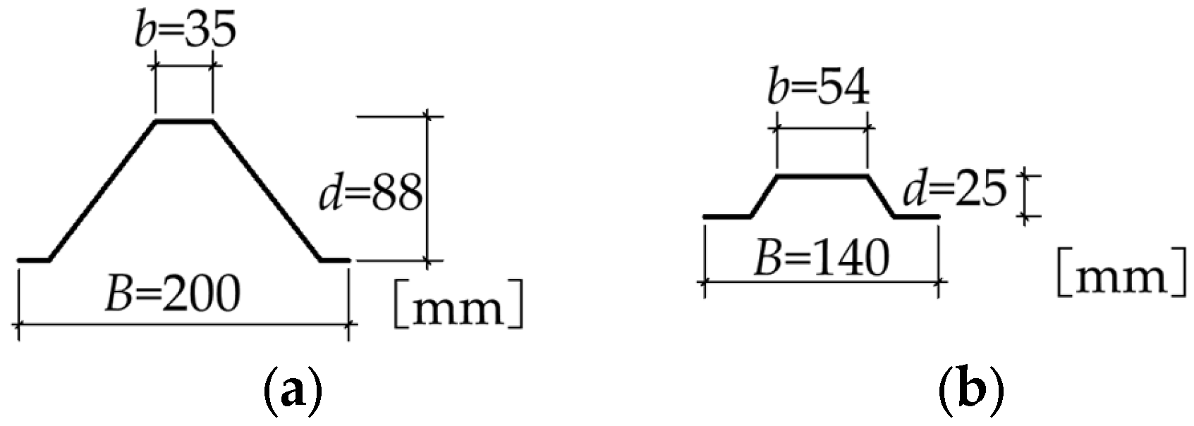
2.3. Specimen Configuration
2.4. Material Properties
2.5. Measurement Methods
3. Results of Bending Experiment on Corrugated Plates
3.1. Bending Moment of Corrugated Plates
3.2. Stress State of Corrugated Plates
3.3. Deformation Mechanism of Corrugated Plates
4. Bending Performance of Corrugated Plates
4.1. Outline of Finite Element Analysis
4.2. Bendig Strength and Stiffness of Corrugated Plates
5. Conclusions
- (1)
- Through the stress distribution within the corrugated plate from the corrugated plate bending experiment, it was determined that localized deformation of the flange and web on one side contributes to a reduction in both load capacity and initial stiffness.For the width-to-thickness ratio of the web plate exceeding that of the flange plate, the reduction in load after reaching the maximum load becomes more pronounced due to the localized bending deformation of the web. For the width-to-thickness ratio of the web plate that is smaller than that of the flange plate, the initial bending stiffness of the corrugated plate diminishes because of the localized bending deformation of the flange.
- (2)
- By investigating the correlation between the bending performance of corrugated plates, as determined through numerical analysis and the width-to-thickness ratio standards of various countries, it was concluded that the bending performance of these plates can be accurately assessed using the values stipulated in the Eurocode.For corrugated plates with a width-to-thickness ratio below the Eurocode-specified threshold, the bending load corresponding to the initial reduction in stiffness was approximately 80% of the maximum bending load, and the initial bending stiffness matched the theoretical bending stiffness. Furthermore, the secant stiffness of the corrugated plate at maximum load decreased as the width-to-thickness ratio declined, with reductions reaching up to 20% of the initial bending stiffness. For corrugated plates with a width-to-thickness ratio exceeding the Eurocode-specified threshold, the maximum bending load was reduced to approximately 50% of the yield load, while the initial bending stiffness was reduced to around 95% of the theoretical bending stiffness.
Author Contributions
Funding
Data Availability Statement
Conflicts of Interest
References
- Ishida, T.; Iyama, J.; Kishiki, S.; Shimada, Y.; Yamada, S.; Seike, T. Structural Damage to School Gymnasiums due to the 2016 Kumamoto Earthquake. J. Technol. Des. (Trans. AIJ) 2018, 58, 1313–1318. (In Japanese) [Google Scholar] [CrossRef]
- Suzuki, A.; Fujita, T.; Kimura, Y. Identifying damage mechanisms of gymnasium structure damaged by the 2011 Tohoku earthquake based on biaxial excitation. Structures 2022, 35, 1321–1338. [Google Scholar] [CrossRef]
- Okazaki, T.; Lignos, D.G.; Midorikawa, M.; Ricles, J.M.; Love, J. Damage to steel buildings observed after the 2011 Tohoku-Oki earthquake. Earthq. Spectra 2013, 29, 219–243. [Google Scholar] [CrossRef]
- Nakashima, M.; Inoue, K.; Tada, M. Classification of damage to steel buildings observed in the 1995 Hyogoken-Nanbu earthquake. Eng. Struct. 1998, 20, 271–281. [Google Scholar] [CrossRef]
- Timoshenko, S. Beam Without Lateral Support; American Society of Civil Engineers: Reston, VA, USA, 1924; Volume 87. [Google Scholar]
- Bleich, F. Buckling Strength of Metal Structures; McGraw-Hill: New York, NY, USA, 1952; Volume 405. [Google Scholar]
- Nethercot, D.A.; Rockey, K.C. A Unified Approach to the Elastic Lateral Buckling of Beams. Struct. Eng. 1971, 49, 96–107. [Google Scholar] [CrossRef]
- Suzuki, T. Lateral Buckling of Open Web. Trans. Archit. Inst. Jpn. (Trans. AIJ) 1960, 166, 537–540. (In Japanese) [Google Scholar]
- Hancock, G.J. Local, distortional, and lateral buckling of I-beams. J. Struct. Div. 1978, 104, 1787–1798. [Google Scholar] [CrossRef]
- Linder, J. Design of steel beams and beam column. Eng. Struct. 1997, 19, 378–384. [Google Scholar] [CrossRef]
- Pi, Y.L.; Trahair, N.S. Prebuckling deflections and lateral buckling. I: Theory. J. Struct. Eng. 1992, 118, 2949–2966. [Google Scholar] [CrossRef]
- Tong, G.; Zhang, L. A general theory for the flexural-torsional buckling of thin-walled members I: Energy method. Adv. Struct. Eng. 2003, 6, 293–298. [Google Scholar] [CrossRef]
- Trahair, N.S. Laterally unsupported beams. Eng. Struct. 1996, 18, 759–768. [Google Scholar] [CrossRef]
- Vrcelj, Z.; Bradford, M.A. Elastic distortional buckling of continuously restrained I-section beam-columns. J. Constr. Steel Res. 2006, 62, 223–230. [Google Scholar] [CrossRef]
- Lebastard, M.; Couchaux, M.; Bureau, A.; Hjiaj, M. Lateral-torsional buckling of uniform and tapered welded I-section beams. Eng. Struct. 2024, 303, 117301. [Google Scholar] [CrossRef]
- Yura, J.A. Fundamentals of beam bracing. Eng. J. Am. Inst. Steel Constr. 2001, 38, 11–26. [Google Scholar] [CrossRef]
- Kimura, Y.; Yoshino, Y. Effect of Lateral and Rotational Restraint for Bracings on Lateral Buckling Load for H-Shaped Beams under Moment Gradient. J. Struct. Constr. Eng. (Trans. AIJ) 2014, 79, 761–770. (In Japanese) [Google Scholar] [CrossRef][Green Version]
- Architectural Institute of Japan (AIJ). Recommendation for Limit State Design of Steel Structures; Maruzen Publishing Co., Ltd.: Tokyo, Japan, 2011. [Google Scholar]
- Architectural Institute of Japan (AIJ). Recommendations for Stability Design of Steel Structures; Maruzen Publishing Co., Ltd.: Tokyo, Japan, 2012. [Google Scholar]
- Architectural Institute of Japan (AIJ). Design Standard for Structures-Based on Allowable Stress Concept; Maruzen Publishing Co., Ltd.: Tokyo, Japan, 2012. [Google Scholar]
- EN 1993-1-1; Eurocode-3: Design of Steel Structures Part 1-1: General Rules and Rules for Buildings. European Committee for Standardization: Brussels, Belgium, 2005.
- AISC: American Institute of Steel Construction. Specification for Structural Steel Buildings; American Institute of Steel Construction: New York, NY, USA, 2016. [Google Scholar]
- Nguyen, C.T.; Moon, J.; Lee, H.E. Lateral-torsional buckling of I-girders with discrete torsional bracings. J. Constr. Steel Res. 2010, 66, 170–177. [Google Scholar] [CrossRef]
- Kimura, Y.; Yoshino, Y. Required Bracing Capacity on Lateral Buckling Strength for H-Shaped Beams with Bracings. J. Struct. Constr. Eng. (Trans. AIJ) 2011, 76, 2143–2152. (In Japanese) [Google Scholar] [CrossRef][Green Version]
- Liu, D.; Nakashima, M.; Kanao, I. Behavior to complete failure of steel beams subjected to cyclic loading. Eng. Struct. 2003, 25, 525–535. [Google Scholar] [CrossRef]
- Ji, X.L.D.; Twizell, S.C.; Driver, R.G.; Imanpour, A. Lateral Torsional Buckling Response of Compact I-Shaped Welded Steel Girders. J. Struct. Eng. 2022, 148, 04022149. [Google Scholar] [CrossRef]
- Mohammadi, E.; Hosseini, S.S.; Rohanimanesh, M.S. Elastic lateral-torsional buckling strength and torsional bracing stiffness requirement for monosymmetric I-beams. Eng. Struct. 2016, 104, 116–125. [Google Scholar] [CrossRef]
- Nguyen, C.T.; Joo, H.S.; Moon, J.; Lee, H.E. Flexural-torsional buckling strength of I-girders with discrete torsional braces under various loading conditions. Eng. Struct. 2022, 36, 337–350. [Google Scholar] [CrossRef]
- Japan Metal Roofing Association. Standard of Steel Roofing (SSR); Japan Metal Roofing Association: Tokyo, Japan, 2007. [Google Scholar]
- JIS-A6514; Component for Metal Roof-Decks. Japanese Industrial Standards Committee: Tokyo, Japan, 2019. (In Japanese)
- Bradford, M.A.; Gao, Z. Distortional buckling solutions for continuous composite beams. J. Struct. Eng. 1992, 118, 73–89. [Google Scholar] [CrossRef]
- Rossi, A.; Nicoletti, R.S.; de Souza, A.S.C.; Martins, C.H. Lateral distortional buckling in steel-concrete composite beams: A review. Structures 2020, 27, 1299–1312. [Google Scholar] [CrossRef]
- Suzuki, A.; Liao, W.; Shibata, D.; Yoshino, Y.; Kimura, Y.; Shimoi, N. Structural damage detection technique of secondary building components using piezoelectric sensors. Buildings 2023, 13, 2368. [Google Scholar] [CrossRef]
- Egilmez, O.O.; Herman, R.S.; Helwig, T.A. Lateral stiffness of steel bridge I-girders braced by metal deck forms. J. Bridge Eng. 2009, 14, 17–25. [Google Scholar] [CrossRef]
- Suzuki, A.; Kimura, Y.; Matsuda, Y.; Kasai, K. Rotation capacity of I-shaped beams with concrete slab in buckling-restrained braced frames. J. Struct. Eng. 2024, 150, 04023204. [Google Scholar] [CrossRef]
- Bradford, M.A. Lateral-distortional buckling of continuously restrained columns. J. Constr. Steel Res. 1997, 42, 121–139. [Google Scholar] [CrossRef]
- Yoshino, Y.; Liao, W.; Kimura, Y. Restraint effect on lateral buckling load of continuous braced H-shaped beams based on partial frame loading tests. J. Struct. Constr. Eng. (Trans. AIJ) 2022, 87, 634–645. (In Japanese) [Google Scholar] [CrossRef]
- Kimura, Y.; Yoshino, Y.; Ogawa, J. Effect of Lateral-Rotational Restraint and Strength of Continuously Braces on Lateral Buckling Load for H-Shaped Beams. J. Struct. Constr. Eng. (Trans. AIJ) 2013, 78, 193–201. (In Japanese) [Google Scholar] [CrossRef]
- Kimura, Y.; Yoshino, Y. Effect of Lateral-Rotational Restraint of Continuous Braces on Lateral Buckling Strength for H-Shaped Beams with Flexural Moment Gradient. J. Struct. Constr. Eng. (Trans. AIJ) 2016, 81, 1309–1319. (In Japanese) [Google Scholar] [CrossRef][Green Version]
- Kimura, Y.; Miya, M. Effect of Warping Restraint of Beams to Column Joint on Lateral Buckling Behavior for H-Shaped Beams with Continuous Braces under Gradient Flexural Moment. J. Struct. Constr. Eng. (Trans. AIJ) 2019, 84, 1601–1611. (In Japanese) [Google Scholar] [CrossRef]
- Kimura, Y.; Sato, Y.; Suzuki, A. Effect of fork restraint of column on lateral buckling behavior for H-shaped steel beams with continuous braces under flexural moment gradient. J. Struct. Constr. Eng. (Trans. AIJ) 2022, 87, 316–327. (In Japanese) [Google Scholar] [CrossRef]
- Yoshino, Y.; Kimura, Y. Rotational Stiffening Performance of Roof Folded Plates in Torsion Tests and the Stiffening Effect of Roof Folded Plates on the Lateral Buckling of H Beams in Steel Structures. Buildings 2024, 14, 1158. [Google Scholar] [CrossRef]
- Yu, C.; Schafer, B.W. Simulations of cold-formed steel beams in local and distortional buckling with applications to the direct strength method. J. Constr. Steel Res. 2007, 63, 581–590. [Google Scholar] [CrossRef]
- Nazmeeva, T.V.; Vatin, N.I. Numerical investigations of notched C-profile compressed members with initial imperfections. Mag. Civ. Eng. 2016, 62, 92–101. [Google Scholar] [CrossRef]
- Pham, C.H.; Hancock, G.J. Numerical simulation of high strength cold-formed purlins in combined bending and shear. J. Constr. Steel Res. 2010, 66, 1205–1217. [Google Scholar] [CrossRef]
- Haidarali, M.R.; Nethercot, D.A. Finite element modelling of cold-formed steel beams under local buckling or combined local/distortional buckling. Thin-Walled Struct. 2011, 49, 1554–1562. [Google Scholar] [CrossRef]
- Salhab, B.; Wang, Y.C. Equivalent thickness of cold-formed thin-walled channel sections with perforated webs under compression. Thin-Walled Struct. 2008, 46, 823–838. [Google Scholar] [CrossRef]
- Hui, C.; Gardner, L.; Nethercot, D.A. Moment redistribution in cold-formed steel continuous beams. Thin-Walled Struct. 2016, 98, 465–477. [Google Scholar] [CrossRef]
- Keerthan, P.; Mahendran, M.; Hughes, D. Numerical studies and design of hollow flange channel beams subject to combined bending and shear actions. Eng. Struct. 2014, 75, 197–212. [Google Scholar] [CrossRef][Green Version]
- Sundararajah, L.; Mahendran, M.; Keerthan, P. Numerical Modeling and Design of Lipped Channel Beams Subject to Web Crippling under One-Flange Load Cases. J. Struct. Eng. 2019, 145, 04019094. [Google Scholar] [CrossRef]
- Fujak, S.M.; Kimura, Y.; Suzuki, A. Estimation of elastoplastic local buckling capacities and novel classification of I-beams based on beam’s elastic local buckling strength. Structures 2022, 39, 765–781. [Google Scholar] [CrossRef]
- Johansson, G. Single load on trapezoidal steel sheet. IABSE Rep. 1986, 49, 99–106. [Google Scholar]
- Degtyarev, V.V.; Degtyareva, N.V. Elastic stability of uniformly compressed plates perforated in triangular patterns. Thin-Walled Struct. 2012, 52, 165–173. [Google Scholar] [CrossRef]
- Degtyarev, V.V. Flexural strength of steel decks with square and rectangular holes: Numerical studies. J. Constr. Steel Res. 2020, 172, 106241. [Google Scholar] [CrossRef]
- Degtyarev, V.V. Finite element modeling of cold-formed steel deck in bending. Mag. Civ. Eng. 2020, 2, 129–144. [Google Scholar]
- Casafont, M.; Marimon, F.; Bové, O.; Ferrer, M.; Centelles, X. Local buckling of cold-formed steel trapezoidal sheets: Data for finite element model validation. Data Brief 2024, 53, 110075. [Google Scholar] [CrossRef] [PubMed]
- Bahr, E.S. Transverse Load Distribution for a Concentrated Load on Steel Deck with Plywood Overlay. Master’s Thesis, University of Missouri, Rolla, MO, USA, 2006. [Google Scholar]
- Šorf, M.; Jandera, M. Trapezoidal sheet hangers and concentrated or linear load distribution in profiled sheeting. Ce/Pap. 2017, 1, 1563–1570. [Google Scholar] [CrossRef]
- Degtyarev, V.V. Concentrated load distribution in corrugated steel decks: A parametric finite element study. Eng. Struct. 2020, 206, 110158. [Google Scholar] [CrossRef]
- Degtyarev, V.V. A finite element study of corrugated steel deck subjected to concentrated loads. In Proceedings of the Wei-Wen Yu International Specialty Conference on Cold-Formed Steel Structures 2018, St. Louis, MO, USA; 2018; pp. 731–745. [Google Scholar]
- Steel Deck Institute. Standard for Steel Roof Deck; Steel Deck Institute: Allison Park, PA, USA, 2017. [Google Scholar]
- Steel Deck Institute. Roof Deck Design Manual; Steel Deck Institute: Allison Park, PA, USA, 2012. [Google Scholar]
- Steel Deck Institute. Manual of Construction with Steel Deck; Steel Deck Institute: Allison Park, PA, USA, 2016. [Google Scholar]
- AISI S100-16; North American Specification for the Design of Cold-Formed Steel Structural Members. American Iron and Steel Institute: Washington, DC, USA, 2016.
- AS/NZS 4600:2018; Cold-Formed Steel Structures. Standards Australia/Standards New Zealand: Sidney, Australia, 2018.
- EN 1993-1-3; Eurocode-3: Design of Steel Structures Part1-3: Supplementary Rules for Cold-Formed Members and Sheeting. European Committee for Standardization: Brussels, Belgium, 2006.
- Dudenbostel, R.K.; Sputo, T. Application of the Direct Strength Method to steel deck. In Proceedings of the Wei-Wen Yu International Specialty Conference on Cold-Formed Steel Structures 2016, Baltimore, MD, USA, 9–10 November 2016; pp. 665–679. [Google Scholar]
- Raebel, C.; Gwozdz, D. Comparison of experimental and numerical results for flexural capacity of light-gage steel roof deck. In Proceedings of the Wei-Wen Yu International Specialty Conference on Cold-Formed Steel Structures 2018, St. Louis, MO, USA, 7–8 November 2018; pp. 55–67. [Google Scholar]
- Palisson, A. Guidelines and Recommendations for Integrating Specific Profiled Steels Sheets in Eurocodes (GRISPE); D 3.1 Perforated Profiles; Sokol Palisson Consultants: Paris, France, 2018; Available online: http://www.grispeplus.eu/wp-content/uploads/2017/09/D31_WP3_background_document_FinalVersion01.pdf (accessed on 1 January 2025).
- Yoshino, Y.; Kimura, Y. Database of Buckling Stiffening for Roof Members Based on a Survey of Steel Structures in Tohoku Prefecture. J. Technol. Des. 2024, 30, 762–767. (In Japanese) [Google Scholar] [CrossRef]
- Coni, N.; Gipiela, M.L.; D’Oliveira, A.S.C.M.; Marcondes, P.V.P. Study of the mechanical properties of the hot dip galvanized steel and galvalume. J. Braz. Soc. Mech. Sci. Eng. 2009, 32, 319–326. [Google Scholar] [CrossRef]
- JIS Z 2241; Metallic Materials-Tensile Testing Method of Test at Room Temperature. Japan Industrial Standards (JIS): Tokyo, Japan, 2011.
- Suzuki, A.; Kimura, Y. Rotation capacity of I-beams under cyclic loading with different kinematic/isotropic hardening characteristics. J. Constr. Steel Res. 2024, 223, 109007. [Google Scholar] [CrossRef]
- Dassault Systèmes. ABAQUS/Standard User’s Manual Version 2024-6.14-2; Dassault Systèmes: Vélizy-Villacoublay, France, 2024. [Google Scholar]
- Gardner, L.; Yun, X. Description of stress-strain curves for cold-formed steels. Constr. Build. Mater. 2018, 189, 527–538. [Google Scholar] [CrossRef]
- EN 1993-1-5; Eurocode-3: Design of Steel Structures Part 1-5: Plated Structural Elements. European Committee for Standardization: Brussels, Belgium, 2006.
- Vlachoutsis, S. Shear correction factors for plates and shells. Int. J. Numer. Methods Eng. 1992, 33, 1537–1552. [Google Scholar] [CrossRef]





















| Cross-Section | t (mm) | E (×103 N/mm2) | σy (N/mm2) | σu (N/mm2) |
|---|---|---|---|---|
| Thickness | Young’s Modulus | Yield Strength | Ultimate Strength | |
| Type A | 0.6 | 165 | 303 | 361 |
| 0.8 | 179 | 332 | 384 | |
| 1.0 | 177 | 318 | 388 | |
| Type B | 0.6 | 185 | 352 | 401 |
| Specimen | Cross-Section | Number of Units | Thickness of Specimen | Length of Specimen |
|---|---|---|---|---|
| Length of Unit B (mm) | (mm) | L (mm) | ||
| A1-0.6-18 | Type A | One unit 200 mm | 0.6 | 1800 |
| A1-0.8-18 | 0.8 | |||
| A1-1.0-18 | 1.0 | |||
| A3-0.6-18 | Three units 600 mm | 0.6 | ||
| A3-0.8-18 | 0.8 | |||
| A3-1.0-18 | 1.0 | |||
| B1-0.6-8 | Type B | One unit 140 mm | 0.6 | 800 |
| B1-0.6-12 | 1200 | |||
| B3-0.6-8 | Three units 420 mm | 800 | ||
| B3-0.6-12 | 1200 |
| Cross-Section | t (mm) | E (×103 N/mm2) | σy (N/mm2) | σy,t (N/mm2) | εy,t (×10−6) |
|---|---|---|---|---|---|
| Thickness | Young’s Modulus | Yield Strength | True Stress | True Strain | |
| Type A | 0.6 | 165 | 303 | 361 | 0.0363 |
| 0.8 | 179 | 332 | 384 | 0.0238 | |
| 1.0 | 177 | 318 | 388 | 0.0395 | |
| Type B | 0.6 | 185 | 352 | 401 | 0.0411 |
Disclaimer/Publisher’s Note: The statements, opinions and data contained in all publications are solely those of the individual author(s) and contributor(s) and not of MDPI and/or the editor(s). MDPI and/or the editor(s) disclaim responsibility for any injury to people or property resulting from any ideas, methods, instructions or products referred to in the content. |
© 2025 by the authors. Licensee MDPI, Basel, Switzerland. This article is an open access article distributed under the terms and conditions of the Creative Commons Attribution (CC BY) license (https://creativecommons.org/licenses/by/4.0/).
Share and Cite
Yoshino, Y.; Kimura, Y. Strength and Stiffness of Corrugated Plates Subjected to Bending. Buildings 2025, 15, 469. https://doi.org/10.3390/buildings15030469
Yoshino Y, Kimura Y. Strength and Stiffness of Corrugated Plates Subjected to Bending. Buildings. 2025; 15(3):469. https://doi.org/10.3390/buildings15030469
Chicago/Turabian StyleYoshino, Yuki, and Yoshihiro Kimura. 2025. "Strength and Stiffness of Corrugated Plates Subjected to Bending" Buildings 15, no. 3: 469. https://doi.org/10.3390/buildings15030469
APA StyleYoshino, Y., & Kimura, Y. (2025). Strength and Stiffness of Corrugated Plates Subjected to Bending. Buildings, 15(3), 469. https://doi.org/10.3390/buildings15030469

