HVAC Design Optimization for Pharmaceutical Facilities with BIM and CFD
Abstract
1. Introduction
- Literature Review: This section reviews relevant scholarly work published in the last two decades on HVAC design and CFD simulations.
- Methodology: This section details the research theoretical methods of establishing the design requirements, modeling the airflow conditions, and creating the evolution simulation with a genetic algorithm.
- Model Development: This section describes the workflow of developing the BIM model of the experiment facility, including creating boundary conditions and dividing it with CFD meshing.
- Simulation Results: This section presents the results of the initial simulation of air temperature.
- Design Optimization: This section details the design changes based on the initial simulation and optimization results.
- Site Validation: This section validates the design optimization by collecting temperature data on the real experiment site.
- Limitations: This section summarized the limitations and challenges that the CFD simulation study has in HVAC design optimization.
2. Literature Review
3. Methodology
3.1. Design Requirements
- Develop a CFD model based on the layout of the pharmaceutical QC lab.
- Validate the proposed design with CFD software ANSYS Fluent v18.2 for a target temperature of 22 °C ± 1 °C.
- Revise the proposed design based on the CFD simulation results.
- Implement the revised design in the construction stage of the pharmaceutical QC lab.
3.2. Air Flow Model
- The treated air in the QC laboratory area should be defined as a Newtonian fluid, of which the volume does not change.
- The gas in the QC laboratory area is relatively viscous and the trajectory of the gas is relatively fixed, so the thermal influence caused by the fluid viscous force cannot be included.
- The impact of the external environment on the indoor air flow direction, temperature, and humidity can be ignored. This is because the entire QC laboratory experimental area passed the airtightness test during the construction stage, making gas leakage nearly impossible.
- Since there is no gas phase transition during the entire fluid motion simulation process, the influence of latent heat and gas energy dissipation is not considered.
3.3. Genetic Algorithm
- Problem Definition: Define the objectives of the simulation, including the physical phenomena to be modeled. Specify the geometry of the domain of interest, including boundaries, inlets, outlets, and solid surfaces.
- Pre-processing: Import or create the domain’s geometric model using CAD software AutoCAD 2022. Clean up and prepare the geometry, including mesh generation, to discretize the domain into computational cells or elements. Define boundary conditions, including fluid properties, inflow/outflow conditions, wall properties, and initial conditions.
- Mesh Generation: Generate a computational mesh or grid that discretizes the domain into small elements or cells. Ensure mesh quality, including resolution, aspect ratio, and boundary layer refinement, to capture flow features accurately. Perform grid independence studies to assess the sensitivity of the results to mesh resolution.
- Model Setup: Select appropriate physical models and equations to represent fluid behavior, turbulence, heat transfer, and other relevant phenomena. Choose turbulence models (e.g., k-epsilon, Large Eddy Simulation) based on the available flow characteristics and computational resources. Define solver settings, including discretization schemes, convergence criteria, and solution methods.
- Simulation: Solve the governing equations numerically using a CFD solver, such as finite volume or finite element methods. Iteratively solve flow variables (e.g., velocity, pressure, temperature) within each computational cell or element until convergence is achieved. Monitor solution convergence and adjust solver settings as needed.
- Post-processing: Analyze and visualize simulation results using post-processing tools. Generate contour plots, streamlines, velocity vectors, and other visualizations to understand flow patterns and phenomena. Extract quantitative data such as pressure drops, heat transfer coefficients, and fluid velocities for further analysis and comparison.
- Validation and Verification: Compare simulation results with experimental data or analytical solutions to validate the accuracy of the CFD model. Conduct sensitivity analyses and uncertainty quantification to assess the robustness of the results and identify sources of error.
- Interpretation and Reporting: Interpret simulation results in the context of the problem objectives and provide insights into fluid behavior, heat transfer, and other phenomena. Document the simulation methodology, assumptions, and results in a comprehensive report or presentation. Communicate findings to stakeholders and make recommendations for design improvements or further analysis.
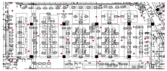
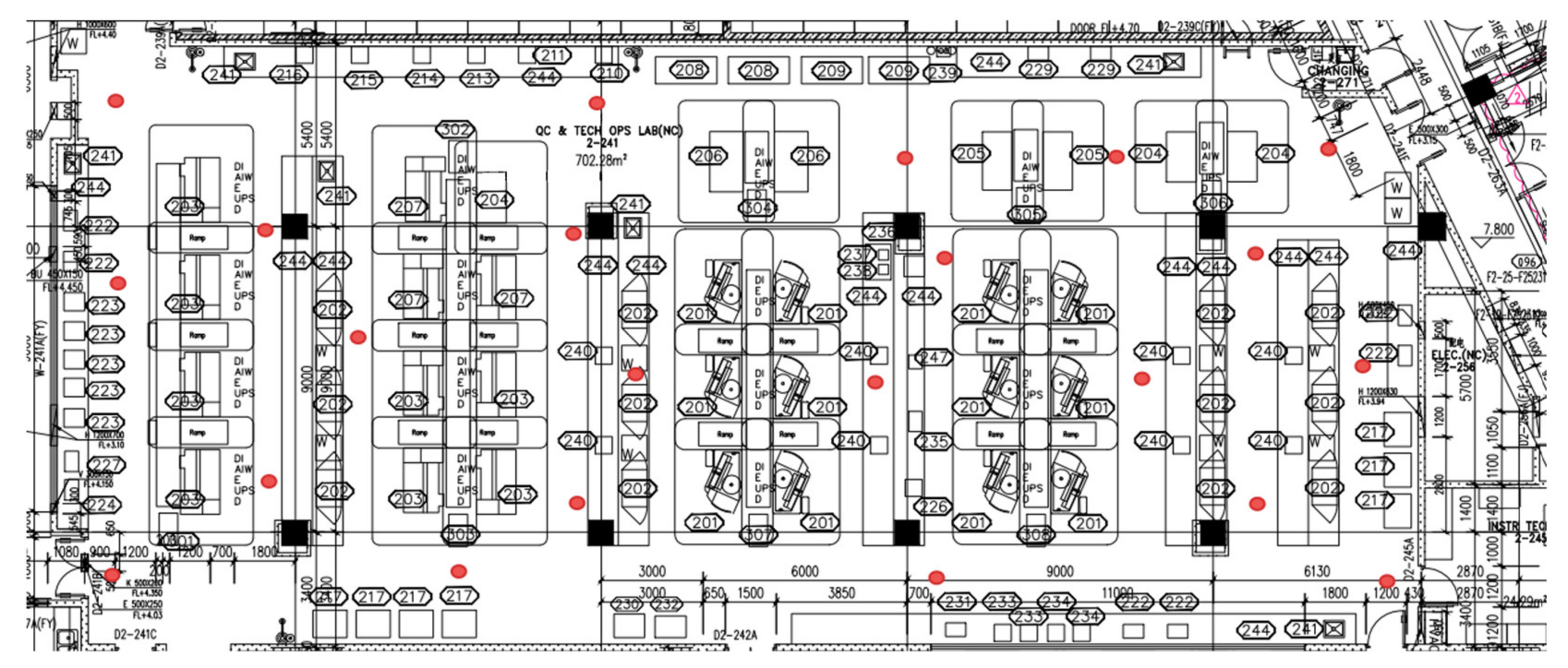
4. Model Development
4.1. BIM Modeling
4.2. Boundary Conditions
4.3. CFD Meshing
5. Simulation Results
- The average temperature of the pharmaceutical QC room was about 26 °C.
- The temperature in the QC laboratory area did not meet the requirement of 22 °C ± 1 °C.
- Overheating occurred in the center area of the room.
- There were overcooled areas at the northeast and northwest corners of the QC room.

- High heat production equipment is located in a small area, resulting in an unevenly distributed heat load in the QC test area and high temperature in the central area.
- Few air outlets are designed for high heat load areas, resulting in low air volume and flow velocity. The trajectory of the air flow did not sufficiently mix with cold air to fully cool the entire room.
- Only one temperature sensor is placed in the QC area, which is not sensitive to temperature changes and lacks the flexibility to be adjusted due to heat load changes.
6. Design Optimization
6.1. Proposed Optimization
- The heating load of the entire area has been recalculated accordingly and a different AHU system has been selected to meet the requirement of heating load change.
- The original grille diffusers have been replaced by four-way swirl diffusers with higher wind speeds and a larger mixing area. A comparison between the original and new diffuser is demonstrated in Figure 8.
- The positioning of the original terminal air outlet has been optimized to facilitate thorough mixing of the cold air, thereby better fulfilling the airflow requirements.
- The original automatic control strategy has been updated. The entire area has been divided into five independent temperature control zones, as shown in Figure 9. High-sensitivity temperature sensors are used in each zone to ensure the accuracy of the signal output. Furthermore, the parameters of the Programmable Logic Controller (PLC) have also been modified based on the simulation results.
- The number of terminal AHU system diffusers has been increased to 19.
- The number of FCU swirl diffusers has been increased to 48.
- The modified design airflow of the AHU is 12,730 CMH with an air outlet temperature of 11.4 °C and an absolute humidity of 8.2 g/kg.
- The modified design airflow of each individual FCU is 2010 CMH with a cooling capacity of 13 kW.
- The exhaust air system consists of the AHU return air system and process equipment exhaust system. The number of AHU return air system outlets has been changed to four with an exhaust volume of 1525 CMH per outlet. In terms of the process equipment exhaust system, the air volume of each biological safety cabinet has been changed to 1150 CMH, whereas the air volume of the fume hood has been changed to 2000 CMH.
- The details of the optimization changes of the equipment parameters are compared in Table 2.
6.2. Optimization Results
- The temperature in the QC laboratory area meets the requirement of 22 ± 1 °C.
- The average temperature in the entire room is approximately 22.3 °C.
- There are no areas in the room experiencing overheating.
- There might be a possibility of cold spots in the eastern corner due to the unstable operation of process equipment. Therefore, it is necessary to enhance the response speed of the FCU’s automatic control intervention to avoid such occurrences.
- For specific data trends, please refer to Figure 10.
7. Site Validation
8. Limitations
- Computational Complexity: CFD simulations can be computationally intensive, requiring significant computational resources (e.g., CPU time, memory, storage) and expertise to set up and run. Complex HVAC systems with intricate geometries, multiple components, and transient phenomena may increase computational demands.
- Model Assumptions and Simplifications: Simplifications and assumptions are often made in CFD models to reduce computational costs and complexity, potentially leading to inaccuracies in results. Assumptions regarding boundary conditions, turbulence models, and fluid properties may not always capture the full complexity of real-world phenomena.
- Validation and Verification Challenges: Validating CFD results against experimental data or field measurements can be challenging, especially in pharmaceutical facilities with limited access to real-world data. Verification of CFD models to ensure numerical stability, convergence, and grid independence requires careful consideration and may not always be straightforward.
- Uncertainty and Sensitivity Analysis: Uncertainties in input parameters, model assumptions, and boundary conditions can propagate through CFD simulations, affecting the reliability and robustness of results. Sensitivity analyses are necessary to assess the impact of uncertainties on simulation outcomes and identify sources of variability.
- Limited Availability of Input Data: Accurate input data, including fluid properties, HVAC system specifications, and environmental conditions, are crucial for meaningful CFD simulations. Obtaining comprehensive and reliable input data, especially for pharmaceutical facilities with specialized requirements, can be challenging and may require experimental testing or empirical correlations.
- Interdisciplinary Collaboration: Successful implementation of CFD for HVAC design optimization in pharmaceutical facilities requires collaboration between HVAC engineers, pharmaceutical experts, CFD analysts, and other stakeholders. Effective communication and interdisciplinary collaboration are essential to ensure that CFD simulations address pharmaceutical manufacturing processes’ specific needs and requirements.
- Regulatory Compliance: Meeting regulatory requirements, such as Good Manufacturing Practices (GMP) and cleanroom standards, adds complexity to HVAC design optimization in pharmaceutical facilities. CFD simulations must demonstrate compliance with regulatory standards, which may require additional validation and documentation efforts. Despite these limitations, CFD remains a valuable tool for HVAC design optimization in pharmaceutical facilities, providing insights into airflow patterns, temperature distribution, contaminant control, and energy efficiency. Addressing these limitations requires careful consideration of model assumptions, validation practices, uncertainty quantification, and interdisciplinary collaboration to ensure the accuracy and reliability of CFD simulations.
9. Conclusions
- The coupled CFD approach successfully predicted the temperatures resulting from the heating injection equipment with an acceptable level of accuracy.
- By considering the target temperature as the design objective, the inverse design method effectively identified the air supply conditions that minimized the objective function.
- The rapid convergence of the cases indicated that the sensitivity to design variables heavily relied on the equipment’s heating injection characteristics.
- When appropriate heating injection conditions were applied to the equipment, setting the QC room temperature as the design objective led to similar optimal solutions obtained through the coupled CFD model.
- Using CFD with BIM for HVAC design optimization in pharmaceutical facilities reveals essential considerations for decision making regarding cost benefits and underlying assumptions. CFD allows for the virtual testing of HVAC designs, reducing the need for physical prototypes and testing, and leading to time and cost savings during the design phase. By accurately simulating airflow patterns, temperature distribution, and contaminant dispersion, CFD enables the identification of design improvements that enhance energy efficiency and operational performance, resulting in long-term cost savings simulations that can identify potential issues and optimize HVAC designs before construction, reducing the risk of costly modifications and retrofits post-construction. Compliance with regulatory standards through CFD simulations can prevent expensive penalties, fines, or product recalls due to inadequate HVAC systems.
Author Contributions
Funding
Data Availability Statement
Conflicts of Interest
References
- Martins, L.A.; Soebarto, V.; Williamson, T. A systematic review of personal thermal comfort models. Build. Environ. 2022, 207, 108502. [Google Scholar] [CrossRef]
- Geng, Y.; Ji, W.; Lin, B.; Zhu, Y. The impact of thermal environment on occupant IEQ perception and productivity. Build. Environ. 2017, 121, 158–167. [Google Scholar] [CrossRef]
- Pernigotto, M.; Tarantini, G.; Gasparella, A. A co-citation analysis on thermal comfort and productivity aspects in production and office buildings. Buildings 2017, 7, 36. [Google Scholar]
- Liu, W.; Zhang, T.; Xue, Y.; Zhai, Z.J.; Wang, J.; Wei, Y.; Chen, Q. State-of-the-art methods for art methods for inverse design of an enclosed environment. Build. Environ. 2015, 91, 91–100. [Google Scholar] [CrossRef] [PubMed]
- Zhang, T.; Liu, Y.; Rao, Y.; Li, X.; Zhao, Q. Optimal design of building environment with hybrid genetic algorithm, artificial neural network, multivariate regression analysis and fuzzy logic controller. Build. Environ. 2020, 175, 106810. [Google Scholar] [CrossRef]
- Amahjour, N.; Sofi, A.; Kamal, T.; El Kharrim, A. Investigating the impact of HVAC and Sanitizer system design on the transmission of SARS-CoV-2 in Hospital Isolation Units. Chaos Solitons Fractals 2024, 178, 114345. [Google Scholar] [CrossRef]
- Zhang, Z.; Zhang, W.; Zhai, Z.J.; Chen, Q.Y. Evaluation of various turbulence models in predicting airflow and turbulence in enclosed environments by CFD: Part 2—Comparison with experimental data from literature. HVACR Res. 2007, 13, 871–886. [Google Scholar] [CrossRef]
- Du, H.; Lian, Z.; Lai, D.; Duanmu, L.; Zhai, Y.; Cao, B.; Zhang, Y.; Zhou, X. Comparison of thermal comfort between radiant and convective systems using field test data from the Chinese Thermal Comfort Database. Build. Environ. 2022, 209, 108685. [Google Scholar] [CrossRef]
- Satrio, P.; Mahlia, T.M.I.; Giannetti, N.; Saito, K. Optimization of HVAC system energy consumption in a building using artificial neural network and multi-objective genetic algorithm. Sustain. Energy Technol. Assess. 2019, 35, 48–57. [Google Scholar]
- Pombeiro, H.; Machado, M.J.; Silva, C. Dynamic programming and genetic algorithms to control an HVAC system: Maximizing thermal comfort and minimizing cost with PV production and storage. Sustain. Cities Soc. 2017, 34, 228–238. [Google Scholar] [CrossRef]
- Zhao, X.; Yin, Y.; He, Z.; Liu, X. Inverse design of indoor radiant terminal using the particle swarm optimization method with topology concept. Build. Environ. 2021, 204, 108117. [Google Scholar] [CrossRef]
- Wang, X.; Zhao, J.; Wang, F.; Song, B.; Zhang, Q. Air supply parameter optimization of a custom nonuniform temperature field based on the POD method. Build. Environ. 2021, 206, 108328. [Google Scholar] [CrossRef]
- Tanabe, S.I.; Kobayashi, K.; Nakano, J.; Ozeki, Y.; Konishi, M. Evaluation of thermal comfort using combined multi-node thermoregulation (65 mn) and radiation models and computational fluid dynamics (CFD). Energy Build. 2002, 34, 637–646. [Google Scholar] [CrossRef]
- Gao, N.; Niu, J.; Zhang, H. Coupling CFD and human body thermoregulation model for the assessment of personalized ventilation. HVACR Res. 2006, 12, 497–518. [Google Scholar] [CrossRef]
- Fanger, P.O. Calculation of thermal comfort-introduction of a basic comfort equation. ASHRAE Trans. 1967, 73, III4.1–III4.20. [Google Scholar]
- Cui, W.; Yang, Q.; Zhu, Y. Field study of thermal environment spatial distribution and passenger local thermal comfort in aircraft cabin. Build. Environ. 2014, 80, 213–220. [Google Scholar] [CrossRef]
- Zhou, K.; Li, F.; Cai, H.; Jing, Y.; Zhuang, J.; Li, M.; Xing, Z. Estimation of the natural gas leakage source with different monitoring sensor networks in an underground utility tunnel from the perspectives of energy security. Energy Build. 2022, 254, 111645. [Google Scholar] [CrossRef]
- Li, M.; Li, F.; Jing, Y.; Zhang, K.; Cai, H.; Chen, L.; Zhang, X.; Feng, L. Estimation of pollutant sources in multi-zone buildings through different deconvolution algorithms. Build. Simul. 2022, 15, 817–830. [Google Scholar] [CrossRef] [PubMed]
- Zhang, J.; Poon, K.H.; Kwok, H.L.; Hou, F.; Cheng, C.P. Predictive control of HVAC by multiple output GRU-CFD integration approach to manage multiple IAQ for commercial heritage building preservation. Build. Environ. 2023, 245, 110802. [Google Scholar] [CrossRef]
- Lan, H.; Hou, H.; Gou, Z.; Wong, M.; Wang, Z. Computer vision-based smart HVAC control system for university classroom in a subtropical climate. Build. Environ. 2023, 242, 110592. [Google Scholar] [CrossRef]
- Jiang, B.; Xiao, Q.; Wang, X.; Liang, Z.; Yang, X. A literature review on the squirrel-cage fans using in HVAC equipment: Powerful, efficient, and quiet operation. J. Build. Eng. 2023, 73, 106691. [Google Scholar] [CrossRef]
- Heidarykiany, R.; Ababei, C. HVAC energy cost minimization in smart grids: A cloud-based demand side management approach with game theory optimization and deep learning. Energy AI 2024, 16, 100362. [Google Scholar] [CrossRef]
- Kanaan, M. CFD optimization of return air ratio and use of upper room UVGI in combined HVAC and heat recovery system, Case Studies in Thermal Engineering. Case Stud. Therm. Eng. 2019, 15, 100535. [Google Scholar] [CrossRef]
- Yakhot, V.; Orszag, S.A. Renormalization group analysis of turbulence. I. Basic theory. J. Sci. Comput. 1986, 1, 3–51. [Google Scholar] [CrossRef]
- Nguyen, A.T.; Pham, D.H.; Oo, B.J.; Santamouris, M.; Ahn, Y.; Benson, L.T.H. Modelling building HVAC control strategies using a deep reinforcement learning approach. Energy Build. 2024, 310, 114065. [Google Scholar] [CrossRef]
- William, M.A.; Suárez-López, M.J.; Soutullo, S.; Fouad, M.M.; Hanafy, A.A.; El-Maghlany, W.M. Multi-objective integrated BES-CFD co-simulation approach towards pandemic proof buildings. Energy Rep. 2022, 8, 137–152. [Google Scholar] [CrossRef]
- Liu, L.; Huang, Y. Optimizing HVAC Design for Pharmaceutical Requirements with Computational Fluid Dynamics. In Proceedings of the Computing in Civil Engineering 2023: Resilience, Safety, and Sustainability, Corvallis, OR, USA, 25–28 June 2023; ASCE: Reston, VI, USA; pp. 1005–1013. [Google Scholar]












| Topic | No. of Papers | Percentage |
|---|---|---|
| CFD Methods | 5 | 19% |
| Review of Literature | 3 | 12% |
| HVAC Design | 8 | 31% |
| BIM | 4 | 15% |
| Site Validation | 3 | 12% |
| Pharmaceutical Facilities | 3 | 12% |
| Total | 26 | 100% |
| Optimization | Equipment | Original Design | Optimized Design |
|---|---|---|---|
| 1 | No. of AHU diffusers | 16 | 19 |
| 2 | AHU volume/(CMH) | 15,280 | 12,730 |
| 3 | Type of FCU diffuser | Grille | 4-way swirl |
| 4 | No. of FCU | 8 | 5 |
| 5 | FCU volume/(CMH) | 1910 | 2010 |
| 6 | FCU cooling capacity(kW) | 5.8 | 13 |
| 7 | No. of FCU swirl diffusers | 16 | 48 |
| 8 | Control zones | 1 | 5 |
Disclaimer/Publisher’s Note: The statements, opinions and data contained in all publications are solely those of the individual author(s) and contributor(s) and not of MDPI and/or the editor(s). MDPI and/or the editor(s) disclaim responsibility for any injury to people or property resulting from any ideas, methods, instructions or products referred to in the content. |
© 2024 by the authors. Licensee MDPI, Basel, Switzerland. This article is an open access article distributed under the terms and conditions of the Creative Commons Attribution (CC BY) license (https://creativecommons.org/licenses/by/4.0/).
Share and Cite
Liu, L.; Huang, Y. HVAC Design Optimization for Pharmaceutical Facilities with BIM and CFD. Buildings 2024, 14, 1627. https://doi.org/10.3390/buildings14061627
Liu L, Huang Y. HVAC Design Optimization for Pharmaceutical Facilities with BIM and CFD. Buildings. 2024; 14(6):1627. https://doi.org/10.3390/buildings14061627
Chicago/Turabian StyleLiu, Lijun, and Yilei Huang. 2024. "HVAC Design Optimization for Pharmaceutical Facilities with BIM and CFD" Buildings 14, no. 6: 1627. https://doi.org/10.3390/buildings14061627
APA StyleLiu, L., & Huang, Y. (2024). HVAC Design Optimization for Pharmaceutical Facilities with BIM and CFD. Buildings, 14(6), 1627. https://doi.org/10.3390/buildings14061627

