Abstract
The square steel tube–timber–concrete composite L-shaped columns are lighter in weight due to the inclusion of wood and exhibit superior seismic performance. This combination not only reduces transportation and labor costs but also enhances earthquake resistance. The wood contributes lightness and flexibility, the steel provides strength, and the concrete offers excellent compressive performance, thereby achieving an optimized design for performance. To investigate the axial compression performance of square steel tube–timber–concrete composite L-shaped short columns, axial compression tests were conducted on eight groups of L-shaped columns. The study examined ultimate load, failure modes, load–displacement relationships, initial stiffness, ductility, and bearing capacity improvement factors under different slenderness ratios, steel tube wall thicknesses, and wood content rates. The results show that the mechanical performance of the composite columns is excellent. Local buckling of the steel tube is the primary failure mode, with ‘bulging bands’ forming at the middle and ends. When the wood content reaches 25%, the synergy between the steel tube, concrete, and wood is optimal, significantly enhancing ductility and bearing capacity. The ductility of the specimen increased by 31.1%, and the bearing capacity increased by 4.14%. The bearing capacity increases with the steel tube wall thickness but decreases with increasing slenderness ratio. Additionally, based on the Mander principle and considering the partitioned constraint effects of concrete, a simplified calculation method for the axial compressive bearing capacity was proposed using the superposition principle. This method was validated to match well with the test results and can provide a reference for the design and application of these composite L-shaped columns.
1. Introduction
Square steel tube–concrete composite columns are prefabricated structural components composed of square steel tubes filled with concrete. They fully utilize material properties, allow for prefabricated production, and save building space. These columns have been applied to projects such as the Sanhe Bridge, Shanghai World Financial Center, and Dubai International Financial Center. Scholars have systematically studied the axial compression performance, seismic performance, and bearing capacity analysis methods of these composite columns [1,2,3], clarifying their mechanical properties, failure modes, and bearing capacity formulas under various conditions, providing a foundation for practical engineering design and application.
There are many examples worldwide of combining timber with buildings. In Australia, some low-rise buildings and bridge projects utilize timber–FRP composite columns, leveraging FRP to enhance the compressive and bending strength of the timber while maintaining its lightweight properties. The “Brock Commons Tallwood House” in Vancouver, Canada, employs timber–concrete composite columns and is the tallest timber structure in the world, showcasing the potential of combining timber and concrete in high-rise buildings. Germany’s “LifeCycle Tower” uses timber–steel hybrid structural columns, a design that maintains strength while significantly reducing carbon emissions.
In multi-story residential buildings, traditional columns often cause protrusions, reducing space utilization and aesthetic appeal. Scholars have proposed using irregular columns to address interior protrusions. However, traditional square steel tube columns have inconsistent stiffness due to their shape, leading to limited bending performance, poor ductility, cracking, and high material costs. To address this, Hongbo Li and others [4] proposed multi-chamber steel tube concrete composite columns, including L-shaped and cross-shaped sections, and conducted axial compression performance tests. The results showed good mechanical performance and enhanced confinement effects on concrete through chamber combinations; although the research subject demonstrates theoretical innovation, the paper does not provide a detailed discussion of the specific steps involved in the fabrication process of the irregular columns, which could impact the accuracy of the experimental results. Satheeskumar Navaratnam [5] and others investigated the performance of timber-filled steel tubular short columns under axial compression using the finite element method. However, the study did not involve the fabrication of physical structures, which may result in the finite element simulation results failing to fully reflect the complexity of real-world engineering scenarios. Pumsakheyna Chea [6] proposed a new L-shaped batten-connected multi-cell concrete-filled steel tube column (L-BCMC-CFSTC) and studied its overall stability under axial compression, establishing a design method for predicting buckling behavior and stability capacity through theoretical, numerical, and experimental research. However, the paper does not address the impact of adding wood or other materials on the mechanical properties of composite columns. Jing Xie and others [7] studied the axial compression performance of medium-long columns filled with stone, showing that bearing capacity increases with steel wall thickness and stone content. However, the cooperative working mechanism between the filler stones and the concrete has not been thoroughly investigated. Tohid Ghanbari Ghazijahani [8] studied short columns filled with timber, finding effective synergy among materials and good ductility. However, it lacks research on factors such as steel tube wall thickness, slenderness ratio, and traditional composite columns.
Based on the traditional square steel tube concrete L-shaped columns, this study incorporates wood to replace part of the core concrete. This approach can effectively improve the load-bearing capacity and ductility of composite columns, provide environmental benefits, and enhance design flexibility in complex structures. Although domestic and international scholars have conducted some research on square steel tube concrete L-shaped columns, studies on L-shaped columns filled with wood are limited, and their failure modes and load-bearing mechanisms remain unclear. To further explore the application of square steel tube–timber–concrete composite L-shaped columns, eight groups of L-shaped columns were designed and fabricated, and axial compression tests were conducted. The effects of wood content, steel tube wall thickness, and slenderness ratio on load-bearing capacity, failure modes, load–displacement curves, and load–strain curves were analyzed.
2. Experimental Program
2.1. Specimen Preparation
To study the mechanical performance of square steel tube–timber–concrete composite L-shaped short columns, 8 groups of L-shaped columns were designed and constructed. When selecting wood, the Design Manual for Timber Structures was referenced, and larch was chosen for its superior yield strength. In terms of steel and concrete selection, the strength, cost-effectiveness, synergy, and ease of construction of Q235 steel and C35 concrete make them the preferred materials for composite column design. These materials can meet the multiple requirements of strength, stability, and durability while effectively controlling construction costs, as shown in Figure 1. Figure 1a,b show the overall structure of the composite column, while Figure 2 illustrates the cross-sectional views of the traditional composite column and the composite column with built-in wood. To analyze the experimental results under different influencing factors, three groups of tests with different variables were designed: aspect ratio (L-1, L-2, L-3), wood content (L-8, L-4, L-3, L-5), and steel tube wall thickness (L-6, L-3, L-7).
Figure 1.
Schematic diagram of L-shaped composite column with square steel tubes. (a) 3D perspective diagram. (b) Elevation view. (c) Section view.

Figure 2.
Casting of specimens. (a) Surface treatment of wood. (b) Wood positioning. (c) Concrete pouring. (d) Curing. (e) Pre-pour specimen. (f) Post-pour specimen.
The process of specimen preparation is shown in Figure 2. To ensure geometric alignment of the wood, a steel template is used for positioning, integrated into the end of the square steel tube. To maintain the integrity of the composite column and ensure load sharing, it is essential to achieve effective bonding between concrete and wood. Before fixing the wood, the wooden surface should be sanded smooth with sandpaper. Wood oil varnish should be applied to the wooden surface to form a protective layer, preventing moisture loss and the formation of shrinkage cracks in the wood. Additionally, Hebei Jinyu New Material Co., Ltd. (Handan, China) AB epoxy resin adhesive should be applied to the wooden surface to ensure effective adhesion between the wood and concrete, preventing moisture loss and shrinkage cracking. AB resin adhesive is applied to the bottom of the wood to bond it to the inside of the square steel tube. During pouring, the concrete is poured all at once and thoroughly vibrated. After casting, the top end was wrapped with plastic film and cured for 28 days at a room temperature of 25 °C and 70% relative humidity.
In this study, specimens with different wood content ratios (0%, 16%, 25%, and 36%), slenderness ratios (400 mm, 600 mm, and 800 mm), and steel tube wall thicknesses (3 mm, 4 mm, and 5 mm) were fabricated for axial compression tests. The specimens were numbered L-1 to L-8 and consisted of square steel tubes, timber, concrete, and end plates. Detailed parameters are shown in Table 1. The steel tube cross-section is 100 mm × 100 mm, with end plate thicknesses of 12 mm, and the steel grade is Q235. The concrete protective layer is 18 mm thick, with a strength grade of C35, and larch was used for the timber.
Table 1.
Design parameters of specimens.
2.2. Material Properties
According to GB/T228.1-2021 “Metallic Materials—Tensile Testing—Part 1: Method of Test at Room Temperature” [9]. Tensile tests were conducted on steel samples taken from the web and flange. The average yield strengths for 3 mm, 4 mm, and 5 mm thick steel plates were 328.2 MPa, 338.5 MPa, and 362.2 MPa, respectively. The average tensile strengths were 446.5 MPa, 481.8 MPa, and 480.5 MPa, with elastic moduli of 207.3 GPa, 208.1 GPa, and 207.4 GPa.
The core concrete was poured using C35 self-compacting concrete. Compressive strength and elastic modulus were measured following GB/T50081-2019 “Standard for Test Methods of Physical and Mechanical Properties of Concrete” [10]. Alongside the column specimens, two sets of six 150 mm × 150 mm × 150 mm cubes (Group A and Group B) and three 150 mm × 150 mm × 300 mm prisms were cured under the same conditions for 28 days. The measured compressive strengths of the cubic test specimens in Group A are 38.1 MPa, 39.0 MPa, and 40.2 MPa, while the compressive strengths of the cubic test specimens in Group B are 39.8 MPa, 38.7 MPa, and 40.6 MPa. The relative coefficients of variation are 1.96% and 2.20%, as shown in Table 2. The average compressive strength measured was 39.4 MPa, and the average elastic modulus was 28,877.5 MPa, as shown in Figure 3.
Table 2.
Concrete material property test results.
Figure 3.
Material property test. (a) Concrete test block. (b) Steel tensile test. (c) Wood compression test.
The mechanical properties of larch, such as moisture content, tensile strength along the grain, and compressive strength along the grain, were determined according to relevant standards [11,12,13,14]. In wood material property tests, clear wood specimens are selected to avoid the influence of defects such as knots, cracks, size effects, and long-term loads. This causes the strength measured in clear wood tests to differ from the strength of specimens used in bending tests, with the strength obtained from material property tests being higher than the actual strength observed in practical tests. Refer to the Wood Structure Design Manual [15] and select the reduction factors of 0.446 and 0.8, resulting in adjusted values of 37.92 MPa and 58.24 MPa, respectively.
2.3. Test Setup and Load Configuration
The 10,000 kN multifunctional hydraulic testing machine from the Key Laboratory of Diagnosis, Reconstruction, and Disaster Resistance of Civil Engineering in Hebei Province was used to conduct axial compression loading tests on L-shaped composite columns made of square steel tubes, wood, and concrete, as shown in Figure 4.
Figure 4.
Test loading device and displacement gauges arrangement. (a) Test setup. (b) Displacement gauge arrangement.
The loading followed the GB/T50152-2016 ‘Standard [16] for Testing Methods of Concrete Structures’. Before the test began, preloading was performed up to 500 kN to check if the hydraulic machine and data acquisition system were functioning properly. Data from a level gauge and a displacement meter were collected to determine if the specimen was level and centered. During formal loading, displacement control was used throughout, based on the ultimate bearing capacity obtained from numerical simulation and theoretical analysis. At the start, a displacement control of 2 mm was used, with a loading speed of 1 mm/min, and each displacement level was held for 2 min. When loading reached 80% of the simulated ultimate load value, the displacement control was changed to 1 mm, with a loading speed of 0.5 mm/min, holding each level for 2 min. Loading is stopped, and the test is concluded when the load decreases to 80% of the ultimate load or significant damage that affects loading safety is observed in the specimen.
Considering the special and complex shape of the column section, for convenience of description, the column surfaces were numbered A to H. Each specimen had 24 longitudinal and transverse measuring points arranged in the middle and upper parts of the steel tube surface and in the middle of the embedded wood, as shown in Figure 5.
Figure 5.
Measuring point arrangement.
2.4. Test Observations and Failure Modes
During the loading process, the axial compression test phenomena of the L-shaped composite columns made of square steel tube, wood, and concrete are generally similar under different parameters, using a typical specimen L-3 as an example.
Before the load reached 3435 kN (75% of the peak load), there were no significant changes on the steel tube surface. At 3776 kN, a “crackling” sound was heard. As the load increased to 4359 kN, the noise intensified, and local buckling occurred in the middle and upper sections of the A and D surfaces. After the load reached the peak load of 4580 kN, the bearing capacity began to gradually decrease. Bulging appeared in the middle of the E surface and above the G surface, and the existing buckling quickly developed. When the load dropped to 80% of the actual peak load, a distinct “buckling band” appeared in the middle of the component.
During the axial compression process, the main functions of the wooden core in the irregular column are twofold: first, to enhance the ductility of the component; second, to fully utilize the compressive strength of the wood along the grain, thereby increasing the bearing capacity of the composite component. The final failure mode of the specimen showed crushed internal concrete and wood, with banded and bulging buckling on the surface of the square steel tube. The typical failure mode is shown in Figure 6.

Figure 6.
Failure mode of specimen L-3. (a) Early-stage loading phenomena. (b) Failure mode. (c) Buckling deformation type.
3. Experimental Results and Discussion
3.1. Load–Displacement Curve
Based on the stress characteristics throughout the loading process of the specimens, the development patterns of the load–displacement curves for L-shaped axially compressed short columns with different slenderness ratios, steel tube wall thicknesses, and wood content are analyzed. The curves, as shown in Figure 7, indicate that the load–displacement behavior of the L-shaped composite columns made of square steel tube, wood, and concrete is similar under different parameters. The axial compression process includes an elastic stage, an elastoplastic stage, a load reduction stage, and a steady stage.

Figure 7.
Load–displacement curves. (a) Load–displacement curves of specimens with different slenderness ratios. (b) Load–displacement curves of specimens with different steel tube wall thicknesses. (c) Load–displacement curves of specimens with different wood content ratios.
1. Elastic Stage: From the beginning of loading to 70~80% of the specimen’s actual peak load, the load and deformation show a linear relationship. There is minimal interaction between the steel tube, wood, and concrete, and no significant damage is visible on the specimen surface.
2. Elastoplastic Stage: As the load continues to increase, the strain growth rate of each component exceeds the stress growth rate, and the slope of the load–displacement curve gradually decreases until it reaches the peak load. During this period, the internal concrete and wood experience compressive expansion, accompanied by a “crackling” sound from wood cracking. The steel tube constrains the concrete, indirectly restraining the central wood. Near the peak load, slight local buckling begins to appear on the upper middle surface of the steel tube.
3. Load Reduction Stage: After reaching the peak load, the specimen’s bearing capacity starts to decline. The internal concrete and wood are crushed, and increased vertical deformation accentuates the buckling on the steel tube surface. Although the load gradually decreases, the mutual restraint among the steel tube, concrete, and wood slows the rate of load reduction.
4. Steady Stage: As displacement continues to increase, the load gradually decreases but tends to stabilize. When the load drops to 85% of the peak load, a noticeable “buckling band” appears in the middle of the specimen, and the bearing capacity continues to decline, leading to specimen failure.
3.2. Bearing Capacity and Initial Stiffness
Initial stiffness reflects the structural bearing capacity and stability. The peak load of the specimen is determined based on test results. During the initial loading phase of materials or structures, the load–displacement curve typically exhibits a relatively linear relationship. This phase reflects the elastic properties of the specimen. The 40% peak load is usually located in the middle of the elastic stage, making this proportion better suited to represent the characteristic stiffness of the material or structure. The initial stiffness Ki represents the slope at the point corresponding to 40% of the peak load in the initial stage of the load–displacement curve [17].
where Nut is the peak load, and Δ0.4 is the vertical displacement at 40% of the peak load.
The values of the initial stiffness Ki and peak load Nut for each specimen are shown in Table 3 and Figure 8.
Table 3.
Test results of specimens.
Figure 8.
Load capacity and initial stiffness of test specimens.
1. Compared to specimen L-1, the initial stiffness of the longer specimens L-2 and L-3 decreased by 41.96% and 32.49%, respectively. The bearing capacity was reduced by 2.32% and 4.24%. This indicates that as the column height increases, the constraining effect of the timber and square steel tube on the concrete decreases, and the local buckling and interface slip effects become more pronounced in longer columns, resulting in a reduction in the initial stiffness of the specimens. As the slenderness ratio increases, columns are more prone to instability and global buckling. Due to greater lateral deformation and a tendency to buckle, the axial load-bearing capacity typically decreases. However, the combination of materials (wood, concrete, and steel) can mitigate this effect to some extent, allowing the structural performance of the specimen to be optimized by improving the slenderness ratio.
2. When the wood content increased from 16% (specimen L-4) to 25% (specimen L-3) and 36% (specimen L-5), the bearing capacity of the specimens first rose and then fell, with initial stiffness decreasing by 3.4% and 7.0%, respectively. This indicates that as the wood content increases, the bearing capacity of the specimen first increases and then decreases. When the wood content reaches 25%, the addition of wood to the concrete-filled square steel tubular composite column effectively takes advantage of wood’s lightweight and high-strength characteristics. By replacing the core concrete of the component, the self-weight of the structure is significantly reduced, and the development of macroscopic cracks in the concrete is effectively suppressed. At the same time, the concrete restrains the fiber tearing failure of the wood, allowing the wood to fully utilize its compressive strength along the grain. This promotes the excellent mechanical performance of the composite component, achieving optimal synergistic interaction among the square steel tube, concrete, and wood. Consequently, the advantages of all three materials are fully leveraged, resulting in maximum bearing capacity. Compared to specimen L-8 without added wood, the bearing capacity of specimen L-6 increased by 4.14%. A moderate wood content (e.g., 25%) optimizes the balance between energy absorption (ductility) and compressive strength, resulting in a higher enhancement factor. The trend of decreasing initial stiffness indicates that the addition of wood alters the mechanical properties of the composite material, reducing overall stiffness. However, the introduction of wood helps absorb and disperse external impact forces more effectively, enhancing ductility and improving seismic performance.
3. Compared to specimen L-6, specimens L-3 and L-7, with thicker steel tubes, showed improvements in both bearing capacity and initial stiffness, with increases of 8.9% and 12.9% in bearing capacity, and 9.7% and 13.5% in initial stiffness, respectively. This indicates that increasing the wall thickness of the steel tube can enhance the confinement effect on the core materials (concrete and wood). Thicker walls provide greater stiffness and resistance to deformation, thereby improving the overall load-bearing capacity. Thicker steel tubes can better restrict the lateral expansion of the core materials under axial loads, enhancing structural stability. This indicates that as the steel tube wall thickness increases, both the bearing capacity and initial stiffness of the specimens improve.
3.3. Displacement Ductility Coefficient
To assess the seismic performance of the specimens, the displacement ductility coefficient µΔ is used to quantify the ductility from peak load to complete failure. The calculation formula is as follows:
where Δy is the axial displacement corresponding to 80% of the peak load after reaching it, and Δu is the axial displacement at the peak load Nut.
The displacement ductility coefficients for each specimen are shown in Table 3 and Figure 9. The results indicate the following:
- When the specimen height increased from 400 mm (specimen L-1) to 600 mm (specimen L-2) and 800 mm (specimen L-3), the displacement ductility coefficient increased by 18.82% and 52.61%, respectively;
- When the wood content increased from 16% (specimen L-4) to 25% (specimen L-3) and 36% (specimen L-5), the displacement ductility coefficient increased by 31.1% and 61.4%, respectively;
- When the steel tube wall thickness increased from 3 mm (specimen L-6) to 4 mm (specimen L-3) and 5 mm (specimen L-7), the displacement ductility coefficient increased by 64% and 82.8%, respectively.
Figure 9.
Ductility coefficient of the specimen.
It can be concluded that as the specimen height increases, the wood is less prone to brittle failure. After reaching the peak load, the axial displacement corresponding to 80% of the peak load is greater, resulting in a significant improvement in the ductility of the specimen. The increase in wood content in square steel tube concrete columns can provide additional confinement to the concrete. This confinement effect can limit the development of cracks in the concrete and its inward expansion under compression, thereby improving the ductility of the specimen. Compared to concrete, wood possesses greater deformation capacity and toughness. As the wood content increases, the energy dissipation capacity of the structure during loading is enhanced, resulting in improved ductility. However, since wood has lower strength and stiffness compared to concrete, excessive wood content can lead to a reduction in overall stiffness and load-bearing capacity, thereby weakening the structural performance.
The confinement effect of the square steel tube on the core material depends on the deformation characteristics and stiffness compatibility of the core material. When the wood content is moderate, the combined action of wood and concrete can optimize the interaction between the core material and the steel tube, making the confinement more uniform and improving the overall structural performance. However, an increase or decrease in wood content affects the volume of concrete, leading to a reduction in the compressive strength of the composite material and a weakening of the confinement effect.
When the wood content is 25%, concrete still occupies the majority of the volume, providing high compressive strength and stiffness, while the toughness of wood significantly enhances the deformation capacity and energy dissipation characteristics of the structure. This proportion allows the composite material to achieve both high load-bearing capacity and the ability to avoid brittle failure under extreme conditions. An increase in the steel content enhances the confinement ability of the concrete, resulting in a noticeable improvement in the specimen’s ductility.
3.4. Bearing Capacity Improvement Factor
To analyze the effects of internal wood filling, steel tube wall thickness, and slenderness ratio on the bearing capacity of L-shaped composite columns made of square steel tubes, wood, and concrete, the bearing capacity improvement factor ψ is introduced to express the influence of various parameters on the specimens’ bearing capacity. The calculation formula is as follows:
where Nut is the measured peak load of the column; fyt is the measured yield strength of Q235 steel plate; fyw is the measured axial compressive strength of larch wood; fc is the measured axial compressive strength of C35 concrete; and At, Aw, Ac are the cross-sectional areas of the steel tube, wood, and concrete, respectively, in the L-shaped composite column specimens.
The calculation results of the bearing capacity improvement factor for each specimen are shown in Table 3 and Figure 10. The results indicate the following:
- When the steel tube wall thickness increased from 3 mm (specimen L-6) to 4 mm (specimen L-3) and 5 mm (specimen L-7), the bearing capacity improvement factors increased by 15.5% and 22.4%, respectively;
- When the wood content increased from 16% (specimen L-4) to 25% (specimen L-3) and 36% (specimen L-5), the bearing capacity improvement factor first rose and then fell, with a 31.4% increase at 25% wood content;
- When the height decreased from 800 mm (specimen L-3) to 600 mm (specimen L-2) and 400 mm (specimen L-1), the bearing capacity improvement factors increased by 2.99% and 13.4%, respectively.
Figure 10.
Strength coefficient of the specimen.
This shows that increasing the steel tube wall thickness enhances the confinement on the core concrete and wood, leading to a continuous increase in the bearing capacity improvement factor. As the wood content increases, the factor first rises and then falls, indicating that the optimal synergy among the steel tube, concrete, and wood occurs at 25% wood content. As the slenderness ratio increases, the bearing capacity decreases.
3.5. Load–Strain Relationship
To ensure the accuracy of strain data measurement during the experiment, a China Sichuan Chengdu Xingdongfang Co., Ltd. (Chengdu, China) 120-3BA strain gauge was selected (gauge factor: 2.11 ± 1%, resistance accuracy: 120 ± 0.3 Ω, measurement accuracy: 0.1 με). The Jiangsu Donghua Testing Technology Co., Ltd. (Taizhou, China) DH3816N static stress–strain testing and analysis system was used for strain data acquisition. Before attaching the strain gauge, the surface of the specimen was polished with sandpaper to make it smooth and even, followed by cleaning with anhydrous ethanol to ensure it was sufficiently clean and free of contaminants. The strain gauge was then carefully attached to the surface of the specimen using 502 adhesive. After the adhesive had cured, a layer of K-704 silicone adhesive was applied over the strain gauge to protect its integrity, as shown in Figure 11.
Figure 11.
Strain acquisition process. (a) Strain gauge bonding. (b) The DH3816N static stress–strain testing and analysis system.
To further investigate the failure modes of square steel tube–wood–concrete composite L-shaped columns under axial load, we analyzed the load–strain relationship at the buckling area of the typical component L-3, focusing on the H-face’s steel and wood measurement points, as shown in Figure 12. In this context, tensile strain is positive, and compressive strain is negative. The transverse and longitudinal strain gauges on the middle of the H-face steel tube are labeled H-T-1 and H-T-2, while those on the internal wood are labeled H-W-1 and H-W-2.
Figure 12.
Load–strain curve at typical position of specimen L-3.
As seen in Figure 12, the strain changes are minimal during the initial loading phase when the specimen is in the elastic stage. The three materials work together, sharing the load. As the load increases, the steel tube enters the elastoplastic stage, and the wood, encased by concrete and the steel tube, is subjected to triaxial compression, gradually compacting. This prevents sudden brittle failure and extends the elastoplastic stage of the wood. Consequently, the longitudinal compressive stress in the middle increases to varying degrees, effectively enhancing the specimen’s bearing capacity. When the load reaches its peak (4580 kN), the compression of the wood increases its longitudinal compressive strength, making its stress slightly greater than that of the steel tube. The descending segment of the load–strain curve is relatively gentle, which is attributed to the fact that after the concrete crushes, the wood fills the gaps, causing the stress curves of the steel tube and wood to converge as they reach the compressive yield strength. This indicates that the strengths of both materials are fully utilized, and the component demonstrates good bearing capacity and deformation capability in the later stages, exhibiting excellent ductility.
In the later stages of the loading test, the concrete crushes, and buckling appears on the surface of the steel tube. The wood strain begins to reverse, exhibiting a “rebound” effect (3664 kN). Strain reversals indicate that wood can adapt to changes in stress direction without immediate crushing. This “rebound” effect demonstrates that wood can partially recover from compressive deformation while dissipating energy in the process. This energy dissipation helps delay the onset of instability or buckling in composite columns. This shows that after the concrete crushes, the wood fills the gaps and undergoes bending deformation. The stress state of the wood shifts from transverse tension and longitudinal compression to transverse compression and longitudinal tension, with the values gradually changing sign. The reversal phenomenon indicates that the structure can sustain greater deformation while maintaining partial recovery, thereby enhancing its resilience. This behavior ensures that the composite column can redistribute stresses more effectively, reduce local concentrations, and promote more uniform load transfer among materials such as wood, concrete, and steel. At this point, the steel tube strain continues to increase, indicating that the inclusion of wood has fully enhanced the utilization of steel strength, boosting the component’s bearing capacity.
4. Axial Bearing Capacity Formula
Currently, there are no specific standards for calculating the axial bearing capacity of square steel tube–wood–concrete composite L-shaped columns. This passage discusses the structural analysis of confined concrete. Mander et al. [18] divided confined concrete into effectively confined regions (shaded areas in the diagram) and weakly confined regions (unshaded areas), with a parabolic boundary between them. Mátyás Báder and others [19] found that the axial compressive strength and stress state of wood in the grain direction is similar to concrete. By calculating the effective lateral stress exerted by square steel tubes on concrete in different constraint areas, wood can be equated to concrete, allowing for the determination of strength enhancement factors for each region. These factors are then used to sum up the bearing capacity of the concrete in various regions.
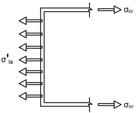
Square steel tube–concrete composite columns with irregular shapes are formed by combining multiple square steel tubes using different connection methods. Therefore, it is necessary to consider both the confinement characteristics of individual square steel tubes on the core concrete and the combined effects between the steel tubes. Based on observations from the experimental phenomena, in the initial loading stage, due to the relatively low flexural stiffness of the tube walls at the middle of the cross-section, slight local buckling was observed, resulting in a weaker confinement effect on the core concrete in this region. In the mid-to-late loading stages, the specimen collapsed, forming a circumferential buckling band. This indicates that the corners of the square steel tubes have higher stiffness and smaller deformation. The combined tensile forces in the two perpendicular directions generate an arching effect on the core concrete, with the arching angle taken as θ = 45° [20] for the core concrete. In L-shaped composite columns, the adjacent walls are welded, enhancing the constraint force, with an arch angle of θ = 0°. The approximate distribution of effective concrete confinement is shown in Figure 13.
Figure 13.
Schematic diagram of effective constraint of test specimens.
The area of the weakly constrained concrete region A′1 is:
The area of the effectively constrained concrete region A1 is:
where Ac is the area of wood and concrete inside the steel tube, B is the side length of the steel tube, tc is the wall thickness, and θ is the angle at the start of the parabola’s tangent.
Since the three sectional cavities are identical, one cavity is analyzed using the unit shown in Figure 14, with a height of L.
Figure 14.
Schematic diagram of the force of test specimens.
From the force equilibrium conditions, we obtain:
Thus:
where σsv is the lateral stress of the steel tube, taken as σsv = 0.19fy [21], and fy is the yield strength of the steel tube. σ′la is the average constraint stress on the concrete by the steel tube.
Considering the equivalent constraint effect, an equivalent constraint coefficient Ke is introduced.
The effective constraint stress σl1 on the concrete by the steel tube is:
Using the formula proposed by Huang, C.S. [22], the compressive strength of the concrete in the constrained area is:
where fc0 is the axial compressive strength of the concrete.
From the above, the axial bearing capacity formula for the steel tube–wood–concrete composite is:
where σs is the longitudinal stress of the steel tube, σs = 0.89fy, As is the cross-sectional area of the steel tube, and fcc is the compressive strength of the constrained concrete.
Due to the addition of wood, the wood area should be considered when calculating the core concrete area. By using the reduction factor α proposed by Amin Nabati [23] and incorporating it into the above formula, we obtain:
where Aw is the cross-sectional area of the wood, fw is the axial compressive strength of the wood, α is the reduction factor, and β is the wood content ratio.
The results of Equation (12) are listed in Table 4. The mean ratio of the test results to the calculated results from Equation (12) is 0.927, with a standard deviation of 0.064, indicating that the proposed Formula (12) can accurately assess the axial bearing capacity of the square steel tube–wood–concrete composite L-shaped columns.
Table 4.
Comparison of test results and formula calculation results.
5. Conclusions
- The failure mode of the square steel tube–wood–concrete composite L-shaped column is strength failure, with banded and bulging buckling appearing on the surface of the steel tube.
- As the wall thickness of the steel tube increases, both the initial stiffness and axial bearing capacity of the composite column improve to varying degrees. However, with an increase in the slenderness ratio of the specimen, both initial stiffness and bearing capacity decrease. When the steel tube wall thickness increases from 3 mm to 4 mm and 5 mm, the bearing capacity increases by 8.9% and 12.9%, and the initial stiffness increases by 9.7% and 13.5%, respectively.
- As the wood content increases, the bearing capacity of the square steel tube–wood–concrete composite L-shaped column first rises and then decreases. Under the optimal wood content, the bearing capacity increases by 4.14% compared to the control sample, and the ductility of the component improves by 31.1%. Overall, the wood content has a significant impact on the performance of the composite column, and an appropriate wood content can enhance its load-bearing capacity and ductility.
- Based on Mander’s principle, a simplified method for calculating axial bearing capacity is proposed, considering the partitioning of the constraint effect of concrete. This method, combined with the superposition principle, calculates the axial bearing capacity of the composite column. The mean ratio of experimental to calculated values is 0.927, with a standard deviation of 0.064, indicating good agreement between the calculated and experimental results.
- This paper introduces wood into the structural design of traditional square steel tubular L-shaped columns for the first time and proposes a method for analyzing the mechanical performance of square steel tube–wood–concrete composite L-shaped columns, providing a new calculation approach for the design of complex structures. However, due to time constraints, this study only investigates the mechanical behavior of the combination of square wood and square steel tubular L-shaped special-shaped columns under axial compression. On this basis, further studies can be conducted on the mechanical performance of combinations involving different shapes of wood (rectangular, circular, etc.), different shapes of special-shaped columns (T-shaped, cross-shaped, etc.), and different materials (such as aluminum alloy), and corresponding bearing capacity calculation formulas can be established.
Author Contributions
Conceptualization, W.W. and H.L.; methodology, H.L. and B.L.; software, H.L.; investigation, H.L. and B.L.; resources, W.W. and B.L.; data curation, H.L.; writing—original draft, H.L.; writing—review and editing, W.W., B.L., M.Z., Z.J., J.H. and S.H.; supervision, W.W.; project administration, W.W.; critical review, W.W. and B.L. All authors have read and agreed to the published version of the manuscript.
Funding
The work described in this paper was supported by the Hebei Province Graduate Student Innovation Ability Training Fund Project (grant number CXZZSS2024138), the Graduate Student Innovation Fund of Hebei University of Architecture and Engineering (grant numbers XY2025050 and XY2024012), and the Fund of Zhangjiakou Science and Technology Bureau (grant number 2421120D).
Data Availability Statement
Open-source data, please contact the author if needed.
Conflicts of Interest
The authors declare no conflicts of interest.
References
- Zhou, Y.; Lei, H.; Chang, X.; Duan, Y.; Lu, F.; Li, T. Experimental study on the performance of special-shaped columns composited with HGM-filled square steel tube under axial compression. J. Constr. Steel Res. 2023, 204, 107813. [Google Scholar] [CrossRef]
- Gang, W.; Kun, Z.; Xiwang, L. Experimental study and numerical analysis on unidirectional seismic performance of square steel tube glulam composite columns. Adv. Struct. Eng. 2024, 27, 2463–2484. [Google Scholar]
- Chen, Z.; Ning, F.; Song, C.; Liang, Y. Study on axial compression bearing capacity of novel concrete-filled square steel tube columns. J. Build. Eng. 2022, 51, 104298. [Google Scholar] [CrossRef]
- Li, H.; Tong, Y.; Yin, J.; Zhang, H.; Yan, C. Study on Axial Compression Behavior of Cross-Shaped and L-Shaped Multi-cavity Concrete-Filled Steel Tube Special Shaped Column. Int. J. Steel Struct. 2022, 22, 153–175. [Google Scholar] [CrossRef]
- Satheeskumar, N.; Julian, T.; Keerthan, P.; Krishanu, R.; Perampalam, G. Finite element modelling of timber infilled steel tubular short columns under axial compression. Structures 2021, 30, 910–924. [Google Scholar]
- Chea, P.; Guo, Y.; Han, X.; Liu, K.; Zhu, X.; Yang, J.; Yang, X. Overall stability design of L-shaped batten-connected multi-cell concrete-filled steel tube columns under axial compression. J. Build. Eng. 2024, 94, 109962. [Google Scholar] [CrossRef]
- Xie, J.; Ye, Y.; Liu, Y.; Ming, H.; Ren, Y. Experimental Study on Axial Compression Performance of Medium-Length Concrete-Filled Steel Tubular Columns with Inner Filler. J. Build. Struct. 2023, 44, 27–36. [Google Scholar] [CrossRef]
- Ghazijahani, T.G.; Jiao, H.; Holloway, D. Concrete-Filled Circular Steel Tubes with a Timber Infill under Axial Compression. J. Struct. Eng. 2017, 143, 04017037. [Google Scholar] [CrossRef]
- GB/T 228.1-2021; Metallic Materials—Tensile Testing—Part 1: Method of Test at Room Temperature. Standardization Administration of the People’s Republic of China: Beijing, China, 2021.
- GB/T50081-2019; Standard for Test Methods of Physical and Mechanical Properties of Concrete. Standardization Administration of the People’s Republic of China: Beijing, China, 2019.
- GB/T1935-1991; Method for Determination of Compressive Strength Parallel to Grain of Wood. Standardization Administration of the People’s Republic of China: Beijing, China, 1991.
- GB/T1927.10-2021; Method for Determination of Modulus of Elasticity in Bending of Wood. Standardization Administration of the People’s Republic of China: Beijing, China, 2021.
- GB/T1927.9-2021; Method for Determination of Bending Strength of Wood. Standardization Administration of the People’s Republic of China: Beijing, China, 2021.
- GB/T1938-2009; Method for Determination of Tensile Strength Parallel to Grain of Wood. Standardization Administration of the People’s Republic of China: Beijing, China, 2009.
- Wood Structure Design Manual, 3rd ed.; China Architecture & Building Press: Beijing, China, 2005; p. 37.
- GB/T50152-2016; Standard for Test Methods of Concrete Structures. Standardization Administration of the People’s Republic of China: Beijing, China, 2016.
- Mao, J.; Liu, Y.; Wang, J.; Tao, S. Experimental study and bearing capacity calculation of axially loaded L-shaped partially encased steel-concrete composite columns. J. Build. Struct. 2024, 45, 87–96. [Google Scholar]
- Mander, J.B.; Priestley, M.J.N. Theoretical stress-strain model for confined concrete. J. Struct. Eng. ASCE 1988, 114, 1807–1826. [Google Scholar] [CrossRef]
- Báder, M.; Németh, R. Moisture-dependent mechanical properties of longitudinally compressed wood. Eur. J. Wood Wood Prod. 2019, 77, 1009–1019. [Google Scholar] [CrossRef]
- Zha, X.; Yu, M.; Li, Y.; Zhong, S. Unified Theory and Formula for Axial Compression Bearing Capacity of Solid and Hollow Concrete-Filled Steel Tubes. Prog. Steel Build. Struct. 2011, 13, 1–7+42. [Google Scholar]
- Zhao, H.; Han, L.; Hou, C.; Lyu, W. Performance of recycled aggregate concrete-filled high-strength steel tubes under axial compression, tension and torsion. Thin-Walled Struct. 2023, 184, 110478. [Google Scholar] [CrossRef]
- Huang, C.S.; Yeh, Y.K.; Liu, G.Y.; Hu, H.T.; Tsai, K.C.; Weng, Y.T.; Wang, S.H.; Wu, M.H. Axial load behavior of stiffened concrete-filled steel columns. J. Struct. Eng. 2002, 128, 1222–1230. [Google Scholar] [CrossRef]
- Nabati, A.; Ghanbari-Ghazijahani, T.; Ng, C.T. CFRP-reinforced concrete-filled steel tubes with timber core under axial loading. Compos. Struct. 2019, 217, 37–49. [Google Scholar] [CrossRef]
Disclaimer/Publisher’s Note: The statements, opinions and data contained in all publications are solely those of the individual author(s) and contributor(s) and not of MDPI and/or the editor(s). MDPI and/or the editor(s) disclaim responsibility for any injury to people or property resulting from any ideas, methods, instructions or products referred to in the content. |
© 2024 by the authors. Licensee MDPI, Basel, Switzerland. This article is an open access article distributed under the terms and conditions of the Creative Commons Attribution (CC BY) license (https://creativecommons.org/licenses/by/4.0/).