Computer Vision System for Multi-Robot Construction Waste Management: Integrating Cloud and Edge Computing
Abstract
1. Introduction
2. Related Studies
2.1. Construction Waste Management
2.2. Edge Computing and Cloud Computing Techniques
3. Intelligent Construction Waste Collection System
3.1. System Architecture
3.2. Scheduling of Edge Computing and Cloud Computing
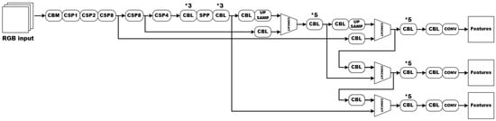
3.3. Computer Vision Algorithm
3.3.1. Algorithm Introduction
3.3.2. Datasets Establishment Strategies
4. Experimental Results and Discussion
4.1. Edge Computing
4.2. Cloud Computing
4.3. Recognition Platform
4.4. Discussion
5. Conclusions
Author Contributions
Funding
Data Availability Statement
Conflicts of Interest
References
- National Bureau of Statistics of China. China Statistical Yearbook. 2019. Available online: https://www.stats.gov.cn/sj/ndsj/2019/indexeh.htm (accessed on 15 December 2024).
- U.S.BEA GDP by Industry. Available online: https://www.bea.gov/data/gdp/gdp-industry (accessed on 24 August 2020).
- Chen, X.; Lu, W. Identifying factors influencing demolition waste generation in Hong Kong. J. Clean. Prod. 2017, 141, 799–811. [Google Scholar] [CrossRef]
- Lage, I.M.; Abella, F.M.; Herrero, C.V.; Ordóñez, J.L.P. Estimation of the annual production and composition of C&D Debris in Galicia (Spain). Waste Manag. 2010, 30, 636–645. [Google Scholar]
- Park, J.; Tucker, R. Overcoming Barriers to the Reuse of Construction Waste Material in Australia: A Review of the Literature. Int. J. Constr. Manag. 2017, 17, 228–237. [Google Scholar] [CrossRef]
- Li, C.Z.; Hong, J.; Xue, F.; Shen, G.Q.; Xu, X.; Luo, L. SWOT Analysis and Internet of Things-Enabled Platform for Prefabrication Housing Production in Hong Kong. Habitat. Int. 2016, 57, 74–87. [Google Scholar] [CrossRef]
- Poon, C.S.; Yu, A.T.W.; Ng, L.H. On-Site Sorting of Construction and Demolition Waste in Hong Kong. Resour. Conserv. Recycl. 2001, 32, 157–172. [Google Scholar] [CrossRef]
- Marzouk, M.; Azab, S. Environmental and Economic Impact Assessment of Construction and Demolition Waste Disposal Using System Dynamics. Resour. Conserv. Recycl. 2014, 82, 41–49. [Google Scholar] [CrossRef]
- Tam, V.W.Y.; Tam, C.M. A Review on the Viable Technology for Construction Waste Recycling. Resour. Conserv. Recycl. 2006, 47, 209–221. [Google Scholar] [CrossRef]
- Jin, R.; Li, B.; Zhou, T.; Wanatowski, D.; Piroozfar, P. An Empirical Study of Perceptions towards Construction and Demolition Waste Recycling and Reuse in China. Resour. Conserv. Recycl. 2017, 126, 86–98. [Google Scholar] [CrossRef]
- Wang, J.; Yuan, H. Factors Affecting Contractors’ Risk Attitudes in Construction Projects: Case Study from China. Int. J. Proj. Manag. 2011, 29, 209–219. [Google Scholar] [CrossRef]
- HKEPD. Construction Waste Disposal Charging Scheme; HKEPD: Hong Kong, China, 2005. [Google Scholar]
- Poon, C.S.; Yu, A.T.W.; Wong, A.; Yip, R. Quantifying the Impact of Construction Waste Charging Scheme on Construction Waste Management in Hong Kong. J. Constr. Eng. Manag. 2013, 139, 466–479. [Google Scholar] [CrossRef]
- Rodríguez, G.; Medina, C.; Alegre, F.J.; Asensio, E.; de Sánchez Rojas, M.I. Assessment of Construction and Demolition Waste Plant Management in Spain: In Pursuit of Sustaina-bility and Eco-Efficiency. J. Clean. Prod. 2015, 90, 16–24. [Google Scholar] [CrossRef]
- Wang, Z.; Li, H.; Yang, X. Vision-Based Robotic System for on-Site Construction and Dem-olition Waste Sorting and Recycling. J. Build. Eng. 2020, 32, 101769. [Google Scholar] [CrossRef]
- Wang, Z.; Li, H.; Zhang, X. Construction Waste Recycling Robot for Nails and Screws: Computer Vision Technology and Neural Network Approach. Autom. Constr. 2019. [Google Scholar] [CrossRef]
- Lu, W.; Chen, J.; Xue, F. Using Computer Vision to Recognize Composition of Construction Waste Mixtures: A Semantic Segmentation Approach. Resour. Conserv. Recycl. 2022, 178, 106022. [Google Scholar] [CrossRef]
- Grandison, T.; Maximilien, E.M.; Thorpe, S.; Alba, A. Towards a Formal Definition of a Computing Cloud. In Proceedings of the Proceedings—2010 6th World Congress on Services, Services-1 2010, Miami, FL, USA, 5–10 July 2010; IEEE: New York, NY, USA, 2010; pp. 191–192. [Google Scholar]
- Shuja, J.; Gani, A.; ur Rehman, M.H.; Ahmed, E.; Madani, S.A.; Khan, M.K.; Ko, K. Towards Native Code Offloading Based MCC Frameworks for Multimedia Applications: A Survey. J. Netw. Comput. Appl. 2016, 75, 335–354. [Google Scholar] [CrossRef]
- Hi, W.; Cao, J.; Zhang, Q.; Li, Y.; Xu, L. Edge Computing: Vision and Challenges. IEEE Internet Things J. 2016, 3, 637–646. [Google Scholar] [CrossRef]
- Ahmed, E.; Rehmani, M.H. Mobile Edge Computing: Opportunities, Solutions, and Challenges. Future Gener. Comput. Syst. 2017, 70, 59–63. [Google Scholar] [CrossRef]
- Ghaffar, S.H.; Burman, M.; Braimah, N. Pathways to Circular Construction: An Integrated Management of Construction and Demolition Waste for Resource Recovery. J. Clean. Prod. 2020, 244, 118710. [Google Scholar] [CrossRef]
- Xu, D.; Sun, J.; Xu, B. Research on Resource Recycling Technology of Construction Waste. In Proceedings of the IOP Conference Series: Materials Science and Engineering, Melbourne, Australia, 15–16 September 2018; Volume 392. [Google Scholar]
- Barbudo, A.; Ayuso, J.; Lozano, A.; Cabrera, M.; López-Uceda, A. Recommendations for the Management of Construction and Demolition Waste in Treatment Plants. Environ. Sci. Pollut. Res. 2020, 27, 125–132. [Google Scholar] [CrossRef]
- Zhuang, Z.; Bi, J.; Wang, F. The Whole Process Management Monitoring and Control of Construction Waste. In Proceedings of the IOP Conference Series: Earth and Environmental Science, Changsha, China, 18–20 September 2020; Volume 435. [Google Scholar]
- Nežerka, V.; Zbíral, T.; Trejbal, J. Machine-Learning-Assisted Classification of Construction and Demolition Waste Fragments Using Computer Vision: Convolution versus Ex-traction of Selected Features. Expert. Syst. Appl. 2024, 238, 121568. [Google Scholar] [CrossRef]
- Tuomas, J.; Lukka, T.; Tossavainen, J.V.; Kujala, D.; Raiko, T. ZenRobotics Recycler-Robotic Sorting Using Machine Learning. In Proceedings of the International Conference on Sensor-Based Sorting (SBS); Citeseer: State College, PA, USA, 2014. [Google Scholar]
- Davis, P.; Aziz, F.; Newaz, M.T.; Sher, W.; Simon, L. The Classification of Construction Waste Material Using a Deep Convolutional Neural Network. Autom. Constr. 2021, 122, 103481. [Google Scholar] [CrossRef]
- Asadi, K.; Haritsa, V.R.; Han, K.; Ore, J.-P. Automated Object Manipulation Using Vision-Based Mobile Robotic System for Construction Applications. J. Comput. Civ. Eng. 2020, 35, 04020058. [Google Scholar] [CrossRef]
- Chen, X.; Huang, H.; Liu, Y.; Li, J.; Liu, M. Robot for Automatic Waste Sorting on Construc-tion Sites. Autom. Constr. 2022, 141, 104387. [Google Scholar] [CrossRef]
- Wang, L.; von Laszewski, G.; Younge, A.; He, X.; Kunze, M.; Tao, J.; Fu, C. Cloud Computing: A Perspective Study; Ohmsha, Ltd.; Springer: Berlin/Heidelberg, Germany, 2010; Volume 28. [Google Scholar]
- Sahu, I.; Pandey, U.S. Mobile Cloud Computing: Issues and Challenges. In Proceedings of the Proceedings—IEEE 2018 International Conference on Advances in Computing, Communication Control and Networking, ICACCCN 2018, Greater Noida, India, 12–13 October 2018; Institute of Electrical and Electronics Engineers Inc.: New York, NY, USA, 2018; pp. 247–250. [Google Scholar]
- Kumar, B.; Cheng, J.; McGibbney, L. Cloud Computing and Its Implications for Construction IT. In Proceedings of the EG-ICE 2010—17th International Workshop on Intelligent Computing in Engineering, Leuven, Belgium, 30 June–3 July 2019. [Google Scholar]
- Rawai, N.M.; Fathi, M.S.; Abedi, M.; Rambat, S. Cloud Computing for Green Construction Management. In Proceedings of the 2013 3rd International Conference on Intelligent System Design and Engineering Applications, ISDEA 2013, Hong Kong, China, 16–18 January 2013; pp. 432–435. [Google Scholar]
- Bello, S.A.; Oyedele, L.O.; Akinade, O.O.; Bilal, M.; Davila Delgado, J.M.; Akanbi, L.A.; Ajayi, A.O.; Owolabi, H.A. Cloud Computing in Construction Industry: Use Cases, Benefits and Challenges. Autom. Constr. 2021, 122, 103441. [Google Scholar] [CrossRef]
- Satyanarayanan, M. The Emergence of Edge Computing. Computer 2017, 50, 30–39. [Google Scholar] [CrossRef]
- Pham, Q.V.; Fang, F.; Ha, V.N.; Piran, M.J.; Le, M.; Le, L.B.; Hwang, W.J.; Ding, Z. A Survey of Multi-Access Edge Computing in 5G and Beyond: Fundamentals, Technology Integration, and State-of-the-Art. IEEE Access 2020, 8, 116974–117017. [Google Scholar] [CrossRef]
- Wang, X.; Han, Y.; Leung, V.C.M.; Niyato, D.; Yan, X.; Chen, X. Convergence of Edge Computing and Deep Learning: A Comprehensive Survey. IEEE Commun. Surv. Tutor. 2020, 22, 869–904. [Google Scholar] [CrossRef]
- Fan, L.; Zhang, L. Multi-System Fusion Based on Deep Neural Network and Cloud Edge Computing and Its Application in Intelligent Manufacturing. Neural Comput. Appl. 2021, 34, 3411–3420. [Google Scholar] [CrossRef]
- Heidari, A.; Navimipour, N.J.; Unal, M. Applications of ML/DL in the management of smart cities and societies based on new trends in information technologies: A systematic literature review. Sustain. Cities Soc. 2022, 85, 104089. [Google Scholar] [CrossRef]
- Karzand, M.; Leith, D.J.; Cloud, J.; Medard, M. Design of FEC for Low Delay in 5G. IEEE J. Sel. Areas Commun. 2017, 35, 1783–1793. [Google Scholar] [CrossRef]
- Liu, W.; Anguelov, D.; Erhan, D.; Szegedy, C.; Reed, S.; Fu, C.Y.; Berg, A.C. SSD: Single Shot Multibox Detector. In Proceedings of the Computer Vision–ECCV 2016: 14th European Conference, Amsterdam, The Netherlands, 11–14 October 2016. [Google Scholar]
- Redmon, J.; Divvala, S.; Girshick, R.; Farhadi, A. You Only Look Once: Unified, Real-Time Object Detection. In Proceedings of the IEEE Conference on Computer Vision and Pattern Recognition, Las Vegas, NV, USA, 27–30 June 2016. [Google Scholar]
- Redmon, J.; Farhadi, A. YOLO9000: Better, Faster, Stronger. In Proceedings of the Proceedings—30th IEEE Conference on Computer Vision and Pattern Recognition, CVPR 2017 2016, Honolulu, HI, USA, 21–26 July 2017; pp. 6517–6525. [Google Scholar]
- Redmon, J.; Farhadi, A. YOLOv3: An Incremental Improvement. In Computer Vision and Pattern Recognition; Springer: Berlin/Heidelberg, Germany, 2018. [Google Scholar]
- Wang, C.; Bochkovskiy, A.; Liao, H.M. YOLOv4: Optimal Speed and Accuracy of Object Detection. 2020. Available online: https://github.com/AlexeyAB/darknet (accessed on 15 December 2024).
- Prasanna, S.; Kashinkunti, P.; Milletari, F. TensorRT 3: Faster TensorFlow Inference and Volta Support|Parallel Forall; NVIDIA Corporation: Santa Carlas, CA, USA, 2020. [Google Scholar]
- Bolya, D.; Fanyi, C.Z.; Yong, X.; Lee, J. YOLACT Real-Time Instance Segmentation. In Proceedings of the IEEE/CVF International Conference on Computer Vision, Seoul, Republic of Korea, 27 October–2 November 2019. [Google Scholar]
- Wu, Y.; Kirillov, A.; Massa, F.; Lo, W.; Girshick, R. Detectron. 2018. Available online: https://github.com/facebookresearch/detectron2 (accessed on 15 December 2024).
- Jung, A.B.; Wada, K.; Crall, J.; Tanaka, S.; Graving, J.; Reinders, C.; Yadav, S.; Banerjee, J.; Vecsei, G.; Kraft, A.; et al. Imgaug 2020. Available online: https://github.com/offbit/imgaug (accessed on 15 December 2024).












| YOLO-Tiny | YOLO | Faster R-CNN | |
|---|---|---|---|
| No TensorRT | 4.8 | 1.42 | 1 |
| With TensorRT | 13.4 | RAM Run out | RAM Run out |
| YOLO-Tiny-Revised | |
|---|---|
| No TensorRT | 5.3 |
| With TensorRT | 23.3 |
| Input = 500 | ||||||||||||
|---|---|---|---|---|---|---|---|---|---|---|---|---|
| Model | mAP | All | 0.50 | 0.55 | 0.60 | 0.65 | 0.70 | 0.75 | 0.80 | 0.85 | 0.90 | 0.95 |
| 730_130000 | box | 74.82 | 94.31 | 93.64 | 93.03 | 91.79 | 89.11 | 84.93 | 78.13 | 65.89 | 45.75 | 11.58 |
| Mask | 49.57 | 90.28 | 87.16 | 81.54 | 73.36 | 62.52 | 47.08 | 31.52 | 16.40 | 5.87 | 0.01 | |
| 786_140000 | box | 75.00 | 94.37 | 93.96 | 92.91 | 91.43 | 89.18 | 85.52 | 78.58 | 67.17 | 45.07 | 11.77 |
| Mask | 49.40 | 90.34 | 87.56 | 81.34 | 73.17 | 61.80 | 46.29 | 31.30 | 16.26 | 5.96 | 0.01 | |
| 842_150000 | box | 75.03 | 94.35 | 93.71 | 92.83 | 91.39 | 88.95 | 85.36 | 78.82 | 67.16 | 45.16 | 12.53 |
| Mask | 49.41 | 90.37 | 87.55 | 81.21 | 73.12 | 61.71 | 46.58 | 31.49 | 16.48 | 5.46 | 0.01 | |
| Input = 700 | ||||||||||||
| 540_160000 | box | 74.59 | 95.18 | 94.21 | 93.11 | 92.18 | 89.80 | 85.19 | 77.16 | 65.12 | 43.12 | 10.81 |
| Mask | 54.86 | 93.20 | 91.66 | 87.48 | 80.73 | 71.47 | 57.14 | 37.35 | 19.73 | 9.66 | 0.21 | |
| 574_170000 | box | 74.64 | 94.90 | 94.38 | 92.83 | 91.98 | 89.17 | 84.91 | 77.35 | 67.28 | 43.92 | 9.63 |
| Mask | 54.75 | 93.11 | 90.62 | 86.79 | 81.10 | 71.11 | 56.50 | 37.09 | 20.56 | 10.45 | 0.13 | |
| 608_180000 | box | 75.09 | 94.55 | 93.78 | 93.63 | 91.89 | 89.66 | 85.62 | 77.40 | 66.73 | 46.14 | 11.51 |
| Mask | 55.2 | 92.81 | 91.36 | 87.25 | 81.03 | 72.52 | 58.38 | 38.82 | 20.70 | 8.78 | 0.34 | |
Disclaimer/Publisher’s Note: The statements, opinions and data contained in all publications are solely those of the individual author(s) and contributor(s) and not of MDPI and/or the editor(s). MDPI and/or the editor(s) disclaim responsibility for any injury to people or property resulting from any ideas, methods, instructions or products referred to in the content. |
© 2024 by the authors. Licensee MDPI, Basel, Switzerland. This article is an open access article distributed under the terms and conditions of the Creative Commons Attribution (CC BY) license (https://creativecommons.org/licenses/by/4.0/).
Share and Cite
Wang, Z.; Yang, X.; Zheng, X.; Huang, D.; Jiang, B. Computer Vision System for Multi-Robot Construction Waste Management: Integrating Cloud and Edge Computing. Buildings 2024, 14, 3999. https://doi.org/10.3390/buildings14123999
Wang Z, Yang X, Zheng X, Huang D, Jiang B. Computer Vision System for Multi-Robot Construction Waste Management: Integrating Cloud and Edge Computing. Buildings. 2024; 14(12):3999. https://doi.org/10.3390/buildings14123999
Chicago/Turabian StyleWang, Zeli, Xincong Yang, Xianghan Zheng, Daoyin Huang, and Binfei Jiang. 2024. "Computer Vision System for Multi-Robot Construction Waste Management: Integrating Cloud and Edge Computing" Buildings 14, no. 12: 3999. https://doi.org/10.3390/buildings14123999
APA StyleWang, Z., Yang, X., Zheng, X., Huang, D., & Jiang, B. (2024). Computer Vision System for Multi-Robot Construction Waste Management: Integrating Cloud and Edge Computing. Buildings, 14(12), 3999. https://doi.org/10.3390/buildings14123999

