On the Choice of the Characteristic Length in the NMMD Model for the Simulation of Brittle Fractures
Abstract
1. Introduction
2. Statement of the Problem: Crack Onset at Non-Singular Stress Concentration
3. Materials and Methods: The NMMD Model for PMMA-like Materials
3.1. General Formulation of NMMD Model
3.2. Application to PMMA-like Materials
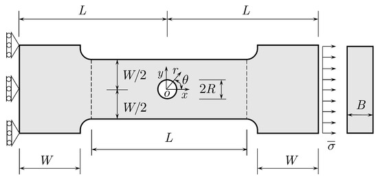
4. Results and Discussion: Crack Onset in Dog-Bone Specimens Without and With Holes
4.1. Dog-Bone Specimen Without Hole
4.2. Dog-Bone Specimens with Different Sizes of Circular Holes
4.3. Theoretical Determination of the Influence Radius
5. Comparison with Other Modified Nonlocalized Criteria
6. Revalidation: Mixed-Mode Fracture from Notch Tip with Stress Singularity
7. Concluding Remarks
- (1)
- The conventional local criteria (e.g., maximum stress (MS) criterion and net stress (NS) criterion) cannot predict the experimentally observed failure stress of specimens containing various sizes of circular defects with satisfaction due to the lack of the characteristic length, whereas the NMMD model is capable of providing adequate critical loads consistent with the experimental data for the size effect of defects;
- (2)
- For brittle materials like PMMA, all parameters in the NMMD model can be uniquely determined with standard specimens (e.g., the dog-bone specimen) with and without defects. The most important parameter in the NMMD model, i.e., the influence radius (also called the characteristic length), is proven to be directly measurable in experiments; theoretically, it is related to the ratio of the fracture toughness to the tensile strength of the material;
- (3)
- Compared to the modified nonlocalized criteria also involving the characteristic length (e.g., line method criterion, quantized fracture mechanics criterion, and finite fracture mechanics criterion), the NMMD model is not only able to predict the critical loads with higher accuracy with regard to the experimental results but is also able to quantitatively provide the crack morphologies from initiation to propagation;
- (4)
- The calibration procedure proposed for the NMMD model is suitable for both brittle fracture problems of crack onset at non-singular stress concentration and mixed-mode cracking from the notch tip with stress singularity. The results show a remarkable improvement in the prediction of the fracture toughness and kinking angle in comparison to the preferred local criteria in linear elastic fracture mechanics, such as the maximum tangential stress criterion and the maximum energy release rate criterion.
Funding
Data Availability Statement
Acknowledgments
Conflicts of Interest
Appendix A. Examination of the Applicability of the Analytical Stress Solution to Specimens of a Finite Size


References
- Lu, G.D.; Chen, J.B. A new nonlocal macro-meso-scale consistent damage model for crack modeling of quasi-brittle materials. Comput. Methods Appl. Mech. Eng. 2020, 362, 112802. [Google Scholar] [CrossRef]
- Chen, J.B.; Ren, Y.D.; Lu, G.D. Meso-scale physical modeling of energetic degradation function in the nonlocal macro-meso-scale consistent damage model for Quasi-Brittle materials. Comput. Methods Appl. Mech. Eng. 2021, 374, 113588. [Google Scholar] [CrossRef]
- Ren, Y.D.; Lu, G.D.; Chen, J.B. Physically consistent nonlocal macro–meso-scale damage model for quasi-brittle materials: A unified multiscale perspective. Int. J. Solids Struct. 2024, 293, 112738. [Google Scholar] [CrossRef]
- Lu, G.D.; Chen, J.B.; Ren, Y.D. New insights into fracture and cracking simulation of quasi-brittle materials based on the NMMD model. Comput. Methods Appl. Mech. Eng. 2024, 432 Pt B, 117347. [Google Scholar] [CrossRef]
- Ren, Y.D.; Chen, J.B.; Lu, G.D. A structured deformation driven nonlocal macro-meso-scale consistent damage model for the compression/shear dominate failure simulation of quasi-brittle materials. Comput. Methods Appl. Mech. Eng. 2023, 410, 115945. [Google Scholar] [CrossRef]
- Lu, G.D.; Chen, J.B. Dynamic cracking simulation by the nonlocal macro-meso-scale damage model for isotropic materials. J. Numer. Methods Engrg. 2021, 122, 3070–3099. [Google Scholar] [CrossRef]
- Ren, Y.D.; Chen, J.B.; Lu, G.D. Mesoscopic simulation of uniaxial compression fracture of concrete via the nonlocal macro-meso-scale consistent damage model. Eng. Fract. Mech. 2024, 304, 110148. [Google Scholar] [CrossRef]
- Xia, X.Z.; Wang, X.; Lu, G.D.; Gu, X.; Lv, W.F.; Zhang, Q.; Ma, L.Z. A new nonlocal macro-micro-scale consistent damage model for layered rock mass. Theor. Appl. Fract. Mec. 2024, 133 Pt A, 104540. [Google Scholar] [CrossRef]
- Zhao, Z.W.; Du, C.B.; Sun, L.G.; Du, N.Y. Simulation of the dynamic cracking of brittle materials using a nonlocal damage model with an effective strain rate effect. Comput. Methods Appl. Mech. Eng. 2024, 418, 116579. [Google Scholar] [CrossRef]
- Eringen, A.C. On nonlocal plasticity. Int. J. Eng. Sci. 1981, 19, 1461–1474. [Google Scholar] [CrossRef]
- Bažant, Z.P.; Belytschko, T.B.; Chang, T.P. Continuum theory for strain-softening. J. Eng. Mech. 1984, 110, 1666–1692. [Google Scholar] [CrossRef]
- Bažant, Z.P.; Jirásek, M. Nonlocal integral formulations of plasticity and damage: Survey of progress. J. Eng. Mech. 2002, 128, 1119–1149. [Google Scholar] [CrossRef]
- Bažant, Z.P.; Pijaudier-Cabot, G. Measurement of characteristic length of nonlocal continuum. J. Eng. Mech. 1989, 115, 755–767. [Google Scholar] [CrossRef]
- Silling, S.A. Reformulation of elasticity theory for discontinuities and long-range forces. J. Mech. Phys. Solids 2000, 48, 175–209. [Google Scholar] [CrossRef]
- Silling, S.A.; Lehoucq, R.B. Peridynamic theory of solid mechanics. Adv. Appl. Mech. 2010, 44, 73–168. [Google Scholar]
- Bourdin, B.; Francfort, G.A.; Marigo, J.J. Numerical experiments in revisited brittle fracture. J. Mech. Phys. Solids 2000, 48, 797–826. [Google Scholar] [CrossRef]
- Bourdin, B.; Francfort, G.A.; Marigo, J.J. The variational approach to fracture. J. Elast. 2008, 91, 5–148. [Google Scholar] [CrossRef]
- Wu, J.Y. A unified phase-field theory for the mechanics of damage and quasi-brittle failure. J. Mech. Phys. Solids 2017, 103, 72–99. [Google Scholar] [CrossRef]
- Feng, Y.; Fan, J.; Li, J. Endowing explicit Cohesive laws to the phase-field fracture theory. J. Mech. Phys. Solids 2021, 152, 104464. [Google Scholar] [CrossRef]
- Peerlings, R.H.; de Borst, R.; Brekelmans, W.M.; de Vree, J. Gradient enhanced damage for quasi-brittle materials. Int. J. Numer. Methods Eng. 1996, 39, 3391–3403. [Google Scholar] [CrossRef]
- Xue, L.; Ren, X.D. Achieving irreversibility in damage evolution: Extended gradient damage model with decoupled damage profile and cohesive law. J. Mech. Phys. Solids 2024, 183, 105524. [Google Scholar] [CrossRef]
- Sapora, A.; Torabi, A.R.; Etesam, S.; Cornetti, P. Finite fracture mechanics crack initiation from a circular hole. Fatigue Fract. Eng. Mater. Struct. 2018, 41, 1627–1636. [Google Scholar] [CrossRef]
- Timoshenko, S.P.; Goodier, J.N. Theory of Elasticity; McGraw-hill: New York, NY, USA, 1951. [Google Scholar]
- Carter, B.J. Size and stress gradient effects on fracture around cavities. Rock Mech. Rock Eng. 1992, 25, 167–186. [Google Scholar] [CrossRef]
- Li, J.; Zhang, X.B. A criterion study for non-singular stress concentrations with size effect. Strength Fract. Comp. 2005, 3, 205–215. [Google Scholar]
- Torabi, A.R.; Etesam, S.; Sapora, A.; Cornetti, P. Size effects on brittle fracture of Brazilian disk samples containing a circular hole. Eng. Fract. Mech. 2017, 186, 496–503. [Google Scholar] [CrossRef]
- Chen, J.B.; Xie, J.K.; Lu, G.D. A new exploration of mesoscopic structure in the nonlocal macro-meso-scale consistent damage model for quasi-brittle materials. Comput. Methods Appl. Mech. Eng. 2024, 432 Pt B, 117456. [Google Scholar] [CrossRef]
- Li, J.; Wu, J.Y.; Chen, J.B. Stochastic Damage Mechanics of Concrete Structures [in Chinese]; Science Press: Beijing, China, 2014. [Google Scholar]
- Gurtin, M.E. An Introduction to Continuum Mechanics; Academic Press: New York, NY, USA, 1981. [Google Scholar]
- May, I.M.; Duan, Y.L. A local arc-length procedure for strain softening. Comput. Struct. 1997, 64, 297–303. [Google Scholar] [CrossRef]
- Romani, R.; Bornert, M.; Leguillon, D.; Le Roy, R.; Sab, K. Detection of crack onset in double cleavage drilled specimens of plaster under compression by digital image correlation–theoretical predictions based on a coupled criterion. Eur. J. Mech. A-Solid 2015, 51, 172–182. [Google Scholar] [CrossRef]
- Yin, X.; Li, Q.; Wang, Q.; Reinhardt, H.W.; Xu, S.L. The double-K fracture model: A state-of-the-art review. Eng. Fract. Mech. 2023, 277, 108988. [Google Scholar] [CrossRef]
- Tada, H.; Paris, P.C.; Irwin, G.R. The Stress Analysis of Cracks Handbook, 3rd ed.; ASME Press: New York, NY, USA, 2000. [Google Scholar]
- Anderson, T.L. Fracture Mechanics: Fundamentals and Applications, 3rd ed.; CRC Press: Boca Raton, FL, USA, 2005. [Google Scholar]
- Seweryn, A.; Łukaszewicz, A. Verification of brittle fracture criteria for elements with V-shaped notches. Eng. Fract. Mech. 2002, 69, 1487–1510. [Google Scholar] [CrossRef]
- Novozhilov, V.V. On a necessary and sufficient criterion for brittle strength. J. Appl. Math. Mech. 1969, 33, 201–210. [Google Scholar] [CrossRef]
- Seweryn, A. Brittle fracture criterion for structures with sharp notches. Eng. Fract. Mech. 1994, 47, 673–681. [Google Scholar] [CrossRef]
- Pugno, N.M.; Ruoff, R.S. Quantized fracture mechanics. Philos. Mag. 2004, 84, 2829–2845. [Google Scholar] [CrossRef]
- Carpinteri, A.; Cornetti, P.; Pugno, N.; Sapora, A.; Taylor, D. A finite fracture mechanics approach to structures with sharp V-notches. Eng. Fract. Mech. 2008, 75, 1736–1752. [Google Scholar] [CrossRef]
- Mousavi, S.S.; Aliha, M.R.M.; Imani, D.M. On the use of edge cracked short bend beam specimen for PMMA fracture toughness testing under mixed-mode I/II. Polym. Test. 2020, 81, 106199. [Google Scholar] [CrossRef]
- Aliha, M.R.M.; Samareh-Mousavi, S.S.; Mirsayar, M.M. Loading rate effect on mixed mode I/II brittle fracture behavior of PMMA using inclined cracked SBB specimen. Int. J. Solids Struct. 2021, 232, 111177. [Google Scholar] [CrossRef]
- Erdogan, F.; Sih, G.C. On the crack extension in plates under plane loading and transverse shear. J. Basic Eng. 1963, 85, 519–525. [Google Scholar] [CrossRef]
- Wu, C.H. Maximum-energy-release-rate criterion applied to a tension-compression specimen with crack. J. Elast. 1978, 8, 235–257. [Google Scholar] [CrossRef]
- Gol’dstein, R.V.; Salganik, R.L. Brittle fracture of solids with arbitrary cracks. Int. J. Fract. 1974, 10, 507–523. [Google Scholar] [CrossRef]
- Sih, G.C. Strain-energy-density factor applied to mixed mode crack problems. Int. J. Fract. 1974, 10, 305–321. [Google Scholar] [CrossRef]
- Chang, K.J. On the maximum strain criterion—A new approach to the angled crack problem. Eng. Fract. Mech. 1981, 14, 107–124. [Google Scholar] [CrossRef]




















| Tensile Strength σt [MPa] | Fracture Toughness | Young’s Modulus | Poisson’s Ratio |
|---|---|---|---|
| Case | Degradation Parameter | Critical Threshold | Influence Radius ℓ [mm] |
|---|---|---|---|
| I | 4 | 1 | |
| II | 5 | 1 | |
| III | 6 | 1 |
| Case | Degradation Parameter | Critical Threshold [mm] | Influence Radius [mm] |
|---|---|---|---|
| A | 5 | ||
| B | 5 | ||
| C | 5 | ||
| D | 5 | ||
| E | 5 | 1 | |
| F | 5 | 2 | |
| G | 5 | 4 |
| Tensile Strength σt [MPa] | Fracture Toughness | Young’s Modulus | Poisson’s Ratio |
|---|---|---|---|
| 65 | 3 |
Disclaimer/Publisher’s Note: The statements, opinions and data contained in all publications are solely those of the individual author(s) and contributor(s) and not of MDPI and/or the editor(s). MDPI and/or the editor(s) disclaim responsibility for any injury to people or property resulting from any ideas, methods, instructions or products referred to in the content. |
© 2024 by the author. Licensee MDPI, Basel, Switzerland. This article is an open access article distributed under the terms and conditions of the Creative Commons Attribution (CC BY) license (https://creativecommons.org/licenses/by/4.0/).
Share and Cite
Lu, G. On the Choice of the Characteristic Length in the NMMD Model for the Simulation of Brittle Fractures. Buildings 2024, 14, 3932. https://doi.org/10.3390/buildings14123932
Lu G. On the Choice of the Characteristic Length in the NMMD Model for the Simulation of Brittle Fractures. Buildings. 2024; 14(12):3932. https://doi.org/10.3390/buildings14123932
Chicago/Turabian StyleLu, Guangda. 2024. "On the Choice of the Characteristic Length in the NMMD Model for the Simulation of Brittle Fractures" Buildings 14, no. 12: 3932. https://doi.org/10.3390/buildings14123932
APA StyleLu, G. (2024). On the Choice of the Characteristic Length in the NMMD Model for the Simulation of Brittle Fractures. Buildings, 14(12), 3932. https://doi.org/10.3390/buildings14123932

