Bending Performance of F-Type Socket Joints for Rectangular Pipe Jacking Tunnels with Longitudinal Connectors
Abstract
1. Introduction
2. Experimental Program
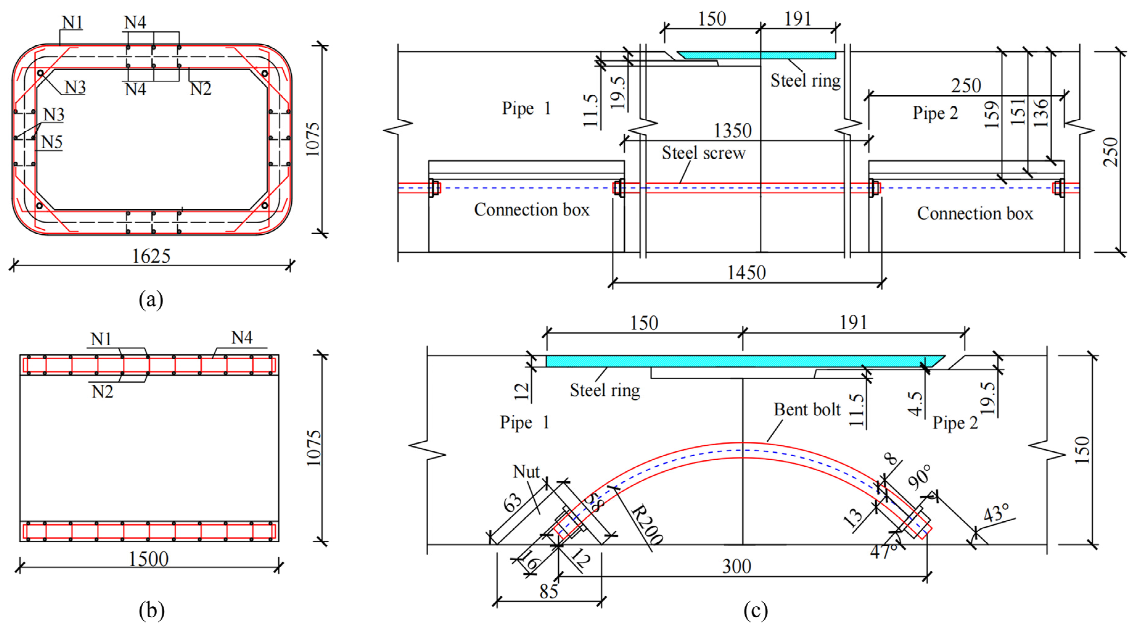
2.1. Specimen Design
2.2. Specimen Preparation
2.3. Loading Device and Measurement
3. Experimental Results and Discussion
3.1. Failure Modes
3.2. Strain Analysis
3.2.1. Steel Bar
3.2.2. Concrete of the Sidewall
3.2.3. Concrete of the Top Plate
3.3. Stress in Longitudinal Connectors
3.4. Joint Opening and Rotation Angle
4. Comprehensive Discussion
5. Conclusions
- (1)
- Compared with bent bolts, steel screws cause less damage to the screw hole of a joint. The load at which the joint enters the plastic stage and the bearing capacity are increased by 0.47 times and 1.02 times, respectively, and it has better toughness and bending resistance.
- (2)
- Joint with bent bolts connection will lose its load-bearing capacity because of premature cracking of the concrete at the screw hole. Therefore, when bent bolts are used, partial strengthening of the reinforcement at the screw hole or the use of UHPC ultrahigh-performance concrete at the screw hole is recommended to improve the load-bearing capacity of the joint.
- (3)
- Steel screws are easy to install and remove, and the joints have better waterproof performance, which is suitable for large-section rectangular pipe jacking tunnels and working conditions with high jacking forces. The bent bolts have a lower degree of joint cutting and smaller hand hole areas, which are suitable for small- and medium-sized rectangular pipe jacking tunnels with thicker joints.
Author Contributions
Funding
Data Availability Statement
Conflicts of Interest
References
- Lu, H.; Matthews, J.; Iseley, T. How does trenchless technology make pipeline construction greener? A comprehensive carbon footprint and energy consumption analysis. J. Clean. Prod. 2020, 261, 121215. [Google Scholar] [CrossRef]
- Zhang, P. Japanese ways of developing urban underground recreation space. World J. Text. Eng. Technol. 2018, 6, 85043. [Google Scholar] [CrossRef][Green Version]
- Chen, X.; Ma, B.; Najafi, M.; Zhang, P. Long rectangular box jacking project: A case study. Undergr. Space 2021, 6, 101–125. [Google Scholar] [CrossRef]
- Shimada, H.; Khazaei, S.; Matsui, K. Small diameter tunnel excavation method using slurry pipe-jacking. Geotech. Geol. Eng. 2004, 22, 161–186. [Google Scholar] [CrossRef]
- Saiyar, M.; Moore, I.D.; Take, W.A. Kinematics of jointed pipes and design estimates of joint rotation under differential ground movements. Can. Geotech. J. 2015, 52, 1714–1724. [Google Scholar] [CrossRef]
- Zhang, P.; Feng, X.; Zeng, C.; Ariaratnam, S.T. Field performance of steel pipes during curve jacking in Gongbei tunnel. Tunn. Undergr. Space Technol. 2022, 128, 104585. [Google Scholar] [CrossRef]
- Feng, X.; Zhang, P.; Chen, X.; Zhang, Y.; Ma, B.; Liu, K.; Xu, T.; Zeng, C. Field mechanical properties of large section concrete pipes during jacking in fractured moderately weathered siltstone. Tunn. Undergr. Space Technol. 2023, 131, 104818. [Google Scholar] [CrossRef]
- Liu, K.; Xiao, A.; Zhang, P.; Zhou, H.; Chen, Z.; Xu, T.; Ma, B.; Ai, H.; Wang, Q. Study on mechanical response of steel pipe jacking considering the effect of pipe sticking. Tunn. Undergr. Space Technol. 2022, 127, 104617. [Google Scholar] [CrossRef]
- Li, C.; Zhong, Z.; Bie, C.; Liu, X. Field performance of large section concrete pipes cracking during jacking in Chongqing–A case study. Tunn. Undergr. Space Technol. 2018, 82, 568–583. [Google Scholar] [CrossRef]
- He, Y.; Cheng, J.; Shi, Z.; Zhang, B.; Chen, L.; Li, X.; Wang, X. Numerical simulation study on rubber ring for pipe jacking joint of electric power tunnels. J. Phys. Conf. Ser. 2024, 2846, 012009. [Google Scholar] [CrossRef]
- Liu, K.; Chen, X.; Zhang, P.; Ma, B.; Feng, X.; Zhang, Y.; Liu, H.; Tan, X.; Xu, T. Axial mechanical response of concrete pipe jacking considering the deflection of the bell-and-spigot joint: Full-scale test and numerical simulation. Tunn. Undergr. Space Technol. 2024, 149, 105805. [Google Scholar] [CrossRef]
- García, D.B.; Moore, I.D. Behaviour of bell and spigot joints in buried reinforced concrete pipelines. Can. Geotech. J. 2015, 52, 609–625. [Google Scholar] [CrossRef]
- Xu, Y.; Zhao, Z.; Zhang, C.; Zhang, X.; Pang, Y. Shear mechanical response and deformation failure of F-type socket joint in a rectangular pipe jacking tunnel under different geologic conditions. Sci. Rep. 2023, 13, 21967. [Google Scholar] [CrossRef] [PubMed]
- Wu, D.; Zhao, H.; Shen, H. Bending performance of the steel longitudinal joint for quasi-rectangular pipe-jacking tunnels. J. Syst. Eng. Prac. 2022, 13, 04022026. [Google Scholar] [CrossRef]
- Zhang, L.; Kang, C.; Liang, R.; Wu, B.; Li, Z. Longitudinal Equivalent Flexural Stiffness of Rectangular Pipe-jacking Tunnel in Integrated Pipe Gallery. IOP Conf. Ser. Earth Environ. Sci. 2021, 861, 052107. [Google Scholar] [CrossRef]
- Feng, X.; Zhang, P.; Ma, B.; Zhou, H. Joint bending stiffness and internal force calculation of assembled pipe jacking. Bull. Geol. Sci. Technol. 2021, 40, 111–117. [Google Scholar] [CrossRef]
- Zhang, P.; Ma, B.; Zeng, C.; Xie, H.; Li, X.; Wang, D. Key techniques for the largest curved pipe jacking roof to date: A case study of Gongbei tunnel. Tunn. Undergr. Space Technol. 2016, 59, 134–145. [Google Scholar] [CrossRef]
- Huang, W. Optimization Design of Segmental Structure of Large Cross-section Rectangular Pipe-jacking Tunnel. Tunn. Constr. 2020, 40, 859–867. [Google Scholar] [CrossRef]
- Zhou, Z.; Wang, J. Progressive Construction Technology for Corner Connection of Large Cross-section Rectangular Pipe Jacking Segment. Tunn. Constr. 2018, 38, 2032–2039. [Google Scholar] [CrossRef]
- Li, J.; Liu, Z.; Zhang, P. The hugest curved jacking pipe roof tunnel of Hong Kong-Zhuhai-Macao bridge. ICPT Creat. Infrastruct. Sustain. 2014, 422–431. [Google Scholar] [CrossRef]
- Liu, J.; Ma, B.; Cheng, Y. Design of the Gongbei tunnel using a very large cross-section pipe-roof and soil freezing method. Tunn. Undergr. Space Technol. 2018, 72, 28–40. [Google Scholar] [CrossRef]
- Wang, L.; Chen, X.; Su, D.; Liu, S.; Liu, X.; Jiang, S.; Gao, H.; Yang, W. Mechanical performance of a prefabricated subway station structure constructed by twin closely-spaced rectangular pipe-jacking boxes. Tunn. Undergr. Space Technol. 2023, 135, 105062. [Google Scholar] [CrossRef]
- Xu, Y.; Pang, Y.; Zhang, C.; Nie, X.; Zhang, X. Experimental Study on Bending Performance of an F-Type socket joint in rectangular pipe-jacking Tunnels. Tunn. Constr. 2023, 43, 1099–1110. [Google Scholar] [CrossRef]
- Xu, Y.; Huang, Z.; Gu, D.; Tan, J.; Xiao, J. Bearing Capacities and Failure Behaviors of F-Type Socket Joint in Rectangular Pipe Jacking Tunnel. Appl. Sci. 2023, 13, 5442. [Google Scholar] [CrossRef]
- Ling, T.; Yu, B.; Zhang, C.; Nie, X.; Zhang, X. Bending Behavior of Bell and Spigot Joints of Segmental Precast Utility Tunnel. China J. Highw. Transp. 2024, 37, 179–190. [Google Scholar]
- Ding, W.; Chen, X.; Jin, Y.; Qiao, Y. Flexural behavior of segmental joint containing double rows of bolts: Experiment and simulation. Tunn. Undergr. Space Technol. 2021, 112, 103940. [Google Scholar] [CrossRef]
- GB/T228-2021; Metallic Materials-Tensile Testing-Part1: Method of Test at Room Temperature. Standards Press of China: Beijing, China, 2021. (In Chinese)










| Material | Modulus of Elasticity (MPa) | Compressive Strength (MPa) | Tensile Strength (MPa) |
|---|---|---|---|
| Concrete (C50) | 34,500 | 37.6 | 2.5 |
| Material | Elasticity Modulus (MPa) | Yield Strength (MPa) | Ultimate Strength (MPa) |
|---|---|---|---|
| Steel ring | 210,000 | 216 | 350 |
| Steel bar | 200,000 | 400 | 540 |
| Steel screw | 172,614 | 407 | 601 |
| Bent bolt | 174,528 | 403 | 598 |
Disclaimer/Publisher’s Note: The statements, opinions and data contained in all publications are solely those of the individual author(s) and contributor(s) and not of MDPI and/or the editor(s). MDPI and/or the editor(s) disclaim responsibility for any injury to people or property resulting from any ideas, methods, instructions or products referred to in the content. |
© 2024 by the authors. Licensee MDPI, Basel, Switzerland. This article is an open access article distributed under the terms and conditions of the Creative Commons Attribution (CC BY) license (https://creativecommons.org/licenses/by/4.0/).
Share and Cite
Xu, Y.; Xu, C.; Zhang, C.; Zhang, X. Bending Performance of F-Type Socket Joints for Rectangular Pipe Jacking Tunnels with Longitudinal Connectors. Buildings 2024, 14, 3758. https://doi.org/10.3390/buildings14123758
Xu Y, Xu C, Zhang C, Zhang X. Bending Performance of F-Type Socket Joints for Rectangular Pipe Jacking Tunnels with Longitudinal Connectors. Buildings. 2024; 14(12):3758. https://doi.org/10.3390/buildings14123758
Chicago/Turabian StyleXu, Youjun, Chengjun Xu, Chao Zhang, and Xu Zhang. 2024. "Bending Performance of F-Type Socket Joints for Rectangular Pipe Jacking Tunnels with Longitudinal Connectors" Buildings 14, no. 12: 3758. https://doi.org/10.3390/buildings14123758
APA StyleXu, Y., Xu, C., Zhang, C., & Zhang, X. (2024). Bending Performance of F-Type Socket Joints for Rectangular Pipe Jacking Tunnels with Longitudinal Connectors. Buildings, 14(12), 3758. https://doi.org/10.3390/buildings14123758

